Power System Stability Enhancement Using Robust FACTS-Based Stabilizer Designed by a Hybrid Optimization Algorithm
Abstract
1. Introduction
1.1. Motivations
1.2. Literature Review
1.3. Contributions
- Considering two objective functions, control cost and shifting critical modes to a desirable area simultaneously, as a multi-objective function to design an SSSC-based stabilizer to damp inter-area oscillations.
- Determining different constraints for the stabilizer parameters to design the stabilizer in the form of minimum phase.
- Optimal design of the robust SSSC-based stabilizer against load variations and different operating conditions.
1.4. Paper Organization
2. System Modeling
2.1. Multimachine Power System
2.2. Excitation System
2.3. Structure of the Stabilizer
2.4. Modeling of Static Synchronous Series Compensator (SSSC)
2.4.1. Phase (φ) Control Channel
2.4.2. Magnitude (m) Control Channel
3. Grey Wolf Optimizer (GWO) Algorithm
4. The Proposed hGWO-GA
5. Design of an SSSC-Based Stabilizer Using the hGWO-GA Algorithm
5.1. Objective Functions
- (1)
- The first objective function.
- (2)
- The second and third objective functions.
5.2. Constraints
5.3. Multi-Objective Function
5.4. Robust Objective Function
6. Simulation Results
6.1. The IEEE 4-Machine Power System

6.1.1. Optimal Design of SSSC-Based Stabilizers
6.1.2. Robust Design of the Stabilizer
6.1.3. Comparison of the Proposed Objective Function
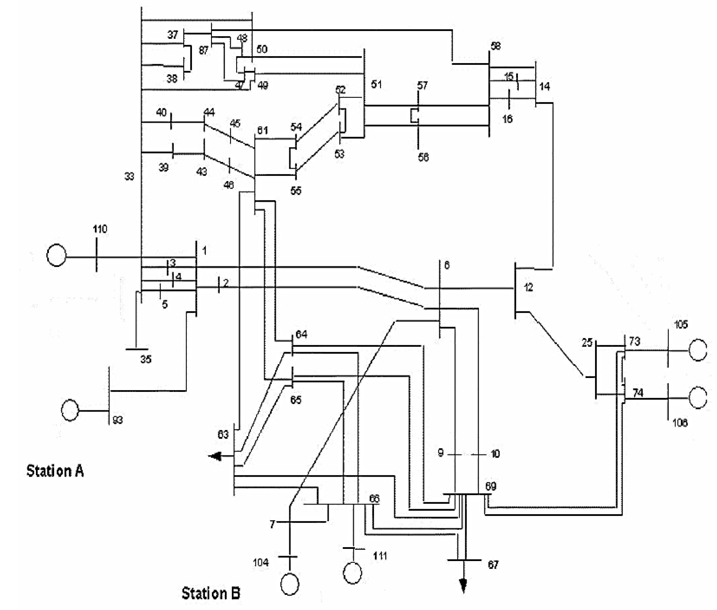
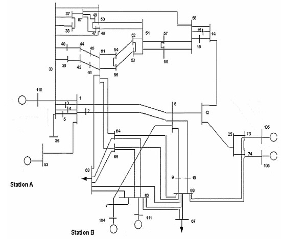
6.2. IEEE 50-Machine Power System
7. Conclusions
Author Contributions
Funding
Data Availability Statement
Conflicts of Interest
Nomenclature
| Open-circuit d and q axes transient time constants, respectively. | |
| Stator EMFs of the rotor transient flux components on the d and q axes, respectively. | |
| EFD | Stator EMF of the field voltage. |
| xe | Auxiliary state variable for the excitation system |
| Xd, Xq | Synchronous reactance on the d and q axes, respectively. |
| Transient reactance on the d and q axes, respectively. | |
| Id, Iq | Stator currents on the d and q axes, respectively. |
| D | Damping coefficient. |
| δ | Rotor angle. |
| ω | Rotor angular speed. |
| ωs | The synchronous speed of the machine. |
| H | Inertia constant of the machine. |
| Pm | Mechanical power applied to the shaft. |
| Pe | Output electrical power of the generator. |
| X2, X1, X0 | Parameters of SSSC stabilizer. |
| T | Time constant of SSSC stabilizer. |
| Vinj | The AC voltage provided by the SSSC. |
| XSCT | Leakage reactance of coupling transformer. |
| σi | Real part of ith critical mode. |
| ζi | Damping coefficient of ith critical mode. |
| ζ0 | Desired value of damping coefficient of critical modes. |
| KA | Exciter gain. |
| σ0 | Desired value of the real part of critical modes. |
| TA, TB, TC, TR | Time constants related to the exciter. |
| m, ϕ | Modulation ratio and phase defined by pulse width modulation. (PWM), respectively. |
| ρc | Crossover percentage. |
| ϕ ref | AC voltage injected by the SSSC. |
| mref | Values of m in steady-state condition. |
| IL | Line current. |
| ISS | Line current in steady-state condition. |
| ID, IQ | D and Q components of the line current. |
| ψ | Phase of line current IL. |
| φss | Phase of line current IL in steady-state condition. |
| KP | Proportional gain of Pl controller. |
| KI | Integral gain of PI controller. |
| Tw | Time constant of washout filter. |
| Idc | DC current of SSSC. |
| Vdc | DC voltage of SSSC. |
| K | The ratio between the AC and DC voltages depending on the converter structure. |
| CDC | DC capacitor value. |
| NP | The number of operation conditions. |
| TSSSC | Time constants of the SSSC. |
| N | Number of search agents. |
| iter-max | Maximum number of iterations. |
| ρc | Crossover percentage. |
| ρm | Mutation percentage. |
References
- Rogers, G. Power System Oscillations; The Kluwer International Series in Engineering and Computer Science: Power Electronics and Power Systems; Kluwer Academic Publishers: Amsterdam, The Netherlands, 2000; ISBN 9780792377122. [Google Scholar]
- Kundur, P.; Balu, N.J.; Lauby, M.G. Power System Stability and Control; EPRI power system engineering series; McGraw-Hill: New York, NY, USA, 1994; ISBN 9780070359581. [Google Scholar]
- Yu, Y.-N. Electric Power System Dynamics; Academic Press: Cambridge, MA, USA, 1983. [Google Scholar]
- Ramos, R.A. Stability Analysis of Power Systems Considering AVR and PSS Output Limiters. Int. J. Electr. Power Energy Syst. 2009, 31, 153–159. [Google Scholar] [CrossRef]
- Hingorani, N.G.; Gyugyi, L. Understanding FACTS: Concepts and Technology of Flexible AC Transmission Systems; Wiley: Hoboken, NJ, USA, 2000; ISBN 9780780334557. [Google Scholar]
- Zarghami, M.; Crow, M.L.; Sarangapani, J.; Liu, Y.; Atcitty, S. A Novel Approach to Interarea Oscillation Damping by Unified Power Flow Controllers Utilizing Ultracapacitors. IEEE Trans. Power Syst. 2010, 25, 404–412. [Google Scholar] [CrossRef]
- Ke, D.P.; Chung, C.Y. An Inter-Area Mode Oriented Pole-Shifting Method with Coordination of Control Efforts for Robust Tuning of Power Oscillation Damping Controllers. IEEE Trans. Power Syst. 2012, 27, 1422–1432. [Google Scholar] [CrossRef]
- Mihalič, R.; Papič, I. Static Synchronous Series Compensator—A Mean for Dynamic Power Flow Control in Electric Power Systems. Electr. Power Syst. Res. 1998, 45, 65–72. [Google Scholar] [CrossRef]
- Panda, S. Multi-Objective Evolutionary Algorithm for SSSC-Based Controller Design. Electr. Power Syst. Res. 2009, 79, 937–944. [Google Scholar] [CrossRef]
- Castro, M.S.; Ayres, H.M.; da Costa, V.F.; da Silva, L.C.P. Impacts of the SSSC Control Modes on Small-Signal and Transient Stability of a Power System. Electr. Power Syst. Res. 2007, 77, 1–9. [Google Scholar] [CrossRef]
- Movahedi, A.; Niasar, A.H.; Gharehpetian, G.B. Designing SSSC, TCSC, and STATCOM Controllers Using AVURPSO, GSA, and GA for Transient Stability Improvement of a Multi-Machine Power System with PV and Wind Farms. Int. J. Electr. Power Energy Syst. 2019, 106, 455–466. [Google Scholar] [CrossRef]
- Abdelaziz, A.Y.; Ali, E.S. Static VAR Compensator Damping Controller Design Based on Flower Pollination Algorithm for a Multi-Machine Power System. Electr. Power Compon. Syst. 2015, 43, 1268–1277. [Google Scholar] [CrossRef]
- Shakarami, M.R.; Kazemi, A. Assessment of Effect of SSSC Stabilizer in Different Control Channels on Damping Inter-Area Oscillations. Energy Convers. Manag. 2011, 52, 1622–1629. [Google Scholar] [CrossRef]
- Abd-Elazim, S.M.; Ali, E.S. Imperialist Competitive Algorithm for Optimal STATCOM Design in a Multimachine Power System. Int. J. Electr. Power Energy Syst. 2016, 76, 136–146. [Google Scholar] [CrossRef]
- Kazemi, A.; Ladjevardi, M.; Masoum, M.A.S. Optimal Selection of SSSC Based Damping Controller Parameters for Improving Power System Dynamic Stability Using Genetic Algorithm. Iran. J. Sci. Technol. Trans. B Eng. 2005, 29, 1–10. [Google Scholar]
- Jowder, F.A.L. Influence of Mode of Operation of the SSSC on the Small Disturbance and Transient Stability of a Radial Power System. IEEE Trans. Power Syst. 2005, 20, 935–942. [Google Scholar] [CrossRef]
- Wang, H.F. Static Synchronous Series Compensator to Damp Power System Oscillations. Electr. Power Syst. Res. 2000, 54, 113–119. [Google Scholar] [CrossRef]
- Nambu, M.; Ohsawa, Y. Development of an Advanced Power System Stabilizer Using a Strict Linearization Approach. IEEE Trans. Power Syst. 1996, 11, 813–818. [Google Scholar] [CrossRef]
- Larsen, E.V.; Swann, D.A. Applying Power System Stabilizers Part II: Performance Objectives and Tuning Concepts. IEEE Trans. Power Appar. Syst. 1981, PAS-100, 3025–3033. [Google Scholar] [CrossRef]
- Mokhtari, M.; Aminifar, F.; Nazarpour, D.; Golshannavaz, S. Wide-Area Power Oscillation Damping with a Fuzzy Controller Compensating the Continuous Communication Delays. IEEE Trans. Power Syst. 2013, 28, 1997–2005. [Google Scholar] [CrossRef]
- Sharaf, A.M.; Lie, T.T. A Robust Nonlinear Power System Stabilizer. In Proceedings of the 38th Midwest Symposium on Circuits and Systems, Rio de Janeiro, Brazil, 13–16 August 1995; Volume 2, pp. 1098–1101. [Google Scholar]
- Safari, A.; Rezaei, N. A Novel Current Injection Model of GCSC for Control and Damping of Power System Oscillations. IETE J. Res. 2013, 59, 768–773. [Google Scholar] [CrossRef]
- Panda, S.; Swain, S.C.; Rautray, P.K.; Malik, R.K.; Panda, G. Design and Analysis of SSSC-Based Supplementary Damping Controller. Simul. Model. Pract. Theory 2010, 18, 1199–1213. [Google Scholar] [CrossRef]
- Panda, S.; Kiran, S.H.; Dash, S.S.; Subramani, C. A PD-Type Multi Input Single Output SSSC Damping Controller Design Employing Hybrid Improved Differential Evolution-Pattern Search Approach. Appl. Soft Comput. 2015, 32, 532–543. [Google Scholar] [CrossRef]
- Hashemi, Y.; Shayeghi, H.; Moradzadeh, M. Design of Dual-Dimensional Controller Based on Multi-Objective Gravitational Search Optimization Algorithm for Amelioration of Impact of Oscillation in Power Generated by Large-Scale Wind Farms. Appl. Soft Comput. 2017, 53, 236–261. [Google Scholar] [CrossRef]
- Abd Elazim, S.M.; Ali, E.S. Optimal SSSC Design for Damping Power Systems Oscillations via Gravitational Search Algorithm. Int. J. Electr. Power Energy Syst. 2016, 82, 161–168. [Google Scholar] [CrossRef]
- Gholipour, E.; Nosratabadi, S.M. A New Coordination Strategy of SSSC and PSS Controllers in Power System Using SOA Algorithm Based on Pareto Method. Int. J. Electr. Power Energy Syst. 2015, 67, 462–471. [Google Scholar] [CrossRef]
- Darabian, M.; Mohseni-Bonab, S.M.; Mohammadi-Ivatloo, B. Improvement of Power System Stability by Optimal SVC Controller Design Using Shuffled Frog-Leaping Algorithm. IETE J. Res. 2015, 61, 160–169. [Google Scholar] [CrossRef]
- Socha, K.; Dorigo, M. Ant Colony Optimization for Continuous Domains. Eur. J. Oper. Res. 2008, 185, 1155–1173. [Google Scholar] [CrossRef]
- Panda, S.; Yegireddy, N.K.; Mohapatra, S.K. Hybrid BFOA-PSO Approach for Coordinated Design of PSS and SSSC-Based Controller Considering Time Delays. Int. J. Electr. Power Energy Syst. 2013, 49, 221–233. [Google Scholar] [CrossRef]
- Jolfaei, M.G.; Sharaf, A.M.; Shariatmadar, S.M.; Poudeh, M.B. A Hybrid PSS–SSSC GA-Stabilization Scheme for Damping Power System Small Signal Oscillations. Int. J. Electr. Power Energy Syst. 2016, 75, 337–344. [Google Scholar] [CrossRef]
- Khadanga, R.K.; Satapathy, J.K. Time Delay Approach for PSS and SSSC Based Coordinated Controller Design Using Hybrid PSO–GSA Algorithm. Int. J. Electr. Power Energy Syst. 2015, 71, 262–273. [Google Scholar] [CrossRef]
- Panda, S.; Yegireddy, N.K. Multi-Input Single Output SSSC Based Damping Controller Design by a Hybrid Improved Differential Evolution-Pattern Search Approach. ISA Trans. 2015, 58, 173–185. [Google Scholar] [CrossRef]
- Sahu, P.R.; Hota, P.K.; Panda, S. Power System Stability Enhancement by Fractional Order Multi Input SSSC Based Controller Employing Whale Optimization Algorithm. J. Electr. Syst. Inf. Technol. 2018, 5, 326–336. [Google Scholar] [CrossRef]
- Swain, S.C.; Panda, S.; Mahapatra, S. A Multi-Criteria Optimization Technique for SSSC Based Power Oscillation Damping Controller Design. Ain Shams Eng. J. 2016, 7, 553–565. [Google Scholar] [CrossRef][Green Version]
- Wolpert, D.H.; Macready, W.G. No Free Lunch Theorems for Optimization. IEEE Trans. Evol. Comput. 1997, 1, 67–82. [Google Scholar] [CrossRef]
- Khan, N.; Ullah, F.U.M.; Haq, I.U.; Khan, S.U.; Lee, M.Y.; Baik, S.W. AB-Net: A Novel Deep Learning Assisted Framework for Renewable Energy Generation Forecasting. Mathematics 2021, 9, 2456. [Google Scholar] [CrossRef]
- Satheesh, R.; Chakkungal, N.; Rajan, S.; Madhavan, M.; Alhelou, H.H. Identification of Oscillatory Modes in Power System Using Deep Learning Approach. IEEE Access 2022, 10, 16556–16565. [Google Scholar] [CrossRef]
- Huang, R.; Gao, W.; Fan, R.; Huang, Q. A Guided Evolutionary Strategy Based Static Var Compensator Control Approach for Inter-Area Oscillation Damping. IEEE Trans. Ind. Inform. 2022. [Google Scholar] [CrossRef]
- Huang, R.; Gao, W.; Fan, R.; Huang, Q. Damping Inter-area Oscillation Using Reinforcement Learning Controlled TCSC. IET Gener. Transm. Distrib. 2022, 16, 2265–2275. [Google Scholar] [CrossRef]
- Jamsheed, F.; Iqbal, S.J. An Adaptive Neural Network-Based Controller to Stabilize Power Oscillations in Wind-Integrated Power Systems. IFAC-PapersOnLine 2022, 55, 740–745. [Google Scholar] [CrossRef]
- Abumeteir, H.A.; Vural, A.M. Design and Optimization of Fractional Order PID Controller to Enhance Energy Storage System Contribution for Damping Low-Frequency Oscillation in Power Systems Integrated with High Penetration of Renewable Sources. Sustainability 2022, 14, 5095. [Google Scholar] [CrossRef]
- Welhazi, Y.; Guesmi, T.; Alshammari, B.M.; Alqunun, K.; Alateeq, A.; Almalaq, Y.; Alsabhan, R.; Abdallah, H.H. A Novel Hybrid Chaotic Jaya and Sequential Quadratic Programming Method for Robust Design of Power System Stabilizers and Static VAR Compensator. Energies 2022, 15, 860. [Google Scholar] [CrossRef]
- Mirjalili, S.; Mirjalili, S.M.; Lewis, A. Grey Wolf Optimizer. Adv. Eng. Softw. 2014, 69, 46–61. [Google Scholar] [CrossRef]
- Precup, R.-E.; David, R.-C.; Petriu, E.M. Grey Wolf Optimizer Algorithm-Based Tuning of Fuzzy Control Systems with Reduced Parametric Sensitivity. IEEE Trans. Ind. Electron. 2017, 64, 527–534. [Google Scholar] [CrossRef]
- Song, X.; Tang, L.; Zhao, S.; Zhang, X.; Li, L.; Huang, J.; Cai, W. Grey Wolf Optimizer for Parameter Estimation in Surface Waves. Soil Dyn. Earthq. Eng. 2015, 75, 147–157. [Google Scholar] [CrossRef]
- Emary, E.; Zawbaa, H.M.; Grosan, C.; Hassenian, A.E. Feature Subset Selection Approach by Gray-Wolf Optimization. In Afro-European Conference for Industrial Advancement; Springer: Cham, Switzerland, 2015; pp. 1–13. [Google Scholar]
- Mirjalili, S. How Effective Is the Grey Wolf Optimizer in Training Multi-Layer Perceptrons. Appl. Intell. 2015, 43, 150–161. [Google Scholar] [CrossRef]
- Pradhan, M.; Roy, P.K.; Pal, T. Grey Wolf Optimization Applied to Economic Load Dispatch Problems. Int. J. Electr. Power Energy Syst. 2016, 83, 325–334. [Google Scholar] [CrossRef]
- Shakarami, M.R.; Davoudkhani, I.F. Wide-Area Power System Stabilizer Design Based on Grey Wolf Optimization Algorithm Considering the Time Delay. Electr. Power Syst. Res. 2016, 133, 149–159. [Google Scholar] [CrossRef]
- Jayakumar, N.; Subramanian, S.; Ganesan, S.; Elanchezhian, E.B. Grey Wolf Optimization for Combined Heat and Power Dispatch with Cogeneration Systems. Int. J. Electr. Power Energy Syst. 2016, 74, 252–264. [Google Scholar] [CrossRef]
- Sulaiman, M.H.; Mustaffa, Z.; Mohamed, M.R.; Aliman, O. Using the Gray Wolf Optimizer for Solving Optimal Reactive Power Dispatch Problem. Appl. Soft Comput. 2015, 32, 286–292. [Google Scholar] [CrossRef]
- Niu, P.; Niu, S.; Liu, N.; Chang, L. The Defect of the Grey Wolf Optimization Algorithm and Its Verification Method. Knowl.-Based Syst. 2019, 171, 37–43. [Google Scholar] [CrossRef]
- Hu, P.; Pan, J.-S.; Chu, S.-C. Improved Binary Grey Wolf Optimizer and Its Application for Feature Selection. Knowl.-Based Syst. 2020, 195, 105746. [Google Scholar] [CrossRef]
- Sultana, U.; Khairuddin, A.B.; Mokhtar, A.S.; Zareen, N.; Sultana, B. Grey Wolf Optimizer Based Placement and Sizing of Multiple Distributed Generation in the Distribution System. Energy 2016, 111, 525–536. [Google Scholar] [CrossRef]
- Fathy, A.; Abdelaziz, A.Y. Grey Wolf Optimizer for Optimal Sizing and Siting of Energy Storage System in Electric Distribution Network. Electr. Power Compon. Syst. 2017, 45, 601–614. [Google Scholar] [CrossRef]
- Yang, B.; Zhang, X.; Yu, T.; Shu, H.; Fang, Z. Grouped Grey Wolf Optimizer for Maximum Power Point Tracking of Doubly-Fed Induction Generator Based Wind Turbine. Energy Convers. Manag. 2017, 133, 427–443. [Google Scholar] [CrossRef]
- Sauer, P.W.; Pai, A. Power System Dynamics and Stability; Stipes Publishing LLC: Champaign, IL, USA, 2006; ISBN 9781588746733. [Google Scholar]
- Anderson, P.M.; Fouad, A.A. Power System Control and Stability; Wiley India Pvt. Limited: Delhi, India, 2008; ISBN 9788126518180. [Google Scholar]
- Muro, C.; Escobedo, R.; Spector, L.; Coppinger, R.P. Wolf-Pack (Canis lupus) Hunting Strategies Emerge from Simple Rules in Computational Simulations. Behav. Process. 2011, 88, 192–197. [Google Scholar] [CrossRef] [PubMed]
- Madadi, A.; Motlagh, M.M. Optimal Control of DC Motor Using Grey Wolf Optimizer Algorithm. Tech. J. Eng. Appl. Sci. 2014, 4, 373–379. [Google Scholar]
- Tawhid, M.A.; Ali, A.F. A Hybrid Grey Wolf Optimizer and Genetic Algorithm for Minimizing Potential Energy Function. Memetic Comput. 2017, 9, 347–359. [Google Scholar] [CrossRef]
- Kamboj, V.K. A Novel Hybrid PSO–GWO Approach for Unit Commitment Problem. Neural Comput. Appl. 2016, 27, 1643–1655. [Google Scholar] [CrossRef]
- Gai, W.; Qu, C.; Liu, J.; Zhang, J. A Novel Hybrid Meta-Heuristic Algorithm for Optimization Problems. Syst. Sci. Control Eng. 2018, 6, 64–73. [Google Scholar] [CrossRef]
- Dorf, R.C.; Bishop, R.H. Modern Control Systems; Pearson Education; Prentice Hall: Hoboken, NJ, USA, 2001; ISBN 9780130306609. [Google Scholar]
- Abdel-magid, Y.L.; Abido, M.A. Optimal Multiobjective Design of Robust Power System Stabilizers Using Genetic Algorithms. Power Syst. IEEE Trans. 2003, 18, 1125–1132. [Google Scholar] [CrossRef]
- Ali, E.S. Optimization of Power System Stabilizers Using BAT Search Algorithm. Int. J. Electr. Power Energy Syst. 2014, 61, 683–690. [Google Scholar] [CrossRef]
- Transient Stability Test Systems for Direct Stability Methods. IEEE Trans. Power Syst. 1992, 7, 37–43. [CrossRef]


















| Parameters | Values |
|---|---|
| Search agents | 100 |
| Number of populations | 40 |
| a | (2, 0) |
| ρc | 0.5 |
| ρm | 01 |
| Operation Conditions | Transmitted Power (MW) | Load of Area 1 (MW) | Load of Area 2 (MW) | |
|---|---|---|---|---|
| 1 | Light loading | 350 | 950 | 1350 |
| 2 | Normal loading | 380 | 920 | 1380 |
| 3 | Heavy loading | 420 | 890 | 1410 |
| Light Loading | Normal Loading | Heavy Loading | ||||||
|---|---|---|---|---|---|---|---|---|
| Eigenvalues | Frequency | Damping | Eigenvalues | Frequency | Damping | Eigenvalues | Frequency | Damping |
| −1.44090 ± j7.7022 * | 1.22580 | 18.3887 | −1.239600 ± j7.73830 | 1.23160 | 15.8180 | −1.252700± j7.71210 | 1.22740 | 16.0334 |
| −1.83680 ± j7.4386 | 1.18390 | 23.9729 | −1.566800 ± j7.51060 | 1.19530 | 20.4215 | −1.573100 ± j7.50080 | 1.19380 | 20.5257 |
| −0.53479 ± j2.5344 | 0.40336 | 20.6468 | −0.397540 ± j2.60630 | 0.41480 | 15.0788 | −0.474010 ± j2.82720 | 0.44996 | 16.5354 |
| −0.14050 ± j1.9977 | 0.31794 | 7.01610 | −0.063853 ± j1.96530 | 0.31279 | 3.24730 | −0.0097979 ± j1.6721 | 0.26612 | 0.58595 |
| −1.16880 ± j0.6916 | 0.11007 | 86.0629 | −1.235800 ± j0.87186 | 0.13876 | 81.7120 | −1.366100 ± j0.79589 | 0.12667 | 86.4058 |
| −0.55308 ± j0.8577 | 0.13652 | 54.1907 | −0.579360 ± j0.82935 | 0.13199 | 57.2679 | −0.584710 ± j0.82883 | 0.13191 | 57.6458 |
| Operation Conditions | Method | Control Chanel | x2 | x1 | x0 | |f(jω)|ω = 2 | Best Solution | Worst Solution | Mean | Standard Deviation |
|---|---|---|---|---|---|---|---|---|---|---|
| Light | GA | φ-based | 0.10678 | 0.51929 | 0.63133 | 0.63663 | 9.2941 | 10.0072 | 9.6062 | 0.26655 |
| m-based | 0.10181 | 0.27997 | 0.063632 | 0.39514 | 14.0306 | 14.3328 | 14.1426 | 0.13222 | ||
| ACO | φ-based | 1 × 10−9 | 1 × 10−9 | 0.048284 | 0.029041 | 8.2591 | 8.2602 | 8.2594 | 0.00010515 | |
| m-based | 0.09705 | 0.26702 | 0.061407 | 0.37657 | 14.3607 | 14.565 | 14.4392 | 0.075383 | ||
| PSO | φ-based | 0.0010299 | 0.014471 | 0.050822 | 0.0069945 | 8.2586 | 8.2597 | 8.2582 | 1.5783 × 10−7 | |
| m-based | 0.0335870 | 0.305080 | 0.552780 | 0.2175600 | 13.9471 | 14.4077 | 14.2235 | 0.25188 | ||
| GWO | φ-based | 0.0010277 | 0.014469 | 0.050811 | 0.0069813 | 8.2583 | 8.2593 | 8.2576 | 8.2996 × 10−12 | |
| m-based | 0.0159800 | 0.230530 | 0.476460 | 0.1087000 | 13.9469 | 13.9962 | 13.9721 | 0.023352 | ||
| hGWO-GA | φ-based | 1.2519 × 10−9 | 2.4479 × 10−9 | 0.048284 | 0.0029041 | 8.2573 | 8.2573 | 8.2573 | 7.0711 × 10−14 | |
| m-based | 0.13812 | 0.47421 | 0.32227 | 0.158702 | 13.9478 | 13.9948 | 13.9666 | 0.017794 | ||
| Normal | GA | φ-based | 8.7305 × 10−5 | 0.004682 | 0.069298 | 0.041851 | 12.3161 | 12.4426 | 12.3696 | 0.059309 |
| m-based | 0.14795 | 0.45191 | 0.18848 | 0.59529 | 12.1588 | 12.5183 | 12.2779 | 0.13958 | ||
| ACO | φ-based | 7.0503 × 10−5 | 0.0046259 | 0.0693 | 0.041883 | 12.3155 | 13.8566 | 13.27 | 0.63718 | |
| m-based | 0.14901 | 0.43032 | 0.1449 | 0.58445 | 12.0738 | 12.8594 | 12.2939 | 0.32619 | ||
| PSO | φ-based | 7.686 × 10−5 | 0.0046126 | 0.069345 | 0.04189 | 12.3155 | 12.4526 | 12.3433 | 0.061121 | |
| m-based | 0.16938 | 0.45753 | 0.10442 | 0.6494 | 12.0152 | 12.7292 | 12.3278 | 0.35177 | ||
| GWO | φ-based | 7.6587 × 10−5 | 0.0046089 | 0.06934 | 0.04188 | 12.3154 | 12.3156 | 12.3154 | 0.0001004 | |
| m-based | 0.16969 | 0.45633 | 0.1038 | 0.64878 | 12.0148 | 12.0619 | 12.0276 | 0.020104 | ||
| hGWO-GA | φ-based | 7.6223 × 10−5 | 0.0046171 | 0.069305 | 0.041871 | 12.3153 | 12.3153 | 12.3153 | 4.5423 × 10−9 | |
| m-based | 0.16972 | 0.45615 | 0.10345 | 0.64874 | 12.0146 | 12.0195 | 12.0161 | 0.0018901 | ||
| Heavy | GA | φ-based | 0.058582 | 0.37209 | 0.59034 | 0.49618 | 4.8138 | 5.7108 | 5.3133 | 0.35412 |
| m-based | 0.24432 | 0.65298 | 0.21926 | 0.90821 | 5.4911 | 6.1237 | 5.6648 | 0.27551 | ||
| ACO | φ-based | 1 × 10−9 | 0.0072473 | 0.21713 | 0.13089 | 3.69413 | 3.9578 | 3.76007 | 0.11238 | |
| m-based | 0.22812 | 0.57345 | 0.12927 | 0.83532 | 5.4917 | 5.8031 | 5.6907 | 0.1291 | ||
| PSO | φ-based | 5.7478 × 10−5 | 0.0072637 | 0.21744 | 0.13093 | 3.69392 | 0.69458 | 3.69418 | 2.8844 × 10−4 | |
| m-based | 0.22757 | 0.57207 | 0.12883 | 0.83335 | 5.5206 | 5.7604 | 5.6125 | 0.092362 | ||
| GWO | φ-based | 6.07 × 10−5 | 0.0072665 | 0.21745 | 0.13093 | 3.69367 | 0.6939 | 3.69374 | 9.7524 × 10−5 | |
| m-based | 0.22652 | 0.57375 | 0.13065 | 0.83299 | 5.4912 | 5.4914 | 5.4913 | 8.007 × 10−4 | ||
| hGWO-GA | φ-based | 3.9445 × 10−5 | 0.0072764 | 0.21733 | 0.13091 | 3.69363 | 3.69363 | 3.69363 | 1.2648 × 10−7 | |
| m-based | 0.22696 | 0.57075 | 0.12852 | 0.83131 | 5.4911 | 5.4912 | 5.4912 | 2.635 × 10−5 |
| Method | Operation Conditions | Control Chanel | Inter-Area Mode | Frequency | Damping |
|---|---|---|---|---|---|
| GA | Light | φ-based | −0.40095 ± j2.2351 | 0.35573 | 17.6568 |
| m-based | −0.4141± j2.1718 | 0.34566 | 18.7294 | ||
| Normal | φ-based | −0.35255 ± j2.4868 | 0.39578 | 14.0367 | |
| m-based | −0.38728 ± j2.4202 | 0.38518 | 15.8012 | ||
| Heavy | φ-based | −0.37266 ± j2.5012 | 0.39807 | 14.7368 | |
| m-based | −0.38776 ± j2.3655 | 0.37648 | 16.1767 | ||
| ACO | Light | φ-based | −0.47264 ± j2.4487 | 0.38972 | 18.9521 |
| m-based | −0.43594 ± j2.2353 | 0.35575 | 19.1424 | ||
| Normal | φ-based | −0.34681 ± j2.41780 | 0.38480 | 14.1989 | |
| m-based | −0.40364 ± j2.34470 | 0.37318 | 16.9652 | ||
| Heavy | φ-based | −0.40935 ± j2.58500 | 0.41142 | 15.6404 | |
| m-based | −0.47658 ± j2.69580 | 0.42905 | 17.4084 | ||
| PSO | Light | φ-based | −0.44330 ± j2.23810 | 0.35620 | 19.4296 |
| m-based | −0.49388 ± j2.4596 | 0.39147 | 19.6864 | ||
| Normal | φ-based | −0.41281 ± j2.2932 | 0.36497 | 17.7167 | |
| m-based | −0.42412 ± j2.3285 | 0.3706 | 17.9191 | ||
| Heavy | φ-based | −0.42699 ± j2.2293 | 0.3548 | 18.8121 | |
| m-based | −0.42268 ± j2.1932 | 0.34906 | 18.9235 | ||
| GWO | Light | φ-based | −0.44322 ± j2.23730 | 0.35608 | 19.4329 |
| m-based | −0.47893 ± j2.3657 | 0.37651 | 19.8427 | ||
| Normal | φ-based | −0.46955 ± j2.36140 | 0.37582 | 19.5030 | |
| m-based | −0.65311 ± j3.19960 | 0.50923 | 19.9998 | ||
| Heavy | φ-based | −0.33959 ± j1.64610 | 0.26198 | 20.2045 | |
| m-based | −0.38720 ± j2.00890 | 0.31973 | 18.9255 | ||
| hGWO-GA | Light | φ-based | −0.4789 ± j2.3865 | 0.37983 | 19.6779 |
| m-based | −0.46014 ± j2.2348 | 0.35568 | 20.1666 | ||
| Normal | φ-based | −0.47809 ± j2.3172 | 0.36879 | 20.2068 | |
| m-based | −0.48337 ± j2.2571 | 0.35924 | 20.9403 | ||
| Heavy | φ-based | −0.48098 ± j2.1942 | 0.34922 | 21.412 | |
| m-based | −0.48582 ± j2.1895 | 0.34847 | 21.6617 |
| Method | Control Chanel | x2 | x1 | x0 | |f(jω)|ω = 2 | Best Solution | Worst Solution | Mean | Standard Deviation |
|---|---|---|---|---|---|---|---|---|---|
| GA | φ-based | 0.00090597 | 0.016477 | 0.074915 | 0.047238 | 26.2606 | 30.1696 | 29.1397 | 1.6399 |
| m-based | 0.098979 | 0.31428 | 0.1383 | 0.40858 | 33.0095 | 33.3287 | 33.155 | 0.11562 | |
| ACO | φ-based | 0.00070931 | 0.014064 | 0.070364 | 0.043997 | 26.2597 | 26.3726 | 26.2956 | 0.046606 |
| m-based | 0.18789 | 0.77992 | 0.77588 | 0.93829 | 32.8669 | 33.8179 | 33.3154 | 0.37004 | |
| PSO | φ-based | 0.00052601 | 0.012175 | 0.070433 | 0.043628 | 26.2581 | 26.2696 | 26.2627 | 0.0062581 |
| m-based | 0.12952 | 0.42355 | 0.24938 | 0.53452 | 32.5526 | 34.0221 | 33.1359 | 0.55727 | |
| GWO | φ-based | 0.00048281 | 0.011647 | 0.07024 | 0.043408 | 26.2581 | 26.2581 | 26.2581 | 4.0769 × 10−5 |
| m-based | 0.11663 | 0.34722 | 0.13941 | 0.46169 | 32.5435 | 32.6236 | 32.5824 | 0.038191 | |
| hGWO-GA | φ-based | 0.00048777 | 0.011705 | 0.070223 | 0.04341 | 26.2581 | 26.2581 | 26.2581 | 7.2406 × 10−7 |
| m-based | 0.11869 | 0.35946 | 0.15718 | 0.47272 | 32.5431 | 32.5513 | 32.5478 | 0.0036343 |
| Method | Operation Conditions | Control Chanel | Inter-Area Mode | Frequency | Damping |
|---|---|---|---|---|---|
| GA | Light | φ-based | −0.32482 ± j2.1407 | 0.3407 | 15.002 |
| m-based | −0.36786 ± j2.2936 | 0.36503 | 15.8365 | ||
| Normal | φ-based | −0.36541 ± j2.338 | 0.37211 | 15.4415 | |
| m-based | −0.39475 ± j2.5046 | 0.39862 | 15.5686 | ||
| Heavy | φ-based | −0.37819 ± j2.3951 | 0.3812 | 15.5964 | |
| m-based | −0.37665 ± j2.3806 | 0.37888 | 15.6277 | ||
| ACO | Light | φ-based | −0.32699 ± j2.0418 | 0.32496 | 15.8132 |
| m-based | −0.39191 ± j2.3925 | 0.38078 | 16.1652 | ||
| Normal | φ-based | −0.33822 ± j2.0562 | 0.32725 | 16.2309 | |
| m-based | −0.41517 ± j2.4628 | 0.39197 | 16.6228 | ||
| Heavy | φ-based | −0.37631 ± j2.2665 | 0.36073 | 16.379 | |
| m-based | −0.37078 ± j2.2178 | 0.35298 | 16.4891 | ||
| PSO | Light | φ-based | −0.39107 ± j2.33070 | 0.37095 | 16.5475 |
| m-based | −0.61917 ± j3.03330 | 0.48276 | 20.0000 | ||
| Normal | φ-based | −0.33557 ± j2.0106 | 0.31999 | 16.4624 | |
| m-based | −0.43774 ± j2.01040 | 0.31996 | 21.2759 | ||
| Heavy | φ-based | −0.45483 ± j2.77590 | 0.44180 | 16.1690 | |
| m-based | −0.37818 ± j2.2241 | 0.35398 | 16.7629 | ||
| GWO | Light | φ-based | −0.40631 ± j2.34510 | 0.37324 | 17.0716 |
| m-based | −0.75845 ± j3.72880 | 0.59346 | 19.9322 | ||
| Normal | φ-based | −0.4875 ± j2.4565 | 0.39096 | 19.4657 | |
| m-based | −0.50764 ± j2.4556 | 0.39082 | 20.2445 | ||
| Heavy | φ-based | −0.46119 ± j2.56660 | 0.40849 | 17.6855 | |
| m-based | −0.30479 ± j1.59920 | 0.25452 | 18.7221 | ||
| hGWO-GA | Light | φ-based | −0.45845 ± j2.4297 | 0.38669 | 18.5416 |
| m-based | −0.46532 ± j2.2672 | 0.36083 | 20.1052 | ||
| Normal | φ-based | −0.5417 ± j2.4943 | 0.39698 | 21.2239 | |
| m-based | −0.55812 ± j2.4143 | 0.38424 | 22.5237 | ||
| Heavy | φ-based | −0.47674 ± j2.4094 | 0.38347 | 19.4106 | |
| m-based | −0.52269 ± j2.4345 | 0.38746 | 20.992 |
| Method | Control Chanel | x2 | x1 | x0 | |f(jω)|ω = 2 | Best Solution | Worst Solution | Mean | Standard Deviation |
|---|---|---|---|---|---|---|---|---|---|
| GA | φ-based | 0.30319 | 1.4238 | 1.6595 | 1.7337 | 29.6521 | 30.3147 | 29.8714 | 0.27371 |
| m-based | 0.35644 | 1.8017 | 2.043 | 2.1988 | 27.2468 | 27.7116 | 27.5451 | 0.18857 | |
| ACO | φ-based | 0.29759 | 1.3892 | 1.6126 | 1.6903 | 28.8569 | 29.4691 | 29.2873 | 0.26223 |
| m-based | 0.24862 | 1.1369 | 1.2888 | 1.379 | 27.2112 | 27.7526 | 27.3999 | 0.21181 | |
| PSO | φ-based | 0.32631 | 1.5504 | 1.8366 | 1.8922 | 27.6516 | 29.4274 | 28.3501 | 0.98264 |
| m-based | 0.31581 | 1.4894 | 1.7501 | 1.8154 | 27.1572 | 27.5291 | 27.3481 | 0.17127 | |
| GWO | φ-based | 0.34517 | 1.6669 | 2.010 | 2.0406 | 27.6318 | 29.4266 | 29.0672 | 0.080238 |
| m-based | 0.35654 | 1.7886 | 2.0423 | 2.1832 | 27.1287 | 27.3007 | 27.2054 | 0.072766 | |
| hGWO-GA | φ-based | 0.35875 | 1.8313 | 2.2765 | 2.2603 | 27.6316 | 27.6318 | 27.6316 | 9.8419 × 10−5 |
| m-based | 0.35983 | 1.8541 | 2.3754 | 2.3003 | 25.9973 | 27.2800 | 26.8342 | 5.718 × 10−5 |
| Method | Operation Conditions | Control Chanel | Inter-Area Mode | Frequency | Damping |
|---|---|---|---|---|---|
| GA | Light | φ-based | −0.42097 ± j2.3355 | 0.3717 | 17.7392 |
| m-based | −0.43493 ± j2.3816 | 0.37904 | 17.9651 | ||
| Normal | φ-based | −0.42025 ± j2.2493 | 0.35799 | 18.3658 | |
| m-based | −0.41516 ± j2.1543 | 0.34286 | 18.9233 | ||
| Heavy | φ-based | −0.41839 ± j2.1837 | 0.34754 | 18.8178 | |
| m-based | −0.39387 ± j2.0413 | 0.32489 | 18.9454 | ||
| ACO | Light | φ-based | −0.39081 ± j2.0553 | 0.32711 | 18.6801 |
| m-based | −0.39711 ± j2.0621 | 0.32819 | 18.9105 | ||
| Normal | φ-based | −0.39287 ± j2.1052 | 0.33505 | 18.3456 | |
| m-based | −0.40598 ± j2.1134 | 0.33636 | 18.8647 | ||
| Heavy | φ-based | −0.40859 ± j2.1421 | 0.34093 | 18.7363 | |
| m-based | −0.44466 ± j2.3057 | 0.36697 | 18.9361 | ||
| PSO | Light | φ-based | −0.44853 ± j2.4322 | 0.3871 | 18.1351 |
| m-based | −0.45626 ± j2.2715 | 0.36151 | 19.6934 | ||
| Normal | φ-based | −0.45614 ± j2.3056 | 0.36695 | 19.4077 | |
| m-based | −0.50681 ± j2.5027 | 0.39832 | 19.8475 | ||
| Heavy | φ-based | −0.4924 ± j2.4812 | 0.3949 | 19.4654 | |
| m-based | −0.43896 ± j2.1705 | 0.34545 | 19.8225 | ||
| GWO | Light | φ-based | −0.41587 ± j2.0384 | 0.32443 | 19.9894 |
| m-based | −0.41577 ± j2.0113 | 0.32011 | 20.2433 | ||
| Normal | φ-based | −0.42641 ± j2.0571 | 0.3274 | 20.2971 | |
| m-based | −0.53132 ± j2.4019 | 0.38227 | 21.5988 | ||
| Heavy | φ-based | −0.51189 ± j2.4614 | 0.39175 | 20.3607 | |
| m-based | −0.52069 ± j2.3973 | 0.38154 | 21.2248 | ||
| hGWO-GA | Light | φ-based | −0.53998 ± j2.3044 | 0.36675 | 22.8148 |
| m-based | −0.58932 ± j2.444 | 0.38897 | 23.4414 | ||
| Normal | φ-based | −0.59398 ± j2.3516 | 0.37427 | 24.4892 | |
| m-based | −0.59716 ± j2.2881 | 0.36416 | 25.2527 | ||
| Heavy | φ-based | −0.59082 ± j2.3648 | 0.37637 | 24.2391 | |
| m-based | −0.59845 ± j2.2608 | 0.35982 | 25.5889 |
| Operating Conditions | Power Generator 1 (MW) | Power Generator 5 (MW) | |
|---|---|---|---|
| 1 | Light | 1000 | 1000 |
| 2 | Normal | 1300 | 1300 |
| 3 | Heavy | 1500 | 1500 |
| Operating Conditions | Eigenvalue | f (Hz) | % ζ |
|---|---|---|---|
| Light | −0.2035471 ± j 4.110335 | 0.6541801 | 4.946020 |
| −0.043846 ± j 2.817176 | 0.4483676 | 1.556208 | |
| Normal | −0.2007885 ± j4.099422 | 0.6524433 | 4.892106 |
| −0.025205 ± j2.7264063 | 0.4339210 | 0.924452 | |
| Heavy | −0.1962766 ± j 4.078123 | 0.6490535 | 4.8073510 |
| −0.0088798 ± j 2.649549 | 0.4216889 | 0.3351424 |
| Method | Control Chanel | x2 | x1 | x0 | |f(jω)|ω = 2 |
|---|---|---|---|---|---|
| hGWO-GA | φ-based | 0.3403 | 0.1227 | 0.4784 | 0.0437 |
| m-based | 0.3039 | 0.8245 | 0.1336 | 0.1174 |
| Operating Conditions | Eigenvalue | f (Hz) | % ζ |
|---|---|---|---|
| Light | −1.074756 ± j3.95599 | 0.6296153 | 26.21749 |
| −0.2919746 ± j2.871708 | 0.4570465 | 10.11513 | |
| Normal | −0.626452 ± 4.07434 | 0.6484513 | 15.19696 |
| −0.1784636 ± j2.852772 | 0.4540327 | 6.24359 | |
| Heavy | −0.3705224 ± j4.107704 | 0.6537614 | 8.983708 |
| −0.1075782 ± j2.845878 | 0.4529356 | 3.777444 |
Publisher’s Note: MDPI stays neutral with regard to jurisdictional claims in published maps and institutional affiliations. |
© 2022 by the authors. Licensee MDPI, Basel, Switzerland. This article is an open access article distributed under the terms and conditions of the Creative Commons Attribution (CC BY) license (https://creativecommons.org/licenses/by/4.0/).
Share and Cite
Behzadpoor, S.; Davoudkhani, I.F.; Abdelaziz, A.Y.; Geem, Z.W.; Hong, J. Power System Stability Enhancement Using Robust FACTS-Based Stabilizer Designed by a Hybrid Optimization Algorithm. Energies 2022, 15, 8754. https://doi.org/10.3390/en15228754
Behzadpoor S, Davoudkhani IF, Abdelaziz AY, Geem ZW, Hong J. Power System Stability Enhancement Using Robust FACTS-Based Stabilizer Designed by a Hybrid Optimization Algorithm. Energies. 2022; 15(22):8754. https://doi.org/10.3390/en15228754
Chicago/Turabian StyleBehzadpoor, Saeed, Iraj Faraji Davoudkhani, Almoataz Youssef Abdelaziz, Zong Woo Geem, and Junhee Hong. 2022. "Power System Stability Enhancement Using Robust FACTS-Based Stabilizer Designed by a Hybrid Optimization Algorithm" Energies 15, no. 22: 8754. https://doi.org/10.3390/en15228754
APA StyleBehzadpoor, S., Davoudkhani, I. F., Abdelaziz, A. Y., Geem, Z. W., & Hong, J. (2022). Power System Stability Enhancement Using Robust FACTS-Based Stabilizer Designed by a Hybrid Optimization Algorithm. Energies, 15(22), 8754. https://doi.org/10.3390/en15228754

