The Application of Tuned Inductors in Electric Power Systems
Abstract
1. Introduction
2. Adaptive Devices for Improving the Quality of Electricity
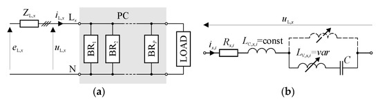
2.1. Passive Compensator
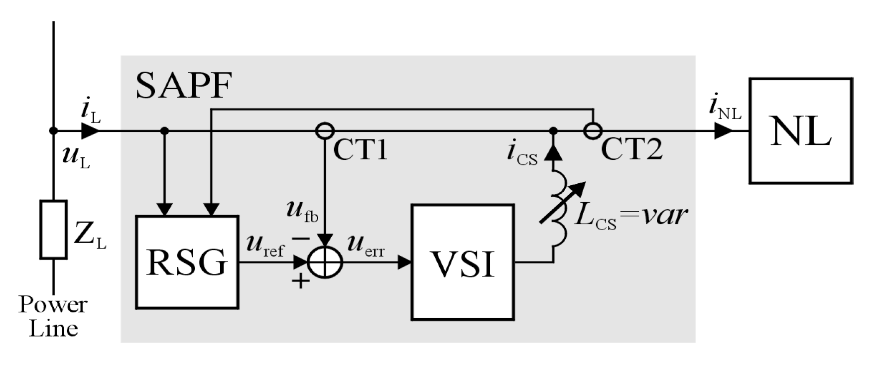
2.2. Shunt Active Power Filter
- Voltage source inverter (VSI), with the inductive filter (LCS), included at its output;
- Reference signal generator (RSG);
- Current transducers (CT1 and CT2).
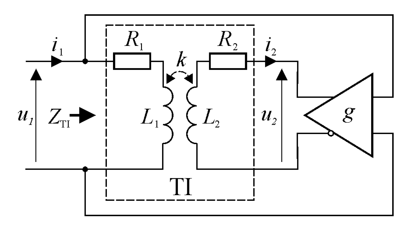
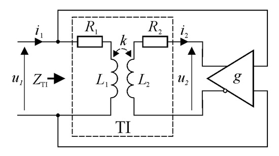
3. Idea of Operation of the Tuned Inductor
4. Inductor’s Field Simulation Model Studies
- Air gap width: g = 2.0 mm;
- Number of turns: z1= z21= z22= 80.
5. Laboratory Tests and Discussion
5.1. Tests of the Prototype of the Tuned Inductor
- Number of turns: z1 = z21= z22= 80;
- Air gap width: g = 2.0 mm;
- Inductance (in the quasi-linear range of the magnetic core operation), secondary coil open: LTI= 4.3 mH;
- Inductance (in the quasi-linear range of the magnetic core operation), secondary coil closed: LTI = 1.6 mH;
- Coil resistance: R1 = 110 mΩ, R2 = 220 mΩ.
- Thus, taking into account all of the aforementioned assumptions related to the tuned inductor model and taking into account the test results, the calculated value of the coupling factor k = 0.79.
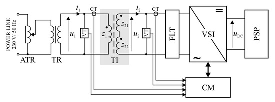
5.2. Tests of the Electric System with a Tuned Inductor
- Isolated power line, equipped with an EMI filter at the input;
- Auto-transformer (ATR) and transformer (TR);
- Tested inductor (TI);
- Voltage source inverter (VSI);
- LCL filter (FLT), included at the output of the VSI;
- Inverter control module (CM);
- Voltage and current, isolated transducers (VT and CT);
- Regulated DC power supply (PSP).
5.3. Discussion of the Test Results
6. Conclusions
Funding
Data Availability Statement
Conflicts of Interest
References
- Rashid, M.H. Power Electronics Handbook; Elsevier Ltd.: Oxford, UK, 2018. [Google Scholar]
- Akagi, H.; Watanabe, E.H.; Aredes, M. Instantaneous Power Theory and Applications to Power Conditioning; John Wiley & Sons: Hoboken, NJ, USA, 2017; ISBN 9781118362105. [Google Scholar]
- Pasko, M.; Buła, D.; Dębowski, K.; Grabowski, D.; Maciążek, M. Selected methods for improving operating conditions of three-phase systems working in the presence of current and voltage deformation—Part I. Arch. Electr. Eng. 2018, 67, 591–602. [Google Scholar] [CrossRef]
- Trinh, Q.; Lee, H. An enhanced grid current compensator for grid-connected distributed generation under nonlinear loads and grid voltage distortions. IEEE Trans. Ind. Electron. 2014, 61, 6528–6537. [Google Scholar] [CrossRef]
- Hamdy, M.; Abdelaziz, A.Y.; Ray, P.; Attia, M.A. Comparison between flexible AC transmission systems (FACTs) and filters regarding renewable energy systems harmonics mitigation. Int. J. Emerg. Electr. Power Syst. 2021, 23, 211–220. [Google Scholar] [CrossRef]
- Benchabira, A.; Khiat, M. A hybrid method for the optimal reactive power dispatch and the control of voltages in an electrical energy network. Arch. Electr. Eng. 2019, 68, 535–551. [Google Scholar]
- Yang, Y.; Ma, J.; Ho, C.; Zou, Y. A new coupled-inductor structure for interleaving bidirectional dc-dc converters. IEEE J. Emerg. Sel. Top. Power Electron. 2015, 3, 841–849. [Google Scholar] [CrossRef]
- Yang, C.; Liu, Y.; Tseng, P.; Pan, T.; Chiu, H.; Lo, Y. DSP-Based Interleaved Buck Power Factor Corrector With Adaptive Slope Compensation. IEEE Trans. Ind. Electron. 2015, 62, 4665–4677. [Google Scholar] [CrossRef]
- Onal, Y.; Sozer, Y. Bridgeless SEPIC PFC converter for low total harmonic distortion and high power factor. In Proceedings of the Applied Power Electronics Conference and Exposition (APEC), Long Beach, CA, USA, 20–24 March 2016; pp. 2693–2699. [Google Scholar]
- Liu, J.; Xu, W.; Chan, K.W.; Liu, M.; Zhang, X.; Chan, N.H.L. A Three-Phase Single-Stage AC–DC Wireless-Power-Transfer Converter With Power Factor Correction and Bus Voltage Control. IEEE J. Emerg. Sel. Top. Power Electron. 2020, 8, 1782–1800. [Google Scholar] [CrossRef]
- Masetti, C. Revision of European Standard EN 50160 on power quality: Reasons and solutions. In Proceedings of the 14th International Conference on Harmonics and Quality of Power-ICHQP, Bergamo, Italy, 26–29 September 2010. [Google Scholar]
- Popescu, M.; Bitoleanu, A.; Linca, M.; Suru, C.V. Improving Power Quality by a Four-Wire Shunt Active Power Filter: A Case Study. Energies 2021, 14, 1951. [Google Scholar] [CrossRef]
- Czarnecki, L.; Almousa, M. Adaptive balancing by reactive compensators of three-phase linear loads supplied by nonsinusoidal voltage from four-wire lines. Am. J. Electr. Power Energy Syst. 2021, 10, 32–42. [Google Scholar] [CrossRef]
- Ye, T.; Dai, N.; Zhu, M. Optimise the series LC design of a quasi-proportional-resonant controlled hybrid active power filter for harmonic compensation. In Proceedings of the 11th Conference on Industrial Electronics and Applications (IEEE ICIEA), Hefei, China, 5–7 June 2016; pp. 624–629. [Google Scholar] [CrossRef]
- Depenbrock, M.; Marshal, D.A.; Wyk, J.D. Formulating requirements for universally applicable power theory as control algorithm in power compensators. Eur. Trans. Elect. Power ETEP 1994, 4, 445–456. [Google Scholar] [CrossRef]
- Qiao, X.; Bian, J.; Chen, C.; Li, H. Comparison and analysis of reactive power compensation strategy in power system. In Proceedings of the IEEE Sustainable Power and Energy Conference (IEEE iSPEC), Beijing, China, 21–23 November 2019; pp. 689–692. [Google Scholar] [CrossRef]
- Benysek, G.; Pasko, M. (Eds.) Power Theories for Improved Power Quality; Springer-Verlag: London, UK, 2012. [Google Scholar]
- Lee, Y.; Song, H. A Reactive power compensation strategy for voltage stability challenges in the Korean power system with dynamic loads. Sustainability 2019, 11, 326. [Google Scholar] [CrossRef]
- Ciepliński, Ł.; Gwóźdź, M.; Wojciechowski, R.M. Application of a Tuned Inductor in a DC Power Supply with an Active Compensation Function. Energies 2022, 15, 6108. [Google Scholar] [CrossRef]
- ANSYS Software. Available online: https://www.ansys.com/products/electronics/ansys-maxwell (accessed on 5 October 2022).
- Gwóźdź, M.; Wojciechowski, R.M. Use of the tuned multi-legs inductor in the device for improving a quality of electric energy. In Proceedings of the LV Symposium on Electrical Machines—SME, Poznań, Poland, 27–28 April 2022; pp. 1–2. [Google Scholar]
- MAGNETICS Inc. Available online: https://www.mag-inc.com/home (accessed on 5 October 2022).
- Knypiński, Ł.; Nowak, L.; Demenko, A. Optimisation of the synchronous motor with hybrid permanent magnet excitation system. COMPEL 2015, 34, 448–4552. [Google Scholar] [CrossRef]
- Devarapalli, R.; Sinha, N.K.; Venkateswara Rao, B.; Knypiński, Ł.; Naga Lakshmi, N.J.; Márquez, F.P.G. Allocation of real power generation based on computing over all generation cost: An approach of salp swarm algorithm. Arch. Electr. Eng. 2021, 70, 337–349. [Google Scholar] [CrossRef]
- Balakrishnan, A.; Joines, W.; Wilson, T. Air-gap reluctance and inductance calculations for magnetic circuits using a Schwarz-Christoffel transformation. In Proceedings of PESC ‘95—Power Electronics Specialist Conference; IEEE: New York, NY, USA, 1995; Volume 2, pp. 1050–1056. [Google Scholar] [CrossRef]
- Zhang, X.; Xiao, F.; Wang, R.; Fan, X.; Wang, H. Improved calculation method for inductance value of the air-gap inductor. In Proceedings of the 1st China International Youth Conference on Electrical Engineering (IEEE CIYCEE), Wuhan, China, 1–4 November 2020; pp. 1–6. [Google Scholar] [CrossRef]
- Chong, E.; Zak, S. An Introduction to Optimisation, 4th ed.; Wiley Publishing: Indianapolis, IN, USA, 2013. [Google Scholar]
- ALFINE-TIM. Available online: http://analog.alfine.pl/oferta/produkty-alfine/systemy-uruchomieniowe (accessed on 5 October 2022).
- VDSP++ 5.0, Run-Time Library Manual for SHARC® Processors, Revision 1.5; January 2011, Part Number 82-000420-09, Analog Devices, Inc.: Norwood, MA, USA, One Technology Way. Available online: https://www.analog.com/media/en/dsp-documentation/software-manuals/50_21k_rtl_mn_rev_1.5.pdf (accessed on 5 October 2022).
- Saeed, S.; Georgious, R.; Garcia, J. Modeling of magnetic elements including losses application to variable inductor. Energies 2020, 13, 1865. [Google Scholar] [CrossRef]
















Publisher’s Note: MDPI stays neutral with regard to jurisdictional claims in published maps and institutional affiliations. |
© 2022 by the author. Licensee MDPI, Basel, Switzerland. This article is an open access article distributed under the terms and conditions of the Creative Commons Attribution (CC BY) license (https://creativecommons.org/licenses/by/4.0/).
Share and Cite
Gwóźdź, M. The Application of Tuned Inductors in Electric Power Systems. Energies 2022, 15, 8481. https://doi.org/10.3390/en15228481
Gwóźdź M. The Application of Tuned Inductors in Electric Power Systems. Energies. 2022; 15(22):8481. https://doi.org/10.3390/en15228481
Chicago/Turabian StyleGwóźdź, Michał. 2022. "The Application of Tuned Inductors in Electric Power Systems" Energies 15, no. 22: 8481. https://doi.org/10.3390/en15228481
APA StyleGwóźdź, M. (2022). The Application of Tuned Inductors in Electric Power Systems. Energies, 15(22), 8481. https://doi.org/10.3390/en15228481

