Transmission Network Expansion Planning with High-Penetration Solar Energy Using Particle Swarm Optimization in Lao PDR toward 2030
Abstract
1. Introduction
2. Uncertain Power Sources and Load Modeling
2.1. Solar Energy Modeling
- PPV is the photovoltaic power (W);
- A is the total photovoltaic cells’ area (m2);
- HPV is the annual average solar radiation on tilted panels (W/m2);
- PR is the performance ratio, which is a coefficient for losses with a range between 0.5 and 0.9, and a default value of 0.75;
- r is the yield of the photovoltaic cells, given by the ratio of energy (kWh) from one photovoltaic cell to the area of one panel.
2.2. Hydropower Generation Modeling
- Run-of-river power plants: these plants have no reservoir and a small amount of water storage, and consequently, a lack control of the flow through the plant;
- Reservoir power plants: this type has a reservoir with the ability to store water, and hence, the ability to control the flow through the plant on a seasonal basis or routine;
- Pumped-storage power plants: In this type of plant, the direction of rotation of the turbine is reversed during the off-peak times. The water is pumped from a low area up to a reservoir, generating “storage energy” for later; the power will be generated during peak hours.
- P is hydroelectric power (W);
- η is the efficiency of the plant;
- Q is the water discharge flow rate (m3/s);
- H is the head of dam (m).
2.3. Load and Demand Modeling
- Ln is the load of n year (MW);
- L1 is the load of the first year (MW);
- n is the number of year planning.
3. Objective Function of the TNEP Formulation
- Max BPVtot is the maximum of the PV connected to the grid (USD);
- Min Cinvt is the minimum of the investment cost of new lines (USD).
3.1. Maximum Benefit for PV Connection
- BPVtot is the total benefit from the PV connected to the grid (USD);
- BΔPloss is the benefit in terms of power loss, before and after the PV is connected (USD);
- BP.sale is the benefit in relation to selling power produced from the PV connection (USD);
- BP.Rel is the benefit obtained from the system reliability improvement due to the PV connection (USD).
3.1.1. Power Loss Difference in the System (PΔPloss)
- PΔPloss is the power loss difference in the system before and after the PV generators are connected (MW);
- Ploss_old is the power loss before the PV generators are connected (MW);
- Ploss_new is the power loss after the PV generators are connected (MW).
3.1.2. The Benefit of Power Increase with PV Connection (BP.sale)
- PVp is the PV generated (USD);
- N is the number of PV generators;
- PF is a power factor (4.2 h per day).
Ppen ≤ 70 MW
- Ppen indicates that the amount of power injected to the grid by the PV generators for exportation to neighboring counties cannot exceed 70 MW (MW);
- PexNet is the power exported after the PV is connected to the grid (MW);
- PexNetold is the power exported before the PV is connected to the grid (MW).
3.1.3. The Reliability Benefit (BRel)
- BRel is the reliability benefit (USD);
- Brel.old is the total reliability benefit before the PV generators are connected (USD);
- Brel.new is the total reliability benefit after the PV generators are connected (USD).
3.2. Minimization of the New Lines’ Investment Cost (Cinvt)
- Cinvt is the investment cost of new lines (USD);
- np is the number of lines to be extended;
- Cep.p is the cost of new lines and equipment to be extended (USD).
4. Implementation of the TNEP
4.1. PSO Methodology
- is the ith particle velocity at iteration k + 1;
- is the ith particle velocity at iteration k;
- W is the inertia coefficient;
- C1 and C2 are weighting coefficients;
- pbesti is the personal best of the ith particle;
- gbesti is the global best of the population;
- is the ith particle position at iteration k.
- is the ith particle position at iteration k + 1.
4.2. PSO Implementation of TNEP
5. TNEP Implementation
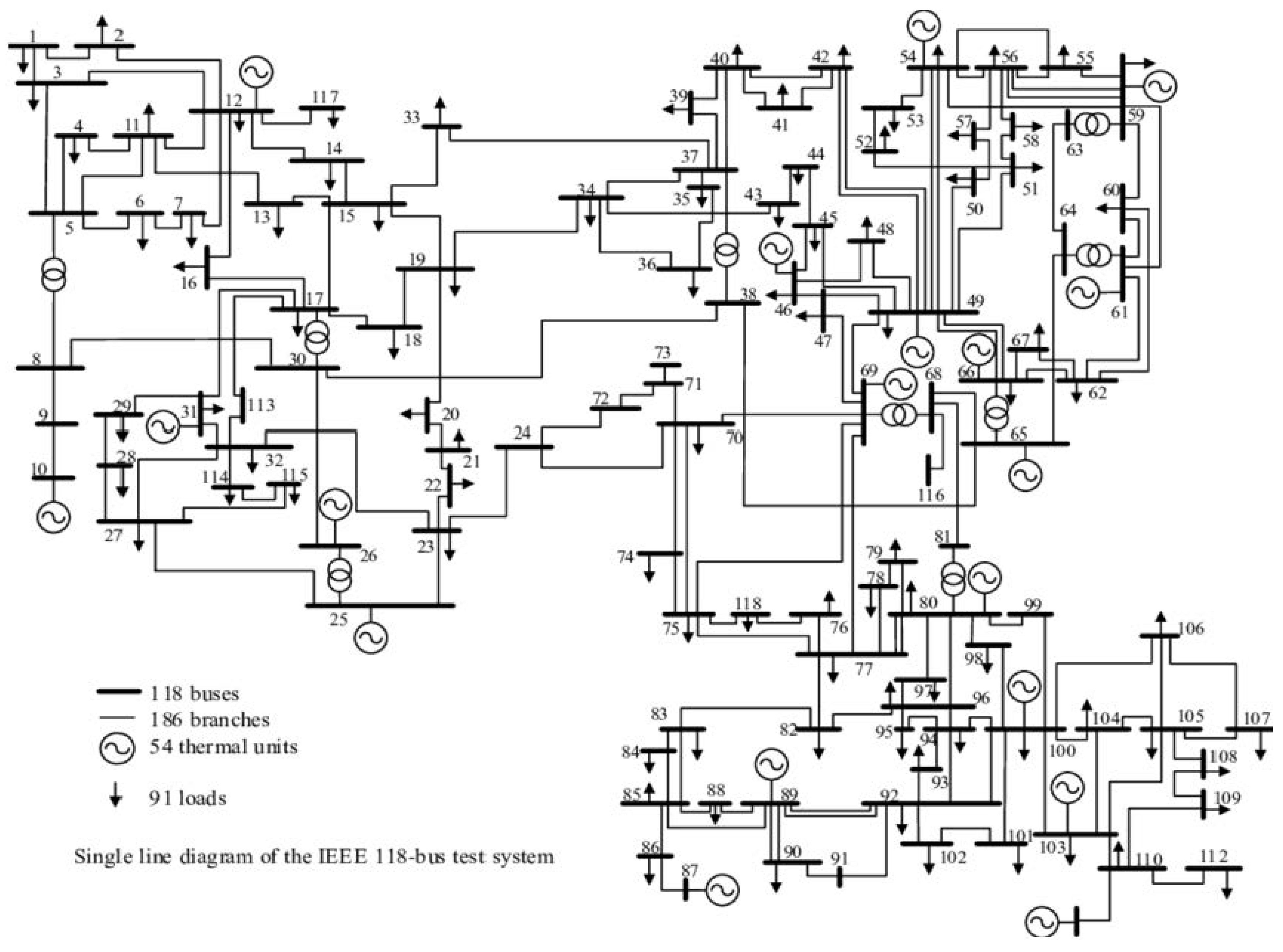
5.1. IEEE 118 Bus Test System
5.1.1. IEEE 118 Bus Test System Data
5.1.2. IEEE 118 Bus Test System Results
5.2. Lao PDR Network
5.2.1. Lao PDR Network Data
5.2.2. TNEP for the EDL Grid Results
6. Conclusions
Author Contributions
Funding
Data Availability Statement
Acknowledgments
Conflicts of Interest
Nomenclature
| Sets and Indices | |
| A | Total photovoltaic cells area (m2) |
| BPVtot | Total benefit from PV connected to the grid (USD) |
| BΔPloss | Benefit in terms of power loss, before and after the PV is connected (USD) |
| BP.sale | Benefit in relation to selling power produced from the PV connection (USD) |
| BP.Rel | Benefit obtained from the system reliability improvement due to the PV connection (USD) |
| BRel | Reliability benefit (USD) |
| Brel.old | Total reliability benefit before PV generators are connected (USD) |
| Brel.new | Total reliability benefit after PV generators are connected (USD) |
| Cinvt | Investment cost of new lines (USD) |
| Cep.p | Cost of new lines and equipment to be extended (USD) |
| C1, C2 | Weighting coefficients |
| gbesti | Global best of the population |
| H | Head of dam (m) |
| HPV | Annual average solar radiation on tilted panels (W/m2) |
| Ln | Load of n year (MW) |
| L1 | Load of first year (MW) |
| Min Cinvt | Minimum of the investment cost of new lines (USD) |
| Max BPVtot | Maximum of the PV connected to the grid (USD) |
| N | Number of PV generators |
| n | Number of year planning |
| np | Number of lines that will be extended |
| PR | Performance ratio, coefficient for losses |
| PPV | Photovoltaic power (W) |
| P | Hydroelectric power (W) |
| PΔPloss | Power loss difference in the system before and after PV generators are connected (MW) |
| Ploss_old | Power loss before the PV generators are connected (MW) |
| Ploss_new | Power loss after the PV generators are connected (MW) |
| pbesti | Personal best of the ith particle |
| PVp | PV generators (USD) |
| PF | Power factor (4.2 h per day) |
| Ppen | PV generators are not allowed to inject more than 70 MW of power to the grid for exportation to neighboring counties (MW) |
| PexNet | Power exported after PV is connected to the grid (MW) |
| PexNetold | Power exported before PV is connected to the grid (MW) |
| Q | Water discharge flow rate (m3/s) |
| r | Yield of the photovoltaic cells, given by the ratio of energy (kWh) from one photovoltaic cell to the area of one panel |
| W | Inertia coefficient |
| η | The efficiency of plants |
| The ith particle velocity at iteration k + 1 | |
| The ith particle velocity at iteration k | |
| The ith particle position at iteration k + 1 | |
| The ith particle position at iteration k | |
References
- Wang, X.; Donald, J.R.M. Modern Power System Planning; McGraw International United Kingdom Limited.: London, UK, 1994. [Google Scholar]
- Grigshy, L.L. Electric Power Generation, Transmission and Distribution; CRC Press: Boca Raton, FL, USA, 2007. [Google Scholar]
- Zhanga, X.; Conejob, A.J. Candidate line selection for transmission expansion planning considering long- and short-term uncertainty. Electr. Power Energy Syst. 2018, 100, 320–330. [Google Scholar] [CrossRef]
- Alvarado, D.; Moreira, A.; Moreno, R.; Strbac, G. Transmission Network Investment with Distributed Energy Resources and Distributionally Robust Security. IEEE Trans. Power Syst. 2019, 34, 5157–5168. [Google Scholar] [CrossRef]
- Alvarez, R.; Rahmann, C.; Palma-Behnke, R.; Estévez, P.A.; Valencia, F. Ant Colony Optimization Algorithm for the Multiyear Transmission Network Expansion Planning. In Proceedings of the 2018 IEEE Congress on Evolutionary Computation (CEC), Rio de Janeiro, Brazil, 8–13 July 2018. [Google Scholar]
- Hamidpour, H.; Aghaei, J.; Pirouzi, S.; Dehghan, S.; Niknam, T. Flexible, reliable, and renewable power system resource expansion planning considering energy storage systems and demand response programs. IET Renew. Power Gener. 2019, 13, 1862–1872. [Google Scholar] [CrossRef]
- Arora, K.; Kumar, A.; Kamboj, V.K.; Prashar, D.; Shrestha, B.; Joshi, G.P. Impact of renewable energy sources into multi area multi-source load frequency control of interrelated power system. Mathematics 2021, 9, 186. [Google Scholar] [CrossRef]
- Zhuo, Z.; Zhang, N.; Yang, J.; Kang, C.; Smith, C.; O’Malley, M.J.; Kroposki, B. Transmission Expansion Planning Test System for AC/DC Hybrid Grid with High Variable Renewable Energy Penetration. IEEE Trans. Power Syst. 2020, 35, 2597–2608. [Google Scholar] [CrossRef]
- Tang, F.; Xiao, C.; Gao, X.; Zhang, Y.; Du, N.; Hu, B. Research on Transmission Network Expansion Planning Considering Splitting Control. Sustainability 2020, 12, 1769. [Google Scholar] [CrossRef]
- Wang, P.; Du, E.; Zhang, N.; Xu, X.; Gao, Y. Power system planning with high renewable energy penetration considering demand response. Glob. Energy Interconnect. 2021, 4, 69–80. [Google Scholar] [CrossRef]
- Aguado, J.A.; Torre, S.d.; Triviño, A. Battery energy storage systems in transmission network expansion planning. Electr. Power Syst. Res. 2017, 145, 63–72. [Google Scholar] [CrossRef]
- Gutiérrez-Alcaraza, G.; González-Cabrerab, N.; Gilc, E. An efficient method for Contingency-Constrained Transmission Expansion Planning. Electr. Power Syst. Res. 2020, 182, 106208. [Google Scholar] [CrossRef]
- Morquechoa, E.G.; Torres, S.P.; Castro, C.A. An efficient hybrid metaheuristics optimization technique applied to the AC electric transmission network expansion planning. Swarm Evol. Comput. 2021, 61, 100830. [Google Scholar] [CrossRef]
- Pulazza, G.; Zhang, N.; Kang, C.; Nucci, C.A. Transmission Planning with Battery-based Energy Storage Transportation for Power Systems with High Penetration of Renewable Energy. IEEE Trans. Power Syst. 2021, 36, 4928–4940. [Google Scholar] [CrossRef]
- Bebic, J. Power System Planning: Emerging Practices Suitable for Evaluating the Impact of High-Penetration Photovoltaics; A National Laboratory of the U.S. Department of Energy Office of Energy Efficiency & Renewable Energy (NREL): New York, NY, USA, 2008.
- Ansari, M.R.; Pirouzi, S.; Kazemi, M.; Naderipour, A.; Benbouzid, M. Renewable Generation and Transmission Expansion Planning Coordination with Energy Storage System: A Flexibility Point of View. Appl. Sci. 2021, 11, 3303. [Google Scholar] [CrossRef]
- Abbasi, S.; Aldi, H. Return on Investment in Transmission Network Expansion Planning Considering Wind Generation Uncertainties Applying Non-Dominated Sorting Genetic Algorithm. J. Oper. Autom. Power Eng. 2018, 6, 89–100. [Google Scholar]
- Gomes, P.V.; Saraiva, J.T. Transmission System Planning Considering Solar Distributed Generation Penetration. In Proceedings of the 2017 14th International Conference on the European Energy Market (EEM), Dresden, Germany, 6–9 June 2017. [Google Scholar]
- Praveen, P.; Ray, S.; Das, J.; Bhattacharya, A. Multi-Objective Power System Expansion Planning with Renewable Intermittency and Considering Reliability. In Proceedings of the 2018 International Conference on Computation of Power, Energy, Information and Communication (ICCPEIC), Chennai, India, 28–29 March 2018. [Google Scholar]
- Silva, I.d.; Rider, M.J.; Romero, R.; Murari, C.A.F. Transmission Network Expansion Planning Considering Uncertainty in Demand. IEEE Trans. Power Syst. 2006, 21, 1565–1573. [Google Scholar] [CrossRef]
- Gomes, P.V.; Saraiva, J.T. State-of-the-art of transmission expansion planning: A survey from restructuring to renewable and distributed electricity markets. Electr. Power Energy Syst. 2019, 111, 411–424. [Google Scholar] [CrossRef]
- Wang, Y.; Chen, L.; Zhou, H.; Zhou, Z.; Zheng, Z.; Zeng, Q.; Jiang, L.; Lu, L. Flexible Transmission Network Expansion Planning Based on DQN Algorithm. Energies 2021, 14, 1944. [Google Scholar] [CrossRef]
- Shami, T.M.; El-Saleh, A.A.; Alsaitti, M.; Al-Tasem, Q.; Summakiek, M.A.; Mirjalili, S. Particle Swarm Optimization: A Comprehensive Survey. IEEE Access 2022, 10, 10031–10061. [Google Scholar] [CrossRef]
- Ministry of Energy and Mines, Lao People’s Democratic Republic. Power Network System Master Plan in Lao PDR, 2020; Final Report; Japan International Cooperation Agency (JICA): Tokyo, Japan, 2020.
- Assessment of Solar Energy Potentials for Lao People’s Democratic Republic; Solar Energy Research Laboratory, Department of Physics, Faculty of Science, Silpakorn University: Bangkok, Thailand, 2007.
- Gomesa, P.V.; Saraivaa, J.T.; Carvalhob, L.; Diasc, B.; Oliveirac, L. Impact of decision-making models in Transmission Expansion Planning considering large shares of renewable energy sources. Electr. Power Syst. Res. 2019, 174, 105852. [Google Scholar] [CrossRef]
- Engel, D. Renewable, Power and Energy Use Forecast to 2050. DNV-GL Energy Transition Outlook. 2017. Available online: https://www.ourenergypolicy.org/wp-content/uploads/2017/09/DNV-GL_-Energy-Transition-Outlook-2017_renewables_lowres-single_0109.pdf (accessed on 17 February 2022).
- Conlon, T.; Waite, M.; Modi, V. Assessing new transmission and energy storage in achieving increasing renewable generation targets in a regional grid. Appl. Energy 2019, 250, 1085–1098. [Google Scholar] [CrossRef]
- Lumbreras, S.; Ramos, A.; Banez-Chicharro, F. Optimal transmission network expansion planning in real-sized power systems with high renewable penetration. Electr. Power Syst. Res. 2017, 149, 76–86. [Google Scholar] [CrossRef]
- Wu, W.; Hu, Z.; Song, Y.; Sansavini, G.; Chen, H.; Chen, X. Transmission Network Expansion Planning Based on Chronological Evaluation Considering Wind Power Uncertainties. IEEE Trans. Power Syst. 2018, 33, 4787–4796. [Google Scholar] [CrossRef]
- Abbasia, S.; Abdia, H.; Brunob, S.; la Scalab, M. Transmission network expansion planning considering load correlation using unscented transformation. Electr. Power Energy Syst. 2018, 103, 12–20. [Google Scholar] [CrossRef]
- Zhang, X.; Conejo, A.J. Robust Transmission Expansion Planning Representing Long- and Short-Term Uncertainty. IEEE Trans. Power Syst. 2018, 33, 1329–1338. [Google Scholar] [CrossRef]
- Hejeejo, R.; Qi, J. Probabilistic transmission expansion planning considering distributed generation and demand response programs. IET Renew. Power Gener. 2017, 11, 650–658. [Google Scholar] [CrossRef]
- Loureiroa, M.V.; Schellb, K.R.; Claroa, J.; Fischbeck, P. Renewable integration through transmission network expansion planning under uncertainty. Electr. Power Syst. Res. 2018, 165, 45–52. [Google Scholar] [CrossRef]
- Stativa, A.; Gonzalez-Longatt, F. Peer to Peer (P2P) MATLAB-Power Factory Communication: Optimal Placement and Setting of Power System Stabilizer. In Advanced Smart Grid Functionalities Based on Power Factory; Springer: Berlin/Heidelberg, Germany, 2018. [Google Scholar]
- Sedighizadeha, D.; Masehianb, E.; Sedighizadehc, M.; Akbaripourd, H. GEPSO: A new generalized particle swarm optimization algorithm. Math. Comput. Simul. 2020, 179, 194–212. [Google Scholar] [CrossRef]
- Lei, H.; Chen, B.; Liu, Y.; Lv, Y. Modified Kalman particle swarm optimization: Application for trim problem of very flexible aircraft. Eng. Appl. Artif. Intell. 2021, 100, 104176. [Google Scholar] [CrossRef]
- Zhang, X.; Sun, W.; Xue, M.; Lin, A. Probability-optimal leader comprehensive learning particle swarm optimization with Bayesian iteration. Appl. Soft Comput. J. 2021, 103, 107132. [Google Scholar] [CrossRef]
- Ahmadian, A.; Elkamel, A.; Mazouz, A. An Improved Hybrid Particle Swarm Optimization and Tabu Search Algorithm for Expansion Planning of Large Dimension Electric Distribution Network. Energies 2019, 12, 3052. [Google Scholar] [CrossRef]
- Wanga, F.; Zhanga, H.; Zhoub, A. A particle swarm optimization algorithm for mixed-variable optimization problems. Swarm Evol. Comput. 2021, 60, 100808. [Google Scholar] [CrossRef]
- Christie, R. Power Flow System Test Case Archive. May 1993. Available online: https://labs.ece.uw.edu/pstca/pf118/pg_tca118bus.htm (accessed on 17 February 2022).
- Han, X.; Zhao, L.; Wen, J.; Ai, X.; Liu, J.; Yang, D. Transmission Network Expansion Planning Considering the Generators’ Contribution to Uncertainty Accommodation. CSEE J. Power Energy Syst. 2017, 3, 450–460. [Google Scholar] [CrossRef]
- Haddadi, A.; Gérin-Lajoie, L.; Rezaei-Zare, A.; Hassani, R.; Mahseredjian, J. A Modified IEEE 118-Bus Test Case for Geomagnetic Disturbance Studies—Part II: Simulation Results. IEEE Trans. Electromagn. Compat. 2019, 62, 966–975. [Google Scholar] [CrossRef]
- Haddadi, A.; Gérin-Lajoie, L.; Rezaei-Zare, A.; Hassani, R.; Mahseredjian, J. A Modified IEEE 118-Bus Test Case for Geomagnetic Disturbance Studies—Part I: Model Data. IEEE Trans. Electromagn. Compat. 2019, 62, 955–965. [Google Scholar] [CrossRef]
- Peña, I.; Martinez-Anido, C.B.; Hodge, B. An Extended IEEE 118-Bus Test System with High Renewable Penetration. IEEE Trans. Power Syst. 2018, 33, 281–289. [Google Scholar] [CrossRef]
- Alvarez, R.; Rahmann, C.; Palma-Behnke, R.; Estévez, P.A. A novel meta-heuristic model for the multi-year transmission network expansion planning. Electr. Power Energy Syst. 2019, 107, 523–537. [Google Scholar] [CrossRef]













| Parameter | Value |
|---|---|
| Transmission lines | 186 lines with 118 buses |
| Generation | 4794 MW with an increase of 8% per year |
| Demand | 1.382 MW with 91 points and an increase of 8% per year |
| Transmission lines’ cost | 230,000 USD/km/circuit (230 kV transmission line) |
| Planning horizon | 8 years |
| PV power purchasing costs | 0.053 USD/kWh |
| PV power selling costs | 0.072 USD/kWh |
| Description | Planning Horizontal Year 2022–2030 | |||||||||
|---|---|---|---|---|---|---|---|---|---|---|
| 2022 | 2023 | 2024 | 2025 | 2026 | 2027 | 2028 | 2029 | 2030 | ||
| Added lines/ equipment | Lines 77–78, lines 82–83, lines 85–89, lines 89–90, and lines 100–103 | Lines 61–62 (USD 8.5 million) | Lines 61–62 and lines 77–80 (USD 9.7 million) | Lines 37–39, lines 70–71, lines 77–82, lines 77–82, lines 82–83, lines 83–85, lines 94–100, and lines 110–111 (USD 81.8 million) | ||||||
| (USD 55.2 million) | ||||||||||
| Added PV | No. buses | none | 34 buses | 16 buses | 29 buses | 40 buses | 39 buses | 35 buses | 47 buses | 45 buses |
| Capacity (MW) | 391 MW | 256 MW | 323 MW | 259 MW | 443 MW | 453 MW | 555 MW | 450 MW | ||
| Total active power gen. (MW) | 3708.33 | 3976.86 | 4265.15 | 4549.14 | 4840.60 | 5123.45 | 5385.16 | 5676.70 | 6244.37 | |
| Total reactive power gen. (MW) | 1084.85 | 1099.43 | 1291.40 | 1426.35 | 1601.58 | 1687.438 | 1639.39 | 1625.17 | 1787.68 | |
| Total load in the system (MW) | 1381 | 3821 | 4101 | 4381 | 4660 | 4940 | 5223 | 5514 | 6066 | |
| Total benefit for adding PV (USD millions) | 31.98 | 19.68 | 31.32 | 37.31 | 46.15 | 51.34 | 48.79 | 52.74 | 55.3 | |
| Parameter | Value |
|---|---|
| Transmission lines | 874 lines with 149 buses |
| Generation | 1754 MW with an increase up to the National Power Development Plan (NPDP) |
| Demand | 1415 MW with an increase of 10% per year |
| Transmission line cost | 430,000 USD/km/circuit (500 kV), 230,000 USD/km/circuit (230 kV), and 120,000 USD/km/circuit (115 kV) |
| Planning horizon | 8 years |
| PV power purchasing cost | 0.053 USD/kWh |
| PV power selling cost | 0.072 USD/kWh |
| Description | Planning Horizontal Year 2022–2030 | |||||||||
|---|---|---|---|---|---|---|---|---|---|---|
| 2022 | 2023 | 2024 | 2025 | 2026 | 2027 | 2028 | 2029 | 2030 | ||
| Added lines/ equipment | None | 103.6 million | None | 263.9 million | None | 10.4 million | None | None | None | |
| Added PV | No. Buses | None | 21 buses | 33 buses | 25 buses | 35 buses | 21 buses | 29 buses | 31 buses | 57 buses |
| Capacity (MW) | 175 MW | 153 MW | 155 MW | 159 MW | 123 MW | 136 MW | 167 MW | 256 MW | ||
| Total active power gen. (MW) | 1753.58 | 1753.58 | 1829.89 | 2295.61 | 2445.91 | 2504.41 | 2602.09 | 2763.81 | 2860.21 | |
| Total reactive power | 45.46 | 65.2 | 87.4 | 199.124 | 229.185 | 469.934 | 482.603 | 514.533 | 525.2 | |
| Total load in the system (MW) | 1414.97 | 1642.70 | 1844.88 | 1942.93 | 2020.28 | 2238.45 | 2373.73 | 2473.16 | 2592.55 | |
| Total benefit from adding PV (USD millions) | 3.7 | 3 | 2.6 | 2.6 | 2.7 | 8.9 | 11.22 | 7.3 | 8.5 | |
Publisher’s Note: MDPI stays neutral with regard to jurisdictional claims in published maps and institutional affiliations. |
© 2022 by the authors. Licensee MDPI, Basel, Switzerland. This article is an open access article distributed under the terms and conditions of the Creative Commons Attribution (CC BY) license (https://creativecommons.org/licenses/by/4.0/).
Share and Cite
Keokhoungning, T.; Premrudeepreechacharn, S.; Wongsinlatam, W.; Namvong, A.; Remsungnen, T.; Mueanrit, N.; Sorn-in, K.; Kravenkit, S.; Siritaratiwat, A.; Srichan, C.; et al. Transmission Network Expansion Planning with High-Penetration Solar Energy Using Particle Swarm Optimization in Lao PDR toward 2030. Energies 2022, 15, 8359. https://doi.org/10.3390/en15228359
Keokhoungning T, Premrudeepreechacharn S, Wongsinlatam W, Namvong A, Remsungnen T, Mueanrit N, Sorn-in K, Kravenkit S, Siritaratiwat A, Srichan C, et al. Transmission Network Expansion Planning with High-Penetration Solar Energy Using Particle Swarm Optimization in Lao PDR toward 2030. Energies. 2022; 15(22):8359. https://doi.org/10.3390/en15228359
Chicago/Turabian StyleKeokhoungning, Thongsavanh, Suttichai Premrudeepreechacharn, Wullapa Wongsinlatam, Ariya Namvong, Tawun Remsungnen, Nongram Mueanrit, Kanda Sorn-in, Satit Kravenkit, Apirat Siritaratiwat, Chavis Srichan, and et al. 2022. "Transmission Network Expansion Planning with High-Penetration Solar Energy Using Particle Swarm Optimization in Lao PDR toward 2030" Energies 15, no. 22: 8359. https://doi.org/10.3390/en15228359
APA StyleKeokhoungning, T., Premrudeepreechacharn, S., Wongsinlatam, W., Namvong, A., Remsungnen, T., Mueanrit, N., Sorn-in, K., Kravenkit, S., Siritaratiwat, A., Srichan, C., Khunkitti, S., & Surawanitkun, C. (2022). Transmission Network Expansion Planning with High-Penetration Solar Energy Using Particle Swarm Optimization in Lao PDR toward 2030. Energies, 15(22), 8359. https://doi.org/10.3390/en15228359

