Next Article in Journal
Synthesis of Micron-Sized LiNi0.8Co0.1Mn0.1O2 and Its Application in Bimodal Distributed High Energy Density Li-Ion Battery Cathodes
Next Article in Special Issue
A Review of Micro Power System and Micro Combustion: Present Situation, Techniques and Prospects
Previous Article in Journal
Seismic Description of Deep Strike-Slip Fault Damage Zone by Steerable Pyramid Method in the Sichuan Basin, China
Previous Article in Special Issue
Simulation Tool for the Development of a Staged Combustion Pellet Stove Controller
 
 
Font Type:
Arial Georgia Verdana
Font Size:
Aa Aa Aa
Line Spacing:
Column Width:
Background:
Article

Numerical Investigation on the Impact of Exergy Analysis and Structural Improvement in Power Plant Boiler through Co-Simulation

1
State Key Laboratory of Automotive Simulation and Control, Jilin University, Changchun 130022, China
2
College of Automotive Engineering, Jilin University, Changchun 130022, China
3
Department of Engineering, School of Physics, Engineering and Computer Science, University of Hertfordshire, Hatfield AL10 9AB, Hertfordshire, UK
*
Author to whom correspondence should be addressed.
Energies 2022, 15(21), 8133; https://doi.org/10.3390/en15218133
Submission received: 9 August 2022 / Revised: 28 October 2022 / Accepted: 28 October 2022 / Published: 31 October 2022
(This article belongs to the Special Issue Controlling of Combustion Process in Energy and Power Systems)

Abstract

:
In current power station boilers, fuel burns at a low temperature, which results in low exergy efficiency. This research combined the second law of t with the boiler structure to maximize the efficiency of a 350 MW power plant boiler. A three-dimensional simulation of the combustion process at the power plant boiler is performed. A one-dimensional simulation model of the boiler is then constructed to calculate the combustion exergy loss, heat transfer exergy loss, and boiler exergy efficiency. Under the principle of high-temperature air combustion technologies, this paper also proposes a new structure and improved operating parameters to improve the exergy efficiency of boilers by reducing the heat exchange area of the economizer and increasing the heat exchange area of the air preheater. Simulation results show that the exergy efficiency of the boiler increased from 47.29% to 48.35% through the modified model. The simulation outcomes can instruct future optimal boiler design and controls.

1. Introduction

Electricity is an indispensable portion of industrial production [1,2,3]. Renewable energy power generation technology faces technological dilemmas, such as unstable contribution to power generation, and therefore thermal power generation cannot be entirely replaced at the current stage [4,5,6]. Due to the lack of gas in China and its abundance of coal resources, coal remains the essential energy source [7,8,9]. At the same time, the proportion of coal-fired power generation in thermal power generation exceeds 90%, where coal is burned to provide electricity. One of the main devices in a power station is the boiler, which has been studied by a number of scholars.
During power generation boiler investigations, the energy analysis method is usually conducted to determine the energy loss distribution in the devices [10,11,12,13,14]. In order to achieve higher energy efficiency, using the concept of energy grade to analyze the irreversible loss in the operation process, rather than only focusing on the energy quantity, is also necessary, which is called the exergy analysis method [15,16,17]. Using the method, the work potential and energy efficiency of the system can be calculated [18,19,20,21,22]. Therefore, it is widely used in power system design and boiler improvement [23,24,25,26,27]. Shi [28] determined the boiler efficiency from soot blowing and proposed a superior model to improve the boiler performance. Francis Chinweuba eboh etc. proposed that exergy analysis could be used to evaluate the performance of the system, including coal, biomass, and these raw materials as a combination of fuel [18]. The model can effectively identify the main parts of the damage and analyze the exergy losses of various parts. A new method of boiler exergy calculation for estimating the exergy loss and exergy efficiency was studied by Behbahaninia et al. [23]. Gomez set up a model to simulate biomass boilers in a different environment and analyzed the results, which showed that an increase in oxygen concentration can reduce CO emissions [29]. In this study, the exergy loss of flue gas is divided into the physical component and the chemical component. The result showed that the primary source of exergy loss in the boiler accounted for a significant part of boiler energy loss. However, none of these studies addresses the distribution of energy loss and the optimization of the boiler structure. Furthermore, the current studies use a single software platform to analyze energy in the boiler. Due to the complex structure and boiler configurations, some conclusions from the original model may not apply.
In this paper, the proposed model is used to analyze the exergy loss of a 350 MW boiler in a power station and optimize the structure to minimize exergy loss during combustion. It is important to note that the critical point of the study introduced in this paper is the calculation of the exergy loss distribution using Aspen plus to redesign the boiler structure. The research contents of this article are as follows.
The physical model of the boiler based on boiler specifications is established with CFD.
Based on the second law of thermodynamics, the combustion model of the boiler furnace is developed under different load and coal conditions to observe the temperature field and flue gas distribution.
A one-dimensional combustion and heat transfer model is established with Aspen plus to simulate the heat transfer in superheater and reheater. The calculated value is then compared with the operation value to examine the accuracy. A MATLAB model is developed to calculate the exergy loss of heat transfer. The flow chart of the study is shown in Figure 1.
A structural modification scheme is formulated in order to minimize exergy loss. The heat transfer capacity of the economizer decreases, and the heat transfer capacity of the air preheater increases in this scheme. As a result, the burning exergy loss of the boiler was reduced. The exergy loss of heat transfer was reduced, and the exergy efficiency of the boiler was improved by improving the steam parameters.

2. System Parameters and Exergy Analysis Mathematical Model

The 350 MW boiler is a supercritical boiler in a power plant in Changchun, China and its design parameters are formulated in Table 1 and the coal type parameters are shown in Table 2.
Coal type parameters are shown in Table 2.

2.1. Exergy Efficiency

Exergy efficiency is an index based on the second law of thermodynamics to measure the energy conversion and thermodynamic perfection of the thermodynamic systems. The definition expression of exergy efficiency is as follows [30]:
η = A x , g A x , n = 1 A x , L A x , n
where A x , g is the income exergy, A x , L is the exergy loss, and A x , n is the total input exergy.

2.2. Fuel Exergy Calculation

a B = L H V ( 1.0064 + 0.1519 H C + 0.0616 O C + 0.0429 N C )
where LHV is the low calorific value; C, H, O, N, and S represent the mass fractions of carbon, hydrogen, oxygen, nitrogen, and sulfur in the fuel, respectively. The Xinze formula of solid fuel is used to calculate the fuel from coal in this analysis.

2.3. Calculation of the Boiler External Loss

The boiler external loss can be calculated according to the thermal efficiency of the boiler. The exergy loss of the exhaust gas is calculated with its temperature.
a 2 = V y c p ( T p y T 0 T 0 ln T p y T 0 )
where Vy is the volume of the flue gas, T0 is the temperature of the environment, cp is the average constant pressure specific heat of the flue gas, and Tpy is the exhaust temperature, which is 147 °C under BMCR load.
As shown in the following formulae, the exergy loss associated with the incomplete combustion of gases and solids is calculated:
a 3 = a B q 3
a 4 = a B q 4
in which aB is the fuel exergy, q3 is the heat loss of the incomplete combustion of the combustible gas, and q4 is the heat loss of the incomplete combustion of the solid.
q 5 , e d = 5.82 ( D e d ) 0.38
Q 5 = q 5 , e d D e d D
in which Ded is the rated evaporation capacity, q5,ed is the heat loss at rated evaporation, D is the actual evaporation, Q5 is heat dissipation loss under non-rated operating conditions, and q5,ed is the heat dissipation loss of the boiler at the rated evaporation volume.
The heat exergy loss can be determined by the following equation:
a 5 = Q 5 ( 1 T 0 T B )
where TB is the average temperature of the working fluid in the heat dissipation part of the boiler. In this project, 400 °C was selected for the simplicity of the calculation process.
The exergy loss of ash was determined by the following equation.
a 6 = A y 100 [ α l z ( t l z t 0 ) c l z 100 c l z c ( 1 T 0 T l z ) + α f h ( θ p y t 0 ) c f h 100 c f h c ( 1 T 0 T p y ) ]
where Ay is the applied base ash; tlz is the slag temperature discharged from the furnace, °C; θpy is the exhaust gas temperature, °C; cclz and cfhc are the content of slag and fly ash, %; and clz and cfh are the specific heat of slag and fly ash, which can be found in the table, kJ/kg. The external exergy loss is the sum of these losses.

2.4. Calculation of the Combustion Exergy Loss in Boiler

According to the national standard GB/T140909-2005 Energy System Exergy Analysis Technical Guidelines, the expression for the exergy loss of combustion is shown below:
I r = M f a B M f V g T 0 T h C p ( 1 T 0 T ) d T
where Mf is the amount of fuel, kg/h; Vg is the volume of flue gas produced per kilogram of fuel, m3/kg; Cp is the average constant pressure specific heat of the flue gas, kJ/(m3·K); and Th is the maximum temperature of the flue gas when the boiler burns.

2.5. Calculation of Boiler Heat Transfer Exergy Loss

The formula for heat transfer exergy loss is shown below:
A c = δ Q T 0 ( 1 T ¯ c 1 T ¯ h )
where δQ is the unit heat transfer, kJ/kg; T0 is the ambient temperature, K; T c ¯ is the average temperature of the cold fluid, K; T h ¯ is the average temperature of the hot fluid, K.
T ¯ c = ( T c 1 T c 2 ) / ln T c 1 T c 2
T ¯ h = ( T h 1 T h 2 ) / ln T h 1 T h 2
where Tc1 is the inlet temperature of the cold fluid, K; Tc2 is the outlet temperature of the cold fluid, K; Th1 is the inlet temperature of the hot fluid, K; and Th2 is the outlet temperature of the hot fluid, K.
The exergy loss of each heat exchanger in the tail flue can be calculated according to the exergy analysis and calculation formula mentioned. The exergy loss of the heat transfer was programmed in Matlab to calculate the heat transfer. On the basis of Power Station Course Design Instructions, the boiler combustion calculation formula is established. The exergy loss of each heat exchanger in the boiler flue was calculated. The exergy loss distribution of each part can be clearly analyzed by this procedure. The flow of the program is shown in Figure 2.

2.6. Physical/Chemical Model

2.6.1. Gas Turbulence Equation

The realizable turbulence model was adopted in this simulation. The term “realize” means to ensure that there are mathematical constraints in Reynolds pressure, so as to ensure the continuity of turbulence. The equation is as follows:
( ρ k ) t + ( ρ k u i ) x i = x i [ ( μ + μ i σ k ) k x i ] + G k + G b ρ ε Y M + S k
τ ( ρ ε ) + x i ( ρ ε u i ) = x i [ ( μ + μ ε σ ε ) ε x j ] + ρ C 1 E ε C 2 ρ ε 2 k + v ε
where σ ϵ = 1.2 , C 1 = max [ 0.43 , η η + 5 ] , C 2 = 1.9 , η = ( 2 E i j E j i ) 1 / 2 k ϵ , E i j = μ i x j + μ j x i .

2.6.2. Gas Solid Two-Phase Flow Equation

Pulverized coal combustion belongs to the gas–solid two-phase flow. The Lagrangian stochastic particle trajectory model is adopted, which is more consistent with the actual situation in the furnace and is suitable for volatilization and heterogeneous reactions. The force equation of particles is as follows:
d u p d t = F D ( u u p ) + g ( ρ p ρ ) ρ p + F
where u is the fluid phase velocity, m/s; u u p is the difference between fluid phase velocity and particle velocity, m/s; F D ( u u p ) is the force on particles per unit of mass; ρ p is the density of particles, kg/m3; and g ( ρ p ρ ) ρ p represents the buoyancy force on the particle.

2.6.3. Pulverized Coal Combustion Model

The pulverized coal combustion model can be divided into three models, which are volatilization analysis, gas phase combustion, and coke burning models. The equations of these three models together constitute the pulverized coal combustion model.
The volatilization analysis model of pulverized coal is a two-path model, as follows:
M 0 k 1 ( 1 Y 1 ) ( M 1 ) + Y 1 H
M 0 k 2 ( 1 Y 2 ) ( M 1 ) + Y 2 H
M0 represents pulverized coal and M1 represents coke. The first equation is preferred for low-temperature reactions, and the second equation is chosen for high-temperature reactions.
The gas-phase combustion model is applied to the non-premixed simulation method. If the simulation includes small droplets or coal particles, the non-premixed model is applied. The formula is:
f = Z i Z i , o x Z i , f u e l Z i , o x
where Zi refers to the mass fraction of the element; Zi,ox refers to the content at the inlet of the oxidant; and Zi,fuel refers to the value at the inlet of the fuel.
The reaction rate of coke combustion is:
D 0 = C 1 [ ( T p + T ) / 2 ] d p 0.75
where T is the ambient temperature, K; C1 is the diffusion rate constant; Tp is the temperature of the particle; and dp is the average particle diameter of coke, m.

2.6.4. Radiation Model

The P-1 radiation heat transfer model is adopted in this study. This model not only considers the scattering effect of radiation, which is suitable for the actual situation of the boiler, but is also a relatively simple model, which greatly reduces the calculation time, so this model is preferred.
q r = 1 3 ( α + σ s ) C σ s G
where σ s is the diffusion coefficient, α is the absorption coefficient, G is the amount of incident radiation, and C is the coefficient of the linear anisotropic phase function. When using this model, strict attention should be paid to the optical thickness. In order to obtain the best convergence effect, the optical thickness ( α + σ s )L must be 0.01–10.

2.6.5. Model of Coupling of Velocity and Pressure

In the solver setting, the coupling model of pressure and velocity is formulated in the form of the Navier–Stokes equation:
{ p ( u t + u u ) = ρ f p + μ 2 u u ( x ) = u b x V 1 n u ( x ) = 0 , μ u t ( x ) n = β p u , x V 2
where p is the macroscopic pressure and u is the velocity.

3. Description of the Model

The boiler in this paper is a 350 MW supercritical boiler from a power plant in Changchun, which is a single-furnace boiler with single intermediate reheating. The designed coal is lignite. The main structure size is 14.6 m × 58.3 m(length × height), and the aspect ratio is 1.
In this study, FLUENT was first used to simulate the distribution of exergy, and then Aspen Plus was used to calculate the temperature of each part of the boiler. Finally, heat transfer exergy was calculated in MATLAB.

3.1. Model of the Boiler Furnace

CATIA software was used to make a general assembly 3D model, and the analysis of the coal combustion process was carried out using FLUENT. Different grids were set up in each region by ICEM software. As a result, combustion characteristics and temperature distributions could be accurately determined. There were four main areas in ICEM for the boiler mesh. As shown in Figure 1a, the lowest part is the dry bottom hopper area, where the grid does not need to be encrypted, followed by the main burner area, the separate over-fire air (SOFA) area, and the horizontal flue and flare Angle area. As shown in Figure 3, the mesh with maximum density is located in the SOFA burner area. The horizontal flue and furnace arch are located at the top of the boiler. The inlet boundary conditions are shown in Table 3.
In this paper, the temperature difference between the inlet and outlet was used as the test index, that is, the temperature difference of the simulation will not change with the increase in the number of grids. At this time, the number of grids can ensure the accuracy of the simulation on the one hand, and the simulation time will not be too long on the other hand. The variation of temperature differences with the number of grids is shown in Table 4.

3.2. Comparison Analysis of Flue Gas in the Furnace under Different Load Conditions

In this study, we use the Realizable turbulence model. Regarding the combustion process, the model adopted in the study is a non-premixed combustion model, which is often used in boiler simulation. The simulation process is carried out after the coal type parameter is input.
The distribution of smoke and gas in the furnace under different loads is shown in Figure 4. Figure 4a–c show that the maximum value of flue gas decreases as the load is reduced. The overall flue gas distribution has a certain regularity despite subtle differences, which is explained by the component distribution. Figure 4d shows that the flue gas exergy also rises with height. In the burner, flue gas has a higher value. In addition, flue gas exergy peaks at the same position under different loads, which indicates that this region still has the potential to reduce loss before reaching the peak value. Combustion exergy loss could be reduced by increasing the air temperature at the inlet when the air enters the furnace.

3.3. Power Plant Boiler Model Construction

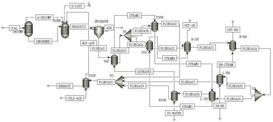
This article presents a boiler model built by Aspen Plus using the RYield module, the RGibbs module, and the SSplit module. RYIELD is suitable for reactions in which the reaction relationship is unknown, the reaction kinetic parameters are unknown, but the product distribution ratio is known. The flow rates of various products can be calculated by inputting product yields or Fortran subroutines. RGibbs is a reactor that simulates single-phase chemical equilibria, phase equilibria without chemical reactions, and multiple components simultaneously in phase and chemical equilibria using the Gibbs free energy minimization principle. The HeatX module simulates the heat exchange between the two logistics. The heatx model determines the state of the export logistics according to the conservation of energy and mass. As shown in Figure 5, the RYield module is used to pyrolyse coal. RGibbs represents the Gibbs reaction. The heat flow Q-DECOMP generated during the pyrolysis process is connected to the RGibbs module to ensure the balance of heat in the system. Q-LOST determines the heat dissipation of the boiler and excludes it. The SSplit module separates the flue gas and ash, allowing the ash to be discharged and the flue gas to continue exchanging heat.
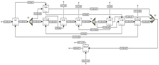
As shown in Figure 6, the HeatX module is used to carry out the design calculation according to the boiler design manual. The flue gas is divided into two streams, among which one flows through the low-temperature reheater (L-RH), and the other flows through the low-temperature superheater (L-SH) and the economizer (ECONOM). Then the two streams pass through the air preheater (PHAIR) and merge into the air. Before they can be discharged into the environment, these exhaust gases must be dedusted and reduced.
The feed water (TO-WATER) is heated by the economizer and turned into hot water (OUTWATER). Meanwhile, the heat exchange temperature in the water-cooled wall increases. Afterwards, it is heated by a roof superheater (TOPH), low-temperature superheater, partition screen superheater, and high-temperature superheater and turned into superheated steam. In the final step, superheated steam is transferred to a steam turbine. The reheated steam (IN-RH) is heated by a low-temperature reheater and a high-temperature reheater and supplied to the steam turbine. The airflow is cold air (COLD-AIR) in the air preheater, and heat is exchanged with the tail flue gas and turned into hot air (HOT-AIR). Combustion and heat transfer system flow charts are combined to form a closed cycle, which constitutes the entire system of the boiler. That is, the flue gas separated from the SSplit module passes through the water wall, and the hot air from the air preheater participates in the combustion. The overall model diagram is shown in Figure 7.

3.4. Model Input Parameter Settings

There are some input parameters for the module, which are shown in Table 5.

3.5. Model Simulation Results

As shown in Table 6 and Table 7, the accuracy of the model can be verified based on the simulation results and the operation data provided by the power plant. The full names of BMCR, DIVIDSH, H-SH, H-RH, L-RH, L-SH, and ECONOM are shown in the nomenclature at the end of the article.
The accuracy of the model is demonstrated by comparing the calculated and plant values of BMCR, 75% BMCR, and 50% BMCR loads. Consequently, the model can be used to calculate other boiler load conditions, and the calculation method is similar to how the boiler operates.

4. Exergy Analysis Calculation Result Comparison

Matlab software is used to calculate heat transfer exergy loss according to the exergy analysis method mentioned above, and then the heat transfer exergy loss of each heat exchanger under different loads is calculated, as depicted in Table 8, Table 9 and Table 10.
The overall exergy efficiency of the boiler is shown in Figure 8. As the load decreases, the exergy efficiency decreases gradually, and the overall exergy loss increases. Hence, it is necessary to avoid reducing the load to use energy effectively.
The heat transfer exergy losses under various loads are depicted in Figure 9. There is almost no difference in the distribution of heat transfer exergy losses by the different loads. WALL and L-RH have significant heat transfer exergy losses. One of them only flows through the low-temperature reheater, while the other flows through the L-RH and the economizer, resulting in a large heat transfer difference in the L-RH. It is possible to reduce exergy loss by improving the arrangement of heating surfaces in these two positions.

5. Comparison between Improved Scheme and Original Scheme

The boiler system is improved by increasing the heat transfer area of the air preheater and decreasing the heat transfer area of the economizer. The economizer and air preheater are located in one of the dual tail flues in the original scheme. In addition to changing the heat transfer area, the economizer is placed behind the flue to enhance the heat transfer effect of the air preheater. This reduces the heat absorption of the flue gas of the economizer, and the waste heat is given to the air preheater. Thus, the furnace heat transfer temperature difference and the combustion exergy loss are reduced. The improved process is shown in Figure 10. Blue lines indicate water vapor routes, while red lines indicate smoke routes.
In addition, this caused the working fluid temperature in the economizer to decrease as well. The amount of fuel should be adjusted accordingly, resulting in changes in the main steam and reheat steam temperatures. The input parameters of the model after transformation are shown in Table 11.
Figure 11 shows the comparison between the improved and the original heat transfer exergy loss distributions. A change in economizer location and structure resulted in a decrease in economizer exergy loss while an increase in air preheater exergy loss. In addition, the furnace must be adjusted to compensate for the low working fluid temperature at the exit of the economizer. The arrangement of the double flues at the rear was changed, resulting in a reduction in the heat transfer exergy loss of the low-temperature superheater and the low-temperature reheater. Due to the higher temperature of the main steam and the reheated steam, the heat transfer exergy loss also increased. However, the total heat transfer exergy loss was less than initially estimated at 20.17%.
Figure 12 shows a detailed comparison of exergy loss distributions between the improved and original schemes. Exergy efficiency is increased to 48.35%, and combustion exergy loss is significantly reduced. It is obvious that increasing the air preheating temperature has a significant impact on improving combustion and reducing the exergy loss of combustion, as well as slightly reducing the exergy loss of heat transfer. Due to the unchanged exhaust temperature, the external exergy loss remains the same. Thus, increasing the air preheat temperature and steam parameters will increase exergy efficiency. This paper provides a theoretical basis for the improvement plan of the power plant by adjusting the process and structure.

6. Conclusions

In this paper, a one-dimensional model of a 350 MW power plant boiler was established by Aspen Plus. Based on the comparison between simulation results and operation data, the error in working fluid is within 5%, and the error in flue gas value is within 9%, proving the accuracy and feasibility of the one-dimensional model. Then, the efficiency of the boiler is maximized by changing the internal structure. The conclusions are as follows:
(1) The power plant boiler has an exergy efficiency of approximately 50%. Among the exergy losses, combustion exergy losses account for the most significant proportion, accounting for approximately 30%. In addition to the heat transfer exergy loss, approximately 20% of the energy is lost through external exergy losses. The exergy efficiency of the power station boiler also decreases as the load decreases, and the overall exergy loss gradually rises. Therefore, avoiding low-load operation can improve energy efficiency.
(2) The calculation and comparison of heat transfer exergy losses are carried out for each superheater and reheater in the rear flue. Due to the significant heat transfer temperature difference and exergy loss value, the heat transfer exergy loss value of the water wall and low-temperature reheater are relatively large.
(3) An improved scheme is proposed in this paper, which plays a role in reducing the heat exchange capacity of the economizer and increasing the heat exchange capacity of the air preheater. The combustion temperature of the boiler is increased, and the combustion exergy loss of the boiler is reduced. By improving the steam parameters, the exergy loss of heat transfer is reduced, and the exergy efficiency of the boiler is improved.
(4) The simulation results indicate a 48.35% increase in boiler exergy efficiency when the boiler’s preheated air temperature and steam parameters are increased. The exergy loss of combustion is significantly reduced, as is the exergy loss of heat transfer. Results of the improvement plan show that the aim of improving exergy efficiency and saving energy was achieved, as well as providing a theoretical basis for improving the power plant.

Author Contributions

Conceptualization, W.L.; Writing—original draft, H.Y.; Writing—review & editing, Y.J. and L.L. All authors have read and agreed to the published version of the manuscript.

Funding

The authors would like to acknowledge the financial support of the Royal Academy of Engineering of the United Kingdom under the Newton Fund—the UK–China Industry Academia Partnership scheme (UK-CIAPP\201).

Conflicts of Interest

The authors declare no conflict of interest.

Nomenclature

BMCRBoiler Maximum Continuous RatingUnit
COLD-AIRCold Air
DIVIDSHDivider Superheater
ECONEconomizer
ECONOMEconomizer
H-RHHigh-Temperature Reheater
H-SHHigh-Temperature Superheater
HOT-AIRHot Air
IN-RHReheated Steam
L-RHLow-Temperature Reheater
L-SHLow-Temperature Superheater
PHAIRAir Preheater
SOFASeparate over Fire Air
TOPHRoof Superheater
WALLWater Cooled Wall
aBFuel Exergy CalculationkJ/mol
a2Boiler External LosskJ/mol
AarReceived base ash%
AcHeat Transfer Exergy LosskJ/mol
Ax,gIncome ExergykJ/mol
Ax,LExergy LosskJ/mol
Ax,nTotal Input Exergy.kJ/mol
AyApplied Base Ash%
clzSpecific Heat of SlagkJ/kg
clzcContent of Slag%
cfhcContent of Fly Ash%
cfhSpecific Heat of Fly AshkJ/kg
cpAverage Constant Pressure Specific Heat of Flue GaskJ/kg
CarReceived base carbon%
CpAverage Constant Pressure Specific Heat of Flue GaskJ/(m3·K)
HarReceived base hydrogen%
IrExergy Loss of CombustionkJ/mol
MarReceived base moisture%
MadAir drying base moisture%
MfAmount of Fuelkg/h
NarReceived base nitrogen%
OarReceived base oxygen%
q4Heat Loss of Incomplete Combustion of Solid%
q3Heat Loss of Incomplete combustion of Combustible Gas%
δQUnit Heat TransferkJ/kg
Qnet.arlower heating valuekJ/kg
SarReceived base sulphur%
tlzSlag Temperature Discharged from the FurnaceK
TBAverage Temperature of the Working Fluid in the Heat Dissipation Part of the BoilerK
T c ¯ Average Temperature of the Cold FluidK
Tc1Inlet Temperature of the Cold FluidK
Tc2Outlet Temperature of the Cold FluidK
T h ¯ Average Temperature of the Hot FluidK
TpyExhaust TemperatureK
T0Ambient TemperatureK
Th1Inlet Temperature of the Hot FluidK
Th2Outlet Temperature of the Hot FluidK
VgVolume of Flue Gas Produced Per Kilogram of Fuelm3/kg
VyFlue Gas Volumem3/kg
VdafDry ash-free basis volatilem3/kg

References

  1. Lin, B.Q.; Omoju, O.E.; Okonkvvo, J.U. Factors influencing renewable electricity consumption in China. Renew. Sustain. Energy Rev. 2016, 55, 687–696. [Google Scholar] [CrossRef]
  2. Wang, Q.; Chen, Y. Status and outlook of China’s free-carbon electricity. Renew. Sustain. Energy Rev. 2010, 14, 1014–1025. [Google Scholar] [CrossRef]
  3. Zhang, C.; Zhou, K.L.; Yang, S.L.; Shao, Z. On electricity consumption and economic growth in China. Renew. Sustain. Energy Rev. 2017, 76, 353–368. [Google Scholar] [CrossRef]
  4. Hu, Y.A.; Cheng, H.F. Development and Bottlenecks of Renewable Electricity Generation in China: A Critical Review. Environ. Sci. Technol. 2013, 47, 3044–3056. [Google Scholar] [CrossRef] [PubMed]
  5. Bhattacharyya, S.C. Thermal Power-Generation and Environment—A Review of the Indian Case. Int. J. Energy Res. 1995, 19, 185–198. [Google Scholar] [CrossRef]
  6. Nakatani, Y.; Wakamatsu, K.; Shindo, T.; Ito, Y. The Status of Thermoelectric Generation System. IEEJ Trans. Electr. Electron. Eng. 2009, 4, 4–5. [Google Scholar] [CrossRef]
  7. Li, Z.X.; Wang, D.D.; Lv, D.W.; Li, Y.; Liu, H.Y.; Wang, P.L.; Liu, Y.; Liu, J.Q.; Li, D.D. The geologic settings of Chinese coal deposits. Int. Geol. Rev. 2018, 60, 548–578. [Google Scholar] [CrossRef]
  8. Wang, Q.; Li, R.R. Journey to burning half of global coal: Trajectory and drivers of China’s coal use. Renew. Sustain. Energy Rev. 2016, 58, 341–346. [Google Scholar] [CrossRef]
  9. Zhang, H.N.; Zhang, X.P.; Yuan, J.H. Coal power in China: A multi-level perspective review. Wiley Interdiscip. Rev. Energy Environ. 2020, 9, e386. [Google Scholar] [CrossRef]
  10. Lv, T.; Guo, Z.W.; Gao, Y.; IEEE. Power Plant Boiler Waste Heat Recycling Design Research. In Proceedings of the 2012 Asia-Pacific Power and Energy Engineering Conference (APPEEC), Shanghai, China, 27–29 March 2012.
  11. Lv, T.; Liu, L.Y.; Kun, L. Research on Testing of Burning Lignite in 1000MW Ultra Supercritical Concurrent Boiler. In Advanced Materials Research; Trans Tech Publications Ltd.: Bäch, Switzerland, 2012; Volume 347, pp. 3736–3739. [Google Scholar]
  12. Seyedan, B.; Dhar, P.L.; Gaur, R.R.; Bindra, G.S. Optimization of waste heat recovery boiler of a combined cycle power plant. J. Eng. Gas Turbines Power Trans. ASME 1996, 118, 561–564. [Google Scholar] [CrossRef]
  13. Wang, J.J.; Zhao, Z.N.; Xu, L.W.; Yao, W.Y. Scheme Analysis of Capacity-increasing Transformation for Reheaters of 300MW Boilers in a Power Plant. In Proceedings of the 2013 International Conference on Materials for Renewable Energy and Environment (ICMREE), Nanjing, China, 15–16 May 2013; IEEE: Piscataway, NJ, USA, 2013; Volume 1–3, pp. 698–702. [Google Scholar]
  14. Wang, J.S.; Zhong, J.L.; Gou, X.L. Control strategy study on frequency and peak-load regulation of coal-fired power plant based on boiler heat storage capacity. Proc. Inst. Mech. Eng. Part A J. Power Energy 2018, 232, 1063–1078. [Google Scholar] [CrossRef]
  15. Dincer, I.; Rosen, M.A. Exergy and Energy Analyses; Elsevier: Amsterdam, The Netherlands, 2013; pp. 21–30. [Google Scholar]
  16. Kotas, T.J.; Mayhew, Y.R.; Raichura, R.C. Nomenclature for Exergy Analysis. Proc. Inst. Mech. Eng. Part A J. Power Energy 1995, 209, 275–280. [Google Scholar] [CrossRef]
  17. Wall, G. Exergy tools. Proc. Inst. Mech. Eng. Part A J. Power Energy 2003, 217, 125–136. [Google Scholar] [CrossRef]
  18. Eboh, F.C.; Ahlstrom, P.; Richards, T. Exergy Analysis of Solid Fuel-Fired Heat and Power Plants: A Review. Energies 2017, 10, 165. [Google Scholar] [CrossRef] [Green Version]
  19. Liu, J.; Wang, Y.B.; He, C.B.; Zhu, P. Fuzzy Comprehensive Evaluation on Energy-efficiency of Plant Boiler based on Exergy Analysis. In Advanced Materials Research; Trans Tech Publications Ltd.: Bäch, Switzerland, 2014; pp. 1022–1026. [Google Scholar]
  20. Mahfuz, M.H.; Kamyar, A.; Afshar, O.; Sarraf, M.; Anisur, M.R.; Kibria, M.A.; Saidur, R.; Metselaar, I. Exergetic analysis of a solar thermal power system with PCM storage. Energy Convers. Manag. 2014, 78, 486–492. [Google Scholar] [CrossRef]
  21. Tontu, M.; Bilgili, M.; Sahin, B. Performance analysis of an industrial steam power plant with varying loads. Int. J. Exergy 2018, 27, 231–250. [Google Scholar] [CrossRef]
  22. Zhu, S.H.; Zhang, M.; Huang, Y.Q.; Wu, Y.X.; Yang, H.R.; Lyu, J.F.; Gao, X.Y.; Wang, F.J.; Yue, G.X. Thermodynamic analysis of a 660 MW ultra-supercritical CFB boiler unit. Energy 2019, 173, 352–363. [Google Scholar] [CrossRef]
  23. Behbahaninia, A.; Ramezani, S.; Hejrandoost, M.L. A loss method for exergy auditing of steam boilers. Energy 2017, 140, 253–260. [Google Scholar] [CrossRef]
  24. Rangel-Hernandez, V.H.; Damian-Ascencio, C.; Belman-Flores, J.M.; Zaleta-Aguilar, A. Assessing the Exergy Costs of a 332-MW Pulverized Coal-Fired Boiler. Entropy 2016, 18, 300. [Google Scholar] [CrossRef] [Green Version]
  25. Saidur, R.; Ahamed, J.U.; Masjuki, H.H. Energy, exergy and economic analysis of industrial boilers. Energy Policy 2010, 38, 2188–2197. [Google Scholar] [CrossRef]
  26. Terhan, M.; Comakli, K. Energy and exergy analyses of natural gas-fired boilers in a district heating system. Appl. Therm. Eng. 2017, 121, 380–387. [Google Scholar] [CrossRef]
  27. Yang, D.; Xu, H.; Chen, H.P.; Jia, R.X. Analysis of the Exergy Efficiency and Influencing Factor of CFB Boiler. In Proceedings of the ICEET: 2009 International Conference on Energy and Environment Technology, Guilin, China, 16–18 October 2009; IEEE: Piscataway, NJ, USA, 2009; Volume 1, pp. 522–525. [Google Scholar]
  28. Shi, Y.H.; Li, Q.; Wen, J.; Cui, F.S.; Pang, X.Q.; Jia, J.F.; Zeng, J.C.; Wang, J.C. Soot Blowing Optimization for Frequency in Economizers to Improve Boiler Performance in Coal-Fired Power Plant. Energies 2019, 12, 2901. [Google Scholar] [CrossRef] [Green Version]
  29. Gomez, M.A.; Martin, R.; Collazo, J.; Porteiro, J. CFD Steady Model Applied to a Biomass Boiler Operating in Air Enrichment Conditions. Energies 2018, 11, 2513. [Google Scholar] [CrossRef]
  30. Feng, J.; Shen, Y. Boiler Principle and Calculation; Science Press: Beijing, China, 1998; Volume 787. [Google Scholar]
Figure 1. Flow chart.
Figure 1. Flow chart.
Energies 15 08133 g001
Figure 2. Flow of the program.
Figure 2. Flow of the program.
Energies 15 08133 g002
Figure 3. Mesh generation of the furnace (a) and SOFA burner (b).
Figure 3. Mesh generation of the furnace (a) and SOFA burner (b).
Energies 15 08133 g003
Figure 4. Distribution of flue exergy and flue gas exergy under different loads. (a) 100%BMCR. (b) 75%BMCR. (c) 50%BMCR. (d) Distribution of flue gas on the height of the furnace.
Figure 4. Distribution of flue exergy and flue gas exergy under different loads. (a) 100%BMCR. (b) 75%BMCR. (c) 50%BMCR. (d) Distribution of flue gas on the height of the furnace.
Energies 15 08133 g004
Figure 5. Combustion system module.
Figure 5. Combustion system module.
Energies 15 08133 g005
Figure 6. Heat exchange system module.
Figure 6. Heat exchange system module.
Energies 15 08133 g006
Figure 7. General diagram of boiler system model.
Figure 7. General diagram of boiler system model.
Energies 15 08133 g007
Figure 8. Boiler overall exergy efficiency changes with load.
Figure 8. Boiler overall exergy efficiency changes with load.
Energies 15 08133 g008
Figure 9. Variation of heat transfer exergy loss under different loads.
Figure 9. Variation of heat transfer exergy loss under different loads.
Energies 15 08133 g009
Figure 10. Flow chart of improved system.
Figure 10. Flow chart of improved system.
Energies 15 08133 g010
Figure 11. Comparison of heat transfer exergy loss distribution between the improved scheme and the original scheme.
Figure 11. Comparison of heat transfer exergy loss distribution between the improved scheme and the original scheme.
Energies 15 08133 g011
Figure 12. Comparison of exergy loss distribution between the improved scheme and the original scheme. (a) The exergy loss distribution of improved scheme. (b) The exergy loss distribution of original scheme.
Figure 12. Comparison of exergy loss distribution between the improved scheme and the original scheme. (a) The exergy loss distribution of improved scheme. (b) The exergy loss distribution of original scheme.
Energies 15 08133 g012
Table 1. Main parameters of boiler.
Table 1. Main parameters of boiler.
ParameterUnitBoiler Maximum Continuous Rating (BMCR)75%BMCR50%BMCR
Superheated steam flow of the boilert/h1110723.72555
Superheater outlet steam pressureMPa(g)25.4019.7314.49
Superheater outlet steam temperature°C571571571
Reheat steam flowt/h929.17623.45484.70
Reheater inlet steam pressureMPa(g)4.5243.0142.296
Reheater outlet steam pressureMPa(g)4.3342.8852.194
Reheater inlet steam temperature°C323311.6321.5
Reheater outlet steam temperature°C569569569
Economizer inlet feed water temperature°C284.7258.9244.3
Table 2. Design coal parameters.
Table 2. Design coal parameters.
ParameterNotationUnitDesign Coal
Total moistureMar%27.8
Air dry base moistureMad%9.27
Receive base ashAar%12.06
Dry ash-free volatilesVdaf%45.09
Received base carbonCar%47
Received base hydrogenHar%3.50
Received base oxygenOar%8.85
Received base nitrogenNar%0.60
Received base sulfurSar%0.19
Low heat valueQnet.arMJ/kg17.34
Table 3. The temperature difference varies with the grid numbers.
Table 3. The temperature difference varies with the grid numbers.
NameUnitNumber
Primary air temperatureK338
Secondary air temperatureK653
Burnout air temperatureK653
Primary wind velocitym/s25
Secondary air velocitym/s48
Burnout wind velocitym/s48
Pulverized coal fineness (R90)%37
Pulverized coal mass flow ratekg/s2.542
Table 4. The variation of temperature difference with the grid numbers.
Table 4. The variation of temperature difference with the grid numbers.
NNumber of GridsTemperature Difference(K)Error
11,862,2480.842-
22,421,3850.9102.4%
33,342,6750.9313.2%
44,769,5100.9340.5%
56,102,6870.9350.2%
Table 5. Input parameter settings of model.
Table 5. Input parameter settings of model.
EnvironmentTemperature 25 °C. Pressure 101,325 Pa
AirUnder BMCR condition, oxygen 289,686 kg/h, nitrogen 1,089,769 kg/h
To-waterTemperature 284.7 °C, pressure 28.87 MPa, flow 1,110,000 kg/h
Main steamTemperature 571 °C, pressure 25.40 MPa, flow 1,110,000 kg/h
Reheat steam inletTemperature 323 °C, pressure 4.524 MPa, flow 929,170 kg/h
Reheat steam outletTemperature 569 °C, Pressure 4.334 MPa
Amount of fuel183,040 kg/h
Mar27.8%
Mad9.27%
Aar12.06%
Vdaf45.09%
Car47%
Har3.5%
Oar8.85%
Nar0.60%
Sar0.19%
Table 6. Comparison table of working fluid simulation calculation results.
Table 6. Comparison table of working fluid simulation calculation results.
ParameterBMCR75%BMCR50%BMCR
Simulation Results (°C)Operation Results (°C)Simulation Results (°C)Operation Results (°C)Simulation Results (°C)Operation Results (°C)
Inlet of DIVIDSH466482442465425442
Outlet of DIVIDSH526540512538505529
Inlet of H-SH526540512538505529
Outlet of H-SH571571571571571571
Inlet of H-RH473472461.6477461.5481
Outlet of H-RH569569569569557.5545.8
Inlet of L-RH323323311.6311.6321.5321.5
Outlet of L-RH473472461.6477461.5481
Inlet of L-SH418428394408377380
Outlet of L-SH466482442465425442
Inlet of ECONOM284.7284.7258.9258.9244.3244.3
Outlet of ECONOM309307284280269267
Table 7. Comparison table of flue gas simulation calculation results.
Table 7. Comparison table of flue gas simulation calculation results.
ParameterBMCR75%BMCR50%BMCR
Simulation Results (°C)Operation Results (°C)Simulation Results (°C)Operation Results (°C)Simulation Results (°C)Operation Results (°C)
Inlet of DIVIDSH12011210110311009971002
Outlet of DIVIDSH10681069975973873918
Inlet of H-SH10681069975973873918
Outlet of H-SH977986878894778842
Inlet of H-RH977971878879778827
Outlet of H-RH864859759781676737
Inlet of L-RH864821759742676697
Outlet of L-RH415387390373384374
Inlet of L-SH864821759742676697
Outlet of L-SH568560530510505475
Inlet of ECONOM568560530510505475
Outlet of ECONOM415442390389384358
Table 8. Distribution of heat transfer exergy loss of boiler under BMCR load.
Table 8. Distribution of heat transfer exergy loss of boiler under BMCR load.
ParameterNotationUnitPercentage of Fuel Exergy (%)
Total3667.52kJ/kg standard coal20.53
Water wall and roof superheater1222.07kJ/kg standard coal6.84
Platen superheater319.54kJ/kg standard coal1.79
High temperature superheater162.67kJ/kg standard coal0.91
High temperature reheater189.09kJ/kg standard coal1.06
Low temperature reheater646.95kJ/kg standard coal3.62
Low temperature superheater433.95kJ/kg standard coal2.43
Economizer253.14kJ/kg standard coal1.42
Air preheater440.11kJ/kg standard coal2.46
Table 9. Distribution of heat transfer exergy loss of boiler under 75% BMCR load.
Table 9. Distribution of heat transfer exergy loss of boiler under 75% BMCR load.
ParameterNotationUnitPercentage of Fuel Exergy (%)
Total3602.38kJ/kg standard coal20.17
Water wall and roof superheater1612.94kJ/kg standard coal9.03
Platen superheater294.24kJ/kg standard coal1.65
High temperature superheater151.55kJ/kg standard coal0.85
High temperature reheater164.36kJ/kg standard coal0.92
Low temperature reheater451.35kJ/kg standard coal2.53
Low temperature superheater307.81kJ/kg standard coal1.72
Economizer244.12kJ/kg standard coal1.37
Air preheater376.01kJ/kg standard coal2.10
Table 10. Distribution of heat transfer exergy loss of boiler under 50% BMCR load.
Table 10. Distribution of heat transfer exergy loss of boiler under 50% BMCR load.
ParameterNotationUnitPercentage of Fuel Exergy (%)
Total3438.39kJ/kg standard coal19.25
Water wall and roof superheater1915.10kJ/kg standard coal10.72
Platen superheater259.71kJ/kg standard coal1.45
High temperature superheater119.96kJ/kg standard coal0.67
High temperature reheater109.73kJ/kg standard coal0.62
Low temperature reheater275.58kJ/kg standard coal1.54
Low temperature superheater208.91kJ/kg standard coal1.17
Economizer220.74kJ/kg standard coal1.24
Air preheater328.66kJ/kg standard coal1.84
Table 11. Model parameters of improved scheme.
Table 11. Model parameters of improved scheme.
EnvironmentTemperature 25 °C. Pressure 10,325 Pa
AirUnder BMCR condition, oxygen 289,686 kg/h, nitrogen 1,089,769 kg/h
To-waterTemperature 284.7 °C, pressure 28.87 MPa, flow 1,110,000 kg/h
Main steamTemperature 576 °C, pressure 25.40 MPa, flow 1,110,000 kg/h
Reheat steam inletTemperature 323 °C, pressure 4.524 MPa, flow 929,170 kg/h
Reheat steam outletTemperature 574 °C, pressure 4.334 MPa
Amount of fuel184,070 kg/h
Publisher’s Note: MDPI stays neutral with regard to jurisdictional claims in published maps and institutional affiliations.

Share and Cite

MDPI and ACS Style

Yin, H.; Jin, Y.; Li, L.; Lv, W. Numerical Investigation on the Impact of Exergy Analysis and Structural Improvement in Power Plant Boiler through Co-Simulation. Energies 2022, 15, 8133. https://doi.org/10.3390/en15218133

AMA Style

Yin H, Jin Y, Li L, Lv W. Numerical Investigation on the Impact of Exergy Analysis and Structural Improvement in Power Plant Boiler through Co-Simulation. Energies. 2022; 15(21):8133. https://doi.org/10.3390/en15218133

Chicago/Turabian Style

Yin, Hang, Yingai Jin, Liang Li, and Wenbo Lv. 2022. "Numerical Investigation on the Impact of Exergy Analysis and Structural Improvement in Power Plant Boiler through Co-Simulation" Energies 15, no. 21: 8133. https://doi.org/10.3390/en15218133

APA Style

Yin, H., Jin, Y., Li, L., & Lv, W. (2022). Numerical Investigation on the Impact of Exergy Analysis and Structural Improvement in Power Plant Boiler through Co-Simulation. Energies, 15(21), 8133. https://doi.org/10.3390/en15218133

Note that from the first issue of 2016, this journal uses article numbers instead of page numbers. See further details here.

Article Metrics

Back to TopTop