Predictive Control Applied to Matrix Converters: A Systematic Literature Review
Abstract
1. Introduction
2. Background
3. The Systematic Literature Review Method
3.1. Scope of the Review
- RQ1: Which variants of model-based predictive control are used with matrix converters?
- RQ2: What matrix converter topologies handle predictive control?
3.2. Search for Primary Studies
- Matrix converter.
- Predictive control.
- IEEE Xplore (http://ieeexplore.ieee.org/), accessed on 13 July 2020,
- SCOPUS (https://www.scopus.com/), accessed on 13 July 2020,
- IET Digital Library (http://digital-library.theiet.org/), accessed on 13 July 2020, and
- Web of Knowledge (http://www.webofknowledge.com), accessed on 13 July 2020.
- Science Direct (http://www.sciencedirect.com/), accessed on 13 July 2020,
- Wiley InterScience (http://onlinelibrary.wiley.com/), accessed on 13 July 2020, and
- Springer link (http://link.springer.com/), accessed on 13 July 2020.
| Algorithm 1: Search strings generation |
|
3.3. Study Selection and Data Extraction
3.3.1. Inclusion Criteria
- IC1: The study is published in Q1/Q2 Journals or in peer-reviewed conference proceedings.
- IC2: The study is written in English.
3.3.2. Exclusion Criteria
- EC1: Duplicate studies found in different databases are excluded (i.e., just one is considered).
- EC2: Only primary studies are considered; if the study is a review, it is excluded.
- EC3: The title explicitly mentions that the topic is not related to matrix converter or predictive control.
- EC4: The study’s lack of consideration of predictive control in a matrix converter is made clear in the abstract.
- EC5: If there are different iterations of the same study, the less thorough are disregarded.
- EC6: Full text read reveals the study does not refer to predictive control applied to a matrix converter.
3.3.3. Quality Assessment
- a.
- How the results are presented:
- Experimental results (0.6 pts).
- Simulation results (0.4 pts).
- Not presented (0 pts).
- b.
- Clarity in the topology. For a good level of clarity, the article should describe:
- Power circuit (0.5 pts).
- Knowledge of the valid states (0.2 pts)
- Relationship between input and output (0.3 pts)
A totally clear topology will be assigned 1 pt. - c.
- Accuracy in predictive control description. For complete clarity of predictive control application, the study must include:
- Control scheme (0.2 pts).
- Prediction model (0.5 pts).
- Cost function (0.3 pts).
3.3.4. Data Extraction
3.4. Synthesis of the Extracted Data
4. Model Predictive Control Applied to Matrix Converters
4.1. Basic Principles of MPC
- The system’s discretized model is used to predict how the variables of interest will behave in the future up to a given horizon. The system’s discretized state-space equations, for instance, could be used as follows:where x, u, and y stand for the state variables, inputs, and outputs, respectively.
- The intended control performance is then used to define a cost function, g. The reference and predicted values of the control variables are included in this cost function, together with the actuation.
- Finally, optimal actuation is obtained to solve the optimisation problem; the result that minimises g is applied by the controller.
4.2. Predictive Current Control
| Algorithm 2: Predictive current control in DMC |
1. Initialize , 2. Measure , , 3. From j = 1 to 27 4. Calculate using (Equation (4)) 5. Calculate the predicted current using Equation (10) 6. Calculate the cost function using Equation (11) 7. if then 8. , 9. end if 10. end for 11. Apply the optimal state |
4.2.1. Predictive Current Control with Reactive Power Minimization
4.2.2. Predictive Current Control with Imposed Input Current
4.2.3. Predictive Current Control with Input Resonances Mitigation
4.2.4. Predictive Current Control with Common-Mode Voltage
4.2.5. Predictive Current Control with Switching Losses Reduction
4.3. Predictive Torque and Flux Control
4.4. Predictive Voltage Control
4.5. Predictive Power Control
4.6. Predictive Position and Speed Control
5. Matrix Converter Topologies Using Model Predictive Control
5.1. Direct Matrix Converter and Its Derivations
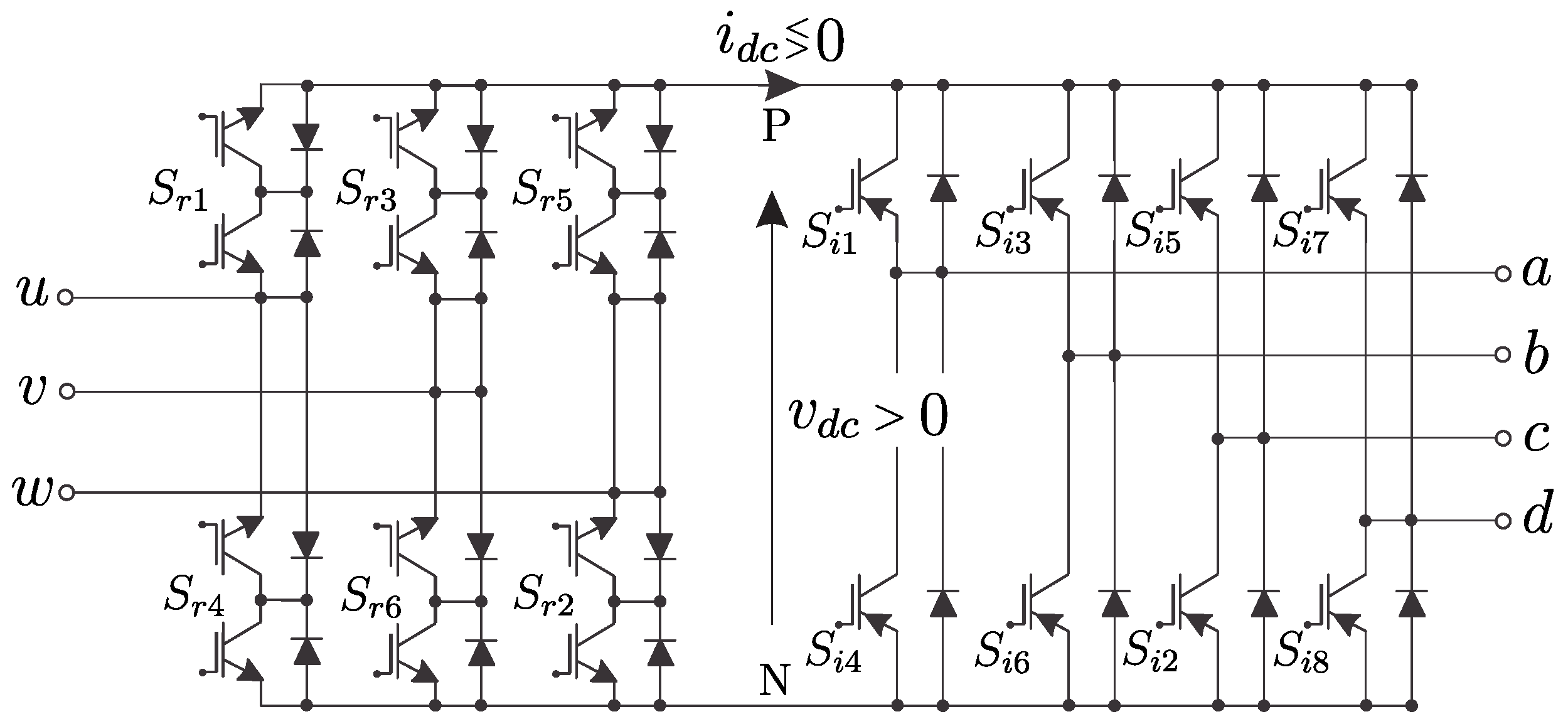
5.1.1. Single-Phase Matrix Converter
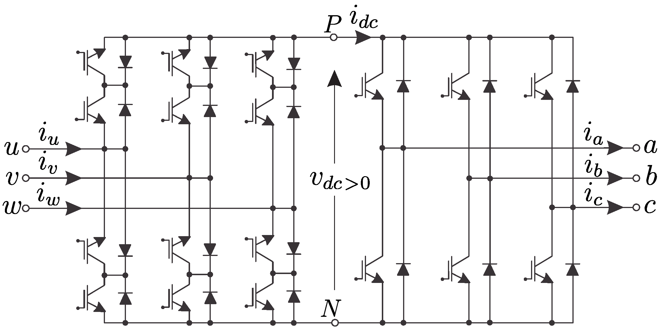
5.1.2. Multi-Phase Direct Matrix Converters
5.1.3. Quasi-Z-Source Matrix Converter
5.1.4. Multi-Modular Matrix Converter
5.1.5. Modular Multilevel Matrix Converter
5.2. Indirect Matrix Converter and Its Derivatives
5.2.1. A Four-Leg IMC
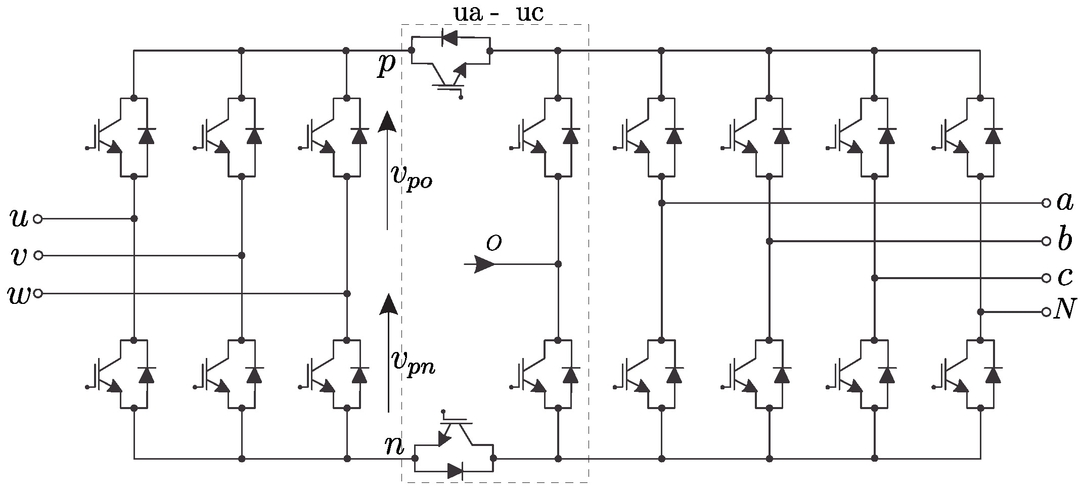
5.2.2. Three-Level Indirect Matrix Converter (3L-IMC)
5.2.3. Third-Harmonic Injection Two-Stage Matrix Converter
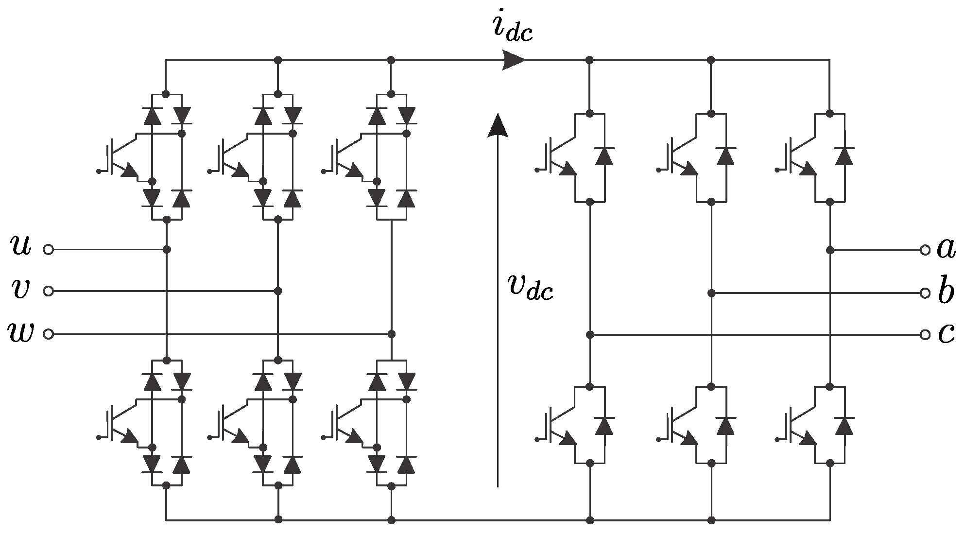
5.2.4. Sparse Matrix Converter
5.2.5. Matrix-Converter-Based Solid State Transformer
5.2.6. Hybrid Indirect Matrix Converter
5.2.7. Multi-Drive Indirect Matrix Converter
6. New Trends on Model Predictive Control Applied to Matrix Converters
6.1. Variable Switching Frequency
6.2. Avoiding the Use of Weighting Factors
6.3. Reducing Computational Burden
6.4. Fault Detection Using MPC
7. Conclusions
Author Contributions
Funding
Data Availability Statement
Conflicts of Interest
References
- International Energy Agency (IEA). World Energy Outlook 2020—Executive Summary; Technical Report; IEA: Paris, France, 2020. [Google Scholar]
- Smil, V. Distributed Generation and Megacities: Are Renewables the Answer? IEEE Power Energy Mag. 2019, 17, 37–41. [Google Scholar] [CrossRef]
- Bento, A.; Paraíso, G.; Costa, P.; Zhang, L.; Geury, T.; Pinto, S.F.; Silva, J.F. On the Potential Contributions of Matrix Converters for the Future Grid Operation, Sustainable Transportation and Electrical Drives Innovation. Appl. Sci. 2021, 11, 4597. [Google Scholar] [CrossRef]
- Khosravi, M.; Amirbande, M.; Khaburiand, D.A.; Rivera, M.; Riveros, J.; Rodriguez, J.; Vahediand, A.; Wheeler, P. Review of model predictive control strategies for matrix converters. IET Power Electron. 2019, 12, 3021–3032. [Google Scholar] [CrossRef]
- Rivera, M.; Wheeler, P.; Olloqui, A.; Khaburi, D. A review of predictive control techniques for matrix converters—Part I. In Proceedings of the 2016 7th Power Electronics and Drive Systems Technologies Conference (PEDSTC), Tehran, Iran, 16–18 February 2016; pp. 582–588. [Google Scholar]
- Rivera, M.; Wheeler, P.; Olloqui, A. Predictive control in matrix converters—Part I: Principles, topologies and applications. In Proceedings of the 2016 IEEE International Conference on Industrial Technology (ICIT), Taipei, Taiwan, 14–17 March 2016; pp. 1091–1097. [Google Scholar]
- Rivera, M.; Wheeler, P.; Olloqui, A. Predictive control in matrix converters—Part II: Control strategies, weaknesses and trends. In Proceedings of the 2016 IEEE International Conference on Industrial Technology (ICIT), Taipei, Taiwan, 14–17 March 2016; pp. 1098–1104. [Google Scholar]
- International Energy Agency (IEA). World Energy Investment 2020; Technical report; IEA: Paris, France, 2020. [Google Scholar]
- Pahlevani, M.; Jain, P.K. Soft-Switching Power Electronics Technology for Electric Vehicles: A Technology Review. IEEE J. Emerg. Sel. Top. Ind. Electron. 2020, 1, 80–90. [Google Scholar] [CrossRef]
- Barzkar, A.; Ghassemi, M. Electric Power Systems in More and All Electric Aircraft: A Review. IEEE Access 2020, 8, 169314–169332. [Google Scholar] [CrossRef]
- Yaramasu, V.; Wu, B.; Sen, P.C.; Kouro, S.; Narimani, M. High-Power Wind Energy Conversion Systems: State-of-the-Art and Emerging Technologies. Proc. IEEE 2015, 103, 740–788. [Google Scholar] [CrossRef]
- Sun, Y.; Xiong, W.; Su, M.; Li, X.; Dan, H.; Yang, J. Carrier-Based Modulation Strategies for Multimodular Matrix Converters. IEEE Trans. Ind. Electron. 2016, 63, 1350–1361. [Google Scholar] [CrossRef]
- Kitchenham, B.; Charters, S. Guidelines for Performing Systematic Literature Reviews in Software Engineering; Technical Report; Keele University: Newcastle, UK, 2007. [Google Scholar] [CrossRef]
- Khan, K.S.; Kunz, R.; Kleijnen, J.; Antes, G. Five steps to conducting a systematic review. J. R. Soc. Med. 2003, 96, 118–121. [Google Scholar] [CrossRef]
- Kitchenham, B.; Pearl Brereton, O.; Budgen, D.; Turner, M.; Bailey, J.; Linkman, S. Systematic literature reviews in software engineering—A Systematic Literature Review. Inf. Softw. Technol. 2009, 51, 7–15. [Google Scholar] [CrossRef]
- Murugesan, L.K.; Hoda, R.; Salcic, Z. Design criteria for visualization of energy consumption: A systematic literature review. Sustain. Cities Soc. 2015, 18, 1–12. [Google Scholar] [CrossRef]
- Wiechmann, E.P.; Garcia, A.R.; Salazar, L.D.; Rodriguez, J.R. High-performance direct-frequency converters controlled by predictive-current loop. IEEE Trans. Power Electron. 1997, 12, 547–557. [Google Scholar] [CrossRef]
- Xiong, W.; Sun, Y.; Lin, J.; Su, M.; Dan, H.; Rivera, M.; Guerrero, J.M. A Cost-Effective and Low-Complexity Predictive Control for Matrix Converters Under Unbalanced Grid Voltage Conditions. IEEE Access 2019, 7, 43895–43905. [Google Scholar] [CrossRef]
- García, C.; Rivera, M.; López, M.; Rodriguez, J.; Peńa, R.; Wheeler, P.W.; Espinoza, J.R. A simple current control strategy for a four-leg indirect matrix converter. IEEE Trans. Power Electron. 2015, 30, 2275–2287. [Google Scholar] [CrossRef]
- Han, H.; Li, Z.; Mao, Y.; Wang, H.; Dan, H.; Wen, M. A simple current control strategy for four-leg direct Matrix converter. In Proceedings of the 2015 Chinese Automation Congress, CAC 2015, Wuhan, China, 27–29 November 2015; pp. 2174–2179. [Google Scholar] [CrossRef]
- Rivera, M.; Munoz, J.; Baier, C.; Rodriguez, J.; Espinoza, J.; Yaramasu, V.; Wu, B.; Wheeler, P. A Simple Predictive Current Control of a Single-Phase Matrix Converter. In Proceedings of the IEEE 4th International Conference on Power Engineering, Energy and Electrical Drives, POWERENG 2013, Istanbul, Turkey, 13–17 May 2013; pp. 235–239. [Google Scholar]
- Maqueda, E.; Toledo, S.; Gregor, R.; Caballero, D.; Gavilán, F.; Rodas, J.; Rivera, M.; Wheeler, P. An assessment of predictive current control applied to the direct matrix converter based on SiC-MOSFET bidirectional switches. In Proceedings of the 2017 IEEE Southern Power Electronics Conference, SPEC 2017, Puerto Varas, Chile, 4–7 December 2017. [Google Scholar] [CrossRef]
- Qi, C.; Tu, P.; Shi, D.; Wang, P.; Zagrodnik, M.; Amit, G. An efficient FPGA-based implementation of predictive current control algorithms for an indirect matrix converter. In Proceedings of the 2016 IEEE 8th International Power Electronics and Motion Control Conference, IPEMC-ECCE Asia 2016, Hefei, China, 22–26 May 2016; pp. 2281–2288. [Google Scholar] [CrossRef]
- Mei, Y.; Wang, L.; Huang, W. An Improved Model Predictive Control Method for Induction Motor Drives Fed by Indirect Matrix Converter. In Proceedings of the 2018 IEEE International Power Electronics and Application Conference and Exposition, PEAC 2018, Shenzhen, China, 4–7 November 2018. [Google Scholar] [CrossRef]
- Rivera, M.; Toledo, S.; Wheeler, P. An indirect model predictive current control for a direct matrix converter with instantaneous reactive power minimization. In Proceedings of the 2017 IEEE Southern Power Electronics Conference, SPEC 2017, Puerto Varas, Chile, 4–7 December 2017; Volume 2017. [Google Scholar] [CrossRef]
- Vijayagopal, M.; Zanchetta, P.; Empringham, L.; de Lillo, L.; Tarisciotti, L.; Wheeler, P. Control of a Direct Matrix Converter with Modulated Model-Predictive Control. IEEE Trans. Ind. Appl. 2017, 53, 2342–2349. [Google Scholar] [CrossRef]
- Tang, Z.; Han, H.; Su, M.; Li, X.; Guo, B.; Wang, H. Current control for third-harmonic injection two-stage matrix converter under unbalanced input voltages. In Proceedings of the IECON 2017—43rd Annual Conference of the IEEE Industrial Electronics Society, Beijing, China, 29 October–1 November 2017; Volume 2017, pp. 7091–7096. [Google Scholar] [CrossRef]
- Saha, J.; Ayad, A.; Kennel, R. Direct model predictive current control for matrix converters. In Proceedings of the 2017 International Conference on Nascent Technologies in Engineering, ICNTE 2017, Navi Mumbai, India, 27–28 January 2017. [Google Scholar] [CrossRef]
- Che, R.; Zhao, Z.; Jiang, L.; Sun, Y.; Su, M. Enhancing the current quality of four-leg direct matrix converter under unbalanced loads. In Proceedings of the Chinese Control Conference, CCC, Chengdu, China, 27–29 July 2016; pp. 8765–8770. [Google Scholar] [CrossRef]
- Gulbudak, O.; Marquart, J.; Santi, E. FPGA-based model predictive current controller for 3 × 3 direct matrix converter. In Proceedings of the 2015 IEEE Energy Conversion Congress and Exposition, ECCE 2015, Montreal, QC, Canada, 20–24 September 2015; pp. 4307–4314. [Google Scholar] [CrossRef]
- Rivera, M.; Nasir, U.; Tarisciotti, L.; Wheeler, P. Indirect model predictive current control techniaues for a direct matrix converter. In Proceedings of the 2017 IEEE Urucon, Montevideo, Uruguay, 23–25 October 2017; pp. 1–4. [Google Scholar] [CrossRef]
- Liu, Y.Y.Y.; Liu, Y.Y.Y.; Ge, B.; Abu-Rub, H. Interactive Grid Interfacing System by Matrix-Converter-Based Solid State Transformer with Model Predictive Control. IEEE Trans. Ind. Inform. 2020, 16, 2533–2541. [Google Scholar] [CrossRef]
- Shadmand, M.B.; Mosa, M.; Balog, R.S.; Abu-Rub, H. Model predictive control of a capacitorless matrix converter-based STATCOM. IEEE J. Emerg. Sel. Top. Power Electron. 2017, 5, 796–808. [Google Scholar] [CrossRef]
- Liu, Y.; Liu, Y.; Abu-Rub, H.; Ge, B.; Balog, R.S.; Xue, Y. Model predictive control of a matrix-converter based solid state transformer for utility grid interaction. In Proceedings of the ECCE 2016—IEEE Energy Conversion Congress and Exposition, Milwaukee, WI, USA, 18–22 September 2016; pp. 1–6. [Google Scholar] [CrossRef]
- Ahmed, H.; Bhattacharya, A. Model Predictive Control of DMC based SST. In Proceedings of the 2019 IEEE Region 10 Symposium, TENSYMP 2019, Kolkata, India, 7–9 June 2019; pp. 836–841. [Google Scholar] [CrossRef]
- Liu, Y.; Liu, Y.; Abu-Rub, H.; Ge, B. Model predictive control of matrix converter based solid state transformer. In Proceedings of the IEEE International Conference on Industrial Technology, Taipei, Taiwan, 14–17 March 2016; pp. 1248–1253. [Google Scholar] [CrossRef]
- Mora, A.; Espinoza, M.; Diaz, M.; Cardenas, R. Model Predictive Control of Modular Multilevel Matrix Converter. In Proceedings of the IEEE International Symposium on Industrial Electronics, Buzios, Brazil, 3–5 June 2015; pp. 1074–1079. [Google Scholar] [CrossRef]
- Kim, K.Y.; Bak, Y.; Lee, K.B. Model predictive current control for a PMSM fed by an indirect matrix converter with torque ripple reduction. In Proceedings of the IEEE Applied Power Electronics Conference and Exposition APEC, Anaheim, CA, USA, 17–21 March 2019; pp. 1891–1896. [Google Scholar] [CrossRef]
- Elizondo, J.L.; Olloqui, A.; Rivera, M.; Macias, M.E.; Probst, O.; Micheloud, O.M.; Rodriguez, J. Model-Based Predictive Rotor Current Control for Grid Synchronization of a DFIG Driven by an Indirect Matrix Converter. IEEE J. Emerg. Sel. Top. Power Electron. 2014, 2, 715–726. [Google Scholar] [CrossRef]
- Tarisciotti, L.; Lei, J.; Formentini, A.; Trentin, A.; Zanchetta, P.; Wheeler, P.; Rivera, M. Modulated Predictive Control for Indirect Matrix Converter. IEEE Trans. Ind. Appl. 2017, 53, 4644–4654. [Google Scholar] [CrossRef]
- Toledo, S.; Gregor, R.; Rivera, M.; Rodas, J.; Gregor, D.; Caballero, D.; Gavilán, F.; Maqueda, E. Multi-modular matrix converter topology applied to distributed generation systems. In Proceedings of the 8th IET International Conference on Power Electronics, Machines and Drives (PEMD 2016), Glasgow, UK, 19–21 April 2016; pp. 1–6. [Google Scholar] [CrossRef]
- Rojas, C.; Rivera, M.; Rodriguez, J.; Wilson, A.; Espinoza, J.; Villarroel, F.; Wheeler, P. Predictive control of a direct matrix converter operating under an unbalanced AC source. In Proceedings of the IEEE International Symposium on Industrial Electronics, Bari, Italy, 4–7 July 2010; pp. 3159–3164. [Google Scholar] [CrossRef]
- Vargas, R.; Rodríguez, J.; Rojas, C.; Wheeler, P. Predictive current control applied to a matrix converter: An assessment with the direct transfer function approach. In Proceedings of the IEEE International Conference on Industrial Technology, Vina del Mar, Chile, 14–17 March 2010; pp. 1832–1838. [Google Scholar] [CrossRef]
- Lee, E.; Lee, K.B.; Lim, J.S.; Lee, Y.; Song, J.H. Predictive current control for a sparse matrix converter. In Proceedings of the 2012 IEEE 7th International Power Electronics and Motion Control Conference—ECCE Asia, IPEMC 2012, Harbin, China, 2–5 June 2012; pp. 36–40. [Google Scholar] [CrossRef]
- Toledo, S.; Rivera, M.; Gregor, R.; Rodas, J.; Comparatore, L. Predictive current control with reactive power minimization in six-phase wind energy generator using multi-modular direct matrix converter. In Proceedings of the 2016 IEEE ANDESCON, Arequipa, Peru, 19–21 October 2016; pp. 1–4. [Google Scholar] [CrossRef]
- Gontijo, G.F.; Tricarico, T.C.; Franca, B.W.; da Silva, L.F.; van Emmerik, E.L.; Aredes, M. Robust Model Predictive Rotor Current Control of a DFIG Connected to a Distorted and Unbalanced Grid Driven by a Direct Matrix Converter. IEEE Trans. Sustain. Energy 2019, 10, 1380–1392. [Google Scholar] [CrossRef]
- Gulbudak, O.; Santi, E. A predictive control scheme for a dual output indirect matrix converter. In Proceedings of the IEEE Applied Power Electronics Conference and Exposition—APEC 2015, Charlotte, NC, USA, 15–19 March 2015; pp. 2828–2834. [Google Scholar] [CrossRef]
- Mei, Y.; Yi, G. A Self-tuning Method of Weighting Factor in Model Prediction Control for Indirect Matrix Converter with Induction Motor System. In Proceedings of the 2019 22nd International Conference on Electrical Machines and Systems, ICEMS 2019, Harbin, China, 11–14 August 2019; pp. 1–5. [Google Scholar] [CrossRef]
- Rivera, M.; Contreras, I.; Rodriguez, J.; Peña, R.; Wheeler, P. A simple current control method with instantaneous reactive power minimization for four-leg indirect matrix converters. In Proceedings of the 2011 14th European Conference on Power Electronics and Applications, EPE 2011, Birmingham, UK, 30 August 2011. [Google Scholar]
- Rivera, M.; Rodriguez, J.; Wu, B.; Espinoza, J.R.; Rojas, C.A. Current Control for an Indirect Matrix Converter With Filter Resonance Mitigation. IEEE Trans. Ind. Electron. 2012, 59, 71–79. [Google Scholar] [CrossRef]
- Rivera, M.; Vargas, R.; Espinoza, J.; Rodríguez, J.; Wheeler, P.; Silva, C. Current control in matrix converters connected to polluted AC voltage supplies. In Proceedings of the PESC Record—IEEE Annual Power Electronics Specialists Conference, Rhodes, Greece, 15–19 June 2008; pp. 412–417. [Google Scholar] [CrossRef]
- Basri, H.; Lias, K.; Mekhilef, S. Digital Predictive Current Control Fed by Three-Level Indirect Matrix Converter under Unbalanced Power Supply Condition. In Proceedings of the 2019 International UNIMAS STEM 12th Engineering Conference, EnCon 2019, Kuching, Malaysia, 28–29 August 2019; pp. 34–39. [Google Scholar] [CrossRef]
- Vijayagopal, M.; Silva, C.; Empringham, L.; De Lillo, L. Direct Predictive Current-Error Vector Control for a Direct Matrix Converter. IEEE Trans. Power Electron. 2019, 34, 1925–1935. [Google Scholar] [CrossRef]
- Basri, H.M.; Mekhilef, S. Experimental evaluation of model predictive current control for a modified three-level fourleg indirect matrix converter. IET Electr. Power Appl. 2018, 12, 114–123. [Google Scholar] [CrossRef]
- Song, W.; Du, X.; Liu, J.; Wheeler, P.; Wang, Y.Y.; Gao, D. Fault Tolerant Model Predictive Control for Indirect Matrix Converter with Fault Identification. In Proceedings of the 2018 IEEE International Power Electronics and Application Conference and Exposition, PEAC 2018, Shenzhen, China, 4–7 November 2018; pp. 1–6. [Google Scholar] [CrossRef]
- Mir, T.N.; Singh, B.; Bhat, A.H. Improvised multi-objective model predictive control of matrix converter using fuzzy logic and space vectors for switching decisions. IET Power Electron. 2020, 13, 758–764. [Google Scholar] [CrossRef]
- Rivera, M.; Toledo, S.; Baier, C.; Tarisciotti, L.; Wheeler, P.; Verne, S. Indirect predictive control techniques for a matrix converter operating at fixed switching frequency. In Proceedings of the 2017 IEEE International Symposium on Predictive Control of Electrical Drives and Power Electronics (PRECEDE), Novi Sad, Serbia, 19–21 October 2017; pp. 13–18. [Google Scholar] [CrossRef]
- Rivera, M.; Rodriguez, J.; Espinoza, J.R.; Abu-Rub, H. Instantaneous Reactive Power Minimization and Current Control for an Indirect Matrix Converter Under a Distorted AC Supply. IEEE Trans. Ind. Inform. 2012, 8, 482–490. [Google Scholar] [CrossRef]
- Rivera, M.; Rojas, C.; Rodriguez, J.; Espinoza, J. Methods of source current reference generation for predictive control in a direct matrix converter. IET Power Electron. 2013, 6, 894–901. [Google Scholar] [CrossRef]
- Song, W.Z.; Liu, J.; Gao, D.Q.; Wu, F.J.; Wang, Y.Y. Model predictive control for reduced matrix converter with transformer DC magnetic bias suppression. J. Eng.-JOE 2018, 1, 642–649. [Google Scholar] [CrossRef]
- Guo, Y.; Yang, B.; Li, C.; Deng, W.; Frede, B. Model predictive current control of active distribution transformer with consideration of its stability analysis based on AC-AC Matrix converter. In Proceedings of the 2019 IEEE Energy Conversion Congress and Exposition, ECCE 2019, Baltimore, MD, USA, 29 September 2019; pp. 5417–5423. [Google Scholar] [CrossRef]
- Correa, P.; Rodriguez, J.; Rivera, M.; Espinoza, J.R.; Kolar, J.W. Predictive Control of an Indirect Matrix Converter. IEEE Trans. Ind. Electron. 2009, 56, 1847–1853. [Google Scholar] [CrossRef]
- Vargas, R.; Rodriguez, J.; Ammann, U.; Wheeler, P.W. Predictive Current Control of an Induction Machine Fed by a Matrix Converter With Reactive Power Control. IEEE Trans. Ind. Electron. 2008, 55, 4362–4371. [Google Scholar] [CrossRef]
- Garcia, C.F.; Rivera, M.E.; Rodriguez, J.R.; Wheeler, P.W.; Pena, R.S. Predictive Current Control with Instantaneous Reactive Power Minimization for a Four-Leg Indirect Matrix Converter. IEEE Trans. Ind. Electron. 2017, 64, 922–929. [Google Scholar] [CrossRef]
- Roostaee, M.; Eskandari, B.; Azizi, M.R. Predictive current control with modification of instantaneous reactive power minimization for direct matrix converter. In Proceedings of the 9th Annual International Power Electronics, Drive Systems, and Technologies Conference, PEDSTC 2018, Tehran, Iran, 13–15 February 2018; Volume 2018, pp. 199–205. [Google Scholar] [CrossRef]
- Rodriguez, J.; Kolar, J.; Espinoza, J.; Rivera, M.; Rojas, C. Predictive current control with reactive power minimization in an indirect matrix converter. In Proceedings of the IEEE International Conference on Industrial Technology, Via del Mar, Chile, 14–17 March 2010; pp. 1839–1844. [Google Scholar] [CrossRef]
- Gambôa, P.; Pinto, S.F.; Silva, J.F.; Margato, E. Predictive Optimal Control of Input and Output Currents in Matrix Converters. In Proceedings of the POWERENG 2007, Setubal, Portugal, 12–14 April 2007; pp. 529–533. [Google Scholar]
- Gambôa, P.; Pinto, S.F.; Silva, J.F.; Margato, E. Predictive optimal control of unity-power-factor matrix converters used in field oriented controlled induction motor drives. In Proceedings of the IEEE International Symposium on Industrial Electronics, Vigo, Spain, 4–7 June 2007; pp. 1334–1339. [Google Scholar] [CrossRef]
- Gambôa, P.; Silva, J.F.; Pinto, S.F.; Margato, E. Predictive optimal matrix converter control for a dynamic voltage restorer with flywheel energy storage. In Proceedings of the IECON Proceedings (Industrial Electronics Conference), Porto, Portugal, 3–5 November 2009; pp. 759–764. [Google Scholar] [CrossRef]
- Rodriguez, J.; Kolar, J.; Espinoza, J.; Rivera, M.; Rojas, C. Predictive torque and flux control of an induction machine fed by an indirect matrix converter with reactive power minimization. In Proceedings of the IEEE International Symposium on Industrial Electronics, Bari, Italy, 4–7 July 2010; pp. 3177–3183. [Google Scholar] [CrossRef]
- Liu, Y.; Wang, W.; Liu, Y.; Bayhan, S. Real-time implementation of finite control set model predictive control for matrix converter based solid state transformer. Int. J. Hydrog. Energy 2017, 42, 17976–17983. [Google Scholar] [CrossRef]
- Fedyczak, Z.; Tadra, G.; Szczesniak, P.; Klytta, M. Study of the current source matrix converter using model predictive control in AC drive system. In Proceedings of the 2016 International Symposium on Power Electronics, Electrical Drives, Automation and Motion, SPEEDAM 2016, Capri, Italy, 22–24 June 2016; pp. 912–917. [Google Scholar] [CrossRef]
- Madaci, M.; Kerdoun, D.; Cherfia, N. MPC-DTC indirect matrix converter with switches optimization and FPGA based control technique implementation for crane mechanical system. In Proceedings of the 4th International Conference on Control Engineering and Information Technology, CEIT 2016, Hammamet, Tunisia, 16–18 December 2016; pp. 16–18. [Google Scholar] [CrossRef]
- Zhang, G.; Yang, J.; Sun, Y.; Su, M.; Zhu, Q.; Blaabjerg, F. A Predictive-Control-Based Over-Modulation Method for Conventional Matrix Converters. IEEE Trans. Power Electron. 2018, 33, 3631–3643. [Google Scholar] [CrossRef]
- Abdel-Rahim, O.; Ali, Z. Control of seven-to-three phase Direct Matrix Converter using Model Predictive control for multiphase wind generation. In Proceedings of the International Conference on Harmonics and Quality of Power, ICHQP, Bucharest, Romania, 25–28 May 2014; pp. 199–203. [Google Scholar] [CrossRef]
- Rivera, M.; Rodriguez, J.; Espinoza, J.R.; Friedli, T.; Kolar, J.W.; Wilson, A.; Rojas, C.A. Imposed Sinusoidal Source and Load Currents for an Indirect Matrix Converter. IEEE Trans. Ind. Electron. 2012, 59, 3427–3435. [Google Scholar] [CrossRef]
- Ahmed, S.M.; Abu-Rub, H.; Salam, Z. Model Predictive Control of a Direct Three-to-Seven Phase Matrix Converter. In Proceedings of the 2014 IEEE Energy Conversion Congress and Exposition, ECCE 2014, Pittsburgh, PA, USA, 14–18 September 2014; pp. 1059–1063. [Google Scholar] [CrossRef]
- Abdel-Rahim, O.; Funato, H.; Abu-Rub, H.; Ellabban, O. Multiphase Wind Energy generation with direct matrix converter. In Proceedings of the IEEE International Conference on Industrial Technology, Busan, Korea (South), 26 February–1 March 2014; pp. 519–523. [Google Scholar] [CrossRef]
- Abdel-Rahim, O.; Abu-Rub, H.; Kouzou, A. Nine-to-Three Phase Direct Matrix Converter with Model Predictive Control for Wind Generation System. Energy Procedia 2013, 42, 173–182. [Google Scholar] [CrossRef]
- Kara, Z.; Barra, K.; Cherif, A.Y. Predictive algorithm for matrix converter control in wind energy conversion system based DFIG. In Proceedings of the 2018 9th International Renewable Energy Congress (IREC) 2018, Hammamet, Tunisia, 20–22 March 2018; Volume 1, pp. 1–6. [Google Scholar] [CrossRef]
- Rodriguez, J.; Espinoza, J.; Rivera, M.; Villarroel, F.; Rojas, C. Predictive control of source and load currents in a direct matrix converter. In Proceedings of the IEEE International Conference on Industrial Technology, Viña del Mar, Chile, 14–17 March 2010; pp. 1826–1831. [Google Scholar] [CrossRef]
- Feng, S.; Wei, C.; Lei, J. Reduction of prediction errors for the matrix converter with an improved model predictive control. Energies 2019, 12, 3029. [Google Scholar] [CrossRef]
- Ortatepe, Z.; Karaarslan, A. Source current quality improvement of finite control set model predictive control-based matrix converter under distorted source voltage conditions. Int. Trans. Electr. Energy Syst. 2020, 1, 1–19. [Google Scholar] [CrossRef]
- Lei, J.; Feng, S.; Wheeler, P.; Zhou, B.; Zhao, J. Steady-State Error Suppression and Simplified Implementation of Direct Source Current Control for Matrix Converter With Model Predictive Control. IEEE Trans. Power Electron. 2020, 35, 3183–3194. [Google Scholar] [CrossRef]
- Rivera, M.; Rodríguez, J.; Wheeler, P.W.; Rojas, C.A.; Wilson, A.; Espinoza, J.R. Control of a matrix converter with imposed sinusoidal source currents. IEEE Trans. Ind. Electron. 2012, 59, 1939–1949. [Google Scholar] [CrossRef]
- Rivera, M.; Muñoz, J.; Wheeler, P.; Xu, L. Indirect Model Predictive Control Strategies for a Direct Matrix Converter with Mitigation of Input Filter Resonances. In Proceedings of the IEEE PEDS 2017, Honolulu, HI, USA, 12–15 December 2017; pp. 2370–2376. [Google Scholar] [CrossRef]
- Rivera, M.; Correa, P.; Rodríguez, J.; Lizama, I.; Espinoza, J. Predictive control of the indirect matrix converter with active damping. In Proceedings of the 2009 IEEE 6th International Power Electronics and Motion Control Conference IPEMC ’09, Wuhan, China, 17–20 May 2009; Volume 3, pp. 1738–1744. [Google Scholar] [CrossRef]
- Rivera, M.; Correa, P.; Rodriguez, J.; Lizama, I.; Espinoza, J.; Rojas, C. Predictive control with active damping in a Direct Matrix Converter. In Proceedings of the 2009 IEEE Energy Conversion Congress and Exposition, ECCE 2009, San Jose, CA, USA, 20–24 September 2009; pp. 3057–3062. [Google Scholar] [CrossRef]
- Rivera, M.; Member, S.; Rojas, C.; Wheeler, P.; Wu, B.; Espinoza, J. Resonance Mitigation for a Direct Matrix Converter. IEEE Trans. Power Electron. 2011, 26, 2794–2803. [Google Scholar] [CrossRef]
- Wang, L.; Dan, H.; Zhao, Y.; Zhu, Q.; Peng, T.; Sun, Y.; Wheeler, P. A finite control set model predictive control method for matrix converter with zero common-mode voltage. IEEE J. Emerg. Sel. Top. Power Electron. 2018, 6, 327–338. [Google Scholar] [CrossRef]
- Uddin, M.; Mirzaeva, G.; Goodwin, G. Model Predictive Control of Direct Matrix Converter with Common Mode Voltage Elimination. In Proceedings of the 2018 IEEE 4th Southern Power Electronics Conference SPEC 2018, Singapore, 10–13 December 2018; Volume 1, pp. 1–7. [Google Scholar] [CrossRef]
- Vargas, R.; Ammann, U.; Rodriguez, J.; Pontt, J. Predictive strategy to control common-mode voltage in loads fed by matrix converters. IEEE Trans. Ind. Electron. 2008, 55, 4372–4380. [Google Scholar] [CrossRef]
- Gulbudak, O.; Santi, E. FPGA-Based Model Predictive Controller for Direct Matrix Converter. IEEE Trans. Ind. Electron. 2016, 63, 4560–4570. [Google Scholar] [CrossRef]
- Vargas, R.; Ammann, U.; Rodriguez, J. Predictive Approach to Increase Efficiency and Reduce Switching Losses on Matrix Converters. IEEE Trans. Power Electron. 2009, 24, 894–902. [Google Scholar] [CrossRef]
- Abdel-Rahim, O.; Ellabban, O.; Abu-Rub, H. Predictive Torque Control of an induction motor fed by five-to-three direct matrix converter. In Proceedings of the IECON Proceedings (Industrial Electronics Conference), Dallas, TX, USA, 29 October–1 November 2014; pp. 800–804. [Google Scholar] [CrossRef]
- Yang, M.; Lisha, C.; Wang, L.; Li, Y. A Model Predictive Dual Current Control Method for Indirect Matrix Converter Fed Induction Motor Drives. In Proceedings of the 2018 International Power Electronics Conference, IPEC-Niigata—ECCE Asia 2018, Niigata, Japan, 20–24 May 2018; pp. 3958–3964. [Google Scholar] [CrossRef]
- Gulbudak, O.; Gokdag, M. Model Predictive Control of Two Separate Induction Machines using Dual-Output Indirect Matrix Converter. In Proceedings of the 2019 IEEE 1st Global Power, Energy and Communication Conference, GPECOM 2019, Nevsehir, Turkey, 12–15 June 2019; pp. 194–199. [Google Scholar] [CrossRef]
- Uddin, M.; Mekhilef, S.; Mubin, M.; Rivera, M.; Rodriguez, J. Model predictive torque ripple reduction with weighting factor optimization fed by an indirect matrix converter. Electr. Power Components Syst. 2014, 42, 1059–1069. [Google Scholar] [CrossRef]
- López, M.; Rivera, M.; García, C.; Rodriguez, J.; Peña, R.; Espinoza, J.; Wheeler, P. Predictive control of two parallel induction machines fed by a six-leg indirect matrix converter under an unbalanced ac-supply. In Proceedings of the SLED/PRECEDE 2013—2013 IEEE International Symposium on Sensorless Control for Electrical Drives and Predictive Control of Electrical Drives and Power Electronics, Munich, Germany, 17–19 October 2013; pp. 1–6. [Google Scholar] [CrossRef]
- López, M.; Rodriguez, J.; Silva, C.; Rivera, M. Predictive Torque Control of a Multidrive System Fed by a Dual Indirect Matrix Converter. IEEE Trans. Ind. Electron. 2015, 62, 2731–2741. [Google Scholar] [CrossRef]
- Bayhan, S.; Kakosimos, P.; Rivera, M. Predictive torque control of brushless doubly fed induction generator fed by a matrix converter. In Proceedings of the 2018 IEEE 12th International Conference on Compatibility, Power Electronics and Power Engineering, CPE-POWERENG 2018, Doha, Qatar, 10–12 April 2018; pp. 1–6. [Google Scholar] [CrossRef]
- Ortega, C.; Arias, A.; Espina, J. Predictive vector selector for direct torque control of matrix converter fed induction motors. In Proceedings of the IECON Proceedings (Industrial Electronics Conference), Porto, Portugal, 3–5 November 2009; pp. 1240–1245. [Google Scholar] [CrossRef][Green Version]
- Kannan, S.; Prabha, S.U.; Chinnaiya, S. Torque ripple minimization of Matrix Converter-fed PMSM drives using Model Predictive Torque Control. In Proceedings of the 2015 IEEE 9th International Conference on Intelligent Systems and Control ISCO 2015, Coimbatore, India, 9–10 January 2015; pp. 1–9. [Google Scholar] [CrossRef]
- Siami, M.; Khaburi, D.A.; Rivera, M.; Rodríguez, J. A Computationally Efficient Lookup Table Based FCS-MPC for PMSM Drives Fed by Matrix Converters. IEEE Trans. Ind. Electron. 2017, 64, 7645–7654. [Google Scholar] [CrossRef]
- Muslem Uddin, S.M.; Mekhilef, S.; Rivera, M.; Rodriguez, J. A FCS-MPC of an induction motor fed by indirect matrix converter with unity power factor control. In Proceedings of the 2013 IEEE 8th Conference on Industrial Electronics and Applications, ICIEA 2013, Melbourne, VIC, Australia, 19–21 June 2013; pp. 1769–1774. [Google Scholar] [CrossRef]
- Mei, Y.; Chen, L.; Wang, S. A novel ZCC-MPC strategy with the input voltage observation for the induction motor drive system fed by an indirect matrix converter. In Proceedings of the IECON 2017—43rd Annual Conference of the IEEE Industrial Electronics Society, Beijing, China, 29 October–1 November 2017; Volume 2017, pp. 8732–8737. [Google Scholar] [CrossRef]
- Mei, Y.; Huang, W.; Chen, L. An Improved Model Predictive Dual Current Control Method for Indirect Matrix Converter Fed Induction Motor Drives. In Proceedings of the 2018 IEEE Energy Conversion Congress and Exposition, ECCE 2018, Portland, OR, USA, 23–27 September 2018; pp. 554–559. [Google Scholar] [CrossRef]
- Mei, Y.; Wang, L.; Huang, W.; Niu, S. An Improved Zero Current Commutation Model Predictive Torque Control Method for the Induction Motor Drives Fed by Indirect Matrix Converter. In Proceedings of the ICEMS 2018—2018 21st International Conference on Electrical Machines and Systems, Jeju, Korea, 7–10 October 2018; pp. 1476–1480. [Google Scholar] [CrossRef]
- Uddin, M.; Mirzaeva, G.; Goodwin, G.; Stepien, P.; Zanchetta, P.; Wheeler, P. Common mode voltage elimination in industrial AC-AC converters based on model predictive control. In Proceedings of the 2018 IEEE Industry Applications Society Annual Meeting, IAS 2018, Portland, OR, USA, 23–27 September 2018. [Google Scholar] [CrossRef]
- Rivera, M.; Rodriguez, J.; Lopez, M.; Espinoza, J. Control of an induction machine fed by an indirect matrix converter with unity displacement power factor operating with an unbalanced AC-supply. In Proceedings of the 15th International Power Electronics and Motion Control Conference and Exposition, EPE-PEMC 2012 ECCE Europe, Novi Sad, Serbia, 4–6 September 2012; pp. 1–8. [Google Scholar] [CrossRef]
- Zakaria, L.; Barra, K. Predictive Direct Torque and Flux Control of an induction motor drive fed by a Direct Matrix Converter with reactive power minimization. In Proceedings of the 2013 10th IEEE International Conference on Networking, Sensing and Control, ICNSC 2013, Evry, France, 10–12 April 2013; pp. 34–39. [Google Scholar] [CrossRef]
- Siami, M.; Savadkoohi, H.K.; Abbaszadeh, A.; Khaburi, D.A.; Rodriguez, J.; Rivera, M. Predictive torque control of a permanent magnet synchronous motor fed by a matrix converter without weighting factor. In Proceedings of the 7th Power Electronics, Drive Systems and Technologies Conference, PEDSTC 2016, Tehran, Iran, 16–18 February 2016; pp. 614–619. [Google Scholar] [CrossRef]
- Vargas, R.; Ammann, U.; Hudoffsky, B.; Rodriguez, J.; Wheeler, P.W. Predictive Torque Control of an Induction Machine Fed by a Matrix Converter With Reactive Input Power Control. IEEE Trans. Power Electron. 2010, 25, 1426–1438. [Google Scholar] [CrossRef]
- Vargas, R.; Rivera, M.; Rodríguez, J.; Espinoza, J.; Wheeler, P. Predictive torque control with input PF correction applied to an induction machine fed by a matrix converter. In Proceedings of the PESC Record—IEEE Annual Power Electronics Specialists Conference, Rhodes, Greece, 15–19 June 2008; pp. 9–14. [Google Scholar] [CrossRef]
- Vargas, R.; Rivera, M.; Rodriguez, J.; Wheeler, P. Torque and Flux Control of an Induction Machine Fed by a Matrix Converter Under Unbalanced AC Supply with Reactive Power Minimization. In Proceedings of the 2015 CHILEAN Conference on Electrical, Electronics Engineering, Information and Communication Technologies (CHILECON), Santiago, Chile, 28–30 October 2015; pp. 441–446. [Google Scholar] [CrossRef]
- Vargas, R.; Rodriguez, J.; Rojas, C.A.; Rivera, M. Predictive Control of an Induction Machine Fed by a Matrix Converter with Increased Efficiency and Reduced Common-Mode Voltage. IEEE Trans. Energy Convers. 2014, 29, 473–485. [Google Scholar] [CrossRef]
- Toledo, S.; Rivera, M.; Wheeler, P.; Dragicevic, T.; Caballero, D.; Gregor, R.; Maqueda, E.; Gavilan, F. Active and reactive power control based on an inner predictive voltage control loop for AC generation systems with direct matrix converter. In Proceedings of the 2019 IEEE International Autumn Meeting on Power, Electronics and Computing, ROPEC 2019, Ixtapa, Mexico, 13–15 November 2019; pp. 1–6. [Google Scholar] [CrossRef]
- Toledo, S.; Ayala, M.; Maqueda, E.; Gregor, R.; Renault, A.; Rivera, M.; Dragicevic, T.; Wheeler, P. Active and reactive power control based on predictive voltage control in a six-phase generation system using modular matrix converters. In Proceedings of the IEEE International Conference on Industrial Technology, Buenos Aires, Argentina, 26–28 February 2020; Volume 1, pp. 1059–1065. [Google Scholar] [CrossRef]
- Szcześniak, P.; Tadra, G.; Kaniewski, J.; Fedyczak, Z. Model predictive control algorithm of AC voltage stabilizer based on hybrid transformer with a matrix converter. Electr. Power Syst. Res. 2019, 170, 222–228. [Google Scholar] [CrossRef]
- Szcześniak, P.; Tadra, G.; Fedyczak, Z. Model predictive control of hybrid transformer with matrix converter. Acta Polytech. Hung. 2020, 17, 25–40. [Google Scholar] [CrossRef]
- Yusoff, S.; De Lillo, L.; Zanchetta, P.; Wheeler, P.; Cortés, P.; Rodríguez, J. Predictive control of a direct AC/AC matrix converter for power supply applications. IET Conf. Publ. 2012, 2012, 92. [Google Scholar] [CrossRef]
- Yusoff, S.; De Lillo, L.; Zanchetta, P.; Wheeler, P. Predictive Control of a direct AC/AC matrix converter power supply under non-linear load conditions. In Proceedings of the 15th International Power Electronics and Motion Control Conference and Exposition, EPE-PEMC 2012 ECCE Europe, Novi Sad, Serbia, 4–6 September 2012; pp. 1–6. [Google Scholar] [CrossRef]
- Yusoff, S.H.; Midi, N.S.; Khan, S.; Tohtayong, M. Predictive control of AC/AC matrix converter. Int. J. Power Electron. Drive Syst. 2017, 8, 1932–1942. [Google Scholar] [CrossRef]
- Zhang, J.; Li, L.; Dorrell, D.G.; Norambuena, M.; Rodriguez, J. Predictive Voltage Control of Direct Matrix Converters with Improved Output Voltage for Renewable Distributed Generation. IEEE J. Emerg. Sel. Top. Power Electron. 2019, 7, 296–308. [Google Scholar] [CrossRef]
- Petrowitsch, P.; Rivera, M.; Rodriguez, J.; Olloqui, A.; Elizondo, J.L.; Macias, M.; Micheloud, O.; Espinoza, J.; Wheeler, P.; Zanchetta, P. Predictive voltage control with imposed source current waveforms in an indirect matrix converter. In Proceedings of the IECON Proceedings (Industrial Electronics Conference), Vienna, Austria, 10–13 November 2013; pp. 4907–4912. [Google Scholar] [CrossRef]
- Rivera, M.; Rodriguez, J.; Espinoza, J.; Olloqui, A.; Wheeler, P.; Zanchetta, P.; Baier, C.; Munoz, J. Two predictive control techniques for output voltage control and improvement of the source currents in an indirect matrix converter. In Proceedings of the IEEE International Symposium on Industrial Electronics, Istanbul, Turkey, 1–4 June 2014; pp. 1420–1426. [Google Scholar] [CrossRef]
- Zhang, J.; Li, L.; Dorrell, D.G.; Rodriguez, J.; Norambuena, M. Investigation of Grid-Connected and Islanded Direct Matrix Converter for Renewable Microgrid Applications with Model Predictive Control. In Proceedings of the 2018 IEEE Energy Conversion Congress and Exposition, ECCE 2018, Portland, OR, USA, 23–27 September 2018; pp. 3777–3783. [Google Scholar] [CrossRef]
- Jongudomkarn, J.; Liu, J.; Yanagisawa, Y.; Bevrani, H.; Ise, T. Model Predictive Control for Indirect Boost Matrix Converter Based on Virtual Synchronous Generator. IEEE Access 2020, 8, 60364–60381. [Google Scholar] [CrossRef]
- Liu, Y.; Liang, W.; Ge, B.; Abu-Rub, H.; Nie, N. Quasi-Z-Source Three-to-Single-Phase Matrix Converter and Ripple Power Compensation Based on Model Predictive Control. IEEE Trans. Ind. Electron. 2018, 65, 5146–5156. [Google Scholar] [CrossRef]
- Mubarok, M.S.; Liu, T.H.H. Implementation of Predictive Controllers for Matrix-Converter-Based Interior Permanent Magnet Synchronous Motor Position Control Systems. IEEE J. Emerg. Sel. Top. Power Electron. 2019, 7, 261–273. [Google Scholar] [CrossRef]
- Formentini, A.; Trentin, A.; Marchesoni, M.; Zanchetta, P.; Wheeler, P. machine. IEEE Trans. Ind. Electron. 2015, 62, 6786–6796. [Google Scholar] [CrossRef]
- Vijayagopal, M.; Empringham, L.; De Lillo, L.; Tarisciotti, L.; Zanchetta, P.; Wheeler, P. Control of a direct matrix converter induction motor drive with modulated model predictive control. In Proceedings of the 2015 IEEE Energy Conversion Congress and Exposition, ECCE 2015, Valparaiso, Chile, 5–6 October 2015; pp. 4315–4321. [Google Scholar] [CrossRef]
- Rivera, M.; Nikolic, A.; Tarisciotti, L.; Wheeler, P. Indirect model predictive control strategies with input filter resonance mitigation for a matrix converter operating at fixed switching frequency. In Proceedings of the 19th International Symposium on Power Electronics, Ee 2017, Novi Sad, Serbia, 19–21 October 2017; pp. 1–6. [Google Scholar] [CrossRef]
- Rivera, M.; Tarisciotti, L.; Wheeler, P. Indirect model predictive control with imposed sinusoidal source currents for a Direct Matrix Converter Working at fixed switching frequency. In Proceedings of the 2017 IEEE Southern Power Electronics Conference, SPEC 2017, Puerto Varas, Chile, 4–7 December 2017; Volume 2018, pp. 1–6. [Google Scholar] [CrossRef]
- Villarroel, F.; Espinoza, J.; Rojas, C.; Molina, C.; Espinosa, E. A multiobjective ranking based finite states model predictive control scheme applied to a direct matrix converter. In Proceedings of the IECON Proceedings (Industrial Electronics Conference), Glendale, AZ, USA, 7–10 November 2010; pp. 2941–2946. [Google Scholar] [CrossRef]
- Rivera, M.; Uribe, C.; Tarisciotti, L.; Wheeler, P.; Zanchetta, P. Predictive control of an indirect matrix converter operating at fixed switching frequency and unbalanced AC-supply. In Proceedings of the 2015 IEEE International Symposium on Predictive Control of Electrical Drives and Power Electronics, PRECEDE 2015, Valparaiso, Chile, 5–6 October 2015; pp. 38–43. [Google Scholar] [CrossRef]
- Rivera, M.; Tarisciotti, L.; Wheeler, P.; Zanchetta, P. Predictive control of an indirect matrix converter operating at fixed switching frequency and without weighting factors. In Proceedings of the IEEE International Symposium on Industrial Electronics, Buzios, Brazil, 3–5 June 2015; Volume 2015, pp. 1027–1033. [Google Scholar] [CrossRef]
- Wijekoon, T.; Klumpner, C.; Zanchetta, P.; Wheeler, P.W. Implementation of a hybrid AC-AC direct power converter with unity voltage transfer. IEEE Trans. Power Electron. 2008, 23, 1918–1926. [Google Scholar] [CrossRef]
- Lei, J.; Tarisciotti, L.; Trentin, A.; Zanchetta, P.; Wheeler, P.; Formentini, A. Fixed frequency finite-state model predictive control for indirect matrix converters with optimal switching pattern. In Proceedings of the ECCE 2016—IEEE Energy Conversion Congress and Exposition, Milwaukee, WI, USA, 18–22 September 2016; pp. 1–8. [Google Scholar] [CrossRef]
- Rivera, M.; Amirbande, M.; Vahedi, A.; Tarisciotti, L.; Wheeler, P. Fixed frequency model predictive control with active damping for an indirect matrix converter. In Proceedings of the 2017 CHILEAN Conference on Electrical, Electronics Engineering, Information and Communication Technologies, CHILECON 2017, Pucon, Chile, 18–20 October 2017; Volume 2017, pp. 1–6. [Google Scholar] [CrossRef]
- Rivera, M.; Dan, H.; Tarisciotti, L.; Wheeler, P. Indirect model predictive control strategy with active damping implementation for a direct matrix converter operating at fixed switching frequency. In Proceedings of the 2017 CHILEAN Conference on Electrical, Electronics Engineering, Information and Communication Technologies (CHILECON), Pucon, Chile, 18–20 October 2017; pp. 1–6. [Google Scholar]
- Rivera, M.; Di, Z.; Zhang, J.; Wheeler, P. Indirect predictive control strategy with mitigation of input filter resonances for a direct matrix converter. In Proceedings of the 2017 CHILEAN Conference on Electrical, Electronics Engineering, Information and Communication Technologies, CHILECON 2017, Pucon, Chile, 18–20 October 2017; Volume 2017, pp. 1–6. [Google Scholar] [CrossRef]
- Di, Z.; Rivera, M.; Dan, H.; Tarisciotti, L.; Zhang, K.; Xu, D.; Wheeler, P. Modulated model predictive current control of an indirect matrix converter with active damping. In Proceedings of the IECON 2017—43rd Annual Conference of the IEEE Industrial Electronics Society, 2017; Volume 2017, Beijing, China, 29 October 2017–1 November 2017; pp. 1313–1318. [Google Scholar] [CrossRef]
- Rivera, M.; Toledo, S.; Tarisciotti, L.; Wheeler, P.W.; Dan, H. Predictive control strategies operating at fixed switching frequency for input filter resonance mitigation in an indirect matrix converter. IEEE Lat. Am. Trans. 2018, 16, 2370–2376. [Google Scholar] [CrossRef]
- Rivera, M. Predictive control with imposed sinusoidal source and load currents of an indirect matrix converter operating at fixed switching frequency. In Proceedings of the IEEE International Symposium on Industrial Electronics, Buzios, Brazil, 3–5 June 2015; Volume 2015, pp. 391–397. [Google Scholar] [CrossRef]
- Rivera, M.; Nasir, U.; Tarisciotti, L.; Wheeler, P.; Dragicevic, T.; Blaabjerg, F. Predictive control strategies for an indirect matrix converter operating at fixed switching frequency. In Proceedings of the 2017 CHILEAN Conference on Electrical, Electronics Engineering, Information and Communication Technologies, CHILECON 2017, Pucon, Chile, 18–20 October 2017; Volume 2017, pp. 1–6. [Google Scholar] [CrossRef]
- Rivera, M.; Tarisciotti, L.; Wheeler, P.; Bayhan, S. Indirect predictive control strategy with fixed switching frequency for a direct matrix converter. In Proceedings of the IECON 2017—43rd Annual Conference of the IEEE Industrial Electronics Society, Beijing, China, 29 October–1 November 2017; Volume 2017, pp. 7332–7337. [Google Scholar] [CrossRef]
- Toledo, S.; Rivera, M.; Muñoz, J.; Peña, R.; Riveros, J.; Gregor, R. Fixed switching frequency predictive control for a multi-drive indirect matrix converter system. In Proceedings of the 2017 IEEE Southern Power Electronics Conference (SPEC), Puerto Varas, Chile, 4–7 December; 2017; pp. 1–6. [Google Scholar] [CrossRef]
- Villarroel, F.; Espinoza, J.R.; Rojas, C.A.; Rodriguez, J.; Rivera, M.; Sbarbaro, D. Multiobjective Switching State Selector for Finite-States Model Predictive Control Based on Fuzzy Decision Making in a Matrix Converter. IEEE Trans. Ind. Electron. 2013, 60, 589–599. [Google Scholar] [CrossRef]
- Zhang, J.; Norambuena, M.; Li, L.; Dorrell, D.; Rodriguez, J. Sequential model predictive control of three-phase direct matrix converter. Energies 2019, 12, 214. [Google Scholar] [CrossRef]
- Siami, M.; Khaburi, D.A.; Rodriguez, J. Simplified Finite Control Set-Model Predictive Control for Matrix Converter-Fed PMSM Drives. IEEE Trans. Power Electron. 2018, 33, 2438–2446. [Google Scholar] [CrossRef]
- Nguyen, T.L.; Lee, H.H. Simplified Model Predictive Control for AC/DC Matrix Converters with Active Damping Function under Unbalanced Grid Voltage. IEEE J. Emerg. Sel. Top. Power Electron. 2019, 8, 2907–2917. [Google Scholar] [CrossRef]
- Siami, M.; Amiri, M.; Savadkoohi, H.K.; Rezavandi, R.; Valipour, S. Simplified predictive torque control for a PMSM drive fed by a matrix converter with imposed input current. IEEE J. Emerg. Sel. Top. Power Electron. 2018, 6, 1641–1649. [Google Scholar] [CrossRef]
- Dan, H.; Zhu, Q.; Peng, T.; Yao, S.; Wheeler, P. Preselection algorithm based on predictive control for direct matrix converter. IET Electr. Power Appl. 2017, 11, 768–775. [Google Scholar] [CrossRef]
- Peng, T.; Dan, H.; Yang, J.; Deng, H.; Zhu, Q.; Wang, C.; Gui, W.; Guerrero, J.M. Open-Switch Fault Diagnosis and Fault Tolerant for Matrix Converter With Finite Control Set-Model Predictive Control. IEEE Trans. Ind. Electron. 2016, 63, 5953–5963. [Google Scholar] [CrossRef]





























| string1 | string2 | |
|---|---|---|
| 1 | Matrix Converter | Predictive Control |
| 2 | Cycloconverter | MPC |
| 3 | Direct ac |
| Application | Citations | |
|---|---|---|
| 1 | Motor drive | [51,104,132] |
| 2 | Isolated load feeder | [31,86,90,133,134] |
| 3 | Grid connected generation systems | [117] |
| 4 | Active filter | [33] |
| 5 | Non-linear load feeder | [122] |
| Application | Citations | |
|---|---|---|
| 1 | Current control | [18,90,135] |
| 2 | Torque and flux control | [101,102,114] |
| 3 | Voltage control | [117] |
| 4 | Position control | [130] |
| 5 | Power control | [128] |
| Technique | Weight Factor | Modulation | Switching Frequency |
|---|---|---|---|
| Basic predictive control [17,18,19,20,21,22,23,24,25,26,27,28,29,30,31,32,33,34,35,36,37,38,39,40,41,42,43,44,45,46] | Not needed | Not needed | Variable |
| Predictive control with reactive power minimization [47,48,49,50,51,52,53,54,55,56,57,58,59,60,61,62,63,64,65,66,67,68,69,70,71,72,73] | Needed | Not needed | Variable |
| Predictive control with imposed input current | Needed | Not needed | Variable |
| Modulated predictive control [40,132,139] | Not needed | Needed | Fixed |
| Modulated predictive control with input reactive power minimization [57,137,147] | Not needed | Needed | Fixed |
| Modulated predictive control with imposed sinusoidal input current [136,145,146] | Not needed | Needed | Fixed |
| Multi-objective ranking-based predictive control [112] | Not needed | Not needed | Variable |
| Sequential predictive control [150] | Not needed | Not Needed | Variable |
Publisher’s Note: MDPI stays neutral with regard to jurisdictional claims in published maps and institutional affiliations. |
© 2022 by the authors. Licensee MDPI, Basel, Switzerland. This article is an open access article distributed under the terms and conditions of the Creative Commons Attribution (CC BY) license (https://creativecommons.org/licenses/by/4.0/).
Share and Cite
Toledo, S.; Caballero, D.; Maqueda, E.; Cáceres, J.J.; Rivera, M.; Gregor, R.; Wheeler, P. Predictive Control Applied to Matrix Converters: A Systematic Literature Review. Energies 2022, 15, 7801. https://doi.org/10.3390/en15207801
Toledo S, Caballero D, Maqueda E, Cáceres JJ, Rivera M, Gregor R, Wheeler P. Predictive Control Applied to Matrix Converters: A Systematic Literature Review. Energies. 2022; 15(20):7801. https://doi.org/10.3390/en15207801
Chicago/Turabian StyleToledo, Sergio, David Caballero, Edgar Maqueda, Juan J. Cáceres, Marco Rivera, Raúl Gregor, and Patrick Wheeler. 2022. "Predictive Control Applied to Matrix Converters: A Systematic Literature Review" Energies 15, no. 20: 7801. https://doi.org/10.3390/en15207801
APA StyleToledo, S., Caballero, D., Maqueda, E., Cáceres, J. J., Rivera, M., Gregor, R., & Wheeler, P. (2022). Predictive Control Applied to Matrix Converters: A Systematic Literature Review. Energies, 15(20), 7801. https://doi.org/10.3390/en15207801


