Next Article in Journal
Performance Analysis of an Optimized Asymmetric Multilevel Inverter on Grid Connected SPV System
Next Article in Special Issue
Identification of Reservoir Water-Flooding Degrees via Core Sizes Based on a Drip Experiment of the Zhenwu Area in Gaoyou Sag, China
Previous Article in Journal
Numerical Simulation of Tail Over-Fire Air Supply of a Grate Biomass Boiler
Previous Article in Special Issue
Injectability of Partially Hydrolyzed Polyacrylamide Solutions Improved by Anionic-Nonionic Surfactant in Medium and Low Permeability Reservoirs
 
 
Font Type:
Arial Georgia Verdana
Font Size:
Aa Aa Aa
Line Spacing:
Column Width:
Background:
Article

Process Optimization of the Flaring Gas for Field Applications

by
Luisa Fernanda Ibañez-Gómez
1,
Sebastian Albarracín-Quintero
1,
Santiago Céspedes-Zuluaga
2,
Erik Montes-Páez
3,
Oswaldo Hideo Ando Junior
4,
João Paulo Carmo
5,*,
João Eduardo Ribeiro
6,7,
Melkzedekue Moraes Alcântara Moreira
8,
Adriano Almeida Goncalves Siqueira
8 and
Camilo Andrés Guerrero-Martin
9,10,11
1
Energy Department, Fundación Universidad de América, Ak. 1 #20-53, Bogotá 110911, Cundinamarca, Colombia
2
Grupo de Investigación en Fénomenos de Superficie-Michael Polanyi, Department of Processes and Energy, Faculty of Mines, Universidad Nacional de Colombia—Sede Medellín, Medellín 050034, Bogotá, Colombia
3
Petroleum Engineering School, Universidad Industrial de Santander, Escuela de Ingeniería de Petróleos, Cra 27 Cll 9 (Edificio Jorge Bautista Vesga)—UIS, Bucaramanga 680002, Santander, Colombia
4
Academic Unit of Cabo do Santo Agostinho, Federal Rural University of Pernambuco (UFRPE), Recife 54518-530, PE, Brazil
5
Group of Metamaterials Microwaves and Optics (GMeta), Department of Electrical Engineering (SEL), University of São Paulo (USP), Avenida Trabalhador São-Carlense, Nr. 400, Parque Industrial Arnold Schimidt, São Carlos 13566-590, SP, Brazil
6
Instituto Politécnico de Bragança (IPB), 5300-253 Bragança, Portugal
7
Centro de Investigação de Montanha (CIMO), Instituto Politécnico de Bragança, Campus de Santa Apolónia, 5300-253 Bragança, Portugal
8
Department of Mechancial Engineering (SEM), University of São Paulo (USP), Avenida Trabalhador São-Carlense, Nr. 400, Parque Industrial Arnold Schimidt, São Carlos 13566-590, SP, Brazil
9
Centre for Energy and Environmental Economics (CENERGIA), Energy Planning Programme, PPE/COPPE, Universidade Federal Do Rio de Janeiro, Av. Athos da Silveira Ramos, 149—Edifício do Centro de Tecnologia, Bloco A, 2º Andar—Cidade Universitária, Rio de Janeiro 21941-630, RJ, Brazil
10
LOTEP-Laboratório de Operações e Tecnologias Energéticas Aplicadas na Indústria do Petróleo, Faculty of Petroleum Engineering, Federal University of Pará, R. Raimundo Santana Cruz, Salinópolis 68721-000, PA, Brazil
11
LEEPER-Laboratório de Ensino de Engenharia de Poço e Reservatórios, Faculty of Petroleum Engineering, Federal University of Pará, Salinópolis, R. Raimundo Santana Cruz, Salinópolis 68721-000, PA, Brazil
*
Author to whom correspondence should be addressed.
Energies 2022, 15(20), 7655; https://doi.org/10.3390/en15207655
Submission received: 12 September 2022 / Revised: 4 October 2022 / Accepted: 10 October 2022 / Published: 17 October 2022
(This article belongs to the Special Issue Advanced Petroleum and Nature Gas Exploration Technology)

Abstract

During petroleum industry operations, burning flammable gas components in the flaring stacks is common, normally a symbol for stable production, but flaring these components creates harmful emissions for the environment. This flaring gas has components with a high quantity of heating power, an important measurement that quantifies the energy that can potentially be obtained from this wasted resource. This paper aims to evaluate the energy usage of the flaring gas, estimating the possible energy produced with this usable resource by modeling a treatment and energy generation process employing the Aspen HYSYS® simulator. The flaring gas is characterized using different models and compositional ranges of natural gas to know what kind of gas it is and identify what type of equipment could be used for treatment and energy generation from this resource. After the gas characterization, the selection of the equipment of treatment and energy generation is necessary; this is done using a multicriteria analysis by taking into consideration the variables of gas composition, electrical efficiency, economic performance, and GHG emissions, ensuring to generate the greatest amount of energy possible to be produced with this flaring gas. By increasing the LHV, 0.95 MMSCF of flared gas of an oilfield in the VMM basin produced 5133 kW, enough energy to supply gas treatment and power generation facilities and four times the total gross consumption energy of a model oilfield in the basin, while the CO2 emissions were reduced 11.4%, and cost savings using this resource instead of diesel were obtained. In conclusion, to minimize flaring and to recover and reuse these waste components, looking for alternatives for the use of this gas-like power generation is an important option that reduces pollutants emission, gives a new source of fuel, and gives an energy usefulness to this wasted resource.

1. Introduction

1.1. Background

In a common petroleum industry operation, it is normal to see a flaring stack burning flammable gas components; the objective of this unavoidable process is to continue with the operation and maintain the safety on-field [1]. The flares usually are seen as a symbol for stable production, but burning these components produces undesired emissions, such as nitrogen oxides (NOx), sulfur oxides (SOx), greenhouse gases (CO and CO2), and different hydrocarbons [1,2]. On the other hand, the energy use that this resource could have is wasted by the flaring; the components presented in the composition of the flaring gas as methane have a big quantity of heating value. Depending on the components presented in the flaring gas, an important amount of energy that can be useful for different operations in the petroleum fields could be produced. One million cubic feet of natural gas produces approximately 797 kWh of energy; if the amount of flared gas in Colombia in 2019 (18,576 MMSCF) [3,4] was transformed into energy, and supposing that all this gas had energy usefulness, the amount of energy produced would be 14,805,072 kWh, enough to supply 12,774 Colombian citizens, according to the journal “La República”, which reports that the energy consumed per capita in Colombia is 1159 kWh [5].
That is why it is important to identify alternatives for reducing the flaring of these components by the recovery and reuse of this resource and satisfy the world bank initiative “Zero routine flaring by 2030” [2,3,4,5,6,7]. In this work, the investigation of alternatives to reduce the amount of flaring gas in Colombia is expanded and goes in favor of the Ecopetrol Commitments for the decrease of greenhouse gases emissions and also contributes to the “Colombian Strategy for the low carbon development” (ECDBC for its acronym in Spanish); this government strategy plan seeks to mitigate greenhouse gases emissions during the country’s economic growth. By the gas production reports presented by the Colombian hydrocarbon national agency (ANH for its acronym in Spanish) for 2018, 2019, and until October of 2020, the sedimentary basin that has the higher percentage of flaring gas was the “Llanos Orientales (LLO)” basin, followed by the “Valle Medio del Magdalena (VMM)” basin. The Figure 1 presented below shows the percentages of produced gas, flared gas, and transformed gas in the years for the Colombian basins reported for the ANH [5,6,7,8,9].
Important amounts of flared gas were reported in the VMM and the LLO in the range of 2018 until October 2020 [8,9,10]. Nevertheless, an important factor to consider is the number of fields that burned gas in these basins and making a relation between flared gas and fields that flare gas, the result shows that is much more relevant using the VMM as an investigation focus. Furthermore, the transformed gas percentage in the VMM does not exceed 14%; therefore, it is important to select a VMM field for the investigation and evaluate the usefulness of the flaring gas as an energy resource and increase the amount of transformed gas by decreasing the amount of flared gas. In addition, the use of this important energy resource helps in making the switch from diesel to natural gas, which is a clean fuel that decreases the emission of undesired components [8,9,10,11,12]. Due to all the statements presented, it is important to know if it is possible to generate energy in a VMM field with the flaring gas, taking into consideration its composition, and use this energy to supply some internal operations in the field, making this gas into an energy useful resource [13,14,15].

1.2. Literature Review

Several authors have developed and evaluated projects about flare gas recovery (FGR) to mitigate the undesired emissions such as greenhouse gases (GHG) and the use of a wasted resource, seeking out the end of the flaring operations in production wells for the impossibility of reinjection in the formation or the lack of facilities for its treatment, commercialization or use in situ. Among the most notable projects related to FRG, several authors have worked in energy generation with flare gas. Zeinab H. et al. developed multi-objective decision-making to determine an optimal allocation model for different alternatives for flare gas recovery in Iran. The results showed that, in the best flare gas recovery model solution, electricity is the lowest amount of product obtained annually against LPG and condensate products [16,17,18,19,20,21,22] evaluated in several papers’ different methods and substances for gas treatment, considering the mitigation of greenhouse gases, and testing the effectiveness of these methods. Shayan et al. [23,24] simulated FGR methods in ASPEN HYSYS, and the results show that the electric power produced by steam turbines (7.323 × 105 kW), electricity and heat generation (4.350 × 105 kW), and combined cycle (1.442 × 106 kW), saving energy and causing less pollution; the authors also obtained that the last two are the most economically feasible scenarios. Simulating in the same software, and using an environmental flow diagram and thermos flow, Seyed M. et al. [2,25] studied one scenario for electricity generation with flare gas and another scenario used a combined heat and power system (CHP) and an internal combustion engine to produce power with the gas and compared against pressuring and injecting flare gas into oil wells; as a conclusion, in this case, the study producing electric power with gas produced lower IRR than the injection into oil wells. Mahya Nezhadfard. et al. investigated four power generation scenarios for flare gas recovery to make an enviro-economic evaluation: Reciprocating Internal Combustion Engine Cycle, Combined Gas Turbine Cycle, and Solid Oxide Fuel Cell/Gas Turbine Cycle. By using eight different flare gas samples from Iran, the results showed that CGTC has the best economic scenario, and it is also more flexible to gas composition [2,3,24,25,26,27].
Finally, E.M Wallace et al. evaluated the technical feasibility for the use of the flared associated shale gas as a fuel, replacing the diesel used for powering drilling and hydraulic fracturing operations. The authors calculated the average energy requirements in the equipment that needed to be supplied, concluding that the associated gas was more than enough to supply the energy required. As a conclusion, the authors reviewed the energy generation equipment that can use natural gas as fuel and different associated gas separation technologies and wrapped up by presenting that using the flaring gas for rig equipment and hydraulic fracturing operations are cost-saving [4,5,6,7,8,9,25,26,27,28].
It is important to highlight that every research tried to use flared gas as a fuel. However, in these papers, the treatment for the gas to improve its calorific qualities and enhance the energy generation with this wasted resource has not been previously dealt [6,7,8,9,10]. This paper deals with flared gas treatment and use in situ by proposing a flowchart with an in situ treated process for the gas used as energy consumption on the field [10,11]. This paper considers power generation with a cleaner gas for an energy consumption model at the same oilfield where the flare gas is produced [12,13,14].
In this sense, by making a characterization of a residual gas produced in Valle Medio del Magdalena basin, whose final step had been flaring operation and estimating how much energy is available; an energy evaluation of an alternative for resource development is completed, identifying a technology that involves the necessary equipment for gas treatment and power generation with treated flaring gas as fuel. Considering the technical factors in terms of energy, environment, and economics to propose a viable application system. In this way, to investigate the technologies involved in the flare gas treatment and power generation and identify the ones that fit more with the process to reach the aim of the paper, a simulation in the software ASPEN HYSYS® is made, and to also obtain the best amount in the treatment substances inlet, a sensibility analysis was necessary. Finally, as a result, this paper develops flared gas and its energetic potential by a flowchart that considered in situ gas treatment, to remove contaminants present in the flared gas that could cause corrosion or hydrates, and to improve its calorific qualities and enhance the energy generation with this wasted resource, obtaining the energy potential of treated flaring gas with which a user base in terms of produced energy per volumetric gas unit is established. This allows to extend the reach of the result to projects with similar targets, point to the world bank initiative “Zero routine flaring by 2030” with Ecopetrol as one of the 39 companies that support this initiative.

2. Methods and Materials

2.1. Gas Composition Analysis and Interpretation

Natural gas is a mixture naturally conformed, composed of two big types of components: hydrocarbons and nonhydrocarbons [4,5,29]. This mixture, mainly composed of methane, could be classified according to its composition in dry or wet gas and sour or sweet gas. Additionally, it is classified according to the reservoir from which it comes, along with the composition by associated gas and non-associated gas. Knowing the gas composition helps in the analysis and interpretation of this resource. Table 1 shows the values of natural gas composition in a petroleum field in the VMM basin in Colombia, showing the natural gas components in molar fraction, with the compound formulas.
A comparison between the elements in the gas and the table of typical components of industry streams presented in the GPSA [30] was made and showed that this gas composition is from a natural gas, and therefore, the characterization of this resource will be made with the natural gas classification. To characterize this natural gas, each component in the gas composition will be taken into consideration [31,32,33,34].
Firstly, it is important to highlight that the amount of hydrocarbon components is greater than the amount of nonhydrocarbon components, which means that the hydrocarbon amounts, especially the methane quantity, will help to determine the behavior of this gas. When the mole fraction of methane in the natural gas does not exceed 0.85, components called liquids in natural gas such as ethane, propane, butane, and pentane are present, and therefore, this gas is called wet gas [29,30,31]. The wet gas is highly related to associated gas due to the presence of high molecular weight components in its composition; consequently, the gas of the VMM basin is wet and associated.
Additionally, it is important to know the presence of nonhydrocarbon components, to identify which ones could cause problems in the operation and will help to select the required treatments for the gas. The nonhydrocarbon components could be divided into two groups: the diluents and the contaminants. The diluents are noncombustible gases that reduce the heating value of the natural gas, and the diluents presented in the VMM basin gas are the carbon dioxide (CO2), nitrogen (N2), helium (He), and water (H2O); the contaminants are harmful gases that could cause corrosion problems, pernicious odors, or undesired emissions in the production and transportation operations [20,21,22,23,24,25,26,32]; the contaminants present in the VMM basin gas are the hydrogen sulfide (H2S), carbonyl sulfide (COS), and carbon disulfide (CS2). To determine if gas is sour or sweet, two components must be considered: carbon dioxide and hydrogen sulfide. A hydrogen sulfide mol fraction greater than 0.01 or a carbon dioxide mol fraction greater than 0.02 determines a sour gas, and hence, the amount of CO2 and H2S must be controlled and decreased. On the other hand, in the sweet gas, the CO2 mol fraction is lesser than 0.02, and the H2S mol fraction is lesser than 0.01 [27,28,33].

2.2. Natural Gas Available Energy

By determining the gas heating value, it is possible to estimate the available energy on it. In this context, to make a gas energy evaluation, it is important to estimate the gross heating value (GHV) and the lower/net heating value (LHV), which are defined as the amount of heat obtained by the complete combustion of a unit quantity of the gas [30]. While the GHV considers that the water produced during the combustion is condensed, the LHV is not [30]. The energy potential of the raw gas must be evaluated with the measurement of the LHV, a value that quantifies the amount of energy that can be useful for the gas, in which the water produced by the combustion is in the gaseous phase (water vapor); no condensation occurs.
Equation (1) describes how to calculate the ideal heating value, gross or net, for a gas mixture. This considers that each one of the components in the gas contributes to the total heating value, depending on its chemical nature and its molar fraction [34]:
H V i d = j = 1 n ( X j H V j i d )
where HVid is the ideal heating value, Xj is the molar fraction of component j, and HVjid is the ideal heating value of component j. The LHV value obtained by Equation (1) gives the measurement of an ideal lower heating value, which implies that the gas mixture has an ideal gas behavior. To account for the real gas behavior, compressibility factor Z is needed, taking the ratio between the LHV calculated and the Z factor as the real energy available in the gas mixture [34].

2.3. Energy Consumption Model

Table 2 shows the equipment considered for the energy consumption base model of a standard petroleum field; this data is obtained and shown as synthetic data. This model considers two energy power consumptions: gross and net [33,34,35].
The net electric power represents the minimum energy consumption per day required for each piece of equipment, and this value represents the minimum quantity of energy essential to be supplied for each equipment operation. Gross electric power represents all the energy needed by this equipment. This is a bigger value due to the additional devices that each one of the equipment pieces would need
These values are identified and defined to establish which percentage of the energy consumption of this base model of a standard petroleum field from the VMM basin could be supplied with the treated flare gas as fuel for electricity power generation. Additionally, how much of the additional energy consumption on account of the possible extra devices required for each piece of equipment would be covered with this project?

2.4. Gas Treatment and Energy Generation

Multicriteria analysis (MCA) is a technique that presents a set of alternatives that are evaluated considering three generic elements: decision-maker(s), alternatives, and criteria [35]. The multicriteria analysis used and considered for the selection of the equipment in this paper involved three steps: identify the decision context, identify the options to be appraised, and identify the criteria and variables on which the comparison of the alternatives was made, and the final decision was taken based in the results of previous research with similar purposes and which experiences were a guide to the appropriate selection. MCA was used to identify the equipment for gas treatment and power generation to obtain the best performance of the flare gas recovery purpose, establishing the variables for each case, which fixed with the aim: reduce the molar composition of diluents and nonhydrocarbons compounds to obtain a natural gas with a heating value that benefits the power generation with the treated gas as fuel, more than the raw gas produced and which natural composition would not give the best performance and which also would cause an operational problem during the process. Some of these variables are also defined as dependent or independent in the selection of the equipment for treating the gas and its behavior compared to against others are exposed to obtain the best performance of the procedures.
Using a bibliographic review for the treatments needed for the VMM gas, the most common gas treatment processes used in the petroleum industry are obtained. Important criteria will be considered for the selection of the right treatment processes, such as the treatment substance, the elements it removes, and the properties of the processes. The real energy properties of the VMM basin gas are established after its treatment. To assess the real lower heating value (LHV) of the VMM basin gas, it is necessary to find alternatives that help to improve the gas quality using the treatment [36]. The presence of water among contaminants is highly corrosive, and that is why a dehydration process is mandatory; it will also help to evade the formation of hydrates in the gas processing and, last but not least, to avoid water vapor to condensate and causes pipe plugging [37]. Another important treatment to take into consideration is the sweetening process; decrease the amount of the contaminants such as H2S, COS, and CS2, and the amount of one of the diluents in the mixture, the CO2, will have great importance to avoid problems in the gas processing, including corrosion, harmful odors, and contamination, among others [38].
Based on projects focused on the use of flared gases as fuel, different technologies for power generation are identified. Once the raw gas is treated and fuel gas is obtained, with a new composition and new value of its LHV, two technologies are considered: gas turbine cycle and gas internal combustion engine cycle. The requirements and criteria variables for each one of these technologies are defined to select the best equipment for power generation with the treated gas obtained and which would also improve the feasibility of the project.

2.5. Aspen HYSYS Simulation

The dehydration, sweetening, and energy generation processes for the VMM basin gas have been simulated using Aspen HYSYS V9. This simulator has an accurate calculation of the physical properties, phase behavior, and transport properties [39] and has a user-friendly interface that provides features for the process optimization [16], with the possibility to make a sensibility analysis for the correction and improvement of an independent variable. Aspen HYSYS is mostly used in chemical and petrochemical engineering, known as one of the most powerful simulating tools in engineering [24].
Following a step-by-step procedure for the simulation in Aspen HYSYS, starting with the selection of the pure components in the VMM basin gas. To continue with the procedure, a fluid package is selected; in this work, the dehydration, sweetening, and energy generation will have different fluid packages that fit better with the processes. For the first process (dehydration), it will be necessary to use a glycol package; in the next stage, the acid gas–liquid treating works better with the sweetening process; and finally, to work with the hydrocarbon mixtures in the energy generation process, the Peng-Robinson fluid package is the best option. Then, it is necessary to build a flow process diagram; in this case, the equipment used is two absorbers (for the dehydration and sweetening processes), one expander, one combustion reactor, and a compressor. In the next section, the flow lines and equipment conditions are established, and lastly, a results analysis is made.

3. Results and Discussions

In the following section, the results of the calculations for the gas properties, the selection and simulation in Aspen HYSYS® of the treatment equipment and energy generation processes, and the energetic and technical analysis are presented.
To begin with the properties of the VMM basin natural gas, it must be characterized as a wet gas; its appreciable amounts of liquid hydrocarbons and a methane amount lesser than 85% give this characterization. This gas could be distinguished as an associated gas due to the relation given between rich gas and associated gas, and last, it is characterized as a sour gas for its hydrogen sulfide mol fraction greater than 0.01 (0.021).

3.1. Lower Heating Value VMM Basin Gas

Using Equation (1), the ideal LHV of the raw gas is obtained. Table 3 shows the ideal LHV of each component of the gas, which must be identified to establish the ideal LHV of the gas mixture.
The ideal LHV of the raw gas equals 929,649.3 kJ/kg mol. This value represents the available energy on the gas as an ideal gas behavior; to obtain the real LHV, the Z factor has to be determined. The pseudocritical pressure and temperature of the gas mixture were estimated with Kay’s method [40,41], and due to the presence of H2S and CO2, these values were corrected under Wichert and Aziz’s equations [41]. Then, the pseudoreduced properties were calculated under the initial conditions of pressure and temperature of the raw gas (39.69 psia and 77 °F) and obtained a value of 0.057 and 1.369 as the pseudoreduced pressure and temperature, respectively. Considering the pseudoreduced properties, Beggs and Brill’s correlation [36,37,38,39,40,41] was used to obtain the value of the Z factor for its estimated error of 0.02% in the calculation. Having a compressibility factor of 0.996 for the gas, which means that the real behavior of the gas is closer to the ideal one, and the real LHV obtained equals 933,382.8 kJ/kg mol. This value is compared to make a validation of the results with Aspen HYSYS®’s properties with a calculation of the raw gas stream, which gives a value of 929,600 kJ/kg mol as the LHV of the raw gas. With a 0.40% error, the available energy calculation is valid, and the one calculated for Aspen HYSYS® is considered for data analysis.
With the molar density of the raw gas as 0.1115 kg mol/m3, the available energy of the raw gas per volumetric unit is 103,650.4 kJ/m3. This means that 0.95 MMSCFD of the raw gas, which is flared, would produce 12.2 MW. This quantity of energy produced will then be affected by the treatment of the gas and by the efficiency of the power source that uses this flare gas as fuel.

3.2. Gas Treatment

For the selection of the treatment processes that the VMM basin gas needs, different variables were analyzed. Focusing on the components that are necessary to remove in the VMM basin gas is important; hence, the treatment substance and the component that it removes, such as the concentration, plays an important part in the selection. It is crucial to know the advantages that a process could have over the others; Focusing on how the process changes with the influence of different existing components in the VMM basin gas will determine the most suitable treatment to use.
The presence of water in the gas could create hydrates or be corrosive in the presence of CO2 and H2S, which is why a dehydration process is necessary. Through a bibliographic review, some dehydrating processes in the petroleum industry are presented in Table 4.
To select the dehydration process for the VMM basin gas, the dehydration methods are divided into two: the adsorption and the absorption processes. Table 4 shows that the adsorption processes should not be used for drying gases with concentrations of acid gases, especially CO2 and H2S, so, for the effects of this study, the adsorption methods are not going to be considered. The glycol treatment is the most used process in the petroleum industry for water removal, and the selection of the substance (DEG or TEG) to use depends on the process pressure and temperature. Triethylene glycol (TEG) is the most effective one of the glycols and the most used in the petroleum industry and is the best option to deal with the water removal due to the effectiveness and that the conditions are not going to be above 120 °F. After the dehydration process, it will be necessary to remove the contaminant amounts. Table 5 presents the sulfur removal systems to remove the VMM basin gas contaminants.
It is important to highlight that the sweetening treatment has great importance in the process, because having these contaminants in the gas could be risky for the operation. Sulfhydric acid (H2S), carbon dioxide (CO2), carbonyl sulfide (COS), and carbon disulfide (CS2), and all the sulfur compounds could cause problems in the transport, such as corrosion, pernicious odors, and with the presence of water, it can cause hydrates. Table 5 shows the advantages of the sulfur removal systems; the DEA process meets the requirements for the VMM basin gas, owing to the good functioning it has when there is the existence of COS and CS2 in the gas composition and the low presence of CO2 in the VMM basin gas composition; with the optimum conditions of the temperature and pressure, the COS and CS2 will help the DEA in the fast removal of CO2 and H2S, and then, the diethanolamine (DEA) will remove the COS and CS2. The two processes used in the gas treatment will help to know the real energy properties that this gas has after its treatment, to improve these properties, and to have a safer operation.

3.3. Power Generation

Once the treatment process was chosen, a technology for power generation had to be selected. The decision context now focused on power sources that can use natural gas as fuel. Two options were preselected as possible alternatives for energy production with the fuel gas obtained: gas turbine cycle (GTC) and gas internal combustion engine cycle. Figure 2 shows a schematic diagram for the power generation scenarios and the variables that most affected each one, based on the final decision.
One of the most important things that must be considered when selecting the power generation source is the quality of the gas [28]; in this case, this variable has already been taken into consideration, as the raw gas was previously treated, and the problematic compounds were reduced or eliminated. Therefore, the efficiency of each option is evaluated. Internal combustion engines have, on average, 40% electrical efficiency, while gas turbines electrical efficiency is about 30–35% [36].
Gas turbines and gas internal combustion engines are one of the most expensive resources, but they can work with any form of natural gas [28], so, in case compressed natural gas or liquefied natural gas are available, these technologies are still useful. However, previous research has pointed out that gas internal combustion engines are favorable from an economic point of view; by an economic comparison of both gas use technologies, the investment cost, maintenance, and operation cost per year show that internal combustion engines have a better economic performance than gas turbines [36].
About GHG emissions, gas internal combustion engines have a better performance in terms of pollutant emissions than gas turbines [27]. While gas turbines generate higher amounts of pollutants, gas internal combustion engines work at low pressures with the least pollution [25].
Regarding these criteria, a gas internal combustion engine is the most beneficial option as a power source due to the high power output at high efficiency and low emissions, which are also mobile and more flexible in the gas composition.

3.4. Aspen HYSYS Simulation Analysis

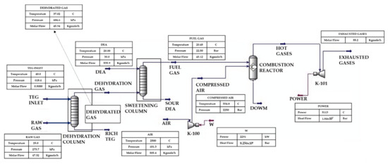
Using Aspen HYSYS® gas treatment and power generation are simulated. Two absorbers, one combustion reactor, compressor K-100, and expansor K-101 are the equipment considered to simulate the process. A volume of 0.95 MMSCFD, taken as the flare gas (raw gas) in one field on VMM basin on December 2020, enters into the dehydration column at 25 °C and 25 psig, necessary conditions of the temperature and pressure for the dehydration process with TEG [37]. Once dehydrated gas is obtained, the gas passes through the sweetening column where the sour components of the gas are retired. Finishing the gas treatment process, fuel gas is obtained, which reacts with compressed air in the combustion reactor to produce hot gases that finally expand to the atmospheric pressure to generate power. The schematic diagram of the simulation is shown in Figure 3.
The 0.95 MMSCFD of the VMM basin gas enters the dehydrating process with the composition shown in the “Gas composition analysis and interpretation” section. This important amount of gas, especially the water value, helps to calculate an initial molar flow for the dehydration substance (TEG), knowing that, for 1 lb of H2O in the gas composition, it is considered appropriate to use 3 gallons of triethylene glycol (TEG) [37]. The TEG initial inlet molar flow was 0.015 gallons, which is equivalent to 0.0012 kg mol; this substance enters the process with a mol concentration of 99% and with a pressure and temperature of 618.4 kPa and 40 °C respectively. For this process as it was mentioned before, a glycol package is used, because it is the recommended thermodynamic model for a simulation using TEG. To reach the objective of decreasing the largest amount of water in the gas composition, it was necessary to do a sensibility analysis by starting with the initial inlet molar flow, this analysis guides the process to an optimum inlet molar flow value of TEG, as it shows in Figure 4.
Figure 4 shows the behavior between the TEG inlet molar flow against the mole fraction of H2O in the outlet gas after the dehydration process, resulting in an optimal inlet amount of TEG of 0.5 kg mol/h. In this case, the independent variable of the process is the TEG Inlet molar flow, showing that the decrease of the mole fraction of H2O depends on the increase of the amount of TEG that enters the dehydration absorber.
After the gas dehydration, another treatment was simulated in Aspen HYSYS, the sweetening process. For this operation, the treatment substance was diethanolamine (DEA) entering the sweetening absorber with a concentration of 40% in weight. For the calculation of the initial DEA, the inlet flow in Equation (2) was used:
F l o w ( m 2 h ) = 256 × ( Q y x )
where Q is the sour gas to be processed in MSm3/day, y is the acid gas concentration in sour gas in mol%, and x is the amine concentration in liquid solution in mass% [42,43,44,45,46,47,48,49,50]. Using the formula, an initial DEA inlet flow was estimated as 106.26 m3/h, reaching the objective of decreasing the contaminants (H2S, CO2, COS, and CS2) to zero. To optimize the high amount of DEA entering the process, due to this volume removing some of the pentane quantity, a sensibility analysis was made in Figure 5.
Figure 5 shows a comparison between the DEA volume flow and the pentane mole fraction. Firstly, it is important to clarify that the range of volumes of the DEA flow presented in the chart is from the calculated initial DEA inlet flow to the minimum volume where the number of contaminants started to appear. Then, the comparison between these variables was important to increase the heating value of the resulting gas (fuel gas) due to the great heating value provided by pentane. The independent variable in this analysis was the DEA volume flow, showing that, by decreasing the flow entering the absorber, the mole fraction of pentane will increase and that the gas composition is highly related to the entering flow of DEA. As a result, for the removal of the contaminants and the higher amount of pentane, the minimum volume where the number of contaminants started to appear (approximately 13.93 m3/h) is the optimized value for the DEA flow [48,49,50,51,52]. Another variable to take into consideration for the gas composition was the DEA inlet temperature, as shown in Figure 6.
To estimate the correct DEA inlet temperature, Figure 6 shows a sensibility analysis between this temperature and the mole fraction of the component’s H2O, pentane, and the contaminant CS2. Increasing the DEA inlet temperature will have an important change in the gas composition; the water value and the pentane amount (in a small amount) increased, and the contaminant CS2 started to appear in the composition again. Therefore, it is crucial to maintain a low DEA inlet temperature (20 °C) for the removal of the contaminants and to control the amount of water in the fuel gas.
The gas treatment was an important step to find a gas composition for the optimal performance in the power generation process. Table 6 shows the fuel gas composition, seeing that the amount of the contaminants decreased considerably to zero, and the water mole fraction was increased from 0.008 to 0.0011, representing that the dehydrating and sweetening processes achieved their purposes. However, it is important to establish that one of the goals of the treatment was to increase the heating value of the raw gas and show the real heating value of this gas after the necessary treatment processes. Consequently, a comparison was made between these values, knowing that the raw gas had a heating value of 929,600 kJ/Kmol, and the heating value of the fuel gas was 226,500 kcal/Kmol, which was equivalent to 947,676 kJ/Kmol, it was correct to affirm that the goal was reached; additionally, the real and optimal heating value of the VMM basin gas was revealed. Table 6 shows the composition of the fuel gas that enters the power generation process with a molar flow of 45.12 Kmol/h, a smaller amount compared with the raw gas inlet (47.32 Kmol/h) due to the gas treatment processes.
The gas internal combustion engine configuration consists of one combustion chamber, one compressor, and an expander. First, air that comes from the atmosphere enters the compressor K-100, where the pressure is increased from the standard conditions to 22.5 bar to enter the combustion reactor with the same pressure conditions as the fuel gas. Then, the compressed air passes to a combustion chamber with the fuel gas, where combustion takes place. The generated hot gases go to a gas engine where they expand to atmospheric pressure, and the gas energy is converted to mechanical energy, which generates electricity. Equations (3)–(7) showed a stoichiometric reaction model that occurs in the combustion chamber; these chemical reactions are assumed to be ideal, and other components such as CO are not produced.
CH4 + 2O2 → CO2 + H2O
C2H6 + 3.5O2 → 2CO2 + 3H2O
C3H9 + 5O2 → 3CO2 + 4H2O
C4H10 + 6.5O2 → 4CO2 + 5O
C5H12 + 8O2 → 5CO2 + 6H2O

3.5. Energy and Environmental Evaluation

After treating, 0.95 MMSCFD of VMM basin gas has an estimated value of available energy of 11.8 MW; this represents a loss of 0.4 MW due to the volume of contaminants removed during the gas treatment. The total gross power produced by the process is 5133 kW, which represents an electrical efficiency of 43.5% in the internal combustion engine. This result is approximate to the one obtained by Rahimpour et al. [20,21,22], in which, with a gas turbine, 2130 MW was produced from 365.5 MMSCFD. In the same conditions this value equaled 5.53 MW produced by 0.95 MMSCFD. However, it has to be considered that, in this previous research, the raw gas was not previously treated, which could mean the presence of corrosion and hydrate formation; also, the heating value was not improved, and the use of a gas turbine instead of a gas internal combustion engine has a lower long-term performance due to the variables considered in Section 3.3. In addition, the results show that the performance of the scenarios depends on the gas flow rate, as Mohmmad Hidari et al. [23,24,25,48,49,50,51,52] concluded in his research.
Subtracting the energy demand of the compressor, 2842 kW total net power is produced; it is the available energy to supply the energy consumption of the gas treatment and estimates the energy quantity of the consumption model field that can be supplied.
Using the enthalpy of the inlet flow lines and outlet flow lines, the energy consumption by the absorbers is estimated. Approximately, each absorber requires 629.292 kW to work with the flow volume of raw gas, as the treatment gas configuration considers two absorbers (dehydrating process and sweetening process); then, 1258.584 kW is considered as the energy consumption for the treatment processes.
Considering Table 7, where the values of energy consumption are shown, the energy evaluation is made, exposing that the needed energy requirements for the gas treatments can be supplied with the energy produced, and this amount is sufficient to meet the VMM basin’s field model energy needs four times, similar to the results obtained by E.M Wallace et al., who calculated the requirement that the need to be supplied for powering drilling and hydraulic operations, which consume much more energy, and concluded that the flared gas is more than enough to supply these energy requirements [28].
Establishing a volume of gas required per day to supply the model field energy requirements is important to recognize by the field operator, the period of project sustainability using the gas reserves in the reservoir, and its flow. In this case, with the properties of the VMM basin gas, the volume of gas required per day to supply the model field energy requirements is approximately 0.7 MMSCFD.
The amount of diesel, the most common fuel used in the petroleum industry, needed to produce the same amount of energy (5133 kW) is 435 kg; this is equivalent to 135.19 gallons, which produces an average of 1392 kg CO2 [28,53,54,55], while 1249 kg CO2 is emitted when this amount of energy is produced with the flare gas. Therefore, using the VMM basin flared gas instead of diesel to produce the same quantity of energy reduces the CO2 emissions by 11.44%.
Supplying the gross energy consumption of the model field implies using 12.66 gal/day of diesel, which equals $27.09 USD/day. Assuming this energy consumption is constant in a year, taking advantage of the VMM basin gas implies money savings of USD 9887 per year. Additionally, to estimate the financial output from the power generation, the cost of selling electricity in Colombia in 2021 is USD 0.15 kWh. This means that the VMM basin flared gas could cost approximately USD 770 with the energy generation produced; this equals the net incomes that were lost by flaring the VMM basin gas. On the other hand, the previously stated results are suitable for the natural gas utilization process. Obtaining convincing results for Colombia exaprolols for Latin American countries, it should be noted that the processes mentioned have the potential for application in African countries such as Nigeria [53,54,55,56].

4. Conclusions

By determination, the LHV of the VMM basin flared gas; the available gas energy before treatment was estimated as 929,600 kJ/Kmol. Using the MCA, the gas treatments and power generation resources were selected; as a result, a complete process configuration, which included the dehydration, sweetening, and power generation by a gas internal combustion engine, was simulated in Aspen HYSYS software. To determinate the available gas energy, the composition after gas treatment was estimated, and an increase of 947,676 kJ/Kmol was obtained, reaching the objectives of the processes; removing the contaminants COS, CS2, H2S, and CO2; and reducing the water amount from 0.008 to 0.0011 in the mole fraction. An important result obtained with the sensibility analysis is the flow of the treatment substance (DEA and TEG) and properties, as the temperature directly affects the mole fraction of the components in the product gas flow line. Having an electrical efficiency of 43.5% in the gas internal combustion engine, a value of 5133 kW of energy is produced with the 0.95 MMSCFD of raw gas. Therefore, the total gross power produced is enough to supply the energy demand of power generation and gas treatment facilities; additionally, the amount of energy generated with the fuel gas supplies is four times the model field energy requirements. To conclude, by developing this common flaring gas on a field in the VMM basin through FGR, it has possible on-site electricity generation, where 0.7 MMSCFD supplies the energy consumption of a model field per day while mitigating CO2 emissions and saving costs due to the development of a power useful energy resource instead of a common liquid fuel as diesel.

Author Contributions

Conceptualization: S.A.-Q., S.C.-Z., L.F.I.-G., E.M.-P. and C.A.G.-M., investigation and simulation: S.A.-Q., S.C.-Z., L.F.I.-G. and M.M.A.M., wrote and final editing: S.A.-Q., S.C.-Z., L.F.I.-G., E.M.-P., J.P.C., J.E.R., M.M.A.M., A.A.G.S., C.A.G.-M. and O.H.A.J. and funding: O.H.A.J., J.P.C., J.E.R. and A.A.G.S. All authors have read and agreed to the published version of the manuscript.

Funding

This research was funded by PROPESQ/UFPB research edit N°001/2022 of the Federal University of Paraiba (UFPB). The O.H.A.J. was funded by the Brazilian National Council for Scientific and Technological Development (CNPq), grant numbers 407531/2018-1 and 303293/2020-9. The F.S. was funded by the Brazilian National Council for Scientific and Technological Development (CNPq), grant number 307588/2020-3. The research was also partially supported by the Portuguese FCT with project reference UIDB/00690/2020 and SusTEC (LA/P/0007/2020). João Paulo Carmo was supported by a PQ scholarship with the reference CNPq 304312/2020-7.

Data Availability Statement

Not applicable.

Acknowledgments

The authors would like to thank to the Federal Rural University of Pernambuco (UFRPE) for the financial supporting and facilities, Coordination for the Improvement of Higher Education Personnel (CAPES), and the Brazilian Council for Scientific and Technological Development (CNPq) for financial support.

Conflicts of Interest

The authors declare no conflict of interest.

Nomenclature

VMMValle Magdalena Medio Basin
MMSCFDMillion Standard Cubic Feet per Day
ANHColombian Hydrocarbon National Agency
GPSAThe Gas Processors Supplier Association
kWhKilowatt-hour
LLOLlanos Orientales
ECDBCColombian Strategy for the low carbon development
GTC Gas Turbine Cycle
MCAMulticriteria analysis
GHVGross Heating Value
LHVLower/net Heating Value
FGRFlare Gas Recovery
CHPCombined Heat and Power System
LPGLiquefied Petroleum Gas
MWMegawatt
TEGThe Triethylene Glycol
MWMegawatt
kJkilojoule
KmolKilomole
IRRInternal-Rate-of-Return

References

  1. Ghorbani, I. Necessity of recovery of associated gas and novel applicable technologies. In Proceedings of the 21st World Petroleum Congress, OnePetro, Moscow, Russia, 15–19 June 2014. [Google Scholar]
  2. World Bank. Global Gas Flaring Tracker Report; World Bank: Washington, DC, USA, 2021. [Google Scholar]
  3. Martínez, A.; Delgado-Rojas, M.E. Los Retos del Grupo Ecopetrol y del País Frente a la Transición Energética. 2021. Available online: https://www.repository.fedesarrollo.org.co/handle/11445/4256 (accessed on 26 May 2022).
  4. Useche-Narvaez, C.; Montes-Páez, E.G.; Guerrero-Martin, C.A. Evaluation of the carbon footprint produced by conventional artificial lift systems in a Colombian field. J. Pet. Sci. Eng. 2022, 208, 108865. [Google Scholar] [CrossRef]
  5. Chiquiza, J. El Consumo per Cápita de Energía Fue de 1.159 kWh Durante el Año Pasado; Periodico La República: Bogotá, Colombia, 2019. [Google Scholar]
  6. Becerra Fernández, M.; González La Rotta, E.C.; Cosenz, F.; Dyner Rezonzew, I. Demand and supply model for the natural gas supply chain in Colombia. In Proceedings of the Asian Simulation Conference, Kyoto, Japan, 27–29 October 2018; Springer: Singapore, 2018; pp. 220–231. [Google Scholar]
  7. Villada, J.; Olaya, Y. A simulation approach for analysis of short-term security of natural gas supply in Colombia. Energy Policy 2013, 53, 11–26. [Google Scholar] [CrossRef]
  8. Kannan, P.; Su, S.S.; Mannan, M.S.; Castaneda, H.; Vaddiraju, S. A review of characterization and quantification tools for microbiologically influenced corrosion in the oil and gas industry: Current and future trends. Ind. Eng. Chem. Res. 2018, 57, 13895–13922. [Google Scholar] [CrossRef]
  9. Branco, D.A.C.; Szklo, A.S.; Schaeffer, R. Co2e emissions abatement costs of reducing natural gas flaring in Brazil by investing in offshore GTL plants producing premium diesel. Energy 2010, 35, 158–167. [Google Scholar] [CrossRef]
  10. Tahouni, N.; Gholami, M.; Panjeshahi, M.H. Integration of flare gas with fuel gas network in refineries. Energy 2016, 111, 82–91. [Google Scholar] [CrossRef]
  11. Hajizadeh, A.; Mohamadi-Baghmolaei, M.; Azin, R.; Osfouri, S.; Heydari, I. Technical and economic evaluation of flare gas recovery in a giant gas refinery. Chem. Eng. Res. Des. 2018, 131, 506–519. [Google Scholar] [CrossRef]
  12. Allamaraju, J.P.; Mukherjee, R. Successful implementation of flare gas recovery systems in Gasco plants. In Proceedings of the Abu Dhabi International Petroleum Exhibition Conference, OnePetro, Abu Dhabi, United Arab Emirates, 7–10 November 2016. [Google Scholar]
  13. Johnson, M.R.; Coderre, A.R. Opportunities for CO2 equivalent emissions reductions via flare and vent mitigation: A case study for Alberta, Canada. Int. J. Greenh. Gas Control. 2012, 8, 121–131. [Google Scholar] [CrossRef]
  14. Yazdani, E.; Asadi, J.; Dehaghani, Y.H.; Kazempoor, P. Flare gas recovery by liquid ring compressors-system design and simulation. J. Nat. Gas Sci. Eng. 2020, 84, 103627. [Google Scholar] [CrossRef]
  15. Obhuo, M.; Aziaka, D.S.; Osigwe, E.; Oyeniran, A.A.; Emmanuel, O.A.; Pilidis, P. Economic optimization from fleets of aero-derivative gas turbines utilising flared associated gas. Int. J. 2020, 7, 100049. [Google Scholar] [CrossRef]
  16. Zolfaghari, M.; Pirouzfar, V.; Sakhaeinia, H. Technical characterization and economic evaluation of recovery of flare gas in various gas-processing plants. Energy 2017, 124, 481–491. [Google Scholar] [CrossRef]
  17. Abdulrahman, A.O.; Huisingh, D.; Hafkamp, W. Sustainability improvements in Egypt’s oil gas industry by implementation of flare gas recovery. J. Clean. Prod. 2015, 98, 116–122. [Google Scholar] [CrossRef]
  18. Hamidzadeh, Z.; Sattari, S.; Soltanieh, M.; Vatani, A. Development of a multi-objective decision-making model to recover flare gases in a multi flare gases zone. Energy 2020, 203, 117815. [Google Scholar] [CrossRef]
  19. Ojijiagwo, E.N.; Oduoza, C.F.; Emekwuru, N. Technological and economic evaluation of conversion of potential flare gas to electricity in Nigeria. Procedia Manuf. 2018, 17, 444–451. [Google Scholar] [CrossRef]
  20. Rahimpour, M.R.; Jamshidnejad, Z.; Jokar, S.M.; Karimi, G.; Ghorbani, A.; Mohammadi, A.H. A comparative study of three different methods for flare gas recovery of Asalooye Gas Refinery. J. Nat. Gas Sci. Eng. 2012, 4, 17–28. [Google Scholar] [CrossRef]
  21. Rahimpour, M.R.; Jokar, S.M. Feasibility of flare gas reformation to practical energy in Farashband gas refinery: No gas flaring. J. Hazard. Mater. 2012, 209, 204–217. [Google Scholar] [CrossRef]
  22. Iora, P.; Bombarda, P.; Gómez Aláez, S.L.; Invernizzi, C.; Rajabloo, T.; Silva, P. Flare gas reduction through electricity production. Energy Sources Part A Recovery Util. Environ. Eff. 2016, 38, 3116–3124. [Google Scholar] [CrossRef]
  23. Heidari, M.; Ataei, A.; Rahdar, M.H. Development and analysis of two novel methods for power generation from flare gas. Appl. Therm. Eng. 2016, 104, 687–696. [Google Scholar] [CrossRef]
  24. Shayan, M.; Pirouzfar, V.; Sakhaeinia, H. Technological and economical analysis of flare recovery methods, and comparison of different steam and power generation systems. J. Therm. Anal. Calorim. 2020, 139, 2399–2411. [Google Scholar] [CrossRef]
  25. Mousavi, S.M.; Lari, K.; Salehi, G.; Torabi Azad, M. Technical, economic, and environmental assessment of flare gas recovery system: A case study. Energy Sources Part A RecoveryUtil. Environ. Eff. 2020, 1, 1–13. [Google Scholar] [CrossRef]
  26. Villagomez, P.; Lamino, M.; Jacome, J.; Pastor, S. Utilization of high CO2 content formation gas for steam and electricity generation. In Aprovechamiento del Gas de Formacion con Alto Contenido de CO2 Para Generacion de Vapor y Electricidad; Insttituo Brasileiro de Petróleo, IBP: Rio de Janeiro, Brazil, 2008. [Google Scholar]
  27. Nezhadfard, M.; Khalili-Garakani, A. Power generation as a useful option for flare gas recovery: Enviro-economic evaluation of different scenarios. Energy 2020, 204, 117940. [Google Scholar] [CrossRef]
  28. Wallace, E.M.; Ehlig-Economides, C.A. Associated Shale Gas: From Flares to Rig Power. In Proceedings of the SPE E & P Health, Safety, Security and Environmental Conference-Americas, OnePetro, Denver, Colorado, 16–18 March 2015. [Google Scholar]
  29. Viswanathan, B. Energy Sources: Fundamentals of Chemical Conversion Processes and Applications; Newnes: Rio de Janeiro, Brazil, 2016. [Google Scholar]
  30. Gas Processors Association. Gas Processors Association. Gas Processors Suppliers Association (US). In Engineering Data Book; Gas Processors Association: Street Tulsa, OK, USA, 2004. [Google Scholar]
  31. Speight, J.G. Natural Gas: A Basic Handbook; Gulf Professional Publishing: Laramie, WY, USA, 2018. [Google Scholar]
  32. Faramawy, S.; Zaki, T.; Sakr, A.E. Natural gas origin, composition, and processing: A review. J. Nat. Gas Sci. Eng. 2016, 34, 34–54. [Google Scholar] [CrossRef]
  33. Gudmundsson, J.S.; Graff, O.F.; Kvaerner, A. Hydrate non-pipeline technology for transport of natural gas. In Proceedings of the 22nd World Gas Conference, Athens, Greece, 1–5 June 2003; Volume 4. [Google Scholar]
  34. Ayala Blanco, E.; Aparicio Ariza, A.A.; García Sánchez, C.E. Revisión del cálculo de poder calorífico y punto de rocío del gas natural, y de la estimación de sus incertidumbres. Rev. Ion 2016, 29, 87–99. [Google Scholar] [CrossRef]
  35. Cano, N.A.; Céspedes-Zuluaga, S.; Guerrero-Martin, C.; Gallego, D. Exergy and emergy: Complementary tools for assessing the environmental sustainability use of biosolids generated in wastewater-treatment plant for energy-production. Química Nova 2022, 45, 4–15. [Google Scholar] [CrossRef]
  36. Bauer, M.; Köck, M.; Jörg, K.; Ramakrishnan, C.; Mestiri, Y.; Scheed, A. Flare gas recovery in Tunisia--From liability to value. Oil Gas Facil. 2012, 1, 44–51. [Google Scholar] [CrossRef]
  37. Ribón, H.M.; Santos Santos, N.; Ortiz Cancino, O.P. Métodos de Deshidratación de Gas Natural. Rev. Fuentes El Reventón Energético 2010, 8. Available online: https://revistas.uis.edu.co/index.php/revistafuentes/article/view/1633 (accessed on 30 January 2022).
  38. Erdmann, E.; Ruiz, L.A.; Martínez, J.; Gutierrez, J.P.; Tarifa, E.E. Endulzamiento de gas natural con aminas. Simulación del proceso y análisis de sensibilidad paramétrico. Av. En Cienc. E Ing. 2012, 3, 89–101. [Google Scholar]
  39. Ekwonu, M.C.; Perry, S.; Oyedoh, E.A. Modelling and simulation of gas engines using Aspen HYSYS. J. Eng. Sci. Technol. 2013, 6, 1–4. [Google Scholar]
  40. Schefflan, R. Teach Yourself the Basics of Aspen Plus; John Wiley Sons: New York, NY, USA, 2016. [Google Scholar]
  41. Bello-Angulo, D.; Mantilla-Duarte, C.; Montes-Paez, E.; Guerrero-Martin, C. Box–Jenkins Methodology Application to Improve Crude Oil Production Forecasting: Case Study in a Colombian Field. Arab. J. Sci. Eng. 2021, 47, 11269–11278. [Google Scholar] [CrossRef]
  42. Karadas, F.; Atilhan, M.; Aparicio, S. Review on the use of ionic liquids (ILs) as alternative fluids for CO2 capture and natural gas sweetening. Energy Fuels 2010, 24, 5817–5828. [Google Scholar] [CrossRef]
  43. Mokhatab, S.; Poe, W.A.; Speight, J.G. Handbook of Natural Gas Transmission and Processing; Gulf Professional Publishing: Cambridge, MA, USA, 2012. [Google Scholar]
  44. Roy, P.S.; Amin, M.R. Aspen-HYSYS simulation of natural gas processing plant. J. Chem. Eng. 2011, 26, 62–65. [Google Scholar] [CrossRef]
  45. Parekh, R.D. Handbook of Gasifiers and Gas Treatment Systems; National Technical Information Service: Springfield, VA, USA, 1982. [Google Scholar]
  46. Kohl, A.L.; Nielsen, R. Gas Purification; Elsevier: Amsterdam, The Netherlands, 1997. [Google Scholar]
  47. Alfadala, H.E.; Al-Musleh, E.I. Simulation of an acid gas removal process using methyldiethanolamine; an equilibrium approach. In Proceedings of the 1st Annual Gas Processing Symposium, Doha, Qata, 10–12 January 2009; Elsevier: Amsterdam, The Netherlands, 2009; pp. 256–265. [Google Scholar]
  48. Altamash, T.; Amhamed, A.; Aparicio, S.; Atilhan, M. Effect of hydrogen bond donors and acceptors on CO2 absorption by deep eutectic solvents. Processes 2020, 8, 1533. [Google Scholar] [CrossRef]
  49. Amhamed, A.; Abotaleb, A. Novel AGR-EOR Combination for Treating Extra Natural Gas, Saving Energy, Maximizing Oil Production and CO2 Emissions Mitigation. In Proceedings of the Second EAGE Workshop on Well Injectivity and Productivity in Carbonates, Doha, Qatar, 10–12 December 2017; European Association of Geoscientists Engineers: Doha, Qatar, 2017; Volume 1, pp. 1–3. [Google Scholar]
  50. Guerrero-Martin, C.A.; Guerrero-Martin, L.E.; Szklo, A. Mitigation options to control greenhouse gas emissions in a colombian oil field. In Proceedings of the SPE International Conference and Exhibition on Health, Safety, Environment, and Sustainability, OnePetro, Virtual, Bogotá, Colombia, 27–30 July 2020. [Google Scholar]
  51. Abotaleb, A.; El-Naas, M.H.; Amhamed, A. Enhancing gas loading and reducing energy consumption in acid gas removal systems: A simulation study based on real NGL plant data. J. Nat. Gas Sci. Eng. 2018, 55, 565–574. [Google Scholar] [CrossRef]
  52. Amhamed, A.; Atilhan, M.; Berdiyorov, G. Permeabilities of CO2, H2S and CH4 through choline-based ionic liquids: Atomistic-scale simulations. Molecules 2019, 24, 2014. [Google Scholar] [CrossRef] [PubMed]
  53. Giwa, S.O.; Nwaokocha, C.N.; Kuye, S.I.; Adama, K.O. Gas flaring attendant impacts of criteria and particulate pollutants: A case of Niger Delta region of Nigeria. J. King Saud Univ. Eng. Sci. 2019, 31, 209–217. [Google Scholar] [CrossRef]
  54. Giwa, S.O.; Nwaokocha, C.N.; Odufuwa, B.O. Mitigating gas flare and emission footprints via the implementation of natural gas vehicles in Nigeria. Energy Policy 2017, 111, 193–203. [Google Scholar] [CrossRef]
  55. Okedere, O.B.; Elehinafe, F.B.; Oyelami, S.; Ayeni, A.O. Drivers of anthropogenic air emissions in Nigeria-A review. Heliyon 2021, 7, e06398. [Google Scholar] [CrossRef] [PubMed]
  56. Giwa, S.O.; Adama, O.O.; Akinyemi, O.O. Baseline black carbon emissions for gas flaring in the Niger Delta region of Nigeria. J. Nat. Gas Sci. Eng. 2014, 20, 373–379. [Google Scholar] [CrossRef]
Figure 1. Flared, produced, and transformed gas percentages in the years 2018 [6], 2019 [4], and until October 2020 [7] for the Colombian basins reported for the ANH.
Figure 1. Flared, produced, and transformed gas percentages in the years 2018 [6], 2019 [4], and until October 2020 [7] for the Colombian basins reported for the ANH.
Energies 15 07655 g001
Figure 2. Power generation scenarios.
Figure 2. Power generation scenarios.
Energies 15 07655 g002
Figure 3. Aspen HYSYS simulation [40].
Figure 3. Aspen HYSYS simulation [40].
Energies 15 07655 g003
Figure 4. TEG INLET molar flow vs. H2O Mole fraction.
Figure 4. TEG INLET molar flow vs. H2O Mole fraction.
Energies 15 07655 g004
Figure 5. DEA volume flow vs. i-pentane mole fraction.
Figure 5. DEA volume flow vs. i-pentane mole fraction.
Energies 15 07655 g005
Figure 6. DEA temperature vs. i-pentane, H2O, and the CS2, mole fraction.
Figure 6. DEA temperature vs. i-pentane, H2O, and the CS2, mole fraction.
Energies 15 07655 g006
Table 1. Gas composition in a petroleum field in the VMM basin in Colombia.
Table 1. Gas composition in a petroleum field in the VMM basin in Colombia.
ComponentFormulaMolar Fraction
MethaneCH40.824
EthaneC2H60.037
PropaneC3H80.030
ButaneC4H100.025
PentaneC5H120.022
Carbon DioxideCO20.007
Hydrogen SulfideH2S0.021
NitrogenN20.018
Carbonyl SulfideCOS0.005
HeliumHE0.001
Carbon disulfideCS20.002
WaterH2O0.008
Total1
Table 2. Energy consumption on a base model petroleum field.
Table 2. Energy consumption on a base model petroleum field.
EquipmentQuantityGross Electric Power [kW]Net Electric Power [kW]
Motor well311976.8
Motor oil loading pump13724
Motor water loading pumps 36743.2
Motor test tank pumps22214.4
Motor pumps to K.O. Drum2149.6
Motor sump pumps2127.68
Thermal oil pumps23824
Thermo heaters262.88
Trans. Auxiliary services1117.2
TOTAL 326209.76
Table 3. Lower heating value per component [40].
Table 3. Lower heating value per component [40].
ComponentLower Heating Value (MJ/kg mol)
Methane8.027 × 102
Ethane1.42 × 103
Propane2.045 × 103
Butane2.653 × 103
Pentane3.266 × 103
Carbon Dioxide0.000
Hydrogen Sulfide5.180 × 102
Nitrogen0.000
Carbonyl Sulfide5.477 × 102
Helium0.000
Carbon disulfide1.104 × 103
Water0.000
Table 4. Gas treatment dehydrating processes [37,42,43,44].
Table 4. Gas treatment dehydrating processes [37,42,43,44].
Gas Treatment
Dehydrating Processes
Process NameTreatment SubstanceConcentration (mol %)To RemoveAdvantages/Properties
Absorption with liquids
Diethylene GlycolDiethylene Glycol (DEG)95–99.5H2OIs used for temperatures below the 50 °F. Have big losses in the contractor for its high vapor pressure. Have a good performance as a hydrate’s inhibitor injected in the flowlines
Triethylene GlycolTriethylene Glycol (TEG)95–99.5H2OIs the most used and effective one, but a low temperature has a high viscosity. Should not be used for a temperature above 120 °F or it will have a big loss in the contractor
Tetraethylene GlycolTetraethylene Glycol (T4EG)-H2OIt is the most expensive one, is used for temperatures above the 120 °F
Adsorption by activated solid desiccants
Silica-based adsorbentsSilica gelDehydration towerH2OCan be used for heavy hydrocarbon gases for water removal. There is not reaction with H2S, sulfur can deposit and block their surface pores, the H2S mole fraction have below 5%
Alumina-based adsorbentsActivated aluminaDehydration towerH2OAlumina, which is alkaline, should not be used for drying gas with high concentrations of acid gases, such as CO2 and H2S. Absorbs 35–40 pounds of water per 100 pounds of alumina
Table 5. Gas treatment and the sulfur removal systems [38,42,45,46,47].
Table 5. Gas treatment and the sulfur removal systems [38,42,45,46,47].
Gas Treatment
Sulfur Removal System
Process NameTreatment SubstanceConcentrationTo RemoveAdvantages/Properties
ADIP processDi-isopropanol-amine (DIPA)1 mole amine per 0.6 mole H2SH2S, some CO2, and COSReduce the H2S to less than 5 ppm. The removal of the other components depends on the operating conditions
ALKAZID processAlkali salts of nonvolatile amino acids (Alkazid) “M” and Alkazid “DIK”25% wtH2S with the presence of CO2Selective removal of H2S when the gas has CO2 in its composition. A small amount of both components could be removed at high pressures.
MDEA ProcessMethyl-di-ethanol-amine (MDEA)30–50% wtH2S, HCN, Organic sulfides, and some CO2At low pressures, the H2S is absorbed with the CO2. The amount of removed elements depends on the operating conditions.
SULFIBAN ProcessMono-ethanolamine (MEA)12–20% wtH2S, COS, CS2, HCN, and some of the CO2Normally is used for low quantities of H2S and CO2 and no minor contaminants such as COS and CS2 at low pressures. The amount of removed elements depends on the operating conditions. Is very corrosive used with gas with a high molecular weight
Glycol-Amine ProcessMonoethanolamine with di- or triethylene glycol-Acid gases and dehydrationIs used when the water percentage is lower than 5%. Is very corrosive at high temperatures
DEA ProcessDiethanolamine (DEA)25–40% wtCOS, CS2, H2S, and CO2Is the best choice to treat the COS and CS2, and not the best when are a high amount of CO2
Diglycolamine processDiglycolamine with ethanol40–60% wtAcid gasesIs used to reduce the acid gases at low pressures. Have properties very similar to MEA
Table 6. VMM basin gas composition after treatment.
Table 6. VMM basin gas composition after treatment.
ComponentFormulaMolar Fraction
MethaneCH40.8623
EthaneC2H60.0386
PropaneC3H80.0313
ButaneC4H100.0261
PentaneC5H120.0208
Carbon DioxideCO20.000
Hydrogen SulfideH2S0.000
NitrogenN20.0188
Carbonyl SulfideCOS0.000
HeliumHE0.001
Carbon disulfideCS20.000
WaterH2O0.0011
Total1
Table 7. Energy evaluation.
Table 7. Energy evaluation.
Energy/DayValue (kW)
Total gross produced5.133
Compressor K-100−2.291
Total Net2.842
Treatment Equipment1258.584
Available Energy1583.416
Gross model field requirements326
Excess Energy1257.416
Publisher’s Note: MDPI stays neutral with regard to jurisdictional claims in published maps and institutional affiliations.

Share and Cite

MDPI and ACS Style

Ibañez-Gómez, L.F.; Albarracín-Quintero, S.; Céspedes-Zuluaga, S.; Montes-Páez, E.; Ando Junior, O.H.; Carmo, J.P.; Ribeiro, J.E.; Moreira, M.M.A.; Siqueira, A.A.G.; Guerrero-Martin, C.A. Process Optimization of the Flaring Gas for Field Applications. Energies 2022, 15, 7655. https://doi.org/10.3390/en15207655

AMA Style

Ibañez-Gómez LF, Albarracín-Quintero S, Céspedes-Zuluaga S, Montes-Páez E, Ando Junior OH, Carmo JP, Ribeiro JE, Moreira MMA, Siqueira AAG, Guerrero-Martin CA. Process Optimization of the Flaring Gas for Field Applications. Energies. 2022; 15(20):7655. https://doi.org/10.3390/en15207655

Chicago/Turabian Style

Ibañez-Gómez, Luisa Fernanda, Sebastian Albarracín-Quintero, Santiago Céspedes-Zuluaga, Erik Montes-Páez, Oswaldo Hideo Ando Junior, João Paulo Carmo, João Eduardo Ribeiro, Melkzedekue Moraes Alcântara Moreira, Adriano Almeida Goncalves Siqueira, and Camilo Andrés Guerrero-Martin. 2022. "Process Optimization of the Flaring Gas for Field Applications" Energies 15, no. 20: 7655. https://doi.org/10.3390/en15207655

APA Style

Ibañez-Gómez, L. F., Albarracín-Quintero, S., Céspedes-Zuluaga, S., Montes-Páez, E., Ando Junior, O. H., Carmo, J. P., Ribeiro, J. E., Moreira, M. M. A., Siqueira, A. A. G., & Guerrero-Martin, C. A. (2022). Process Optimization of the Flaring Gas for Field Applications. Energies, 15(20), 7655. https://doi.org/10.3390/en15207655

Note that from the first issue of 2016, this journal uses article numbers instead of page numbers. See further details here.

Article Metrics

Back to TopTop