A Novel Horse Racing Algorithm Based MPPT Control for Standalone PV Power Systems
Abstract
1. Introduction
2. Model of the PV Power Conversion Systems
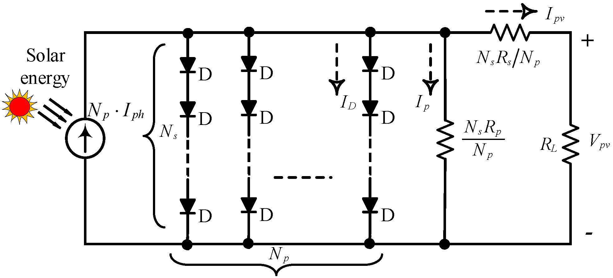
2.1. PV Power Array Model
2.2. DC-DC Boost Converter
3. Proposed HRA MPPT Method
3.1. The Qualifying Stage
- Step 1: Arrange the racing positions of the racehorses
- Step 2: Eliminate racehorses with the lower performance
- Step 3: Evaluate global best racehorses
- Step 4: Reviews and rankings
3.2. The Final Ranking Stage
- Step 5: Update the global best racehorses to yield their scores being close in extra laps. The update law is presented by:
4. Simulation Results
4.1. Three PV Panel Configuration Case
4.2. Two PV Panel Configuration Case
5. Experimental Verification and Discussion
5.1. Experimental Setting
5.2. Experimental Verification and Discussion
6. Conclusions
Author Contributions
Funding
Acknowledgments
Conflicts of Interest
References
- Li, G.; Chen, Y.; Yu, Y.; Tang, R.; Mawire, A. Performance and design optimization of single-axis multi-position sun-tracking PV panels. J. Renew. Sustain. Energy 2019, 11, 063701. [Google Scholar] [CrossRef]
- Shengqing, L.; Fujun, L.; Jian, Z.; Wen, C.; Donghui, Z. An improved MPPT control strategy based on incremental conductance method. Soft Comput. 2020, 24, 6039–6046. [Google Scholar] [CrossRef]
- Bhattacharyya, S.; Kumar, P.D.S.; Samanta, S.; Mishra, S. Steady Output and Fast Tracking MPPT (SOFT-MPPT) for P&O and InC Algorithms. IEEE Trans. Sustain. Energy 2021, 12, 293–302. [Google Scholar] [CrossRef]
- Abdel-Salam, M.; El-Mohandes, M.-T.; Goda, M. An improved perturb-and-observe based MPPT method for PV systems under varying irradiation levels. Sol. Energy 2018, 171, 547–561. [Google Scholar] [CrossRef]
- Chalh, A.; El Hammoumi, A.; Motahhir, S.; El Ghzizal, A.; Subramaniam, U.; Derouich, A. Trusted Simulation Using Proteus Model for a PV System: Test Case of an Improved HC MPPT Algorithm. Energies 2020, 13, 1943. [Google Scholar] [CrossRef]
- Tossa, A.K.; Soro, Y.M.; Coulibaly, Y.; Azoumah, Y.; Migan-Dubois, A.; Thiaw, L.; Lishou, C. Artificial intelligence technique for estimating PV modules performance ratio under outdoor operating conditions. J. Renew. Sustain. Energy 2018, 10, 053505. [Google Scholar] [CrossRef]
- Ahmed, S.; Muhammad Adil, H.M.; Ahmad, I.; Azeem, M.K.; e Huma, Z.; Abbas Khan, S. Supertwisting Sliding Mode Algorithm Based Nonlinear MPPT Control for a Solar PV System with Artificial Neural Networks Based Reference Generation. Energies 2020, 13, 3695. [Google Scholar] [CrossRef]
- Hadji, S.; Gaubert, J.-P.; Krim, F. Real-Time Genetic Algorithms-Based MPPT: Study and Comparison (Theoretical an Experimental) with Conventional Methods. Energies 2018, 11, 459. [Google Scholar] [CrossRef]
- Zhang, M.; Chen, Z.; Wei, L. An Immune Firefly Algorithm for Tracking the Maximum Power Point of PV Array under Partial Shading Conditions. Energies 2019, 12, 3083. [Google Scholar] [CrossRef]
- Chiu, C.-S.; Ngo, S. A Novel Algorithm-based MPPT Strategy for PV Power Systems under Partial Shading Conditions. Elektron. Ir Elektrotechnika 2022, 28, 42–51. [Google Scholar] [CrossRef]
- He, H.; Lu, Z.; Guo, X.; Shi, C.; Jia, D.; Chen, C.; Guerrero, J.M. Optimized Control Strategy for Photovoltaic Hydrogen Generation System with Particle Swarm Algorithm. Energies 2022, 15, 1472. [Google Scholar] [CrossRef]
- Ranganathan, E.; Natarajan, R. Spotted Hyena Optimization Method for Harvesting Maximum PV Power under Uniform and Partial-Shade Conditions. Energies 2022, 15, 2850. [Google Scholar] [CrossRef]
- Rizzo, S.A.; Scelba, G. A hybrid global MPPT searching method for fast variable shading conditions. J. Clean. Prod. 2021, 298, 126775. [Google Scholar] [CrossRef]
- Chao, K.-H.; Rizal, M.N. A Hybrid MPPT Controller Based on the Genetic Algorithm and Ant Colony Optimization for Photovoltaic Systems under Partially Shaded Conditions. Energies 2021, 14, 2902. [Google Scholar] [CrossRef]
- Chiu, C.-S.; Ngo, S. Hybrid SFLA MPPT design for multi-module partial shading photovoltaic energy systems. Int. J. Electron. 2022, 109, 1–22. [Google Scholar] [CrossRef]
- Al-Wesabi, I.; Fang, Z.; Farh, H.M.H.; Al-Shamma’a, A.A.; Al-Shaalan, A.M.; Kandil, T.; Ding, M. Cuckoo Search Combined with PID Controller for Maximum Power Extraction of Partially Shaded Photovoltaic System. Energies 2022, 15, 2513. [Google Scholar] [CrossRef]
- Sharma, A.; Sharma, A.; Jately, V.; Averbukh, M.; Rajput, S.; Azzopardi, B. A Novel TSA-PSO Based Hybrid Algorithm for GMPP Tracking under Partial Shading Conditions. Energies 2022, 15, 3164. [Google Scholar] [CrossRef]
- Danandeh, M.A.; Mousavi, G.S.M. Comparative and comprehensive review of maximum power point tracking methods for PV cells. Renew. Sustain. Energy Rev. 2018, 82, 2743–2767. [Google Scholar] [CrossRef]
- Gupta, A.; Chauhan, Y.K.; Pachauri, R.K. A comparative investigation of maximum power point tracking methods for solar PV system. Sol. Energy 2016, 136, 236–253. [Google Scholar] [CrossRef]
- Ngo, S.; Chiu, C.S. Simulation Implementation of MPPT Design under Partial Shading Effect of PV Panels. In Proceedings of the 2020 International Conference on System Science and Engineering (ICSSE), Kagawa, Japan, 31 August–3 September 2020; pp. 1–6. [Google Scholar]
- Ngo, S.; Chiu, C.S. A Short-Distance Running Algorithm Based MPPT Control Strategy for PV Power Systems Under Partial Shading Conditions. In Proceedings of the 2022 International Power Electronics Conference (IPEC-Himeji 2022- ECCE Asia), Himeji. Japan, 15–19 May 2022; pp. 1573–1577. [Google Scholar]
- Vankadara, S.K.; Chatterjee, S.; Balachandran, P.K.; Mihet-Popa, L. Marine Predator Algorithm (MPA)-Based MPPT Technique for Solar PV Systems under Partial Shading Conditions. Energies 2022, 15, 6172. [Google Scholar] [CrossRef]
- Windarko, N.A.; Nizar Habibi, M.; Sumantri, B.; Prasetyono, E.; Efendi, M.Z.; Taufik. A New MPPT Algorithm for Photovoltaic Power Generation under Uniform and Partial Shading Conditions. Energies 2021, 14, 483. [Google Scholar] [CrossRef]
- Premkumar, M.; Subramaniam, U.; Babu, T.S.; Elavarasan, R.M.; Mihet-Popa, L. Evaluation of Mathematical Model to Characterize the Performance of Conventional and Hybrid PV Array Topologies under Static and Dynamic Shading Patterns. Energies 2020, 13, 3216. [Google Scholar] [CrossRef]
- Akram, N.; Khan, L.; Agha, S.; Hafeez, K. Global Maximum Power Point Tracking of Partially Shaded PV System Using Advanced Optimization Techniques. Energies 2022, 15, 4055. [Google Scholar] [CrossRef]
- Basha, C.H.H.; Rani, C. Different Conventional and Soft Computing MPPT Techniques for Solar PV Systems with High Step-Up Boost Converters: A Comprehensive Analysis. Energies 2020, 13, 371. [Google Scholar] [CrossRef]
- Bouarroudj, N.; Boukhetala, D.; Feliu-Batlle, V.; Boudjema, F.; Benlahbib, B.; Batoun, B. Maximum Power Point Tracker Based on Fuzzy Adaptive Radial Basis Function Neural Network for PV-System. Energies 2019, 12, 2827. [Google Scholar] [CrossRef]
- Mao, M.; Zhou, L.; Yang, Z.; Zhang, Q.; Zheng, C.; Xie, B.; Wan, Y. A hybrid intelligent GMPPT algorithm for partial shading PV system. Control Eng. Pract. 2019, 83, 108–115. [Google Scholar] [CrossRef]
- Dileep, G.; Singh, S.N. An improved particle swarm optimization based maximum power point tracking algorithm for PV system operating under partial shading conditions. Sol. Energy 2017, 158, 1006–1015. [Google Scholar] [CrossRef]
- Cherukuri, S.K.; Rayapudi, S.R. Enhanced Grey Wolf Optimizer Based MPPT Algorithm of PV System Under Partial Shaded Condition. Int. J. Renew. Energy Dev. 2017, 6, 10. [Google Scholar] [CrossRef]
- Eltamaly, A.M.; Al-Saud, M.S.; Abokhalil, A.G.; Farh, H.M. Photovoltaic maximum power point tracking under dynamic partial shading changes by novel adaptive particle swarm optimization strategy. Trans. Inst. Meas. Control Eng. Pract. 2020, 42, 104–115. [Google Scholar] [CrossRef]
- Shi, J.-Y.; Zhang, D.Y.; Ling, L.T.; Xue, F.; Li, Y.J.; Qin, Z.J.; Yang, T. Dual-algorithm maximum power point tracking control method for photovoltaic systems based on grey wolf optimization and golden-section optimization. J. Power Electron. 2018, 18, 841–852. [Google Scholar] [CrossRef]
- Eltamaly, A.M. An Improved Cuckoo Search Algorithm for Maximum Power Point Tracking of Photovoltaic Systems under Partial Shading Conditions. Energies 2021, 14, 953. [Google Scholar] [CrossRef]
- Li, H.; Yang, D.; Su, W.; Lu, J.; Yu, X. An Overall Distribution Particle Swarm Optimization MPPT Algorithm for Photovoltaic System Under Partial Shading. IEEE Trans. Ind. Electron. 2019, 66, 265–275. [Google Scholar] [CrossRef]
















| Symbol | Paraphrase | Symbol | Paraphrase |
|---|---|---|---|
| Series resistance | Operating temperature | ||
| ev | Reverse saturation current | ||
| Photocurrent | Number of parallel panels | ||
| Short-circuit current | Number of serial panels | ||
| Ideal P-N junction factor | |||
| Voltage of a PV cell | Electronic charge () | ||
| Illuminance intensity | Reference temperature | ||
| Current of a PV cell | Boltzmann’s constant | ||
| Shunt resistance | Short-circuit current coefficient |
| Cases of Currents | Shaded PV Panel | Conducted Diode | Output Voltage |
|---|---|---|---|
| None | None | ||
| Description | Value | Description | Value |
|---|---|---|---|
| Maximum output power () | 200 W ± 10% | Short circuit current () | 8.21 A |
| Maximum operating current () | 7.61 A | Open circuit voltage () | 32.9 V |
| P-N junction parameter () | 1.8 V | PV cell in series () | 54 pcs |
| Maximum operating voltage () | 26.3 | PV cell in parallel () | 1 pc |
| Case | Irradiance Intensity (mW/cm2) | MPP (W) | Convergence Time (s) | ||
|---|---|---|---|---|---|
| PSO | GWO | HRA | |||
| 3 panels | 100, 100, 100 | 600.2 | 0.82 | 1.30 | 0.42 |
| 45, 75, 100 | 317.5 | 1.00 | 1.32 | 0.50 | |
| 65, 85, 100 | 426.2 | 1.00 | 1.12 | 0.58 | |
| 2 panels | 32, 85 | 140 | 0.98 | 1.14 | 0.40 |
| 85, 85 | 280 | 0.84 | 0.7 | 0.34 | |
| 57, 85 | 200.5 | 1.00 | 1.14 | 0.56 | |
Publisher’s Note: MDPI stays neutral with regard to jurisdictional claims in published maps and institutional affiliations. |
© 2022 by the authors. Licensee MDPI, Basel, Switzerland. This article is an open access article distributed under the terms and conditions of the Creative Commons Attribution (CC BY) license (https://creativecommons.org/licenses/by/4.0/).
Share and Cite
Ngo, S.; Chiu, C.-S.; Ngo, T.-D. A Novel Horse Racing Algorithm Based MPPT Control for Standalone PV Power Systems. Energies 2022, 15, 7498. https://doi.org/10.3390/en15207498
Ngo S, Chiu C-S, Ngo T-D. A Novel Horse Racing Algorithm Based MPPT Control for Standalone PV Power Systems. Energies. 2022; 15(20):7498. https://doi.org/10.3390/en15207498
Chicago/Turabian StyleNgo, Sy, Chian-Song Chiu, and Thanh-Dong Ngo. 2022. "A Novel Horse Racing Algorithm Based MPPT Control for Standalone PV Power Systems" Energies 15, no. 20: 7498. https://doi.org/10.3390/en15207498
APA StyleNgo, S., Chiu, C.-S., & Ngo, T.-D. (2022). A Novel Horse Racing Algorithm Based MPPT Control for Standalone PV Power Systems. Energies, 15(20), 7498. https://doi.org/10.3390/en15207498

