Next Article in Journal
Slug Flow Hydrodynamics Modeling for Gas–Liquid Two-Phase Flow in a Pipe
Next Article in Special Issue
Private Hospital Energy Performance Benchmarking Using Energy Audit Data: An Italian Case Study
Previous Article in Journal
Developing a Hydrogen Fuel Cell Vehicle (HFCV) Energy Consumption Model for Transportation Applications
Previous Article in Special Issue
A Methodology for the Identification and Characterization of Low-Temperature Waste Heat Sources and Sinks in Industrial Processes: Application in the Italian Dairy Sector
 
 
Font Type:
Arial Georgia Verdana
Font Size:
Aa Aa Aa
Line Spacing:
Column Width:
Background:
Article

Energy Performance of Italian Oil Refineries Based on Mandatory Energy Audits

Energy Efficiency in the Economic Sectors Laboratory (DUEE-SPS-ESE), Energy Efficiency Unit Department, Italian National Agency for New Technologies, Energy and Sustainable Economic Development (ENEA), C.R. Casaccia, Via Anguillarese 301, 00123 Rome, Italy
*
Authors to whom correspondence should be addressed.
Energies 2022, 15(2), 532; https://doi.org/10.3390/en15020532
Submission received: 12 November 2021 / Revised: 22 December 2021 / Accepted: 28 December 2021 / Published: 12 January 2022
(This article belongs to the Special Issue Industry and Tertiary Sectors towards Clean Energy Transition)

Abstract

Petroleum products account for the 32.3% of worldwide primary energy. There are more than 100 oil refineries in Europe that directly employ 119,000 people with a turnover of EUR 600 billion and around 1.2% to the total value added in manufacturing. Therefore, the petroleum refining sector is very important in the European economy, and its decarbonization is crucial in the energy transition. Refineries present a high degree of complexity and integration, and the continuous increase of their energy efficiency is a key topic for the sector. In this work an analysis of the energy efficiency in ten Italian refineries based on mandatory energy audits and public data is presented. The primary (0.0963 ± 0.0341 toe/t), thermal (3421.71 ± 1316.84 MJ/t), and electrical (68.20 ± 19.34 kWh/t) specific energy consumptions have been evaluated. Some insights about the impact of refined products mix (mainly driven by production of diesel fuel) and Nelson Complexity Index in energy consumption are presented. Lastly, an overview of energy performance improvement actions (EPIAs) information extracted from energy audits is presented. This work presents a first step for the benchmark of Italian refineries that should be subsequently improved.

1. Introduction

Nowadays, fossil fuels provide more than 80% of all the energy used worldwide. The products derived from petroleum are the first primary energy source since 1970 and its consumption has been constantly growing since the end of “1980s Oil Glut” in 1983 (except during the “2008 financial global crisis” and the “2020 COVID crisis”). Oil consumption increased annually by 1.3% from 2000 to 2019 (from 154.39 EJ to 191.89 EJ). This increase is driven by non-OECD countries (mainly China and India) with an annual rate of +3.1%, meanwhile consumption in the EU has been reduced by −0.3%. However, this trend is opposite to the share of oil consumed as part of global primary energy consumption (from 39.1% to 32.3%) mainly due to the substitution of oil by coal, natural gas and renewables in power generation [1]. Since Hubbert’s pioneering theory of “Peak oil” [2] the proven reserves of oil have been continuously increasing [1,3].
An oil or petroleum refinery is an industrial facility where crude oil and other feedstocks are processed into useful petroleum products. The main principle of refining is to separate and improve the hydrocarbon compounds that constitute crude oil to produce saleable products (such as gasoline, diesel fuel, petroleum naphtha, asphalt base, heating oil, kerosene, liquefied petroleum gas, jet fuel and fuel oils). A refinery includes three main process sections: separation (including the crude distillation unit [CDU]); conversion (including the gas recovery unit [GRU], hydrogen treatment unit [HTU], fluid catalytic cracking [FCC], and vacuum distillation unit [VDU]); and finishing (including catalytic reforming unit [CRU], distillate hydroforming unit [DHU], delayed coking unit [DCU], lube oil processing unit [LPU], asphalt processing unit [APU] and visbreaking). Each section is constituted by one or more process units with different configurations and operation parameters (pressure, temperature, catalyst, etc.) to perform their function [4]. In 2012, there was a worldwide total refining capacity of around 4400 million t/y, in 655 refineries (25% Asia, 20% North America and 20% Europe) [5].
In 2017, the 34.6% of global GHG emissions were produced by oil products [6], and refineries account for only 7% of all the industrial emissions in Europe [5], mainly due to combustion processes (90%) [7]. There are more than 100 oil refineries in Europe that directly employ 119,000 people with a turnover of EUR 600 billion and around 1.2% to the total value added in manufacturing [8]. Moreover, refineries are crucial for several value chains linked to energy-intensive industries, not only as fuel but also as feedstock suppliers. Therefore, the role of refineries and their decarbonization is crucial in the energy transition period from several points of view: a new hydrogen economy; carbon capture use and storage (CCUS); the circular economy; the valorisation of novel bio-feedstocks; and deep process electrification [9].
The refining sector is the main consumer of pure hydrogen worldwide [10] and it produces internally more than 1/3 of its consumption [11]. The share of internally installed production of hydrogen has tripled [12] in the past 20 years and the estimation of hydrogen-related emissions has doubled [7]. The main route of production is steam hydrocarbon reforming (more than 90% worldwide) [13,14]. Due to its extensive experience in fossil-based hydrogen, the refining sector presents a very high potential for the production of the so-called “blue hydrogen” [14,15,16]. This synthesis route mixes incorporate CCUS technologies in the production of hydrogen. The pure CO2 generated during the reforming reaction is subsequently (internally or externally) used in the refinery. The “first-blue-then-green” principle proposes the use of this technology as a first step in the development of infrastructures for the massive deployment of “green hydrogen” (based 100% on renewables).
Another important aspect to consider is the production of carbon-neutral liquid fuels from a circular economy perspective. The first generation of bio-refineries based on bio-oil from energy crops [17,18] has been overtaken by the second generation of biorefineries (based on waste valorisation) [18,19,20], the algae-based third generation [18,19,21], or the integrated biorefineries based on bio-chemical feedstocks [22,23]. The direct electrification of refining processes presents a low potential. However, the electrification of heat and mechanical processes can be sensibly improved in order to reduce the carbon intensity of refineries [9,24].
The refineries are an excellent example of heat integration and energy efficiency in industrial processes. The European sector already applies technologies at a large scale and has increased efficiency by 13% between 1990 and 2005 [7,9]. The increase of energy efficiency in refineries is a topic that has been studied in depth due to economic and environmental related implications (see Section 2).
The purpose of this research analysis is to characterize the status of energy efficiency in Italian refineries. In order to achieve this objective an analysis based on mandatory energy audits and public data has been carried out. Firstly, the specific energy consumption (primary, thermal and electrical) in refineries as function of the refining capacity was evaluated using linear regression models. Secondly, the impact of other key parameter in refining (production slate and complexity) in energy consumption was studied. Thirdly, an overview of energy performance improvement actions (EPIAs) collected from energy audits was analysed in order to understand the implemented and potential improvements of the sector with current technologies.
Previous related research has been focused, on the one hand, on the analysis of energy efficiency refineries (mainly in the U.S.) in order to allocate the GHG emissions related to fuel transportation refining; or, on the other hand, on the analysis of technologies to reduce the energy consumption of refining. These analyses require very detailed proprietary information on the sub-processes of the refineries. Only a few studies have been focused on the analysis of energy efficiency of the refineries globally, due to the complexity of the installations.
In this work, a hybrid approach was applied with several original contributions (to the best of the knowledge of the authors). Firstly, an analysis of the overall plant was developed considering the capacity of the refineries (this variable was excluded from previous published research). Hence, the primary, thermal and electrical specific energy consumption (SEC) rates of the refineries were modelled as function of the production. Secondly, most of the analysis of SEC provides the mean value of a region or the benchmark. This work also presented the variability of the SEC (as standard deviation) for the first time, outside of the U.S. refineries. Thirdly, the analysis of EPIAs provided market-based information about the cost-effectiveness of current technologies, in order to evaluate effectively the potential and short-term scenarios for energy efficiency. Fourthly, this work is completely new for the Italian refining sector (the second country in the EU). Lastly, this study extends to refineries the general methodology developed to characterize different productive sectors from energy audits previously validated within the cement industry [25].
Section 2 of this paper is devoted to a literature review of the energy efficiency characterisation of oil refineries, with a focus on the evolution of the Italian refining market. Section 3 presents the information available from energy audits and other public sources for the analysis of energy efficiency. Section 4 estimates by means of linear regression models the primary, thermal and electrical SECs; the impact of capacity in the reliability of the models; the influence of product slate and complexity in energy consumption; and the analysis of EPIAs. Finally, in Section 5 the main remarks and the limitations of this work are discussed.

2. Literature Review

2.1. Assessment of Energy Consumption in Oil Refineries

An extensive overview of energy efficiency measures, disaggregated by process unit was developed by Worrell et al. [26] in U.S. refineries. In this work a general overview of the distribution of mass and energy flows internally to the refineries was coupled with potential EPIAs. The analysis of the implementation potential of EPIAs in the different process units was subsequently refined by Morrow III et al. in [27]. A similar work for European refineries can be found in a BREF document from the European Commission [5]. These works are very useful to understand the complexity of the refineries, to allocate energy consumptions and energy costs internally, and to classify the potential EPIAs.
The reduction of contaminants from oil products, to comply with stringent environmental quality specifications, results in an increase of energy consumption in the refineries [28]. Szklo and Schaeffer [29] studied the impact of trade-offs between local (in transportation uses) and global (in refining process) emissions of pollutants. Different options for saving energy at refineries in the study included the improvement of heat integration and waste heat recovery, fouling mitigation, advanced process control, the use of variable speed and vacuum pumps, etc.). On the other hand, alternative treatment processes are less energy intensive than hydrotreating processes (e.g., ISAL, olefin alkylation of thiophenic sulphur (OATS), oxidative desulfurization process (ODP), or catalytic distillation (CD) processes), with specific application to Brazilian market. Similar analyses have been developed in Canada (with the particularity of comparing conventional with oil sands refineries) [30], and in Sweden (focused on heat integration measures) [31,32].
The energy intensity of refineries depends on multiple factors. First, each refinery presents a unique configuration, hence the refining capacity, the integration of different units and its complexity defines the general energy consumption (generally energy consumption increases with refinery complexity). Secondly, the properties of crude oil impacts on the energy required for refining (mainly API density and sulphur content). Thirdly, the production slate and product quality (as well as the connection with other petrochemical or power plants) varies among different markets, hence the energy intensity varies with the properties of the final refined products. Lastly, the oil refining sector presents very high standards on safety and environmental issues. The related processes and devices have a non-negligible impact on energy consumption.
There are three main methodologies to evaluate the energy efficiency in refineries: the “Solomon Energy Intensity Index (EII)”, the “Specific Energy Consumption” (SEC) and the “Products Method” [5]. The “Solomon EII” is the most used sectoral indicator to compare the energy intensity of mineral oil refineries [12,33]. This standard energy use index (property of Solomon Associates) is applied to benchmark the energy consumption of more than 500 refineries worldwide (including 99% of EU oil refining companies). The EII includes process unit energy standards that are individual expressions for each of the processes in the refinery and state the average standard energy consumption, and multiple confidential data from the refineries. These data are not available for all refineries and typically are considered confidential [5]. The initial value of global EII at the beginning of the use of this indicator (mid-1980’s) was fixed at 100. More efficient refineries present a lower EII. The last data present a global EII of 92, that reflect an increase on energy efficiency in the refineries. The top 10% EII worldwide values were equal to or below 75 [5]. In 2005, Italian refineries presented an EII of 81 [33].
The “SEC method” calculates the ratio between the energy consumed by the refinery and the tonnes of feedstock processed [34]. It is a simple index which does not take into account the complexity of the refinery and generally represents the mean value of the sector in a region or the SEC of the best available technology (BAT). This method was applied by Worrell et al. to analyze the potential improvements of different sectors (including oil refining) in Europe, obtain the SEC for six types of oil refinery products, and present an overall typical SEC of the refinery of SEC = 0.065 toe/t [35]. This value has been recently updated to the BAT refinery in the Middle East to SEC = 0.0569 toe/t [36].
The “Products Method” takes under consideration the chemicals and energy products in the refinery, calculating an SEC benchmark per tonne of energy products produced. This indicator is subsequently normalized for all the refineries in order to give an energy consumption benchmark for each refinery compared with the overall sector [37].
It is important to note the work of Wang et al. at the Argonne National Laboratory which developed the GREET model for life-cycle analysis of vehicle technologies, transportation fuels, and other energy systems. This model was firstly applied to address the allocation of energy uses and emissions for different refinery products in a generic simplified refinery (evaluating at process unit level) [38]. This approach was subsequently applied to analyse the energy efficiency of U.S. refineries in three excellent works. In the first one 43 refineries were analysed (SEC = 0.091 ± 0.033 toe/t), which suggested that the efficiency of refineries seems to be sensitive to product slate (mainly the ratio diesel/gasoline and heavy ratio yield), crude quality (mainly API density and sulphur content), seasonal (the energy efficiency is 1% higher in winter) and regional factors, refinery configuration and complexity [39]. This analysis was subsequently refined by petroleum product (Gasoline, Diesel, Jet, RFO, LPG and Petcoke), confirming the impact of different parameters and allowing to allocate the GHG emissions intensities of different products [40]. The analysis was further extended to include 17 European refineries confirming, on the one hand, the importance of crude density (API gravity) and heavy product (HP) yields, and, on the other hand, that refineries with high complexity are more resource efficient, but more energy and GHG intensive [41]. This analysis was carried with comprehensive information on all the internal streams and mass and energy balances of the refineries without considering the impact of refinery size (only considering refineries capacities higher than 100,000 bbl/day). This method was compared with other energy content, economic value and value added models in order to allocate the GHG emissions (including the SEC) by product in European refineries [42]. This study suggests that the impact of light (hydrogen) and heavy (petcoke and fuel oil) products is crucial in the energy intensity of the refineries and its impact tends to be minimised, with a greater focus on main transportation fuels.
Nelson complexity index (NCI) is a key parameter for refineries. This index was developed in the 1960s and 1970s by W.L. Nelson in a series of articles for the Oil & Gas Journal [43] and it is still used in the annual review of refineries’ complexity [44]. NCI quantifies the sophistication and capital intensity of a refinery and it is a parameter used for facility classification, cost estimation, sales price models, etc. [4]. This parameter has been included by the Argonne’s group as a key parameter of energy efficiency in refineries. However, the NCI of a refinery can be obtained from different configurations, hence its importance in SEC is lower than crude and product properties [40]. Kaiser analysed in detail the primary applications of refinery complexity and as well as its limitations, providing alternative approaches to extend the applicability of the NCI [4,45]. In these works, after an extensive review of worldwide refineries, it was not possible to directly observe a correlation between complexity and throughput of the refineries and a modest correlation with conversion capacity. Hence, NCI quantitative applications must be considered with caution.

2.2. Oil Refining in Italy

Italy is the 8th largest oil importer worldwide (1.24 M barrels/day) and 2nd in EU-27 [1,6]. During 2017, the 11 Italian oil refineries processed 80.3 Mt of crude oil, which represents a refinery utilization rate of 79.6%. The 7.2% of crude oil refined was extracted in Italy (70% in the Basilicata region), therefore the oil sector is dependent on external markets. This external dependence is aligned with EU countries (the energy EU dependency rate is 61%) [46]. Despite its importance, the refining sector in Italy is presently in a contraction period. As presented in Figure 1, from mid-1980s to mid-1990s refining sector suffered a reduction in refining capacity and the decommissioning of several refineries (from 36 to 18 in Italy) due to the structural overcapacity for distillation since the “1973 First Oil Crisis” (and the subsequent “1979 Oil Shock” and “1980s Oil Glut”). The subsequent “2008 Financial Crisis” had a high impact on the refining sector. The EU refining margin fell from above to below the average margin of their competitors (U.S., Russia, Middle East and South Korea/Singapore) mainly due to the increase in energy operating costs [47]. This crisis has reduced the EU refining capacity by 10% and forced the shutdown of 5 Italian refineries from 2008 (from 16 to 11).
The typical product slate of OECD and Italian refineries is showed in Figure 2 [6]. On the one hand, it is important to note that 40% of Italian refinery production is diesel fuel, more than double that of gasoline. On the other hand, the ratio diesel/gasoline is almost 3:1 in OECD countries [6]. Hence, an imbalance of products is observed mainly due to internal consumption that is triple the amount of diesel compared to gasoline. This trend is aligned with EU market that exports gasoline and imports diesel [5]. The imports of Italian refinery products are 1/3 of the overall production.
Extensive information about the refining sector in Italy is regularly published by UNEM (“Unione Energie per la Mobilità”, “ex-Unione Petrolifera”) and by ENI [6,48] and at the European level by CONCAWE [7,28], FuelsEurope [49] and the European Commission Joint Research Centre [5,8]. However, scientific literature about Italian refineries is relatively scarce and it is mainly focused on environmental (gas pollutant emissions [50], volatile organic compounds [51] and impact in soils [52]) and socioeconomic [53,54] assessments of refineries. Only in [55] is an overview presented of the status of implementation of BAT related to energy efficiency in some Italian industrial sites involved in the integrated pollution prevention and control (IPPC-IED) European Directives. This analysis includes 12 refineries and showed the high maturity of the Italian refining sector in terms of heat integration (except Pinch analysis), process optimization, and cogeneration.

3. Materials and Methods

According to the Italian transposition of Art.8 of European Energy Efficiency Directive, large companies and energy intensive enterprises must carry out, starting from 2015 and every four years, energy audits of their production sites [56,57]. The refining activities are highly energy intensive, and they are associated with large companies and sites with high energy consumption rates. Specifically, all companies must submit to ENEA (as national manager of energy audits database) the energy audits of all their production sites with a primary energy consumption higher than 10,000 toe [58].
In this work the energy consumption, referring to 2018 data from 10 Italian refineries, has been analysed (see Table 1). They represent the 84% of the total installed refining capacity in Italy. Two refineries have been excluded in this study due to their unique features: the ENI 2nd Generation biorefinery at Gela (the most innovative refinery in Europe, 0.75 Mt/year) [59] and the high quality bitumen ALMA refinery at Ravenna (0.55 Mt/year) [60].
In order to ensure anonymity of the information provided by the companies only aggregated and public data are presented in this study. The capacity of different refineries is published by UNEM) [6]. Energy audits include detailed information about energy flows and consumptions inside the refinery, including exchanges of energy between units. However, the energy efficiency indicators refer to the refined crude oil, and the distribution of final products is not included. These data have been obtained from publicly available data [61,62,63,64,65,66,67,68,69,70].
The NCI of a refinery is calculated as the sum of the complexity factors of all the process units, weighted by the unit capacities relative to atmospheric distillation unit (ADU),
NCI   Refinery = Capacity   Unit Capacity   ADU · CF Unit
The complexity factors of the units are defined by the cost of the unit relative to the cost of ADU normalized on a capacity basis
CF   Unit = Cost   Unit · Capacity   Unit Cost   ADU · Capacity   ADU
The CF are standard values that depends on the processes. For example, CF of ADU is 1, CF of vacuum distillation is 2, and CF of fluid catalytic cracking is 6. Multiple CF values are listed and updated periodically. However, CF values present a non-negligible uncertainty level that drives the companies to adapt them to their specific needs [4,45,48].
Despite the extensive use of this information, the updated NCI value of most Italian refineries has not been published. Only two refineries update periodically the values of their NCI and for the rest of the refineries the last available values date back to 2007 [71]. Hence, a methodology to estimate the NCI of the analysed refineries has been developed.
Energy audits contain information about the energy flows on different units, but the capacity of each unit is not reported. Therefore, it is not possible to directly calculate the NCI. However, by cross-referencing the information from product ratios with the typical distribution of different refining processes and their relative unit capacity (see Figure 3) on conventional refineries [26,30] it has been possible to obtain a first approximation of NCIs. Subsequently, by taking the updated values as reference, some CF values have been adjusted and the NCIs have been recalculated for 7 refineries (Table 1). The averaged NCI value is equal to 9.2 with a sensible increase from past values (7.0 in 2005 and 9.0 in 2009) [5,71]. This increase is perfectly aligned with European refineries (9.2 in 2018, 8.3 in 2000) [6]. This value should be reviewed and confirmed to include the refineries excluded from the analysis and the bio-refinery units.
Refineries present a high degree of energy integration among units and a high complexity of energy units (mainly several MWe combined heat and power plants). In fact more than 90% of the energy of refineries is produced internally by the reuse of internal by-products [7,46,72]. The most important internal energy source is the refinery fuel gas (RFG), a mixed of different light hydrocarbons, mainly methane and ethane, with different proportions of propane, butane and hydrogen. Energy audits provide information about the uses of 10 different energy carrier flows in the units of analysed refineries with a focus on: electricity (purchased and internally generated), natural gas, auto-produced fuels, and steam (mainly internally generated in cogeneration units). The RFG accounts for nearly 65% of the total EU refinery fuel and its relative weight depends on refinery complexity [28]. The mean consumption of RFG in the analysed refineries accounts for about 49%.
It is important to highlight that the present work is focused on the analysis of energy consumption as a function of the production of oil derived fuels (GPL, gasoline, diesel/jet fuel, and fuel oil and other vacuum products). Power generation is a very important business associated to oil refineries [73], but its analysis is excluded from this work. Specifically, three integrated gasification combined cycles (IGCC) plants using refinery residues as feedstock are installed at SARAS (570 MWe), API (280 MWe) and ISAB (550 MWe) refineries [55].

4. Results and Discussion

4.1. Energy Consumption Analysis

Best practices for the study of energy consumption in specific industrial sectors recommend that analyses are based on physical units of production (instead of economic data), as the information must be sufficiently disaggregated to allow for the analysis of processes and sites, and the models used in the evaluation should be general enough to be applied in different sectors [74]. Therefore, the use of the information from energy audits is ideal to define the sectoral specific energy consumption (SEC) [34]. The use of linear regression models is widely used for benchmarking analysis and energy efficiency measures [75,76,77,78,79] and a methodology for the characterization of productive sectors from energy audits has been developed and tested in a previous work (for a different industrial sector) [25]. Hence, the first step of the present work is to analyse the primary energy consumption (in tonnes of equivalent oil, normalized according to official conversion factors [80]) and the final electrical (in GWh) and thermal (in TJ) yearly consumptions as a function of the annual refined crude oil (in tonnes). The results of the regression are presented in Appendix A.
The linear regression between energy consumption and production presents a very high correlation (R2 > 0.9), with a coefficient of correlation higher than critical Pearson correlation coefficient (Rcrit = 0.7079, for a sample size n = 10 and α = 0.01). Moreover, the low p-values (<0.0001) confirm that the analysis is statistically significant. However, as presented, the intercept of the regression presents a low reliability (the p-value associated with a two-tailed test “Prob > |t|” > 0.01) and a negative value. Hence, the correlation is not valid in all the crude oil refining range. As it is explained in the following, the range of validity of the correlation can be divided in three intervals of production:
-
From 1.5 Mt to 3 Mt—No reliable
-
From 3 Mt to 6 Mt—Medium reliability
-
From 6 Mt to 15 Mt—High reliability
The SEC is defined as the ratio of energy used for refining a tonne of crude oil. Thus, SEC is calculated dividing both sides of the production function (from linear regression) and is represented by a hyperbolic function:
SEC   toe , GWh , MJ / t = a   toe , GWh , MJ / t + b   toe , GWh , MJ x   t
where a and b respectively represent the slope and the intercept of the linear regression line. The values of primary, electrical and thermal SEC are presented in Table 2.
The analysis of the SEC model uncertainty was developed to a significance level (α = 0.05). Upper and lower limit curves of statistical significance (SECmodel ± 2σ) have been defined through the propagation of the statistical error (based on the covariance matrix). The results for electrical and thermal SEC are presented in Figure 4 and Figure 5.
It is possible to observe that there is not an economy of scale in the production, from an energy point of view. In other words, the energy consumption increases with production. This is due to the fact that there is no direct correlation between refining capacity and complexity and subsequent product slate (that define the main consumptions) of the refinery. An additional parameter that impacts on the energy consumption is the crude quality (i.e., API gravity or sulphur content) and its effect cannot be evaluated from energy audits information [41].
This analysis also shows that the SEC model presents two different areas. If production is higher than 6 Mt, energy consumption increases linearly with production and the mean and limits of the model are consistent with SEC mean values. For lower productions, the model uncertainty increases, and its accuracy decreases significantly (particularly under 3 Mt). Hence, for low productions the model is not reliable.
In the analysed energy audits, the allocation of energy flows inside the refinery is divided among the different standardized sub-processes and units [81]. The final production distribution directly depends on the presence and capacity of specific units as functions of NCI. Hence, the production slate directly impacts the energy consumption and on the subsequent allocation of GHG emissions by product [40].
Therefore, an additional analysis based on linear regression was carried out to evaluate the correlation between primary, electrical and thermal energy consumptions and the final production in four different classes:
  • LPG: includes liquefied petroleum gas and other gaseous products (propane, propylene, etc.)
  • GASOLINE: mainly includes gasoline and virgin naptha
  • DIESEL: includes distillates mainly diesel and jet fuel. Other products are kerosene and heating oil
  • FUEL OIL & OTHERS: includes other vacuum distillation products: heavy fuel oil, petcoke, lubricating oils, waxes, asphalt, etc.
The linear correlations betweeen energy consumption and refined product classes (and their confidence intervals) are presented in Figure 6, Figure 7 and Figure 8. The confidence intervals, which are displayed as the shaded area between linear regression and confidence curves, provide a range of values for the predicted mean for a given value of the predictor for α = 0.05. The bands represent the uncertainty in the estimation of the true line, thus, uncertainity of the correlation increases with the confidence interval area. Table 3 summarizes the statistical regression parameters of Figure 6, Figure 7 and Figure 8.
It is important to note that the three energy consumption analyses present a very high correlation with diesel production. The coefficients of determination for diesel production are: R2(primary) = 0.940, R2(thermal) = 0.935, and R2(electrical) = 0.890. The energy consumption presents a high correlation with the production of gasolines (R2 > 0.75) with a very high correlation with electrical consumption R2(electrical) = 0.914. On the contrary, energy consumption presents a low correlation with LPG production and a null correlation with Fuel oil and others. Hence it is possible to hypothize that energy consumption of Italian refineries is primarly dependent on the middle distillates production and secondly from gasolines.
The main reason is linked with the relative weight of both products in the overall production. Diesel accounts for 50% of the global products, meanwhile gasoline accounts for 25%. However, it is important to note that gasoline production routes involve more processes than other products [40]. Hence the higher product-specific energy consumption ratio increases the correlation between energy consumption and gasoline products. Specifically, electricity-intensive units are mainly correlated to gasoline production (alkylation, hydrocracking and fluid catalytic cracking) [30] and this is reflected in a slightly higher correlation (R2electrical[Gasoline] = 0.914 vs. R2electrical[Diesel] = 0.890).
The importance of the diesel and gasoline ratios is in line with the literature data [38]. However this analysis is limited due to the lack of information contained in the energy audits, specifically the product slate and the mass flows in the sub-processes. Therefore it is not possible to analyse in detail the allocation of energy performance by specific product (Gasoline, Diesel, Jet, RFO, LPG and Petcoke) and to compare them with other sources [35,40,41].
Given the identified correlation between products distribution, despite the missing correspondence between NCI and capacity [4], it would be plausible to hypothesize a correlation between refineries complexity and their energy consumption and product slate as presented in [39,40,41]. However, not-statistically significant and very low correlations between NCI and energy consumption and production are observed (Figure 9). This result is in agreement with literature data where only a low correlation between NCI and capacity has been observed [4,45]. The lack of correlation between NCI and energy consumption is also linked to the low correlation with product slate. Usually, NCI increases with gasoline ratio, and decreases with diesel ratio. This trend is weakly observed only in diesel, showing a practically null correlation with the gasoline ratio.
It is important to note that this correlation can be also partially due to the uncertainty of the calculation of NCI. The values have been calculated from the information contained in the energy audits, but the capacity of each unit has been estimated from literature.

4.2. Energy Perfomance Improvement Actions (EPIAs) Analysis

For the ten examined refineries, energy audits also include information on energy efficiency measures implemented in the last four years, namely in the period between the last energy audit available (referred to as the December 2019 deadline) and the previous mandatory energy audit. The measures are described in terms of investments and energy savings and thus a cost effectiveness indicator can be computed, expressing the cost of saving one tonne of oil equivalent in different intervention areas.
Information on identified energy efficiency measures is also available, and on the potential savings associated with them: indeed, these measures are not yet planned, and their possible planning could be deferred in time. For these measures, a simple payback period is also available, computed without considering the access to existing incentive mechanisms for energy efficiency [82].
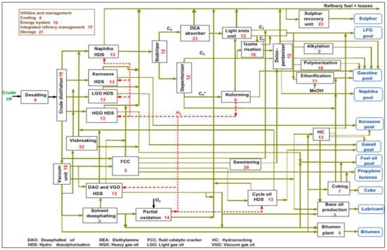
The energy needed for the refining process represents more than 60% of total refining costs [28] and this confirms that energy efficiency is a relevant issue also in the refining sector. Moreover, refineries are energy intensive industries and according to the Legislative Decree 73/2020 they are obliged to implement at least one of the energy efficiency measures identified in the energy audit. The analysis of implemented and planned measures shows the importance of interventions related to the production process, which are in each case very specific to the refining site examined and difficult to categorise. In fact, refineries are in general very complex sites, with different process units highly integrated with each other (Figure 3) and this implies very diversified industrial profiles.
According to the information provided in the energy audits, the refineries examined in the last four years have introduced 27 measures to improve energy efficiency. Among these measures, more than 80% have quantitative information on savings, which are equal to 44 ktoe/year of final energy and to additional 5 ktoe/year of primary energy. In the final energy savings, the main intervention category is production lines, with 30 ktoe of annual saving (66% of the total), referrings to intervention such as integration of heat recovery systems (in furnaces), flare gas recovery units, or the electrification of mechanical systems (mainly in air coolers and FCC units). This result is aligned with best available techniques as suggested by national regulations [55]. Pressure systems represent 9 ktoe (21%), followed by thermal power plant and other heat recovery systems with 5.5 ktoe (13%). The cost effectiveness indicator has the best value for production lines, around 1100 Euro/toe, followed by Pressure systems with a slightly higher value (1300 Euro/toe)
Energy audits also report 39 measures identified by the refineries analysed. Also in this case, quantitative information on savings is available for more than 80% of the measures (see Table 4). Potential savings of final energy are equal to 54 ktoe/year and potential savings of primary energy are almost negligible, since the unique measure identified in the production category from renewable sources (photovoltaic) is associated with a savings of 14 toe/year. As for implemented measures, the production lines category is associated with the majority of savings (80%, 43 ktoe/year), with interventions mainly focused on heat recovery systems and revamping of units (mainly VDU and HDS) and burners, followed by electric motors/inverters (12%, 6.3 ktoe/year), and thermal power plant and other heat recovery systems (5%, 2.5 ktoe/year). The production lines category has a good value for cost effectiveness indicator, which is around 900 Euro/toe; measures in the electric motor/inverter category have a similar value to the indicator, whereas measures in pressure systems have again a value around 1300 Euro/toe. In terms of simple payback time, the lowest value was observed in the thermal power plant and heat recovery category (lower than 2 years), followed by pressure systems and production lines (around 3 years).
The sum of implemented and identified EPIAs in the energy audits accounts for global energy savings close to 1.5% of final energy consumption of the analysed refineries. It is important to note that EPIAs usually are implemented during maintenance turnarounds of the refineries. These planned breaks in production are periodically carried out to have preventive maintenance, renovations, or upgrades. The turnarounds of the refineries take place every three or five years and for some weeks the production is stopped. Therefore, the costs are very high, and they require extensive and careful efforts in planning and coordination of the works. Hence, the analysis of EPIAs in energy audits should be integrated in the turnaround planning.

5. Conclusions

In this work the analysis of the energy performance of Italian oil refineries based on mandatory energy audits and public information was presented. For the first time primary, electrical and thermal consumptions as functions of refinery capacity have been evaluated. The analysis has been based on empirical data that present a value added for industry and academia despite their uncertainties.
A strong correlation between energy consumption and the quantity of crude oil refined has been observed. However, an analysis of SEC with production revealed that other factors have a stronger impact on the energy consumption of refineries than refining capacity. The variability and uncertainty of SEC is lower in refineries with high capacity (6–15 Mt) than in small ones (3–6 Mt). Hence the size of the plant should be considered in the calculation of the SEC.
Other key variables have been analysed. On the one hand, energy consumption is mainly driven by diesel products and, in a second order, by gasoline products with a high impact on electrical consumption. On the other hand, no correlation between the Nelson complexity index and energy consumption has been observed.
The analysis of implemented and identified EPIAs has been carried out. Despite the high degree of integration and efficiency of the refineries, most of the energy efficiency interventions are focused on the improvement and revamping of current units, with particular attention to heat integration and recovery.
This work provides important insights and updates and represents a first step for benchmarking refinery energy consumption. The analysis carried out shows that to achieve a better level of detail it will be necessary to collect additional information that is not currently contained in energy audits, such as the specific properties of crude oil, a higher detail of final products distribution, comprehensive information of mass balances by production unit integration, and a current complexity index of each refinery. Therefore, the methodology to develop more effective energy audits should be improved including information about these parameters.
The number of samples limited the statistical significance of a multiple variable linear regression analysis. However, with more details related to crude oil, product slate and sub-process mass balances, the current work could be sensibly improved. Moreover, the robustness of the models should be improved if monthly data were available.
Finally, the methodology developed should be replicated with the energy audits received every four years. The impact of the implementation of energy efficiency measures in the sector could be analysed and a detailed trend of the evolution of the refining sector with time could be studied. More detailed information gathering in the energy audits (including information about mass balances, crude and product properties and complexity) should be very useful to policymakers and improve the sectoral benchmark.

Author Contributions

C.H.—Conceptualization, Data curation, Formal analysis, Methodology, Writing—original draft. C.M.—Conceptualization, Methodology, Writing—original draft, Writing—review & editing. M.S.—Conceptualization, Methodology, Writing—review & editing. C.T.—Conceptualization, Formal analysis, Methodology, Writing—review & editing. All authors have read and agreed to the published version of the manuscript.

Funding

This work has received funding in National Electrical System Research Program (RdS PTR 2019–2021—WP1.6), “Piano Triennale della Ricerca del Sistema Elettrico Nazionale 2019–2021” implemented under programme agreements between the Italian Ministry for Economic Development and ENEA, CNR, and RSE S.p.A.

Institutional Review Board Statement

Not applicable.

Informed Consent Statement

Not applicable.

Conflicts of Interest

The authors declare no conflict of interest. The funders had no role in the design of the study; in the collection, analyses, or interpretation of data; in the writing of the manuscript, or in the decision to publish the results.

Appendix A. Bivariate Statistical Analysis

This appendix presents the main results of regression analysis for the calculation of primary, electrical, and thermal SECs, according to JMP 15 software, including details of the linear fit, summary of fit, analysis of variance and parameter estimates.
Appendix A1. Bivariate Fit of Primary Energy Consumption [toe] By Crude Oil Refined [t]
Linear Fit
Primary Energy Consumption [toe] = −312,425.5 + 0.1596493 × Crude Oil Refined [t]
Table A1. Summary of Fit.
Table A1. Summary of Fit.
RSquare0.949723
RSquare Adj0.943438
Root Mean Square Error162,631.9
Mean of Response750,193.5
Observations10
Table A2. Analysis of Variance.
Table A2. Analysis of Variance.
SourceDFSum of SquaresMean SquareF Ratio
Model13.9969 × 10+123.997 × 10+12151.1171
Error82.1159 × 10+112.645 × 10+10Prob > F
C. Total94.2085 × 10+12 <0.0001
Table A3. Parameter Estimates.
Table A3. Parameter Estimates.
TermEstimateStd Errort RatioProb > |t|
Intercept−312,425.5100,583.3−3.110.0145
Slope0.15964930.01298712.29<0.0001
Appendix A2. Bivariate Fit of Electrical Consumption [GWh] By Crude Oil Refined [t]
Linear Fit
Electrical Consumption [GWh] = −152.9579 + 9.8465 × 10+5 × Crude Oil Refined [t]
Table A4. Summary of Fit.
Table A4. Summary of Fit.
RSquare0.93824
RSquare Adj0.93052
Root Mean Square Error111.8482
Mean of Response502.4196
Observations10
Table A5. Analysis of Variance.
Table A5. Analysis of Variance.
SourceDFSum of SquaresMean SquareF Ratio
Model11,520,383.51,520,384121.5333
Error8100,080.112,510Prob > F
C. Total91,620,463.6 <0.0001
Table A6. Parameter Estimates.
Table A6. Parameter Estimates.
TermEstimateStd Errort RatioProb > |t|
Intercept−152.957969.17496−2.210.0580
Slope9.8465 × 10−58.932 × 10−611.02<0.0001
Appendix A3. Bivariate Fit of Thermal Consumption [TJ] By Crude Oil Refined [t]
Linear Fit
Thermal Consumption [TJ] = −11,782.73 + 0.0058019 × Crude Oil Refined [t]
Table A7. Summary of Fit.
Table A7. Summary of Fit.
RSquare0.93245
RSquare Adj0.924007
Root Mean Square Error6913.854
Mean of Response26,834.58
Observations10
Table A8. Analysis of Variance.
Table A8. Analysis of Variance.
SourceDFSum of SquaresMean SquareF Ratio
Model15,278,785,1655.2788 × 10+9110.4316
Error8382,411,06347,801,383Prob > F
C. Total95,661,196,227 <0.0001
Table A9. Parameter Estimates.
Table A9. Parameter Estimates.
TermEstimateStd Errort RatioProb > |t|
Intercept−11,782.734276.025−2.760.0248
Slope0.00580190.00055210.51<0.0001

References

  1. BP. Statistical Review of World Energy 2021; BP p.l.c. Available online: https://www.bp.com/en/global/corporate/energy-economics/statistical-review-of-world-energy.html (accessed on 11 November 2021).
  2. Hubbert, M.K. Nuclear Energy and the Fossil Fuels; Publication No. 95; Shell Development, Co.: Houston, TX, USA, 1956; pp. 1–40. [Google Scholar]
  3. Nashawi, I.S.; Malallah, A.; Al-Bisharah, M. Forecasting World Crude Oil Production Using Multicyclic Hubbert Model. Energy Fuels 2010, 24, 1788–1800. [Google Scholar] [CrossRef]
  4. Kaiser, M.J. A review of refinery complexity applications. Pet. Sci. 2017, 14, 167–194. [Google Scholar] [CrossRef]
  5. Barthe, P.; Chaugny, M.; Roudier, S.; Delgado-Sancho, L. Best Available Techniques (BAT) Reference Document for the Refining of Mineral Oil and Gas; JRC: Publications Office of the European Union: Luxembourg, 2015. [Google Scholar]
  6. Unione Petrolifera. Data Book 2020. Unem. Available online: https://www.unem.it/wp-content/uploads/2019/12/Data-Book-2020.pdf (accessed on 11 November 2021).
  7. CONCAWE. CO2 Emissions from EU Refineries; CONCAWE: Brussels, Belgium, 2008; Available online: https://www.concawe.eu/wp-content/uploads/2017/01/cr171-co2_emissions_from_refineries-2008-01728-01-e.pdf (accessed on 11 November 2021).
  8. Lukach, R.; Marschinski, R.; Bakhtieva, D.; Mraz, M.; Temurshoev, U.; Eder, P.; Delgado Sancho, L. EU Petroleum Refining Fitness Check: Impact of EU Legislation on Sectoral Economic Performance; EUR 27262 EN; JRC Science Hub: Brussels, Belgium, 2015. [Google Scholar] [CrossRef]
  9. European Commission. Masterplan for a Competitive Transformation of EU Energy-Intensive Industries Enabling a Climate-Neutral, Circular Economy by 2050; Publications Office of the European Union: Luxembourg, 2019. [Google Scholar] [CrossRef]
  10. IEA. The Future of Hydrogen; International Energy Agency: Paris, France, 2019; Available online: https://www.iea.org/reports/the-future-of-hydrogen (accessed on 11 November 2021).
  11. U.S. Energy Information Administration (EIA). Hydrogen for Refineries is Increasingly Provided by Industrial Suppliers. Available online: https://www.eia.gov/todayinenergy/detail.php?id=24612 (accessed on 11 November 2021).
  12. Ellerington, T. Refining Fitness Check: Step 1. In Proceedings of the 11th Concawe Symposium, Brussels, Belgium, 23–24 February 2015. [Google Scholar]
  13. Holladay, J.D.; Hu, J.; King, D.L.; Wang, Y. An overview of hydrogen production technologies. Catal. Today 2009, 139, 244–260. [Google Scholar] [CrossRef]
  14. Baykara, S.Z. Hydrogen: A brief overview on its sources, production and environmental impact. Int. J. Hydrogen Energy 2018, 43, 10605–10614. [Google Scholar] [CrossRef]
  15. Leeson, D.; Mac Dowell, N.; Shah, N.; Petit, C.; Fennell, P.S. A Techno-economic analysis and systematic review of carbon capture and storage (CCS) applied to the iron and steel, cement, oil refining and pulp and paper industries, as well as other high purity sources. Int. J. Greenh. Gas Control 2017, 61, 71–84. [Google Scholar] [CrossRef]
  16. IEAGHG. Techno-Economic Evaluation of SMR Based Standalone (Merchant) Hydrogen Plant with CCS; IEAGHG 2017/02; IEAGHG: Cheltenham, UK, 2017; Available online: http://documents.ieaghg.org/index.php/s/HKtMncwfw2vaBxl/download (accessed on 11 November 2021).
  17. Bezergianni, S.; Dimitriadis, A.; Kikhtyanin, O.; Kubička, D. Refinery co-processing of renewable feeds. Prog. Energy Combust. Sci. 2018, 68, 29–64. [Google Scholar] [CrossRef]
  18. Nigam, P.S.; Singh, A. Production of liquid biofuels from renewable resources. Prog. Energy Combust. Sci. 2011, 37, 52–68. [Google Scholar] [CrossRef]
  19. Ganguly, P.; Sarkhel, R.; Das, P. 2—The Second- and Third-Generation Biofuel Technologies: Comparative Perspectives. In Sustainable Fuel Technologies Handbook; Dutta, S., Mustansar Hussain, C., Eds.; Academic Press: Cambridge, MA, USA, 2021; pp. 29–50. ISBN 978-0-12-822989-7. [Google Scholar]
  20. Hao, H.-T.N.; Karthikeyan, O.P.; Heimann, K. Bio-Refining of Carbohydrate-Rich Food Waste for Biofuels. Energies 2015, 8, 6350–6364. [Google Scholar] [CrossRef]
  21. Jung, K.A.; Lim, S.-R.; Kim, Y.; Park, J.M. Potentials of macroalgae as feedstocks for biorefinery. Bioresour. Technol. 2013, 135, 182–190. [Google Scholar] [CrossRef]
  22. Kohli, K.; Prajapati, R.; Sharma, B.K. Bio-Based Chemicals from Renewable Biomass for Integrated Biorefineries. Energies 2019, 12, 233. [Google Scholar] [CrossRef]
  23. Ubando, A.T.; Felix, C.B.; Chen, W.-H. Biorefineries in circular bioeconomy: A comprehensive review. Bioresour. Technol. 2020, 299, 122585. [Google Scholar] [CrossRef]
  24. Gangar, N.; Macchietto, S.; Markides, C.N. Recovery and Utilization of Low-Grade Waste Heat in the Oil-Refining Industry Using Heat Engines and Heat Pumps: An International Technoeconomic Comparison. Energies 2020, 13, 2560. [Google Scholar] [CrossRef]
  25. Bruni, G.; De Santis, A.; Herce, C.; Leto, L.; Martini, C.; Martini, F.; Salvio, M.; Tocchetti, F.A.; Toro, C. From Energy Audit to Energy Performance Indicators (EnPI): A Methodology to Characterize Productive Sectors. The Italian Cement Industry Case Study. Energies 2021, 14, 8436. [Google Scholar] [CrossRef]
  26. Worrell, E.; Galitsky, C. Energy Efficiency Improvement and Cost Saving Opportunities for Petroleum Refineries. An ENERGY STAR® Guide for Energy and Plant Managers; Lawrence Berkeley National Laboratory: Berkeley, CA, USA, 2005. [Google Scholar]
  27. Morrow, W., III; Marano, J.; Sathaye, J.; Hasanbeigi, A.; Xu, T. Assessment of Energy Efficiency Improvement in the United States Petroleum Refining Industry; Lawrence Berkeley National Laboratory: Berkeley, CA, USA, 2013. [Google Scholar]
  28. CONCAWE. EU Refinery Energy Systems and Efficiency. Conservation of Clean Air and Water in Europe. 2012. Available online: https://www.concawe.eu/wp-content/uploads/2017/01/rpt_12-03-2012-01520-01-e.pdf (accessed on 11 November 2021).
  29. Szklo, A.; Schaeffer, R. Fuel specification, energy consumption and CO2 emission in oil refineries. Energy 2007, 32, 1075–1092. [Google Scholar] [CrossRef]
  30. Talaei, A.; Oni, A.O.; Ahiduzzaman, M.; Roychaudhuri, P.S.; Rutherford, J.; Kumar, A. Assessment of the impacts of process-level energy efficiency improvement on greenhouse gas mitigation potential in the petroleum refining sector. Energy 2020, 191, 116243. [Google Scholar] [CrossRef]
  31. Marton, S.; Svensson, E.; Harvey, S. Operability and Technical Implementation Issues Related to Heat Integration Measures—Interview Study at an Oil Refinery in Sweden. Energies 2020, 13, 3478. [Google Scholar] [CrossRef]
  32. Marton, S.; Svensson, E.; Subiaco, R.; Bengtsson, F.; Harvey, S. A Steam Utility Network Model for the Evaluation of Heat Integration Retrofits—A Case Study of an Oil Refinery. J. Sustain. Dev. Energy Water Environ. Syst. 2017, 5, 560–578. [Google Scholar] [CrossRef][Green Version]
  33. Nilsson, K.; Zetterberg, L.; Wråke, M. Allowance Allocation and CO2 intensity of the EU15 and Norwegian Refineries; Report B1616; IVL Swedish Environmental Research Institute: Stockholm, Sweden, 2005; Available online: https://www.ivl.se/download/18.694ca0617a1de98f47299f/1628413669183/FULLTEXT01.pdf (accessed on 11 November 2021).
  34. Lawrence, A.; Thollander, P.; Andrei, M.; Karlsson, M. Specific Energy Consumption/Use (SEC) in Energy Management for Improving Energy Efficiency in Industry: Meaning, Usage and Differences. Energies 2019, 12, 247. [Google Scholar] [CrossRef]
  35. Worrell, E.; Cuelenaere, R.F.A.; Blok, K.; Turkenburg, W.C. Energy consumption by industrial processes in the European Union. Energy 1994, 19, 1113–1129. [Google Scholar] [CrossRef]
  36. Rikhtegar, F.; Sadighi, S. Optimisation of energy consumption. PTQ 2015, Q2, 1–8. Available online: http://www.eptq.com/articles/q2ppg_26032015104811.pdf (accessed on 11 November 2021).
  37. Phylipsen, G.J.M.; Blok, K.; Worrell, E. International Comparisons of Energy Efficiency—Methodologies for the Manufacturing Industry. Energy Policy 1997, 25, 715–725. [Google Scholar] [CrossRef]
  38. Wang, M.; Lee, H.; Molburg, J. Allocation of energy use in petroleum refineries to petroleum products. Int. J. Life Cycle Assess. 2004, 9, 34–44. [Google Scholar] [CrossRef]
  39. Forman, G.S.; Divita, V.B.; Han, J.; Cai, H.; Elgowainy, A.; Wang, M.U.S. Refinery Efficiency: Impacts Analysis and Implications for Fuel Carbon Policy Implementation. Environ. Sci. Technol. 2014, 48, 7625–7633. [Google Scholar] [CrossRef]
  40. Elgowainy, A.; Han, J.; Cai, H.; Wang, M.; Forman, G.S.; DiVita, V.B. Energy Efficiency and Greenhouse Gas Emission Intensity of Petroleum Products at U.S. Refineries. Environ. Sci. Technol. 2014, 48, 7612–7624. [Google Scholar] [CrossRef]
  41. Han, J.; Forman, G.S.; Elgowainy, A.; Cai, H.; Wang, M.; DiVita, V.B. A comparative assessment of resource efficiency in petroleum refining. Fuel 2015, 157, 292–298. [Google Scholar] [CrossRef]
  42. Moretti, C.; Moro, A.; Edwards, R.; Rocco, M.V.; Colombo, E. Analysis of standard and innovative methods for allocating upstream and refinery GHG emissions to oil products. Appl. Energy 2017, 206, 372–381. [Google Scholar] [CrossRef]
  43. Nelson, W.L. Guide to Refinery Operating Costs (Process Costimating); Petroleum Pub.: Tulsa, OK, USA, 1976; ISBN 9780878140732. [Google Scholar]
  44. Oil & Gas Journal Research. 2021 Worldwide Refinery Survey with Complexity Analysis. Available online: https://ogjresearch.com/products/2021-worldwide-refinery-survey-with-complexity-analysis.html (accessed on 11 November 2021).
  45. Kaiser, M.J. A new approach to refinery complexity factors. Eng. Econ. 2017, 62, 336–368. [Google Scholar] [CrossRef]
  46. Eurostat. Energy Data—2020 Edition. 2020. Available online: https://ec.europa.eu/eurostat/web/products-statistical-books/-/KS-HB-20-001 (accessed on 11 November 2021).
  47. Marschinski, R.; Lukach, R.; Barreiro-Hurle, J. Competitiveness of Energy-Intensive Industries in Europe: The Crisis of the Oil Refining Sector between 2008 and 2013. Econ. Energy Environ. Policy 2020, 9, 167–184. [Google Scholar] [CrossRef]
  48. ENI. World Oil Review 2020; ENI, 2021; Volume 1. Available online: https://www.eni.com/assets/documents/eng/scenari-energetici/WORLD-OIL-REVIEW-2020-vol1.pdf (accessed on 11 November 2021).
  49. FuelsEurope. Statistical Report 2021; FuelsEurope: Brussels, Belgium, 2021; Available online: https://www.fuelseurope.eu/wp-content/uploads/SR_FuelsEurope-_2021_FINAL-REPORT-1.pdf (accessed on 11 November 2021).
  50. Bevilacqua, M.; Braglia, M. Environmental efficiency analysis for ENI oil refineries. J. Clean. Prod. 2002, 10, 85–92. [Google Scholar] [CrossRef]
  51. Roveda, L.; Polvara, E.; Invernizzi, M.; Capelli, L.; Sironi, S. Definition of an Emission Factor for VOC Emitted from Italian and European Refineries. Atmosphere 2020, 11, 564. [Google Scholar] [CrossRef]
  52. Duplay, J.; Semhi, K.; Mey, M.; Messina, A.; Quaranta, G.; Huber, F.; Aubert, A. Geogenic versus anthropogenic geochemical influence on trace elements contents in soils from the Milazzo Peninsula. Geochemistry 2014, 74, 691–704. [Google Scholar] [CrossRef]
  53. Pagliaro, M.; Meneguzzo, F. Oil refining in Sicily: A critical perspective looking to the future. Energy Sci. Eng. 2020, 8, 566–573. [Google Scholar] [CrossRef]
  54. Falcone, P.M.; Imbert, E.; Sica, E.; Morone, P. Towards a bioenergy transition in Italy? Exploring regional stakeholder perspectives towards the Gela and Porto Marghera biorefineries. Energy Res. Soc. Sci. 2021, 80, 102238. [Google Scholar] [CrossRef]
  55. Mazziotti Gomez de Teran, C.; Fiore, D.; Favaroni, M.; Fardelli, A. Overview of technologies for improving energy efficiency from energy intensive industries derived from the Italian national experience in IPPC permit licensing. J. Clean. Prod. 2017, 168, 1547–1558. [Google Scholar] [CrossRef]
  56. DECRETO LEGISLATIVO 14 Luglio 2020, n. 73. Attuazione Della Direttiva (UE) 2018/2002 Che Modifica la Direttiva 2012/27/UE Sull’efficienza Energetica. (20G00093) (GU Serie Generale n.175 del 14-07-2020). Available online: https://www.gazzettaufficiale.it/eli/id/2020/07/14/20G00093/sg (accessed on 11 November 2021).
  57. DIRECTIVE (EU) 2018/2002 OF THE EUROPEAN PARLIAMENT AND OF THE COUNCIL of 11 December 2018 Amending Directive 2012/27/EU on Energy Efficiency 2018. Available online: https://eur-lex.europa.eu/legal-content/EN/TXT/HTML/?uri=CELEX:32018L2002&from=EN (accessed on 11 November 2021).
  58. Santino, D.; Biele, E.; Salvio, M. Guidelines for Energy Audits under Article 8 of the EED: Italy’s Implementation Practices and Tools; ENEA: Rome, Italy, 2019. Available online: https://www.efficienzaenergetica.enea.it/component/jdownloads/?task=download.send&id=377&catid=40&Itemid=101 (accessed on 11 November 2021).
  59. ENI. In Gela the Most Innovative Biorefinery in Europe. Available online: https://www.eni.com/en-IT/operations/italy-gela-innovative-biorefinery.html (accessed on 11 November 2021).
  60. ALMA Petroli. The Refinery. Available online: https://www.almapetroli.com/en/refinery (accessed on 11 November 2021).
  61. API. Autorizzazione Integrata Ambientale (AIA)—Raffineria di Falconara Marittima—Ancona. 2017. Available online: https://va.minambiente.it/it-IT/Oggetti/Documentazione/1838/4240 (accessed on 11 November 2021).
  62. ENI. Raffineria di Venezia—Dichiarazione Ambientale 2020–2022. 2020. Available online: https://www.eni.com/assets/documents/ita/attivita/mid-downstream/Dichiarazione-Ambientale-Venezia-2020.pdf (accessed on 11 November 2021).
  63. ENI. Raffineria di Sannazzaro de’ Burgondi—Dichiarazione Ambientale Edizione 2020. 2020. Available online: https://www.eni.com/assets/documents/ita/attivita/mid-downstream/DICHIARAZIONE-AMBIENTALE-ENI-SANNAZZARO-2020-anno-rif-2019.pdf (accessed on 11 November 2021).
  64. ENI. Raffineria Livorno—Dichiarazione Ambientale Edizione 2020. 2020. Available online: https://www.eni.com/assets/documents/ita/attivita/mid-downstream/Dichiarazione-Ambientale-Livorno-2019.pdf (accessed on 11 November 2021).
  65. ENI. Raffineria Taranto—Dichiarazione Ambientale Edizione 2020. 2020. Available online: https://www.eni.com/assets/documents/ita/sostenibilita/2020/Dichiarazione-Ambientale-2020-della-Raffineria-di-Taranto.pdf (accessed on 11 November 2021).
  66. LUKOIL. Data Book 2020. Available online: https://www.lukoil.com/FileSystem/9/561978.xlsx?dl=1 (accessed on 11 November 2021).
  67. ESSO. Autorizzazione Integrata Ambientale (AIA)—Raffineria di Augusta (ex ESSO)—Relazione di Riferimento ai Sensi del DM 272/14. 2016. Available online: https://va.minambiente.it/it-IT/Oggetti/Documentazione/1901/4180?Testo=&RaggruppamentoID=2049#form-cercaDocumentazione (accessed on 11 November 2021).
  68. IPLOM. Bilancio di Sostenibilità della Raffineria. 2020. Available online: https://iplom.it/wp-content/uploads/2020/09/Iplom_bilancio_2017_2018.pdf (accessed on 11 November 2021).
  69. SARAS. Refining—Saras 2020. Available online: https://www.saras.it/en/what-we-do/refining (accessed on 11 November 2021).
  70. SARPOM. Autorizzazione Integrata Ambientale (AIA)—Raffineria di Trecate. 2016. Available online: https://va.minambiente.it/it-IT/Oggetti/Documentazione/1830/4244?Testo=&RaggruppamentoID=2100#form-cercaDocumentazione (accessed on 11 November 2021).
  71. Petrillo, A.W. Gruppo API—Strategia e Posizionamento di Mercato Nel Settore della Raffinazione. 2010. Available online: http://www.comitati-cittadini.org/wp-content/uploads/2012/06/api-nova-energia-slide.ppt (accessed on 11 November 2021).
  72. Eurostat Physical Energy Flow Accounts (PEFA)—Key Indicators of Physical Energy Flow Accounts by NACE Rev. 2 Activity. Available online: https://ec.europa.eu/eurostat/databrowser/view/ENV_AC_PEFA04__custom_1509250/default/table?lang=en (accessed on 11 November 2021).
  73. Golmohamadi, H.; Asadi, A. Integration of Joint Power-Heat Flexibility of Oil Refinery Industries to Uncertain Energy Markets. Energies 2020, 13, 4874. [Google Scholar] [CrossRef]
  74. IEA. Energy Efficiency Indicators: Essentials for Policy Making; International Energy Agency: Paris, France, 2014. [Google Scholar]
  75. Chen, Y.; Therkelsen, P. The Effect of Linear Regression Modeling Approaches on Determining Facility Wide Energy Savings; Lawrence Berkeley National Laboratory: Berkeley, CA, USA, 2019. [Google Scholar]
  76. Therkelsen, P.; Rao, P.; Sholes, D.; Meffert, B.; Green, R.; Nimbalkar, S.U.; Mckane, A. The Value of Regression Models in Determining Industrial Energy Savings. In Proceedings of the ECEEE Industrial Efficiency 2016, Kalkscheune, Berlin, Germany, 12–14 September 2016; pp. 389–399. [Google Scholar]
  77. Menghi, R.; Papetti, A.; Germani, M.; Marconi, M. Energy efficiency of manufacturing systems: A review of energy assessment methods and tools. J. Clean. Prod. 2019, 240, 118276. [Google Scholar] [CrossRef]
  78. Giacone, E.; Mancò, S. Energy efficiency measurement in industrial processes. Energy 2012, 38, 331–345. [Google Scholar] [CrossRef]
  79. ISO 50006:2014. Energy Management Systems—Measuring Energy Performance Using Energy Baselines (EnB) and Energy Performance Indicators (EnPI)—General Principles and Guidance; International Organization for Standardization: Geneva, Switzerland, 2014. [Google Scholar]
  80. DUEE-SPS-ESE. Diagnosi Energetiche art 8 del D.Lgs. 102/2014. Linee Guida e Manuale Operativo. Clusterizzazione, il Rap-porto di Diagnosi ed il Piano di Monitoraggio; ENEA. 2019. Available online: https://www.efficienzaenergetica.enea.it/component/jdownloads/?task=download.send&id=170&catid=41&Itemid=101 (accessed on 11 November 2021).
  81. DUEE-SPS-ESE. Unione Petrolifera. Guideline for Energy Audits in Oil Refining Sector. 2019. Available online: https://www.efficienzaenergetica.enea.it/component/jdownloads/?task=download.send&id=218&catid=36&Itemid=101 (accessed on 11 November 2021).
  82. Herce, C.; Biele, E.; Martini, C.; Salvio, M.; Toro, C. Impact of Energy Monitoring and Management Systems on the Implementation and Planning of Energy Performance Improved Actions: An Empirical Analysis Based on Energy Audits in Italy. Energies 2021, 14, 4723. [Google Scholar] [CrossRef]
Figure 1. Italian refining capacity [Mt] and number of refineries from 1970 to 2018.
Figure 1. Italian refining capacity [Mt] and number of refineries from 1970 to 2018.
Energies 15 00532 g001
Figure 2. Distribution of products made from crude oil in OECD and Italy.
Figure 2. Distribution of products made from crude oil in OECD and Italy.
Energies 15 00532 g002
Figure 3. General scheme of a complex oil refinery [5].
Figure 3. General scheme of a complex oil refinery [5].
Energies 15 00532 g003
Figure 4. Electrical SEC model (blue: mean, red: upper limit, green: lower limit).
Figure 4. Electrical SEC model (blue: mean, red: upper limit, green: lower limit).
Energies 15 00532 g004
Figure 5. Thermal SEC model (blue: mean, green: upper limit, red: lower limit).
Figure 5. Thermal SEC model (blue: mean, green: upper limit, red: lower limit).
Energies 15 00532 g005
Figure 6. Primary energy consumption as function of final product class: (a) LPG; (b) gasoline; (c) diesel; (d) fuel oil & others.
Figure 6. Primary energy consumption as function of final product class: (a) LPG; (b) gasoline; (c) diesel; (d) fuel oil & others.
Energies 15 00532 g006
Figure 7. Thermal energy consumption as function of final product class: (a) LPG; (b) gasoline; (c) diesel; (d) fuel oil & others.
Figure 7. Thermal energy consumption as function of final product class: (a) LPG; (b) gasoline; (c) diesel; (d) fuel oil & others.
Energies 15 00532 g007
Figure 8. Electrical energy consumption as function of final product class: (a) LPG; (b) gasoline; (c) diesel; (d) fuel oil & others.
Figure 8. Electrical energy consumption as function of final product class: (a) LPG; (b) gasoline; (c) diesel; (d) fuel oil & others.
Energies 15 00532 g008
Figure 9. Primary, thermal and electrical energy consumption (left) and crude oil refined, gasoline and diesel ratios (right) as function of NCI.
Figure 9. Primary, thermal and electrical energy consumption (left) and crude oil refined, gasoline and diesel ratios (right) as function of NCI.
Energies 15 00532 g009
Table 1. Main data of analysed refineries.
Table 1. Main data of analysed refineries.
# RefineryCapacity [Mt]NCIRatio
LPGGasolineDiesel
Jet
Fuel Oil
Others
Ref.
13.99.7 23.7%17.9%45.6%32.8%[61]
24.26.8 31.0%28.3%67.2%3.5%[62]
38.57.2 32.0%29.0%49.0%20.0%[63]
44.312.6 21.1%19.0%27.5%52.5%[64]
55.510.3 32.0%16.0%36.0%46.0%[65]
619.410.6 10.7%19.5%54.5%25.3%[66]
78.811.6 20.8%16.3%41.5%41.3%[67]
81.755.1 4--50.0%50.0%[68]
91511.7 12.2%32.6%59.8%5.4%[69]
108.756.3 21.6%31.6%55.9%10.9%[70]
1 Updated public data, verified in this work. 2 2007 public data, verified in this work. 3 2007 public data, not verified in this work. 4 Calculated in this work.
Table 2. Primary, electrical and thermal SEC values.
Table 2. Primary, electrical and thermal SEC values.
SEC ModelUnitValue (Mean ± SD)Production Range [Mt]
Primary0.1596–3.124 × 10+5/ttoe/t0.0963 ± 0.03413–15
Electrical98.46–1.530 × 10+8/tkWh/t68.20 ± 19.343–15
Thermal5082–1.178 × 10+8/tMJ/t3421.71 ± 1316.843–15
Table 3. Linear regression coefficients for energy consumption by product class.
Table 3. Linear regression coefficients for energy consumption by product class.
EnergyProduct ClassEnergy Consumption
Equation
UnitR2p-Value
PrimaryLPG203,020 + 5.501 × ttoe0.3990.0682
GASOLINE−634.1 + 0.4875 × t0.784<0.001
DIESEL−190,574 + 0.2888 × t0.940<0.001
FUEL OIL & OTR550,766 + 0.1203 × t0.0410.5771
ElectricalLPG55.78 + 4.401 × 10−3 × tGWh0.6760.0065
GASOLINE−0.739 + 3.27 × 10−4 × t0.914<0.001
DIESEL−65.55 + 1.74 × 10−4 × t0.890<0.001
FUEL OIL & OTR466.6 + 2.16 × 10−5 × t0.0030.9731
ThermalLPG7379 + 0.1956 × tMJ0.3720.372
GASOLINE−273.4 + 0.0176 × t0.7600.001
DIESEL−7581 + 0.01057 × t0.935<0.001
FUEL OIL & OTR19,168 + 0.00463 × t0.0450.5585
Table 4. Analysis of payback time (PBT) (y), savings (toe) and investment (EUR) of identified EPIAs.
Table 4. Analysis of payback time (PBT) (y), savings (toe) and investment (EUR) of identified EPIAs.
PBT ClassNumber of EPIAs
with Information
Saving of Final
Energy (toe)
Investment (EUR)
PBT ≤ 1 year811,563.85,240,000
1 < PBT ≤ 2 years31306.0645,000
2 < PBT ≤ 3 years21271.8786,000
3 < PBT ≤ 5 years87810.68,917,200
5 < PBT ≤ 10 years57612.510,434,000
PBT > 10 years11883.48,000,000
Publisher’s Note: MDPI stays neutral with regard to jurisdictional claims in published maps and institutional affiliations.

Share and Cite

MDPI and ACS Style

Herce, C.; Martini, C.; Salvio, M.; Toro, C. Energy Performance of Italian Oil Refineries Based on Mandatory Energy Audits. Energies 2022, 15, 532. https://doi.org/10.3390/en15020532

AMA Style

Herce C, Martini C, Salvio M, Toro C. Energy Performance of Italian Oil Refineries Based on Mandatory Energy Audits. Energies. 2022; 15(2):532. https://doi.org/10.3390/en15020532

Chicago/Turabian Style

Herce, Carlos, Chiara Martini, Marcello Salvio, and Claudia Toro. 2022. "Energy Performance of Italian Oil Refineries Based on Mandatory Energy Audits" Energies 15, no. 2: 532. https://doi.org/10.3390/en15020532

APA Style

Herce, C., Martini, C., Salvio, M., & Toro, C. (2022). Energy Performance of Italian Oil Refineries Based on Mandatory Energy Audits. Energies, 15(2), 532. https://doi.org/10.3390/en15020532

Note that from the first issue of 2016, this journal uses article numbers instead of page numbers. See further details here.

Article Metrics

Back to TopTop