Power Management Strategies in a Hybrid Energy Storage System Integrated AC/DC Microgrid: A Review
Abstract
:1. Introduction
- (1)
- Requirement for integration of renewable energy-based microgrid with the existing conventional grids and the operational difference between the microgrid and conventional grid;
- (2)
- Necessity of storage devices in the MG applications and hybridization of two devices by considering different characteristics to get the optimal benefits;
- (3)
- Three types of interconnection topologies, i.e., passive connection, semi-active connection, and active connection of HESS are discussed to increase the system efficiency and reduce the cost;
- (4)
- Comparison of several classical and intelligent approaches for power management in the microgrid with their advantages and limitations are explained;
- (5)
- Finally, various recent trends in power management strategies are compared in AC/DC microgrids.
2. Storage Devices and Its Requirement in Microgrids
2.1. HESS Technology
2.2. HESS Interconnection Topologies
2.2.1. Passive Connection
- The terminal voltage of HESS should be exactly matched with the connected load and DC link voltage;
- A lack of control flexibility and the sharing of power mainly depends on the internal impedance;
- As HESS is directly connected to the bus, there are more chances of cascaded failure during any fault in the system.
2.2.2. Semi-Active Connection
- When SC is directly linked to the DC bus, the bus voltage fluctuates in any contingencies in the system;
- When SC is coupled to the bus through the DC/DC converter, the converter should be designed properly to tackle the high-power surges of the system.
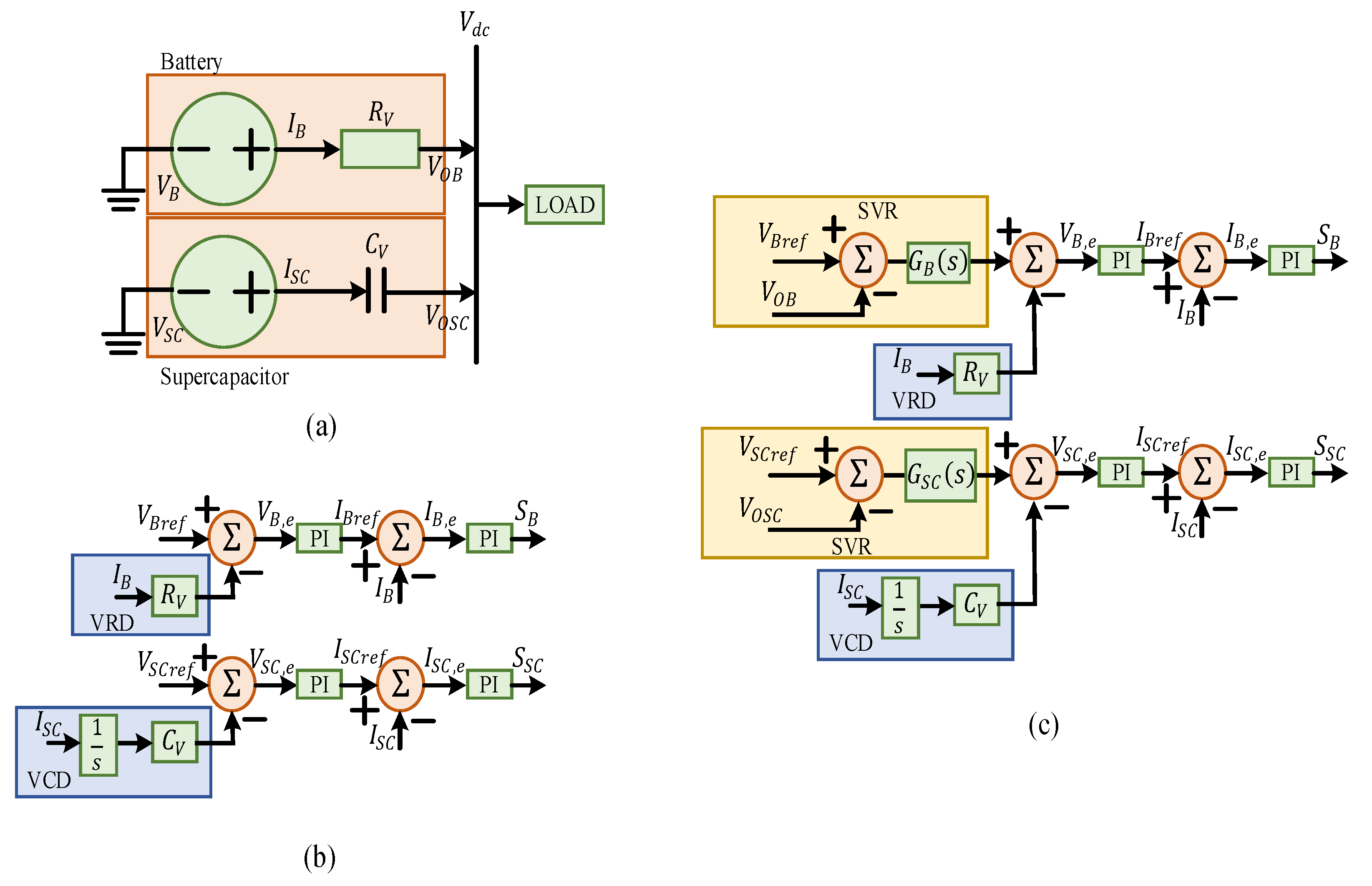
2.2.3. Active Connection
- Flexibility is improved due to the decoupled control of the battery and supercapacitor;
- Different types of control schemes (both centralized and decentralized) can be implemented;
- The terminal voltage of the battery and SC are independent of the DC bus voltage.
3. Power Management Technologies
3.1. Classical Approach
3.1.1. Filter-Based Control Technique
3.1.2. Droop Control
3.1.3. Sliding Mode Control (SMC)
3.1.4. Rule-Based Control
3.1.5. Deadbeat Control
3.2. Intelligent Approach
3.2.1. Model Predictive Control
3.2.2. Fuzzy Logic Control (FLC)
3.2.3. Optimization-Based Control
3.2.4. Supervisory Control
4. Comparison of Power Management Strategies in AC/DC Microgrids
5. Conclusions
Author Contributions
Funding
Data Availability Statement
Conflicts of Interest
References
- Demirbaş, A. Global Renewable Energy Resources. Energy Sources Part A Recover. Util. Environ. Eff. 2006, 28, 779–792. [Google Scholar] [CrossRef]
- Jing, W.; Lai, C.H.; Wong, W.S.H.H.; Wong, M.L.D. A comprehensive study of battery-supercapacitor hybrid energy storage system for standalone PV power system in rural electrification. Appl. Energy 2018, 224, 340–356. [Google Scholar] [CrossRef]
- Tang, Z.; Lin, Y.; Vosoogh, M.; Parsa, N.; Baziar, A.; Khan, B. Securing Microgrid Optimal Energy Management Using Deep Generative Model. IEEE Access 2021, 9, 63377–63387. [Google Scholar] [CrossRef]
- Yazdanian, M.; Mehrizi-Sani, A. Distributed Control Techniques in Microgrids. IEEE Trans. Smart Grid 2014, 5, 2901–2909. [Google Scholar] [CrossRef]
- Vandoorn, T.L.; Meersman, B.; de Kooning, J.D.M.; Vandevelde, L. Analogy Between Conventional Grid Control and Islanded Microgrid Control Based on a Global DC-Link Voltage Droop. IEEE Trans. Power Deliv. 2012, 27, 1405–1414. [Google Scholar] [CrossRef]
- Hirsch, A.; Parag, Y.; Guerrero, J. Microgrids: A review of technologies, key drivers, and outstanding issues. Renew. Sustain. Energy Rev. 2018, 90, 402–411. [Google Scholar] [CrossRef]
- Hartono, B.S.; Budiyanto, Y.; Setiabudy, R. Review of microgrid technology. In Proceedings of the 2013 International Conference on QiR, Yogyakarta, Indonesia, 25–28 June 2013; pp. 127–132. [Google Scholar]
- Shayeghi, H.; Shahryari, E.; Moradzadeh, M.; Siano, P. A Survey on Microgrid Energy Management Considering Flexible Energy Sources. Energies 2019, 12, 2156. [Google Scholar] [CrossRef]
- Chong, L.W.; Wong, Y.W.; Rajkumar, R.K.; Rajkumar, R.K.; Isa, D. Hybrid energy storage systems and control strategies for stand-alone renewable energy power systems. Renew. Sustain. Energy Rev. 2016, 66, 174–189. [Google Scholar] [CrossRef]
- Bharatee, A.; Ray, P.K.; Ghosh, A. A Power Management Scheme for Grid-connected PV Integrated with Hybrid Energy Storage System. J. Mod. Power Syst. Clean Energy 2022, 10, 954–963. [Google Scholar] [CrossRef]
- Garcia-Torres, F.; Valverde, L.; Bordons, C. Optimal Load Sharing of Hydrogen-Based Microgrids With Hybrid Storage Using Model-Predictive Control. IEEE Trans. Ind. Electron. 2016, 63, 4919–4928. [Google Scholar] [CrossRef]
- Faisal, M.; Hannan, M.A.; Ker, P.J.; Hussain, A.; Mansor, M.B.; Blaabjerg, F. Review of Energy Storage System Technologies in Microgrid Applications: Issues and Challenges. IEEE Access 2018, 6, 35143–35164. [Google Scholar] [CrossRef]
- Tummuru, N.R.; Mishra, M.K.; Srinivas, S. Dynamic Energy Management of Renewable Grid Integrated Hybrid Energy Storage System. IEEE Trans. Ind. Electron. 2015, 62, 7728–7737. [Google Scholar] [CrossRef]
- Singh, P.; Lather, J.S. Variable structure control for dynamic power-sharing and voltage regulation of DC microgrid with a hybrid energy storage system. Int. Trans. Electr. Energy Syst. 2019, 30, e12510. [Google Scholar] [CrossRef]
- Baghaee, H.R.; Mirsalim, M.; Gharehpetian, G.B.; Talebi, H.A. A Decentralized Power Management and Sliding Mode Control Strategy for Hybrid AC/DC Microgrids including Renewable Energy Resources. IEEE Trans. Ind. Inform. 2017. [Google Scholar] [CrossRef]
- Abeywardana, D.B.W.; Hredzak, B.; Agelidis, V.G. A Fixed-Frequency Sliding Mode Controller for a Boost-Inverter-Based Battery-Supercapacitor Hybrid Energy Storage System. IEEE Trans. Power Electron. 2017, 32, 668–680. [Google Scholar] [CrossRef]
- Asensio, E.M.; Magallán, G.A.; de Angelo, C.H.; Serra, F.M. Energy Management on Battery/Ultracapacitor Hybrid Energy Storage System based on Adjustable Bandwidth Filter and Sliding-mode Control. J. Energy Storage 2020, 30, 101569. [Google Scholar] [CrossRef]
- Tejaswini, L.; Ray, P.K.; Bharatee, A. Energy Management of a DC Microgrid for its Voltage and SOC Regulation. In Proceedings of the 2022 International Conference on Intelligent Controller and Computing for Smart Power (ICICCSP), Hyderabad, India, 21–23 July 2022; pp. 1–6. [Google Scholar] [CrossRef]
- al Badwawi, R.; Issa, W.R.; Mallick, T.K.; Abusara, M. Supervisory Control for Power Management of an Islanded AC Microgrid Using a Frequency Signalling-Based Fuzzy Logic Controller. IEEE Trans. Sustain. Energy 2019, 10, 94–104. [Google Scholar] [CrossRef]
- Feng, X.; Gooi, H.B.; Chen, S.X. Hybrid Energy Storage With Multimode Fuzzy Power Allocator for PV Systems. IEEE Trans. Sustain. Energy 2014, 5, 389–397. [Google Scholar] [CrossRef]
- Ray, P.K.; Bharatee, A.; Panda, S.; Satiawan, I.N.W. Modeling and Power Management of Electric Vehicle Charging System. In Proceedings of the 2021 International Conference on Smart-Green Technology in Electrical and Information Systems (ICSGTEIS), Sanur, Bali, Indonesia, 28–30 October 2021; pp. 100–105. [Google Scholar] [CrossRef]
- Fu, Q.; Hamidi, A.; Nasiri, A.; Bhavaraju, V.; Krstic, S.B.; Theisen, P. The Role of Energy Storage in a Microgrid Concept: Examining the opportunities and promise of microgrids. IEEE Electrif. Mag. 2013, 1, 21–29. [Google Scholar] [CrossRef]
- Bocklisch, T. Hybrid energy storage approach for renewable energy applications. J. Energy Storage 2016, 8, 311–319. [Google Scholar] [CrossRef]
- Hamidi, S.A.; Ionel, D.M.; Nasiri, A. Modeling and Management of Batteries and Ultracapacitor for Renewable Energy Support in Electric Power Systems–An Overview. Electr. Power Compon. Syst. 2015, 43, 1434–1452. [Google Scholar] [CrossRef]
- Sharma, R.K.; Mishra, S. Dynamic Power Management and Control of a PV PEM Fuel-Cell-Based Standalone ac/dc Microgrid Using Hybrid Energy Storage. IEEE Trans. Ind. Appl. 2018, 54, 526–538. [Google Scholar] [CrossRef]
- Wang, G.; Ciobotaru, M.; Agelidis, V.G. Power Smoothing of Large Solar PV Plant Using Hybrid Energy Storage. IEEE Trans. Sustain. Energy 2014, 5, 834–842. [Google Scholar] [CrossRef]
- Alnejaili, T.; Drid, S.; Mehdi, D.; Chrifi-Alaoui, L.; Belarbi, R.; Hamdouni, A. Dynamic control and advanced load management of a stand-alone hybrid renewable power system for remote housing. Energy Convers. Manag. 2015, 105, 377–392. [Google Scholar] [CrossRef]
- Spataru, C.; Kok, Y.C.; Barrett, M. Physical energy storage employed worldwide. Energy Procedia 2014, 62, 452–461. [Google Scholar] [CrossRef]
- Sutikno, T.; Arsadiando, W.; Wangsupphaphol, A.; Yudhana, A.; Facta, M. A Review of Recent Advances on Hybrid Energy Storage System for Solar Photovoltaics Power Generation. IEEE Access 2022, 10, 42346–42364. [Google Scholar] [CrossRef]
- Manandhar, U.; Ukil, A.; Gooi, H.B.; Tummuru, N.R.; Kollimalla, S.K.; Wang, B.; Chaudhuri, K. Energy Management and Control for Grid Connected Hybrid Energy Storage System Under Different Operating Modes. IEEE Trans. Smart Grid 2019, 10, 1626–1636. [Google Scholar] [CrossRef]
- Che, L.; Shahidehpour, M. DC Microgrids: Economic Operation and Enhancement of Resilience by Hierarchical Control. IEEE Trans. Smart Grid 2014, 5, 2517–2526. [Google Scholar] [CrossRef]
- Zheng, J.P.; Jow, T.R.; Ding, M.S. Hybrid power sources for pulsed current applications. IEEE Trans. Aerosp. Electron. Syst. 2001, 37, 288–292. [Google Scholar] [CrossRef]
- Lahyani, A.; Venet, P.; Guermazi, A.; Troudi, A. Battery/Supercapacitors Combination in Uninterruptible Power Supply (UPS). IEEE Trans. Power Electron. 2013, 28, 1509–1522. [Google Scholar] [CrossRef]
- Gee, A.M.; Robinson, F.V.P.; Dunn, R.W. Analysis of Battery Lifetime Extension in a Small-Scale Wind-Energy System Using Supercapacitors. IEEE Trans. Energy Convers. 2013, 28, 24–33. [Google Scholar] [CrossRef]
- Cohen, I.J.; Wetz, D.A.; Heinzel, J.M.; Dong, Q. Design and Characterization of an Actively Controlled Hybrid Energy Storage Module for High-Rate Directed Energy Applications. IEEE Trans. Plasma Sci. 2015, 43, 1427–1433. [Google Scholar] [CrossRef]
- Vazquez, S.; Lukic, S.M.; Galvan, E.; Franquelo, L.G.; Carrasco, J.M. Energy Storage Systems for Transport and Grid Applications. IEEE Trans. Ind. Electron. 2010, 57, 3881–3895. [Google Scholar] [CrossRef]
- Pay, S.; Baghzouz, Y. Effectiveness of battery-supercapacitor combination in electric vehicles. In Proceedings of the 2003 IEEE Bologna Power Tech Conference Proceedings, Bologna, Italy, 23–26 June 2003; Volume 3, p. 6. [Google Scholar] [CrossRef]
- Dougal, R.A.; Liu, S.; White, R.E. Power and life extension of battery-ultracapacitor hybrids. IEEE Trans. Compon. Packag. Technol. 2002, 25, 120–131. [Google Scholar] [CrossRef]
- Khaligh, A.; Li, Z. Battery, Ultracapacitor, Fuel Cell, and Hybrid Energy Storage Systems for Electric, Hybrid Electric, Fuel Cell, and Plug-In Hybrid Electric Vehicles: State of the Art. IEEE Trans. Veh. Technol. 2010, 59, 2806–2814. [Google Scholar] [CrossRef]
- Wang, Y.; Wang, W.; Zhao, Y.; Yang, L.; Chen, W. A fuzzy-logic power management strategy based on Markov Random prediction for hybrid energy storage systems. Energies 2016, 9, 25. [Google Scholar] [CrossRef]
- Cao, J.; Emadi, A. A New Battery/UltraCapacitor Hybrid Energy Storage System for Electric, Hybrid, and Plug-In Hybrid Electric Vehicles. IEEE Trans. Power Electron. 2012, 27, 122–132. [Google Scholar] [CrossRef]
- Lukic, S.M.; Wirasingha, S.G.; Rodriguez, F.; Cao, J.; Emadi, A. Power Management of an Ultracapacitor/Battery Hybrid Energy Storage System in an HEV. In Proceedings of the 2006 IEEE Vehicle Power and Propulsion Conference, Windsor, UK, 6–8 September 2006; pp. 1–6. [Google Scholar] [CrossRef]
- Kollimalla, S.K.; Mishra, M.K.; Narasamma, N.L. Design and Analysis of Novel Control Strategy for Battery and Supercapacitor Storage System. IEEE Trans. Sustain. Energy 2014, 5, 1137–1144. [Google Scholar] [CrossRef]
- Xu, Q.; Xiao, J.; Hu, X.; Wang, P.; Lee, M.Y. A Decentralized Power Management Strategy for Hybrid Energy Storage System With Autonomous Bus Voltage Restoration and State-of-Charge Recovery. IEEE Trans. Ind. Electron. 2017, 64, 7098–7108. [Google Scholar] [CrossRef]
- Xu, Q.; Xiao, J.; Wang, P.; Pan, X.; Wen, C. A Decentralized Control Strategy for Autonomous Transient Power Sharing and State-of-Charge Recovery in Hybrid Energy Storage Systems. IEEE Trans. Sustain. Energy 2017, 8, 1443–1452. [Google Scholar] [CrossRef]
- Shi, M.; Chen, X.; Zhou, J.; Chen, Y.; Wen, J.; He, H. Advanced Secondary Voltage Recovery Control for Multiple HESSs in a Droop-Controlled DC Microgrid. IEEE Trans. Smart Grid 2019, 10, 3828–3839. [Google Scholar] [CrossRef]
- Tan, S.-C.; Lai, Y.M.; Tse, C.K. General Design Issues of Sliding-Mode Controllers in DC–DC Converters. IEEE Trans. Ind. Electron. 2008, 55, 1160–1174. [Google Scholar] [CrossRef]
- Teleke, S.; Baran, M.E.; Bhattacharya, S.; Huang, A.Q. Rule-Based Control of Battery Energy Storage for Dispatching Intermittent Renewable Sources. IEEE Trans. Sustain. Energy 2010, 1, 117–124. [Google Scholar] [CrossRef]
- Wang, B.; Manandhar, U.; Zhang, X.; Gooi, H.B.; Ukil, A. Deadbeat Control for Hybrid Energy Storage Systems in DC Microgrids. IEEE Trans. Sustain. Energy 2019, 10, 1867–1877. [Google Scholar] [CrossRef]
- Bambang, R.T.; Rohman, A.S.; Dronkers, C.J.; Ortega, R.; Sasongko, A. Energy Management of Fuel Cell/Battery/Supercapacitor Hybrid Power Sources Using Model Predictive Control. IEEE Trans. Ind. Inform. 2014, 10, 1992–2002. [Google Scholar] [CrossRef]
- Hredzak, B.; Agelidis, V.G.; Demetriades, G.D. A Low Complexity Control System for a Hybrid DC Power Source Based on Ultracapacitor–Lead–Acid Battery Configuration. IEEE Trans. Power Electron. 2014, 29, 2882–2891. [Google Scholar] [CrossRef]
- Chong, L.W.; Wong, Y.W.; Rajkumar, R.K.; Isa, D. An optimal control strategy for standalone PV system with Battery-Supercapacitor Hybrid Energy Storage System. J. Power Sources 2016, 331, 553–565. [Google Scholar] [CrossRef]
- Kotra, S.; Mishra, M.K. A Supervisory Power Management System for a Hybrid Microgrid With HESS. IEEE Trans. Ind. Electron. 2017, 64, 3640–3649. [Google Scholar] [CrossRef]
- Chang, J.-W.; Chae, S.; Lee, G.-S. Distributed Optimal Power Sharing Strategy in an Islanded Hybrid AC/DC Microgrid to Improve Efficiency. IEEE Trans. Power Deliv. 2022. [Google Scholar] [CrossRef]
- Bi, K.; Lu, Y.; Zhuang, Y.; Zhu, Y.; Fan, Q. Decoupling Power Balancing Strategy with Reduced Current Sensors for Two-phase Interleaved Neutral Point Clamped DC/DC Converter Applied in Energy Storage System. IEEE Trans. Energy Convers. 2022. [Google Scholar] [CrossRef]
- Samadhiya, A.; Namrata, K.; Kumar, N. An Experimental Performance Evaluation and Management of a Dual Energy Storage System in a Solar Based Hybrid Microgrid. Arab. J. Sci. Eng. 2022, 1–24. [Google Scholar] [CrossRef]
- Merabet, A.; Al-Durra, A.; El-Saadany, E.F. Improved Feedback Control and Optimal Management for Battery Storage System in Microgrid Operating in Bi-directional Grid Power Transfer. IEEE Trans. Sustain. Energy 2022. [Google Scholar] [CrossRef]
- Alam, M.S.; Al-Ismail, F.S.; Abido, M.A. Power management and state of charge restoration of direct current microgrid with improved voltage-shifting controller. J. Energy Storage 2021, 44, 103253. [Google Scholar] [CrossRef]
- Nabatirad, M.; Razzaghi, R.; Bahrani, B. Decentralized Energy Management and Voltage Regulation in Islanded DC Microgrids. IEEE Syst. J. 2022. [Google Scholar] [CrossRef]
- Nguyen, N.-D.; Yoon, C.; Lee, Y.I. A standalone energy management system of battery/supercapacitor hybrid energy storage system for electric vehicles using model predictive control. IEEE Trans. Ind. Electron. 2022. [Google Scholar] [CrossRef]
- Zhang, M.; Xu, Q.; Zhang, C.; Nordström, L.; Blaabjerg, F. Decentralized Coordination and Stabilization of Hybrid Energy Storage Systems in DC Microgrids. IEEE Trans. Smart Grid 2022, 13, 1751–1761. [Google Scholar] [CrossRef]
- Kaysal, A.; Köroğlu, S.; Oğuz, Y. Hierarchical energy management system with multiple operation modes for hybrid DC microgrid. Int. J. Electr. Power Energy Syst. 2022, 141, 108149. [Google Scholar] [CrossRef]
- Liu, X.; Suo, Y.; Zhang, Z.; Song, X.; Zhou, J. A New Model Predictive Current Control Strategy for Hybrid Energy Storage System Considering the SOC of the Supercapacitor. IEEE J. Emerg. Sel. Top. Power Electron. 2022. [Google Scholar] [CrossRef]
- Panda, M.; Devara, V.B.; Maity, T. A novel dc bus-signaling based power management strategy for dc microgrid. Int. Trans. Electr. Energy Syst. 2021, 31, e12758. [Google Scholar] [CrossRef]











| Constraints | Microgrid | Conventional Grid |
|---|---|---|
| Operating Mode [5] | Both islanded and grid-integrated mode | Only grid-integrated mode |
| Control Structure [5] | Both centralized and decentralized control | Only centralized control |
| RES Integration [6] | High | Low |
| Global Parameter for Control [6] | DC link voltage | Frequency |
| CO2 Emission [7] | Low | High |
| Installation Cost [7] | Low | High |
| Power Loss [7] | Less | More (Due to transmission and distribution line power losses) |
| Communication | Two-way | One-way |
| Generation Capacity | Low | High |
| Storage Device | Efficiency (%) | Power Density | Energy Density | Life Span (Year) | Response Time | Cost |
|---|---|---|---|---|---|---|
| Flywheel | 80–85 | 1000–2000 | 20–80 | 15–20 | ms–s | High |
| Supercapacitor | 65–98 | 500–5000 | 2.5–15 | 10–20 | 8 ms | Medium |
| Lead-Acid Battery | 70–90 | 10–400 | 50–80 | 5–16 | s | Low |
| Li-Ion Battery | 78–99 | 500–2000 | 200–480 | 5–16 | 20 ms–s | Low |
| Superconducting Magnetic Energy Storage (SMES) | 80–85 | 1000–4000 | 0.5–15 | 5–15 | <100 ms | High |
| Fuel cell/Hydrogen Storage | 20–50 | 0.2–20 | 750 (at 250 bar pressure) | 5–20 | <1 s | High |
| Topology | Flexibility | Fluctuation in DC Bus Voltage | Space Requirement | Complexity in Control Scheme | Cost | Applications |
|---|---|---|---|---|---|---|
| Passive [32,33] | Much less | Yes | Less | Low | Less | In small capacity systems where cost is the main determining factor. |
| Semi-active [34] | Medium | Moderate | Medium | Medium | Moderate | Extension of battery life is compromised with slight increase in cost. |
| Active [30,35] | High | No | High | High | High | In a large capacity system for better transient response. |
| Control Technique | Advantages | Limitations |
|---|---|---|
| Filter-based Control [10,13,30,43] |
|
|
| Droop Control [44,45,46] |
|
|
| Sliding Mode Control [15,16,47] |
|
|
| Rule-based Control [48] |
|
|
| Deadbeat Control [49] |
|
|
| Control Technique | Advantages | Limitations |
|---|---|---|
| Model Predictive Control [50,51] |
|
|
| Fuzzy Logic Control [18,19,20] |
|
|
| Optimization-based Control [52] |
|
|
| Supervisory Control [53] |
|
|
| Ref. No. | Year | Technique | Connection | Advantages | Limitations |
|---|---|---|---|---|---|
| [10] | 2022 | Filter based control | Grid-connected |
|
|
| [15] | 2022 | Sliding mode control | Grid-connected |
|
|
| [54] | 2022 | Distributed control with droop control | Grid-connected |
|
|
| [55] | 2022 | Decoupling power balancing scheme | Grid-connected |
|
|
| [56] | 2022 | Model predictive control | Grid-connected |
|
|
| [57] | 2022 | Disturbance observer based improved feedback controller | Grid-connected |
|
|
| [58] | 2021 | Average voltage shifting based power sharing control | Grid-connected |
|
|
| [59] | 2022 | Modified droop control technique | Isolated |
|
|
| [60] | 2022 | Model predictive control | Isolated |
|
|
| [61] | 2022 | Composite model predictive controller and sliding mode observer | Isolated |
|
|
| [62] | 2022 | Hierarchical three level distributed control with fuzzy logic | Isolated |
|
|
| [63] | 2022 | New model predictive control based on MPC and PI controller | Isolated |
|
|
| [64] | 2021 | DC bus signaling based control | Isolated |
|
|
Publisher’s Note: MDPI stays neutral with regard to jurisdictional claims in published maps and institutional affiliations. |
© 2022 by the authors. Licensee MDPI, Basel, Switzerland. This article is an open access article distributed under the terms and conditions of the Creative Commons Attribution (CC BY) license (https://creativecommons.org/licenses/by/4.0/).
Share and Cite
Bharatee, A.; Ray, P.K.; Subudhi, B.; Ghosh, A. Power Management Strategies in a Hybrid Energy Storage System Integrated AC/DC Microgrid: A Review. Energies 2022, 15, 7176. https://doi.org/10.3390/en15197176
Bharatee A, Ray PK, Subudhi B, Ghosh A. Power Management Strategies in a Hybrid Energy Storage System Integrated AC/DC Microgrid: A Review. Energies. 2022; 15(19):7176. https://doi.org/10.3390/en15197176
Chicago/Turabian StyleBharatee, Anindya, Pravat Kumar Ray, Bidyadhar Subudhi, and Arnab Ghosh. 2022. "Power Management Strategies in a Hybrid Energy Storage System Integrated AC/DC Microgrid: A Review" Energies 15, no. 19: 7176. https://doi.org/10.3390/en15197176
APA StyleBharatee, A., Ray, P. K., Subudhi, B., & Ghosh, A. (2022). Power Management Strategies in a Hybrid Energy Storage System Integrated AC/DC Microgrid: A Review. Energies, 15(19), 7176. https://doi.org/10.3390/en15197176

