Sharing Voltage and Current of an Input-Series–Output-Parallel Boost-LLC Converter †
Abstract
:1. Introduction
2. Small-Signal Model Analysis of ISOP System
2.1. Small-Signal Model of Interleaved Boost Converter
2.2. Simplified Small-Signal Model for Full-Bridge LLC Resonant Converter
3. Pressure and Current Equalization Performance Analysis of ISOP System
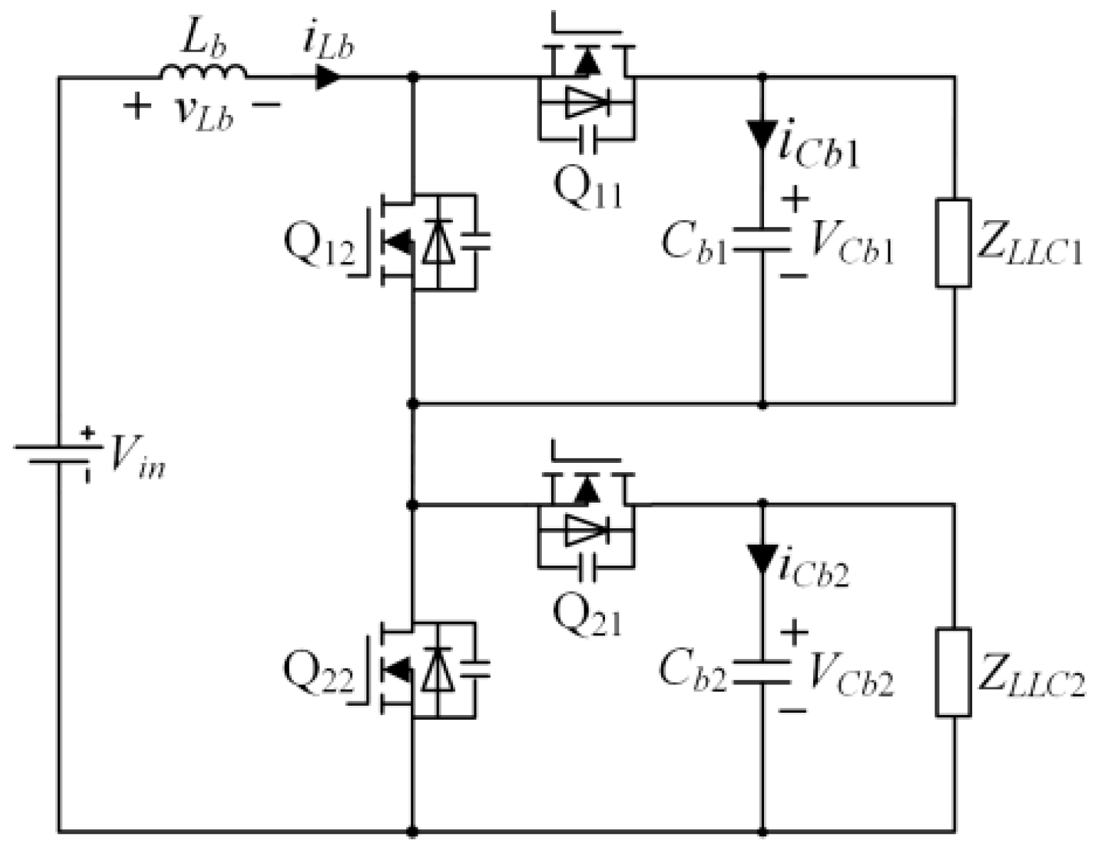
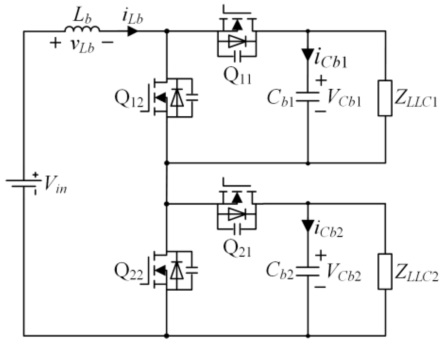
3.1. Mechanism of Pressure and Flow Equalization in ISOP System
3.2. Analysis of Voltage Equalization Performance of Intermediate DC Bus
3.2.1. Steady-State Pressure Equalization Performance Analysis When Submodule Parameters Are Inconsistent
3.2.2. Dynamic Pressure Equalization Performance Analysis When Submodule Parameters Are Inconsistent
4. Simulation and Experimental Verification
4.1. Simulation Verification
4.2. Experimental Verification
5. Conclusions
Author Contributions
Funding
Data Availability Statement
Conflicts of Interest
References
- Luo, C.; Huang, S. Novel Voltage Balancing Control Strategy for Dual-Active-Bridge Input-Series-Output-Parallel DC-DC Converters. IEEE Access 2020, 8, 103114–103123. [Google Scholar] [CrossRef]
- Ma, D.; Chen, W.; Ruan, X. A Review of Voltage/Current Sharing Techniques for Series–Parallel-Connected Modular Power Conversion Systems. IEEE Trans. Power Electron. 2020, 35, 12383–12400. [Google Scholar] [CrossRef]
- Wang, Y.; Guan, Y.; Fosso, O.; Molinas, M.; Chen, S.-Z.; Zhang, Y. An Input-Voltage-Sharing Control Strategy of Input-Series-Output-Parallel Isolated Bidirectional DC/DC Converter for DC Distribution Network. IEEE Trans. Power Electron. 2021, 37, 1592–1604. [Google Scholar] [CrossRef]
- Sha, D.; Guo, Z.; Liao, X. Cross-Feedback Output-Current-Sharing Control for Input-Series-Output-Parallel Modular DC–DC Converters. IEEE Trans. Power Electron. 2010, 25, 2762–2771. [Google Scholar] [CrossRef]
- Duan, J.; Zhang, D.; Wang, L.; Zhou, Z.; Gu, Y. Active Voltage Sharing Module for Input-Series Connected Modular DC/DC Converters. IEEE Trans. Power Electron. 2020, 35, 5987–6000. [Google Scholar] [CrossRef]
- Ma, Q.; Huang, Q.; Huang, A.Q. Performance Analysis of an Input-Series-Output-Parallel LLC Resonant Converter with Parameters Mismatch. In Proceedings of the 2021 IEEE Energy Conversion Congress and Exposition (ECCE), Vancouver, BC, Canada, 10–14 October 2021; pp. 3203–3210. [Google Scholar]
- Liu, H.; Cui, S.; Liu, C.; Sun, H. Small-signal Modeling and Input Impedance of ISOP DC Transformer with Switched Resonant Branches for Self-Voltage Balancing. In Proceedings of the 2022 IEEE 5th International Electrical and Energy Conference (CIEEC), Nangjing, China, 27–29 May 2022; pp. 2818–2823. [Google Scholar]
- Fuerback, V.B.; Pagliosa, M.A.; Dall’Asta, M.S.; Lazzarin, T.B. Modular ISOP Flyback converter: Analysis of auto-balancing mechanism in steady state. In Proceedings of the 2017 IEEE 8th International Symposium on Power Electronics for Distributed Generation Systems (PEDG), Florianopolis, Brazil, 17–20 April 2017; pp. 1–6. [Google Scholar]
- Zong, S.; Zhu, Q.; Yu, W.; Huang, A.Q. Auxiliary power supply for solid state transformer with ultra high voltage capacitive driving. In Proceedings of the 2015 IEEE Applied Power Electronics Conference and Exposition (APEC), Charlotte, NC, USA, 15–19 March 2015; pp. 1008–1013. [Google Scholar]
- Shi, J.; Luo, J.; He, X. Common-Duty-Ratio Control of Input-Series Output-Parallel Connected Phase-shift Full-Bridge DC–DC Converter Modules. IEEE Trans. Power Electron. 2011, 26, 3318–3329. [Google Scholar] [CrossRef]
- Ding, R.; Mei, J.; Guan, Z.; Zhao, J. An Input-Series-Output-Series Modular Multilevel DC Transformer With Inter-Module Arithmetic Phase Interleaving Control to Reduce DC Ripples. IEEE Access 2018, 6, 75961–75974. [Google Scholar] [CrossRef]
- Wu, Y.-E.; Pan, B.-H. High Efficiency and Voltage Conversion Ratio Bidirectional Isolated DC-DC Converter for Energy Storage System. IEEE Access 2022, 10, 55187–55199. [Google Scholar] [CrossRef]
- Chang, C.; Cheng, C.; Cheng, H. Modeling and Design of the LLC Resonant Converter Used as a Solar-Array Simulator. IEEE J. Emerg. Sel. Topics Power Electron. 2014, 2, 833–841. [Google Scholar] [CrossRef]
- Tian, S.; Lee, F.C.; Li, Q. Equivalent Circuit Modeling of LLC Resonant Converter. IEEE Trans. Power Electron. 2020, 35, 8833–8845. [Google Scholar] [CrossRef]
- Liu, F.; Ruan, X.; Huang, X.; Qiu, Y. Second Harmonic Current Reduction for Two-Stage Inverter With DCX- LLC Resonant Converter in Front-End DC–DC Converter: Modeling and Control. IEEE Trans. Power Electron. 2021, 36, 4597–4609. [Google Scholar] [CrossRef]
- Hou, N.; Gunawardena, P.; Wu, X.; Ding, L.; Zhang, Y.; Li, Y.W. An Input-Oriented Power Sharing Control Scheme with Fast-Dynamic Response for ISOP DAB DC–DC Converter. IEEE Trans. Power Electron. 2022, 37, 6501–6510. [Google Scholar] [CrossRef]
- Zhang, Z.; Shi, Y.; Chen, Z.; Peng, K. ISOP DAB Application to the Test of Batteries. In Proceedings of the 2021 IEEE 4th International Conference on Renewable Energy and Power Engineering (REPE), Beijing, China, 9–11 October 2021; pp. 43–47. [Google Scholar]
















| Parameter | Symbol | Value |
|---|---|---|
| Input voltage | Vin | 1000–1800 V |
| Intermediate bus voltage | VCb | 1050 V |
| Output voltage | Vo | 700 V |
| Output power | Po | 150 kW |
| Boost switching frequency | fsB | 20 kHz |
| LLC switching frequency | fsL | 30 kHz |
| LLC resonant frequency | fr | 32 kHz |
| Boost inductance | Lb | 360 μH |
| Middle bus support capacitance | Cb | 204 μF |
| Transformer turns ratio | n | 1.5 |
| Parallel resonant inductance | Lp | 1.6 mH |
| Series resonant inductance | Lr | 17 μH |
| Resonant capacitance | Cr | 1.41 μF |
| Output support capacitance | Co | 1680μF |
| Cb (μF) | Cr (μF) | Lr (μH) | Lp (mH) | n | |
|---|---|---|---|---|---|
| Module 1 | 214.2 | 1.48 | 18.7 | 1.76 | 1.515 |
| Module 2 | 193.8 | 1.34 | 15.3 | 1.44 | 1.485 |
| Cb (μF) | Cr (μF) | Lr (μH) | Lp (mH) | n | |
|---|---|---|---|---|---|
| Module 1 | 206.9 | 1.398 | 18.07 | 1.55 | 1.5 |
| Module 2 | 207.6 | 1.388 | 17.67 | 1.57 | 1.5 |
Publisher’s Note: MDPI stays neutral with regard to jurisdictional claims in published maps and institutional affiliations. |
© 2022 by the authors. Licensee MDPI, Basel, Switzerland. This article is an open access article distributed under the terms and conditions of the Creative Commons Attribution (CC BY) license (https://creativecommons.org/licenses/by/4.0/).
Share and Cite
Zhang, B.; Huang, J.; Song, Y.; Liu, X.; Ren, J.; Kang, C.; Ma, Y.; Sun, S.; Diao, L. Sharing Voltage and Current of an Input-Series–Output-Parallel Boost-LLC Converter. Energies 2022, 15, 7165. https://doi.org/10.3390/en15197165
Zhang B, Huang J, Song Y, Liu X, Ren J, Kang C, Ma Y, Sun S, Diao L. Sharing Voltage and Current of an Input-Series–Output-Parallel Boost-LLC Converter. Energies. 2022; 15(19):7165. https://doi.org/10.3390/en15197165
Chicago/Turabian StyleZhang, Bo, Jin Huang, Yongfeng Song, Xinbo Liu, Jiahui Ren, Chengwei Kang, Yingtao Ma, Shijie Sun, and Lijun Diao. 2022. "Sharing Voltage and Current of an Input-Series–Output-Parallel Boost-LLC Converter" Energies 15, no. 19: 7165. https://doi.org/10.3390/en15197165
APA StyleZhang, B., Huang, J., Song, Y., Liu, X., Ren, J., Kang, C., Ma, Y., Sun, S., & Diao, L. (2022). Sharing Voltage and Current of an Input-Series–Output-Parallel Boost-LLC Converter. Energies, 15(19), 7165. https://doi.org/10.3390/en15197165

