Next Article in Journal
A Comprehensive Framework for Direct Lightning-Structure-Human Interaction Modelling in Heritage Monuments and Safety Assessment
Next Article in Special Issue
Changes in Energy Sector Strategies: A Literature Review
Previous Article in Journal
Parametric Performance Analysis of the Cooling Potential of Earth-to-Air Heat Exchangers in Hot and Humid Climates
Previous Article in Special Issue
Impact of Spotted Hyena Optimized Cascade Controller in Load Frequency Control of Wave-Solar-Double Compensated Capacitive Energy Storage Based Interconnected Power System
 
 
Font Type:
Arial Georgia Verdana
Font Size:
Aa Aa Aa
Line Spacing:
Column Width:
Background:
Article

Evaluation of Technical Solutions to Improve Transient Stability in Power Systems with Wind Power Generation

by
Giuseppe Marco Tina
*,
Giovanni Maione
and
Sebastiano Licciardello
Department of Electrical, Electronic and Computer Engineering, University of Catania, 95125 Catania, Italy
*
Author to whom correspondence should be addressed.
Energies 2022, 15(19), 7055; https://doi.org/10.3390/en15197055
Submission received: 31 August 2022 / Revised: 20 September 2022 / Accepted: 21 September 2022 / Published: 26 September 2022
(This article belongs to the Special Issue Power System Dynamics and Renewable Energy Integration)

Abstract

:
Reliability and safety must be carefully considered in today’s power systems, which are rapidly evolving toward ever higher penetration of renewable, inverter-based generation units. Power systems are constantly stressed by active power disturbances, which can be exacerbated by wind and solar systems that are subject to rapid fluctuations in primary energy. In this framework, a comparative technical analysis of solutions to improve transient stability, both rotor angle stability and frequency stability, is carried out. These solutions can be adopted by the transmission system operator (e.g., an additional parallel transmission line), by the generation companies (e.g., a fast excitation system), or by both, such as SVC (static VAR compensator) and STATCOM (static synchronous compensator). Sensitivity analyses were carried out to assess the impact of the location of the wind turbines in the buses of the grid on their rated power and level of production. On the basis of these analyses, the worst-case fault was considered, and the critical fault recovery time was determined as an engineering parameter to compare the different solutions. For the numerical analysis, a modified IEEE 9-bus system was considered, and the PowerWorld software tool was used. Rotor angle and frequency stability analyses were performed.

1. Introduction

The energy model that has been introduced and developed in the last century to enable economic development is no longer sustainable under these new climate and environmental conditions. For instance, in the current Electrical Power System (EPS) model, thermoelectric generation is strongly predominant; this current source of energy today is the main cause of greenhouse gas emissions, including CO2. The increase in these emissions has highlighted the need for evident and rapid decarbonization and efficiency of all energy sectors to limit their impacts on the environment and achieve a more sustainable system.
To this end, several national and international agreements have been reached, such as the PNIEC (Integrated National Plan for Energy and Climate 2030), the Clean Energy Package, and the European Green Deal, which set various strategic goals to counteract the increase in global average temperature. One of the most challenging goals is the strong increase in energy generation from renewable energy sources, i.e., wind and photovoltaic.
The generation of Renewable Energy Sources (RESs), has been identified as one of the main enablers of the transition. Thanks to their operation principles, these types of energy generation allow the production of energy without CO2 emissions, and they help reduce energy prices, which (ultimately) benefits the consumers.
The power plants based on RES, specifically wind and solar generators, are characterized by nonprogrammable production profiles, which means that the electricity produced by such plants does not follow the dynamics of energy demand for consumption, but the dynamic characteristics of each energy source. Moreover, this type of technology is mainly based on inverter technology, i.e., systems connected to the grid through static components, which have a lower tendency to comply with the variation of power system the basic parameters for the safe operation of the grid than the traditional groups, that interface through the use of rotating machines [1,2].
These properties have the following implications for the management of the system [3,4]:
  • Reduction in the number of generation resources capable of providing frequency regulation (active power regulation) and voltage regulation (reactive power regulation) services;
  • Reduction in electromechanical inertia, which worsens the dynamic response after disturbances;
  • Reduction in short-circuit power, which worsens the quality of service and the risk of propagation of voltage disturbances;
  • Reduction in the margin to cover peak loads, which can be demonstrated in hours to a low production of RES;
  • Increasing periods of overgeneration (production greater than demand) and line congestions, which without sufficient storage capacity or reserve can cause cuts in the energy produced;
  • Increase in steepness of the evening ramp of the residual load, due to the sudden drop in the production of solar plants in the darkest hours, so that a fast response from flexible systems is essential;
  • Increase in reserve requirements due to the increasing presence of nonprogrammable renewable energy sources (NP-RES)-based power plants and their randomness.
Looking at these impacts, the increase in the share of RES generation brings the electricity system to conditions of lower reliability, safety, and stability. In this context, stability, particularly transient stability, plays an important role as an index of robustness of the system, subject by its nature to events such as faults and disturbances [5].
Transient stability represents the ability of the system to withstand transient events caused by a disturbance, generally important, e.g., a short-circuit, and to reach the nominal operating conditions. For this reason, it has been the subject of many studies and is already described in the literature [6,7]. A part of this also applies to the impact on transient stability caused by wind turbine integration in the current traditional electric power systems [8,9].
This article first examines the impact of RES generation (in this case, wind energy) on the transient stability of the system when wind energy is added to existing traditional generation and when it replaces some of that generation. The main objective of this work is to analyze and compare some of the solutions to improve the transient stability, such as SVC (static VAR compensator), STATCOM (static synchronous compensator), fast excitation system, and the doubling of a transmission line, as performed in [6]. In this way, it is possible to evaluate and compare the effects of these solutions in a system with RES generation in two different scenarios and then compare them with those of a traditional system.
The PowerWorld Simulator is used for this paper. The IEEE 9-bus system used as a case study in [6] is modified by adding wind turbines. The decision to start with the IEEE 9-bus system is due to the widespread use of this grid, which allows for comparison, and its simplicity, which allows for various sensitivity analyses thanks to the small number of buses; this type of analysis would indeed be complicated and time-consuming for larger grids. As in [6], the system is modeled using component that are already tested and present in the IEEE or WECC lists and that are present in most power system simulator libraries. This is implemented to reach general and reproducible results. However, specific studies about new wind turbine controllers are present in the literature (e.g., [10,11]), which investigate new solutions to face adequately the stability issues in power system with low inertia.
The contributions of this paper are as follows:
  • Sensitivity analysis to identify the generation bus in which to insert the wind generator, so as to define the worst operating condition in terms of transient stability following the insertion of the wind plant;
  • Sensitivity analysis on the share of installed and generated wind power, to evaluate the impacts of the different share on the network following a failure;
  • An evaluation of the impact on transient rotor angle and frequency stability, through the installation of SVC and STATCOM. These solutions provide TSOs (transmission system operators) and GENCOs (generation companies) with dynamic control during contingencies.
The paper is organized as follows: Section 2 presents the solutions to improve the transient stability. The studied system is described in Section 3. In Section 4, sensitivity to wind position, base power, and injected power is investigated. In Section 5, the improvement solutions are tested in two different scenarios. Conclusions are presented in Section 6, where the improvement solutions are summarized, and their main features are highlighted.

2. Description of Enhancement Solutions

According to [12], the solutions used to enhance the transient stability in power system can be classified as conventional and RES-based. Here, the focus is on the conventional techniques. The re-dispatching technique is not considered because no optimal power flow study is performed.
This study considers two types of solutions, as suggested in [12]:
  • A preventive one, via the reduction in system reactance. To do this, the addition of a parallel transmission lines is considered;
  • An emergency one, where the following solutions can be adopted:
    The fast excitation system helps to reduce oscillations in the electrical system by controlling the generator voltage through the field-excitation circuit, under transient conditions;
    SVC and STATCOM can regulate the voltage at a selected bus by varying their reactive power, and they can help improve transient stability by increasing the synchronization power flow between generators.
The two solutions mentioned above belong to the FACTS (flexible alternating current transmission systems) family. Their main features are as follows:
  • The SVC (static VAR compensator) consists of passive elements, capacitors, and inductances, controlled by static devices, such as thyristors. Their performance depends on the voltage of the connection bus;
  • The STATCOM (static synchronous compensator), unlike the SVC, does not need passive elements. It is basically a voltage source converter, whose performance is independent of the voltage at the connection bus.

3. IEEE 9-Bus System Description

The test system chosen for this study is the IEEE 9-bus system, which is part of a series of test systems often used for studies on the stability, steady state, and dynamics of power systems [8,13,14].
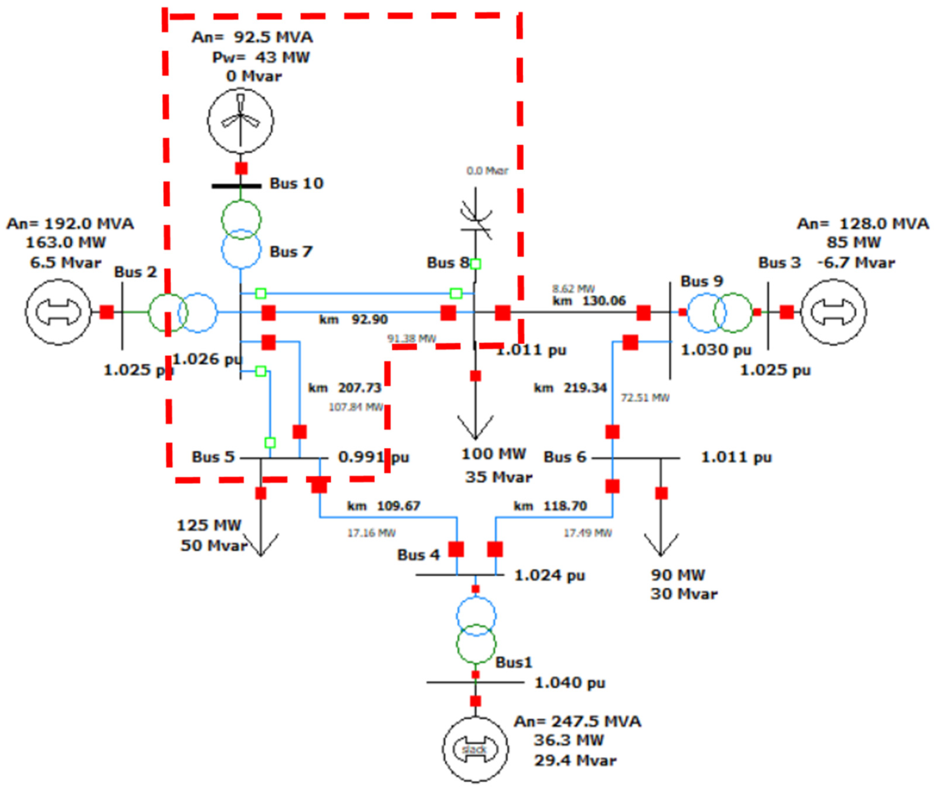
Here, a modified version of the IEEE 9-bus system is proposed. Starting from the modified version illustrated in [6], one more change is made, i.e., the addition of a type 3 wind turbine generator at bus 7. This is implemented to consider the effect of RES generation in power systems. The location of the wind turbine generator in this node is justified later.
The modified IEEE 9-bus system used in this article is shown in Figure 1, where the load flow results are shown for the case where the proposed solutions are not used or are switched off. Except for the wind generator, which is always connected, the proposed solutions are alternatively connected. In Figure 1, the corresponding connections are shown as empty squares. Their connections are also made to study their impact on the system in the different proposed simulations and scenarios.
As in [6], the transient stability analysis of the proposed system is performed by simulating a three-phase short-circuit. The frequency response of the load is not considered.
According to [15], the models used, in the PowerWorld Simulator, for implementing the type 3 wind turbine generator, i.e., DFIG (doubly-fed induction generator) wind generator, are shown in Table 1. Table 2 indicates the parameters set needed for the chosen control mode.
Here, the analysis follows the steps shown below.
  • Load-flow analysis is performed to initialize the system;
  • A three-phase symmetrical short-circuit fault is applied to a transmission line at 1 s;
  • The fault clearing time, FCT, is set to 0.300 s;
  • The duration of the simulation is 10 s;
  • The simulation time step is 5 ms.

4. Improved System Description

4.1. Sensitivity Analysis of Wind Generator Location

This analysis was performed to determine which wind generator installation bus had the greatest effect on the transient stability of the system. For this purpose, the wind turbine generator was installed in the three generator buses, i.e., bus 4, 7, and 9, and the maximum rotor angle values assumed by generators 2 and 3 (synchronous generators) were evaluated. The rated power of the wind turbine generator was 50 MVA, and its operative active power production was 25 MW. These two values were chosen considering the percentage of wind turbines installed in Italy (about 9.5%) and the energy produced by them (about 7.4%) for the year 2021, as indicated in [16].
The results of this analysis are presented in Table 3, where the maximum rotor angle is also given for the case where no wind generator is installed.
From Table 3 it can be seen that the maximum rotor angle for generators 2 and 3 was reached when the wind generator was installed at bus 7. Therefore, this system configuration was used going forward. In [6], the focus was on generator 2, which was also the most loaded generator in this case.

4.2. Sensitivity Analysis of Wind Generator Rated Power

Another sensitivity analysis was performed taking as parameter the rated power, An (in MVA), of the wind generator. The objective of this sensitivity analysis was to evaluate the impact of the MVA base power on the transient stability of the system. Five values were chosen, starting with 50 MVA and increasing by 25 MVA. The active power generated was kept constant at 25 MW.
To measure the effects on the transient stability, two parameters were considered: the rotor angle (at FCT = 0.300 s) and the critical clearing time (CCT). The variation of these parameters with the power base is shown in Table 4. Figure 2, on the other hand, shows a comparison of the rotor angle behavior for the five MVA basis values, including the case without wind generation.
Table 4 and Figure 2 show that the rotor angle of generator 2 assumed decreasing maximum values as the installed wind power increased. The case characterized by an installed wind power of 150 MVA deserves special attention, resulting in a maximum rotor angle lower than that obtained in the case without wind power generation. The CCT took increasing values as the installed wind power increased.
If the two parameters are considered, it is possible to see that the stability of the system increased as the size of the installed wind generator increased.

4.3. Sensitivity Analysis of Wind Generator Produced Active Power

A sensitivity analysis was then performed for the power production of the wind generator. For this purpose, starting from the sensitivity study of the installed power, the sizes 50 MVA and 150 MVA (smallest and largest, respectively) were taken, as shown in Table 5.
Once the basic values were established, the power values generated in the network were modified. Three values of generated power were evaluated (Figure 3 and Figure 4), taking as the initial value the percentage of wind power in Italy in 2021 (7.4%) [16], while the final value was chosen to be very close to the system instability.
Looking at Table 5, it is possible to note that, for both the installed power values and the increase in the power generated, there was an increase in the value of rotor angle and a decrease in the CCT. Specifically, it is possible to observe that the operating condition characterized by 150 MVA of installed wind power and 25 MW of generated power led to lower rotor angle values than those obtained in the scenario without wind generation.

5. Simulation on Scenarios

The aim of this study was to assess the impact of wind power generation in terms of stability and the effectiveness of the mentioned solutions to mitigate stability problems caused by the integration of the wind plant. For this purpose, an installed power value of 92.5 MVA was considered within the in-use test system. This value was chosen by applying to our test system the same percentage of wind generation expected from Terna to 2030 within the Italian electricity system [4].
With the same criterion, a power input value of 42.7 MW was chosen from this wind generator.
Once the generation and production quotas from wind have been defined, the impacts on transient stability related to the use of systems for their enhancement were studied, as seen in [6].
This assessment was carried out considering two different scenarios:
  • Scenario A, which provides for the addition of the wind generator without the decrease in the share of conventional generation within the test system, so as not to decrease the inertia value present in the system;
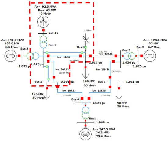
  • Scenario B, which involves the replacement of a share of conventional installed power equal to 92.5 MVA with wind power, so as to evaluate the impact of the system inertia reduction following the insertion of the wind generator (Figure 5).

5.1. Scenario A—Wind Added without Replacing Conventional Generation

In order to assess the device effectiveness in enhancing stability within the wind-added scenario, the system characterized by the presence of only the wind generator was taken as the base scenario.
Later comparisons were made in terms of rotor angle and CCT with data obtained from scenarios characterized by the presence of a double line, an SVC, a STATCOM, and a fast excitation system EXST4B, as carried out in [6] and shown in Table 6 and Table 7, while the behavior of the rotor angle and the frequency is shown in Figure 6 and Figure 7.
The results show that the addition of a new parallel line is the most effective solution to contain the rotor angle variations, as shown in Table 6 and Figure 6; moreover, the stability margin was increased by reducing the initial rotor angle, thanks to its effect on the system admittance matrix. SVC and STATCOM (see Figure 6) had a limited effect on the rotor angle stability, while the fast-acting exciter EXST4B anticipated the maximum rotor angle instant, while also reducing its value.
Figure 7 shows that the oscillations occurring in the base caused by the three-phase short-circuit case were mitigated using the solutions considered.
The addition of a parallel line represents a structural and preventive solution, with a small effect on the frequency stability. Emergency solutions such as SVC and STATCOM, as well as the fast-acting exciter, help the system frequency stability, especially during the underfrequency period. This is because these devices operate under dynamic conditions, which allows the control of electrical quantities such as voltage, which is a crucial quantity during a transient caused by a short-circuit. Comparing the results, the fast exciter had the best impact on frequency stability, resulting in the lowest oscillations, reaching the lowest point of 49.65 Hz.

5.2. Scenario B—Wind Added with Replacement of Conventional Generation

The same analyses described in the previous paragraph were evaluated under the scenario that involved replacing the traditional generation quota with wind generation, using the same percentages described. In this case, the effects of the tested devices were also evaluated as a function of the rotor angle and frequency values during the fault, as shown in Table 8 and Table 9 and Figure 8 and Figure 9.
A look at the rotor angle values obtained in Scenario B (see Table 8) shows that the maximum rotor angle for each solution was smaller than the rotor angle value obtained for the same solution in Scenario A. The same trend can be observed for CCT in Table 9. This is due to a different operating point of Generator 2, because the presence of the wind generator allows Generator 2 to feed a lower value of MW to Bus 2.
In the substitute scenario, the best solution for the stability of the rotor angle was the double line and not the other devices, which had only a small effect. The frequency oscillation in the replacement scenario behaved similarly to the addition scenario, confirming that EXST4B was the best solution in terms of frequency stability, reaching a minimum value of 49.7 Hz, as shown in Figure 9.

6. Conclusions

The analyses presented in this manuscript showed that the presence of a wind generator leads to lower system stability, due to inertia reduction, when limited to the grid under consideration. This is true until a very large amount of wind generation is installed (e.g., 150 MVA of wind capacity over 567.5 MVA of programmable generation capacity).
Injected power also affects stability, as an injected power close to the maximum power of the wind generator leads to lower stability margins in rotor angles.
In both the scenario with additional wind turbines and the scenario with replacement wind turbines, the addition of a parallel line (preventive control of transient stability) was the optimal solution to improve rotor angle stability, while the impact on frequency stability was irrelevant, due to the absence of dynamic contribution. In the case of emergency control of transient stability, the fast-acting exciter is the best solution, especially in terms of frequency stability, since it acts faster than any other solution. On the other hand, for rotor angle stability, the fast-acting exciter is useful to improve transient stability, but its contribution is limited with respect to the addition a new parallel line.
SVC and STATCOM showed limited capacity in helping the system to enhance its rotor angle stability, while they represent desirable solutions to improve frequency stability, allowing a better containment of frequency fluctuations, while avoiding the tripping of load shedding relays.
The results can be summarized as follows:
  • SVC and STATCOM devices provide superior support for improving transient stability. These two solutions show similar behaviors; however, due to their unique features, the STATCOM solution was found to perform at higher standards than SVC—in the case of a weak grid or in a case characterized by a low percentage of synchronous generation (e.g., high penetration of renewable energy sources);
  • From a monetary/financial point of view, SVC is a cheaper solution than STATCOM, due to its ease of allocation and maintenance, and the larger power range. Investment in these solutions can be economically incentivized for utilities in case of remuneration for reactive power compensation. Focusing on generator companies, an economic incentive, e.g., a remunerated voltage regulation service, could be useful to refurbish their plants and to increase performance through the use of fast excitation systems, as shown in the analyses.
Looking at the next generation of power system structures, specifically characterized by a high presence of RES generation [8,14,17] (which can strongly impact the system stability), it can be useful to reinforce the power grid structure by doubling key lines. This is surely useful to prevent critical congestion problems and significantly improve grid stability.
This paper provides a preliminary examination of the impact of new converter-based technologies on improving the security of modern power systems. Future developments will include the following topics: the impact of different control techniques for thermoelectric generators, concerning only generators with fast valving and brake resistors to mitigate the transient following a contingency. New market products are necessary to push not only utilities to provide services based on new technology, but also TSO to install new devices to manage the future power system safely. This can be achieved, for example, by introducing new ancillary services.

Author Contributions

Conceptualization, G.M.T.; Data curation, G.M. and S.L.; Investigation, G.M. and S.L.; Methodology, G.M.T.; Software, G.M. and S.L.; Supervision, G.M.T. All authors have read and agreed to the published version of the manuscript.

Funding

This research received no external funding.

Conflicts of Interest

The authors declare no conflict of interest.

References

  1. Gautam, D.; Vittal, V.; Harbour, T. Impact of increased penetration of DFIG-based wind turbine generators on transient and small signal stability of power systems. IEEE Trans. Power Syst. 2009, 24, 1426–1434. [Google Scholar] [CrossRef]
  2. Chamorro, H.R.; Ghandhari, M.; Eriksson, R. Wind Power Impact on Power System Frequency Response. In Proceedings of the 2013 North American Power Symposium (NAPS), Manhattan, KS, USA, 22–24 September 2013; pp. 1–6. [Google Scholar]
  3. Terna. Piano di Sviluppo 2020; Terna S.p.A.: Italy, Rome, 2020. [Google Scholar]
  4. Terna. Piano di Sviluppo 2021; Terna S.p.A.: Italy, Rome, 2021. [Google Scholar]
  5. Flynn, D.; Rather, Z.; Ardal, A.; D’Arco, S.; Hansen, A.D.; Cutululis, N.A.; Wang, Y. Technical impacts of high penetration levels of wind power on power system stability. Wiley Interdiscip. Rev. Energy Environ. 2017, 6, e216. [Google Scholar] [CrossRef]
  6. Tina, G.M.; Maione, G.; Licciardello, S.; Stefanelli, D. Comparative Technical-Economical Analysis of Transient Stability Improvements in a Power System. Appl. Sci. 2021, 11, 11359. [Google Scholar] [CrossRef]
  7. Kundur, P.; Paserba, J.; Ajjarapu, V.; Andersson, G.; Bose, A.; Canizares, C.; Vittal, V. Definition and classification of power system stability IEEE/CIGRE joint task force on stability terms and definitions. IEEE Trans. Power Syst. 2004, 19, 1387–1401. [Google Scholar]
  8. Kusumo, S.A.; Putranto, L.M. Transient Stability Study in Grid Integrated Wind Farm. In Proceedings of the 2018 5th International Conference on Information Technology, Computer, and Electrical Engineering (ICITACEE), Semarang, Indonesia, 27–28 September 2018; pp. 61–66. [Google Scholar]
  9. Salem, Q.; Altawil, I. Transient Stability Enhancement of Wind Farm Connected to Grid Supported with FACTS Devices. Int. J. Electr. Energy 2014, 2, 154–160. [Google Scholar] [CrossRef]
  10. Li, P.; Xiong, L.; Wu, F.; Ma, M.; Wang, J. Sliding mode controller based on feedback linearization for damping of sub-synchronous control interaction in DFIG-based wind power plants. Int. J. Electr. Power Energy Syst. 2019, 107, 239–250. [Google Scholar] [CrossRef]
  11. Li, P.; Xiong, L.; Ma, M.; Huang, S.; Zhu, Z.; Wang, Z. Energy-shaping L2-gain controller for PMSG wind turbine to mitigate subsynchronous interaction. Int. J. Electr. Power Energy Syst. 2022, 135, 107571. [Google Scholar] [CrossRef]
  12. Pertl, M.; Weckesser, T.; Rezkalla, M.; Marinelli, M. Transient stability improvement: A review and comparison of conventional and renewable-based techniques for preventive and emergency control. Electr. Eng. 2018, 100, 1701–1718. [Google Scholar] [CrossRef]
  13. Kaur, R.; Kumar, D. Transient stability improvement of IEEE 9 bus system using power world simulator. MATEC Web Conf. 2016, 57, 01026. [Google Scholar] [CrossRef]
  14. Katsivelakis, M.; Bargiotas, D.; Daskalopulu, A. Transient Stability Analysis in Power Systems Integrated with a Doubly-Fed Induction Generator Wind Farm. In Proceedings of the 2020 11th International Conference on Information, Intelligence, Systems and Applications (IISA), Piraeus, Greece, 15–17 July 2020; pp. 1–7. [Google Scholar]
  15. WECC Renewable Energy Modeling Task Force. WECC Wind Plant Dynamic Modeling Guidelines; Western Electricity Coordinating Council Modeling and Validation Work Group: Salt Lake City, UT, USA, 2014; p. 17. [Google Scholar]
  16. Terna. Transparency Report. Available online: https://www.terna.it/en/electric-system/transparency-report/actual-generation (accessed on 31 August 2022).
  17. Erlich, I.; Wilch, M.; Feltes, C. Reactive Power Generation by DFIG Based Wind Farms with AC Grid Connection. In Proceedings of the 2007 European Conference on Power Electronics and Applications, Aalborg, Denmark, 2–5 September 2007; pp. 1–10. [Google Scholar]
Figure 1. Modified IEEE 9-bus system with wind power generator and transient stability solutions (portion of the system identified by the dashed red line).
Figure 1. Modified IEEE 9-bus system with wind power generator and transient stability solutions (portion of the system identified by the dashed red line).
Energies 15 07055 g001
Figure 2. Comparison of rotor angle values for different rated power of wind generator.
Figure 2. Comparison of rotor angle values for different rated power of wind generator.
Energies 15 07055 g002
Figure 3. Comparison of rotor angle values for different wind power generation with 150 MVA wind power base.
Figure 3. Comparison of rotor angle values for different wind power generation with 150 MVA wind power base.
Energies 15 07055 g003
Figure 4. Comparison of rotor angle values for different wind power generation with 50 MVA wind power base.
Figure 4. Comparison of rotor angle values for different wind power generation with 50 MVA wind power base.
Energies 15 07055 g004
Figure 5. Modified IEEE 9-bus system for Scenario B.
Figure 5. Modified IEEE 9-bus system for Scenario B.
Energies 15 07055 g005
Figure 6. Scenario A: rotor angle curves considering different stability improvement solutions.
Figure 6. Scenario A: rotor angle curves considering different stability improvement solutions.
Energies 15 07055 g006
Figure 7. Scenario A: frequency curves considering different stability improvement solutions.
Figure 7. Scenario A: frequency curves considering different stability improvement solutions.
Energies 15 07055 g007
Figure 8. Scenario B: rotor angle curves with different stability improvement solutions.
Figure 8. Scenario B: rotor angle curves with different stability improvement solutions.
Energies 15 07055 g008
Figure 9. Scenario B: frequency curves with different stability improvement solutions.
Figure 9. Scenario B: frequency curves with different stability improvement solutions.
Energies 15 07055 g009
Table 1. Wind type 3 models.
Table 1. Wind type 3 models.
Power Plant PartsType 3 Model
Plant controllerREPC_A
Generator/converterREGC_A
Electrical controlREEC_A
TurbineWTGT_A
AerodynamicsWTGAR_A
Pitch controllerWTGPT_A
Torque controllerWTGTRQ_A
Table 2. Wind type 3 control mode selection.
Table 2. Wind type 3 control mode selection.
FunctionalityModelsPfFlagVflagQflagRefFlag
Plant level V control + local
coordinated V/Q control
REEC_A, REPC_A0111
Table 3. Maximum rotor angle values for different wind bus positioning.
Table 3. Maximum rotor angle values for different wind bus positioning.
Gen.No WindWind@Bus 4Wind@Bus 7Wind@Bus 9
Gen 2119.86°126.49°136.60°136.33°
Gen 351.74°55.71°61.68°61.38°
Table 4. Rotor angle values for different rated power of the wind generator.
Table 4. Rotor angle values for different rated power of the wind generator.
An (MVA)5075100125150
Rotor angle136.60°134.33°130.08°123.58°116.25°
CCT (s)0.3520.3540.3670.3890.415
Table 5. Rotor angle values for different wind power generation.
Table 5. Rotor angle values for different wind power generation.
An (MVA)50150
Pw (MW)253550254060
Rotor angle136.60°144.81°159.78°116.25°136.17°169.06°
CCT (s)0.3520.3390.3180.4150.3550.309
Table 6. Scenario A: maximum rotor angle values considering different stability improvement solutions.
Table 6. Scenario A: maximum rotor angle values considering different stability improvement solutions.
BaseSVCSTATCOMEXST4BLine
Rotor angle150.98°148.13°148.07°145.28°126.76°
Table 7. Scenario A: CCT values considering different stability improvement solutions.
Table 7. Scenario A: CCT values considering different stability improvement solutions.
BaseSVCSTATCOMEXST4BLine
CCT (s)0.3290.3330.3340.3400.374
Table 8. Scenario B: maximum rotor angle values considering different stability improvement solutions.
Table 8. Scenario B: maximum rotor angle values considering different stability improvement solutions.
BaseSVCSTATCOMEXST4BLine
Rotor angle96.09°94.43°94.51°95.43°84.97°
Table 9. Scenario B: CCT values considering different stability enhancement solutions.
Table 9. Scenario B: CCT values considering different stability enhancement solutions.
BaseSVCSTATCOMEXST4BLine
CCT (s)0.4550.4570.4620.4520.523
Publisher’s Note: MDPI stays neutral with regard to jurisdictional claims in published maps and institutional affiliations.

Share and Cite

MDPI and ACS Style

Tina, G.M.; Maione, G.; Licciardello, S. Evaluation of Technical Solutions to Improve Transient Stability in Power Systems with Wind Power Generation. Energies 2022, 15, 7055. https://doi.org/10.3390/en15197055

AMA Style

Tina GM, Maione G, Licciardello S. Evaluation of Technical Solutions to Improve Transient Stability in Power Systems with Wind Power Generation. Energies. 2022; 15(19):7055. https://doi.org/10.3390/en15197055

Chicago/Turabian Style

Tina, Giuseppe Marco, Giovanni Maione, and Sebastiano Licciardello. 2022. "Evaluation of Technical Solutions to Improve Transient Stability in Power Systems with Wind Power Generation" Energies 15, no. 19: 7055. https://doi.org/10.3390/en15197055

APA Style

Tina, G. M., Maione, G., & Licciardello, S. (2022). Evaluation of Technical Solutions to Improve Transient Stability in Power Systems with Wind Power Generation. Energies, 15(19), 7055. https://doi.org/10.3390/en15197055

Note that from the first issue of 2016, this journal uses article numbers instead of page numbers. See further details here.

Article Metrics

Back to TopTop