Three-Phase Grid-Connected Inverter Power Control under Unbalanced Grid Conditions Using a Proportional-Resonant Control Method †
Abstract
1. Introduction
- Presenting a method of bidirectional power control of real and reactive power under different unbalanced scenarios.
- Balancing the grid currents and PCC voltages.
- Real and reactive power fluctuations under unbalanced grid situations have been minimized.
- If the unbalanced problem is solved, then all other loads connected to the grid will not be affected by the unbalanced load.
- A simpler PR controller was employed, so there is no need for a PLL).
2. Current Control of Grid-Connected Three-Phase Inverter under Unbalanced Conditions
3. Power Control of Grid-Connected Three-Phase Inverter under Unbalanced Conditions
3.1. Unbalanced Three-Phase Load Condition Neglecting the Grid Impedance
3.2. Unbalanced Three-Phase Load Condition including Balanced and Unbalanced Grid Impedance
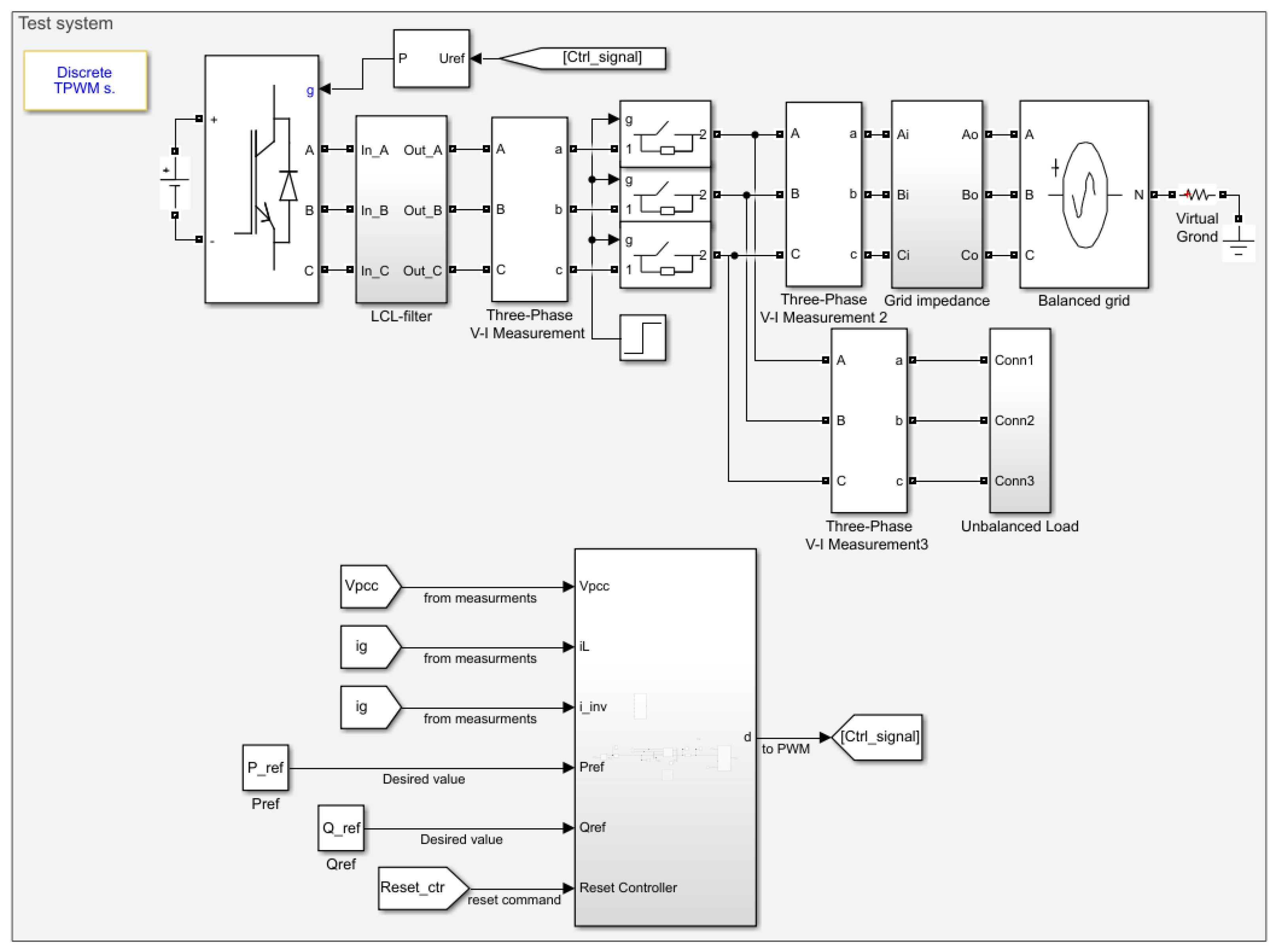
4. Case Studies
4.1. Simulation Results
- For in simulation time, the unbalanced load was connected to the grid. At this time, both the grid currents and the PCC voltages are unbalanced. Furthermore, the P and Q waveforms of the grid are oscillatory. Other loads linked to the PCC were affected by the unbalanced system.
- At , the inverter was turned on and connected to the grid.
- For , the control approach injected into the grid the desired real and reactive power (2 kW, 0 var) while balancing grid currents during a few milliseconds. Since both the grid currents and PCC voltages are now balanced, the large variations in P and Q are no longer present. By supplying the desired power into the grid and balancing PCC voltages and grid currents, the effectiveness of the recommended strategy has been proven based on the simulation findings.
- At s, the injected desired real and reactive power to the grid has been changed to be (−1 kW, 500 var). The negative sign means that the inverter is absorbing real power. The controller took a few milliseconds to correct and track the new desired power value. With these findings, the controller method can be applied to bidirectional power control under unbalanced grid situations.
4.2. Experimental Results
- The grid was initially assumed to be connected to the load without connecting the inverter. In this case, the grid currents and PCC voltages will be unbalanced, while the grid voltages were balanced as shown in Figure 12. These results were captured using a Tektronix MDO3024 oscilloscope.
- The inverter was energized and the proposed method was applied assuming and . The system took a few milliseconds to balance the grid currents, balance the PCC voltages, and power control. Figure 13 displays the experimental data, which was obtained using the dSPACE ControlDesk toolbox. Figure 14 shows the experimental results for grid voltages, PCC voltages, grid currents, inverter currents, and load currents obtained using a Tektronix MDO3024 oscilloscope. The value of the total harmonic distortion percentage (%THD) for the grid currents is 3.3%. This is considered an acceptable value. This proposed method aims to achieve power control as well as clear the unbalance of the grid currents, so the contribution doesn’t include improving the %THD.
- Assuming the and , the system can do bidirectional power control as well as balancing the grid currents and the PCC voltages. Figure 15 shows the experimental results using the oscilloscope. The %THD of the grid currents is 4.0%. Figure 16 displays the experimental data using the dSPACE ControlDesk toolbox.
- At and , the system can work in four-quadrant power control in addition to balancing the grid currents and the PCC voltages. Figure 17 shows the results obtained using the Tektronix MDO3024 oscilloscope. The %THD of the grid currents is 2.83%. Figure 18 displays the experimental data using the dSPACE ControlDesk toolbox.
- The system has been tested with multiple scenarios as shown in Figure 19. At , and . Then, at and at . At , the desired power was assumed as , and at . The NHR 9400 Panel was used to obtain the grid simulator readings.
5. Conclusions
Author Contributions
Funding
Data Availability Statement
Conflicts of Interest
Abbreviations
| APF | Active power filters |
| DDSRF PLL | Decoupled double synchronous reference frame phase-locked loop |
| DPD-SR | Direct phase-angle detection |
| EPR | Enhanced proportional-resonant controller |
| ESS | Energy storage systems |
| MPRS | modified PR control strategy |
| PCC | Point-of-common-coupling |
| PI | Proportional-integral |
| PLL | Phase-locked loop |
| PR | Proportional-resonant |
| RES | Renewable energy resources |
References
- Blaabjerg, F.; Chen, Z.; Kjaer, S. Power Electronics As Efficient Interface In Dispersed Power Generation Systems. IEEE Trans. Power Electron. 2004, 19, 1184–1194. [Google Scholar] [CrossRef]
- Lasseter, R. Smart Distribution: Coupled Microgrids. Proc. IEEE 2011, 99, 1074–1082. [Google Scholar] [CrossRef]
- ABB. Energy Storage Keeping Smart Grids in Balance. 2012. Available online: https://library.e.abb.com/public/59a2be960fdb777a48257a680045c04a/ABB%20Energy%20Storage_Nov2012.pdf (accessed on 21 September 2022).
- Choi, W.; Morris, C.; Sarlioglu, B. Modeling three-phase grid-connected inverter system using complex vector in synchronous dq reference frame and analysis on the influence of tuning parameters of synchronous frame PI controller. In Proceedings of the 2016 IEEE Power and Energy Conference at Illinois (PECI), Urbana, IL, USA, 19–20 February 2016; pp. 1–8. [Google Scholar]
- Liu, Y.; Bai, R.; Wang, D.; Ma, W.; Wang, L. Proportional-Resonant Control Method Of Three-Phase Grid-Connected Inverter. In Proceedings of the 26th Chinese Control and Decision Conference (2014 CCDC), Changsha, China, 31 May–2 June 2014; pp. 4797–4800. [Google Scholar]
- Definitions of Voltage Unbalance. IEEE Power Eng. Rev. 2002, 22, 49–50. [CrossRef]
- Li, P.; Dan, B.; Yong, K.; Jian, C. Research on three-phase inverter with unbalanced load. In Proceedings of the Nineteenth Annual IEEE Applied Power Electronics Conference and Exposition, Anaheim, CA, USA, 22–26 February 2004; Volume 1, pp. 128–133. [Google Scholar]
- Kalaivani, C.; Rajambal, K. Grid Integration of Three-phase Inverter using Decoupled Double Synchronus Reference Frame PLL. In Proceedings of the 2019 International Conference on Computation of Power, Energy, Information and Communication (ICCPEIC), Piscataway, NJ, USA, 27–28 March 2019; pp. 221–226. [Google Scholar]
- Sadeque, F.; Benzaquen, J.; Adib, A.; Mirafzal, B. Direct Phase-Angle Detection for Three-Phase Inverters in Asymmetrical Power Grids. IEEE J. Emerg. Sel. Top. Power Electron. 2021, 9, 520–528. [Google Scholar] [CrossRef]
- Miletic, Z.; Tremmel, W.; Br¨undlinger, R.; St¨ockl, J.; Bletterie, B. Optimal control of three-phase PV inverter under Grid voltage unbalance. In Proceedings of the 2019 21st European Conference on Power Electronics and Applications (EPE ’19 ECCE Europe), Genova, Italy, 3–5 September 2019; pp. 1–11. [Google Scholar]
- Alathamneh, M.; Yang, X.; Nelms, R.M.; Al-Gahtani, S. Power Control of a Three-phase Grid-connected Inverter using a PI Controller under Unbalanced Conditions. In Proceedings of the SoutheastCon 2022, Mobile, AL, USA, 26 March–3 April 2022; pp. 447–452. [Google Scholar]
- Al-Gahtani, S.; Nelms, R.M. A Modified IRPT Control Method for a Shunt Active Power Filter for Unbalanced Conditions. In Proceedings of the 2019 IEEE 28th International Symposium on Industrial Electronics (ISIE), Vancouver, BC, Canada, 12–14 June 2019; pp. 720–727. [Google Scholar]
- Al-Gahtani, S.; Nelms, R.M. A New Voltage Sensorless Control Method for a Shunt Active Power Filter for Unbalanced Conditions. In Proceedings of the 2019 IEEE International Conference on Environment and Electrical Engineering and 2019 IEEE Industrial and Commercial Power Systems Europe (EEEIC/ICPS Europe), Genova, Italy, 11–14 June 2019; pp. 1–6. [Google Scholar]
- Alathamneh, M.; Yang, X.; Nelms, R.M.; Al-Gahtani, S. Power Control of a Three-phase Grid-connected Inverter using a Time-Domain Symmetrical Components Extraction Method under Unbalanced Conditions. In Proceedings of the IECON 2021—47th Annual Conference of the IEEE Industrial Electronics Society, Toronto, ON, Canada, 13–16 October 2021; pp. 1–6. [Google Scholar]
- Alathamneh, M.; Ghanayem, H.; Yang, X.; Nelms, R.M. PR Controller for a Three-phase Grid-connected Inverter in an Unbalanced System using a Time-Domain Symmetrical Components Extraction Method. In Proceedings of the 2022 IEEE 31st International Symposium on Industrial Electronics (ISIE), Anchorage, AK, USA, 1–3 June 2022; pp. 18–23. [Google Scholar]
- Bak, Y.; Lee, J.-S.; Lee, K.-B. Balanced Current Control Strategy for Current Source Rectifier Stage of Indirect Matrix Converter under Unbalanced Grid Voltage Conditions. Energies 2017, 10, 27. [Google Scholar] [CrossRef]
- Mohammed, N.; Ciobotaru, M.; Town, G. Online Parametric Estimation of Grid Impedance Under Unbalanced Grid Conditions. Energies 2019, 12, 4752. [Google Scholar] [CrossRef]
- Chen, X.; Wu, W.; Gao, N.; Liu, J.; Chung, H.S.-H.; Blaabjerg, F. Finite Control Set Model Predictive Control for an LCL-Filtered Grid-Tied Inverter with Full Status Estimations under Unbalanced Grid Voltage. Energies 2019, 12, 2691. [Google Scholar] [CrossRef]
- Alharbi, M.; Isik, S.; Alkuhayli, A.; Bhattacharya, S. Power Ripple Control Method for Modular Multilevel Converter under Grid Imbalances. Energies 2022, 15, 3535. [Google Scholar] [CrossRef]
- Yu, Y.; Wang, Z.; Wan, X. Optimal Current Balance Control of Three-Level Inverter under Grid Voltage Unbalance: An Adaptive Dynamic Programming Approach. Energies 2019, 12, 2864. [Google Scholar] [CrossRef]
- Ma, W.; Ouyang, S.; Xu, W. Improved Frequency Locked Loop Based Synchronization Method for Three-Phase Grid-Connected Inverter under Unbalanced and Distorted Grid Conditions. Energies 2019, 12, 1023. [Google Scholar] [CrossRef]
- Wang, S.; Bao, D.; Gontijo, G.; Chaudhary, S.; Teodorescu, R. Modeling and Mitigation Control of the Submodule-Capacitor Voltage Ripple of a Modular Multilevel Converter under Unbalanced Grid Conditions. Energies 2021, 14, 651. [Google Scholar] [CrossRef]
- Tan, K.-H.; Lin, F.-J.; Chen, J.-H. A Three-Phase Four-Leg Inverter-Based Active Power Filter for Unbalanced Current Compensation Using a Petri Probabilistic Fuzzy Neural Network. Energies 2017, 10, 2005. [Google Scholar] [CrossRef]
- Shin, H.; Chae, S.H.; Kim, E.-H. Unbalanced Current Reduction Method of Microgrid Based on Power Conversion System Operation. Energies 2021, 14, 3862. [Google Scholar] [CrossRef]
- Nakadomari, A.; Shigenobu, R.; Kato, T.; Krishnan, N.; Hemeida, A.M.; Takahashi, H.; Senjyu, T. Unbalanced Voltage Compensation with Optimal Voltage Controlled Regulators and Load Ratio Control Transformer. Energies 2021, 14, 2997. [Google Scholar] [CrossRef]
- Najafi, F.; Hamzeh, M.; Fripp, M. Unbalanced Current Sharing Control in Islanded Low Voltage Microgrids. Energies 2018, 11, 2776. [Google Scholar] [CrossRef]
- Kim, J.-M.; Song, G.-S.; Jung, J.-J. Zero-Sequence Voltage Injection Method for DC Capacitor Voltage Balancing of Wye-Connected CHB Converter under Unbalanced Grid and Load Conditions. Energies 2021, 14, 1019. [Google Scholar] [CrossRef]
- Ahmed, E.M.; Aly, M.; Elmelegi, A.; Alharbi, A.G.; Ali, Z.M. Multifunctional Distributed MPPT Controller for 3P4W Grid-Connected PV Systems in Distribution Network with Unbalanced Loads. Energies 2019, 12, 4799. [Google Scholar] [CrossRef]
- Cai, H.; Zhang, P.; Zhao, H.; Shi, J.; Yao, W.; He, X. Controller design for three-phase inverter with power unbalanced loads applied in microgrids. In Proceedings of the 2015 IEEE Energy Conversion Congress and Exposition (ECCE), Montreal, QC, USA, 20–24 September 2015; pp. 4588–4593. [Google Scholar]
- Mishra, M.K.; Lal, V.N. An Enhanced Control Strategy for Harmonic Current Suppression of Grid-Connected PV System without PhaseLocked Loop Under Distorted Grid Voltage Conditions. In Proceedings of the IEEE Applied Power Electronics Conference and Exposition (APEC), Phoenix, AZ, USA, 14–17 June 2021; pp. 2702–2707. [Google Scholar]
- Alathamneh, M.; Yang, X.; Nelms, R.M. Power Control of a Three-phase Grid-connected Inverter using a Proportional-Resonant Control Method under Unbalanced Conditions. In Proceedings of the IECON 2021—47th Annual Conference of the IEEE Industrial Electronics Society, Toronto, ON, Canada, 13–16 October 2021; pp. 1–6. [Google Scholar]
- Duesterhoeft, W.C.; Schulz, M.W.; Clarke, E. Determination of Instantaneous Currents and Voltages by Means of Alpha, Beta, and Zero Components. Trans. Am. Inst. Electr. Eng. 1951, 70, 1248–1255. [Google Scholar] [CrossRef]
- Pereira, L.F.A.; Bazanella, A.S. Tuning Rules for Proportional Resonant Controllers. IEEE Trans. Control. Syst. Technol. 2015, 23, 2010–2017. [Google Scholar] [CrossRef]
- Akagi, H.; Kanazawa, Y.; Nabae, A. Instantaneous reactive power compensators comprising switching devices without energy storage. IEEE Trans. Ind. Appl. 1984, 20, 625–630. [Google Scholar] [CrossRef]
- Yang, X.; Alathamneh, M.; Nelms, R.M. Improved LCL Filter Design Procedure for Grid-Connected Voltage-Source Inverter System. In Proceedings of the 2021 IEEE Energy Conversion Congress and Exposition (ECCE), Vancouver, BC, Canada, 10–14 October 2021; pp. 3587–3591. [Google Scholar]




















| f | Grid frequency | 60 Hz |
| Grid phase voltage | 120 V RMS | |
| Switching frequency | 5 kHz | |
| DC source voltage | 400 V | |
| Inverter side inductor | 2.3 mH | |
| Grid side inductor | 0.58 mH | |
| C | Capacitor | 15 μF |
| R | Damping resistor | 1.5 Ω |
| Kr | Resonant coefficient of PR controller | 1800 |
| Kp | Proportional coefficient of PR controller | 2.25 |
| Grid Impedance for phases a,b,c | 5.1, 4.5, 3 mH | |
| Three-phase load | 8, 16, 32 Ω |
| Case Study | Relative Error of Real Power | Relative Error of Reactive Power |
|---|---|---|
| P = 2 kW, Q = 0 var | 0.334% | 2% |
| P = 1.5 kW, Q = 500 var | 0.667% | 0.968% |
| P = −1 kW, Q = 500 var | 1.093% | 0.968% |
Publisher’s Note: MDPI stays neutral with regard to jurisdictional claims in published maps and institutional affiliations. |
© 2022 by the authors. Licensee MDPI, Basel, Switzerland. This article is an open access article distributed under the terms and conditions of the Creative Commons Attribution (CC BY) license (https://creativecommons.org/licenses/by/4.0/).
Share and Cite
Alathamneh, M.; Ghanayem, H.; Yang, X.; Nelms, R.M. Three-Phase Grid-Connected Inverter Power Control under Unbalanced Grid Conditions Using a Proportional-Resonant Control Method. Energies 2022, 15, 7051. https://doi.org/10.3390/en15197051
Alathamneh M, Ghanayem H, Yang X, Nelms RM. Three-Phase Grid-Connected Inverter Power Control under Unbalanced Grid Conditions Using a Proportional-Resonant Control Method. Energies. 2022; 15(19):7051. https://doi.org/10.3390/en15197051
Chicago/Turabian StyleAlathamneh, Mohammad, Haneen Ghanayem, Xingyu Yang, and R. M. Nelms. 2022. "Three-Phase Grid-Connected Inverter Power Control under Unbalanced Grid Conditions Using a Proportional-Resonant Control Method" Energies 15, no. 19: 7051. https://doi.org/10.3390/en15197051
APA StyleAlathamneh, M., Ghanayem, H., Yang, X., & Nelms, R. M. (2022). Three-Phase Grid-Connected Inverter Power Control under Unbalanced Grid Conditions Using a Proportional-Resonant Control Method. Energies, 15(19), 7051. https://doi.org/10.3390/en15197051

