Evaluation of the Current Shunt Influence on the Determined Wideband Accuracy of Inductive Current Transformers
Abstract
:1. Introduction
- A comparison of the accuracy of both wideband and 50 Hz-type inductive CTs in the specified frequency range from 50 Hz to 5 kHz.
- The determination of the influence of a current shunt on the determined frequency characteristic of current error and phase displacement in the differential measurement setup.
- The utilization of a digital acquisition board to determine composite error, current error and phase displacement in the differential measurement setup.
- Analysis of the self-generation phenomenon in the wideband CT.
- An explanation for the influence of current shunt values on secondary voltages of the inductive CT.
- The analysis of the frequency characteristic of secondary voltages to justify the change in current error and phase displacement values.
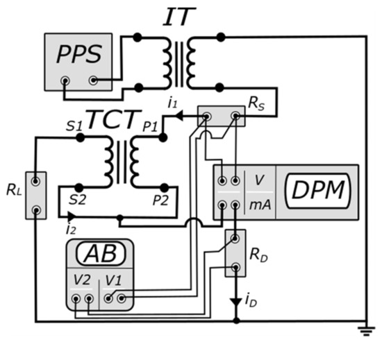
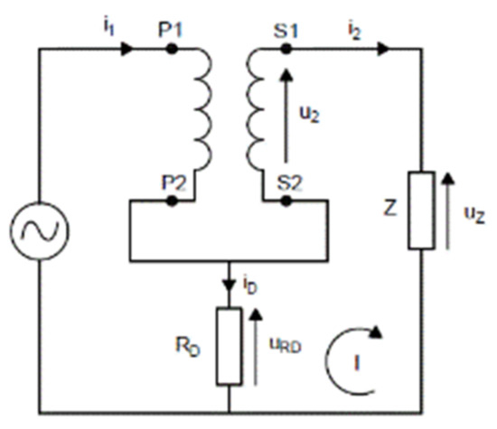
2. The Object under Study and the Measuring Circuit
- U1hk—RMS value of the specified voltage hk harmonic from the RS current shunt,
- I1hk—RMS value of the specified primary current hk harmonic,
- RS—current shunt with a resistance value equal to 0.1 Ω and an inductance value below 10 µH.
- URDhk_AB—RMS value of the specified voltage hk harmonic of the current shunt RD (1 Ω, 10 Ω, 100 Ω).
- IDhk_AB—RMS value of the specified differential current hk harmonic measured by the AB.
- φhk_AB—phase angle between the specified voltage hk harmonic of resistor RS and the specified voltage hk harmonic of current shunt RD,
- I2hk_AB—RMS value of the specified secondary current hk harmonic measured by the AB.
- IDhk_DPM—RMS value of the specific differential current hk harmonic measured by the DPM.
- φhk_DPM—phase angle between the specified voltage hk harmonic of resistor RS and the specific differential current hk harmonic IDhk_DPM,
- I2hk_DPM—RMS value of the specific secondary current hk harmonic measured by the DPM.
- u2—instantaneous value of the voltage from the secondary winding of the tested CT,
- uZ—instantaneous value of the voltage on load impedance of the CT’s secondary winding,
- i1\2—instantaneous values of primary and secondary currents of the CT
- Z—load impedance (mainly used as resistance) of the secondary winding,
- iD—instantaneous value of the differential current.
3. Additional Load of Secondary Winding Caused by the Measuring System
4. Conclusions
- Typical CTs designed for the transformation of sinusoidal current can achieve a comparable metrological performance to wideband units.
- A digital acquisition board, equipped only with voltage inputs, can be adopted to evaluate the wideband performance of CTs.
- The influence of a current shunt on the determined frequency characteristic of current error and phase displacement in the differential measurement setup is explained.
- The analyses performed provide justification for the change in current error and phase displacement values caused by the current shunt used in the differential connection.
- The self-generation phenomenon of the wideband CT is presented.
Author Contributions
Funding
Data Availability Statement
Conflicts of Interest
References
- Current Transformer for Harmonics Measurement up to 20 kHz. Available online: https://mbs-ag.com/en/product-range/current-transformer-for-harmonics-measurement-up-to-20-khz/ (accessed on 15 August 2022).
- Mingotti, A.; Peretto, L.; Bartolomei, L.; Cavaliere, D.; Tinarelli, R. Are inductive current transformers performance really affected by actual distorted network conditions? An experimental case study. Sensors 2020, 20, 927. [Google Scholar] [CrossRef]
- Current Transformers for Higher Frequencies. Available online: https://www.polcontact-warszawa.pl/oferta/przekladniki-pradowe/na-wyzsze-czestotliwosci/przekladniki-pradowe-na-wyzsze-czestotliwosci,p1462892586 (accessed on 15 August 2022).
- Kondrath, N.; Kazimierczuk, M.K. Bandwidth of current transformers. IEEE Trans. Instrum. Meas. 2009, 58, 2008–2016. [Google Scholar] [CrossRef]
- Mingotti, A.; Bartolomei, L.; Peretto, L.; Tinarelli, R. On the long-period accuracy behavior of inductive and low-power instrument transformers. Sensors 2020, 20, 5810. [Google Scholar] [CrossRef] [PubMed]
- Kaczmarek, M.; Kaczmarek, P. Comparison of the wideband power sources used to supply step-up current transformers for generation of distorted currents. Energies 2020, 13, 1849. [Google Scholar] [CrossRef]
- Kaczmarek, M.L.; Stano, E. Application of the inductive high current testing transformer for supplying of the measuring circuit with distorted current. IET Electr. Power Appl. 2019, 13, 1310–1317. [Google Scholar] [CrossRef]
- Industrial Amplifier for High Current/Low Impedance Operation. Available online: https://aetechron.com/IND-RESEARCH-7794.shtml (accessed on 15 August 2022).
- Cristaldi, L.; Faifer, M.; Laurano, C.; Ottoboni, R.; Toscani, S.; Zanoni, M. A Low-Cost Generator for Testing and Calibrating Current Transformers. IEEE Trans. Instrum. Meas. 2019, 68, 2792–2799. [Google Scholar] [CrossRef]
- Kaczmarek, M.; Stano, E. The Influence of the 3rd Harmonic of the Distorted Primary Current on the Self-Generation of the Inductive Current Transformers. IEEE Access 2022, 10, 55876–55887. [Google Scholar] [CrossRef]
- Kaczmarek, M.; Szczęsny, A.; Stano, E. Operation of the Electronic Current Transformer for Transformation of Distorted Current Higher Harmonics. Energies 2022, 15, 4368. [Google Scholar] [CrossRef]
- Kaczmarek, M.; Kaczmarek, P.; Stano, E. The Effect of the Load Power Factor of the Inductive CT’s Secondary Winding on Its Distorted Current’s Harmonics Transformation Accuracy. Energies 2022, 15, 6258. [Google Scholar] [CrossRef]
- Brandolini, A.; Faifer, M.; Ottoboni, R. A simple method for the calibration of traditional and electronic measurement current and voltage transformers. IEEE Trans. Instrum. Meas. 2009, 58, 1345–1353. [Google Scholar] [CrossRef]
- Cataliotti, A.; Di Cara, D.; Emanuel, A.E.; Nuccio, S. A novel approach to current transformer characterization in the presence of harmonic distortion. IEEE Trans. Instrum. Meas. 2009, 58, 1446–1453. [Google Scholar] [CrossRef]
- Vukovic, D.N.; Skundric, S.; Zigic, A. Three chanels device for current transformer accuracy testing. In Proceedings of the 19th International Symposium on Power Electronics (Ee), Novi Sad, Serbia, 19–21 October 2017; pp. 1–4. [Google Scholar]
- Siegenthaler, S.; Mester, C. A computer-controlled calibrator for instrument transformer test sets. IEEE Trans. Instrum. Meas. 2017, 66, 1184–1190. [Google Scholar] [CrossRef]
- Takahashi, K.; Yamawaki, M.; Tadokoro, T. Current ratio transfer standard and improved equivalent ampere turn method. IEEE Trans. Instrum. Meas. 2013, 62, 1716–1722. [Google Scholar] [CrossRef]
- Stano, E.; Kaczmarek, P.; Kaczmarek, M. Understanding the Frequency Characteristics of Current Error and Phase Displacement of the Corrected Inductive Current Transformer. Energies 2022, 15, 5436. [Google Scholar] [CrossRef]
- Gustavsen, B. Wideband Transformer Modeling Including Core Nonlinear Effects. IEEE Trans. Power Deliv. 2016, 31, 219–227. [Google Scholar] [CrossRef]
- Slomovitz, D.; Santos, A.; Sandler, R.; Barreto, G. High-Precision Self-Calibrating Current Transformer with Stray Capacitances Control. IEEE Trans. Instrum. Meas. 2021, 70, 1–9. [Google Scholar] [CrossRef]
- Hossain, E.; Tur, M.R.; Padmanaban, S.; Ay, S.; Khan, I. Analysis and Mitigation of Power Quality Issues in Distributed Generation Systems Using Custom Power Devices. IEEE Access 2018, 6, 16816–16833. [Google Scholar] [CrossRef]
- Liang, X. Emerging Power Quality Challenges Due to Integration of Renewable Energy Sources. IEEE Trans. Ind. Appl. 2017, 53, 855–866. [Google Scholar] [CrossRef]
- Montoya, F.G.; Baños, R.; Alcayde, A.; Montoya, M.G.; Manzano-Agugliaro, F. Power quality: Scientific collaboration networks and research trends. Energies 2018, 11, 2067. [Google Scholar] [CrossRef]
- Dirik, H.; Duran, I.U.; Gezegin, C. A Computation and Metering Method for Harmonic Emissions of Individual Consumers. IEEE Trans. Instrum. Meas. 2019, 68, 412–420. [Google Scholar] [CrossRef]
- Stano, E.; Kaczmarek, P.; Kaczmarek, M. Why Should We Test the Wideband Transformation Accuracy of Inductive Current Transformers? Energies 2022, 15, 5737. [Google Scholar] [CrossRef]
- McNeill, N.; Dymond, H.; Mellor, P.H. High-fidelity low-cost electronic current sensor for utility power metering. IEEE Trans. Power Deliv. 2011, 26, 2309–2317. [Google Scholar] [CrossRef]
- Mingotti, A.; Peretto, L.; Tinarelli, R.; Angioni, A.; Monti, A.; Ponci, F. A simple calibration procedure for an LPIT plus PMU system under off-nominal conditions. Energies 2019, 12, 4645. [Google Scholar] [CrossRef]
- Xiao, X.; Song, H.; Li, H. A High Accuracy AC+DC Current Transducer for Calibration. Sensors 2022, 22, 2214. [Google Scholar] [CrossRef] [PubMed]
- Pan, F.; Chen, R.; Xiao, Y.; Sun, W. Electronic voltage and current transformers testing device. Sensors 2012, 12, 1042–1051. [Google Scholar] [CrossRef]
- Mingotti, A.; Peretto, L.; Tinarelli, R. Smart characterization of rogowski coils by using a synthetized signal. Sensors 2020, 20, 3359. [Google Scholar] [CrossRef]
- Mohns, E.; Roeissle, G.; Fricke, S.; Pauling, F. An AC current transformer standard measuring system for power frequencies. IEEE Trans. Instrum. Meas. 2017, 66, 1433–1440. [Google Scholar] [CrossRef]
- Fritsch, M.; Wolter, M. High-Frequency Current Transformer Design and Construction Guide. IEEE Trans. Instrum. Meas. 2022, 71, 1–9. [Google Scholar] [CrossRef]
- Lesniewska, E. Influence of the selection of the core shape and winding arrangement on the accuracy of current transformers with through-going primary cable. Energies 2021, 14, 1932. [Google Scholar] [CrossRef]
- Platero, C.A.; Sánchez-Fernández, J.Á.; Gyftakis, K.N.; Blázquez, F.; Granizo, R. Performance problems of non-toroidal shaped current transformers. Sensors 2020, 20, 3025. [Google Scholar] [CrossRef]
- IEC. Inst. Transf.—The Use of Instrument Transformers for Power Quality Measurement; IEC 61869-103; IEC: Geneva, Switzerland, 2010. [Google Scholar]
- Stano, E. The Method to Determine the Turns Ratio Correction of the Inductive Current Transformer. Energies 2021, 14, 8602. [Google Scholar] [CrossRef]







Publisher’s Note: MDPI stays neutral with regard to jurisdictional claims in published maps and institutional affiliations. |
© 2022 by the authors. Licensee MDPI, Basel, Switzerland. This article is an open access article distributed under the terms and conditions of the Creative Commons Attribution (CC BY) license (https://creativecommons.org/licenses/by/4.0/).
Share and Cite
Kaczmarek, M.; Kaczmarek, P.; Stano, E. Evaluation of the Current Shunt Influence on the Determined Wideband Accuracy of Inductive Current Transformers. Energies 2022, 15, 6840. https://doi.org/10.3390/en15186840
Kaczmarek M, Kaczmarek P, Stano E. Evaluation of the Current Shunt Influence on the Determined Wideband Accuracy of Inductive Current Transformers. Energies. 2022; 15(18):6840. https://doi.org/10.3390/en15186840
Chicago/Turabian StyleKaczmarek, Michal, Piotr Kaczmarek, and Ernest Stano. 2022. "Evaluation of the Current Shunt Influence on the Determined Wideband Accuracy of Inductive Current Transformers" Energies 15, no. 18: 6840. https://doi.org/10.3390/en15186840
APA StyleKaczmarek, M., Kaczmarek, P., & Stano, E. (2022). Evaluation of the Current Shunt Influence on the Determined Wideband Accuracy of Inductive Current Transformers. Energies, 15(18), 6840. https://doi.org/10.3390/en15186840

