Reliability Evaluation of Smart Substation Based on Time-Varying Probabilistic Hybrid Attack Graph
Abstract
:1. Introduction
2. Definition and Description of TVPHAG
2.1. Establishment of Network
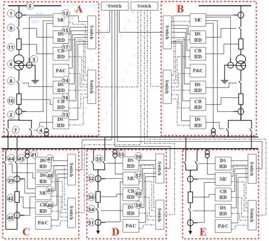
2.2. Establishment of Parameter
2.3. Analysis of the Spread of Faults
2.4. Algorithm of TVPHAG
3. Results and Case Study of TVPHAG
- Static features:
- Dynamic features
4. Discussion
Author Contributions
Funding
Data Availability Statement
Acknowledgments
Conflicts of Interest
References
- Adamiak, M.; Baigent, D.; Mackiewicz, R. IEC 61850 Communication Networks and Systems in Substations: An Overview for Users; University of Illinois at Urbana: Champaign, IL, USA, 2009. [Google Scholar]
- Ahmad, T.; Senroy, N. An Information Theoretic Approach to Power-Substation Level Dynamic State Estimation with Non-Gaussian Noise. IEEE Trans. Power Syst. 2020, 35, 1642–1645. [Google Scholar] [CrossRef]
- Bagen, B.; Huang, D.G.; Fattal, K. Enhanced probabilistic approach for substation reliability assessment. IET Gener. Transm. Distrib. 2019, 13, 2488–2495. [Google Scholar] [CrossRef]
- Buldyrev, S.V.; Parshani, R.; Paul, G.; Stanley, H.E.; Havlin, S. Catastrophic cascade of failures in interdependent networks. Nature 2010, 464, 1025–1028. [Google Scholar] [CrossRef] [PubMed]
- Cai, B.P.; Kong, X.D.; Liu, Y.H.; Lin, J.; Yuan, X.B.; Xu, H.Q.; Ji, R.J. Application of Bayesian Networks in Reliability Evaluation. IEEE Trans. Ind. Inform. 2019, 15, 2146–2157. [Google Scholar] [CrossRef]
- Dai, Q.S.; Shi, L.B.; Ni, Y.X. Risk Assessment for Cyberattack in Active Distribution Systems Considering the Role of Feeder Automation. IEEE Trans. Power Syst. 2019, 34, 3230–3240. [Google Scholar] [CrossRef]
- Duan, D.; Wu, X.; Deng, H. Reliability Evaluation in Substations Considering Operating Conditions and Failure Modes. IEEE Trans. Power Deliv. 2012, 27, 309–316. [Google Scholar] [CrossRef]
- Falodiya, K.; Das, M.L. Security Vulnerability Analysis using Ontology-based Attack Graphs. In Proceedings of the 2017 14th IEEE India Council International Conference (INDICON), Roorkee, India, 15–17 December 2017; pp. 1–5. [Google Scholar] [CrossRef]
- Al Ghazo, A.T.; Ibrahim, M.; Ren, H.; Kumar, R. A2G2V: Automatic Attack Graph Generation and Visualization and Its Applications to Computer and SCADA Networks. IEEE Trans. Syst. Man Cybern. Syst. 2020, 50, 3488–3498. [Google Scholar] [CrossRef]
- Hawrylak, P.J.; Haney, M.; Papa, M.; Hale, J. Using hybrid attack graphs to model cyber-physical attacks in the Smart Grid. In Proceedings of the 2012 5th International Symposium on Resilient Control Systems, Salt Lake City, UT, USA, 14–16 August 2012; pp. 161–164. [Google Scholar] [CrossRef]
- Holm, H.; Ekstedt, M.; Andersson, D. Empirical Analysis of System-Level Vulnerability Metrics through Actual Attacks. IEEE Trans. Dependable Secur. Comput. 2012, 9, 825–837. [Google Scholar] [CrossRef]
- Huang, K.; Zhou, C.; Qin, Y.; Tu, W. A Game-Theoretic Approach to Cross-Layer Security Decision-Making in Industrial Cyber-Physical Systems. IEEE Trans. Ind. Electron. 2020, 67, 2371–2379. [Google Scholar] [CrossRef]
- Huang, K.; Zhou, C.; Tian, Y.C.; Yang, S.; Qin, Y. Assessing the Physical Impact of Cyberattacks on Industrial Cyber-Physical Systems. IEEE Trans. Ind. Electron. 2018, 65, 8153–8162. [Google Scholar] [CrossRef]
- James, K.R. Convergence of matrix iterations subject to diagonal dominance. SIAM J. Numer. Anal. 1986, 10, 117–132. [Google Scholar] [CrossRef]
- Kirrmann, H.; Dzung, D. Selecting a Standard Redundancy Method for Highly Available Industrial Networks. In Proceedings of the IEEE International Workshop on Factory Communication Systems, Turin, Italy, 28–30 June 2006; pp. 386–390. [Google Scholar] [CrossRef]
- Lanotte, R.; Merro, M.; Munteanu, A.; Vigano, L. A Formal Approach to Physics-based Attacks in Cyber-physical Systems. ACM Trans. Priv. Secur. 2020, 23, 1–41. [Google Scholar] [CrossRef]
- Law, Y.W.; Alpcan, T.; Palaniswami, M. Security Games for Risk Minimization in Automatic Generation Control. IEEE Trans. Power Syst. 2015, 30, 223–232. [Google Scholar] [CrossRef]
- Lei, H.; Singh, C.; Sprintson, A. Reliability Modeling and Analysis of IEC 61850 Based Substation Protection Systems. IEEE Trans. Smart Grid 2014, 5, 2194–2202. [Google Scholar] [CrossRef]
- Li, C.; Qing, G.; Li, P.; Yin, T. Operational Risk Assessment of Distribution Network Equipment Based on Rough Set and D-S Evidence Theory. J. Appl. Math. 2013, 2013, 263905. [Google Scholar] [CrossRef]
- Mabunda, N.; Bokoro, P.; Nicolae, D. Statistical analysis of operating times of high voltage SF6 circuit breakers. In Proceedings of the 2016 IEEE 16th International Conference on Environment & Electrical Engineering, Florence, Italy, 7–10 June 2016. [Google Scholar] [CrossRef]
- Meyur, R. A Bayesian Attack Tree Based Approach to Assess Cyber-Physical Security of Power System. In Proceedings of the 2020 IEEE Texas Power and Energy Conference (TPEC), College Station, TX, USA, 6–7 February 2020; pp. 1–6. [Google Scholar] [CrossRef]
- Obychaiko, D.S.; Shikhin, V.A.; Chrysostomou, G. Reliability Analysis of Cyber-Physical Systems. In Proceedings of the 2018 International Conference on Industrial Engineering, Applications and Manufacturing (ICIEAM), Moscow, Russia, 15–18 May 2018; pp. 1–6. [Google Scholar] [CrossRef]
- Oyewole, P.A.; Jayaweera, D. Power System Security with Cyber-Physical Power System Operation. IEEE Access 2020, 8, 179970–179982. [Google Scholar] [CrossRef]
- Peng, R. Reliability of Interdependent Networks with Cascading Failures. Eksploat. Niezawodn. Maint. Reliab. 2018, 20, 273–277. [Google Scholar] [CrossRef]
- Sahu, A.; Davis, K. Structural Learning Techniques for Bayesian Attack Graphs in Cyber Physical Power Systems. In Proceedings of the 2021 IEEE Texas Power and Energy Conference (TPEC), College Station, TX, USA, 2–5 February 2021; pp. 1–6. [Google Scholar] [CrossRef]
- Shi, X.; Li, Y.; Cao, Y.; Tan, Y. Cyber-physical electrical energy systems: Challenges and issues. CSEE J. Power Energy Syst. 2015, 1, 36–42. [Google Scholar] [CrossRef]
- Da Silva, A.M.L.; Violin, A.; Ferreira, C.; Machado, Z.S. Probabilistic Evaluation of Substation Criticality Based on Static and Dynamic System Performances. IEEE Trans. Power Syst. 2014, 29, 1410–1418. [Google Scholar] [CrossRef]
- Soltan, S.; Mittal, P.; Poor, H.V. Line Failure Detection After a Cyber-Physical Attack on the Grid Using Bayesian Regression. IEEE Trans. Power Syst. 2019, 34, 3758–3768. [Google Scholar] [CrossRef]
- Soltan, S.; Yannakakis, M.; Zussman, G. React to Cyber Attacks on Power Grids. IEEE Trans. Netw. Sci. Eng. 2019, 6, 459–473. [Google Scholar] [CrossRef]
- Sundararajan, A.; Khan, T.; Moghadasi, A.; Sarwat, A.I. Survey on synchrophasor data quality and cybersecurity challenges, and evaluation of their interdependencies. J. Mod. Power Syst. Clean Energy 2019, 7, 449–467. [Google Scholar] [CrossRef]
- Wisniewski, R. Design of Petri Net-Based Cyber-Physical Systems Oriented on the Implementation in Field Programmable Gate Arrays. Energies 2021, 14, 7054. [Google Scholar] [CrossRef]
- Yin, X.; Li, L.; Liu, Q. A Study on the Vulnerability Cascade Propagation of Integrated Energy Systems in the Transportation Industry Based on the Petri Network. Energies 2022, 15, 4320. [Google Scholar] [CrossRef]
- Gong, L.; Ma, R.; Yang, H.J.; He, Y. The substation fault diagnosis method based on the time constraint probability Petri net. In Proceedings of the 2015 5th International Conference on Electric Utility Deregulation and Restructuring and Power Technologies (DRPT), Changsha, China, 26–29 November 2015; pp. 1142–1146. [Google Scholar] [CrossRef]
- Vellaithurai, C.; Srivastava, A.; Zonouz, S.; Berthier, R. CPIndex: Cyber-Physical Vulnerability Assessment for Power-Grid Infrastructures. IEEE Trans. Smart Grid 2015, 6, 566–575. [Google Scholar] [CrossRef]
- Wang, H.; Chen, Z.; Zhao, J.; Di, X.; Liu, D. A Vulnerability Assessment Method in Industrial Internet of Things Based on Attack Graph and Maximum Flow. IEEE Access 2018, 6, 8599–8609. [Google Scholar] [CrossRef]
- Wang, L.; Qu, Z.; Li, Y.; Hu, K.; Sun, J.; Xue, K.; Cui, M. Method for Extracting Patterns of Coordinated Network Attacks on Electric Power CPS Based on Temporal–Topological Correlation. IEEE Access 2020, 8, 57260–57272. [Google Scholar] [CrossRef]
- Xiang, Y.; Wang, L.; Liu, N. Coordinated attacks on electric power systems in a cyber-physical environment. Electr. Power Syst. Res. 2017, 149, 156–168. [Google Scholar] [CrossRef]
- Yang, J.; Guo, Y.; Guo, C.; Chen, Z.; Wang, S. Cross-Space Risk Assessment of Cyber-Physical Distribution System Under Integrated Attack. IEEE Access 2021, 9, 149859–149869. [Google Scholar] [CrossRef]
- Zhao, D.; Wang, Y.; Song, Y. Petri Net Based Intelligent Substation Fault Diagnosis. In Proceedings of the 2019 IEEE 3rd Conference on Energy Internet and Energy System Integration (EI2), Changsha, China, 8–10 November 2019; pp. 794–799. [Google Scholar] [CrossRef]
- Zeng, Z.G.; Zio, E. Dynamic Risk Assessment Based on Statistical Failure Data and Condition-Monitoring Degradation Data. IEEE Trans. Reliab. 2018, 67, 609–622. [Google Scholar] [CrossRef]
- Hao, S.; Zhang, J.; Liu, S.; Wang, D.; Huang, C. Power equipment reliability evaluation based on data mining. In Proceedings of the 2015 5th International Conference on Electric Utility Deregulation and Restructuring and Power Technologies (DRPT), Changsha, China, 26–29 November 2015; pp. 699–703. [Google Scholar] [CrossRef]
- Zhang, Y.; Wang, L.; Sun, W. Trust System Design Optimization in Smart Grid Network Infrastructure. IEEE Trans. Smart Grid 2013, 4, 184–195. [Google Scholar] [CrossRef]
- Zhao-Yang, Q.; Ya-Ying, L.; Peng, L. A network security situation evaluation method based on D-S evidence theory. In Proceedings of the 2010 The 2nd Conference on Environmental Science and Information Application Technology, Wuhan, China, 17–18 July 2010; pp. 496–499. [Google Scholar] [CrossRef]
- Zhao, Y.; Huang, L.; Smidts, C.; Zhu, Q. Finite-horizon semi-Markov game for time-sensitive attack response and probabilistic risk assessment in nuclear power plants. Reliab. Eng. Syst. Saf. 2020, 201, 106878. [Google Scholar] [CrossRef]
- Zhou, X.; Yang, Z.; Ni, M.; Lin, H.; Li, M.; Tang, Y. Analysis of the Impact of Combined Information-Physical-Failure on Distribution Network CPS. IEEE Access 2020, 8, 44140–44152. [Google Scholar] [CrossRef]
- Lee, J.C.; McCormick, N.J. Appendix C: Some Failure Rate Data. In Risk and Safety Analysis of Nuclear Systems; John Wiley & Sons: Hoboken, NJ, USA, 2011. [Google Scholar] [CrossRef]
- Hajian-Hoseinabadi, H. Reliability and component importance analysis of substation automation systems. Int. J. Electr. Power Energy Syst. 2013, 49, 455–463. [Google Scholar] [CrossRef]









| Category | Name | Requirements of Delay Time |
|---|---|---|
| 1a | Fast message—trip | : 3 ms |
| 1b | Fast message—other | P1: 100 ms, P2: 20 ms |
| 2 | Medium-speed message | 100 ms |
| 3 | Low-speed message | 500 ms |
| 4 | Raw data | / |
| 5 | File transfer | 1000 ms |
| 6 | Synchronization message | 10 ms |
| 7 | Command message | Cat 7 = Cat 3, downloading = Cat 1 |
| Category | Delay Time | |
|---|---|---|
| Circuit breaker | Open | 25 ms |
| Closing | 100 ms | |
| Disconnect switch | 1000 ms | |
| Current/voltage transfer(C/VT) | 1 ms | |
| Category | Label | Correspondence |
|---|---|---|
| Vertices of Consequence | A, B | Transformer bay |
| C | Bus bay | |
| D, E | Feeder bay | |
| Vertices of Equipment | 1–4,20–23,39–41,51–53,63–65 | C/VT |
| 5,24, | Bus | |
| 6,25, | Transformer | |
| 7–9,26–28,43,44,54,55,66,67 | DS | |
| 10,11,29,30,42,56,68 | CB | |
| 12,31,45,57,69 | MU | |
| 13–17,32–36,46–48,58–60,70–72 | IED | |
| 18,37,49 | PD | |
| 19,38,50 | MD | |
| 75 | Telecontrol NCCS | |
| 76 | Communication NCCS |
| Equipment | ||
|---|---|---|
| PD | 0.0067 | |
| MD | 0.0067 | |
| IED | 0.0050 | |
| MU | 0.0200 | |
| NCCS | 0.0699 | |
| Transformer | 300 kVA–10 MVA | 0.0059 |
| 10 MVA | 0.0153 | |
| CB | 0–600 V | 0.0042 |
| 600 V | 0.0096 | |
| Bus | 0.0012 | |
| DS | 0.0061 | |
| C/VT | 0.0049 | |
| Deviation | Temperature | Age | Precipitation | Load |
|---|---|---|---|---|
| −20% | 0.562% | 0.524% | 0.551% | 0.520% |
| −10% | 0.570% | 0.548% | 0.568% | 0.547% |
| 0 | 0.575% | |||
| 10% | 0.585% | 0.605% | 0.582% | 0.603% |
| 20% | 0.627% | 0.638% | 0.590% | 0.630% |
| Time(ms) | The Bay Attacked | Average of Other Bays | LOLP | ||||||||||
|---|---|---|---|---|---|---|---|---|---|---|---|---|---|
| Case | 50 | 500 | 1000 | 6000 | 50 | 500 | 1000 | 6000 | 50 | 500 | 1000 | 6000 | |
| A | 1.184 | 12.96 | 12.96 | 12.96 | 0.788 | 0.788 | 0.788 | 0.788 | 0.572 | 0.622 | 0.622 | 0.622 | |
| B | 1.205 | 1.207 | 1.28 | 0.802 | 0.807 | 0.844 | 0.582 | 0.588 | 0.612 | ||||
| C | 2.566 | 2.567 | 2.829 | 0.817 | 0.828 | 0.953 | 0.585 | 0.6 | 0.689 | ||||
| D | 1.358 | 1.37 | 1.965 | 0.903 | 0.943 | 1.244 | 0.655 | 0.702 | 0.898 | ||||
| E | 1.508 | 1.51 | 2.289 | 0.821 | 0.833 | 1.174 | 0.582 | 0.598 | 0.844 | ||||
| F | - | - | - | 0.867 | 1.109 | 1.479 | 0.572 | 0.779 | 0.992 | ||||
| G | 2.834 | 2.836 | 3.191 | 0.914 | 0.932 | 1.108 | 0.656 | 0.678 | 0.800 | ||||
| H | 1.674 | 1.679 | 2.578 | 0.917 | 0.936 | 1.338 | 0.651 | 0.674 | 0.963 | ||||
| I | 1.326 | 1.518 | 2.167 | 0.882 | 1.173 | 1.547 | 0.640 | 0.875 | 1.118 | ||||
Publisher’s Note: MDPI stays neutral with regard to jurisdictional claims in published maps and institutional affiliations. |
© 2022 by the authors. Licensee MDPI, Basel, Switzerland. This article is an open access article distributed under the terms and conditions of the Creative Commons Attribution (CC BY) license (https://creativecommons.org/licenses/by/4.0/).
Share and Cite
Li, Z.; Wen, W.; Dai, R.; Xi, W. Reliability Evaluation of Smart Substation Based on Time-Varying Probabilistic Hybrid Attack Graph. Energies 2022, 15, 6724. https://doi.org/10.3390/en15186724
Li Z, Wen W, Dai R, Xi W. Reliability Evaluation of Smart Substation Based on Time-Varying Probabilistic Hybrid Attack Graph. Energies. 2022; 15(18):6724. https://doi.org/10.3390/en15186724
Chicago/Turabian StyleLi, Zhiyong, Wubin Wen, Rende Dai, and Wanting Xi. 2022. "Reliability Evaluation of Smart Substation Based on Time-Varying Probabilistic Hybrid Attack Graph" Energies 15, no. 18: 6724. https://doi.org/10.3390/en15186724
APA StyleLi, Z., Wen, W., Dai, R., & Xi, W. (2022). Reliability Evaluation of Smart Substation Based on Time-Varying Probabilistic Hybrid Attack Graph. Energies, 15(18), 6724. https://doi.org/10.3390/en15186724

