Next Article in Journal
Multi-Objective Optimization via GA Based on Micro Laser Line Scanning Data for Micro-Scale Surface Modeling
Previous Article in Journal
Imaging Domain Seismic Denoising Based on Conditional Generative Adversarial Networks (CGANs)
 
 
Font Type:
Arial Georgia Verdana
Font Size:
Aa Aa Aa
Line Spacing:
Column Width:
Background:
Article

Overcurrent Protection and Unmatched Disturbance Rejection under Non-Cascade Structure for PMSM

1
School of Electrical and Electronic Engineering, Changchun University of Technology, Changchun 130000, China
2
State Key Laboratory of Automobile Simulation and Control, Jilin University, Changchun 130000, China
*
Author to whom correspondence should be addressed.
Energies 2022, 15(18), 6573; https://doi.org/10.3390/en15186573
Submission received: 7 July 2022 / Revised: 3 September 2022 / Accepted: 6 September 2022 / Published: 8 September 2022

Abstract

:
A non-cascade structure with a simple parameter adjustment method and satisfying dynamic performance is investigated so as to address the problem of the complicated structure of a typical cascade control system of permanent magnet synchronous motor (PMSM) system. However, the current cannot work within a limited value under this structure, which poses a risk to circuit safety. To this end, a fast non-singular sliding mode (FNTSM) speed-control strategy is proposed to solve the inadequate resilience of the PI controller. Then, a nonlinear term is developed to address the q-axis current overrun. Furthermore, a sliding-mode disturbance observer (SMDO) is proposed to compensate for the current fluctuation caused by the unmatched load torque disturbances. Finally, stability analysis is conducted for the proposed composite strategy, and the hardware-in-the-loop experiments verify that it achieves satisfying speed-tracking performance and ensures overcurrent protection under unmatched disturbances.

1. Introduction

Due to their high power density, power factor, and high efficiency, permanent magnet synchronous motors (PMSMs) are widely used in electric vehicles, industrial robotics, and aerospace [1]. The classic double closed-loop system of PMSMs has a complex structure and several loops that restrict the system dynamic performance. As a result, a non-cascaded structure with a simple control design (simultaneous current and speed control) and parameter-tuning is established. However, this structure suffers from current overruns and unmatched disturbances, which have an impact on its dynamic performance. Current overruns not only cause hardware damage, but they also increase needless energy losses [2,3]. As a consequence, it is critical to conduct research on control solutions that take into account both current constraints and dynamic performance.
With industrial development, there are higher demands for PMSM controllers [4]. Recently, many control algorithms have become popular, such as fuzzy control [5], predictive control [6], adaptive control [7], sliding-mode control (SMC) [8], etc. In [5], fuzzy control combined with proportional integration is designed to enhance the speed control of pump motors and improve operating efficiency. In [6], the speed and current can be directly controlled by a differential-free, predictive-current, sliding-mode control strategy for PMSMs. In [7], the current-loop performance and tracking accuracy of PMSMs are improved by the adaptive internal mode observer. In [8], adaptive fuzzy sliding-mode control is designed to improve the PMSMs drive-system response for uncertain systems with actuator failures and input saturation. Compared with other control methods, SMC has the advantage of a sliding-mode-specific, independent design, and it is not affected by parameter ingestion, particularly as a consequence of its fast dynamic response, finite-time convergence, and high steady-state accuracy. Non-singular-sliding mode [9] is widely used in applications that require high-precision control. However, although the above control solutions have addressed the problem of drive-motor speed and current-tracking accuracy, few works consider current constraint.
Overcurrent protection is a problem in a non-cascade control structure for a PMSMs system. In [10], the traditional PID of selecting control parameters is designed for PMSMs system to achieve current constraint. Unfortunately, it cannot simultaneously achieve overcurrent protection, current dynamic performance, and anti-disturbance capabilities. In [11], the control mode is transformed into an optimization mode to effectively predict, constrain the current amplitude, and improve the current-control performance. However, this control strategy is implemented indirectly. In [12], the complete-state constraint is implemented by a new, recursive design approach. However, its parameter selection is conservative, and the virtual controller is restricted. In [13], the model predictive control method is designed for PMSMs such that the computational effort of the speed-predictive control can be reduced. However, its current-constraint can only be implemented by setting the upper limit of the q-axis current. In [14], a combined velocity and thrust strategy based on sliding-mode control is proposed to improve the speed and current dynamic performance. However, this strategy contains integrals that cause performance coupling and negatively affect parameter-tuning. In [15], the state-dependent Riccati equation is designed for PMSM speed control to satisfy the constrained maximum current amplitude. However, this strategy require huge computational resources. In addition, few works have considered control solutions to address unmatched disturbances.
Recently, many observers have been designed in PMSMs system to improve the disturbance-rejection ability, such as sliding-mode observers [16,17,18], nonlinear observers [19], extended-state observers [20,21], and intelligent-disturbance observers [22]. In [16], under the matched-disturbances condition, an adaptive sliding-mode observer is designed to improve the anti-disturbance capability of the PMSMs drive system. Specially, fewer investigations have been conducted for mismatch perturbations (external load torque or unmodeled dynamics). Such disturbances increase the difficulty of motor control. The above observers are partially used to address the unmatched disturbances. In [17], the integral sliding-mode disturbance observer is used for continuous-time linear systems with unmatched disturbances or uncertainties. However, the integral sliding-mode strategy suffers from overshoot. In [18], under-matched and unmatched disturbances conditions, continuous-terminal sliding-mode control, and single-loop velocity-current control with disturbance observers are designed to improve the speed-regulation performance of PMSMs. However, the sliding-mode control strategy is fully robust for matched disturbances, and the design is partially avoidable. In [19], the disturbances are integrated into the sliding surface, and a nonlinear disturbance observer is used to solve the five-phase PMSM’s unmatched disturbances. In [23], a controller is designed to solve the current-overrun problem caused by mismatched disturbances. The speed-control part of this control strategy is similar to the PID idea and forms a closed-loop with a nonlinear observer. The current-constraint problem is effectively solved. In [24], a simple overcurrent-protection method is applied to a permanent magnet synchronous motor drive system and discards the traditional method of conservatively estimating parameters. The strategy provides both a fast dynamic response and overcurrent protection. However, the experimental section does not consider cases of frequently changing loads or some other motor-overcurrent scenarios. This method fails to solve the perturbation problem well.
In summary, current-constrained and unmatched disturbances are not considered or addressed in a PMSM drive system. This paper proposes a composite strategy based on a fast non-singular terminal sliding-mode and sliding-mode observer, and it simultaneously tackles current-constrained and unmatched disturbances. The main novelties of this research are summarized as follow:
(1)
It reconstructs the non-cascade PMSM speed-control equation of the motor system to solve the problems of overcurrent protection and unmatched disturbances. A fast non-singular sliding-mode-based speed-control strategy and the q-axis current by constructing a nonlinear item are proposed so as to fulfill the overcurrent-protection task and effectively guarantee current-constraint, even in the presence of unmatched disturbances.
(2)
Unmatched disturbances affect the dynamic performance of the system through different channels by designing a disturbance sliding-mode observer to achieve compensation for mismatched disturbances. The modification of the ideal speed-value of the motor is verified by Liapunov’s stability theorem. We design the overcurrent scenario for an overload of the permanent magnet synchronous motor and perform the disturbance compensation and overcurrent protection by FNTSM-SMDO. The FNTSM-SMDO can satisfy the need for a fast and robust system simultaneously, and the effectiveness of the method is verified by two sets of PI-control comparison experiments.

2. FNTSM Design for PMSM Speed Controller

2.1. The Mathematical Model of PMSM

The mathematical model of a surface-mounted PMSM in the d-q frame is formulated as
{ u d = R i d + L d i d d t n p ω L i q u q = R i q + L d i q d t + n p ω ( L i d + ψ f ) ,
where u d , u q are the voltages of the d q -axes, i d , i q are the stator current, L is the inductance of the stator, n p is the number of pole pairs, ψ f is the flux linkage, R is the stator resistance, and ω is the angular velocity.
The torque equation of a surface-mounted PMSM is
T e = 3 2 n p ψ f i q ,
The motion equation of a surface-mounted PMSM is
J d ω d t = T e B ω T L ,
where T e is the torque, T L is the load torque of the motor, J is the moment of inertia, and B is the viscous frictional coefficient.
System (1) can be transformed with
d i q d t = 1 L ( R i q p ω L i d p ω ψ f + u q ) ,
Setting the d-axis reference current i d * = 0 , enables obtaining the maximum torque-to-current ratio. System (1) can be rewritten as
{ d i q d t = 1 L ( R i q p ω ψ f + u q ) d ω d t = 1 J ( 3 2 n p ψ f i q B ω T L ) ,
Suppose that the current iq is bounded by a constant c > 0, which is a safety threshold and often selected as 2 3 times of the rated current in industrial applications. Since the load-torque variations influence the current directly, a load-torque change may violate the current constraint. It can cause damage to the battery, inverter, and other hardware in serious cases.

2.2. Control-Oriented Model

The model-control objective is mainly the speed-tracking of a given reference signal and achieving current-constraint under unmatched disturbances by defining e 1 = ω ω as the speed-tracking error and e 2 = ( 3 / 2 ) n p ψ f i q + B ω * as the system state, where ω * is the reference speed.
Therefore, the control-oriented model is written as
{ e ˙ 1 = 1 J ( B e 1 + e 2 + d ) e ˙ 2 = 1 L ( f ( e 1 , e 2 ) + u )
where u = n p ψ f u q is the control input, d = T L , f ( e 1 , e 2 ) = n p 2 ψ f 2 e 1 R e 2 + ( n p 2 ψ f 2 + R B ) ω * .
In this way, the current constraint is i q ( c , c ) , equivalent to the state constraint e 2 ( ( 3 / 2 ) n p ψ f c + B ω * , ( 3 / 2 ) n p ψ f c + B ω * ) . The control problem is transformed to stabilize e1 in the presence of the state constraint e2 and the unmatched disturbance d.
The fast non-singular terminal sliding-mode control strategy is chosen for the PMSMs system. When the system state slides to the designed sliding surface, it quickly reaches the balance point. It improves the arrival time for states far from the balance point when using the terminal sliding mode. The sliding surface is selected as follows:
s = e 1 + h e 2 + g e ˙ 2 q / p ,
Then, the derivative of Equation (7) is
s ˙ = e ˙ 1 + h e ˙ 2 + g q p e ˙ 2 q / p 1 e ¨ 2 ,
Combining System (6) and Equation (8),
s ˙ = e ˙ 1 + h e ˙ 2 + g q p e ˙ 2 q / p 1 e ¨ 2 = e ˙ 1 + h e ˙ 2 + g q L p e ˙ 2 q / p 1 ( f ˙ ( e 1 , e 2 ) + u ˙ ) = e ˙ 1 + h e ˙ 2 + g q L p e ˙ 2 q / p 1 ( n p 2 ψ f 2 e ˙ 1 R e ˙ 2 + ( n p 2 ψ f 2 + R B ) ω ˙ * + u ˙ ) = e ˙ 1 ( 1 g q n p 2 ψ f 2 L p e ˙ 2 q / p 1 ) + e ˙ 2 ( h g q R L p e ˙ 2 q / p 1 ) + u ˙ g q L p e ˙ 2 q / p 1 + ω ˙ * g q ( n p 2 ψ f 2 + R B ) L p e ˙ 2 q / p 1
Defining  Q = 1 g q n p 2 ψ f 2 L p e ˙ 2 q / p 1 , P = h g q R L p e ˙ 2 q / p 1 , G = w ˙ * g q ( n p 2 ψ f 2 + R B ) L p e ˙ 2 q / p 1 as a variable for the simplification of Equation (9). Therefore, Equation (9) can be rewritten as
s ˙ = Q J ( B e 1 + e 2 + d ) + P L ( f ( e 1 , e 2 ) + u ) + u ˙ c q L p e ˙ 2 q / p 1 + G = B Q J e 1 + Q J ( e 2 + d ) + P L f ( e 1 , e 2 ) + P L u + u ˙ c q L p e ˙ 2 q / p 1 + G
The improved, variable exponential-reaching law researched by our research group can realize the adaptive adjustment of the approach speed. The specific proof is in [25].
{ u n = ε | e 1 | α sgn ( s ) k H ( s ) s , H ( s ) = | s | b · sgn ( | s | 1 | s | + 1 ) lim t | e 1 | = 0 , ε > 0 , k > 0 , α > 0 , 1 > b > 0 . ,
It is supposed that d has a constant steady-state value. We design a low-pass filter as follows:
U = u e q + u n = P L u + u ˙ c q L p e ˙ 2 q / p 1 ,
We define u e q = B Q J e ^ 1 ( Q J + l c 2 i q 2 ) ( e 2 + d ^ ) P L f ( e 1 , e 2 ) G , where e ^ 1 is the speed-error estimation; d ^ is the disturbance estimation.
To satisfy the current-constraint, it is crucial to constitute the constraint mechanism of the nonlinear item l / ( c 2 i q 2 ) on the q-axis current in the control strategy. If i q tends to the limit ± c , i.e., the state e 2 tends to the limit boundary ( 3 / 2 ) n p ψ f c + B ω * or ( 3 / 2 ) n p ψ f c + B ω * , then the function will tend to infinity. Thus, the nonlinear item can be automatically adjusted.

3. Design of the SMDO

The SMDO is designed to address unmatched disturbances, such as parameters and external disturbances. It can simultaneously observe torque disturbances and motor speed, which can reduce system chattering. To acquire the estimation value d ^ of the unmatched disturbance d in System (6), the SMDO is designed as
{ e ^ ˙ 1 = 1 J ( B e ^ 1 + e 2 + d ^ ) d ^ ˙ = k 1 ( e 1 e ^ 1 ) + u S M D O ,
where k1 > 0 is the observer gain.
We define the input to the observer as
u S M D O = k 1 ( e 1 e ^ 1 ) s Q J ,
To verify that System (13) and Equation (7) can effectively estimate the system error and achieve the fast-tracking of the ideal speed, the Lyapunov stability function can be described as.
V = 1 2 s 2 + 1 2 ( e 1 e ^ 1 ) 2 + 1 2 ( d d ^ ) 2 ,
Then, the derivative of Equation (15) is
V ˙ = s s ˙ + ( e 1 e ^ 1 ) ( e ˙ 1 e ^ ˙ 1 ) d ^ ˙ ( d d ^ ) = s Q J ( d d ^ ) ε | e 1 | a s 2 k H ( s ) s 2 + ( e 1 e ^ 1 ) ( e ˙ 1 e ^ ˙ 1 ) d ^ ˙ ( d d ^ ) = s Q J ( d d ^ ) ε | e 1 | a s 2 k H ( s ) s 2 + 1 J ( e 1 e ^ 1 ) ( B e 1 + e 2 + d B e ^ 1 + e 2 + d ^ ) d ^ ˙ ( d d ^ ) = s Q J ( d d ^ ) ε | e 1 | a s 2 k H ( s ) s 2 B J ( e 1 e ^ 1 ) 2 k 3 ( e 1 e ^ 1 ) ( d d ^ ) + ( d d ^ ) u S M D O = ( d d ^ ) [ k 1 ( e 1 e ^ 1 ) + s Q J + u S M D O ] ε | e 1 | a s 2 k H ( s ) s 2 B J ( e 1 e ^ 1 ) 2
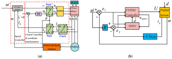
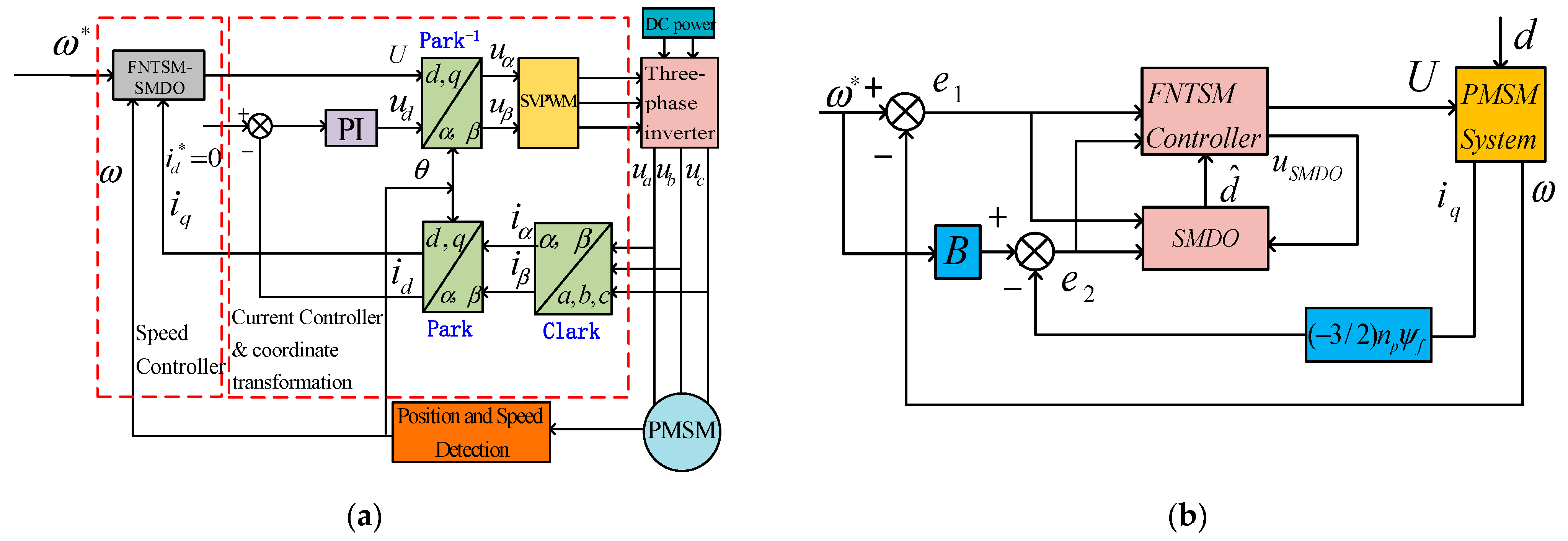
Combining Equations (14) and (16), we can obtain that V ˙ 0 . From Lyapunov’s stability theorem, V ˙ 0 ensures the stability of the designed FNTSM–SMDO in terms of tracking error, and it achieves reaching in finite time to achieve the reference speed. The PMSM drive-framework based on the proposed strategy is shown in Figure 1 to better illustrate the structure of the proposed controller.

4. Experimental Tests Results

The composite strategy is verified by comprehensive experiments. This paper demonstrates the speed and current-response performance of the PMSM drive system in such typical situations as start-up response, variable acceleration, unmatched disturbances, and overload process. The unmatched disturbances are presented in Figure 2. Where 0.3 s~1 s is sawtooth form, 1 s~2 s is a sinusoidal form expressed as T L = 0.4 cos ( 10 π t ) + 0.2 sin ( 20 π t ) + 2.8 , and 2 s~3 s is a constant value expressed as TL = 2 Nm. The parameters of the motor are presented in Table 1.
To verify the effectiveness of the method proposed in this paper, an xPC-Target-based hardware-in-the-loop testbed was built, as shown in Figure 3. The testbed includes two industrial control machines, motors, and controllers. One of the IPCs was used as the host PC and equipped with the PMSM-control algorithm. A Simulink model was compiled into real-time operational C code and downloaded to the target PC. Another IPC was used as the xPC-target PC, running DOS-dependent xPC real-time cores to execute RTW-compiled real-time C code. The two PCs were connected and communicated through TCP/IP, and the developer downloaded the Simulink model to the target PC through the host PC. The two PCs could monitor/debug the operation of the target PC in real time. The parameters of the controller are presented in Table 2.

4.1. Variable Acceleration Process

We compared the starting speed and current dynamic performance of PMSM under various control strategies. Figure 4a,b shows the motor-speed and q-axis current-response curves during the start-up transient based on FNTSM–SMDO, PI(low) and PI(high) control, starting at 1000 RPM, accelerating to 1500 RPM at 1 s, and accelerating to 2000 RPM at 2 s, respectively. This variable accelerates the process with a load of 1 Nm.
A traditional double closed-loop PI control strategy was used for the comparison experiments, with the following details.
Speed loop:
i q * = K p ω ( ω * ω ) + K I ω 0 t ( ω * ω ) d t ,
Current loop:
u q * = K p q ( i q * i q ) + K I q 0 t ( i q * i q ) d t + p ω ( L i d + ψ f ) ,
where K p ω , K I ω are the scale and integration coefficients of the speed loop, and K p q , K I q are the scale and integration coefficients of the current loop. In the experiment, the PI(low) parameters are as follow: K p ω = 0.35 , K I ω = 10 , K p q = 17 , and K I q = 575 . The PI(high) parameters are as follow: K p ω = 2 , K I ω = 10 , K p q = 17 , and K I q = 575 .
In order to make the experimental results comparable, the operating curves of the FNTSM–SMDO, PI(low) and PI(high) control methods are trended close to each other during the start-up of the PMSM. The following conclusions can be drawn from Figure 4a,b: PI(high) has a large overshoot; FNTSM–SMDO and PI(low) control methods start without overshoot. Because the FNTSM–SMDO contains the terminal sliding-mode term and the speed-error term in the reaching law, the FNTSM–SMDO reaches the reference speed quickly in each stage. The coefficient of the scaling term in PI(high) is too large, causing a 20% overshoot in each section during acceleration. When the speed is 1000 RPM, the stabilization time of the FNTSM–SMDO is 0.04 s, and that of the PI(low) and PI(high) control method is 0.12 s; when accelerating to 1500 RPM, the stabilization time of the FNTSM–SMDO is 1.08 s, and that of the PI(low) and PI(high) control method is 1.12 s; when continuing to accelerate to 2000 RPM, the stabilization time of the FNTSM–SMDO is 2.06 s, and the stabilization time of the PI(low) and PI(high) control method is 2.12 s. When the acceleration is continued to 2000 RPM, the stabilization time of the FNTSM–SMDO is 2.06 s.
The start of the PMSM generates iq peak current, and it is too large to cause fatal damage to the device. Therefore, the key nonlinear terms in the FNTSM–SMDO play a key role. When the PMSM is in the process of starting and accelerating, the peak current can be suppressed below 10A, which effectively protects the motor from the influence of the sudden peak current. However, the iq amplitude of the PI control is over the current constraint, which may break down the hardware device.

4.2. Unmatched Disturbance Process

We compared the starting-speed and current-dynamic performance of the PMSM under various control strategies. Figure 5a,b shows the motor-speed and q-axis current-response curves during the start-up transient based on the FNTSM–SMDO and PI(low) and PI(high) control, starting at 1000 RPM under conditions of unmatched disturbances.
The stabilization time is obtained as shown in Figure 4a, so this part of the experimental data focuses on the comparison of the recovery time and speed drop. When the PMSM encounters the mismatched disturbance simulated in Figure 2, an analysis of Figure 5a leads to the following conclusions: when 0.2 s~1 s encounters a sawtooth-wave load, the sliding-mode control part in the FNTSM–SMDO plays a key role, and the robustness of the sliding-mode control is better than that of the PI control, so the recovery time of the FNTSM–SMDO is 0.38 s, and the speed drop is 37 RPM. The recovery time of the PI(low) control is 0.8 s, and the speed drops 58 RPM. When the PMSM encounters a sinusoidal disturbance in 1 s~2 s, the speed does not fully recover due to the sawtooth-wave load in the previous section, so the speed of the PI(low) control drops 130 RPM during the sinusoidal disturbance; the speed of the FNTSM–SMDO drops 25 RPM and quickly recovers the reference speed. In this stage, the load changes frequently, i.e., the load increases and decreases suddenly, which tests the robustness of the control strategy. When 2 s~3 s, this stage is a typical, fixed-load perturbation, where the load suddenly decreases abruptly, the PI control-speed changes very obviously, and the recovery time is very long. The rising speed of the FNTSM–SMDO is 9 RPM, and the recovery time is 0.1 s; the rising speed of PI(low) control is 40 RPM, and the recovery time is 0.92 s. The main reason for this phenomenon is that the load changes continuously and frequently, which causes the PI-control fail to respond to each section in time, and the slow response speed leads to the poor dynamic performance of the PMSM. The excessive overshoot in the PI(high) results in a fast speed-recovery under each section of the disturbance. This does not affect the control performance of the FNTSM–SMDO because PI control cannot balance good dynamic and static characteristics.

4.3. Overload Process

In the overcurrent scenario of the PMSM, in addition to peak-current overrun, overload can also lead to current overrun. Therefore, this part simulates the overload process; when the PMSM runs up to 2 s, the load suddenly changes from no load to 150% of the rated load. The rated torque of the PMSM used in this paper is 10 Nm, so an overload of 150% means the load is 15 Nm. We compared the starting speed and current dynamic performance of the PMSM under various control strategies. Figure 6a,b shows the motor speed and q-axis current-response curves during the start-up transient based on the FNTSM-SMDO, the PI(low), and the PI(high) controls using the method of starting at 1000 RPM under the overload process.
This section simply summarizes the experimental results without too much explanation. Section 4.1 and Section 4.2 explained the algorithm in detail. When the speed is 1000 RPM with a load of 15 Nm, the FNTSM–SMDO speed drops 250 RPM, with a recovery time of 0.15 s; the PI(low) control speed drops 800 RPM, with a recovery time of 1 s; and the PI(high) control speed drops 50 RPM, with a recovery time of 0.1 s. The main point of this section is that the overcurrent caused by the overload is well suppressed.
When the PMSM encounters an overload situation, the amplitude of the iq current is even greater, threatening the safety of the equipment. In this case, the amplitude of iq under PI control is close to the peak current, but under the FNTSM–SMDO control, it is well-suppressed.

5. Conclusions

This paper takes the PMSM drive system as a background. The state equation of the motor-speed control system is reconstructed to solve the overcurrent-protection and unmatched-disturbance problems caused by non-cascading. This paper establishes a nonlinear-constraint item and proposes an FNTSM–SMDO control strategy. This control strategy can limit the current to a safe range, as verified by hardware-in-the-loop experiments. It guarantees speed-following accuracy, current dynamic performance, and disturbance rejectability. This control strategy can also be extended to other second-order nonlinear dynamic systems and other control areas.

Author Contributions

Conceptualization, C.J. and N.Z.; methodology, Q.W.; software, Q.W.; validation, Q.W. and N.Z.; formal analysis, N.Z.; investigation, H.D.; resources, C.J.; data curation, N.Z.; writing—original draft preparation, Q.W.; writing—review and editing, N.Z. and C.J.; funding acquisition, C.J., H.D. and N.Z. All authors have read and agreed to the published version of the manuscript.

Funding

This research was funded by Haitao Ding of the National Natural Science Foundation of China, grant number U1864206; Niaona Zhang of the Science and Technology Development Plan of Jilin Province, grant number 20210201110GX; the Open Fund of State Key Laboratory of Automobile Simulation and Control of Jilin University, grant number 20210237; and Changhong Jiang of the Science and Technology Development Plan of Jilin Province, grant number 20200403037SF.

Institutional Review Board Statement

The study was conducted in accordance with the Declaration of Helsinki, and approved by the Institutional Review Board.

Informed Consent Statement

Informed consent was obtained from all subjects involved in the study.

Conflicts of Interest

The authors declare no conflict of interest.

References

  1. Gysen, B.L.J.; Paulides, J.J.H.; Janssen, J.L.; Lomonova, E.A. Active electromagnetic suspension system for improved vehicle dynamics. IEEE Trans. Veh. Technol. 2010, 59, 1156–1162. [Google Scholar] [CrossRef]
  2. Cheng, M.; Sun, L.; Buja, G.; Song, L. Advanced Electrical Machines and Machine-Based Systems for Electric and Hybrid Vehicles. Energies 2015, 8, 9541–9564. [Google Scholar] [CrossRef]
  3. Jie, D.; Bae, C.; Marcicki, J.; Masias, A.; Miller, T. Safety modelling and testing of lithium-ion batteries in electrified vehicles. Nat. Energy 2018, 3, 261–266. [Google Scholar]
  4. Liu, X.; Chen, H.; Zhao, J.; Belahcen, A. Research on the Performances and Parameters of Interior PMSM Used for Electric Vehicles. IEEE Trans. Ind. Electron. 2016, 63, 3533–3545. [Google Scholar] [CrossRef]
  5. Murshid, S.; Singh, B. Implementation of PMSM Drive for a Solar Water Pumping System. IEEE Trans. Ind. Appl. 2019, 55, 4956–4964. [Google Scholar] [CrossRef]
  6. Jiang, Y.; Xu, W.; Mu, C.; Liu, Y. Improved Deadbeat Predictive Current Control Combined Sliding Mode Strategy for PMSM Drive System. IEEE Trans. Veh. Technol. 2017, 67, 251–263. [Google Scholar] [CrossRef]
  7. Wang, L.; Zhao, J.; Dong, F.; He, Z. High-bandwidth and Strong Robust Predictive Current Control Strategy Research for Permanent-magnet Synchronous Linear Motor Based on Adaptive Internal Model Observer. Proc. CSEE 2019, 621, 3098–3107. [Google Scholar] [CrossRef]
  8. Wen, S.; Chen, M.Z.Q.; Zeng, Z.; Huang, T.; Li, C. Adaptive Neural-Fuzzy Sliding-Mode Fault-Tolerant Control for Uncertain Nonlinear Systems. IEEE Trans. Syst. Man Cybern. Syst. 2017, 47, 2268–2278. [Google Scholar] [CrossRef]
  9. Feng, Y.; Yu, X.; Man, Z. Non-singular terminal sliding mode control of rigid manipulators. Automatica 2002, 38, 2159–2167. [Google Scholar] [CrossRef]
  10. Yang, J.; Wu, H.; Hu, L.; Li, S. Robust predictive speed regulation of converter-driven DC motors via a discrete-time reduced-order GPIO. IEEE Trans. Ind. Electron. 2018, 66, 7893–7903. [Google Scholar] [CrossRef]
  11. Yuan, X.; Zhang, S.; Zhang, C. Nonparametric Predictive Current Control for PMSM. IEEE Trans. Power Electron. 2020, 35, 9332–9340. [Google Scholar] [CrossRef]
  12. Liu, Y.-J.; Tong, S. Barrier Lyapunov functions-based adaptive control for a class of nonlinear pure-feedback systems with full state constraints. Automatica 2016, 64, 70–75. [Google Scholar] [CrossRef]
  13. Zhang, X.G.; He, Y.K. Direct voltage-selection based model predictive direct speed control for PMSM drives without weighting factor. IEEE Trans. Power Electron. 2019, 34, 7838–7851. [Google Scholar] [CrossRef]
  14. Cheema, M.A.M.; Fletcher, J.E.; Farshadnia, M.; Rahman, M.F. Sliding mode based combined speed and direct thrust force control of linear permanent magnet synchronous motors with first-order plus integral sliding condition. IEEE Trans. Power Electron. 2019, 34, 2526–2538. [Google Scholar] [CrossRef]
  15. Šmídl, V.; Janouš, Š.; Adam, L.; Peroutka, Z. Direct speed control of a PMSM drive using SDRE and convex constrained optimization. IEEE Trans. Ind. Electron. 2018, 65, 532–542. [Google Scholar] [CrossRef]
  16. Deng, Y.; Wang, J.; Li, H.; Liu, J.; Tian, D. Adaptive sliding mode current control with sliding mode disturbance observer for PMSM drives. ISA Trans. 2018, 82, 113–126. [Google Scholar] [CrossRef]
  17. Zhang, J.; Liu, X.; Xia, Y.; Zuo, Z.; Wang, Y. Disturbance Observer-Based Integral Sliding-Mode Control for Systems With Mismatched Disturbances. IEEE Trans. Ind. Electron. 2016, 63, 7040–7048. [Google Scholar] [CrossRef]
  18. Liu, X.; Yu, H. Continuous adaptive integral-type sliding mode control based on disturbance observer for PMSM drives. Nonlinear Dyn. 2021, 104, 1429–1441. [Google Scholar] [CrossRef]
  19. Zhou, H.; Chen, C.; Liu, G.; Zhang, Y. Composite Sliding Mode Control for TPMM Velocity Drive via a Disturbance Observer. IEEE Trans. Veh. Technol. 2021, 70, 82–94. [Google Scholar] [CrossRef]
  20. Wang, Y.; Feng, Y.; Zhang, X.; Liang, J. A New Reaching Law for Antidisturbance Sliding-Mode Control of PMSM Speed Regulation System. IEEE Trans. Power Electron. 2020, 35, 4117–4126. [Google Scholar] [CrossRef]
  21. Gandhi, R.V.; Adhyaru, D.M. Hybrid extended state observer based control for systems with matched and mismatched disturbances. ISA Trans. 2020, 106, 61–73. [Google Scholar] [CrossRef] [PubMed]
  22. Choi, H.; Vu, N.T.-T.; Jung, J.-W. Design and implementation of a Takagi–Sugeno fuzzy speed regulator for a permanent magnet synchronous motor. IEEE Trans. Ind. Electron. 2012, 59, 3069–3077. [Google Scholar] [CrossRef]
  23. Dai, C.; Guo, T.; Yang, J.; Li, S. A Disturbance Observer-Based Current-Constrained Controller for Speed Regulation of PMSM Systems Subject to Unmatched Disturbances. IEEE Trans. Ind. Electron. 2020, 68, 767–775. [Google Scholar] [CrossRef]
  24. Guo, T.; Sun, Z.; Wang, X.; Li, S.; Zhang, K. A Simple Current-Constrained Controller for Permanent Magnet Synchronous Motor. IEEE Trans. Ind. Inform. 2019, 15, 1486–1495. [Google Scholar] [CrossRef]
  25. Jiang, C.; Wang, Q.; Li, Z.; Zhang, N.; Ding, H. Nonsingular Terminal Sliding Mode Control of PMSM Based on Improved Exponential Reaching Law. Electronics 2021, 10, 1776. [Google Scholar] [CrossRef]
Figure 1. (a) PMSM drive-framework, (b) FNTSM–SMDO controller of the PMSM drive.
Figure 1. (a) PMSM drive-framework, (b) FNTSM–SMDO controller of the PMSM drive.
Energies 15 06573 g001
Figure 2. Unmatched disturbances.
Figure 2. Unmatched disturbances.
Energies 15 06573 g002
Figure 3. The xPC–Target-based hardware in the loop.
Figure 3. The xPC–Target-based hardware in the loop.
Energies 15 06573 g003
Figure 4. (a) Speed curve during variable acceleration start; (b) Variable–acceleration start–process q-axis current curve.
Figure 4. (a) Speed curve during variable acceleration start; (b) Variable–acceleration start–process q-axis current curve.
Energies 15 06573 g004
Figure 5. (a) Speed curve during variable–acceleration start, (b) Variable–acceleration start–process q-axis current curve.
Figure 5. (a) Speed curve during variable–acceleration start, (b) Variable–acceleration start–process q-axis current curve.
Energies 15 06573 g005
Figure 6. (a) Speed curve under an unmatched disturbance, (b) q-axis current curve under an unmatched disturbance.
Figure 6. (a) Speed curve under an unmatched disturbance, (b) q-axis current curve under an unmatched disturbance.
Energies 15 06573 g006
Table 1. Parameters of the motor.
Table 1. Parameters of the motor.
Parameter and UnitValue
DC power Vdc/V311
Stator phase resistance R2.875
Inductances L/mH8.5
Rotational inertia J/kg·m20.001
Viscous friction coefficient B/N·m·s0.008
Flux linkage of permanent magnets ψ f /Wb0.175
Table 2. Parameters of the controller.
Table 2. Parameters of the controller.
DescriptionValue
h in the FNTSM1000
g in the FNTSM200
p in the FNTSM11
q in the FNTSM5
l in the FNTSM800
ε in the NSMRL10
k in the NSMRL20
α in the NSMRL2
b in the NSMRL0.4
k 1 in the SMDO200
Publisher’s Note: MDPI stays neutral with regard to jurisdictional claims in published maps and institutional affiliations.

Share and Cite

MDPI and ACS Style

Jiang, C.; Wang, Q.; Zhang, N.; Ding, H. Overcurrent Protection and Unmatched Disturbance Rejection under Non-Cascade Structure for PMSM. Energies 2022, 15, 6573. https://doi.org/10.3390/en15186573

AMA Style

Jiang C, Wang Q, Zhang N, Ding H. Overcurrent Protection and Unmatched Disturbance Rejection under Non-Cascade Structure for PMSM. Energies. 2022; 15(18):6573. https://doi.org/10.3390/en15186573

Chicago/Turabian Style

Jiang, Changhong, Qiming Wang, Niaona Zhang, and Haitao Ding. 2022. "Overcurrent Protection and Unmatched Disturbance Rejection under Non-Cascade Structure for PMSM" Energies 15, no. 18: 6573. https://doi.org/10.3390/en15186573

APA Style

Jiang, C., Wang, Q., Zhang, N., & Ding, H. (2022). Overcurrent Protection and Unmatched Disturbance Rejection under Non-Cascade Structure for PMSM. Energies, 15(18), 6573. https://doi.org/10.3390/en15186573

Note that from the first issue of 2016, this journal uses article numbers instead of page numbers. See further details here.

Article Metrics

Back to TopTop