Operation Method of On-Load Tap Changer on Main Transformer Considering Reverse Power Flow in Distribution System Connected with High Penetration on Photovoltaic System
Abstract
:1. Introduction
2. Existing OLTC Operation Methods and Problems
2.1. Constant Voltage Method
2.2. Line-Drop Conpensation Method
2.3. Digital Volt Meter Method
2.4. Forecasting Method
3. Proposed Solution to Solve Voltage Problem Caused by Reverse Power Flow
3.1. Setting the Reference Point and Reference Voltage for OLTC Operation
- : Feeder number
- : Node number
- : Reference voltage at the k-node on the ith-feeder
- : Nominal voltage
- : Upper limit of normal voltage
- : Under limit of normal voltage
- : Voltage fluctuation rate of the first and last nodes
- : Total length of ith-feeder
- : Length from the MT to the kth-node on the ith-feeder
- : Difference between the reference and measured voltages at the kth-node on the ith-feeder
- : Measured voltage at the kth-node on the ith-feeder
3.2. Proposed OLTC Operation Algorithm
4. Simulations to Establish the Effects of the Proposed Method
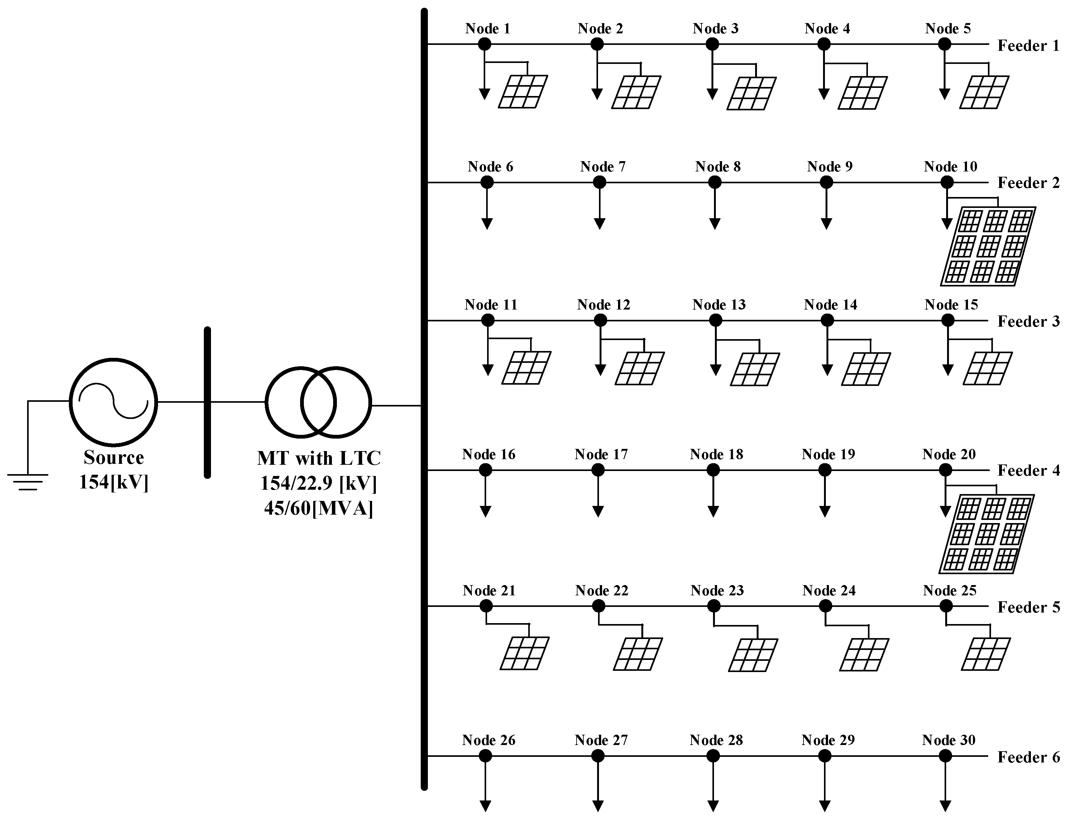
4.1. Distribution System Modeling with OLTC
4.2. Case Studies to Verify the Proposed Method
4.3. Analysis of the Required Compensation Facilities
5. Conclusions
Author Contributions
Funding
Institutional Review Board Statement
Informed Consent Statement
Conflicts of Interest
References
- Paris, B.; Foteini, V.; Tyris, D.; Balafoutis, A.T.; Vaiopoulos, K.; Kyriakarakos, G.; Manolakos, D.; Papadakis, G. Energy use in open-field agriculture in the EU: A critical review recommending energy efficiency measures and renewable energy sources adoption. Renew. Sustain. Energy Rev. 2022, 158, 112098. [Google Scholar] [CrossRef]
- Paris, B.; Foteini, V.; Tyris, D.; Balafoutis, A.T.; Vaiopoulos, K.; Kyriakarakos, G.; Manolakos, D.; Papadakis, G. Energy use in the EU livestock sector: A review recommending energy efficiency measures and renewable energy sources adoption. Appl. Sci. 2022, 12, 12042142. [Google Scholar]
- Gea-Bermúdez, J.; Kitzing, L.; Koivisto, M.; Das, K.; León, J.P.M.; Sørensen, P. The value of sector coupling for the development of offshore power grids. Energies 2022, 15, 747. [Google Scholar] [CrossRef]
- Karimi, M.; Mokhlis, H.; Naidu, K.; Uddin, S.; Bakar, A.A. Bakar Photovoltaic penetration issues and impact distribution network—A review. Renew. Sustain. Energy Rev. 2016, 53, 594–605. [Google Scholar] [CrossRef]
- Seguin, R.; Woyak, J.; Costyk, D.; Hambrick, J.; Mather, B. High-Penetration PV Integration Handbook for Distribution Engineers; National Renewable Energy Lab.: Golden, CO, USA, 2016; pp. 4–26.
- Rahman, S.; Aburub, H.; Moghaddami, M.; Sarwat, A.I. Reverse power flow protection in grid connected PV systems. In Proceedings of the IEEE SoutheastConb 2018, Tampa Bay Area, FL, USA, 19–22 April 2018; p. 18147426. [Google Scholar]
- Iioka, D.; Fujii, T.; Orihara, D.; Tanaka, T.; Harimoto, T.; Shimada, A.; Goto, T.; Kubuk, M. Voltage reduction due to reverse power flow in distribution feeder with photovoltaic system. Int. J. Electr. Power Energy Syst. 2019, 113, 411–418. [Google Scholar] [CrossRef]
- Iioka, D.; Fujii, T.; Tanaka, T.; Harimoto, T.; Motoyama, J. Voltage reduction in medium voltage distribution systems using constant power factor control of PV PCS. Energies 2020, 13, 5430. [Google Scholar] [CrossRef]
- Tshivhase, N.; Hasan, A.N.; Shongwe, T. Proposed fuzzy logic system for voltage regulation and power factor improvement in power systems with high infiltration of distributed generation. Energies 2020, 13, 4241. [Google Scholar]
- Walling, R.A.; Saint, R.; Dugan, R.C.; Burke, J.; Kojovic, L.A. Summary of distributed resources impact on power delivery systems. IEEE Trans. Power Deliv. 2008, 23, 1636–1644. [Google Scholar]
- Yao, H.; Qin, W.; Jing, X.; Zhu, Z.; Wang, K.; Han, X.; Wang, P. Possibilistic evaluation of photovoltaic hosting capacity on distribution networks under uncertain environment. Appl. Energy 2022, 324, 119681. [Google Scholar] [CrossRef]
- de Souza, V.M.; Vieira, J.P.A.; de Brito, H.R. Mitigating the impact of high-capacity dispatchable distributed generation on reconfigurable distribution networks with step voltage regulators: A real case study on voltage issues. Electr. Power Syst. Res. 2022, 207, 107842. [Google Scholar] [CrossRef]
- Ryu, J.C. Control Method of Step Voltage Regulator on Distribution Line with Distributed Generation. Master’s Thesis, Chungbuk National University, Cheongju, Korea, 2020. [Google Scholar]
- Lee, H.J.; Yoon, K.H.; Shin, J.W.; Kim, J.C.; Cho, S.M. Optimal parameters of volt–var function in smart inverters for improving system performance. Energies 2020, 13, 2294. [Google Scholar] [CrossRef]
- Malekpour, A.R.; Pahwa, A. A dynamic operational scheme for residential PV smart inverters. IEEE Trans. Smart Grid 2017, 8, 2258–2267. [Google Scholar] [CrossRef]
- Karunarathne, E.; Wijethunge, A.; Ekanayake, J. Enhancing PV hosting capacity using voltage control and employing dynamic line rating. Energies 2022, 15, 134. [Google Scholar] [CrossRef]
- Iioka, D.; Kusano, K.; Matsuura, T.; Hamada, H.; Miyazaki, T. Appropriate volt–Var curve settings for PV inverters based on distribution network characteristics using match rate of operating point. Energies 2022, 15, 1375. [Google Scholar] [CrossRef]
- Kang, W.; Chen, M.; Guan, Y.; Wei, B.; Juan, C.; Vasquez, Q.; Josep, M. Guerrero Event-triggered distributed voltage regulation by heterogeneous BESS in low-voltage distribution networks. Appl. Energy 2022, 312, 118597. [Google Scholar] [CrossRef]
- Rafaq, M.S.; Basit, B.A.; Mohammed, S.A.Q.; Jung, J.W. A comprehensive state-of-the-art review of power conditioning systems for energy storage systems: Topology and control applications in power systems. IET Renew. Power Gener. 2022, 16, 1971–1991. [Google Scholar] [CrossRef]
- Wasiak, I.; Szypowski, M.; Kelm, P.; Mieński, R.; Wędzik, A.; Pawełek, R.; Małaczek, M.; Urbanek, P. Innovative energy management system for low-voltage networks with distributed generation based on prosumers’ active participation. Appl. Energy 2022, 312, 118705. [Google Scholar] [CrossRef]
- Shan, Y.; Hu, J.; Guerrero, J.M. A model predictive power control method for PV and energy storage systems with voltage support capability. IEEE Trans. Smart Grid 2020, 11, 1018–1029. [Google Scholar] [CrossRef]
- Fundamentals. Enhanced Voltage Control EAVC Settings Calculation Guide (Fundamentals reference F9183); Electricity North West Ltd.: Warrington, UK, 2018; pp. 27–43. [Google Scholar]
- Micallef, A.; Spiteri Staines, C.; Cassar, A. Utility-scale storage integration in the maltese medium-voltage distribution network. Energies 2022, 15, 2724. [Google Scholar] [CrossRef]
- Nagarajan, A.; Coddington, M.H.; Brown, D.; Hassan, S.; Franciosa, L.; Sison-Lebrilla, E. Studies on the Effects of High Renewable Penetrations on Driving Point Impedance and Voltage Regulator Performance; National Renewable Energy Lab.: Golden, CO, USA, 2018; pp. 9–19.
- Katiraei, F.; Agüero, J.R. Solar PV integration challenges. IEEE Power Energy Mag. 2011, 9, 62–71. [Google Scholar] [CrossRef]
- Korea Electric Power Company (KEPCO). Regulation on the Use of Electrical Equipment for Transmission Distribution System (Appendix 4). Available online: http://cyber.kepco.co.kr/ckepco/front/jsp/CY/H/C/CYHCHP00704.jsp# (accessed on 20 July 2022).
- Lee, S.Y.; Lee, H.D.; Tae, D.H.; Rho, D.S. Evaluation algorithm for hosting capacity of PV system using LDC method of step voltage regulator in distribution systems. J. Korea Acad.-Indust. Coop. Soci. 2020, 21, 20–28. [Google Scholar]
- Li, C.; Disfani, V.R.; Haghi, H.V.; Kleissl, J. Optimal voltage regulation of unbalanced distribution networks with coordination of OLTC and PV generation. In Proceedings of the IEEE Power Energy Society General Meeting (PESGM), Atlanta, GA, USA, 4–8 August 2019; pp. 1–5. [Google Scholar]
- Khan, H.A.; Zuhaib, M.; Rihan, M. Voltage fluctuation mitigation with coordinated OLTC and energy storage control in high PV penetrating distribution network. Electr. Power Syst. Res. 2022, 208, 107924. [Google Scholar] [CrossRef]
- Choi, J.H.; Moon, S.I. The Dead Band Control of LTC Transformer at Distribution Substation. IEEE Trans. Power Syst. 2009, 24, 319–326. [Google Scholar]
- Bot, Y.; Allali, A. Using DGUPFC to control the voltage of multi-feeder smart distribution system. Int. J. Renew. Energy Res. 2017, 7, 1656–1662. [Google Scholar]
- Iria, J.; Heleno, M.; Cardoso, G. Optimal sizing and placement of energy storage systems and on-load tap changer transformers in distribution networks. Appl. Energy 2019, 250, 1147–1157. [Google Scholar] [CrossRef]
- Long, C.; Ochoa, L.F. Voltage control of PV-Rich LV networks: OLTC-Fitted transformer and capacitor banks. IEEE Trans. Power Syst. 2016, 31, 4016–4025. [Google Scholar] [CrossRef]
- Cipcigan, L.M.; Taylor, P.C. Taylor Investigation of the reverse power flow requirements of high penetrations of small-scale embedded generation. IET Renew. Power Gener. 2007, 1, 160–166. [Google Scholar] [CrossRef]
- Jeon, J.G.; Won, D.J.; Kim, T.H. Voltage control of ULTC and distributed generations in distribution system. Trans. Korean Instit. Electr. Eng. 2011, 60, 2206–2214. [Google Scholar] [CrossRef]
- Broderick, R.J.; Quiroz, J.E.; Ellis, A.; Reno, M.J.; Smith, J.; Dugan, R. Time Series Power Flow Analysis for Distribution Connected PV Generation; Sandia National Lab.: Albuquerque, NM, USA, 2013.
- Won, G.H. Effect of RNN-Based Voltage Control on Renewable Energy Penetration in Power Distribution System. Master’s Thesis, Kookmin University, Seoul, Korea, 2019. [Google Scholar]
- Hsieh, S.C.; Lee, Y.D.; Chang, Y.R. Economic evaluation of smart PV inverters with a three-operation-phase watt-var control scheme for enhancing PV penetration in distribution systems in Taiwan. Appl. Sci. 2018, 8, 995. [Google Scholar]















| Nominal Voltage [V] | Range of Normal Voltage [V] |
|---|---|
| 13,200/22,900 (1.0 [p.u.]) | 12,000–13,800/20,800–23,800 (0.909–1.039 [p.u.]) |
| Component | Information | Parameter |
|---|---|---|
| Main transformer | Rated voltage | 154/22.9 kV |
| Rated capacity | 45/60 MVA | |
| Total tap | 16 (±8) | |
| Dead band | ±1.25% | |
| Voltage change per tap | 1.25% of rated voltage | |
| Waiting time | 60 s | |
| Load | Peak load per node | Feeder 1, 2, 6 = 1.5 MW Feeder 3, 4 = 0.6 MW |
| Power factor | 0.9 (lagging) | |
| PV | Capacity | Feeder 1~5 = 14 MWp |
| Power factor | 1 | |
| Feeder | Type of line | ACSR-160 mm2 |
| Static thermal capacity | 14 MVA | |
| Length | 40 km |
| Case | Information |
|---|---|
| 1 | Existing method (LDC & neutral tap in case of reverse power flow) |
| 2 | Existing method (DVM & the reference point to feeder 5) |
| 3 | Existing method (DVM & the reference point to feeder 6) |
| 4 | Existing method (DVM & the reference point to feeder 3) |
| 5 | Existing method (DVM & the reference point to feeder 1) |
| 6 | Proposed method (the reference voltage and reference point are changed) |
| Case | Voltage Problem | |||||
|---|---|---|---|---|---|---|
| Feeder 1 | Feeder 2 | Feeder 3 | Feeder 4 | Feeder 5 | Feeder 6 | |
| 1 | - | - | - | Over-voltage | Over-voltage | Low-voltage |
| 2 | Low-voltage | Low-voltage | - | - | - | Low-voltage |
| 3 | Over-voltage | Over-voltage | Over-voltage | Over-voltage | Over-voltage | - |
| 4 | - | - | Over-voltage | Over-voltage | Over-voltage | Low-voltage |
| 5 | Low-voltage | Low-voltage | - | Over-voltage | Over-voltage | Low-voltage |
| 6 | - | - | - | - | Over-voltage | Low-voltage |
| Case | Required Smart Inverter Penetration Rate [%] | Total Smart Inverter Capacity [MWp] | Number of SVRs | |||||
|---|---|---|---|---|---|---|---|---|
| Feeder 1 | Feeder 2 | Feeder 3 | Feeder 4 | Feeder 5 | Feeder 6 | |||
| 1 | - | - | - | 23 | 99 | SVR | 17.08 | 1 |
| 2 | 40 | 23 | - | - | - | SVR | 8.82 | 1 |
| 3 | 48 | 53 | SVR | SVR | SVR | - | 14.14 | 3 |
| 4 | - | - | 78 | 69 | SVR | SVR | 20.58 | 2 |
| 5 | 23 | 40 | - | 3 | 47 | SVR | 15.82 | 1 |
| 6 | - | - | - | - | 3 | SVR | 1.26 | 1 |
Publisher’s Note: MDPI stays neutral with regard to jurisdictional claims in published maps and institutional affiliations. |
© 2022 by the authors. Licensee MDPI, Basel, Switzerland. This article is an open access article distributed under the terms and conditions of the Creative Commons Attribution (CC BY) license (https://creativecommons.org/licenses/by/4.0/).
Share and Cite
Yoon, K.-H.; Shin, J.-W.; Nam, T.-Y.; Kim, J.-C.; Moon, W.-S. Operation Method of On-Load Tap Changer on Main Transformer Considering Reverse Power Flow in Distribution System Connected with High Penetration on Photovoltaic System. Energies 2022, 15, 6473. https://doi.org/10.3390/en15176473
Yoon K-H, Shin J-W, Nam T-Y, Kim J-C, Moon W-S. Operation Method of On-Load Tap Changer on Main Transformer Considering Reverse Power Flow in Distribution System Connected with High Penetration on Photovoltaic System. Energies. 2022; 15(17):6473. https://doi.org/10.3390/en15176473
Chicago/Turabian StyleYoon, Kwang-Hoon, Joong-Woo Shin, Tea-Yang Nam, Jae-Chul Kim, and Won-Sik Moon. 2022. "Operation Method of On-Load Tap Changer on Main Transformer Considering Reverse Power Flow in Distribution System Connected with High Penetration on Photovoltaic System" Energies 15, no. 17: 6473. https://doi.org/10.3390/en15176473
APA StyleYoon, K.-H., Shin, J.-W., Nam, T.-Y., Kim, J.-C., & Moon, W.-S. (2022). Operation Method of On-Load Tap Changer on Main Transformer Considering Reverse Power Flow in Distribution System Connected with High Penetration on Photovoltaic System. Energies, 15(17), 6473. https://doi.org/10.3390/en15176473

