Next Article in Journal
Swirling Flame Combustion of Heavy Fuel Oil Blended with Diesel: Effect of Asphaltene Concentration
Previous Article in Journal
Do Factor Market Distortions and Carbon Dioxide Emissions Distort Energy Industry Chain Technical Efficiency? A Heterogeneous Stochastic Frontier Analysis
 
 
Font Type:
Arial Georgia Verdana
Font Size:
Aa Aa Aa
Line Spacing:
Column Width:
Background:
Article

The Phenomena of Bursts by Opening Low-Voltage Relay

1
Department of Electrical Engineering, Warsaw University of Technology, 00-662 Warsaw, Poland
2
Department of Electrical and Electronic Engineering, Tohoku Gakuin University, Tagajo 985-0873, Japan
*
Author to whom correspondence should be addressed.
Energies 2022, 15(17), 6155; https://doi.org/10.3390/en15176155
Submission received: 25 June 2022 / Revised: 21 August 2022 / Accepted: 22 August 2022 / Published: 24 August 2022
(This article belongs to the Section F: Electrical Engineering)

Abstract

:
The article deals with the issue of electromagnetic disturbances caused by electromechanical relays. Electromagnetic compatibility (EMC) is important for the reliable work of electrical and electronic devices. Our research focused on the low-voltage relay, which is the source of electrical fast transients (EFT)/burst disturbances. The voltage and current waveforms were tested on the constructed stand while opening the relays’ contacts. We investigated one-circuit topology with varied element parameters in order to observe their influence on the burst phenomenon. The new technologies in the measurement equipment allow us to observe many detailed aspects of the burst phenomenon, which were not reported up to now. In order to analyze the disturbances, they have been fragmented into restoration, ignition and arc times. The number of disturbance cycles differs depending on the value of the circuit capacitance on the load side. The effect of capacity on times of restoration, ignition and burning arc was also observed. The division into cycles allowed us to observe changes in the studied phenomenon along with the increased distance between the relay contacts during its opening. There were also discrepancies between the presentation of the phenomenon in the standard defining the method of measuring the resistance to interference EFT/burst and the measurement results.

1. Motivation

As civilization develops, so does its energy demand. One of the most popular uses by a human is electric energy. Thus, we have many sources of it and devices that use electricity. Many of them are also the source of electromagnetic disturbances. Electronic devices are required to test electromagnetic compatibility (EMC) to ensure reliable work and not cause interference to other equipment. One of them is electrical fast transients (EFT). The popular name of them is burst. The mechanisms of propagation of these disturbances and protection of devices against their effects are known [1].
Up to now, research works have been limited to high-voltage switches. Often, articles have described the effect of disturbance [2,3]. Our research focuses on the phenomenon of EFT/burst disorders by analyzing the low-voltage relay operation. The choice was made due to the ever-lower voltage levels, operation with increasingly higher frequencies and the decreasing physical dimensions of the devices. In the case of electrical and electronic devices, the size of electrics also decreases with decreasing physical size. Fewer works deal with the description of this phenomenon [4,5,6]. The method of measuring the resistance to EFT/burst disturbances is described in the standard [7].
The literature research completed by the authors leads to the conclusion that there is a lack of later publications on the subject. This article introduces research to increase the knowledge of EFT/burst disorders.

2. Introduction

Electromechanical switches are very popular in electrical engineering. They are used to fast change circuit behavior. During switching, a transient state occurs temporarily in the circuit [8]. The instantaneous peak voltage value may be temporarily several times greater than its nominal value [9]. Thus, malfunction issues play an important role [10]. Due to the ubiquitous undesired noise, the source of which can be relays [11], the resulting disturbances should be suppressed directly at the source [10]. Switches are frequently used to interrupt inductive loads [6]. It often accompanies its sparking. The phenomena accompanying this switching significantly reduce the service life [5]. Manufacturers and designers of relays focus on the most significant possible service life, often ignoring the issue of electromagnetic compatibility. Switching is a source of electromagnetic disturbances. The name of this type of disturbance is electrical fast transients. The popular term is burst. It is a broadband pulsed disturbance due to a concise rise time (of the order of a few nanoseconds), having big time constant depending on circuit capacitance and resistance. Its repetition rate goes up to several kHz. Immunity testing against it is mandatory in the EMC procedure. Testing and measurement techniques are described in standard [7].
This research focuses on getting to know and explaining the phenomenon of EFT/burst and its impact on the EMC of other devices in the unique stand presented in Figure 1. Subsequent analysis verified the assumptions described in the standard [7], including rise time and arc duration.

3. Literature Review

As to showering arc, much of the research refers to article [4] from the year 1969 [5,6,8]. The research used the first edition of the book published in the mid-twentieth century [12]. The literature research completed by the authors leads to the conclusion that there is a lack of later publications on the subject. Thus, the research conducted to describe the phenomenon has been undertaken for a long time. The mechanism of arc uprising depends on the separation between contacts that must be greater than or equal to the critical separation gap between contacts and the value of sustaining current.
Six electrons determine the required separation mean accessible paths [4]. The electrical discharge is a tiny explosion due to the sharp change in pressure between the relay contacts. Two electrical discharges have been defined: steady arc and showering arc [13]. The arc lasts as long as a minimum sustained voltage, and the minimum sustained current must be exited. A steady arc means one burning arc. Multiple burning arcs are called a showering arc. The steady arc is initiated by the emission of electrons induced by the field and has a much smaller amplitude and breaking voltage compared to the showering arc. It can arise at opened or closed contacts [13].
A showering arc is discharge occurring by opening the relay with inductive loads. It accompanies its large voltage transient. A correlation was noted between the shape of waveforms and the supply voltage. In contrast, between contacts, the voltage peak is limited by the breakdown voltage of glow discharge [14]. Simulating the arc discharge through the equivalent circuit has been verified. During this research, high-frequency components of voltage and current were observed. It has been found that it is possible to estimate the influence of voltage variation and arc on radio noise [15]. Regardless of the material from which they were made, a showering arc consists of disturbances causing radio frequency noise. However, the frequency characteristics and noise level of the radio frequency noise were not related to the contact materials [16]. Disturbances induced by opening contacts of relay caused a malfunction of electronic equipment. The rate of malfunction decreases when the wiring spacing is increased. The influence of the parallel capacitance on the quantity of malfunction was also checked. The number of failures was much smaller for the same distance of cables from the source of disturbances [10]. Methods of suppression of conducted and radiated types of electromagnetic interference are also effective by mitigation of the EFT. A parallel connected diode reduces the noise level due to the showering arc [17].
Despite the remarkable progress in numerical simulations, there is a big difference between an ideal and a real relay [11]. Other researchers compare differences between the calculation and measurement method of the arc discharge [15]. Numerical simulations are valuable to save time and other resources, but it is worth verifying them on a physical model.
The method of measuring the resistance to EFT/burst disturbances is described in the standard [7]. A rise time is specified in the standard. On the other hand, the arc burning time was assumed to be infinitely short. Our research aims to measure the parameters of EFT/burst disturbances and the impact of load-side parameters on disturbances. No research work has been found in this area.

4. Materials and Methods

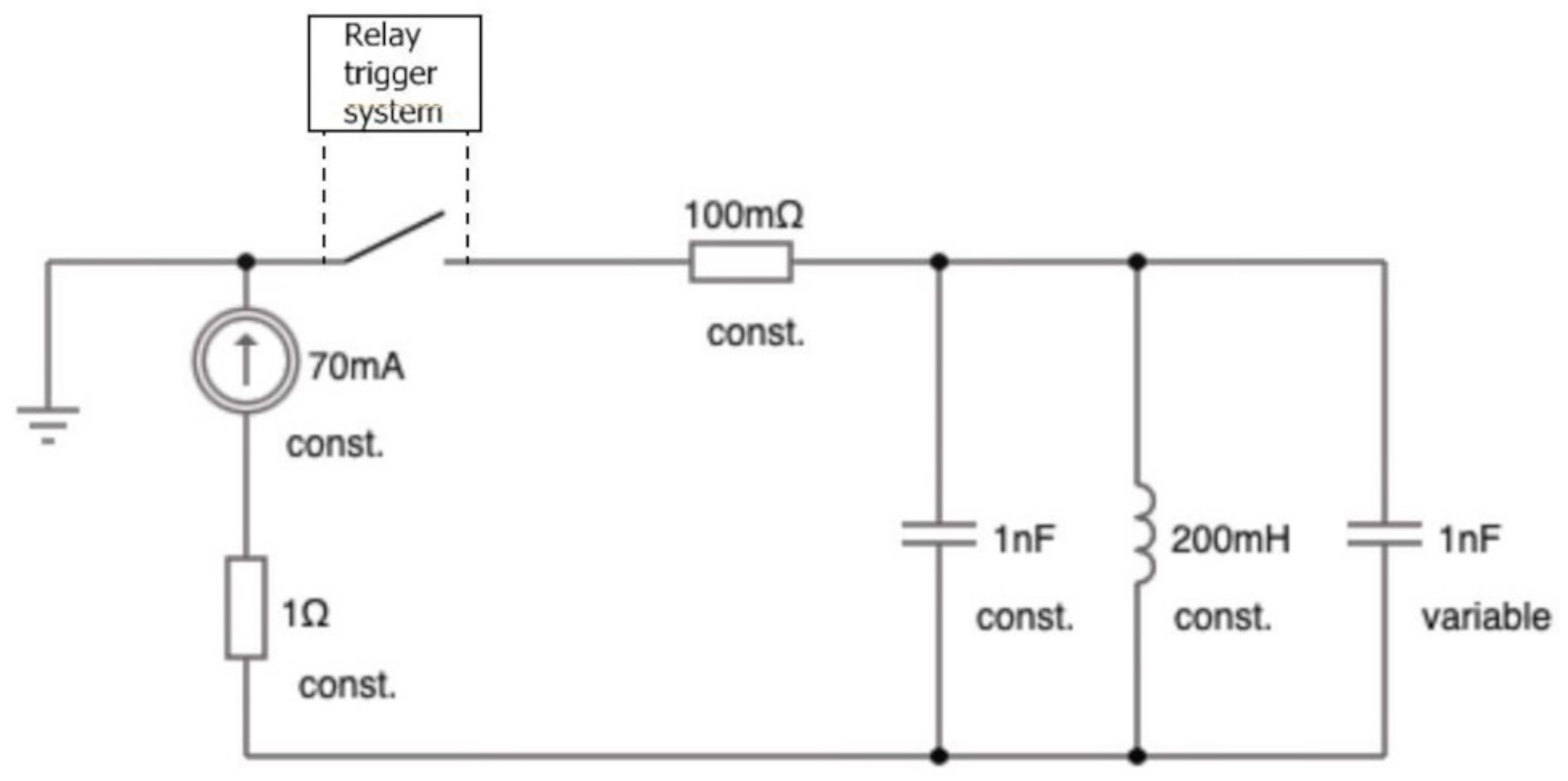
The research stand is presented in Figure 1. It is identical to the circuits presented in [5,6] in order to relate results to previous ones. It consists of a relay board with a socket; a direct current (DC) power supply Keysight EDU36311A; digital oscilloscope Keysight DSOX2002A; a voltage probe Tektronix P5100A 500 MHz, 40 MΩ, 2.5 pF, ×100; voltage probe Testec 300 MHz, 100 MΩ, 4 pF, ×100; decade capacitor; decade inductor and ferrite chokes.
The electrical circuit shown in Figure 2 describes the stand. A one-circuit topology with verified parameters has been adopted to observe their influence. The unchangeable elements of the circuit were a metallic resistor 1 Ω THT0411, a non-inductive ceramic resistor 100 mΩ (used as the shunt) and a low-inductive cell of metallised polypropylene capacitor 1 nF. Current from the power supply was 70 mA. We tested a low-voltage relay R15-3P (DC) with contact materials AgNi, a rated voltage of 12 V, the resistance of coils in 20 °C 110 Ω ± 10%, rated power consumption of 1.5 W, and response time of 18 ms.
The voltage waveform was measured with the probe P5100A, and the current waveform was measured with the second probe Testec 2.5 kV. A decade capacitor was used to change the parameters of the circuit. Chokes were aimed to eliminate electromagnetic disturbances, and they were placed on each wire.
The test consisted in observing the changes in voltage and currents by opening the relay. The voltage waveform was measured between contacts of the relay.
The current waveform was measured at the 100 mΩ shunt mounted in series with the relay. Each package of EFT/bursts was split into cycles, as shown in Figure 3. The parameters of one cycle were defined as shown in Figure 3 and Figure 4.
One cycle was composed of time to ignition t i , burning arc t a and restoration t r . For each cycle, we measured the peak-to-peak voltage V p p , peak-to-peak current I p p , time of restoration t r , time of ignition t i and time of arc t a , as shown in Figure 3 and Figure 4.
An example of ignition and the burning arc are shown in Figure 4. The time of ignition was measured between 0.1 and 0.9 of the peak value. The method of measuring t i is shown in Figure 4.
When no current flows ( 0 A ) , the current waveform determines the zero volt level for the voltage waveform.

5. Results

EFT/Burst disturbances were recorded for the circuit presented in detail in Figure 5 with periodic transients. Upon termination of EFT/burst disturbances, the circuit is theorized to go into a transient state.
Measurements allowed us to consider the number of cycles and measure their parameters. Depending on the capacitance value, a different number of cycles was observed and presented in Figure 6. X in tables means the situation in which the cycle was not present. Each subsequent cycle was characterized by increased energy accumulated between the contacts. This was due to the increasing distance between the contacts. Accordingly, the length of the burning arc also increased.
Regardless of the capacitance on the load side, the peak voltage increases with successive cycles presented in Table 1. The slope of each next cycle is due to the increasingly longer charging time before ignition of the arc.
Irrespective of the capacitance, the current value was comparable, as presented in Table 2.
As the capacitance increased, so did the restoration time presented in Table 3, time of arc ingintion in Table 4 and arc length presented in Table 5. It follows that the duration of the arc depends only on the parameters of the circuit. It was due to the possibility of accumulating more charge in the capacitor. The ignition time was proportional to the voltage between the contacts.

6. Conclusions

A method of measuring burst has been developed, dividing it into individual cycles. Then, we measured the restoration, ignition, and arc burning time. The peak value of the voltage and current flowing through the burning arc was also measured.
A decreasing number of bursts was found with increased capacitance on the load side.
An increase in the maximum voltage was observed in the subsequent EFT/burst cycles. It also caused a rise in the value of the current flowing through the burning arc. This was accompanied by an increasingly extended restoration time, ignition time and arc burning time.
The increase in the duration of subsequent cycles resulted from the increasing distance between the contacts when it is opening. This causes the length of the burning arc to extend.
The greater distance between the contacts, on the other hand, translates into a higher voltage value needed to break the dielectric.
The measured rise time is comparable with the burst rise time in the standard [7]. According to the standard [7], the duration of the arc is infinitely short.
Our measurements show that the showering arc is composed of a series of long-time steady arcs.
The measurement shows that after the arc goes out, the gas passivates through the breakdown, which lasts for a while before it is neutral. This phenomenon is not reported in [5,6] and is not taken accord in the standard [7].
The next steps that authors will undertake are numerical simulation of the burst phenomenon.

Author Contributions

Conceptualization, J.S. and K.K.; Data curation, P.Z.; Methodology, R.R. and J.S.; Resources, P.Z.; Supervision, R.R. and J.S.; Validation, R.R.; Writing—original draft, P.Z.; Writing—review & editing, K.K. All authors have read and agreed to the published version of the manuscript.

Funding

This research received no external funding.

Acknowledgments

Thanks are due to Maciej Piasek for his help constructing and improvement the research stand.

Conflicts of Interest

The authors declare no conflict of interest.

References

  1. Sroka, J. Compendium on ElecroMagnetic Compatibility; Printing House of the WUT: Hong Kong, China, 2021. [Google Scholar]
  2. Szewczyk, M.; Kuniewski, M.; Piasecki, W.; Florkowski, M.; Straumann, U. Determination of Breakdown Voltage Characteristics of 1’100 kV Disconnector for Modeling of VFTO in Gas-Insulated Switchgear. IEEE Trans. Power Deliv. 2016, 31, 2151–2158. [Google Scholar] [CrossRef]
  3. Szewczyk, M.; Kuczek, T.; Oramus, P.; Piasecki, W. Modeling of Repetitive Ignitions in Switching Devices: Case Studies on Vacuum Circuit Breaker and GIS Disconnector. In Analysis and Simulation of Electrical and Computer Systems; Lecture Notes in Electrical Engineering; Springer: Cham, Switzerland, 2014. [Google Scholar]
  4. Mills, G.W. The Mechanisms of the Showering Arc. IEEE Trans. Parts Mater. Packag. 1969, 5, 47–55. [Google Scholar] [CrossRef]
  5. Ott, H.W. Electromagnetic Compatibility Engineering; John Wiley & Sons: Hoboken, NJ, USA, 2009. [Google Scholar]
  6. Clayton, P.R. Introduction to Electromagnetic Compatibility; John Wiley & Sons: Hoboken, NJ, USA, 2006. [Google Scholar]
  7. IEC 61000-4-4:2012; Electromagnetic Compatibility (EMC)—Part 4-4: Testing and Measurement Techniques—Electrical Fast Transient/Burst Immunity Test. International Electrotechnical Commission: Geneva, Switzerland, 2012.
  8. Slade, P.G. Electrical Contacts Principles and Applications; CRC Press: Boca Raton, FL, USA, 2014. [Google Scholar]
  9. Bolkowski, S. Teoria Obwodów Elektrycznych; Wydawnictwo Naukowe PWN: Warsaw, Poland, 2022. [Google Scholar]
  10. Uchimura, K.; Michida, J.; Nozu, S.; Aida, T. Malfunction of Digital Circuits Caused by Noise Induced in Breaking Electric Contacts. Electron. Commun. Jpn. 1989, 72, 63–73. [Google Scholar] [CrossRef]
  11. Howell, E.K. How Switches Produce Electrical Noise. IEEE Trans. Electromagn. Compat. 1979, 3, 162–170. [Google Scholar] [CrossRef]
  12. Holm, R. Electric Contacts Theory and Application; Springer: Berlin/Heidelberg, Germany, 1981. [Google Scholar]
  13. Uchimura, K. Electromagnetic Interference from Discharge Phenomena of Electric Contacts. IEEE Trans. Electromagn. Compat. 1990, 32, 81–86. [Google Scholar] [CrossRef]
  14. Mutoh, A.; Nitta, S.; Suganuma, H.; Miyajima, K. The relationship between the showering noise waveforms and the supplied voltage to contact. In Proceedings of the International Symposium on Electromagnetic Compatibility, Atlanta, GA, USA, 14–18 August 1995. [Google Scholar]
  15. Kubono, T.; Suzuki, H. A Method of Making an Equivalent Circuit for Breaking Arc. Electron. Commun. Jpn. 1995, 78, 106–114. [Google Scholar] [CrossRef]
  16. Uchimura, K.; Aida, T.; Takagi, S.; Aida, T. Showering Arcs in Breaking Au, Ag, Pd, and W Contacts and Radio Noise Caused by These Arcs. In Proceedings of the International Symposium on Electromagnetic Compatibility, Wroclaw, Poland, 26–28 June 1984. [Google Scholar]
  17. Matejic, M.D. Evaluation of Relay Suppression Circuits for Reducing EMI. IEEE Trans. Electromagn. Compat. 1978, 1, 207–210. [Google Scholar] [CrossRef]
Figure 1. Research stand.
Figure 1. Research stand.
Energies 15 06155 g001
Figure 2. Electrical circuit of the stand.
Figure 2. Electrical circuit of the stand.
Energies 15 06155 g002
Figure 3. An example of one cycle of the EFT/burst (parameters: 100 V/div, 200 A/div, 1 us/div).
Figure 3. An example of one cycle of the EFT/burst (parameters: 100 V/div, 200 A/div, 1 us/div).
Energies 15 06155 g003
Figure 4. Measured method of ignition the arc (parameters: 50 V/div, 100 A/div, 50 ns/div).
Figure 4. Measured method of ignition the arc (parameters: 50 V/div, 100 A/div, 50 ns/div).
Energies 15 06155 g004
Figure 5. Waveform in details. (a) Waveforms of periodic case (parameters: 100 V/div, 200 A/div, 50 us/div). (b) Waveforms of disturbances (parameters: 100 V/div, 200 A/div, 20 us/div). (c) One cycle of the disturbance (parameters: 100 V/div, 200 A/div, 5 us/div). (d) Discharge one cycle of the disturbance (parameters: 100 V/div, 200 A/div, 200 ns/div).
Figure 5. Waveform in details. (a) Waveforms of periodic case (parameters: 100 V/div, 200 A/div, 50 us/div). (b) Waveforms of disturbances (parameters: 100 V/div, 200 A/div, 20 us/div). (c) One cycle of the disturbance (parameters: 100 V/div, 200 A/div, 5 us/div). (d) Discharge one cycle of the disturbance (parameters: 100 V/div, 200 A/div, 200 ns/div).
Energies 15 06155 g005
Figure 6. Waveforms of voltage and current for different capacitance. (a) Voltage 1 nF (parameters: 100 V/div, 50 us/div). (b) Current 1 nF (parameters: 200 A/div, 50 us/div). (c) Voltage 2 nF (parameters: 100 V/div, 50 us/div). (d) Current 2 nF (parameters: 200 A/div, 50 us/div). (e) Voltage 5 nF (parameters: 100 V/div, 50 us/div). (f) Current 5 nF (parameters: 200 A/div, 50 us/div).
Figure 6. Waveforms of voltage and current for different capacitance. (a) Voltage 1 nF (parameters: 100 V/div, 50 us/div). (b) Current 1 nF (parameters: 200 A/div, 50 us/div). (c) Voltage 2 nF (parameters: 100 V/div, 50 us/div). (d) Current 2 nF (parameters: 200 A/div, 50 us/div). (e) Voltage 5 nF (parameters: 100 V/div, 50 us/div). (f) Current 5 nF (parameters: 200 A/div, 50 us/div).
Energies 15 06155 g006
Table 1. Peak-to-peak voltage.
Table 1. Peak-to-peak voltage.
Capacitance1st Cycle2nd Cycle3nd Cycle4th Cycle5th Cycle6th Cycle7th Cycle8th Cycle
1 nF75 V275 V250 V430 V515 V523 V525 V430 V
2 nF155 V420 V506 V505 V650 V476 VXX
5 nF155 V162 V282 V167 VXXXX
10 nF176 V387 VXXXXXX
Table 2. Peak-to-peak current.
Table 2. Peak-to-peak current.
Capacitance1st Cycle2nd Cycle3nd Cycle4th Cycle5th Cycle6th Cycle7th Cycle8th Cycle
1 nF100 A500 A375 A650 A650 A675 A660 A665 A
2 nF315 A650 A644 A706 A587 A662 AXX
5 nF300 A312 A537 A350 AXXXX
10 nF294 A625 AXXXXXX
Table 3. Time of restoration.
Table 3. Time of restoration.
Capacitance1st Cycle2nd Cycle3nd Cycle4th Cycle5th Cycle6th Cycle7th Cycle8th Cycle
1 nF1.03 us4.45 us2.00 us7.40 us9.00 us10.00 us10.50 us12.00 us
2 nF4.64 us13.21 us7.76 us20.00 us13.27 us28.70 usXX
5 nF11.29 us12.84 us20.00 us20.00 usXXXX
10 nF26.67 us80.50 usXXXXXX
Table 4. Time of ignition.
Table 4. Time of ignition.
Capacitance1st Cycle2nd Cycle3nd Cycle4th Cycle5th Cycle6th Cycle7th Cycle8th Cycle
1 nF5 ns12 ns16 ns8 ns14 ns20 ns34 ns46 ns
2 nF8 ns16 ns20 ns20 ns30 ns20 nsXX
5 nF30 ns20 ns20 ns20 nsXXXX
10nF30 ns28 nsXXXXXX
Table 5. Time of arc.
Table 5. Time of arc.
Capacitance1st Cycle2nd Cycle3nd Cycle4th Cycle5th Cycle6th Cycle7th Cycle8th Cycle
1 nF289 ns400 ns244 ns270 ns246 ns250 ns260 ns264 ns
2 nF400 ns1120 ns500 ns954 ns600 ns870 nsXX
5 nF540 ns1160 ns1600 ns654 nsXXXX
10 nF940 ns1790 nsXXXXXX
Publisher’s Note: MDPI stays neutral with regard to jurisdictional claims in published maps and institutional affiliations.

Share and Cite

MDPI and ACS Style

Zych, P.; Roszczyk, R.; Sroka, J.; Kawamata, K. The Phenomena of Bursts by Opening Low-Voltage Relay. Energies 2022, 15, 6155. https://doi.org/10.3390/en15176155

AMA Style

Zych P, Roszczyk R, Sroka J, Kawamata K. The Phenomena of Bursts by Opening Low-Voltage Relay. Energies. 2022; 15(17):6155. https://doi.org/10.3390/en15176155

Chicago/Turabian Style

Zych, Piotr, Radosław Roszczyk, Jan Sroka, and Ken Kawamata. 2022. "The Phenomena of Bursts by Opening Low-Voltage Relay" Energies 15, no. 17: 6155. https://doi.org/10.3390/en15176155

APA Style

Zych, P., Roszczyk, R., Sroka, J., & Kawamata, K. (2022). The Phenomena of Bursts by Opening Low-Voltage Relay. Energies, 15(17), 6155. https://doi.org/10.3390/en15176155

Note that from the first issue of 2016, this journal uses article numbers instead of page numbers. See further details here.

Article Metrics

Back to TopTop