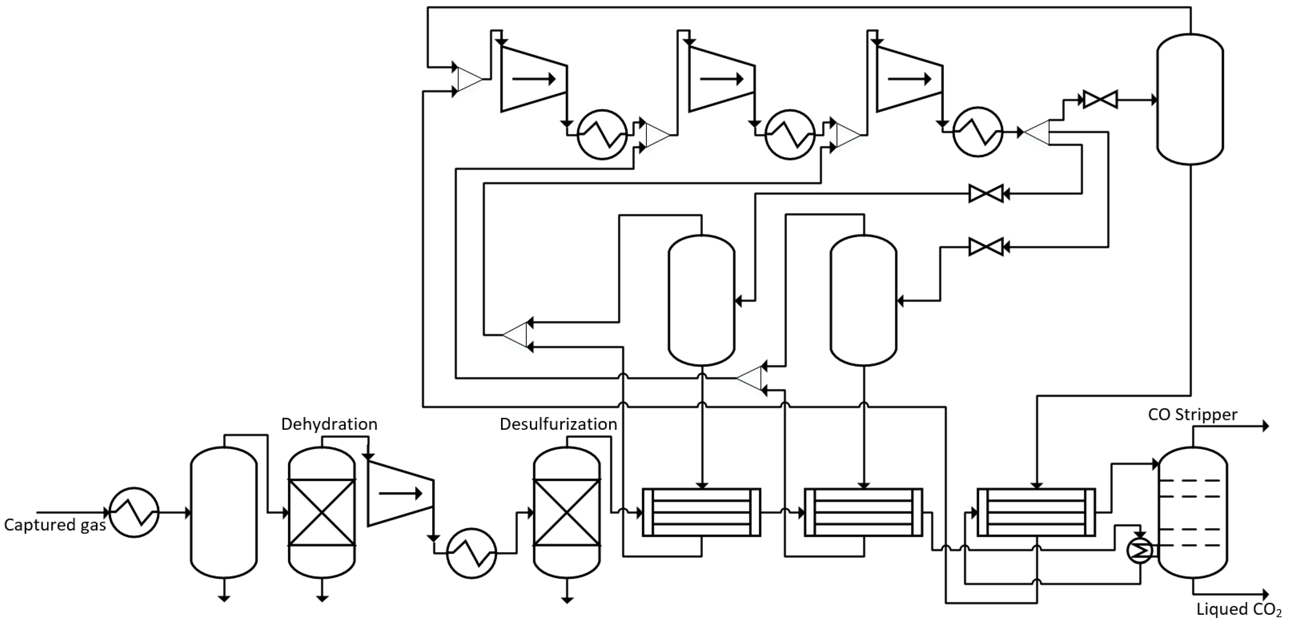
Design and Analysis of Novel CO2 Conditioning Process in Ship-Based CCS
Abstract
Share and Cite
Gong, W.; Remiezowicz, E.; Fosbøl, P.L.; von Solms, N. Design and Analysis of Novel CO2 Conditioning Process in Ship-Based CCS. Energies 2022, 15, 5928. https://doi.org/10.3390/en15165928
Gong W, Remiezowicz E, Fosbøl PL, von Solms N. Design and Analysis of Novel CO2 Conditioning Process in Ship-Based CCS. Energies. 2022; 15(16):5928. https://doi.org/10.3390/en15165928
Chicago/Turabian StyleGong, Wentao, Eryk Remiezowicz, Philip Loldrup Fosbøl, and Nicolas von Solms. 2022. "Design and Analysis of Novel CO2 Conditioning Process in Ship-Based CCS" Energies 15, no. 16: 5928. https://doi.org/10.3390/en15165928
APA StyleGong, W., Remiezowicz, E., Fosbøl, P. L., & von Solms, N. (2022). Design and Analysis of Novel CO2 Conditioning Process in Ship-Based CCS. Energies, 15(16), 5928. https://doi.org/10.3390/en15165928

