Review of Solid-State Transformer Applications on Electric Vehicle DC Ultra-Fast Charging Station
Abstract
:1. Introduction
1.1. State of the Art
1.2. Objectives of the Paper
1.3. Organization of the Paper
2. Battery Charging Definition and Barriers
3. DC Ultra-Fast Charging Station
3.1. Power Stage 1
3.2. Power Stage 2
3.3. Power Stage 3
3.4. DC Ultra-Fast Charging Station Challenges and Research Gaps
4. SST
4.1. SSTs Classification
4.2. SST Power Devices
4.2.1. High-Voltage Side Switches
4.2.2. High-Frequency Transformer
4.2.3. Low-Voltage Side Switches
4.3. SST Applications
4.4. SST Transient Performance
4.5. SST Challenges and Research Gaps
5. DC Ultra-Fast Charging Station with SST
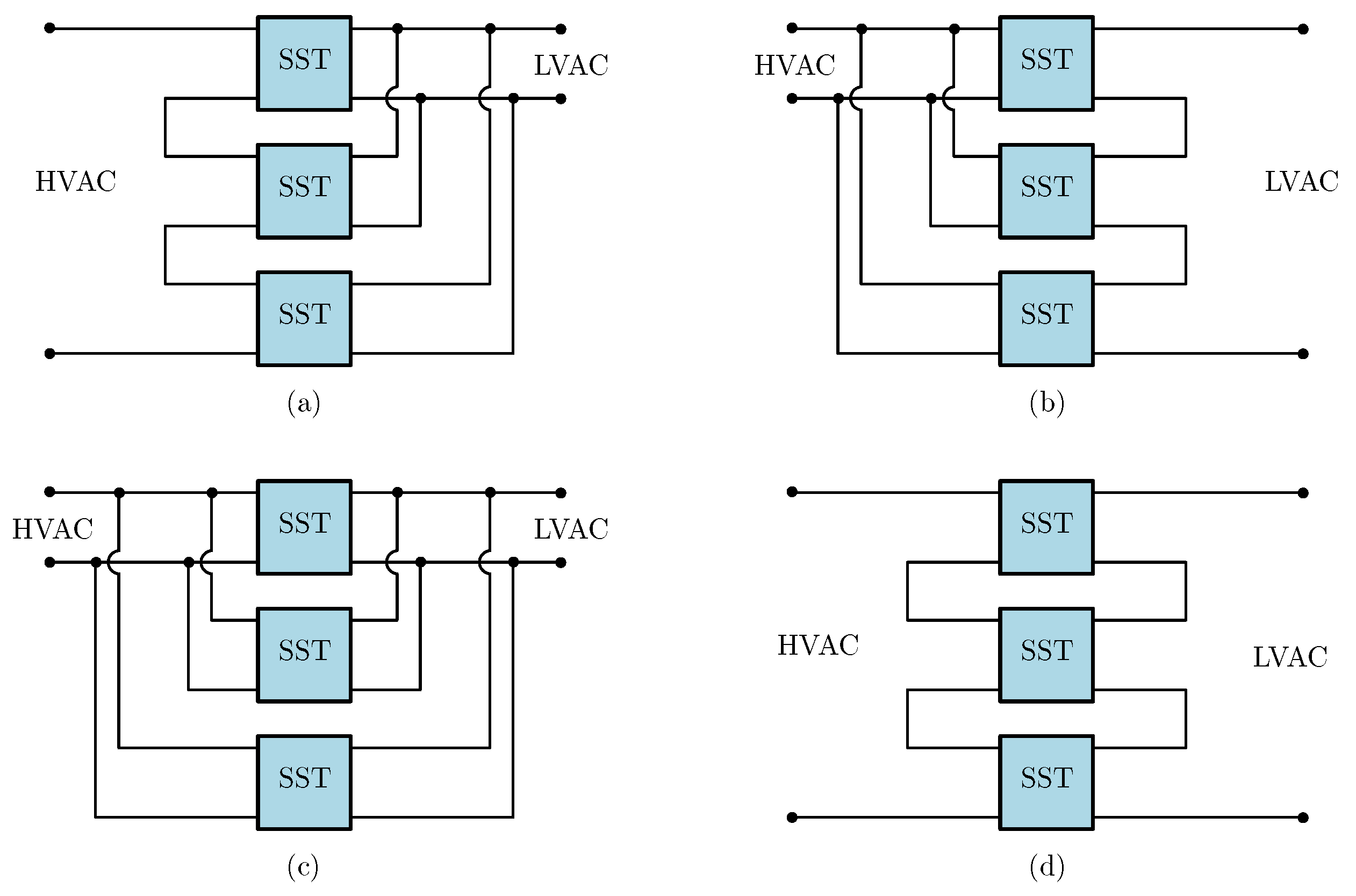
5.1. Topology Configuration
5.2. Transient Performance
5.3. Energy Management and Optimal Sizing
5.4. Power Imbalance Problems
5.5. Control Methods
5.5.1. AC–DC Power Converter Control Approaches
5.5.2. DC–DC Power Converter Control Approaches
5.5.3. Analysis of Existing Control Approaches
5.6. DC SST-Based Ultra-Fast Charging Station Social Repercussions
5.7. DC SST-Based Ultra-Fast Charging Station Challenges and Research Gaps
6. Conclusions
Author Contributions
Funding
Institutional Review Board Statement
Informed Consent Statement
Data Availability Statement
Conflicts of Interest
Abbreviations
| AFE | Active Front End |
| BMS | Battery Management System |
| CC | Constant-Current |
| CCCV | Constant-Current Constant-Voltage |
| CHB | Cascaded H-Bridge |
| DAB | Dual Active Bridge |
| DAB-ANPC | Dual Active Bridge-based Active Neutral Point Clamped |
| DHB | Dual Half Bridge |
| DPC | Direct Power Control |
| DPS | Dual-Phase-Shift |
| EMI | Electromagnetic Interference |
| EPS | Extended-Phase-Shift |
| EV | Electrical Vehicle |
| FB | Full Bridge |
| FC | Flying Capacitor |
| FFV | Fossil Fuel Vehicles |
| FLC | Fuzzy Logic Controller |
| FREEDM | Future Renewable Electric Energy and Management |
| GaN | Gallium Nitride |
| HB | Half Bridge |
| HFT | High Frequency Transformer |
| HT | Hybrid Transformer |
| HVDC | High-Voltage DC |
| IEMS | Intelligent Energy Management System |
| ISOP | Input Series Output Parallel |
| IPOS | Input Parallel Output Series |
| IPOP | Input Parallel Output Parallel |
| IPT | Inductive Power Transfer |
| ISOS | Input Series Output Series |
| LFT | Low Frequency Transformer |
| Li-ion | Lithium-ion |
| LLC-SRC | LLC Series Resonant Converter |
| LVDC | Low-Voltage DC |
| MCB | Multi-Cell Boost |
| MG | Microgrid |
| MMC | Modular Multilevel Converter |
| MPC | model predictive controller |
| MV | Medium Voltage |
| NaNiCl | Sodium Nickel Chloride |
| NiCd | Nickel-Cadmium |
| NiMH | Nickel-Metal-Hybrid |
| NPC | Neutral Point Clamped |
| OBC | On-board Charger |
| P2D | Pseudo-two-Dimensional |
| PFC | Power Factor Correction |
| PI | Proportional Integral |
| PID | Proportional Integral Derivative |
| PLL | Phase Lock Loop |
| PR | Proportional Resonant |
| PSFB | Phase-Shifted Full-Bridge |
| PWM | Pulse Width Modulated |
| QAB | Quad Active Bridge |
| SiC | Silicon Carbide |
| SMC | Sliding-Mode Controller |
| SOC | State of Charge |
| SOH | State of Health |
| SPM | Single Particle Model |
| SPSP | Single-Phase Single-Port |
| SPMP | Single-Phase Multi-Port |
| SPS | Single-Phase-Shift |
| SST | Solid-State Transformer |
| THD | Total Harmonic Distortion |
| TLB | Three-Level Boost |
| TLT | Three-Level T-type |
| TPSP-SPC | Three-Phase Single-Port with Single-Phase Converters |
| TPMP-SPC | Three-Phase Multi-Port with Single-Phase Converters |
| TPSP-TPC | Three-Phase Single-Port with Three-Phase Converter |
| TPMP-TPC | Three-Phase Multi-Port with Three-Phase Converter |
| TPS | Triple-Phase-Shift |
| V2G | Vehicle-to-Grid |
| V2H | Vehicle-to-Home |
| V2V | Vehicle-to-Vehicle |
| VF | Virtual Flux |
| VOC | Voltage Oriented Control |
| VR | Vienna Rectifier |
| ZVS | Zero Voltage Switching |
| ZCS | Zero Current Switching |
References
- Sanguesa, J.A.; Torres-Sanz, V.; Garrido, P.; Martinez, F.J.; Marquez-Barja, J.M. A Review on Electric Vehicles: Technologies and Challenges. Smart Cities 2021, 4, 372–404. [Google Scholar] [CrossRef]
- Deb, N.; Singh, R.; Brooks, R.R.; Bai, K. A Review of Extremely Fast Charging Stations for Electric Vehicles. Energies 2021, 14, 7566. [Google Scholar] [CrossRef]
- Zheng, L.; Marellapudi, A.; Chowdhury, V.R.; Bilakanti, N.; Kandula, R.P.; Saeedifard, M.; Grijalva, S.; Divan, D. Solid-State Transformer and Hybrid Transformer with Integrated Energy Storage in Active Distribution Grids: Technical and Economic Comparison, Dispatch, and Control. IEEE J. Emerg. Sel. Top. Power Electron. 2022, 1. [Google Scholar] [CrossRef]
- Wang, Y.; Yang, G.; Dong, Y.; Cheng, Y.; Shang, P. The Scale, Structure and Influencing Factors of Total Carbon Emissions from Households in 30 Provinces of China—Based on the Extended STIRPAT Model. Energies 2018, 11, 1125. [Google Scholar] [CrossRef] [Green Version]
- Suthaputchakun, C.; Sun, Z.; Dianati, M. Applications of vehicular communications for reducing fuel consumption and CO2 emission: The state of the art and research challenges. IEEE Commun. Mag. 2012, 50, 108–115. [Google Scholar] [CrossRef] [Green Version]
- Chan, C.C. The State of the Art of Electric, Hybrid, and Fuel Cell Vehicles. Proc. IEEE 2007, 95, 704–718. [Google Scholar] [CrossRef]
- Srdic, S.; Lukic, S. Toward Extreme Fast Charging: Challenges and Opportunities in Directly Connecting to Medium-Voltage Line. IEEE Electrif. Mag. 2019, 7, 22–31. [Google Scholar] [CrossRef]
- Collin, R.; Miao, Y.; Yokochi, A.; Enjeti, P.; von Jouanne, A. Advanced Electric Vehicle Fast-Charging Technologies. Energies 2019, 12, 1839. [Google Scholar] [CrossRef] [Green Version]
- Feng, J.; Chu, W.Q.; Zhang, Z.; Zhu, Z.Q. Power Electronic Transformer-Based Railway Traction Systems: Challenges and Opportunities. IEEE J. Emerg. Sel. Top. Power Electron. 2017, 5, 1237–1253. [Google Scholar] [CrossRef]
- Ronanki, D.; Williamson, S.S. Modular Multilevel Converters for Transportation Electrification: Challenges and Opportunities. IEEE Trans. Transp. Electrif. 2018, 4, 399–407. [Google Scholar] [CrossRef]
- Khaligh, A.; D’Antonio, M. Global Trends in High-Power On-Board Chargers for Electric Vehicles. IEEE Trans. Veh. Technol. 2019, 68, 3306–3324. [Google Scholar] [CrossRef]
- Keyser, M.; Pesaran, A.; Li, Q.; Santhanagopalan, S.; Smith, K.; Wood, E.; Ahmed, S.; Bloom, I.; Dufek, E.; Shirk, M.; et al. Enabling fast charging–Battery thermal considerations. J. Power Sour. 2017, 367, 228–236. [Google Scholar] [CrossRef]
- Waldmann, T.; Hogg, B.I.; Wohlfahrt-Mehrens, M. Li plating as unwanted side reaction in commercial Li-ion cells—A review. J. Power Sour. 2018, 384, 107–124. [Google Scholar] [CrossRef]
- Ding, X.; Zhang, W.; Wei, S.; Wang, Z. Optimization of an Energy Storage System for Electric Bus Fast-Charging Station. Energies 2021, 14, 4143. [Google Scholar] [CrossRef]
- Meintz, A.; Zhang, J.; Vijayagopal, R.; Kreutzer, C.; Ahmed, S.; Bloom, I.; Burnham, A.; Carlson, R.B.; Dias, F.; Dufek, E.J.; et al. Enabling fast charging—Vehicle considerations. J. Power Sources 2017, 367, 216–227. [Google Scholar] [CrossRef]
- Divan, D.; Sastry, J. Controllable Network Transformers. In Proceedings of the 2008 IEEE Power Electronics Specialists Conference, Rhodes, Greece, 15–19 June 2008; pp. 2340–2345. [Google Scholar] [CrossRef]
- Kang, M.; Enjeti, P.; Pitel, I. Analysis and design of electronic transformers for electric power distribution system. IEEE Trans. Power Electron. 1999, 14, 1133–1141. [Google Scholar] [CrossRef]
- Huang, A.Q. Medium-Voltage Solid-State Transformer: Technology for a Smarter and Resilient Grid. IEEE Ind. Electron. Mag. 2016, 10, 29–42. [Google Scholar] [CrossRef]
- Das, D.; Divan, D.M.; Harley, R.G. Power flow control in networks using controllable network transformers. IEEE Trans. Power Electron. 2010, 25, 1753–1760. [Google Scholar] [CrossRef]
- Shamshuddin, M.A.; Rojas, F.; Cardenas, R.; Pereda, J.; Diaz, M.; Kennel, R. Solid State Transformers: Concepts, Classification, and Control. Energies 2020, 13, 2319. [Google Scholar] [CrossRef]
- Langpoklakpam, C.; Liu, A.C.; Chu, K.H.; Hsu, L.H.; Lee, W.C.; Chen, S.C.; Sun, C.W.; Shih, M.H.; Lee, K.Y.; Kuo, H.C. Review of Silicon Carbide Processing for Power MOSFET. Crystals 2022, 12, 245. [Google Scholar] [CrossRef]
- IEEE Std 1881-2016; IEEE Standard Glossary of Stationary Battery Terminology. ISO: Geneva, Italy, 2016; pp. 1–42. [CrossRef]
- Li, M.; Feng, M.; Luo, D.; Chen, Z. Fast Charging Li-Ion Batteries for a New Era of Electric Vehicles. Cell Rep. Phys. Sci. 2020, 1, 100212. [Google Scholar] [CrossRef]
- Chandrasekaran, R. Quantification of bottlenecks to fast charging of lithium-ion-insertion cells for electric vehicles. J. Power Sour. 2014, 271, 622–632. [Google Scholar] [CrossRef]
- Parvini, Y.; Vahidi, A.; Fayazi, S.A. Heuristic Versus Optimal Charging of Supercapacitors, Lithium-Ion, and Lead-Acid Batteries: An Efficiency Point of View. IEEE Trans. Control. Syst. Technol. 2018, 26, 167–180. [Google Scholar] [CrossRef]
- Hannan, M.; Lipu, M.; Hussain, A.; Mohamed, A. A review of lithium-ion battery state of charge estimation and management system in electric vehicle applications: Challenges and recommendations. Renew. Sustain. Energy Rev. 2017, 78, 834–854. [Google Scholar] [CrossRef]
- Wang, Z.; Feng, G.; Zhen, D.; Gu, F.; Ball, A. A review on online state of charge and state of health estimation for lithium-ion batteries in electric vehicles. Energy Rep. 2021, 7, 5141–5161. [Google Scholar] [CrossRef]
- Gao, Y.; Zhang, X.; Cheng, Q.; Guo, B.; Yang, J. Classification and Review of the Charging Strategies for Commercial Lithium-Ion Batteries. IEEE Access 2019, 7, 43511–43524. [Google Scholar] [CrossRef]
- Arabsalmanabadi, B.; Tashakor, N.; Javadi, A.; Al-Haddad, K. Charging Techniques in Lithium-Ion Battery Charger: Review and New Solution. In Proceedings of the IECON 2018—44th Annual Conference of the IEEE Industrial Electronics Society, Washington, DC, USA, 21–23 October 2018; pp. 5731–5738. [Google Scholar] [CrossRef]
- Al-Haj Hussein, A.; Batarseh, I. A Review of Charging Algorithms for Nickel and Lithium Battery Chargers. IEEE Trans. Veh. Technol. 2011, 60, 830–838. [Google Scholar] [CrossRef]
- Qu, X.; Han, H.; Wong, S.C.; Tse, C.K.; Chen, W. Hybrid IPT Topologies With Constant Current or Constant Voltage Output for Battery Charging Applications. IEEE Trans. Power Electron. 2015, 30, 6329–6337. [Google Scholar] [CrossRef]
- Vu, V.B.; Tran, D.H.; Choi, W. Implementation of the Constant Current and Constant Voltage Charge of Inductive Power Transfer Systems With the Double-Sided LCC Compensation Topology for Electric Vehicle Battery Charge Applications. IEEE Trans. Power Electron. 2018, 33, 7398–7410. [Google Scholar] [CrossRef] [Green Version]
- Amanor-Boadu, J.M.; Guiseppi-Elie, A.; Sánchez-Sinencio, E. The Impact of Pulse Charging Parameters on the Life Cycle of Lithium-Ion Polymer Batteries. Energies 2018, 11, 2162. [Google Scholar] [CrossRef] [Green Version]
- Etezadi-Amoli, M.; Choma, K.; Stefani, J. Rapid-Charge Electric-Vehicle Stations. IEEE Trans. Power Deliv. 2010, 25, 1883–1887. [Google Scholar] [CrossRef]
- Jokar, A.; Rajabloo, B.; Désilets, M.; Lacroix, M. Review of simplified Pseudo-two-Dimensional models of lithium-ion batteries. J. Power Sources 2016, 327, 44–55. [Google Scholar] [CrossRef]
- Lam, L.; Bauer, P.; Kelder, E. A practical circuit-based model for Li-ion battery cells in electric vehicle applications. In Proceedings of the 2011 IEEE 33rd International Telecommunications Energy Conference (INTELEC), Amsterdam, The Netherlands, 9–11 October 2011; pp. 1–9. [Google Scholar] [CrossRef]
- Kang, L.; Zhao, X.; Ma, J. A new neural network model for the state-of-charge estimation in the battery degradation process. Appl. Energy 2014, 121, 20–27. [Google Scholar] [CrossRef]
- Geng, Z.; Wang, S.; Lacey, M.J.; Brandell, D.; Thiringer, T. Bridging physics-based and equivalent circuit models for lithium-ion batteries. Electrochim. Acta 2021, 372, 137829. [Google Scholar] [CrossRef]
- Doyle, M.; Fuller, T.F.; Newman, J. Modeling of Galvanostatic Charge and Discharge of the Lithium/Polymer/Insertion Cell. J. Electrochem. Soc. 1993, 140, 1526–1533. [Google Scholar] [CrossRef]
- Li, J.; Adewuyi, K.; Lotfi, N.; Landers, R.; Park, J. A single particle model with chemical/mechanical degradation physics for lithium ion battery State of Health (SOH) estimation. Appl. Energy 2018, 212, 1178–1190. [Google Scholar] [CrossRef]
- Xiong, R.; Cao, J.; Yu, Q.; He, H.; Sun, F. Critical Review on the Battery State of Charge Estimation Methods for Electric Vehicles. IEEE Access 2018, 6, 1832–1843. [Google Scholar] [CrossRef]
- Sangwan, V.; Sharma, A.; Kumar, R.; Rathore, A.K. Equivalent circuit model parameters estimation of Li-ion battery: C-rate, SOC and temperature effects. In Proceedings of the 2016 IEEE International Conference on Power Electronics, Drives and Energy Systems (PEDES), Trivandrum, India, 14–17 December 2016; pp. 1–6. [Google Scholar] [CrossRef]
- Husain, I. Electric and Hybrid Vehicles: Design Fundamentals, 2nd ed.; CRC Press: Boca Raton, FL, USA, 2011. [Google Scholar]
- Gabbar, H.A.; Othman, A.M.; Abdussami, M.R. Review of Battery Management Systems (BMS) Development and Industrial Standards. Technologies 2021, 9, 28. [Google Scholar] [CrossRef]
- Nassary, M.; Orabi, M.; Ghoneima, M.; El-Nemr, M.K. Single-Phase Isolated Bidirectional AC-DC Battery Charger for Electric Vehicle–Review. In Proceedings of the 2019 International Conference on Innovative Trends in Computer Engineering (ITCE), Aswan, Egypt, 8–9 February 2019; pp. 581–586. [Google Scholar] [CrossRef]
- Lunz, B.; Sauer, D. 17-Electric road vehicle battery charging systems and infrastructure. In Advances in Battery Technologies for Electric Vehicles; Series in Energy; Scrosati, B., Garche, J., Tillmetz, W., Eds.; Woodhead Publishing: Sawston, UK, 2015; pp. 445–467. [Google Scholar] [CrossRef]
- IEC. Plugs, Socket-Outlets, Vehicle Connectors and Vehicle Inlets-Conductive Charging of Electric Vehicles; International Electrotechnical Commission: Geneva, Italy, 2014. [Google Scholar]
- IEC. Plugs, Socket-Outlets, Vehicle Connectors and Vehicle Inlets-Conductive Charging of Electric Vehicles; International Electrotechnical Commission: Geneva, Italy, 2016. [Google Scholar]
- IEC. Plugs, Socket-Outlets, Vehicle Connectors and Vehicle Inlets-Conductive Charging of Electric Vehicles. Part 1: General Requirements; International Electrotechnical Commission: Geneva, Italy, 2022. [Google Scholar]
- Nassary, M.; Orabi, M.; Ghoneima, M. Discussion of Single-Stage Isolated Unidirectional AC-DC On-Board Battery Charger for Electric Vehicle. In Proceedings of the 2018 IEEE 4th Southern Power Electronics Conference (SPEC), Singapore, 10–13 December 2018; pp. 1–7. [Google Scholar] [CrossRef]
- Rivera, S.; Kouro, S.; Vazquez, S.; Goetz, S.M.; Lizana, R.; Romero-Cadaval, E. Electric Vehicle Charging Infrastructure: From Grid to Battery. IEEE Ind. Electron. Mag. 2021, 15, 37–51. [Google Scholar] [CrossRef]
- Singh, B.; Singh, B.; Chandra, A.; Al-Haddad, K.; Pandey, A.; Kothari, D. A review of three-phase improved power quality AC-DC converters. IEEE Trans. Ind. Electron. 2004, 51, 641–660. [Google Scholar] [CrossRef]
- Musavi, F.; Edington, M.; Eberle, W.; Dunford, W.G. Evaluation and Efficiency Comparison of Front End AC-DC Plug-in Hybrid Charger Topologies. IEEE Trans. Smart Grid 2012, 3, 413–421. [Google Scholar] [CrossRef]
- Musavi, F.; Eberle, W.; Dunford, W.G. A High-Performance Single-Phase Bridgeless Interleaved PFC Converter for Plug-in Hybrid Electric Vehicle Battery Chargers. IEEE Trans. Ind. Appl. 2011, 47, 1833–1843. [Google Scholar] [CrossRef]
- Yilmaz, M.; Krein, P.T. Review of Battery Charger Topologies, Charging Power Levels, and Infrastructure for Plug-In Electric and Hybrid Vehicles. IEEE Trans. Power Electron. 2013, 28, 2151–2169. [Google Scholar] [CrossRef]
- Hannan, M.A.; Hoque, M.M.; Hussain, A.; Yusof, Y.; Ker, P.J. State-of-the-Art and Energy Management System of Lithium-Ion Batteries in Electric Vehicle Applications: Issues and Recommendations. IEEE Access 2018, 6, 19362–19378. [Google Scholar] [CrossRef]
- Manzetti, S.; Mariasiu, F. Electric vehicle battery technologies: From present state to future systems. Renew. Sustain. Energy Rev. 2015, 51, 1004–1012. [Google Scholar] [CrossRef]
- Mahmoudzadeh Andwari, A.; Pesiridis, A.; Rajoo, S.; Martinez-Botas, R.; Esfahanian, V. A review of Battery Electric Vehicle technology and readiness levels. Renew. Sustain. Energy Rev. 2017, 78, 414–430. [Google Scholar] [CrossRef]
- Vehicle Manufacturer, Tesla, Inc. Available online: https://www.tesla.com/ (accessed on 22 February 2022).
- Vehicle Manufacturer, Volkswagen Group. Available online: https://www.volkswagen.es/es.html (accessed on 22 February 2022).
- Vehicle Manufacturer, Groupe Renault. Available online: https://www.renault.es/ (accessed on 22 February 2022).
- Weiss, M.; Ruess, R.; Kasnatscheew, J.; Levartovsky, Y.; Levy, N.R.; Minnmann, P.; Stolz, L.; Waldmann, T.; Wohlfahrt-Mehrens, M.; Aurbach, D.; et al. Fast Charging of Lithium-Ion Batteries: A Review of Materials Aspects. Adv. Energy Mater. 2021, 11, 2101126. [Google Scholar] [CrossRef]
- Aggeler, D.; Canales, F.; Zelaya-De La Parra, H.; Coccia, A.; Butcher, N.; Apeldoorn, O. Ultra-fast DC-charge infrastructures for EV-mobility and future smart grids. In Proceedings of the 2010 IEEE PES Innovative Smart Grid Technologies Conference Europe (ISGT Europe), Gothenburg, Sweden, 11–13 October 2010; pp. 1–8. [Google Scholar] [CrossRef]
- Vadi, S.; Bayindir, R.; Colak, A.M.; Hossain, E. A Review on Communication Standards and Charging Topologies of V2G and V2H Operation Strategies. Energies 2019, 12, 3748. [Google Scholar] [CrossRef] [Green Version]
- Sharma, A.; Sharma, S. Review of power electronics in vehicle-to-grid systems. J. Energy Storage 2019, 21, 337–361. [Google Scholar] [CrossRef]
- Tu, H.; Feng, H.; Srdic, S.; Lukic, S. Extreme Fast Charging of Electric Vehicles: A Technology Overview. IEEE Trans. Transp. Electrif. 2019, 5, 861–878. [Google Scholar] [CrossRef]
- Rivera, S.; Wu, B.; Kouro, S.; Yaramasu, V.; Wang, J. Electric Vehicle Charging Station Using a Neutral Point Clamped Converter With Bipolar DC Bus. IEEE Trans. Ind. Electron. 2015, 62, 1999–2009. [Google Scholar] [CrossRef]
- Srivastava, C.; Tripathy, M. DC microgrid protection issues and schemes: A critical review. Renew. Sustain. Energy Rev. 2021, 151, 111546. [Google Scholar] [CrossRef]
- Jayamaha, D.; Lidula, N.; Rajapakse, A. Protection and grounding methods in DC microgrids: Comprehensive review and analysis. Renew. Sustain. Energy Rev. 2020, 120, 109631. [Google Scholar] [CrossRef]
- Maroti, P.K.; Padmanaban, S.; Bhaskar, M.S.; Ramachandaramurthy, V.K.; Blaabjerg, F. The state-of-the-art of power electronics converters configurations in electric vehicle technologies. Power Electron. Devices Components 2022, 1, 100001. [Google Scholar] [CrossRef]
- Huber, J.E.; Kolar, J.W. Applicability of Solid-State Transformers in Today’s and Future Distribution Grids. IEEE Trans. Smart Grid 2019, 10, 317–326. [Google Scholar] [CrossRef]
- Zhao, C.; Dujic, D.; Mester, A.; Steinke, J.K.; Weiss, M.; Lewdeni-Schmid, S.; Chaudhuri, T.; Stefanutti, P. Power Electronic Traction Transformer—Medium Voltage Prototype. IEEE Trans. Ind. Electron. 2014, 61, 3257–3268. [Google Scholar] [CrossRef]
- Nassary, M.; Orabi, M.; El Aroudi, A. Single-loop control scheme for electrolytic capacitor-less AC–DC rectifiers with PFC in continuous conduction mode. Electron. Lett. 2020, 56, 506–508. [Google Scholar] [CrossRef]
- Lee, W.C.; Lee, T.K.; Hyun, D.S. Comparison of single-sensor current control in the DC link for three-phase voltage-source PWM converters. IEEE Trans. Ind. Electron. 2001, 48, 491–505. [Google Scholar] [CrossRef]
- Graovac, D.; Katic, V. Online control of current-source-type active rectifier using transfer function approach. IEEE Trans. Ind. Electron. 2001, 48, 526–535. [Google Scholar] [CrossRef]
- Singh, B.; Singh, S.; Chandra, A.; Al-Haddad, K. Comprehensive Study of Single-Phase AC-DC Power Factor Corrected Converters With High-Frequency Isolation. IEEE Trans. Ind. Inform. 2011, 7, 540–556. [Google Scholar] [CrossRef]
- Nassary, M.; Vidal-Idiarte, E.; Calvente, J. Analysis of Non-Minimum Phase System for AC/DC Battery Charger Power Factor Correction Converter. Appl. Sci. 2022, 12, 868. [Google Scholar] [CrossRef]
- Carpita, M.; Marchesoni, M.; Pellerin, M.; Moser, D. Multilevel Converter for Traction Applications: Small-Scale Prototype Tests Results. IEEE Trans. Ind. Electron. 2008, 55, 2203–2212. [Google Scholar] [CrossRef]
- Singh, B.; Gairola, S.; Singh, B.N.; Chandra, A.; Al-Haddad, K. Multipulse AC–DC Converters for Improving Power Quality: A Review. IEEE Trans. Power Electron. 2008, 23, 260–281. [Google Scholar] [CrossRef]
- Chen, S.; Yu, W.; Meyer, D. Design and Implementation of Forced Air-cooled, 140kHz, 20kW SiC MOSFET based Vienna PFC. In Proceedings of the 2019 IEEE Applied Power Electronics Conference and Exposition (APEC), Anaheim, CA, USA, 17–22 March 2019; pp. 1196–1203. [Google Scholar] [CrossRef]
- Friedli, T.; Hartmann, M.; Kolar, J.W. The Essence of Three-Phase PFC Rectifier Systems—Part II. IEEE Trans. Power Electron. 2014, 29, 543–560. [Google Scholar] [CrossRef]
- Singh, B.; Singh, B.; Chandra, A.; Al-Haddad, K.; Pandey, A.; Kothari, D. A review of single-phase improved power quality AC-DC converters. IEEE Trans. Ind. Electron. 2003, 50, 962–981. [Google Scholar] [CrossRef] [Green Version]
- Town, G.; Taghizadeh, S.; Deilami, S. Review of Fast Charging for Electrified Transport: Demand, Technology, Systems, and Planning. Energies 2022, 15, 1276. [Google Scholar] [CrossRef]
- Lim, C.Y.; Jeong, Y.; Moon, G.W. Phase-Shifted Full-Bridge DC–DC Converter with High Efficiency and High Power Density Using Center-Tapped Clamp Circuit for Battery Charging in Electric Vehicles. IEEE Trans. Power Electron. 2019, 34, 10945–10959. [Google Scholar] [CrossRef]
- Lee, J.Y.; Chen, J.H.; Lo, K.Y. An Interleaved Phase-Shift Full-Bridge Converter with Dynamic Dead Time Control for Server Power Applications. Energies 2021, 14, 853. [Google Scholar] [CrossRef]
- Park, H.P.; Kim, M.; Jung, J.H. A Comprehensive Overview in Control Algorithms for High Switching-Frequency LLC Resonant Converter. Energies 2020, 13, 4455. [Google Scholar] [CrossRef]
- Wu, F.; Wang, Z.; Luo, S. Buck–Boost Three-Level Semi-Dual-Bridge Resonant Isolated DC–DC Converter. IEEE J. Emerg. Sel. Top. Power Electron. 2021, 9, 5986–5995. [Google Scholar] [CrossRef]
- Gierczynski, M.; Grzesiak, L.M.; Kaszewski, A. Cascaded Voltage and Current Control for a Dual Active Bridge Converter with Current Filters. Energies 2021, 14, 6214. [Google Scholar] [CrossRef]
- Li, H.; Peng, F.Z.; Lawler, J. A natural ZVS medium-power bidirectional DC-DC converter with minimum number of devices. IEEE Trans. Ind. Appl. 2003, 39, 525–535. [Google Scholar] [CrossRef] [Green Version]
- Fan, H.; Li, H. High-Frequency Transformer Isolated Bidirectional DC–DC Converter Modules With High Efficiency Over Wide Load Range for 20 kVA Solid-State Transformer. IEEE Trans. Power Electron. 2011, 26, 3599–3608. [Google Scholar] [CrossRef]
- Gu, Y.; Lu, Z.; Hang, L.; Qian, Z.; Huang, G. Three-level LLC series resonant DC/DC converter. IEEE Trans. Power Electron. 2005, 20, 781–789. [Google Scholar] [CrossRef]
- Falcones, S.; Ayyanar, R.; Mao, X. A DC–DC Multiport-Converter-Based Solid-State Transformer Integrating Distributed Generation and Storage. IEEE Trans. Power Electron. 2013, 28, 2192–2203. [Google Scholar] [CrossRef]
- Moonem, M.; Krishnaswami, H. Analysis and control of multi-level dual active bridge DC-DC converter. In Proceedings of the 2012 IEEE Energy Conversion Congress and Exposition (ECCE), Raleigh, NC, Canada, 15–20 September 2012; pp. 1556–1561. [Google Scholar] [CrossRef]
- Chen, W.; Rong, P.; Lu, Z. Snubberless Bidirectional DC–DC Converter With New CLLC Resonant Tank Featuring Minimized Switching Loss. IEEE Trans. Ind. Electron. 2010, 57, 3075–3086. [Google Scholar] [CrossRef]
- Du, Y.; Lukic, S.; Jacobson, B.; Huang, A. Review of high power isolated bi-directional DC-DC converters for PHEV/EV DC charging infrastructure. In Proceedings of the 2011 IEEE Energy Conversion Congress and Exposition, Phoenix, AZ, USA, 17–22 September 2011; pp. 553–560. [Google Scholar] [CrossRef]
- Frivaldsky, M.; Kascak, S.; Morgos, J.; Prazenica, M. From Non-Modular to Modular Concept of Bidirectional Buck/Boost Converter for Microgrid Applications. Energies 2020, 13, 3287. [Google Scholar] [CrossRef]
- Garcia, O.; Zumel, P.; de Castro, A.; Cobos, A. Automotive DC-DC bidirectional converter made with many interleaved buck stages. IEEE Trans. Power Electron. 2006, 21, 578–586. [Google Scholar] [CrossRef]
- Zhang, M.; Jiang, Y.; Lee, F.; Jovanovic, M. Single-phase three-level boost power factor correction converter. Proceedings of 1995 IEEE Applied Power Electronics Conference and Exposition-APEC’95, Dallas, TX, USA, 5–9 March 1995; Volume 1, pp. 434–439. [Google Scholar] [CrossRef]
- Grbović, P.J.; Delarue, P.; Le Moigne, P.; Bartholomeus, P. A Bidirectional Three-Level DC–DC Converter for the Ultracapacitor Applications. IEEE Trans. Ind. Electron. 2010, 57, 3415–3430. [Google Scholar] [CrossRef]
- Qi, W.; Li, S.; Yuan, H.; Tan, S.C.; Hui, S.Y. High-Power-Density Single-Phase Three-Level Flying-Capacitor Buck PFC Rectifier. IEEE Trans. Power Electron. 2019, 34, 10833–10844. [Google Scholar] [CrossRef]
- Shi, L.; Baddipadiga, B.P.; Ferdowsi, M.; Crow, M.L. Improving the Dynamic Response of a Flying-Capacitor Three-Level Buck Converter. IEEE Trans. Power Electron. 2013, 28, 2356–2365. [Google Scholar] [CrossRef]
- Clement-Nyns, K.; Haesen, E.; Driesen, J. The Impact of Charging Plug-In Hybrid Electric Vehicles on a Residential Distribution Grid. IEEE Trans. Power Syst. 2010, 25, 371–380. [Google Scholar] [CrossRef] [Green Version]
- Höimoja, H.; Vasiladiotis, M.; Rufer, A. Power interfaces and storage selection for an ultrafast EV charging station. In Proceedings of the 6th IET International Conference on Power Electronics, Machines and Drives (PEMD 2012), Bristol, UK, 27–29 March 2012; pp. 1–6. [Google Scholar] [CrossRef] [Green Version]
- Aluisio, B.; Bruno, S.; De Bellis, L.; Dicorato, M.; Forte, G.; Trovato, M. DC-Microgrid Operation Planning for an Electric Vehicle Supply Infrastructure. Appl. Sci. 2019, 9, 2687. [Google Scholar] [CrossRef] [Green Version]
- Kaur, S.; Kaur, T.; Khanna, R.; Singh, P. A state of the art of DC microgrids for electric vehicle charging. In Proceedings of the 2017 4th International Conference on Signal Processing, Computing and Control (ISPCC), Solan, India, 21–23 September 2017; pp. 381–386. [Google Scholar] [CrossRef]
- Valedsaravi, S.; El Aroudi, A.; Barrado-Rodrigo, J.A.; Issa, W.; Martínez-Salamero, L. Control Design and Parameter Tuning for Islanded Microgrids by Combining Different Optimization Algorithms. Energies 2022, 15, 3756. [Google Scholar] [CrossRef]
- Negarestani, S.; Fotuhi-Firuzabad, M.; Rastegar, M.; Rajabi-Ghahnavieh, A. Optimal Sizing of Storage System in a Fast Charging Station for Plug-in Hybrid Electric Vehicles. IEEE Trans. Transp. Electrif. 2016, 2, 443–453. [Google Scholar] [CrossRef]
- Mohammadi, J.; Badrkhani Ajaei, F.; Stevens, G. Grounding the DC Microgrid. IEEE Trans. Ind. Appl. 2019, 55, 4490–4499. [Google Scholar] [CrossRef]
- Apostolaki-Iosifidou, E.; Codani, P.; Kempton, W. Measurement of power loss during electric vehicle charging and discharging. Energy 2017, 127, 730–742. [Google Scholar] [CrossRef]
- Wang, M.; Vandermaar, A.; Srivastava, K. Review of condition assessment of power transformers in service. IEEE Electr. Insul. Mag. 2002, 18, 12–25. [Google Scholar] [CrossRef]
- Kabiri, R.; Holmes, D.G.; McGrath, B.P.; Meegahapola, L.G. LV Grid Voltage Regulation Using Transformer Electronic Tap Changing, With PV Inverter Reactive Power Injection. IEEE J. Emerg. Sel. Top. Power Electron. 2015, 3, 1182–1192. [Google Scholar] [CrossRef]
- She, X.; Huang, A.Q.; Burgos, R. Review of Solid-State Transformer Technologies and Their Application in Power Distribution Systems. IEEE J. Emerg. Sel. Top. Power Electron. 2013, 1, 186–198. [Google Scholar] [CrossRef]
- Mcmurray, W. Power Converter Circuits Having a High-Frequency Link. U.S. Patent US,351,7300A, 23 June 1970. [Google Scholar]
- Divan, D.; Moghe, R.; Prasai, A. Power Electronics at the Grid Edge: The key to unlocking value from the smart grid. IEEE Power Electron. Mag. 2014, 1, 16–22. [Google Scholar] [CrossRef]
- Dujic, D.; Zhao, C.; Mester, A.; Steinke, J.K.; Weiss, M.; Lewdeni-Schmid, S.; Chaudhuri, T.; Stefanutti, P. Power Electronic Traction Transformer-Low Voltage Prototype. IEEE Trans. Power Electron. 2013, 28, 5522–5534. [Google Scholar] [CrossRef]
- Wang, F.; Zhang, Z.; Ericsen, T.; Raju, R.; Burgos, R.; Boroyevich, D. Advances in Power Conversion and Drives for Shipboard Systems. Proc. IEEE 2015, 103, 2285–2311. [Google Scholar] [CrossRef]
- Huang, A.Q.; Crow, M.L.; Heydt, G.T.; Zheng, J.P.; Dale, S.J. The Future Renewable Electric Energy Delivery and Management (FREEDM) System: The Energy Internet. Proc. IEEE 2011, 99, 133–148. [Google Scholar] [CrossRef]
- Ferreira Costa, L.; De Carne, G.; Buticchi, G.; Liserre, M. The Smart Transformer: A solid-state transformer tailored to provide ancillary services to the distribution grid. IEEE Power Electron. Mag. 2017, 4, 56–67. [Google Scholar] [CrossRef] [Green Version]
- CFR Standard 431; Energy Conversation Program for Commercial Equipment, Distribution Transformers Energy Conversation Standards 2007. Office of Energy Efficiency and Renewable Energy: Washington, DC, USA, 2007.
- Shadfar, H.; Ghorbani Pashakolaei, M.; Akbari Foroud, A. Solid-state transformers: An overview of the concept, topology, and its applications in the smart grid. Int. Trans. Electr. Energy Syst. 2021, 31, e12996. [Google Scholar] [CrossRef]
- Adabi Firouzjaee, M.E. Advanced Modeling of Solid State Transformer. Ph.D. Thesis, Universitat Politècnica de Catalunya/Departament d’Enginyeria Elèctrica, Catalunya, Spain, 2018. [Google Scholar]
- Qin, H.; Kimball, J.W. Solid-State Transformer Architecture Using AC–AC Dual-Active-Bridge Converter. IEEE Trans. Ind. Electron. 2013, 60, 3720–3730. [Google Scholar] [CrossRef]
- Rodriguez, A.; Rogina, M.R.; Saeed, M.; Lamar, D.G.; Arias, M.; Lopez, M.; Briz, F. Auxiliary power supply based on a modular ISOP flyback configuration with very high input voltage. In Proceedings of the 2016 IEEE Energy Conversion Congress and Exposition (ECCE), Milwaukee, WI, USA, 18–22 September 2016; pp. 1–7. [Google Scholar] [CrossRef] [Green Version]
- Drabek, P.; Peroutka, Z.; Pittermann, M.; Cedl, M. New Configuration of Traction Converter With Medium-Frequency Transformer Using Matrix Converters. IEEE Trans. Ind. Electron. 2011, 58, 5041–5048. [Google Scholar] [CrossRef]
- Chen, H.; Prasai, A.; Divan, D. Dyna-C: A Minimal Topology for Bidirectional Solid-State Transformers. IEEE Trans. Power Electron. 2017, 32, 995–1005. [Google Scholar] [CrossRef]
- Qin, H.; Kimball, J.W. AC-AC dual active bridge converter for solid state transformer. In Proceedings of the 2009 IEEE Energy Conversion Congress and Exposition, San Jose, CA, USA, 20–24 September 2009; pp. 3039–3044. [Google Scholar]
- Hannan, M.A.; Ker, P.J.; Lipu, M.S.H.; Choi, Z.H.; Rahman, M.S.A.; Muttaqi, K.M.; Blaabjerg, F. State of the Art of Solid-State Transformers: Advanced Topologies, Implementation Issues, Recent Progress and Improvements. IEEE Access 2020, 8, 19113–19132. [Google Scholar] [CrossRef]
- Mishra, D.K.; Ghadi, M.J.; Li, L.; Hossain, M.J.; Zhang, J.; Ray, P.K.; Mohanty, A. A review on solid-state transformer: A breakthrough technology for future smart distribution grids. Int. J. Electr. Power Energy Syst. 2021, 133, 107255. [Google Scholar] [CrossRef]
- Kolar, J.W.; Huber, J.E. Solid-State Transformers—Key Design Challenges, Applicability, and Future Concepts, 2016. In Proceedings of the 17th International Conference on Power Electronics and Motion Control (PEMC 2016), Varna, Bulgaria, 25–30 September 2016. [Google Scholar]
- Guan, Y.; Cecati, C.; Alonso, J.M.; Zhang, Z. Review of High-Frequency High-Voltage-Conversion-Ratio DC–DC Converters. IEEE J. Emerg. Sel. Top. Ind. Electron. 2021, 2, 374–389. [Google Scholar] [CrossRef]
- Alhurayyis, I.; Elkhateb, A.; Morrow, J. Isolated and Nonisolated DC-to-DC Converters for Medium-Voltage DC Networks: A Review. IEEE J. Emerg. Sel. Top. Power Electron. 2021, 9, 7486–7500. [Google Scholar] [CrossRef]
- Falcones, S.; Mao, X.; Ayyanar, R. Topology comparison for Solid State Transformer implementation. In Proceedings of the IEEE PES General Meeting, Lake Buena Vista, FL, USA, 25–29 July 2010; pp. 1–8. [Google Scholar] [CrossRef]
- Heinemann, L.; Mauthe, G. The universal power electronics based distribution transformer, an unified approach. In Proceedings of the 2001 IEEE 32nd Annual Power Electronics Specialists Conference (IEEE Cat. No.01CH37230), Vancouver, BC, Canada, 17–21 June 2001; Volume 2, pp. 504–509. [Google Scholar] [CrossRef]
- Lu, C.; Hu, W.; Lee, F.C. Neutral-Point Voltage Balancing Methods of Series-Half-Bridge LLC Converter for Solid State Transformer. IEEE Trans. Power Electron. 2021, 36, 7060–7073. [Google Scholar] [CrossRef]
- Kim, S.H.; Kim, R.Y.; Kim, S.I. Generalized Model Predictive Control Method for Single-Phase N-Level Flying Capacitor Multilevel Rectifiers for Solid State Transformer. IEEE Trans. Ind. Appl. 2019, 55, 7505–7514. [Google Scholar] [CrossRef]
- Stynski, S.; Grzegorczyk, M.; Sobol, C.; Kot, R. Current Control Strategies for a Star Connected Cascaded H-Bridge Converter Operating as MV-AC to MV-DC Stage of a Solid State Transformer. Energies 2021, 14, 4607. [Google Scholar] [CrossRef]
- Adabi, M.E.; Martinez-Velasco, J.A.; Alepuz, S. Modeling and simulation of a MMC-based solid-state transformer. Electr. Eng. 2018, 100, 375–387. [Google Scholar] [CrossRef]
- Barros, L.A.M.; Martins, A.P.; Pinto, J.G. A Comprehensive Review on Modular Multilevel Converters, Submodule Topologies, and Modulation Techniques. Energies 2022, 15, 1078. [Google Scholar] [CrossRef]
- Zheng, L.; Han, X.; Kandula, R.P.; Kandasamy, K.; Saeedifard, M.; Divan, D. 7.2 kV Three-Port Single-Phase Single-Stage Modular Soft-Switching Solid-State Transformer with Active Power Decoupling and Reduced DC-Link. In Proceedings of the 2020 IEEE Applied Power Electronics Conference and Exposition (APEC), New Orleans, LA, USA, 15–19 March 2020; 2020; pp. 1575–1581. [Google Scholar] [CrossRef]
- Iqbal, M.T.; Maswood, A.I.; Yeo, K.; Tariq, M. Dynamic Model and Analysis of Three phase YD Transformer Based Dual Active Bridge Using Optimised Harmonic Number for Solid State Transformer in Distributed System. In Proceedings of the 2018 IEEE Innovative Smart Grid Technologies-Asia (ISGT Asia), Singapore, 22–25 May 2018; pp. 523–527. [Google Scholar] [CrossRef]
- Mainali, K.; Tripathi, A.; Madhusoodhanan, S.; Kadavelugu, A.; Patel, D.; Hazra, S.; Hatua, K.; Bhattacharya, S. A Transformerless Intelligent Power Substation: A three-phase SST enabled by a 15-kV SiC IGBT. IEEE Power Electron. Mag. 2015, 2, 31–43. [Google Scholar] [CrossRef]
- Madhusoodhanan, S.; Tripathi, A.; Kadavelugu, A.; Hazra, S.; Patel, D.; Mainali, K.; Bhattacharya, S.; Hatua, K. Experimental validation of the steady state and transient behavior of a transformerless intelligent power substation. In Proceedings of the 2014 IEEE Applied Power Electronics Conference and Exposition-APEC 2014, Fort Worth, TX, USA, 16–20 March 2014; pp. 3477–3484. [Google Scholar] [CrossRef]
- Huber, J.E.; Rothmund, D.; Kolar, J.W. Comparative evaluation of isolated front end and isolated back end multi-cell SSTs. In Proceedings of the 2016 IEEE 8th International Power Electronics and Motion Control Conference (IPEMC-ECCE Asia), Hefei, China, 22–26 May 2016; pp. 3536–3545. [Google Scholar] [CrossRef]
- Lee, J.; Roh, J.; Kim, M.Y.; Baek, S.H.; Kim, S.; Lee, S.H. A Novel Solid-State Transformer With Loosely Coupled Resonant Dual-Active-Bridge Converters. IEEE Trans. Ind. Appl. 2022, 58, 709–719. [Google Scholar] [CrossRef]
- Huang, A.Q. Power Semiconductor Devices for Smart Grid and Renewable Energy Systems. Proc. IEEE 2017, 105, 2019–2047. [Google Scholar] [CrossRef]
- Andresen, M.; Ma, K.; Buticchi, G.; Falck, J.; Blaabjerg, F.; Liserre, M. Junction Temperature Control for More Reliable Power Electronics. IEEE Trans. Power Electron. 2018, 33, 765–776. [Google Scholar] [CrossRef] [Green Version]
- GopiReddy, L.R.; Tolbert, L.M.; Ozpineci, B. Power Cycle Testing of Power Switches: A Literature Survey. IEEE Trans. Power Electron. 2015, 30, 2465–2473. [Google Scholar] [CrossRef]
- Bierhoff, M.; Fuchs, F. Semiconductor losses in voltage source and current source IGBT converters based on analytical derivation. In Proceedings of the 2004 IEEE 35th Annual Power Electronics Specialists Conference (IEEE Cat. No.04CH37551), Aachen, Germany, 20–25 July 2004; Volume 4, pp. 2836–2842. [Google Scholar] [CrossRef]
- Graovac, D.; Pürschel, M. IGBT power losses calculation using the data-sheet parameters. Infineon Technol. Appl. 2009, 1, 1–12. [Google Scholar]
- Hafezi, H.; Faranda, R. A New Approach for Power Losses Evaluation of IGBT/Diode Module. Electronics 2021, 10, 280. [Google Scholar] [CrossRef]
- Ma, L.; Xu, H.; Huang, A.Q.; Zou, J.; Li, K. IGBT Dynamic Loss Reduction through Device Level Soft Switching. Energies 2018, 11, 1182. [Google Scholar] [CrossRef] [Green Version]
- Batarseh, I.; Harb, A. Soft-Switching dc-dc Converters. In Power Electronics: Circuit Analysis and Design; Springer International Publishing: Cham, Switzerland, 2018; pp. 347–460. [Google Scholar] [CrossRef]
- Kolar, J.; Ertl, H.; Zach, F. Influence of the modulation method on the conduction and switching losses of a PWM converter system. IEEE Trans. Ind. Appl. 1991, 27, 1063–1075. [Google Scholar] [CrossRef]
- Millán, J.; Godignon, P.; Perpiñà, X.; Pérez-Tomás, A.; Rebollo, J. A Survey of Wide Bandgap Power Semiconductor Devices. IEEE Trans. Power Electron. 2014, 29, 2155–2163. [Google Scholar] [CrossRef]
- Lai, J.S.; Yu, W.; Sun, P.; Leslie, S.; Arnet, B.; Smith, C.; Cogan, A. A Hybrid-Switch-Based Soft-Switching Inverter for Ultrahigh-Efficiency Traction Motor Drives. IEEE Trans. Ind. Appl. 2014, 50, 1966–1973. [Google Scholar] [CrossRef]
- Ballestín-Fuertes, J.; Muñoz-Cruzado-Alba, J.; Sanz-Osorio, J.F.; Laporta-Puyal, E. Role of Wide Bandgap Materials in Power Electronics for Smart Grids Applications. Electronics 2021, 10, 677. [Google Scholar] [CrossRef]
- Minamisawa, R.A.; Vemulapati, U.; Mihaila, A.; Papadopoulos, C.; Rahimo, M. Current Sharing Behavior in Si IGBT and SiC MOSFET Cross-Switch Hybrid. IEEE Electr. Device Lett. 2016, 37, 1178–1180. [Google Scholar] [CrossRef]
- Wheeler, J. Effects of converter pulses on the electrical insulation in low and medium voltage motors. IEEE Electr. Insul. Mag. 2005, 21, 22–29. [Google Scholar] [CrossRef]
- Velander, E.; Kruse, L.; Wiik, T.; Wiberg, A.; Colmenares, J.; Nee, H.P. An IGBT Turn-ON Concept Offering Low Losses Under Motor Drive dv/dt Constraints Based on Diode Current Adaption. IEEE Trans. Power Electron. 2018, 33, 1143–1153. [Google Scholar] [CrossRef]
- Riazmontazer, H.; Mazumder, S.K. Optically Switched-Drive-Based Unified Independent dv/dt and di/dt Control for Turn-Off Transition of Power MOSFETs. IEEE Trans. Power Electron. 2015, 30, 2338–2349. [Google Scholar] [CrossRef]
- Oswald, N.; Anthony, P.; McNeill, N.; Stark, B.H. An Experimental Investigation of the Tradeoff between Switching Losses and EMI Generation With Hard-Switched All-Si, Si-SiC, and All-SiC Device Combinations. IEEE Trans. Power Electron. 2014, 29, 2393–2407. [Google Scholar] [CrossRef]
- Vechalapu, K.; Kadavelugu, A.K.; Bhattacharya, S. High voltage dual active bridge with series connected high voltage silicon carbide (SiC) devices. In Proceedings of the 2014 IEEE Energy Conversion Congress and Exposition (ECCE), Pittsburgh, PA, USA, 14–18 September 2014; pp. 2057–2064. [Google Scholar] [CrossRef]
- Yuen, K.K.F.; Chung, H.S.H. A Low-Loss “RL-Plus-C” Filter for Overvoltage Suppression in Inverter-Fed Drive System With Long Motor Cable. IEEE Trans. Power Electron. 2015, 30, 2167–2181. [Google Scholar] [CrossRef]
- Huber, J.E.; Kolar, J.W. Optimum Number of Cascaded Cells for High-Power Medium-Voltage AC–DC Converters. IEEE J. Emerg. Sel. Top. Power Electron. 2017, 5, 213–232. [Google Scholar] [CrossRef]
- Iyer, V.M.; Sharma, S.; Bhattacharya, S. A Methodology to Select the Number of Cascaded Cells for a Medium Voltage Multilevel AC-DC Solid State Transformer. In Proceedings of the 2020 IEEE Transportation Electrification Conference Expo (ITEC), Chicago, IL, USA, 23–26 June 2020; pp. 55–61. [Google Scholar] [CrossRef]
- Chen, H.; Divan, D. Soft-Switching Solid-State Transformer (S4T). IEEE Trans. Power Electron. 2018, 33, 2933–2947. [Google Scholar] [CrossRef]
- Huang, A.Q.; Zhu, Q.; Wang, L.; Zhang, L. 15 kV SiC MOSFET: An enabling technology for medium voltage solid state transformers. CPSS Trans. Power Electron. Appl. 2017, 2, 118–130. [Google Scholar] [CrossRef]
- Grider, D.; Das, M.; Agarwal, A.; Palmour, J.; Leslie, S.; Ostop, J.; Raju, R.; Schutten, M.; Hefner, A. 10 kV/120 A SiC DMOSFET half H-bridge power modules for 1 MVA solid state power substation. In Proceedings of the 2011 IEEE Electric Ship Technologies Symposium, Alexandria, VA, USA, 10–13 April 2011; pp. 131–134. [Google Scholar] [CrossRef]
- van Brunt, E.; Cheng, L.; O’Loughlin, M.J.; Richmond, J.; Pala, V.; Palmour, J.W.; Tipton, C.W.; Scozzie, C. 27 kV, 20 A 4H-SiC n-IGBTs. In Materials Science Forum, Proceedings of the Silicon Carbide and Related Materials; Trans Tech Publications Ltd.: Bach, Switzerland, 2015; Volume 821, pp. 847–850. [Google Scholar] [CrossRef]
- Anurag, A.; Acharya, S.; Kolli, N.; Bhattacharya, S.; Weatherford, T.R.; Parker, A.A. A Three-Phase Active-Front-End Converter System Enabled by 10-kV SiC MOSFETs Aimed at a Solid-State Transformer Application. IEEE Trans. Power Electron. 2022, 37, 5606–5624. [Google Scholar] [CrossRef]
- Zhao, S.; Li, Q.; Lee, F.C.; Li, B. High-Frequency Transformer Design for Modular Power Conversion From Medium-Voltage AC to 400 VDC. IEEE Trans. Power Electron. 2018, 33, 7545–7557. [Google Scholar] [CrossRef]
- Petkov, R. Optimum design of a high-power, high-frequency transformer. IEEE Trans. Power Electron. 1996, 11, 33–42. [Google Scholar] [CrossRef]
- She, X.; Burgos, R.; Wang, G.; Wang, F.; Huang, A.Q. Review of solid state transformer in the distribution system: From components to field application. In Proceedings of the 2012 IEEE Energy Conversion Congress and Exposition (ECCE), Vancouver, BC, Canada, 24 May 2012; pp. 4077–4084. [Google Scholar] [CrossRef]
- Ortiz, G.; Leibl, M.; Kolar, J.W.; Apeldoorn, O. Medium frequency transformers for solid-state-transformer applications—Design and experimental verification. In Proceedings of the 2013 IEEE 10th International Conference on Power Electronics and Drive Systems (PEDS), Kitakyushu, Japan, 22–25 April 2013; pp. 1285–1290. [Google Scholar] [CrossRef]
- Agheb, E.; Høidalen, H.K. Medium frequency high power transformers, state of art and challenges. In Proceedings of the 2012 International Conference on Renewable Energy Research and Applications (ICRERA), Istambul, Turkey, 18–21 September 2012; pp. 1–6. [Google Scholar] [CrossRef]
- Guo, Y.; Lu, C.; Hua, L.; Zhang, X. Optimal Design of High-Power Medium-Frequency Transformer Using Hollow Conductors with Consideration of Multi-Objective Parameters. Energies 2020, 13, 3654. [Google Scholar] [CrossRef]
- Hussain, E.; Abusara, M.; Sharkh, S. Design Optimisation of a Current-Fed Solid-State Transformer for MV Grid-Connected Applications. Energies 2021, 14, 3283. [Google Scholar] [CrossRef]
- Bahmani, M.A.; Thiringer, T.; Ortega, H. An Accurate Pseudoempirical Model of Winding Loss Calculation in HF Foil and Round Conductors in Switchmode Magnetics. IEEE Trans. Power Electron. 2014, 29, 4231–4246. [Google Scholar] [CrossRef]
- Olivares-Galván, J. Selection of copper against aluminium windings for distribution transformers. IET Electr. Power Appl. 2010, 4, 474–485. [Google Scholar] [CrossRef] [Green Version]
- Kheraluwala, M.; Novotny, D.; Divan, D. Design considerations for high power high frequency transformers. In Proceedings of the 21st Annual IEEE Conference on Power Electronics Specialists, Antonio, TX, USA, 6 August 1990; pp. 734–742. [Google Scholar] [CrossRef]
- Barrios, E.L.; Urtasun, A.; Ursúa, A.; Marroyo, L.; Sanchis, P. High-Frequency Power Transformers With Foil Windings: Maximum Interleaving and Optimal Design. IEEE Trans. Power Electron. 2015, 30, 5712–5723. [Google Scholar] [CrossRef] [Green Version]
- Leibl, M.; Ortiz, G.; Kolar, J.W. Design and Experimental Analysis of a Medium-Frequency Transformer for Solid-State Transformer Applications. IEEE J. Emerg. Sel. Top. Power Electron. 2017, 5, 110–123. [Google Scholar] [CrossRef]
- Bignucolo, F.; Bertoluzzo, M.; Fontana, C. Applications of the solid state transformer concept in the electrical power system. In Proceedings of the 2015 AEIT International Annual Conference (AEIT), Naples, Italy, 14–16 October 2015; pp. 1–6. [Google Scholar] [CrossRef]
- Syed, I.; Khadkikar, V. Replacing the Grid Interface Transformer in Wind Energy Conversion System With Solid-State Transformer. IEEE Trans. Power Syst. 2017, 32, 2152–2160. [Google Scholar] [CrossRef]
- She, X.; Huang, A.Q.; Wang, F.; Burgos, R. Wind Energy System With Integrated Functions of Active Power Transfer, Reactive Power Compensation, and Voltage Conversion. IEEE Trans. Ind. Electron. 2013, 60, 4512–4524. [Google Scholar] [CrossRef]
- Feng, J.; Shang, J.; Zhang, Z.; Liu, H.; Huang, Z. Solid-state transformer-based new traction drive system and control. Front. Mech. Eng. 2018, 13, 411–426. [Google Scholar] [CrossRef]
- Farnesi, S.; Marchesoni, M.; Passalacqua, M.; Vaccaro, L. Solid-State Transformers in Locomotives Fed through AC Lines: A Review and Future Developments. Energies 2019, 12, 4711. [Google Scholar] [CrossRef] [Green Version]
- Liu, Y.; Liu, Y.; Abu-Rub, H.; Ge, B. Model predictive control of matrix converter based solid state transformer. In Proceedings of the 2016 IEEE International Conference on Industrial Technology (ICIT), Taipei, Taiwan, 14–16 May 2016; pp. 1248–1253. [Google Scholar] [CrossRef]
- She, X.; Huang, A.Q.; Lukic, S.; Baran, M.E. On Integration of Solid-State Transformer With Zonal DC Microgrid. IEEE Trans. Smart Grid 2012, 3, 975–985. [Google Scholar] [CrossRef]
- Bignucolo, F.; Bertoluzzo, M. Application of Solid-State Transformers in a Novel Architecture of Hybrid AC/DC House Power Systems. Energies 2020, 13, 3432. [Google Scholar] [CrossRef]
- Pool-Mazun, E.I.; Sandoval, J.J.; Enjeti, P.N.; Pitel, I.J. An Integrated Solid-State Transformer With High-Frequency Isolation for EV Fast-Charging Applications. IEEE J. Emerg. Sel. Top. Ind. Electron. 2020, 1, 46–56. [Google Scholar] [CrossRef]
- Da Silva, R.L.; Borges, V.L.F.; Possamai, C.E.; Barbi, I. Solid-State Transformer for Power Distribution Grid Based on a Hybrid Switched-Capacitor LLC-SRC Converter: Analysis, Design, and Experimentation. IEEE Access 2020, 8, 141182–141207. [Google Scholar] [CrossRef]
- Nair, A.C.; Fernandes, B.G. Solid-State Transformer Based Fast Charging Station for Various Categories of Electric Vehicles With Batteries of Vastly Different Ratings. IEEE Trans. Ind. Electron. 2021, 68, 10400–10411. [Google Scholar] [CrossRef]
- She, X.; Yu, X.; Wang, F.; Huang, A.Q. Design and demonstration of a 3. In 6kV–120V/10KVA solid state transformer for smart grid application. In Proceedings of the 2014 IEEE Applied Power Electronics Conference and Exposition–APEC 2014, Fort Worth, TX, USA, 25 February–1 March 2014; pp. 3429–3436. [Google Scholar] [CrossRef]
- Wang, F.; Wang, G.; Huang, A.; Yu, W.; Ni, X. Design and operation of A 3.6kV high performance solid state transformer based on 13kV SiC MOSFET and JBS diode. In Proceedings of the 2014 IEEE Energy Conversion Congress and Exposition (ECCE), Pittsburgh, PA, USA, 10–14 October 2014; pp. 4553–4560. [Google Scholar] [CrossRef]
- Lim, J.W.; Cho, Y.; Lee, H.S.; Cho, K.Y. Design and Control of a 13.2 kV/10 kVA Single-Phase Solid-State-Transformer with 1.7 kV SiC Devices. Energies 2018, 11, 201. [Google Scholar] [CrossRef] [Green Version]
- Lee, M.; Yeh, C.S.; Yu, O.; Kim, J.W.; Choe, J.M.; Lai, J.S. Modeling and Control of Three-Level Boost Rectifier Based Medium-Voltage Solid-State Transformer for DC Fast Charger Application. IEEE Trans. Transp. Electrif. 2019, 5, 890–902. [Google Scholar] [CrossRef]
- Wang, G.; Baek, S.; Elliott, J.; Kadavelugu, A.; Wang, F.; She, X.; Dutta, S.; Liu, Y.; Zhao, T.; Yao, W.; et al. Design and hardware implementation of Gen-1 silicon based solid state transformer. In Proceedings of the 2011 Twenty-Sixth Annual IEEE Applied Power Electronics Conference and Exposition (APEC), Fort Worth, TX, USA, 6–11 March 2011; pp. 1344–1349. [Google Scholar] [CrossRef]
- Lai, J.S.; Lai, W.H.; Moon, S.R.; Zhang, L.; Maitra, A. A 15-kV class intelligent universal transformer for utility applications. In Proceedings of the 2016 IEEE Applied Power Electronics Conference and Exposition (APEC), Long Beach, CA, USA, 20–24 March 2016; pp. 1974–1981. [Google Scholar] [CrossRef]
- Rothmund, D.; Guillod, T.; Bortis, D.; Kolar, J.W. 99% Efficient 10 kV SiC-Based 7 kV/400 V DC Transformer for Future Data Centers. IEEE J. Emerg. Sel. Top. Power Electron. 2019, 7, 753–767. [Google Scholar] [CrossRef]
- Srdic, S.; Liang, X.; Zhang, C.; Yu, W.; Lukic, S. A SiC-based high-performance medium-voltage fast charger for plug-in electric vehicles. In Proceedings of the 2016 IEEE Energy Conversion Congress and Exposition (ECCE), Milwaukee, IL, USA, 18–22 September 2016; pp. 1–6. [Google Scholar] [CrossRef]
- Anurag, A.; Acharya, S.; Bhattacharya, S.; Weatherford, T.R.; Parker, A. A Gen-3 10 kV SiC MOSFETs based Medium Voltage Three-Phase Dual Active Bridge Converter Enabling a Mobile Utility Support Equipment Solid State Transformer (MUSE-SST). IEEE J. Emerg. Sel. Top. Power Electron. 2021, 10. [Google Scholar] [CrossRef]
- Zhu, C. High-Efficiency, MediumVoltage-Input, Solid-StateTransformer-Based 400-kW/1000-V/400-A Extreme Fast Charger for Electric Vehicles. Available online: www.energy.gov/sites/prod/files/2019/06/f64/elt241_zhu_2019_o_4.24_9.31pm_jl.pdf (accessed on 5 April 2022).
- Zhao, T.; Zeng, J.; Bhattacharya, S.; Baran, M.E.; Huang, A.Q. An average model of solid state transformer for dynamic system simulation. In Proceedings of the 2009 IEEE Power Energy Society General Meeting, Calgary, AB, Canada, 26–30 July 2009; pp. 1–8. [Google Scholar] [CrossRef]
- Khan, M.T.A.; Milani, A.A.; Chakrabortty, A.; Husain, I. Dynamic Modeling and Feasibility Analysis of a Solid-State Transformer-Based Power Distribution System. IEEE Trans. Ind. Appl. 2018, 54, 551–562. [Google Scholar] [CrossRef]
- Yu, Z.; Ayyanar, R.; Husain, I. A detailed analytical model of a solid state transformer. In Proceedings of the 2015 IEEE Energy Conversion Congress and Exposition (ECCE), Montreal, BC, Canada, 20–24 September 2015; pp. 723–729. [Google Scholar] [CrossRef]
- Jiang, Y.; Breazeale, L.; Ayyanar, R.; Mao, X. Simplified Solid State Transformer modeling for Real Time Digital Simulator (RTDS). In Proceedings of the 2012 IEEE Energy Conversion Congress and Exposition (ECCE), Raleigh, NC, USA, 15–20 September 2012; pp. 1447–1452. [Google Scholar] [CrossRef]
- Shah, D.G.; Crow, M.L. Stability Design Criteria for Distribution Systems With Solid-State Transformers. IEEE Trans. Power Deliv. 2014, 29, 1963. [Google Scholar] [CrossRef]
- Ramachandran, V.; Kuvar, A.; Singh, U.; Bhattacharya, S.; Baran, M. A system level study employing improved solid state transformer average models with renewable energy integration. In Proceedings of the 2014 IEEE PES General Meeting/Conference Exposition, Harbor, MD, USA, 27–31 July 2014; pp. 1–5. [Google Scholar] [CrossRef]
- Zhao, T.; Wang, G.; Bhattacharya, S.; Huang, A.Q. Voltage and Power Balance Control for a Cascaded H-Bridge Converter-Based Solid-State Transformer. IEEE Trans. Power Electron. 2013, 28, 1523–1532. [Google Scholar] [CrossRef]
- Qu, Z.; Yao, Y.; Wang, Y.; Zhang, C.; Chong, Z.; Abu-Siada, A. A Novel Unbalance Compensation Method for Distribution Solid-State Transformer Based on Reduced Order Generalized Integrator. IEEE Access 2019, 7, 108593–108603. [Google Scholar] [CrossRef]
- Shi, J.; Gou, W.; Yuan, H.; Zhao, T.; Huang, A.Q. Research on voltage and power balance control for cascaded modular solid-state transformer. IEEE Trans. Power Electron. 2011, 26, 1154–1166. [Google Scholar] [CrossRef]
- Yu, Y.; Konstantinou, G.; Hredzak, B.; Agelidis, V.G. Power Balance of Cascaded H-Bridge Multilevel Converters for Large-Scale Photovoltaic Integration. IEEE Trans. Power Electron. 2016, 31, 292–303. [Google Scholar] [CrossRef] [Green Version]
- Wang, L.; Zhang, D.; Wang, Y.; Wu, B.; Athab, H.S. Power and Voltage Balance Control of a Novel Three-Phase Solid-State Transformer Using Multilevel Cascaded H-Bridge Inverters for Microgrid Applications. IEEE Trans. Power Electron. 2016, 31, 3289–3301. [Google Scholar] [CrossRef]
- Huber, J.E.; Kolar, J.W. Volume/weight/cost comparison of a 1MVA 10 kV/400 V solid-state against a conventional low-frequency distribution transformer. In Proceedings of the 2014 IEEE Energy Conversion Congress and Exposition (ECCE), Pittsburgh, PA, USA, 14–18 September 2014; pp. 4545–4552. [Google Scholar] [CrossRef]
- Chen, Q.; Liu, N.; Hu, C.; Wang, L.; Zhang, J. Autonomous Energy Management Strategy for Solid-State Transformer to Integrate PV-Assisted EV Charging Station Participating in Ancillary Service. IEEE Trans. Ind. Inform. 2017, 13, 258–269. [Google Scholar] [CrossRef]
- Abu-Siada, A.; Budiri, J.; Abdou, A.F. Solid State Transformers Topologies, Controllers, and Applications: State-of-the-Art Literature Review. Electronics 2018, 7, 298. [Google Scholar] [CrossRef] [Green Version]
- Tahir, Y.; Khan, I.; Rahman, S.; Nadeem, M.F.; Iqbal, A.; Xu, Y.; Rafi, M. A state-of-the-art review on topologies and control techniques of solid-state transformers for electric vehicle extreme fast charging. IET Power Electron. 2021, 14, 1560–1576. [Google Scholar] [CrossRef]
- Ronanki, D.; Kelkar, A.; Williamson, S.S. Extreme Fast Charging Technology—Prospects to Enhance Sustainable Electric Transportation. Energies 2019, 12, 3721. [Google Scholar] [CrossRef] [Green Version]
- Debnath, S.; Qin, J.; Bahrani, B.; Saeedifard, M.; Barbosa, P. Operation, Control, and Applications of the Modular Multilevel Converter: A Review. IEEE Trans. Power Electron. 2015, 30, 37–53. [Google Scholar] [CrossRef]
- Rothmund, D.; Guillod, T.; Bortis, D.; Kolar, J.W. 99.1% Efficient 10 kV SiC-Based Medium-Voltage ZVS Bidirectional Single-Phase PFC AC/DC Stage. IEEE J. Emerg. Sel. Top. Power Electron. 2019, 7, 779–797. [Google Scholar] [CrossRef]
- Isobe, T.; Barrera-Cardenas, R.A.; He, Z.; Zou, Y.; Terazono, K.; Tadano, H. Control of Three-Phase Solid-State Transformer With Phase-Separated Configuration for Minimized Energy Storage Capacitors. IEEE J. Emerg. Sel. Top. Power Electron. 2020, 8, 3014–3028. [Google Scholar] [CrossRef] [Green Version]
- Vasiladiotis, M.; Rufer, A. A Modular Multiport Power Electronic Transformer With Integrated Split Battery Energy Storage for Versatile Ultrafast EV Charging Stations. IEEE Trans. Ind. Electron. 2015, 62, 3213–3222. [Google Scholar] [CrossRef]
- Liu, Z.; Li, S.; Xiao, F.; Wang, T.; Cao, Y.; Li, Y.; Zhang, X. Adaptive control strategy of solid state transformer with fast dynamic response and enhanced balance performance. IET Power Electron. 2022, 15, 306–316. [Google Scholar] [CrossRef]
- Bayram, I.S.; Michailidis, G.; Devetsikiotis, M. Unsplittable Load Balancing in a Network of Charging Stations Under QoS Guarantees. IEEE Trans. Smart Grid 2015, 6, 1292–1302. [Google Scholar] [CrossRef] [Green Version]
- Mouli, G.R.C.; Kaptein, J.; Bauer, P.; Zeman, M. Implementation of dynamic charging and V2G using Chademo and CCS/Combo DC charging standard. In Proceedings of the 2016 IEEE Transportation Electrification Conference and Expo (ITEC), Dearborn, MI, USA, 27–29 June 2016; pp. 1–6. [Google Scholar] [CrossRef]
- Campaña, M.; Inga, E.; Cárdenas, J. Optimal Sizing of Electric Vehicle Charging Stations Considering Urban Traffic Flow for Smart Cities. Energies 2021, 14, 4933. [Google Scholar] [CrossRef]
- Leou, R.C. Optimal Charging/Discharging Control for Electric Vehicles Considering Power System Constraints and Operation Costs. IEEE Trans. Power Syst. 2016, 31, 1854–1860. [Google Scholar] [CrossRef]
- Jha, M.; Blaabjerg, F.; Khan, M.A.; Bharath Kurukuru, V.S.; Haque, A. Intelligent Control of Converter for Electric Vehicles Charging Station. Energies 2019, 12, 2334. [Google Scholar] [CrossRef] [Green Version]
- Bai, S.; Yu, D.; Lukic, S. Optimum design of an EV/PHEV charging station with DC bus and storage system. In Proceedings of the 2010 IEEE Energy Conversion Congress and Exposition, Atlanta, GA, USA, 20–24 September 2010; pp. 1178–1184. [Google Scholar] [CrossRef] [Green Version]
- Gjelaj, M.; Træholt, C.; Hashemi, S.; Andersen, P.B. Optimal design of DC fast-charging stations for EVs in low voltage grids. In Proceedings of the 2017 IEEE Transportation Electrification Conference and Expo (ITEC), Chicago, IL, USA, 22–24 June 2017; pp. 684–689. [Google Scholar] [CrossRef] [Green Version]
- Shukla, A.; Verma, K.; Kumar, R. Voltage-dependent modelling of fast charging electric vehicle load considering battery characteristics. IET Electr. Syst. Transp. 2018, 8, 221–230. [Google Scholar] [CrossRef]
- Badawy, M.O.; Sozer, Y. Power Flow Management of a Grid Tied PV-Battery System for Electric Vehicles Charging. IEEE Trans. Ind. Appl. 2017, 53, 1347–1357. [Google Scholar] [CrossRef]
- Shibl, M.; Ismail, L.; Massoud, A. Machine Learning-Based Management of Electric Vehicles Charging: Towards Highly-Dispersed Fast Chargers. Energies 2020, 13, 5429. [Google Scholar] [CrossRef]
- Leone, C.; Longo, M.; Fernández-Ramírez, L.M.; García-Triviño, P. Multi-Objective Optimization of PV and Energy Storage Systems for Ultra-Fast Charging Stations. IEEE Access 2022, 10, 14208–14224. [Google Scholar] [CrossRef]
- Gorla, N.B.Y.; Kolluri, S.; Chai, M.; Panda, S.K. A Comprehensive Harmonic Analysis and Control Strategy for Improved Input Power Quality in a Cascaded Modular Solid State Transformer. IEEE Trans. Power Electron. 2019, 34, 6219–6232. [Google Scholar] [CrossRef]
- Sochor, P.; Akagi, H. Theoretical Comparison in Energy-Balancing Capability Between Star- and Delta-Configured Modular Multilevel Cascade Inverters for Utility-Scale Photovoltaic Systems. IEEE Trans. Power Electron. 2016, 31, 1980–1992. [Google Scholar] [CrossRef]
- Yu, Y.; Konstantinou, G.; Townsend, C.D.; Aguilera, R.P.; Agelidis, V.G. Delta-Connected Cascaded H-Bridge Multilevel Converters for Large-Scale Photovoltaic Grid Integration. IEEE Trans. Ind. Electron. 2017, 64, 8877–8886. [Google Scholar] [CrossRef] [Green Version]
- IEEE. IEEE Std 519-2014 (Revision of IEEE Std 519-1992); IEEE Recommended Practice and Requirements for Harmonic Control in Electric Power Systems. IEEE: Hoboken, NJ, USA, 2014; pp. 1–29. [Google Scholar] [CrossRef]
- Tashakor, N.; Arabsalmanabadi, B.; Ghanbari, T.; Farjah, E.; Götz, S. Start-up circuit for an electric vehicle fast charger using SSICL technique and a slow estimator. IET Gener. Transm. Distrib. 2020, 14, 2247–2255. [Google Scholar] [CrossRef]
- Safayatullah, M.; Elrais, M.T.; Ghosh, S.; Rezaii, R.; Batarseh, I. A Comprehensive Review of Power Converter Topologies and Control Methods for Electric Vehicle Fast Charging Applications. IEEE Access 2022, 10, 40753–40793. [Google Scholar] [CrossRef]
- Ansari, S.; Chandel, A.; Tariq, M. A Comprehensive Review on Power Converters Control and Control Strategies of AC/DC Microgrid. IEEE Access 2021, 9, 17998–18015. [Google Scholar] [CrossRef]
- Antoniewicz, P.; Kazmierkowski, M.P. Virtual-Flux-Based Predictive Direct Power Control of AC/DC Converters With Online Inductance Estimation. IEEE Trans. Ind. Electron. 2008, 55, 4381–4390. [Google Scholar] [CrossRef]
- Shao, S.; Chen, H.; Wu, X.; Zhang, J.; Sheng, K. Circulating Current and ZVS-on of a Dual Active Bridge DC-DC Converter: A Review. IEEE Access 2019, 7, 50561–50572. [Google Scholar] [CrossRef]
- Zhao, B.; Yu, Q.; Sun, W. Extended-Phase-Shift Control of Isolated Bidirectional DC–DC Converter for Power Distribution in Microgrid. IEEE Trans. Power Electron. 2012, 27, 4667–4680. [Google Scholar] [CrossRef]
- De Doncker, R.; Divan, D.; Kheraluwala, M. A three-phase soft-switched high power density DC/DC converter for high power applications. In Proceedings of the Conference Record of the 1988 IEEE Industry Applications Society Annual Meeting, Vancouver, BC, Canada, 10–14 October 1988; Volume 1, pp. 796–805. [Google Scholar] [CrossRef]
- Iyer, V.M.; Gulur, S.; Gohil, G.; Bhattacharya, S. An Approach Towards Extreme Fast Charging Station Power Delivery for Electric Vehicles with Partial Power Processing. IEEE Trans. Ind. Electron. 2020, 67, 8076–8087. [Google Scholar] [CrossRef]
- Nair, A.C.; Fernandes, B.G. A Solid State Transformer based Fast Charging Station for all Categories of Electric Vehicles. In Proceedings of the IECON 2018-44th Annual Conference of the IEEE Industrial Electronics Society, Washington, DC, USA, 20–23 October 2018; pp. 1989–1994. [Google Scholar] [CrossRef]
- Amid, A.M.; Cherian, E. A Power Factor Correcting Electric Vehicle Fast Charger with Wide Voltage Range. In Proceedings of the 2022 4th International Conference on Smart Systems and Inventive Technology (ICSSIT), Tirunelveli, India, 20–22 January 2022; pp. 569–576. [Google Scholar] [CrossRef]
- Liang, X.; Srdic, S.; Won, J.; Aponte, E.; Booth, K.; Lukic, S. A 12.47 kV Medium Voltage Input 350 kW EV Fast Charger using 10 kV SiC MOSFET. In Proceedings of the 2019 IEEE Applied Power Electronics Conference and Exposition (APEC), Anaheim, Germany, 17–21 March 2019; pp. 581–587. [Google Scholar] [CrossRef]
- Cittanti, D.; Gregorio, M.; Bossotto, E.; Mandrile, F.; Bojoi, R. Full Digital Control and Multi-Loop Tuning of a Three-Level T-Type Rectifier for Electric Vehicle Ultra-Fast Battery Chargers. Electronics 2021, 10, 1453. [Google Scholar] [CrossRef]
- Lahooti Eshkevari, A.; Mosallanejad, A.; Sepasian, M. In-depth study of the application of solid-state transformer in design of high-power electric vehicle charging stations. IET Electr. Syst. Transp. 2020, 10, 310–319. [Google Scholar] [CrossRef]
- Srdic, S.; Zhang, C.; Liang, X.; Yu, W.; Lukic, S. A SiC-based power converter module for medium-voltage fast charger for plug-in electric vehicles. In Proceedings of the 2016 IEEE Applied Power Electronics Conference and Exposition (APEC), Long Beach, CA, USA, 20 March 2016; pp. 2714–2719. [Google Scholar] [CrossRef]
- Chakraborty, P.; Parker, R.; Hoque, T.; Cruz, J.; Du, L.; Wang, S.; Bhunia, S. Addressing the range anxiety of battery electric vehicles with charging en route. Sci. Rep. 2022, 12, 5588. [Google Scholar] [CrossRef]
- Shafiei, M.; Ghasemi-Marzbali, A. Fast-charging station for electric vehicles, challenges and issues: A comprehensive review. J. Energy Stor. 2022, 49, 104136. [Google Scholar] [CrossRef]
- Guillod, T.; Krismer, F.; Färber, R.; Franck, C.M.; Kolar, J.W. Protection of MV/LV solid-state transformers in the distribution grid. In Proceedings of the IECON 2015–41st Annual Conference of the IEEE Industrial Electronics Society, Yokohama, Japan, 9–12 November 2015; pp. 3531–3538. [Google Scholar] [CrossRef]












| Ultra-Fast Charging Station | Size | Controlability | Integrarion of Large Power Plants | Fault Protection | Modularity | Reliability |
|---|---|---|---|---|---|---|
| LFT-based | Big | Limited | No | No | No | High |
| SST-based | Small | Unlimited | Yes | Yes | Yes | Medium |
| Model | Charging Level | Voltage | Maximum Power | 100 kWh Battery Charging Time | Charger Location | Maximum Current |
|---|---|---|---|---|---|---|
| SAE J1772 | Level 1 (Slow) | 120 () | 1.44–1.92 kW | 52–69 h | on-board | 12–16 A |
| Level 2 (Slow) | 208–240 () | 5.0–19.2 kW | 5–20 h | on-board | 24–80 A | |
| Level 3 (Fast) | 50–1000 | 80 kW | 75 m | off-board | 80 A | |
| Level 4 (Ultra-fast) | 50–1000 | 400 kW | 15 m | off-board | 400 A | |
| Mennekes/EU | Level 1 | 250 () | 4–8 kW | 12.5–25 h | on-board | 16–32 A |
| Level 2 | 480 () | 13.3–22 kW | 4.5–7.5 h | on-board | 27–45 A | |
| Level 3 | 500 | 70 kW | 85 m | off-board | 140 A | |
| Level 4 | 500–1000 | 200 kW | 30 m | off-board | 200 A | |
| GB/T | Level 1 | 250 () | 7 kW | 14 h | on-board | 28 A |
| Level 2 | 400 () | 12.8 kW | 7.8 h | on-board | 32 A | |
| Level 3 | 250–950 | 60 kW | 100 m | off-board | 250–400 A | |
| Level 4 | 250-950 | 237.5 kW | 25 m | off-board | 250–400 A | |
| Tesla | Level 1 | 120/240 () | 1.9–7.7 kW | 13–52 h | on-board | 16–32 A |
| Level 2 | 208/250 () | 2.8–11.5 kW | 9–35 h | on-board | 48 A | |
| Level 3 | 300–480 | 250 kW | 24 m | off-board | 800 A | |
| Level 4 | 300–480 | 350 kW | 17 m | off-board | 800 A |
| Car Model | Battery Type | Capacity | Voltage | Range | Fast-Charging Time | Supercharger Maximum Power |
|---|---|---|---|---|---|---|
| Tesla Model Y | Li-ion | 75 kWh | 360 V | 487 km | 31 min | 250 kW |
| Tesla Model X | Li-ion | 100 kWh | 350–375 V | 536 km | 28 min | 250 kW |
| Tesla Model 3 | Li-ion | 50–75 kWh | 350–400 V | 507 km | 31 min | 250 kW |
| Tesla Model S | Li-ion | 103 kWh | 400 V | 637 km | 27 min | 250 kW |
| Volkswagen ID.3 | Li-ion | 62 kWh | 408 V | 415 km | 38 min | 125 kW |
| Volkswagen ID.4 | Li-ion | 77 kWh | 400 V | 514 km | 38 min | 125 kW |
| Volkswagen ID.5 GTX | Li-ion | 82 kWh | 400 V | 490 km | 33 min | 135 kW |
| Renault Zoe E-Tech | Li-ion | 52 kWh | 375 V | 390 km | 78 min | 50 kW |
| Renault Megane | Li-ion | 60 kWh | 400 V | 360 km | 54 min | 130 kW |
| Application | SST Type | Power Rating (KVA) | MV (kV) | AC-DC Rectifier | DC-DC Converter | SST Efficiency | DC-link (HVDC LVDC) | High-Voltage Switches |
|---|---|---|---|---|---|---|---|---|
| Distribution network [192] | D | 1.67 | 1.15 | FB (75 kHz) | Switched-capacitor LLC-SRC (75 kHz) | 93–97% | 1.7 kV 600 V | 3 kV–12 A IGBT/1.2 kV–20 A SiC MOSFET |
| Fast charging [193] | D | 4 | 0.22 | CHB (1.05 kHz) | QAB (10 kHz) | N/A | 0.36 kV 220, 120, 48 V | N/A |
| Smart grid [194] | D | 10 | 3.6 | CHB (1.2 kHz) | DAB (3.6 kHz) | 84–92% | 5.7 kV 200 V | 6.5 kV–25 A Si IGBT |
| Distribution network [195] | D | 10 | 3.6 | FB (6 kHz) | DHB (15 kHz) | N/A | 6.1 kV 400 V | 13 kV–10 A SiC MOSFET/JBS diode |
| Distribution network [196] | D | 10 | 13.2 | 3-level PFC (20 kHz) | LLC (40 kHz) | N/A | 25 kV 500 V | 1.7 kV–5 A SiC MOSFET |
| Fast Charging [197] | D | 16 | 3.8 | TLB (20 kHz) | HB-LLC (98 kHz) | 98% | 6.2 kV 400 V | 1.2 kV–31 A SiC MOSFET |
| Wind energy [198] | D | 20 | 7.2 | CHB (1.08 kHz) | DAB (3 kHz) | 88–95% | 11.4 kV 400 V | 6.5 kV–25 A IGBT |
| Utility network [199] | D | 25 | 7.2/8 | TLB (93 kHz) | HB-LLC (93 kHz) | 97.5% | 14 kV 400 V | 1.2 kV–36 A SiC MOSFET |
| Data centers [200] | D | 25 | 3.8 | FB (48 kHz) | LLC-SRC (48 kHz) | 98–99.6% | 7 kV 400 V | 10 kV–10 A SiC MOSFET |
| Fast charging [201] | D | 25 | 2.4 | TLB (25 kHz) | NPC + diode rectifier (50 kHz) | 96.6% | 4.8 kV 400 V | 1.2 kV–55 A SiC MOSFET |
| Mobile utility support [202] | D | 100 | 4.16 | AFE (20 kHz) | DAB (10 kHz) | N/A | 7.2 kV 800 V | 10 kV–90 A Gen3 SiC MOSFET |
| Fast charging [203] | D | 400 | 13.2/4.8 | NPC (5 kHz) | LLC-SRC (100 kHz) | 96.5% | 6.4 kV 1000 V | 1.2 kV–50 A SiC MOSFET |
| Power Stage | Performance Criteria |
|---|---|
| AC-DC power stage | • HVDC link voltage control |
| • LVDC link voltage control | |
| • Grid current THD improvement | |
| • Grid synchronization | |
| • PFC | |
| • ZVS/ZCS | |
| • Unidirectional power flow | |
| • Bidirectional power flow | |
| • Power balancing control | |
| • Voltage balancing control | |
| • SOC balancing control | |
| • Grid ancillary services | |
| • Fault tolerant and limitation | |
| DC-DC power stage | • LVDC link voltage control |
| • ZVS/ZCS | |
| • Galvanic isolation | |
| • Unidirectional power flow | |
| • Bidirectional power flow | |
| • Power balancing control |
| References | AC–DC Power Converter | AC–DC Control Approach | DC–DC Power Converter | DC–DC Control Approach |
|---|---|---|---|---|
| [193] | CHB | Cascaded PI control: • PFC • Grid synchronization • Power balancing control • Voltage balancing control • HVDC link voltage control | QAB | PI control: • DPS bidirectional power flow • Galvanic isolation • Power balancing control • LVDC link voltage control |
| [197] | TLB | Digital PI control: • PFC • Grid synchronization • Voltage balancing control • HVDC link voltage control • Grid current THD improvement | HB-LLC | Digital open-loop control: • Unidirectional power flow • Galvanic isolation • LVDC link voltage control • ZVS |
| [223] | CHB | Cascaded PI control: • PFC • Grid synchronization • Power balancing control • Voltage balancing control • SOC balancing control • HVDC link voltage control | DHB | Digital PI+PR control: • Bidirectional power flow • Galvanic isolation • LVDC link voltage control • ZVS |
| [247] | CHB | PI control: • Grid ancillary services • HVDC link voltage control | DAB | PI control: • Bidirectional power flow • Galvanic isolation • LVDC link voltage control • ZVS |
| [248] | CHB | PI control: • PFC • Grid synchronization • Power balancing control • HVDC link voltage control | DAB | Cascaded PI control: • DPS bidirectional power flow • Galvanic isolation • LVDC link voltage control |
| [249] | VR | Multi-loop PI and hysteresis current control: • PFC • Grid synchronization • Voltage balancing control • HVDC link voltage control | DAB | Cascaded PI control: • SPS bidirectional power flow • Galvanic isolation • LVDC link voltage control |
| [250] | TLB | Multi-loop PI and predictive current control: • PFC • Grid synchronization • Voltage balancing control • HVDC link voltage control | DAB-ANPC | PR control: • TPS bidirectional power flow • Galvanic isolation • LVDC link voltage control • ZVS |
| [251] | TLT | Digital multi-loop PI control: • PFC • Grid synchronization • Voltage balancing control • HVDC link voltage control | N/A | N/A |
| [252] | CHB | Multi-loop PI and predictive power control: • Fault tolerant and limitation • Voltage balancing control • LVDC link voltage control | DAB | PI control: • SPS bidirectional power flow • Galvanic isolation • ZVS |
| [253] | MCB | PI control: • Voltage balancing control • HVDC link voltage control | NPC | PI control: • Power flow • Galvanic isolation • LVDC link voltage control |
Publisher’s Note: MDPI stays neutral with regard to jurisdictional claims in published maps and institutional affiliations. |
© 2022 by the authors. Licensee MDPI, Basel, Switzerland. This article is an open access article distributed under the terms and conditions of the Creative Commons Attribution (CC BY) license (https://creativecommons.org/licenses/by/4.0/).
Share and Cite
Valedsaravi, S.; El Aroudi, A.; Martínez-Salamero, L. Review of Solid-State Transformer Applications on Electric Vehicle DC Ultra-Fast Charging Station. Energies 2022, 15, 5602. https://doi.org/10.3390/en15155602
Valedsaravi S, El Aroudi A, Martínez-Salamero L. Review of Solid-State Transformer Applications on Electric Vehicle DC Ultra-Fast Charging Station. Energies. 2022; 15(15):5602. https://doi.org/10.3390/en15155602
Chicago/Turabian StyleValedsaravi, Seyedamin, Abdelali El Aroudi, and Luis Martínez-Salamero. 2022. "Review of Solid-State Transformer Applications on Electric Vehicle DC Ultra-Fast Charging Station" Energies 15, no. 15: 5602. https://doi.org/10.3390/en15155602
APA StyleValedsaravi, S., El Aroudi, A., & Martínez-Salamero, L. (2022). Review of Solid-State Transformer Applications on Electric Vehicle DC Ultra-Fast Charging Station. Energies, 15(15), 5602. https://doi.org/10.3390/en15155602

