A 10 kV/1 MW High-Frequency-Isolated Power Conversion System for Battery Energy
Abstract
:1. Introduction
2. Main Circuit Topology and Working Principle of PCS
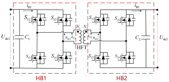
Main Circuit Topology
3. PCS Control Strategy
3.1. HVAC Port Control Strategy
3.2. LVDC Port Control Strategy
4. Simulation Verification
5. Experimental Verification
6. Conclusions
Author Contributions
Funding
Institutional Review Board Statement
Informed Consent Statement
Data Availability Statement
Conflicts of Interest
References
- Painuly, J.P. Barriers to renewable energy penetration; a framework for analysis. Renew. Energy 2001, 24, 73–89. [Google Scholar] [CrossRef]
- Dunn, B.; Kamath, H.; Tarascon, J.M. Electrical energy storage for the grid: A battery of choices. Science 2011, 334, 928–935. [Google Scholar] [CrossRef] [PubMed] [Green Version]
- Wang, F.; Duarte, J.L.; Hendrix, M.A.; Ribeiro, P.F. Modeling and analysis of grid harmonic distortion impact of aggregated DG inverters. IEEE Trans. Power Electron. 2011, 26, 786–797. [Google Scholar] [CrossRef]
- Zeng, Z.; Zhao, R.X.; Lv, Z.P.; Ma, L. Impedance reshaping of grid-tied inverters to damp the series and parallel harmonic resonances of photovoltaic systems. Proc. CSEE 2014, 34, 4547–4558. [Google Scholar]
- Zhao, B.; Yu, Q.G.; Wang, L.W.; Xiao, Y. Bi-directional extensible converter and its distributed control strategy for battery energy storage Grid-connected system. Proc. CSEE 2011, 31, 244–251. [Google Scholar]
- Malinowski, M.; Gopakumar, K.; Rodriguez, J.; Perez, M.A. A survey on cascaded multilevel inverters. IEEE Trans. Ind. Electron. 2010, 57, 2197–2206. [Google Scholar] [CrossRef]
- Kawakami, N.; Ota, S.; Kon, H.; Konno, S.; Akagi, H.; Kobayashi, H.; Okada, N. Development of a 500-kW modular multilevel cascade converter for battery energy storage systems. IEEE Trans. Ind. Appl. 2014, 50, 3902–3910. [Google Scholar] [CrossRef]
- Ota, J.I.Y.; Sato, T.; Akagi, H. Enhancement of Performance, Availability, and Flexibility of a Battery Energy Storage System Based on a Modular Multilevel Cascaded Converter(MMCC-SSBC). IEEE Trans. Power Electron. 2015, 31, 2791–2799. [Google Scholar] [CrossRef]
- Townsend, C.D.; Summers, T.J.; Betz, R.E. Impact of practical issues on the harmonic performance of phase shifted modulation strategies for a cascaded H-bridge StatCom. IEEE Trans. Ind. Electron. 2014, 61, 2655–2664. [Google Scholar] [CrossRef]
- Gu, L. A review of single stage high-frequency-isolated three-phase bidirectional AC/DC converter. Proc. CSEE 2021, 41, 7434–7448. [Google Scholar]
- Lan, D.; Das, P.; Sahoo, S.K. A high-frequency link matrix rectifier with a pure capacitive output filter in a discontinuous conduction mode. IEEE Trans. Ind. Electron. 2020, 67, 4–15. [Google Scholar] [CrossRef]
- Khodabandeh, M.; Afshari, E.; Amirabadi, M. A single-stage soft-switching high-frequency AC-link PV inverter: Design, analysis, and evaluation of Si-based and SiC-based prototypes. IEEE Trans. Power Electron. 2019, 34, 2312–2326. [Google Scholar] [CrossRef]
- Rojas, C.A.; Kouro, S.; Perez, M.A.; Echeverria, J. DC-DC MMC for HVDC grid interface of utility-scale photovoltaic conversion systems. IEEE Trans. Ind. Electron. 2018, 65, 352–362. [Google Scholar] [CrossRef]
- Sun, K.; Lu, S.L.; Yi, Z.Y.; Cao, G.E.; Wang, Y.B.; Li, Y.D. A Review of High-power High-frequency Transformer Technology for Power Electronic Transformer Applications. Proc. CSEE 2021, 41, 8531–8545. [Google Scholar]
- Tan, N.M.L.; Abe, T.; Akagi, H. Design and performance of a bidirectional isolated dc-dc converter for a battery energy storage system. IEEE Trans. Power Electron. 2012, 27, 1237–1248. [Google Scholar] [CrossRef]
- Zhao, B.; Song, Q.; Liu, W.; Sun, Y. Overview of dual-active-bridge isolated bi-directional dc-dc converter for high-frequency-link power-conversion system. IEEE Trans. Power Electron. 2014, 29, 4091–4106. [Google Scholar] [CrossRef]
- Ma, F.; Kuang, Y.; Wang, Z.; Huang, G.; Kuang, D.; Zhang, C. Multi-Port and -Functional power conditioner and its control strategy with renewable energy access for a railway traction system. Energies 2021, 14, 6146. [Google Scholar] [CrossRef]
- Fan, B.; Wang, K.; Zheng, Z.; Xu, L.; Li, Y. Optimized Branch Current Control of Modular Multilevel Matrix Converters Under Branch Fault Conditions. IEEE Trans. Power Electron. 2018, 33, 4578–4583. [Google Scholar] [CrossRef]
- Yu, Y.; Konstantinou, G.; Hredzak, B.; Agelidis, V.G. Power balance optimization of cascaded h-bridge multilevel converters for large-scale photovoltaic integration. IEEE Trans. Power Electron. 2016, 31, 1108–1120. [Google Scholar] [CrossRef] [Green Version]
- Yang, J.T.; Wu, X.Q.; Li, R.; Ma, K.; Cai, X.; Xu, M.X.; Xu, J. Research on Submodules Voltage-power Self-tracking Control Method for Medium-voltage Direct-linked Photovoltaic Power Generation System. Proc. CSEE 2021, 41, 2815–2824. [Google Scholar]
- Xie, N.; Zhao, B.; Zhao, W.; Zhao, Y.; Xie, Z.; Wang, W. High-frequency Isolated and Large Capacity Power Conversion System Based on SiC MOSFET. In 2021 IEEE 5th Conference on Energy Internet and Energy System Integration (EI2); IEEE: Piscataway, NJ, USA, 2021; pp. 3789–3794. [Google Scholar]
- Cai, X.; Li, R.; Liu, C. Transformerless High-voltage Power Conversion System for Battery Energy Storage System and the First Demonstration Application in World. Proc. CSEE 2020, 40, 200–211. [Google Scholar]
- Tao, Y.B.; Yin, S.; Li, G.J. Design of topology parameters and control technology for direct-hanging energy storage converter. Power Electron. 2022, 56, 35–39. [Google Scholar]
- Alam, M.J.E.; Muttaqi, K.M.; Sutanto, D. Effective Utilization of Available PEV Battery Capacity for Mitigation of Solar PV Impact and Grid Support with Integrated V2G Functionality. IEEE Trans. Smart Grid 2017, 7, 1562–1571. [Google Scholar] [CrossRef] [Green Version]
- Schrittwieser, L.; Leibl, M.; Kolar, J.W. 99% efficient isolated three-phase matrix-type DAB buck-boost PFC rectifier. IEEE Trans. Power Electron. 2020, 35, 138–157. [Google Scholar] [CrossRef]
- Sayed, M.A.; Suzuki, K.; Takeshita, T.; Kitagawa, W. PWM switching technique for three-phase bidirectional grid-tie DC-AC-AC converter with high-frequency isolation. IEEE Trans. Power Electron. 2018, 33, 845–858. [Google Scholar] [CrossRef]


















| Parameter | Value | |
|---|---|---|
| Grid parameters | Grid line voltage | 10 kV |
| Grid frequency | 50 Hz | |
| HVAC | Number of modules | 15 per phase, 45 in total |
| Support capacitance | 1 mF | |
| HFT parameters | Capacity 40 kVA Leakage inductance 45 μH Excitation inductance 3 mH | |
| Filter inductance | 16 mH | |
| LVDC | LVDC port voltage range | 500~700 V |
| Number of modules | 45 | |
| Support capacitance | 1 mF | |
| High-frequency reactance | 7 μH | |
| LVDC output inductance | 10 μH | |
| DC isolation capacitor | 100 μF | |
| Switching frequency | 20 kHz | |
Publisher’s Note: MDPI stays neutral with regard to jurisdictional claims in published maps and institutional affiliations. |
© 2022 by the authors. Licensee MDPI, Basel, Switzerland. This article is an open access article distributed under the terms and conditions of the Creative Commons Attribution (CC BY) license (https://creativecommons.org/licenses/by/4.0/).
Share and Cite
Xie, N.; Shu, J.; Chen, J.; Wang, H.; Xie, F. A 10 kV/1 MW High-Frequency-Isolated Power Conversion System for Battery Energy. Energies 2022, 15, 5272. https://doi.org/10.3390/en15145272
Xie N, Shu J, Chen J, Wang H, Xie F. A 10 kV/1 MW High-Frequency-Isolated Power Conversion System for Battery Energy. Energies. 2022; 15(14):5272. https://doi.org/10.3390/en15145272
Chicago/Turabian StyleXie, Ning, Jie Shu, Jiongcong Chen, Hao Wang, and Fei Xie. 2022. "A 10 kV/1 MW High-Frequency-Isolated Power Conversion System for Battery Energy" Energies 15, no. 14: 5272. https://doi.org/10.3390/en15145272
APA StyleXie, N., Shu, J., Chen, J., Wang, H., & Xie, F. (2022). A 10 kV/1 MW High-Frequency-Isolated Power Conversion System for Battery Energy. Energies, 15(14), 5272. https://doi.org/10.3390/en15145272

