Design Methodology Based on Prebuilt Components for Modular Multilevel Converters with Partial Integration of Energy Storage Systems
Abstract
:1. Introduction
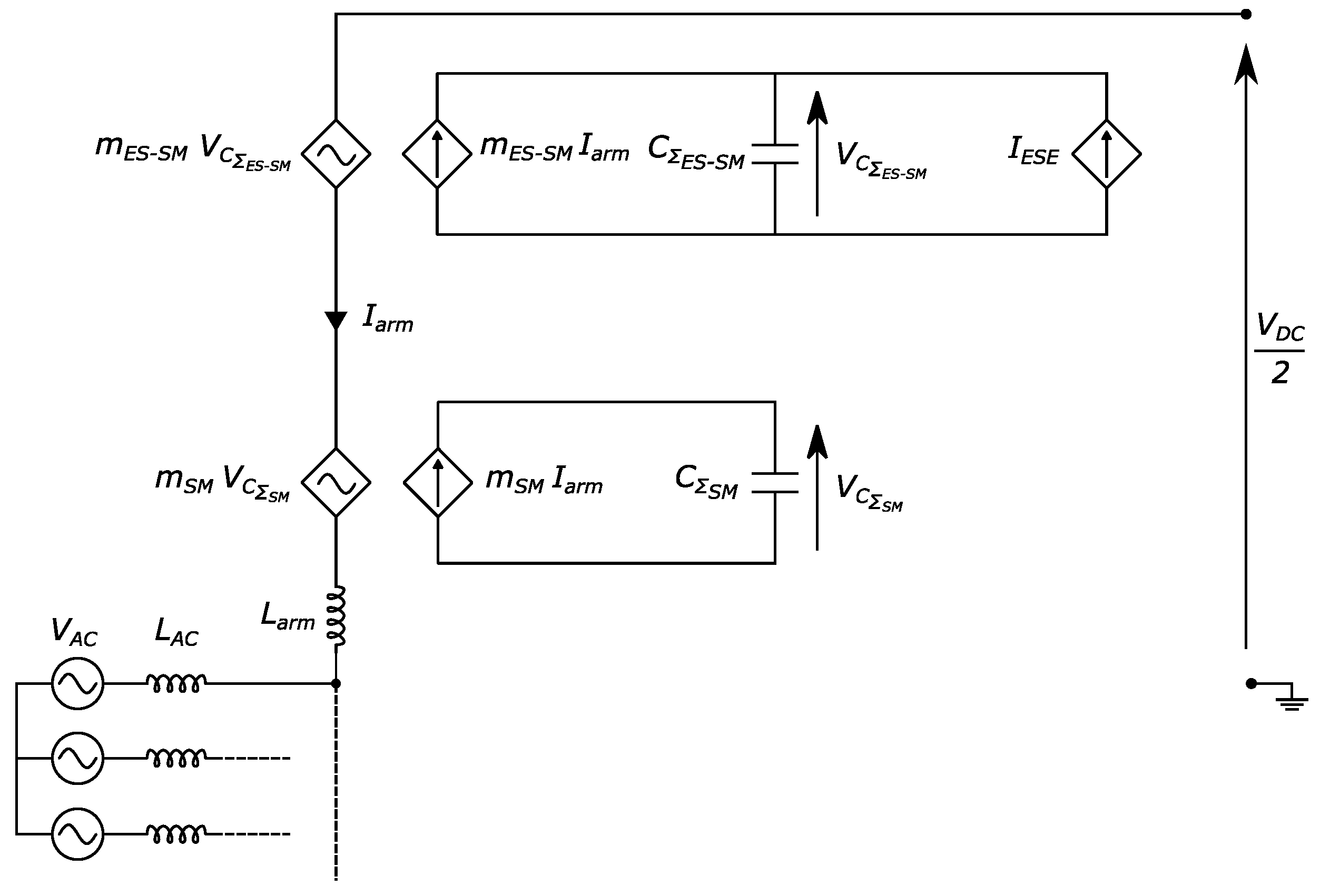
2. MMC-PIES
2.1. Topology
2.2. Analytical Analysis
2.3. Circulating Current Optimization
3. Proposed Design Methodology
3.1. Framework of the Study
- The converter nominal power (without the energy storage system);
- The maximum power imbalance to cover by the energy storage system;
- The reactive power requirement;
- The AC/DC grid voltages.
- The minimum number of ES-SMs;
- ES-SM and SM capacitances;
- Arm current for semiconductor devices rating;
- Power exchanged by the ESE of an ES-SM;
- Arm inductances (most of the time neglected).
- SMs an ES-SM capacitances ( and );
- Maximum voltage ripple at the SM and ES-SM capacitors (the ripples considered here are the ripples on the equivalent capacitors in the average model of an arm, and the actual ripple on a single submodule capacitor is higher and related to the low-level control);
- Semiconductor device ratings;
- Maximum power of an ESE ().
- The peak, average, and rms values of the arm current do not exceed the maximum rating allowed;
- The instantaneous voltage at the equivalent capacitor of a stack of SM or ES-SM cannot exceed the maximum allowed voltage deviation;
- The sum of the individual power of each ESE must be equal (or greater) to the considered power imbalance .
3.2. Numerical Method
4. Results Obtained with the Design Methodology Based on Prebuilt Components
- Maximum peak current, 1.8 kA;
- Maximum RMS current, 1.1 kA;
- Maximum average current, 0.6 kA.
4.1. Feasibility Plot
4.2. Case Study
4.3. Validation
5. Conclusions
- In this paper, a novel method for designing an MMC-PIES is presented that complies with given specifications. It illustrates its feasibility even if a restricted number of components is available, i.e., prebuilt SMs and ES-SMs are considered, and their structures are imposed.
- First, the working principle of the converter is detailed in the Introduction, as well as its main challenges such as operating at reduced power level or the voltage deviation at the average arm capacitor. Therefore, a set of equations to apply realistic voltage constraints and a method based on circulating currents is proposed to operate at low power in the AC system. This improved method also optimizes the design of the converter by adapting the amplitude of circulating currents and their phase shifts.
- Once the framework of the study is presented, the design methodology based on prebuilt components is introduced. Afterward, each step of the process is developed to determine the minimum number of ES-SMs to satisfy an expected range of operation. Based on this methodology, the feasibility graph of the converter is drawn, to visualize the feasible operating range of the MMC-PIES and to determine if a converter can operate properly without exceeding its physical limits. It also shows the exceeded limit giving indications to the designer to find a solution.
- Finally, a case study is presented to show the potential of the proposed method. It is confirmed that half-bridge ES-SMs are a much more promising solution than full-bridge ES-SMs by requiring fewer switches and less energy stored within the converter.
6. Perspectives
Author Contributions
Funding
Conflicts of Interest
References
- Van Hertem, D.; Gomis-Bellmunt, O.; Liang, J. HVDC Grids: For Offshore and Supergrid of the Future; John Wiley & Sons: New York, NY, USA, 2016; Volume 51. [Google Scholar]
- Barnes, M.; Beddard, A. Voltage Source Converter HVDC Links—The State of the Art and Issues Going Forward. Energy Procedia 2012, 24, 108–122. [Google Scholar] [CrossRef]
- Lesnicar, A.; Marquardt, R. An innovative modular multilevel converter topology suitable for a wide power range. In Proceedings of the 2003 IEEE Bologna Power Tech Conference, Bologna, Italy, 23–26 June 2003; IEEE: New York, NY, USA, 2003; Volume 3, p. 6. [Google Scholar]
- Shinoda, K.; Benchaib, A.; Dai, J.; Guillaud, X. Virtual Capacitor Control: Mitigation of DC Voltage Fluctuations in MMC-based HVDC Systems. IEEE Trans. Power Deliv. 2017, 33, 455–465. [Google Scholar] [CrossRef]
- Breithaupt, T.; Tuinema, B.; Herwig, D.; Wang, D.; Hofmann, L.; Rueda Torres, J.; Mertens, A.; Rüberg, S.; Meyer, R.; Sewdien, V. Deliverable D1.1 Report on Systemic Issues; MIGRATE—Massive InteGRATion of Power Electronic Devices; MIGRATE Project Consortium: Bayreuth, Germany, 2016. [Google Scholar]
- Tielens, P.; Van Hertem, D. The relevance of inertia in power systems. Renew. Sustain. Energy Rev. 2016, 55, 999–1009. [Google Scholar] [CrossRef]
- Figgener, J.; Stenzel, P.; Kairies, K.-P.; LinBen, J.; Haberschusz, D.; Wessels, O.; Angenendt, G.; Robinius, M.; Stolten, D.; Sauer, D.U. The development of stationary battery storage systems in Germany—A market review. J. Energy Storage 2020, 29, 101153. [Google Scholar] [CrossRef]
- Mexis, I.; Todeschini, G. Battery Energy Storage Systems in the United Kingdom: A review of Current State-of-the-Art and Future Applications. Energies 2020, 13, 3616. [Google Scholar] [CrossRef]
- Mourouvin, R.; Dai, J.; Bacha, S.; Benchaib, A.; Georges, D. Energy Requirements of Modular Multilevel Converter Submodules and High-Level Control Design for Synthetic Inertia Function; IEEE: New York, NY, USA, 2021; pp. 1–10. [Google Scholar]
- Trintis, I.; Munk-Nielsen, S.; Teodorescu, R. A new modular multilevel converter with integrated energy storage. In Proceedings of the IECON 2011–37th Annual Conference on IEEE Industrial Electronics Society, Istanbul, Turkey, 1–4 June 2011; IEEE: New York, NY, USA, 2011; pp. 1075–1080. [Google Scholar]
- Wang, G.; Konstantinou, G.; Townsend, C.D.; Pou, J.; Vazquez, S.; Demetriades, G.D.; Agelidis, V.G. A Review of Power Electronics for Grid Connection of Utility-Scale Battery Energy Storage Systems. IEEE Trans. Sustain. Energy 2016, 7, 1778–1790. [Google Scholar] [CrossRef] [Green Version]
- Zeng, W.; Li, R.; Cai, X. A New Hybrid Modular Multilevel Converter with Integrated Energy Storage. IEEE Access 2019, 7, 172981–172993. [Google Scholar] [CrossRef]
- Judge, P.; Green, T. Modular Multilevel Converter with Partially Rated Energy Storage with Intended Applications in Frequency Support and Ancillary Service Provision. IEEE Trans. Power Deliv. 2018, 34, 208–219. [Google Scholar] [CrossRef]
- Blatsi, Z.; Neira, S.; Judge, P.D.; Merlin, M.C.; Finney, S. Modular Multilevel Converter with Stack Parallel Cascaded H-Bridge Energy Storage Branch; IEEE: New York, NY, USA, 2021; pp. 1–7. [Google Scholar]
- Neira, S.; Blatsi, Z.; Judge, P.D.; Merlin, M.C.; Pereda, J. Modular Multilevel Converter with Inductor Parallel Branch Providing Integrated Partially Rated Energy Storage; IEEE: New York, NY, USA, 2021. [Google Scholar]
- Errigo, F.; Morel, F.; Mathieu de Vienne, C.; Chédot, L.; Sari, A.; Venet, P. A Submodule with Integrated Supercapacitors for HVDC-MMC providing Fast Frequency Response. IEEE Trans. Power Deliv. 2021, 37, 1423–1432. [Google Scholar] [CrossRef]
- Vasiladiotis, M. Modular Multilevel Converters with Integrated Split Battery Energy Storage. Ph.D. Thesis, EPFL, Lausanne, Switzerland, 2014. [Google Scholar]
- Meng, L.; Zafar, J.; Khadem, S.K.; Collinson, A.; Murchie, K.C.; Coffele, F.; Burt, G. Fast Frequency Response from Energy Storage Systems-A Review of Grid Standards, Projects and Technical Issues. IEEE Trans. Smart Grid 2019, 11, 1566–1581. [Google Scholar] [CrossRef] [Green Version]
- Errigo, F.; Gonzalez-Torres, J.C.; Benchaib, A.; Chédot, L.; Sari, A.; Venet, P.; Morel, F. Modular multilevel converter with embedded energy storage for power oscillation damping and fast frequency response—A case study. In CIGRE Symposium; HAL Open Science: Ljubljana, Slovenia, 2021. [Google Scholar]
- Novakovic, B.; Nasiri, A. Modular Multilevel Converter for Wind Energy Storage Applications. IEEE Trans. Ind. Electron. 2017, 64, 8867–8876. [Google Scholar] [CrossRef]
- Wersland, S.B.; Acharya, A.B.; Norum, L.E. Integrating battery into MMC submodule using passive technique. In Proceedings of the 2017 IEEE 18th Workshop on Control and Modeling for Power Electronics (COMPEL), Stanford, CA, USA, 9–12 July 2017; pp. 1–7. [Google Scholar]
- Puranik, I.; Zhang, L.; Qin, J. Impact of low-frequency ripple on lifetime of battery in MMC-based battery storage systems. In Proceedings of the 2018 IEEE Energy Conversion Congress and Exposition (ECCE), Portland, OR, USA, 23–27 September 2018; pp. 2748–2752. [Google Scholar]
- Qiu, S.; Shi, B. An enhanced battery interface of MMC-BESS. In Proceedings of the 2019 IEEE 10th International Symposium on Power Electronics for Distributed Generation Systems (PEDG), Xi’an, China, 3–6 June 2019; pp. 434–439. [Google Scholar]
- Errigo, F.; Chédot, L.; Venet, P.; Sari, A.; Dworakowski, P.; Morel, F. Assessment of the impact of split storage within modular multilevel converter. In Proceedings of the IECON 2019—45th Annual Conference of the IEEE Industrial Electronics Society, Lisbon, Portugal, 14–17 October 2019; Volume 1, pp. 4785–4792. [Google Scholar]
- Henke, G.; Bakran, M.-M. Balancing of modular multilevel converters with unbalanced integration of energy storage devices. In Proceedings of the 18th European Conference on Power Electronics and Applications (EPE’16 ECCE Europe), Karlsruhe, Germany, 5–9 September 2016; pp. 1–10. [Google Scholar]
- Porto, L.D.O.; Errigo, F.; Morel, F. Analysis and design of modular multilevel converters with partial integration of energy storage systems. In Proceedings of the 17th International Conference on AC and DC Power Transmission (ACDC 2021), Glasgow, UK, 7–8 December 2021. [Google Scholar]
- Tao, H. Modular Multilevel Converter With Partial Energy Storage System for Frequency Support; MUST: Wuhan, China, 2020. [Google Scholar]
- Richter, M.; Klein, K.; Luther, M. Validation of a modular multilevel converter with additional integrated energy storage for grid-supportive operation. In Proceedings of the 6th IEEE International Energy Conference (ENERGYCon), Gammarth, Tunisia, 28 September–1 October 2020; pp. 824–829. [Google Scholar]
- Liang, G.; Tafti, H.D.; Farivar, G.G.; Pou, J.; Townsend, C.D.; Konstantinou, G.; Ceballos, S. Analytical Derivation of Inter-Submodule Active Power Disparity Limits in Modular Multilevel Converter-Based Battery Energy Storage Systems. IEEE Trans. Power Electron. 2020, 36, 2864–2874. [Google Scholar] [CrossRef]
- Soong, T. Modular Multilevel Converters with Integrated Energy Storage. Ph.D. Thesis, University of Toronto, Toronto, ON, Canada, 2015. [Google Scholar]
- Li, R.; Fletcher, J.; Williams, B. Influence of third harmonic injection on MMC-based HVDC transmission systems. IET Gener. Trans. Distrib. 2016, 10, 5764-2770. [Google Scholar] [CrossRef] [Green Version]
- Houldsworth, J.A.; Grant, D.A. The use of harmonic distortion to increase the output voltage of a three-phase PWM inverter. IEEE Trans. Ind. Appl. 1984, 5, 1224–1228. [Google Scholar] [CrossRef]
- Antonopoulos, A.; Angquist, L.; Nee, H.-P. On dynamics and voltage control of the modular multilevel converter. In Proceedings of the Power Electronics and Applications, Barcelona, Spain, 8–10 September 2009; IEEE: New York, NY, USA, 2009; pp. 1–10. [Google Scholar]
- Peralta, J.; Saad, H.; Dennetière, S.; Mahseredjian, J.; Nguefeu, S. Detailed and averaged models for a 401-level MMC–HVDC system. IEEE Trans. Power Deliv. 2012, 27, 1501–1508. [Google Scholar] [CrossRef]
- Merlin, M.M.C.; Green, T.C. Cell capacitor sizing in multilevel converters: Cases of the modular multilevel converter and alternate arm converter. IET Power Electron. 2015, 8, 350–360. [Google Scholar] [CrossRef]









| Parameters | Values |
|---|---|
| Converter nominal active power, | 1 GW |
| Maximum power imbalance, | 0.1 GW |
| Converter reactive power requirements, | +/−0.3 GVAR |
| AC phase-to-neutral voltage | 222 kV |
| Arm inductance, | 50 mH |
| AC inductance, | 50 mH |
| DC bus voltage, | 640 kV |
| Total number of submodules in an arm, | 200 |
| Submodule nominal voltage | 3.5 kV |
| Voltage ripple of equivalent submo𝐿dule capacitors | +/−10% |
| Example 1 | Example 2 | Example 3 | ||||
|---|---|---|---|---|---|---|
| Type of ES-SMs | HB | FB | HB | FB | HB | FB |
| Specifications SM capacitance, (mF) | 3 | 3 | 4 | 4 | 6 | 6 |
| ES-SM capacitance, (mF) | 3 | 3 | 4 | 4 | 4 | 4 |
| Power of an ESE (MW) | 3 | 3 | 1 | 1 | 0.5 | 0.5 |
| Results Minimum number of ES-SMs, | / | / | 31 | 73 | 34 | 34 |
Publisher’s Note: MDPI stays neutral with regard to jurisdictional claims in published maps and institutional affiliations. |
© 2022 by the authors. Licensee MDPI, Basel, Switzerland. This article is an open access article distributed under the terms and conditions of the Creative Commons Attribution (CC BY) license (https://creativecommons.org/licenses/by/4.0/).
Share and Cite
Errigo, F.; De Oliveira Porto, L.; Morel, F. Design Methodology Based on Prebuilt Components for Modular Multilevel Converters with Partial Integration of Energy Storage Systems. Energies 2022, 15, 5006. https://doi.org/10.3390/en15145006
Errigo F, De Oliveira Porto L, Morel F. Design Methodology Based on Prebuilt Components for Modular Multilevel Converters with Partial Integration of Energy Storage Systems. Energies. 2022; 15(14):5006. https://doi.org/10.3390/en15145006
Chicago/Turabian StyleErrigo, Florian, Leandro De Oliveira Porto, and Florent Morel. 2022. "Design Methodology Based on Prebuilt Components for Modular Multilevel Converters with Partial Integration of Energy Storage Systems" Energies 15, no. 14: 5006. https://doi.org/10.3390/en15145006
APA StyleErrigo, F., De Oliveira Porto, L., & Morel, F. (2022). Design Methodology Based on Prebuilt Components for Modular Multilevel Converters with Partial Integration of Energy Storage Systems. Energies, 15(14), 5006. https://doi.org/10.3390/en15145006

