Excess Energy from PV-Battery System Installations: A Case of Rural Health Center in Tigray, Ethiopia
Abstract
:1. Introduction
2. Materials and Methods
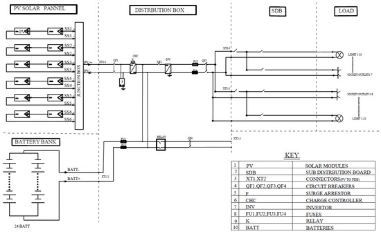
2.1. Description of Health Center PV System
2.2. Solar Radiation Data
2.3. TRNSYS Model
2.4. Analysis Scenarios
- Maximum charging current of 32 A and minimum state of charge 0.5 or 0.4.This scenario considered a maximum charging current of 32 A where the battery reached full charge from its lowest charge in ten hours. The regulator was set to control to a minimum state of charge 0.5 in one case and to 0.4 in another case.
- Maximum charging current of 16 A and minimum state of charge 0.4.This scenario considered a lower charging current and state of charge of 0.4 to determine the influence on the excess power.
- Additional load of 450 W during the day.After running the above two scenarios and observing excess power during the day time, this scenario was set with a 450 W additional load between 12:00 to 16:00. Figure 4 shows the hourly load for this scenario.
- Solar data with a ten-minute interval.The above scenarios employed hourly solar data; by comparison, this scenario used solar radiation data at ten-minute intervals. The maximum charging current was 32 A and minimum state of charge was 0.4.
3. Results and Discussion
3.1. Scenario 1 Maximum Charging Current 32 A, Minimum Sate of Charge 0.5 or 0.4
3.2. Scenario 2 Maximum Charging Current 16 A, Minimum SoC 0.4
3.3. Scenario 3 with 450 W Additional Load
3.4. Scenario 4 Solar Radiation Data at Ten-Minute Intervals
4. Conclusions
Author Contributions
Funding
Institutional Review Board Statement
Informed Consent Statement
Conflicts of Interest
References
- WHO. Access to Modern Energy Services for Health Facilities in Resource-Constrained Settings, A review of Status, Significance, Challenges and Measurement; WHO: Geneva, Switzerland, 2014. [Google Scholar]
- SEforALL. Available online: https://www.seforall.org/news/seforall-supports-energy-compact-aimed-at-powering-25000-healthcare-facilities-with-clean (accessed on 1 March 2022).
- IRENA. International Conference on Renewable Energy Solutions for Healthcare Facilities, Singapore. November 2018. Available online: https://iorec.irena.org/Home/Healthcare (accessed on 1 March 2022).
- Al-Akori, A. PV Systems for Rural Health Facilities in Developing Areas; Report IEA-PVPS T9-15; International Energy Agency: Paris, France, 2014. [Google Scholar]
- Tarragona, J.; Fernandez, C.; Alvaro, G. Model predictive control applied to a heating system with PV panel and thermal energy storage. Energy 2020, 197, 117229. [Google Scholar] [CrossRef]
- Tarragona, J.; Pisello, A.L.; Fernandez, C.; Cabeza, L.F.; Paya, J.; Javier, M.-A.; Alvaro, G. Analysis of thermal energy storage tanks and PV panels combinations in different buildings controlled through model predictive control. Energy 2022, 239, 122201. [Google Scholar] [CrossRef]
- Thygessen, R.; Bjorn, K. Simulation and analysis of a solar assisted heat pump system with two different storage types for high levels of PV electricity self-consumption. Solar Energy 2020, 103, 19–27. [Google Scholar] [CrossRef]
- Clift, D.H.; Suehrcke, H. Control optimization of PV powered electric storage and heat pump water heaters. Solar Energy 2021, 226, 489–500. [Google Scholar] [CrossRef]
- Yildiz, B.; Bilbao, J.I.; Roberts, M.; Heslop, S.; Dore, J.; Bruce, A.; MacGill, I.; Egan, R.J.; Sproul, A.B. Analysis of electricity consumption and thermal storage of domestic electric water heating systems to utilize excess PV generation. Energy 2021, 235, 121325. [Google Scholar] [CrossRef]
- Gerber, S.; Rix, A.J.; Booysen, M.J. Combining grid-tied PV and intelligent water heater control to reduce the energy costs at schools in South Africa. Energy Sustain. Dev. 2019, 50, 117–125. [Google Scholar] [CrossRef] [Green Version]
- Bhayoa, B.A.; Al-Kayiema, H.H.; Gilania, S.I. Assessment of standalone solar PV-Battery system for electricity generation and utilization of excess power for water pumping. Solar Energy 2019, 194, 766–776. [Google Scholar] [CrossRef]
- Mekelle University, EiT-M. Supply, Installation and Commissioning of Solar Photovoltaic Systems for Rural Health Centers and Health Posts in Ethiopia; Project Report; Mekelle University, EiT-M: Mekelle, Ethiopia, 2017. [Google Scholar]
- Bayray, M.; Gebreyohannes, Y.; Gebrehiwot, H.; Teklemichael, S.; Mustefa, A.; Haileslassie, A.; Gebray, P.; Kebedom, A.; Filli, F. Temporal and Spatial Solar Resource Variation by Analysis of Measured Irradiance in Geba Catchment, North Ethiopia. Sustain. Energy Technol. Assess. 2021, 44, 101110. [Google Scholar] [CrossRef]
- Mulu, B.; Yacob, G.; Hailay, G.; Solomon, T.; Anwar, M.; Asfafaw, H.; Petros, G.; Ashenafi, K.; Fana, F. Measured Solar Irradiance Data for Resource Assessment at Four Sites in Geba Catchment, Tigray, North Ethiopia. Data Brief 2022, 40, 107836. [Google Scholar]
- Mesele, H.; Mulu, B.; Asfafaw, H.; Nydal, O.J. Direct and Diffuse Solar Radiation Measurement at Mekelle, Years 2018–2019, 2020. Unpublished Data Report.
- TRNSYS Software, University of Wisconsin. Available online: https://sel.me.wisc.edu/trnsys/index.html (accessed on 1 March 2022).
- TRNSYS, Version 17 Manual, Volume 4 Mathematical Reference; Solar Energy Laboratory, University of Wisconsin: Madison, WI, USA, 2009.










| Item No. | Description | No of Units | Load (W) | Use per Day (h) | Wh |
|---|---|---|---|---|---|
| 1 | Inpatient room lighting | 18 | 8 | 5 | 720 |
| 2 | Outpatient room lighting | 13 | 8 | 5 | 520 |
| 3 | Waiting room lighting | 4 | 11 | 4 | 176 |
| 4 | Pharmacy room lighting | 4 | 11 | 4 | 176 |
| 5 | Outdoor lighting | 4 | 11 | 11 | 484 |
| 6 | Toilet lighting | 4 | 8 | 4 | 128 |
| 7 | Refrigerator | 1 | 120 | 8 | 960 |
| 8 | Microscope | 1 | 40 | 1 | 40 |
| 9 | Centrifuge | 1 | 250 | 1 | 250 |
| 10 | Television | 1 | 50 | 4 | 200 |
| 11 | Tape/radio | 1 | 60 | 4 | 240 |
| Total | 577 | 3894 | |||
| Item No. | Description | Unit | Quantity |
|---|---|---|---|
| 1 | PV module 170 Wp, 24 V | pcs | 12 |
| 2 | Solar Battery 2 V, 320 Ah | pcs | 24 |
| 3 | Inverter 2400 W, 24 V | pc | 1 |
| 4 | Charge controller 24 V, 80 A | pc | 1 |
| Component | TRNSYS Model Type [17] | Function |
|---|---|---|
| Solar Data | Type 9 | Reads solar user-defined radiation data |
| Radiation Processor | Type 16 | Calculates incident radiation on a surface based on horizontal solar radiation data and tilt angle of surface |
| PV Array | Type 94a | Crystalline PV modules connected in series and parallel |
| Battery | Type 47b | Battery power as input/output |
| Regulator/Inverter | Type 48b | Maximum power point tracking and charge monitoring |
| Load | Type 14d | Forcing function to enter the variation in the electricity load in a day |
| Unit conversion | Type 57 | Conversion of units from W to kJ/h and vice versa |
| Calculator | Equation | Calculates the excess power at every hour |
| Month | PV | Excess | |||
|---|---|---|---|---|---|
| Peak W | Daily Average Wh | Peak W | Daily Average Wh | Daily Average % of PV | |
| January | 1453 | 9504 | 737 | 2429 | 26% |
| February | 1449 | 9642 | 765 | 2627 | 27% |
| March | 1478 | 9906 | 820 | 2939 | 30% |
| April | 1462 | 9911 | 841 | 2959 | 30% |
| May | 1354 | 9342 | 784 | 2390 | 26% |
| June | 1178 | 8266 | 428 | 1334 | 16% |
| July | 1003 | 7077 | 46 | 354 | 5% |
| August | 1099 | 7639 | 372 | 506 | 7% |
| September | 1323 | 9031 | 737 | 2070 | 23% |
| October | 1404 | 9379 | 757 | 2397 | 26% |
| November | 1439 | 9496 | 742 | 2507 | 26% |
| December | 1462 | 9566 | 733 | 2502 | 26% |
Publisher’s Note: MDPI stays neutral with regard to jurisdictional claims in published maps and institutional affiliations. |
© 2022 by the authors. Licensee MDPI, Basel, Switzerland. This article is an open access article distributed under the terms and conditions of the Creative Commons Attribution (CC BY) license (https://creativecommons.org/licenses/by/4.0/).
Share and Cite
Kahsay, M.B.; Lauwaert, J. Excess Energy from PV-Battery System Installations: A Case of Rural Health Center in Tigray, Ethiopia. Energies 2022, 15, 4355. https://doi.org/10.3390/en15124355
Kahsay MB, Lauwaert J. Excess Energy from PV-Battery System Installations: A Case of Rural Health Center in Tigray, Ethiopia. Energies. 2022; 15(12):4355. https://doi.org/10.3390/en15124355
Chicago/Turabian StyleKahsay, Mulu Bayray, and Johan Lauwaert. 2022. "Excess Energy from PV-Battery System Installations: A Case of Rural Health Center in Tigray, Ethiopia" Energies 15, no. 12: 4355. https://doi.org/10.3390/en15124355
APA StyleKahsay, M. B., & Lauwaert, J. (2022). Excess Energy from PV-Battery System Installations: A Case of Rural Health Center in Tigray, Ethiopia. Energies, 15(12), 4355. https://doi.org/10.3390/en15124355

