Study of Key Technology of Gob-Side Entry Retention in a High Gas Outburst Coal Seam in the Karst Mountain Area
Abstract
:1. Introduction
2. Engineering Survey
3. Gas Prevention and Control Measures
3.1. Mining the Liberated Seam
3.2. Gas Pre-Drainage
3.3. Evaluation of Gas Pre-Drainage Effect
3.3.1. Gas Pre-Drainage Rate
3.3.2. Residual Gas Content and Residual Gas Pressure
4. Determination of Key Technology of Roof Cutting
4.1. Numerical Simulation
4.1.1. Roof Cutting Height
4.1.2. Roof Cutting Angle
4.2. Calculation of Roof Cutting Seam Parameters
4.2.1. Calculation of Roof Cutting Height
4.2.2. Calculation of the Roof Cutting Angle
4.3. Pre-Splitting Blasting Parameters
4.3.1. Spacing of Blast Holes
4.3.2. Blasting Parameters
5. Engineering Practice
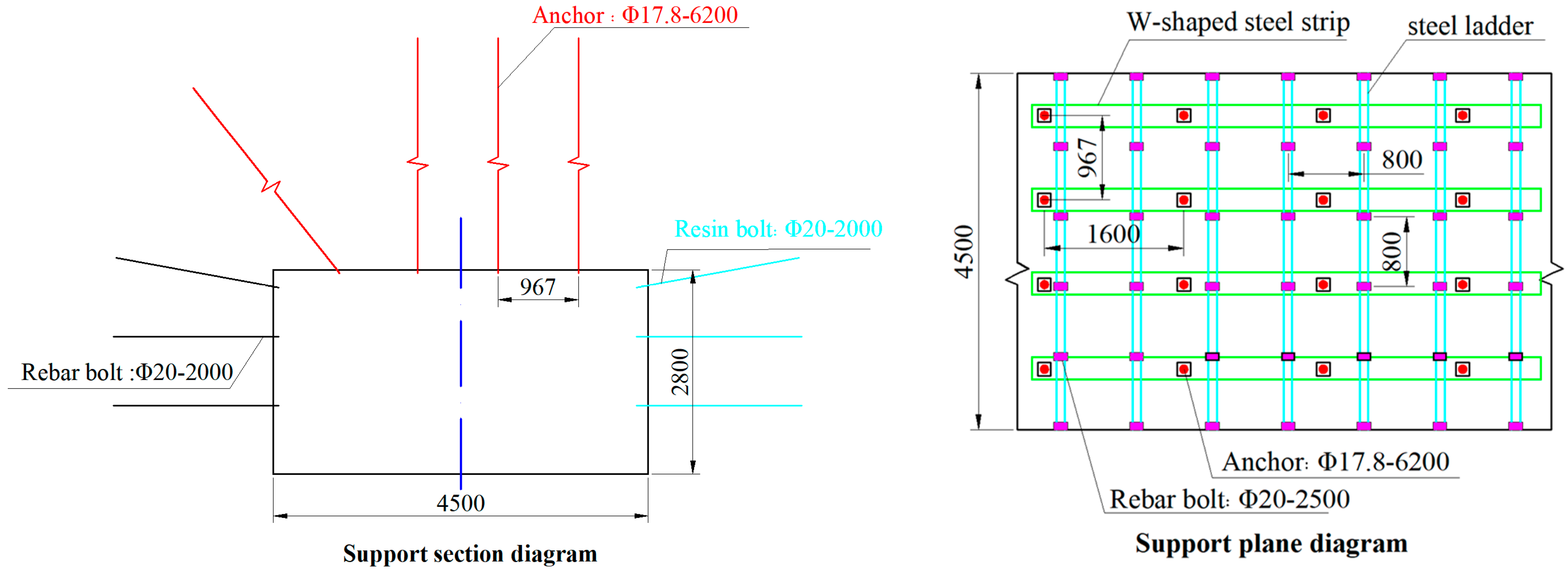
5.1. Roadway Support
5.1.1. Retaining Gangue Support
5.1.2. Advanced Temporary Support
5.1.3. Delayed Temporary Support
5.2. On-Site Monitoring
5.2.1. Advanced Influence Range of Roof Cutting
5.2.2. Harmful Gas Monitoring in Mined-Out Areas
6. Conclusions
- (1)
- The 39114 working face of the Honglin coal mine adopts the methods of mining the protective layer and gas pre-drainage to eliminate outbursts in the coal seam. After coal seam outburst elimination, the CH4 content of adjacent coal seams in the 39114 working face decreased by 50.2% and 56.1%, respectively, indicating that the mining of the liberated seam and gas pre-drainage can effectively control coal seam gas.
- (2)
- UDEC numerical simulation software was used to simulate different roof cutting heights and cutting angles. It was found that increasing the roof cutting height or cutting angle within a certain range can improve the volume of gangue fragmentation and reduce the unfilled space in the mined-out area, indicating that there are optimal values for cutting height and cutting angle.
- (3)
- After engineering practice was carried out on the 39114 working face by the use of determined optimal roof cutting parameters, the average maximum deformation of the roof was 98.3 mm and that of the two ribs was 62.3 mm. This shows that the technology of roof cutting, and keeping pressure-relief retaining roadways along mined-out areas, can effectively control roadway deformation.
- (4)
- The concentrations of CH4 and CO in the mined-out areas were monitored. The gas concentration in the mined-out areas fluctuated up and down around 0.3% and the CO concentration fluctuated up and down around 0.06%, indicating that retaining gangue support with an air duct cloth can effectively control the generation and escape of harmful gases.
- (5)
- The technology of gob-side entry retaining by roof cutting was feasible in the high gas outburst mine, and achieves the goal of safe and efficient mining.
Author Contributions
Funding
Institutional Review Board Statement
Informed Consent Statement
Data Availability Statement
Acknowledgments
Conflicts of Interest
References
- Xu, Y.; Bai, J.B.; Chen, Y.; Yue, J. Development of Scientific Mining: A Case Study of Gob-Side Entry Retaining Technology in China. Adv. Mater. Res. 2011, 255–260, 3786–3792. [Google Scholar]
- Zhang, N.; Yuan, L.; Han, C.; Xue, J.; Kan, J. Stability and deformation of surrounding rock in pillarless gob-side entry retaining. Saf. Sci. 2012, 50, 593–599. [Google Scholar] [CrossRef]
- Yang, H.; Cao, S.; Li, Y.; Sun, C.; Guo, P. Soft Roof Failure Mechanism and Supporting Method for Gob-Side Entry Retaining. Minerals 2015, 5, 707–722. [Google Scholar] [CrossRef] [Green Version]
- He, M.; Gao, Y.; Yang, J.; Gong, W. An Innovative Approach for Gob-Side Entry Retaining in Thick Coal Seam Longwall Mining. Energies 2017, 10, 1785. [Google Scholar] [CrossRef] [Green Version]
- Hu, J.; He, M.; Wang, J.; Ma, Z.; Wang, Y.; Zhang, X. Key Parameters of Roof Cutting of Gob-Side Entry Retaining in a Deep Inclined Thick Coal Seam with Hard Roof. Energies 2019, 12, 934. [Google Scholar] [CrossRef] [Green Version]
- Zhen, E.; Gao, Y.; Wang, Y.; Wang, S. Comparative Study on Two Types of Nonpillar Mining Techniques by Roof Cutting and by Filling Artificial Materials. Adv. Civ. Eng. 2019, 2019, 5267240. [Google Scholar] [CrossRef] [Green Version]
- Sun, X.; Liu, Y.; Wang, J.; Li, J.; Sun, S.; Cui, X. Study on Three-Dimensional Stress Field of Gob-Side Entry Retaining by Roof Cutting without Pillar under Near-Group Coal Seam Mining. Processes 2019, 7, 552. [Google Scholar] [CrossRef] [Green Version]
- Yang, X.; Sun, Y.; Wang, E.; Mao, W. Study and Application of Gob-Side Entry Retaining Formed by Roof Cutting and Pressure Relief in Medium-Thickness Coal Seam with Hard Roof. Geotech. Geol. Eng. 2020, 38, 3709–3723. [Google Scholar] [CrossRef]
- Wang, Q.; Jiang, B.; Wang, L.; Liu, B.; Li, S.; Gao, H.; Wang, Y. Control mechanism of roof fracture in no-pillar roadways automatically formed by roof cutting and pressure releasing. Arab. J. Geosci. 2020, 13, 274. [Google Scholar] [CrossRef]
- Xiao-Ming, S.; Gan, L.; Peng, S.; Chengyu, M.; Chengwei, Z.; Qi, L.; Xing, X. Application Research on Gob-Side Entry Retaining Methods in No. 1200 Working Face in Zhongxing Mine. Geotech. Geol. Eng. 2018, 37, 185–200. [Google Scholar] [CrossRef]
- Wang, Y.; Gao, Y.; Wang, E.; He, M.; Yang, J. Roof Deformation Characteristics and Preventive Techniques Using a Novel Non-Pillar Mining Method of Gob-Side Entry Retaining by Roof Cutting. Energies 2018, 11, 627. [Google Scholar] [CrossRef]
- Ma, Z.; Wang, J.; He, M.; Gao, Y.; Hu, J. Key Technologies and Application Test of an Innovative Noncoal Pillar Mining Approach: A Case Study. Energies 2018, 11, 2853. [Google Scholar] [CrossRef] [Green Version]
- Ma, X.; He, M.; Wang, J.; Gao, Y.; Zhu, D.; Liu, Y. Mine Strata Pressure Characteristics and Mechanisms in Gob-Side Entry Retention by Roof Cutting under Medium-Thick Coal Seam and Compound Roof Conditions. Energies 2018, 11, 2539. [Google Scholar] [CrossRef] [Green Version]
- Wang, Q.; He, M.; Yang, J.; Gao, H.; Jiang, B.; Yu, H. Study of a no-pillar mining technique with automatically formed gob-side entry retaining for longwall mining in coal mines. Int. J. Rock Mech. Min. Sci. 2018, 110, 1–8. [Google Scholar] [CrossRef]
- He, M.; Ma, X.; Yu, B. Analysis of Strata Behavior Process Characteristics of Gob-Side Entry Retaining with Roof Cutting and Pressure Releasing Based on Composite Roof Structure. Shock Vib. 2019, 2019, 2380342. [Google Scholar] [CrossRef] [Green Version]
- Shao, L.; Huang, B.; Zhao, X. Secondary Gob-side Entry Retaining Technology with Double Side Roof Cutting and Pressure Relief in Thin Coal Seam. Int. J. Oil Gas Coal Eng. 2020, 8, 91. [Google Scholar] [CrossRef]
- Zhu, Z.; Zhu, C.; Yuan, H. Distribution and Evolution Characteristics of Macroscopic Stress Field in Gob-Side Entry Retaining by Roof Cutting. Geotech. Geol. Eng. 2019, 37, 2963–2976. [Google Scholar] [CrossRef]
- Xingen, M.; Manchao, H.; Jiandong, S.; Jie, H.; Xingyu, Z.; Jiabin, Z. Research on the Design of Roof Cutting Parameters of Non Coal Pillar Gob-side Entry Retaining Mining with Roof Cutting and Pressure Releasing. Geotech. Geol. Eng. 2019, 37, 1169–1184. [Google Scholar] [CrossRef]
- Tian, C.; Wang, A.; Liu, Y.; Jia, T. Study on the Migration Law of Overlying Strata of Gob-Side Entry Retaining Formed by Roof Cutting and Pressure Releasing in the Shallow Seam. Shock Vib. 2020, 2020, 8821160. [Google Scholar] [CrossRef]
- Sun, B.-J.; Hua, X.-Z.; Zhang, Y.; Yin, J.; He, K.; Zhao, C.; Li, Y. Analysis of Roof Deformation Mechanism and Control Measures with Roof Cutting and Pressure Releasing in Gob-Side Entry Retaining. Shock Vib. 2021, 2021, 6677407. [Google Scholar] [CrossRef]
- Zhang, J.; Yang, F.; Wang, R.; Zheng, C.; Sun, N.; Lei, W.; Xu, T.; Zhang, J.; Miao, Z. Study on Optimum Design of Outburst Prevention Measures in Weijiadi Coal Mine. IOP Conf. Series Earth Environ. Sci. 2019, 252, 052098. [Google Scholar] [CrossRef]
- Hudeček, V.; Vaněk, M.; Černý, I. Economic Assessment of Methods of Coal and Gas Outburst Prevention in the Extraction of Coalfaces. New Trends Prod. Eng. 2020, 3, 379–393. [Google Scholar] [CrossRef]
- Hudecek, V.; Urban, P.; Stavtnoha, J. Problems of higher gas emission and coal and gas outbursts in the Czech Republic and other countries of the world. J. Mines Met. Fuels 2010, 58, 212–216. [Google Scholar]
- Xiao, F.; Duan, L.; Ge, Z. Floor fracture law of coal mining face and gas pre-drainage application. J. Coal 2010, 35, 417–419. [Google Scholar] [CrossRef]
- Chi, B.; Zhou, K.; He, M.; Yang, J.; Wang, Q.; Ma, X. Optimization of support parameters of roof cutting roadway in large mining height working face. Coal Sci. Technol. 2017, 45, 128–133. [Google Scholar] [CrossRef]
- He, M.; Ma, X.; Niu, F.; Wang, J.; Liu, Y. Adaptability research and application of fast coal pillar-free self-forming roadway with composite roof in medium-thick coal seam. J. Rock Mech. Eng. 2018, 37, 2641–2654. [Google Scholar] [CrossRef]























| Coal Seam | Original Gas Content (m3/t) | Original Gas Pressure (MPa) |
|---|---|---|
| 7# | 12.46 | 0.08–0.58 |
| 9# | 13.9374 | 0.12–0.69 |
| 15# | 3.6 | 0.05–0.4 |
| 39114 Return Airway | ||||
| Number | Azimuth (°) | Dip Angle (°) | Design Length (m) | Spacing (m) |
| 1 | 89 | +28 | 47 | 0.38 |
| 2 | 110 | +25 | 48 | 0.38 |
| 3 | 126 | +20 | 55 | 0.38 |
| 4 | 138 | +15 | 64 | 0.38 |
| 5 | 146 | +11 | 76 | 0.38 |
| 6 | 152 | +8 | 88 | 0.38 |
| 39114 Haulage Roadway | ||||
| Number | Azimuth (°) | Dip Angle (°) | Design Length (m) | Spacing (m) |
| 1 | 77 | +29 | 48.5 | 0.3 |
| 2 | 60 | +28 | 54.2 | 0.3 |
| 3 | 47 | +26 | 63 | 0.3 |
| 4 | 38 | +23 | 74 | 0.3 |
| 5 | 31 | +21 | 85.5 | 0.3 |
| 6 | 27 | +19 | 98.2 | 0.3 |
| Location | Number | Depth (m) | Azimuth(°) | Residual Gas Pressure (MPa) | Residual Gas Content (m3/t) |
|---|---|---|---|---|---|
| 39114 return airway (along the 9# coal seam) | 1 | 44 | 180 | 0.092 | 6.1033 |
| 87 | 180 | 0.094 | 6.1695 | ||
| 2 | 44 | 180 | 0.101 | 6.3613 | |
| 3 | 87 | 180 | 0.081 | 5.7999 | |
| 4 | 44 | 180 | 0.098 | 6.2805 | |
| 5 | 87 | 180 | 0.093 | 6.1316 | |
| 6 | 46 | 180 | 0.091 | 6.0843 | |
| 39114 haulage roadway (along 9# coal seam) | 1 | 54.2 | 0 | 0.08 | 5.7639 |
| 2 | 80.56 | 0 | 0.088 | 5.9996 | |
| 3 | 48 | 0 | 0.101 | 6.3538 | |
| 4 | 82 | 0 | 0.089 | 6.0343 | |
| 5 | 53 | 0 | 0.095 | 6.1963 | |
| 6 | 87 | 0 | 0.095 | 6.204 | |
| Average value | 0.092 | 6.114 | |||
| 39114 return airway (through the 7# coal seam) | 1 | 48.6 | 89 | 0.123 | 6.1639 |
| 2 | 76 | 146 | 0.13 | 6.3053 | |
| 39114 haulage roadway (through the 7# coal seam) | 1 | 45 | 35 | 0.121 | 6.1187 |
| 2 | 101.84 | 35 | 0.128 | 6.2756 | |
| Average value | 0.126 | 6.2159 | |||
Publisher’s Note: MDPI stays neutral with regard to jurisdictional claims in published maps and institutional affiliations. |
© 2022 by the authors. Licensee MDPI, Basel, Switzerland. This article is an open access article distributed under the terms and conditions of the Creative Commons Attribution (CC BY) license (https://creativecommons.org/licenses/by/4.0/).
Share and Cite
Ma, Z.; Zhang, D.; Cao, Y.; Yang, W.; Xu, B. Study of Key Technology of Gob-Side Entry Retention in a High Gas Outburst Coal Seam in the Karst Mountain Area. Energies 2022, 15, 4161. https://doi.org/10.3390/en15114161
Ma Z, Zhang D, Cao Y, Yang W, Xu B. Study of Key Technology of Gob-Side Entry Retention in a High Gas Outburst Coal Seam in the Karst Mountain Area. Energies. 2022; 15(11):4161. https://doi.org/10.3390/en15114161
Chicago/Turabian StyleMa, Zhenqian, Dongyue Zhang, Yunqin Cao, Wei Yang, and Biao Xu. 2022. "Study of Key Technology of Gob-Side Entry Retention in a High Gas Outburst Coal Seam in the Karst Mountain Area" Energies 15, no. 11: 4161. https://doi.org/10.3390/en15114161
APA StyleMa, Z., Zhang, D., Cao, Y., Yang, W., & Xu, B. (2022). Study of Key Technology of Gob-Side Entry Retention in a High Gas Outburst Coal Seam in the Karst Mountain Area. Energies, 15(11), 4161. https://doi.org/10.3390/en15114161

