Impact of Hydraulic System Stiffness on Its Energy Losses and Its Efficiency in Positioning Mechanical Systems
Abstract
:1. Introduction
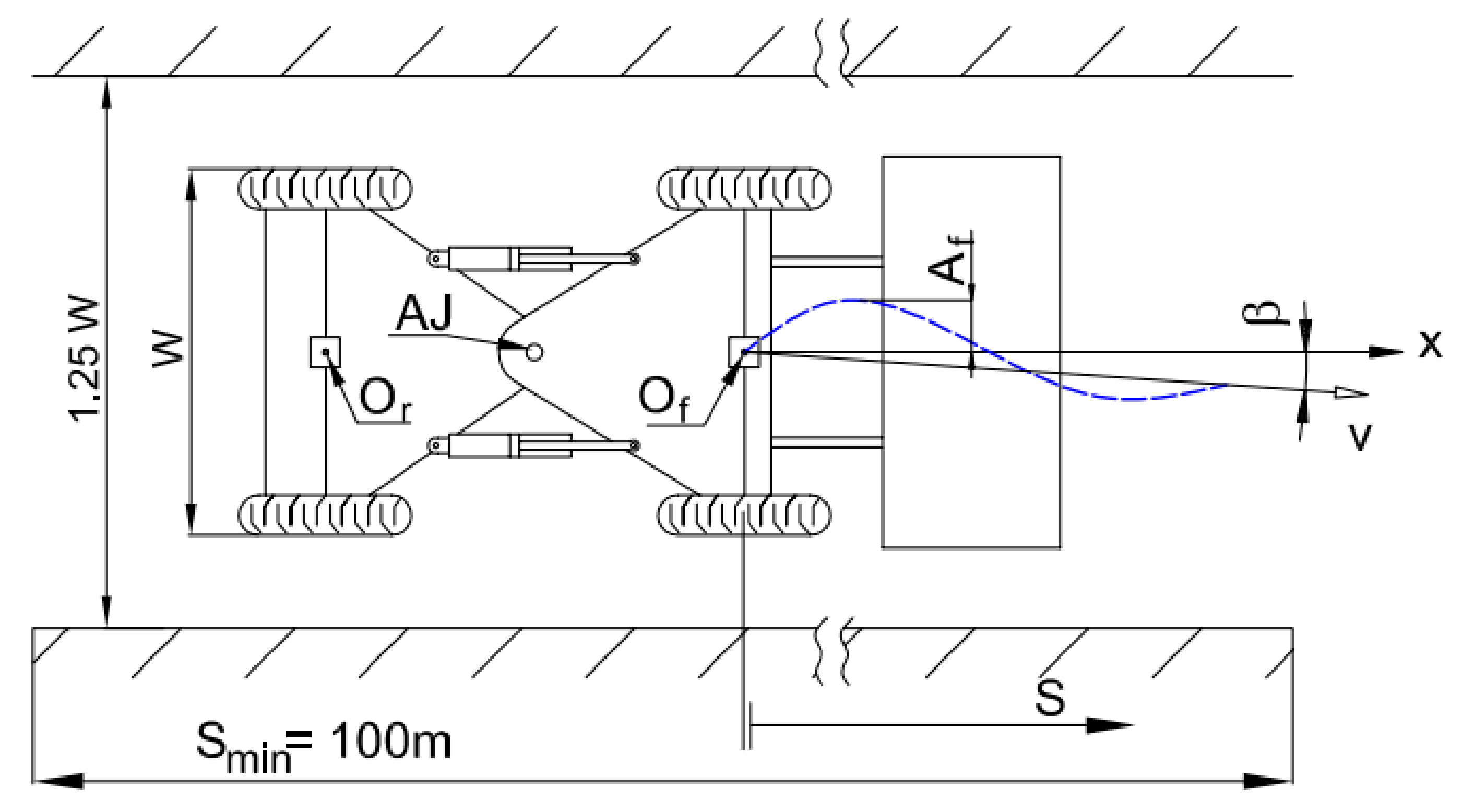
2. Snaking Behaviour of an Articulated Frame Steer Wheeled Vehicle—State of the Art
3. Experimental Tests of Effective Torsional Stiffness for the Hydraulic Steering System

- -
- tangent bulk modulus Bp of the hose:or
- -
- secant bulk modulus of the hose:
4. Modelling and Validation of Effective Torsional Stiffness for the Hydraulic Steering System
5. Validation of Mathematical Model for Effective Torsional Stiffness of the Hydraulic Steering System
6. Computational Results
7. Conclusions
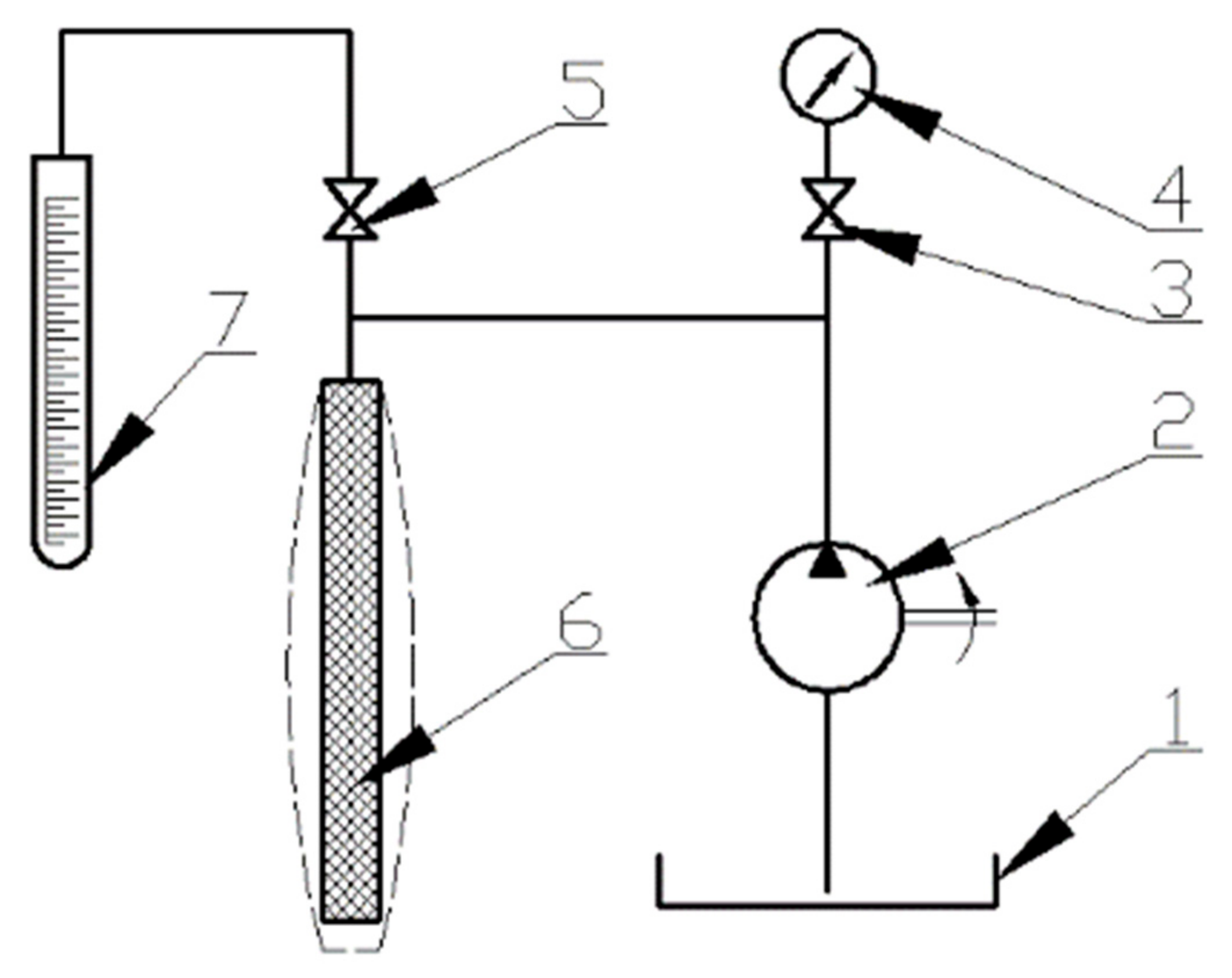
- Flexible hydraulic hoses: their design solution, together with the material, their geometry, bend curvatures, internal pressure, and temperature of the oil, as well as their operating time. The flexibility of hydraulic hoses is described globally by the effective bulk modulus Bp,e. Because of the complex composite structure of flexible hydraulic hoses, for practical reasons, this modulus is best determined experimentally for the hoses used in a given case.
- Effective bulk modulus of the working fluid vs. content of undissolved air, fluid temperature, and pressure. Many researchers assume this modulus as constant, which generates errors. The presented test results showed that undissolved air content in the fluid significantly decreased the effective modulus of bulk elasticity of the fluid, leading to a decrease in the effective stiffness of the steering system. For example, simulation tests for the test machine indicated that the flexibility of hydraulic hoses, taking into account the flexibility of the fluid contained in them, can decrease the effective stiffness of the steering system as much as 50% under operating conditions.
- Reduced hydraulic capacity (capacitance) of the steering system. Its increase is accompanied by a decrease in the effective stiffness of the hydraulic steering system.
- Placement geometry of the hydraulic steering cylinders (described by geometrical parameters a, b, c, and d), which is an indicator of the so-called structural stiffness. In the presented mathematical model, two hydraulic steering cylinders were replaced from the point of view of energy with one equivalent hydraulic cylinder. The simulation results confirmed that the larger the equivalent arm of the force generated in the equivalent steering cylinder, the higher the effective stiffness of the steering mechanism.
- The effective surface area of an equivalent hydraulic cylinder: the larger the surface area at a constant capacitance of the steering system, the higher the effective stiffness of the steering mechanism.
Author Contributions
Funding
Institutional Review Board Statement
Informed Consent Statement
Data Availability Statement
Conflicts of Interest
Nomenclature
| A | Cross-section of the cylinder (m2) |
| a, b, c, d | Geometrical parameters connected with the layout of the hydraulic cylinders of the steering system (m) |
| Bair | Bulk modulus of air (Pa) |
| Be | Equivalent bulk modulus of the hydraulic fluid reduced to take account of entrapped air of hose elasticity and temperature (Pa) |
| Bf | Bulk modulus of the (deaerated) oil (Pa) |
| Bf, a | Bulk modulus of the fluid as a mixture of the fluid and undissolved gas (Pa) |
| Tangent or secant bulk modulus of hose (Pa) | |
| Bp,e | Effective bulk modulus of flexible hydraulic hoses reduced to take account of temperature (Pa) |
| c | Reduced hydraulic capacity (capacitance) of the system (m5/N) |
| cf,a | Capacitance of the oil–gas mixture (m5/N) |
| cp | Capacitance of flexible hydraulic hoses (m5/N) |
| cz,i | Normal tyre damping (Ns/m) |
| cy,i | Lateral tyre damping (Ns/m) |
| D, dt | Piston and piston rod diameter in hydraulic cylinders of the steering mechanism (m) |
| The resulting force of the effect of ∆Ms (N) | |
| hair | Height of the cylinder chamber filled with air (m) |
| he | Equivalent arm of vicarious hydraulic cylinder that is energetically equivalent to two hydraulic cylinders of steering mechanism (m) |
| hf | Height of the cylinder chamber filled with oil (m) |
| ho, hi | Moment arm in the outer and inner hydraulic cylinders of the steering mechanism in relation to the steering joint AJ (m) |
| ko | Global linear stiffness reduced to outer steering hydraulic cylinder, resulting mainly from the flexibility of liquid, taking into account the undissolved air and the flexibility of hydraulic hoses (N/m) |
| Tangent or secant effective torsional stiffness for the hydraulic steering system (Nm/rad) | |
| kz,i | Normal tyre stiffness (N/m) |
| ky,i | Lateral tyre stiffness in the contact region of the tyre (N/m) |
| kα,i | Cornering stiffness (cornering rate) (N/rad) |
| kε,zi | Cornering stiffness (aligning rate) (Nm/rad) |
| lp | Hose length (m) |
| ΔMS | Steering torque about the articulation joint (Nm) |
| n | Polytropic constant (-) |
| Δp | Instantaneous absolute pressure (Pa) |
| Δpi | Internal pressure in the hydraulic hose (Pa) |
| p0 | Atmospheric pressure (Pa) |
| ps0 | Initial hydraulic cylinders pressure during considerations where ps0 = 0 (Pa) |
| Δps | Pressure in the steering hydraulic cylinders resulting from the effect of moment ∆Ms generated during the movement of the machine (Pa) |
| Δso, Δsi | Piston displacement in the outer or inner hydraulic cylinder of steering mechanism (m) |
| Gas volume (m3) | |
| Vc | Total fluid volume in the steering hydraulic system (m3) |
| ΔVc,p | Hydraulic hose volume change due to oil elasticity (m3) |
| Vf | Thick-walled steel pipe oil volume change due to oil elasticity (m3) |
| Gas–liquid mixture volume (m3) | |
| ∆Vf,t | Volume change resulting from compressibility of the liquid (m3) |
| Vi | Fluid volume in the inner hydraulic cylinder of the steering system (m3) |
| Vo | Fluid volume in the outer hydraulic cylinder of the steering system (m3) |
| ∆Vp | Change in the internal volume of the hose under the influence of pressure Δpi of the working fluid (m3) |
| ∆Vp,t | Volume change resulting from deformations of the tested hydraulic hose (m3) |
| Vp,s | Fluid volume in flexible hydraulic hoses (m3) |
| V0,p | Initial internal volume of the tested hose filled with a liquid (m3) |
| Vzm | Total hose volume change (m3) |
| η | Efficiency of the steering hydraulic cylinders (-) |
| λp | Volume expansion factor of hydraulic hoses (-) |
| Δγ | Articulation angle between the front and rear units (frames) of the vehicle (rad) |
| Volumetric fraction of entrained air at atmospheric pressure (-) | |
| β | Side slip angle of vehicle (rad) |
References
- Dudziński, P. Lenksysteme für Nutzfahrzeuge; Springer: Berlin/Heidelberg, Germany; New York, NY, USA, 2005. [Google Scholar]
- Łopatka, M.; Muszyński, T. Identification of Snaking Phenomenon of Articulated Wheeled Machines. WAT Bull. 2003, 52, 67–79. Available online: http://yadda.icm.edu.pl/baztech/element/bwmeta1.element.baztech-article-BWA2-0006-0152 (accessed on 30 October 2021). (In Polish).
- ISO 5010:2019; Earth-Moving Machinery, Wheeled Machines, Steering Requirements. ISO: Geneva, Switzerland, 2019. Available online: https://www.iso.org/standard/68453.html (accessed on 30 October 2021).
- EN 12643:2014; Earth-Moving Machinery. Rubber-Tyred Machines. Steering Requirements. ISO: Geneva, Switzerland, 2014. Available online: https://standards.iteh.ai/catalog/standards/cen/1640d61b-5231-43e6-b9ba-a72111d79a1b/en-12643-2014 (accessed on 30 October 2021).
- SAE J1511/ISO 5010-1994-02; Steering for Off-Road, Rubber-Tired Machines. SAE International: Wallendale, PA, USA, 1994. Available online: https://www.sae.org/standards/content/j1511_199402 (accessed on 30 October 2021).
- SAE J1790-1998-06; Self-Propelled Sweepers and Scrubbers Steering Requirements Single-Circuit Hydraulic Servo-Assisted Systems. SAE International: Wallendale, PA, USA, 1998. Available online: https://www.sae.org/standards/content/j1790_200305/ (accessed on 30 October 2021).
- Mitschke, M.; Wallentowitz, H. Dynamik der Kraftfahrzeuge; Springer: Berlin/Heidelberg, Germany; New York, NY, USA, 2004. [Google Scholar]
- Rill, G. Road Vehicle Dynamics: Fundamentals and Modelling; CRC Press Taylor & Francis Group: Boca Raton, FL, USA, 2020; Available online: https://www.taylorfrancis.com/books/mono/10.1201/9780429244476/road-vehicle-dynamics-georg-rill-abel-arrieta-castro (accessed on 30 October 2021).
- Dudziński, P.; Skurjat, A. Directional dynamics problems of an articulated frame steer wheeled vehicles. J. Kones Powertrain Transp. 2012, 19, 89–98. [Google Scholar] [CrossRef]
- Dudziński, P.; Skurjat, A. Motion stability problems in an articulated frame steering wheeled vehicle, ATZ. Automob. Z. 2010, 4, 64–68. [Google Scholar]
- Dudziński, P.; Skurjat, A. Innovative steering system for optimizing operation properties in mobile working machines. In Proceedings of the Antriebstechnische Kolloquium (ATK), Aachen, Germany, 3–4 March 2015. [Google Scholar]
- Technical Materials from Danfoss. Available online: https://www.danfoss.com/en/products/dps/valves-and-actuators/valves/pvg-proportional-valves/ (accessed on 30 October 2021).
- Dudziński, P.; Hapel, G.; Skurjat, A. Method and Device for Automatic Adaptive Vehicle Control. Patent No. 216468, 21 August 2009. (In Polish). [Google Scholar]
- Jiang, W.; Luo, X.; Chen, X. Influence of structural flexibility on the nonlinear stiffness of hydraulic system. Adv. Mech. Eng. 2016, 8, 1687814016663806. [Google Scholar] [CrossRef] [Green Version]
- Feng, H.; Du, Q.; Huang, Y.; Chi, Y. Modelling study on stiffness characteristics of hydraulic cylinder under multi-factors. J. Mech. Eng. 2017, 63, 447–456. [Google Scholar] [CrossRef] [Green Version]
- Zhu, J.; Wang, Y.; Jiang, J.; Sun, B.; Cao, H. Unidirectional variable stiffness hydraulic actuator for load-carrying knee exoskeleton. Int. J. Adv. Robot. Syst. 2017, 14, 1729881416686955. [Google Scholar] [CrossRef] [Green Version]
- Horton, D.N.L.; Crolla, D.A. Theoretical Analysis of the Steering Behaviour of Articulated Frame Steer Vehicles. Veh. Syst. Dyn. 1986, 15, 211–234. [Google Scholar] [CrossRef]
- Azad, N.L.; McPhee, J.; Khajepour, A. The effects of front and rear tires characteristics on the snaking behaviour of articulated steer vehicles. In Proceedings of the 2005 IEEE Vehicle Power and Propulsion Conference, Chicago, IL, USA, 7 September 2005; Volume 7–9. [Google Scholar]
- He, Y.; Khajepour, A.; McPhee, J.; Wang, X. Dynamic modelling and stability analysis of articulated frame steer vehicles. Int. J. Veh. Syst. 2005, 12, 28–59. [Google Scholar] [CrossRef]
- Azad, N.L.; McPhee, J.; Khajepour, A. Off-road lateral stability analysis of an articulated steer vehicle with a rear-mounted load. Int. J. Veh. Syst. Model. Test. 2005, 1, 106–130. [Google Scholar] [CrossRef]
- Rehnberg, A.; Drugge, L.; Trigell, A.S. Snaking stability of articulated frame steer vehicles with axle. Int. J. Heavy Veh. Syst. 2010, 17, 119–138. [Google Scholar] [CrossRef]
- Rehnberg, A. Suspension Design for Off-Road Construction Machines. Ph.D. Thesis, KTH, School of Engineering Sciences (SCI), Stockholm, Sweden, 2011. [Google Scholar]
- Dudziński, P.; Skurjat, A. Directional stability control of body steer wheeled articulated vehicles. In Dynamical Systems Theory and Applications; Springer: Łódź, Poland, 2018. [Google Scholar]
- Skurjat, A. Tests of influence of geometry and elasticity of hoses of hydraulic articulated steering system on its stiffness. In Proceedings of the 24th International Conference Engineering Mechanics, Svratka, Czech Republic, 14–17 May 2018. [Google Scholar]
- Muszyński, M. Snaking of Articulated Wheeled Vehicles with a Hydrostatic Steering System. Ph.D. Thesis, WAT, Warsaw, Poland, 2004. (In Polish). [Google Scholar]
- Perez, J.A.L.; De Pieri, E.R.; De Negri, V.J. Force control of hydraulic actuators using additional hydraulic compliance. J. Mech. Eng. 2018, 64, 579–589. [Google Scholar]
- Brunner, H. Untersuchungen zum elastischen Verhalten von Hydraulikschläuchen bei Druckbeaschlagung. Maschinenbautechnik 1975, 24, 549–552. [Google Scholar]
- Guillon, M. Etude et Determination des Systemes Hydrauliques; Dunod: Paris, France, 1961. [Google Scholar]
- Fiebig, W.; Spławski, M. Influence of Structure and Static Pressure on Transmission of Vibrations in Flexible Hydraulic Hose. In Proceedings of the Conference Hydraulic Drives in Machines and Vehicles; Wrocław University of Science and Technology: Wrocław, Poland, 2012; pp. 35–42. (In Polish) [Google Scholar]
- Gholizadeh, H. Modeling and Experimental Evaluation of the Effective Bulk Modulus for a Mixture of Hydraulic Oil and Air. Ph.D. Thesis, Philosophy in the Department of Mechanical Engineering, University of Saskatchewan, Saskatoon, SK, Canada, 2013. [Google Scholar]
- Knezevic, D.; Milasinovic, A.; Milavanovic, Z.; Savic, V. Analysis of changes of bulk modulus of mineral oil—Effects on the dynamic behaviour of hydraulic actuators. In Proceedings of the 12th International Conference on Tribology, Kragujevac, Serbia, 11–13 May 2011. [Google Scholar]
- Stojanoski, G.; Rath, G.; Gimpel, M. The effects of bulk modulus on the dynamics of controlled independent metering system. In Proceedings of the Sixteenth Scandinavian International Conference on Fluid Power, Tampere, Finland, 22–24 May 2019. [Google Scholar]
- Sakama, S.; Kitazawa, Y.; Sugawara, Y.; Tanaka, Y. Estimating the air volume fraction in hydraulic oil by measuring the effective bulk modulus. In Proceedings of the 11th International Fluid Power Conference, Aachen, Germany, 19–21 March 2018. [Google Scholar]
- Longhitano, M.; Protase, A.; Murrenhoff, H. Experimental investigation of the air release in hydraulic reservoirs. In Proceedings of the 10th International Fluid Power Conference, Dresden, Germany, 8–10 March 2016. [Google Scholar]


















Publisher’s Note: MDPI stays neutral with regard to jurisdictional claims in published maps and institutional affiliations. |
© 2022 by the authors. Licensee MDPI, Basel, Switzerland. This article is an open access article distributed under the terms and conditions of the Creative Commons Attribution (CC BY) license (https://creativecommons.org/licenses/by/4.0/).
Share and Cite
Dudziński, P.; Skurjat, A. Impact of Hydraulic System Stiffness on Its Energy Losses and Its Efficiency in Positioning Mechanical Systems. Energies 2022, 15, 294. https://doi.org/10.3390/en15010294
Dudziński P, Skurjat A. Impact of Hydraulic System Stiffness on Its Energy Losses and Its Efficiency in Positioning Mechanical Systems. Energies. 2022; 15(1):294. https://doi.org/10.3390/en15010294
Chicago/Turabian StyleDudziński, Piotr, and Aleksander Skurjat. 2022. "Impact of Hydraulic System Stiffness on Its Energy Losses and Its Efficiency in Positioning Mechanical Systems" Energies 15, no. 1: 294. https://doi.org/10.3390/en15010294
APA StyleDudziński, P., & Skurjat, A. (2022). Impact of Hydraulic System Stiffness on Its Energy Losses and Its Efficiency in Positioning Mechanical Systems. Energies, 15(1), 294. https://doi.org/10.3390/en15010294

