A Design Methodology for EV-WPT Systems to Resonate at Arbitrary Given Bands
Abstract
:1. Introduction
2. Theoretical Analysis
2.1. The Necessary Concepts
- Frequency spectrum curve: Frequency spectrum curve is the curve of output power versus the operating frequency, which usually is a multi-peak curve.
- Band: The frequency range when the current amplitude is reduced to 0.707 times the maximum current amplitude (the power is reduced to the half of the maximum output power), referred to as the band.
- Center frequency: The frequency of the peak is termed as the center frequency of the band.
- Multi-band system: Multi-band system means that the frequency spectrum of the system is a multi-peak curve. The number of peaks equal to the number of bands. Single-band system indicates that the frequency spectrum curve is a single-peak curve, dual-band system indicates that the frequency spectrum curve is a dual-peak curve, and tri-band system indicates that the frequency spectrum curve is a tri-peak curve.
- Cut-off frequencies: the frequencies at which the current amplitudes equal to 0.707 times the maximum current amplitude in a band term as the cut-off frequencies of the band. In a band, there are usually two half-power frequencies, one of which is greater than the center frequency, and the other is less than the center frequency.
- Bandwidth: the frequency range of the two cut-off frequencies is termed as the bandwidth of the band.
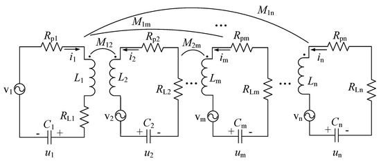
2.2. System Modeling
2.3. Frequency Spectrum Analysis
3. Method to Design of Multi-Band EV-WPT Systems
- S1.
- Determining the number of coils (n), inductance matrix L, capacitor matrix C and resistance matrix R according to the practical application, where the parameters need to be designed are represented by corresponding symbols as shown in Figure 1.
- S2.
- According to the application requirement, determining the number of bands (k) and corresponding center frequencies and bandwidths .
- S3.
- Determining the multiplicity of the q-th band. The value of rq is freely determined by the designer, but it need to satisfy .
- S4.
- Determining the expected eigenvalues ( and ) of the q-th band by using
- S5.
- Calculating the expected characteristic equation by using
- S6.
- Substituting matrix L, C and R into , the actual characteristic formula of the system can be calculated as
- S7.
- Then the parameters in expected system can be defined by using
4. Practical System Design
4.1. The Nonlinear Programming Model of Tri-Coil EV-WPT Systems
4.2. Parameter Design
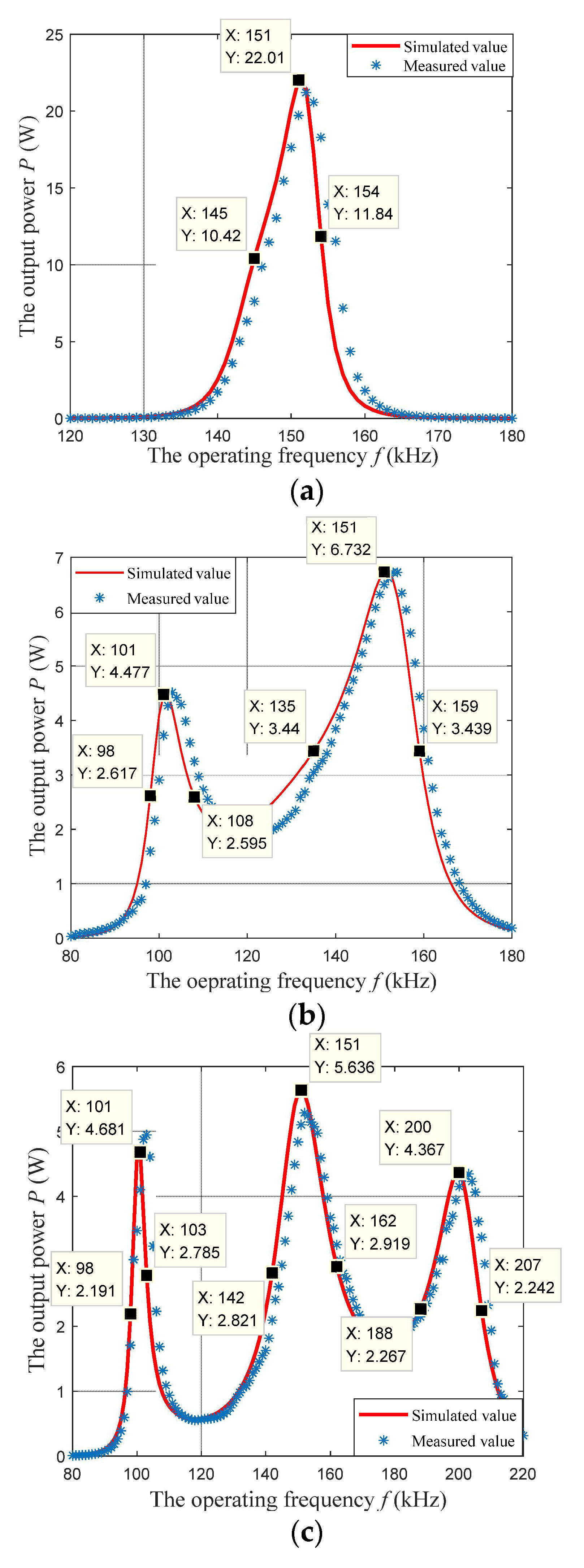
5. Experimental Verification
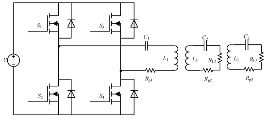
5.1. Experimental Setup
5.2. Practical Measurements
6. Conclusions
- The design indexes of the method proposed in this article include not only the center frequencies of the bands, but also the bandwidths.
- The proposed method does not have to add any extra LC branch circuits or extra coils.
- The proposed method suits for arbitrary coil EV-WPT systems with an arbitrary number of bands (no more than the coils), including a multi-coil EV-WPT system with a single given band (without frequency splitting phenomenon).
Author Contributions
Funding
Conflicts of Interest
Appendix A
Appendix B
References
- Kurs, A.; Karalis, A.; Moffatt, R.; Joannopoulos, J.D.; Fisher, P.; Soljacic, M. Wireless power transfer via strongly coupled magnetic resonances. Science 2007, 317, 83–86. [Google Scholar] [CrossRef] [PubMed] [Green Version]
- Zhang, Z.; Pang, H.; Georgiadis, A.; Cecati, C. Wireless power transfer—An overview. IEEE Trans. Ind. Electron. 2019, 66, 1044–1058. [Google Scholar] [CrossRef]
- Mahesh, A.; Chokkalingam, B.; Mihet-Popa, L. Inductive wireless power transfer charging for electric vehicles—A review. IEEE Access 2021, 9, 137667–137713. [Google Scholar] [CrossRef]
- Jiang, Y.; Wang, L.; Wang, Y.; Liu, J.; Wu, M.; Ning, G. Analysis, design, and implementation of WPT system for EV’s battery charging based on optimal operation frequency range. IEEE Trans. Power Electron. 2019, 34, 6890–6905. [Google Scholar] [CrossRef]
- Chen, J.; Li, S.; Chen, S.; He, S.; Shi, Z. Q-Charge: A quadcopter-based wireless charging platform for large-scale sensing applications. IEEE Netw. 2017, 31, 56–61. [Google Scholar] [CrossRef]
- Zhou, J.; Zhang, B.; Xiao, W.; Qiu, D.; Chen, Y. Nonlinear Parity-Time-Symmetric model for constant efficiency wireless power transfer: Application to a Drone-in-Flight wireless charging platform. IEEE Trans. Ind. Electron. 2019, 66, 4097–4107. [Google Scholar] [CrossRef]
- Johari, R.; Krogmeier, J.V.; Love, D.J. Analysis and practical considerations in implementing multiple transmitters for wireless power transfer via coupled magnetic resonance. IEEE Trans. Ind. Electron. 2014, 61, 1774–1783. [Google Scholar] [CrossRef]
- Ahn, D.; Hong, S. Effect of coupling between multiple transmitters or multiple receivers on wireless power transfer. IEEE Trans. Ind. Electron. 2013, 60, 2602–2613. [Google Scholar] [CrossRef]
- Minh, Q.N.; Chou, Y.; Plesa, D.; Rao, S.; Chiao, J. Multiple-inputs and multiple-outputs wireless power combining and delivering systems. IEEE Trans. Power Electron. 2015, 30, 6254–6263. [Google Scholar] [CrossRef]
- Fu, M.; Zhang, T.; Zhu, X.; Luk, P.C.; Ma, C. Compensation of cross coupling in multiple-receiver wireless power transfer systems. IEEE Trans. Ind. Inform. 2016, 12, 474–482. [Google Scholar] [CrossRef]
- Yue, S.; Xia, J.; Tang, C.; Xiang, L. Path optimization for wireless power transfer networks with cellular genetic algorithm. J. Xi’an Jiao Tong Univ. 2017, 51, 30–36. [Google Scholar] [CrossRef]
- Zhao, Z.; Sun, Y.; Hu, A.; Dai, X.; Tang, C. Energy link optimization in a wireless power transfer grid under energy autonomy based on the improved genetic algorithm. Energies 2016, 9, 682. [Google Scholar] [CrossRef] [Green Version]
- BSS Standard A4WP-S-0001 v1.2; A4WP Wireless Power Transfer System Baseline System Specification. A4WP: Fremont, CA, USA, 2014.
- Wireless Power Consortium. System Description Wireless Power Transfer Volume 1: Low Power, Wireless Power Consortium Specification; Wireless Power Consortium: Piscataway, NJ, USA, 2013. [Google Scholar]
- Standard PMA-TS-003–0 v1.00; PMA Inductive Wireless Power and Charging Transmitter Specification-System Release 1. PMA: Cincinnati, OH, USA, 2014.
- Zhong, W.X.; Zhang, C.; Liu, X.; Hui, S.Y.R. A methodology for making a three-coil wireless power transfer system more energy efficient than a two-coil counterpart for extended transfer distance. IEEE Trans. Power Electron. 2015, 30, 933–942. [Google Scholar] [CrossRef]
- Ye, Z.; Sun, Y.; Dai, X.; Tang, C.; Wang, Z.; Su, Y. Energy efficiency analysis of u-coil wireless power transfer system. IEEE Trans. Power Electron. 2016, 31, 4809–4817. [Google Scholar] [CrossRef]
- Zhang, W.; Wong, S.; Tse, C.K.; Chen, Q. Design for efficiency optimization and voltage controllability of series–series compensated inductive power transfer systems. IEEE Trans. Power Electron. 2014, 29, 191–200. [Google Scholar] [CrossRef]
- Huang, X.; Xie, H.; Lin, S. A Novel Adjustable Coupling Method of Four-Coil WPT System. Proc. CSEE 2018, 38, 1440–1447. [Google Scholar] [CrossRef]
- Zhang, Y.; Zhao, Z.; Chen, K. Frequency-splitting analysis of four-coil resonant wireless power transfer. IEEE Trans. Ind. Appl. 2014, 50, 2436–2445. [Google Scholar] [CrossRef]
- Wang, C.S.; Covic, G.A.; Stielau, O.H. Power transfer capability and bifurcation phenomena of loosely coupled inductive power transfer systems. IEEE Trans. Ind. Electron. 2004, 51, 148–157. [Google Scholar] [CrossRef]
- Sun, Y.; Liao, Z.; Ye, Z.; Tang, C.; Wang, P. Determining the maximum power transfer points for MC-WPT systems with arbitrary number of coils. IEEE Trans. Power Electron. 2018, 33, 9734–9743. [Google Scholar] [CrossRef]
- Cirimele, V.; Torchio, R.; Villa, J.L.; Freschi, F.; Alotto, P.; Codecasa, L.; Di Rienzo, L. Uncertainty quantification for SAE j2954 compliant static wireless charge components. IEEE Access 2020, 8, 171489–171501. [Google Scholar] [CrossRef]
- Sinha, S.; Kumar, A.; Regensburger, B.; Afridi, K.K. Active variable reactance rectifier—a new approach to compensating for coupling variations in wireless power transfer systems. IEEE J. Emerg. Sel. Top. Power Electron. 2020, 8, 2022–2040. [Google Scholar] [CrossRef]
- Jiang, Y.; Wang, L.; Wang, Y.; Wu, M.; Zeng, Z.; Liu, Y.; Sun, J. Phase-Locked loop combined with chained trigger mode used for impedance matching in wireless high power transfer. IEEE Trans. Power Electron. 2020, 35, 4272–4285. [Google Scholar] [CrossRef]
- Sun, Y.; Yan, P.; Wang, Z.; Luan, Y. The parallel transmission of power and data with the shared channel for an inductive power transfer system. IEEE Trans. Power Electron. 2016, 31, 5495–5502. [Google Scholar] [CrossRef]
- Kung, M.; Lin, K. Enhanced analysis and design method of dual-band coil module for near-field wireless power transfer systems. IEEE Trans. Microw. Theory Tech. 2015, 63, 821–832. [Google Scholar] [CrossRef]
- Ahn, D.; Mercier, P. Wireless power transfer with concurrent 200 kHz and 6.78 MHz operation in a single transmitter device. IEEE Trans. Power Electron. 2015, 31, 5018–5029. [Google Scholar] [CrossRef]
- Riehl, P.S.; Satyamoorthy, A.; Akram, H.; Yen, Y.; Yang, J.C.; Juan, B.; Lee, C.; Lin, F.; Muratov, V.; Plumb, W.; et al. Wireless power systems for mobile devices supporting inductive and resonant operating modes. IEEE Trans. Microw. Theory Tech. 2015, 63, 780–790. [Google Scholar] [CrossRef]
- Wang, G.; Wang, P.; Tang, Y.; Liu, W. Analysis of dual band power and data telemetry for biomedical implants. IEEE Trans. Biomed. Circuits Syst. 2012, 6, 208–215. [Google Scholar] [CrossRef]
- Hu, S. Time domain analysis of linear systems. In Principle of Automatic Control, 6th ed.; CSPM: Beijing, China, 2013; pp. 72–73. [Google Scholar]





| Condition | The m-th Circuit |
|---|---|
| vm ≠ 0 and RLm = 0 | transmitter |
| vm = 0 and RLm ≠ 0 | receiver |
| vm = 0 and RLm = 0 | repeater |
| Center Frequency (kHz) | Bandwidth (kHz) | |
|---|---|---|
| The single-band system (k = 1, r1 = 3) | fo,1 = 150 | b1 = 10 |
| The dual-band system (k = 2, r1 = r2 =2) | fo,1 = 100 | b1 = 10 |
| fo,2 = 150 | b2 = 20 | |
| The tri-band system (k = 3, r1 = r2 = r3=1) | fo,1 = 100 | b1 = 10 |
| fo,2 = 150 | b2 = 30 | |
| fo,3 = 200 | b3 = 10 |
| Parameters | Value |
|---|---|
| Number of turns | 18 |
| Inner radius of coil (m) | 0.03 |
| Width between per turn (m) | 0.01 |
| Radius of copper wire (m) | 0.00125 |
Publisher’s Note: MDPI stays neutral with regard to jurisdictional claims in published maps and institutional affiliations. |
© 2021 by the authors. Licensee MDPI, Basel, Switzerland. This article is an open access article distributed under the terms and conditions of the Creative Commons Attribution (CC BY) license (https://creativecommons.org/licenses/by/4.0/).
Share and Cite
Yin, Y.; Xiao, Y.; Wang, C.; Yang, Q.; Jia, Y.; Liao, Z. A Design Methodology for EV-WPT Systems to Resonate at Arbitrary Given Bands. Energies 2022, 15, 213. https://doi.org/10.3390/en15010213
Yin Y, Xiao Y, Wang C, Yang Q, Jia Y, Liao Z. A Design Methodology for EV-WPT Systems to Resonate at Arbitrary Given Bands. Energies. 2022; 15(1):213. https://doi.org/10.3390/en15010213
Chicago/Turabian StyleYin, Yong, Yuhua Xiao, Chengliang Wang, Qingsheng Yang, Yahui Jia, and Zhijuan Liao. 2022. "A Design Methodology for EV-WPT Systems to Resonate at Arbitrary Given Bands" Energies 15, no. 1: 213. https://doi.org/10.3390/en15010213
APA StyleYin, Y., Xiao, Y., Wang, C., Yang, Q., Jia, Y., & Liao, Z. (2022). A Design Methodology for EV-WPT Systems to Resonate at Arbitrary Given Bands. Energies, 15(1), 213. https://doi.org/10.3390/en15010213
