Next Article in Journal
Combustion Modes and Unsteady Characteristics during the Condition Transition of a Scramjet Combustor
Previous Article in Journal
Co-Combustion of Biomass with Coal in Grate Water Boilers at Low Load Boiler Operation
 
 
Font Type:
Arial Georgia Verdana
Font Size:
Aa Aa Aa
Line Spacing:
Column Width:
Background:
Article

A Modification of the Perturb and Observe Method to Improve the Energy Harvesting of PV Systems under Partial Shading Conditions

by
Alfredo Gil-Velasco
* and
Carlos Aguilar-Castillo
Tecnológico Nacional de México-CENIDET, Cuernavaca 62490, Mexico
*
Author to whom correspondence should be addressed.
Energies 2021, 14(9), 2521; https://doi.org/10.3390/en14092521
Submission received: 15 March 2021 / Revised: 19 April 2021 / Accepted: 20 April 2021 / Published: 28 April 2021
(This article belongs to the Section A: Sustainable Energy)

Abstract

There are multiples conditions that lead to partial shading conditions (PSC) in photovoltaic systems (PV). Under these conditions, the harvested energy decreases in the PV system. The maximum power point tracking (MPPT) controller aims to harvest the greatest amount of energy even under partial shading conditions. The simplest available MPPT algorithms fail on PSC, whereas the complex ones are effective but require high computational resources and experience in this type of systems. This paper presents a new MPPT algorithm that is simple but effective in tracking the global maximum power point even in PSC. The simulation and experimental results show excellent performance of the proposed algorithm. Additionally, a comparison with a previously proposed algorithm is presented. The comparison shows that the proposal in this paper is faster in tracking the maximum power point than complex algorithms.

1. Introduction

The need for generating electricity without having a significant amount of environmental damage has encouraged the development of alternative sources of electricity generation. One of the generation systems with the most development is photovoltaic systems. Using this type of electricity source creates some issues that have to be solved to achieve a viable system for the generation of electricity. One of the challenges is related to the intermittency of the electricity produced through the photovoltaic panels since it depends largely on environmental conditions such as radiation and temperature [1,2]. This type of system needs a maximum power point tracking (MPPT) control to harvest the biggest amount of energy according to the solar radiation received on the photovoltaic panels [3,4,5].
An MPPT control modifies the duty cycle of a DC-DC converter to generate the maximum among of power. MPPT can be seen as a simple problem; an operating point for the converter must be found to harvest the maximum power of the solar system. However, the non-linear response of its operation curves and the sensitivity of these systems to environmental changes make it difficult to perform the MPPT [6,7,8], particularly in a fast way. When the system suffers a partial shading condition (PSC), some of the available MPPT techniques cannot always harvest the maximum amount of energy. The probability of a partial shading condition is high due to the presence of clouds, buildings, and trees, among other obstacles. A PSC reduces the energy that can be harvested. Under PSC, the P-V curve has multiple maximums; one of these is the global maximum that must be located to harvest the maximum energy [6].
There are a lot of simple MPPT techniques, for example, Perturb and Observe (P&O), Incremental Conductance, Fractional Open-Circuit Voltage, and Fractional Short-Circuit Current, among others. The mentioned techniques converge to a maximum [4]. However, the main problem with these methods is their lack of capacity in finding the global peak when the PV array is under partial shading [9].
In order to improve the MPPT under PSC, several techniques have been proposed. In [10], a technique based on Particle Swarm Optimization (PSO) is proposed. According to their results, with this method it is possible to harvest the maximum amount of energy when the system is under PSC. However, this technique has the disadvantage of assigning values in a heuristic way, and the accurate operation depends on the initial position of the particles. In [11], an MPPT technique based on Ant Colony Optimization (ACO) is proposed. With this technique, it is possible to harvest the maximum power, and it is robust under different radiation patterns. Nevertheless, the parameter optimization is complex and the time convergence to the maximum power point is large. Other authors have proposed tracking the MPP using other optimization algorithms such as the feeding behavior of the whales [12] or bee colonies [13]. Another MPPT method used in partial shading is based on fuzzy logic [14,15]. This method requires experience from the designer and there is a possibility to converge to a local maximum. In general, these MPPT algorithms are complex and require high computational resources.
High levels of complexity and data processing of the mentioned algorithms have led to the need for new researches to improve the performance of traditional MPPT techniques [16]. The goal is to provide the ability to harvest the maximum power even in partial shading conditions. For instance, a variable step-size incremental-resistance MPPT algorithm is introduced in [17], which automatically adjusts the step size to track the MPP. However, this modification only improves the convergence time, but it does not guarantee the operation at the point of maximum power in PSC. In some cases, the implementation of MPP strategies based on adaptive P&O has been proposed to deal with problems such as steady-state oscillations and environmental conditions. The problem with this solution is its cost and implementation complexity [14].
Another way to increase energy harvesting under PSC is by using a solar panel power optimizer with self-compensation [18]. This type of DC-DC converter has shown better energy harvesting when the panels are shaded. The disadvantage of this configuration is the number of optimizers that must be used and the system’s reliability. Other improved techniques are based on partial shading compensating circuits, specifically voltage equalizers [19]. In some cases, energy harvesting is improved using a reconfiguration of the photovoltaic array when they face shading [20].
Despite all of the available alternatives, the P&O technique is the simplest one to implement the MPPT, but sometimes it does not find an MPP. This paper presents an MPPT technique that can harvest the maximum energy of a PV system even with a partial shadow condition. The proposed technique is based on the simplest technique within an additional algorithm which verifies the existing local maximums. In such a case, it tracks the global maximum, allowing obtaining the greatest amount of power. The proposed algorithm searches for a global maximum when large differences in the harvested power are detected or once an established time passes. The paper presents several MATLAB-Simulink® simulations and experimental results which show the effectiveness of the algorithm. The paper is organized as follows: Section 2 presents the issues when the system is under partially shaded conditions. In Section 3 some MPPT methods are presented. The proposed strategy is presented in Section 4. The experimental results verifying the performance of the new algorithm are presented in Section 5. Finally, the conclusions of this work are presented in Section 6.

2. Partial Shading in PV Systems

A set of photovoltaic panels are susceptible to suffering partially shaded conditions (Figure 1). The panels without shade operate with a high level of photocurrent, whereas in the shaded panels the generated flow of photocurrent reduces [4]. Given the fact that the current in the modules connected in series must be the same, then the modules under partial shading conditions operate in the reverse saturation region. This means that the shaded cells consume power due to the polarity of the reverse voltage. Moreover, operating the cells in this way generates the denominated hot spots which in extreme conditions can destroy the panel.
Hot spots can be avoided by using bypass diodes. These diodes are connected in parallel to the cells to limit the reverse voltage and power losses in the shaded cells [4]. This diode provides an alternative path for the current circulating through the panels which suffer PSC [21]; however, the diode may or may not trigger, depending on the operating point. The bypass diode could protect the panel; however, it reduces the available energy from the system.
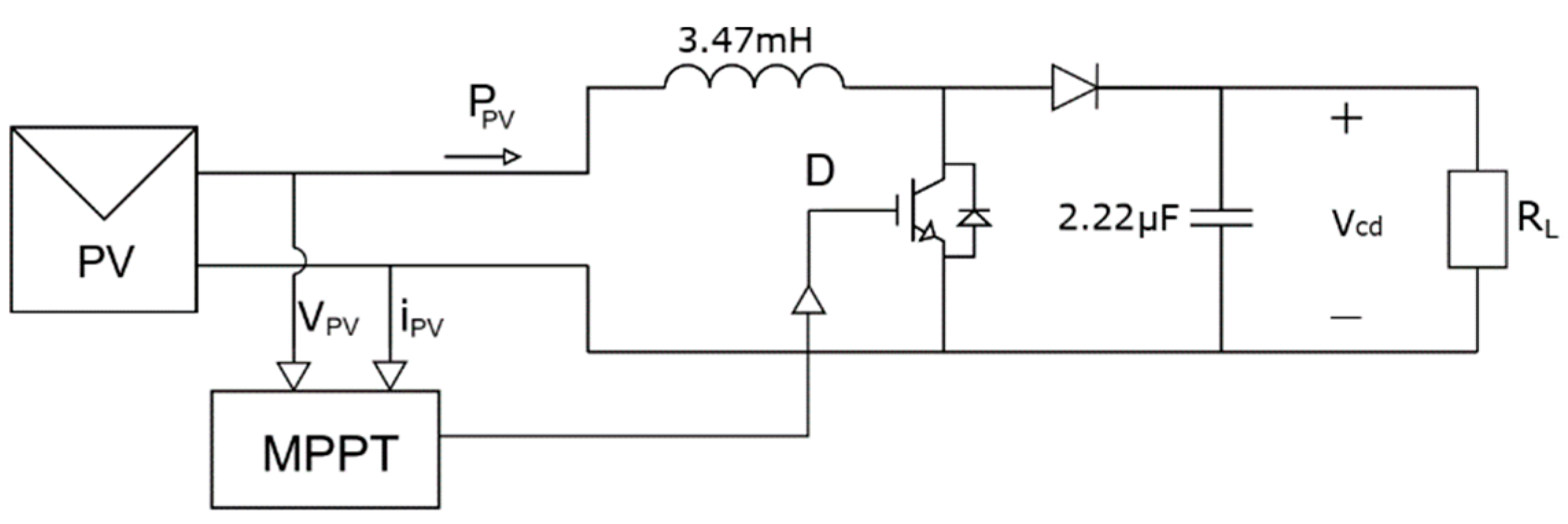
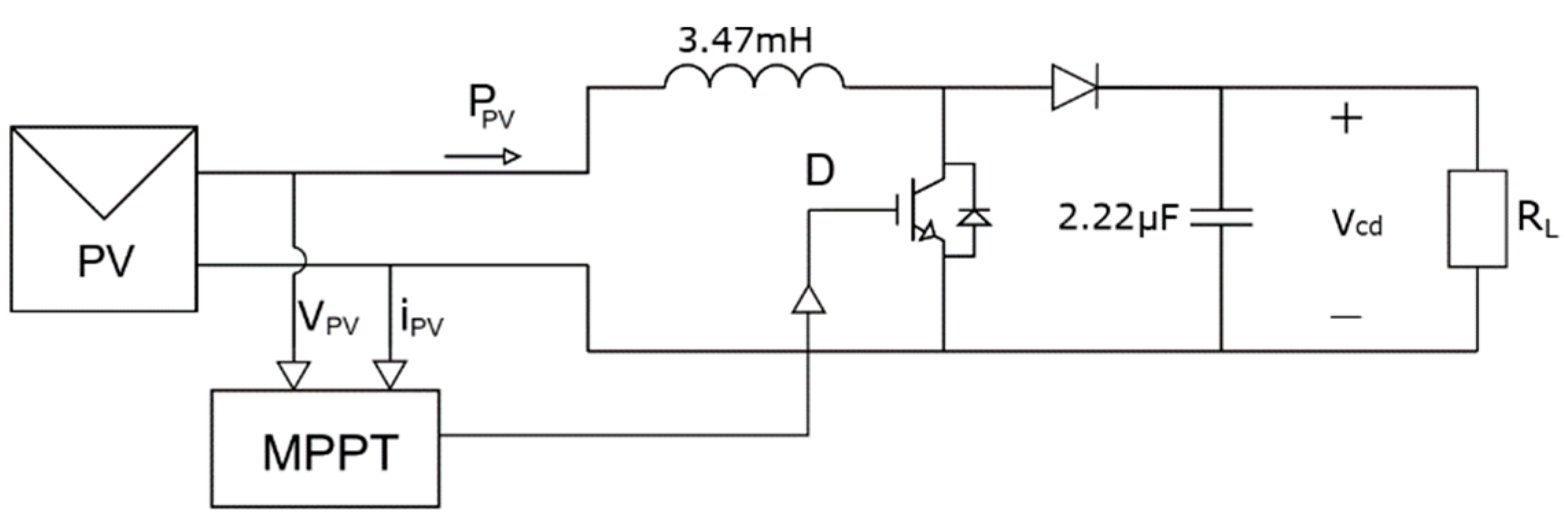
In order to show the effects of PSC, five series-connected panels were simulated in MATLAB-Simulink®. The PV system parameters are shown in Table 1.
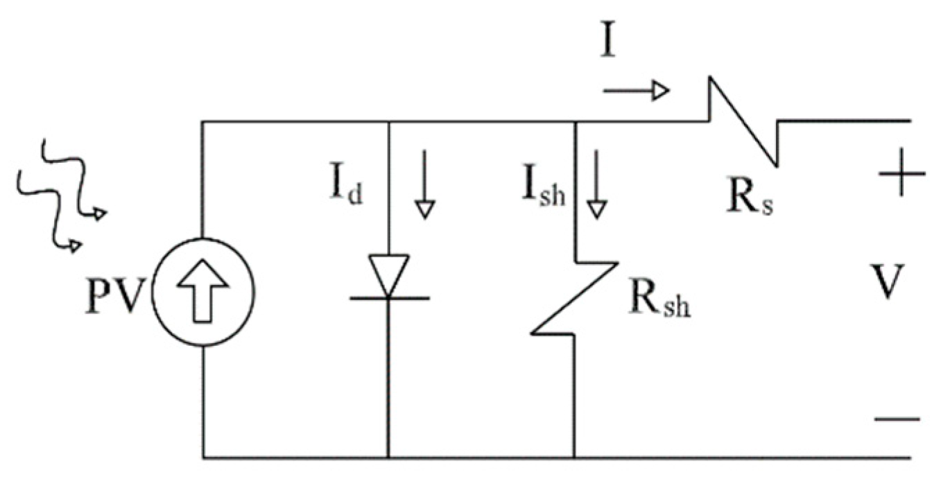
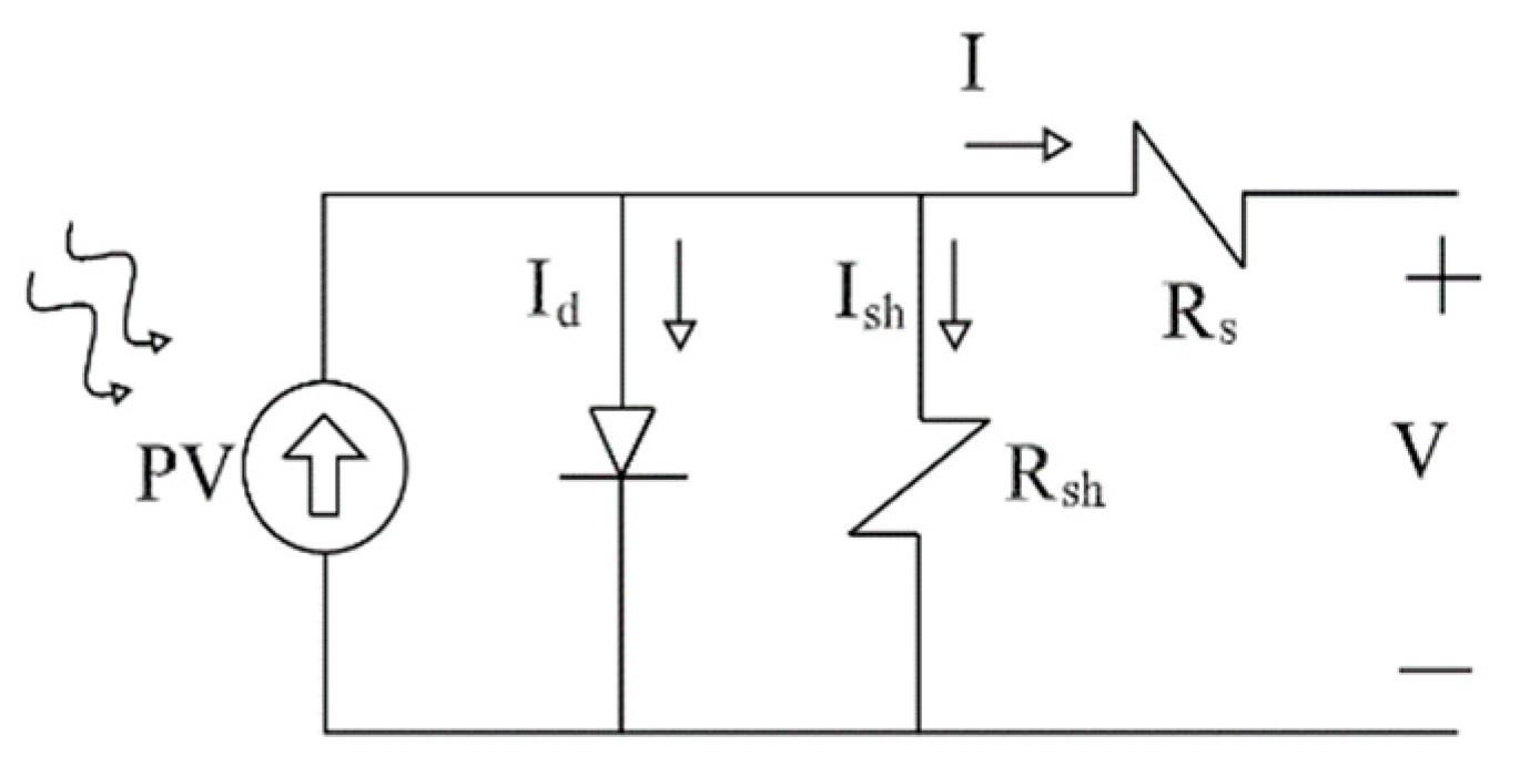
The solar cell model used for the simulation is shown in Figure 2 [23,24,25], which depends on several variables and parameters such as the current flowing through the diode ( I d ), a leakage current ( I s h ), current in the panel ( I ), and parasitic resistances ( R s h and R s ). For the simulation, two solar radiation scenarios were analyzed. In the first scenario, the whole PV system receives solar radiation of 1000   W m 2 . In the second one, two panels receive 600   W m 2 and the other three receive 1000   W m 2 of solar radiation. Figure 3 shows the simulation results of both scenarios. Under uniform radiation, the P-V curve has one global peak which represents the point of maximum power. On the other hand, in the second scenario there are two global peaks. In conditions where the P-V curve has two or more peaks, the MPPT control must be able to find the global peak to obtain the maximum power.

3. P&O under Partial Shading Conditions

The most common MPPT strategy is P&O, mainly because of its low complexity and acceptable performance. Figure 4 shows the very well-known flow chart of the basic P&O. In this algorithm, the voltage and current of the photovoltaic panel are measured, then the power ( P _ pre ) is computed with these two measurements. After that, the system is perturbed through a change of duty cycle ( D ) in the DC-DC converter, and the power is estimated once again ( P _ curr ). If P_curr is bigger than P_pre, the next perturbation (change of duty cycle) is kept in the same direction; otherwise, the direction of the perturbation ( D ) must be changed [26]. The above process will be kept until it reaches a peak on the P-V curve, where the system will remain oscillating around this maximum. This oscillation can be reduced through a decrease in the D , but it generates a reduction in the speed of the algorithm [27].
In order to evaluate the performance of the P&O algorithm under PSC, a simulation of a PV system with an MPPT control based on that technique was executed. The system includes five panels in series with a boost converter for the MPPT implementation (see Figure 5), and the load is a resistance that consumes the energy. The radiation patterns are similar to those shown in Table 2. G 1 pattern is applied from 0 s < t < 10 s, and G 2 pattern from 10 s < t < 20 s.
The P-V curves resulting from the simulations are shown in Figure 6. According to these curves, the system has multiple local peaks due to non-uniform radiation in both scenarios. During the first ten seconds of the simulation, the P&O algorithm should extract 546.3 W (radiation pattern G 1 ), and from t = 10 to t = 20 seconds it should extract 380.4 W (radiation pattern G 2 ).
The conventional P&O algorithm was simulated with the described conditions. Figure 7 shows the obtained results. As can be seen in this figure, the system working with P&O does not extract the maximum power during the first radiation pattern ( G 1 ) which is 546.3 W. Additionally, during the last ten seconds (radiation pattern G 2 ), the system does not extract the available power, which is 380.4 W. This problem is due to P&O tracking the first maximum local (because the searching begins using a small duty cycle, and according to Figure 4, the algorithm stays in this local peak). Figure 8 shows the dynamics of the algorithm to be profiled to the maximum that it calculates. Despite the short time to reach the maximum, this maximum corresponds to the first maximum that it finds, which is not the global maximum.
The low efficacy of the conventional P&O algorithm under PSC creates energy losses. For example, the solar radiation pattern in Table 2 was simulated considering G1 for two hours, after that, pattern G2 was presented for the next two hours. Figure 9 shows the harvested energy with P&O algorithm. As can be seen, the total energy is 52.4% lower than that which is available. The above results show that P&O loses energy that can be harvested with an effective MPPT algorithm.
In the next section, the proposed modification of the P&O algorithm is described; essentially it preserves its simplicity but reaches effectiveness in following the global peak power under partial shading.

4. Proposed MPPT Technique

In order to improve the performance of the P&O algorithm when the PV system is under partial shade, an MPPT method within a global peak searching stage is proposed. Figure 10 shows the flow diagram of the new algorithm. In the beginning, the proposed MPPT searches for an operating point close to the global peak by testing the converter with different duty cycles. Then, the algorithm determines the operating condition which is closer to the maximum power. At this time, the algorithm has determined the global maximum, but in order to obtain a fine tracking, the P&O technique is used. It is known that shades are unpredictable, but the PV suffers from larges differences of power (large dP) under a solar radiation change. Thus, if this condition is detected, the algorithm searches again for the new global maximum. Otherwise, the Global MPPT stage searches a global maximum at every specific time interval (2 to 5 min).
In the process of searching the global maximum, the algorithm tests for large changes in the duty cycles (e.g. Δ D   = 0.1 ), beginning with a minimum duty cycle and finishing with a maximum one. With a lower Δ D , the global maximum is guaranteed; however, the process will take more time. After finishing this part of the algorithm, the duty cycle which will produce the maximum power can be determined.
To verify the performance of the proposed algorithm, some simulations were executed. The simulation system involves a set of five photovoltaic panels in a series connection with a boost topology (Figure 5). The simulations were executed in MATLAB-Simulink with the parameters shown in Table 1 and Table 2. Figure 11 shows the simulation results of the PV system with the proposed MPPT technique. As can be seen, the proposed algorithm can find the global peak in both scenarios. Thus, it guarantees the maximum harvest of power even with changes in the radiation (partial shadow). In the beginning, the algorithm looks for the closest point to the global peak (global MPPT stage). Once this operating point is determined; the P&O tracks the maximum available power (P&O MPPT stage). After ten seconds, the radiation pattern changes. This change generates a new global search (global MPPT stage), and after a certain time, the proposed algorithm finds once again the maximum available power.
Figure 12 shows the trajectory followed by the proposed algorithm under a partial shadow with changes in the radiation pattern. At first, the algorithm starts at point A1, then it tests several duty cycles (0.1, 0.15, 0.2, …, 0.9), then passes to point A, which is the point with the most power. In that operating point, the algorithm applies conventional P&O. After ten seconds, a modification on the radiation is applied. The harvested power comes down to point B1. Then, a large power variation is detected; therefore, the algorithm starts over testing several duty cycles 0.1, 0.15, 0.2, …, 0.9. Thus, the algorithm finds a new operating point close to the new global maximum. In that operation point, the conventional P&O tracks the maximum power.
Figure 13 shows the energy harvested with the proposed algorithm after four hours of simulation with a change in the radiation pattern in the second hour. The proposed algorithm extracts almost all the available power even under a partial shadow. Comparing the proposed algorithm with the classical P&O, the new one extracts 47.05% more energy.
To compare with previous MPPT proposals, additional simulations were carried out. Table 3 shows a comparison between several techniques and the proposed MPPT. According to this table, the P&O algorithm cannot find the global maximum, whereas complex algorithms can track the global maximum, but have a high computational cost. The proposed algorithm finds the maximum power point in less time, and the algorithm is simpler to implement.

5. Experimental Results

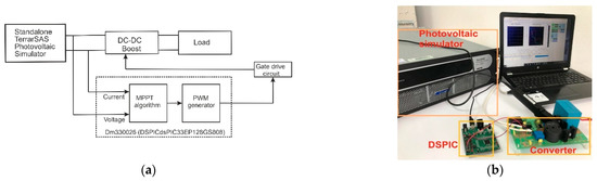
In order to validate the performance of the proposed technique, an experimental prototype was implemented. The simulator Standalone TerrarSASTM Photovoltaic (AMETEK, San Diego, CA, USA) was used as a power source. Figure 14 shows the block diagram (Figure 14a) and the experimental prototype implemented (Figure 14b). The implemented PV system (Figure 14b) includes four photovoltaic panels (emulated within the Standalone TerrarSASTM Photovoltaic simulator)(AMETEK, San Diego, CA, USA), a DC-DC boost converter, and the algorithm was programmed in the DM330026 Development Board based on dsPIC33EP128GS808.
The experimental results were carried out with a set of four PV panels connected in a series under a radiation profile of 100, 500, 1000, and 100 W / m 2 , respectively. Considering the PV BP980 characteristics and the radiation profile mentioned, the P-V curve is shown in Figure 15. As can be seen, under those conditions the curve shows several local maximums. However, the global maximum is around 95 W.
First, Figure 16 presents the simulation with the performance of P&O and the proposed algorithm. According to the simulation results P&O, the PV system stays operating in the first local peak (because its operation mode does not allow to the algorithm pass this local peak). Meanwhile, the proposed algorithm harvests all the available power because the algorithm has a stage to search the global peak before using the P&O MPPT algorithm. Figure 17 shows the measurements obtained in the Standalone TerrarSAS Photovoltaic simulator as the power source (where the blue curve is the I-V graph, and the red curve is the P-V graph of the simulated panel). As can be seen, the global maximum in the PV curve, the available power, is around 95 W (Figure 18). The proposed algorithm was implemented in the development board, as shown in Figure 14; the power converter was able to track the global maximum, obtaining the maximum available power. Additionally, the tracking was reached after around 250 ms.

6. Conclusions

Photovoltaic panels are without a doubt one of the main alternatives to generate clean energy. These systems have a series of advantages that make them stand out from other alternatives. However, extracting the maximum available energy is a challenge when the system experiences shading conditions. Currently, in the literature a series of alternatives have been reported, but most of them require high computational resources. Additionally, many of them are complex in their implementation, and there is a certain degree of ambiguity in the determination of their parameters or working conditions, which can decrease their operating performance. This paper presents a new MPPT technique based on the most common algorithm to perform this task, i.e., P&O. The proposed method compensates the weaknesses that P&O has when it faces shading by incorporating an additional stage where it is verified that the maximum located is the global one. The simulation and experimental results demonstrate its good performance when the system is under shading conditions, which guarantees the operation at the point of maximum power. As is evident from the results in Table 3, the proposed algorithm not only finds the maximum power point, it also performs it faster compared to the convergence time of other reported algorithms.
Similarly, it is verified that using P&O as a basis for the proposed methodology causes the dynamics to be faster with respect to other solution proposals. Taking into account the above, the benefits that photovoltaic systems can obtain are improved. Thus, its operation becomes more profitable since its efficiency is not diminished due to shading conditions that arise where these panels are installed.

Author Contributions

A.G.-V. worked on the simulations and wrote the initial manuscript; C.A.-C. conceptualized and performed the experiments. All of the above authors analyzed the results and revised the paper. All authors have read and agreed to the published version of the manuscript.

Funding

This research received no external funding.

Conflicts of Interest

The authors declare no conflict of interest

References

  1. Arefifar, S.A.; Paz, F.; Member, S.; Ordonez, M. Improving Solar Power PV Plants Using Multivariate Design Optimization. IEEE J. Emerg. Sel. Top. Power Electron. 2017, 5, 638–650. [Google Scholar] [CrossRef]
  2. Ramli, M.A.M.; Twaha, S.; Ishaque, K.; Al-Turki, Y.A. A review on maximum power point tracking for photovoltaic systems with and without shading conditions. Renew. Sustain. Energy Rev. 2017, 67, 144–159. [Google Scholar] [CrossRef]
  3. Mohapatra, A.; Nayak, B.; Das, P.; Mohanty, K.B. A review on MPPT techniques of PV system under partial shading condition. Renew. Sustain. Energy Rev. 2017, 80, 854–867. [Google Scholar] [CrossRef]
  4. Seyedmahmoudian, M.; Horan, B.; Soon, T.K.; Rahmani, R.; Than, A.M.; Mekhilef, S.; Stojcevski, A. State of the art artificial intelligence-based MPPT techniques for mitigating partial shading effects on PV systems—A review. Renew. Sustain. Energy Rev. 2016, 64, 435–455. [Google Scholar] [CrossRef]
  5. Morales Caporal, M.A.; Rangel Magdaleno, J.D.J.; Cruz Vega, I.; Morales Caporal, R. Improved grid-photovoltaic system based on variable-step MPPT, predictive control, and active/reactive control. IEEE Lat. Am. Trans. 2017, 15, 2064–2070. [Google Scholar] [CrossRef]
  6. Rezk, H.; Fathy, A.; Abdelaziz, A.Y. A comparison of different global MPPT techniques based on meta-heuristic algorithms for photovoltaic system subjected to partial shading conditions. Renew. Sustain. Energy Rev. 2017, 74, 377–386. [Google Scholar] [CrossRef]
  7. Islam, H.; Mekhilef, S.; Binti, N.; Shah, M.; Soon, T.K. Performance Evaluation of Maximum Power Point Tracking Approaches and Photovoltaic Systems. Energies 2018, 11, 365. [Google Scholar] [CrossRef]
  8. Ali, A.; Almutairi, K.; Malik, M.Z.; Irshad, K.; Tirth, V.; Algarni, S.; Zahir, M.H.; Islam, S.; Shafiullah, M.; Shukla, N.K. Review of online and soft computing maximum power point tracking techniques under non-uniform solar irradiation conditions. Energies 2020, 13, 3256. [Google Scholar] [CrossRef]
  9. Ahmed, J.; Salam, Z. A critical evaluation on maximum power point tracking methods for partial shading in PV systems. Renew. Sustain. Energy Rev. 2015, 47, 933–953. [Google Scholar] [CrossRef]
  10. Eltamaly, A.M.; Al-saud, M.S.; Abokhalil, A.G.; Farh, H.M.H. Simulation and experimental validation of fast adaptive particle swarm optimization strategy for photovoltaic global peak tracker under dynamic partial shading. Renew. Sustain. Energy Rev. 2020, 124, 109719. [Google Scholar] [CrossRef]
  11. Titri, S.; Larbes, C.; Toumi, K.Y.; Benatchba, K. A new MPPT controller based on the Ant colony optimization algorithm for Photovoltaic systems under partial shading conditions. Appl. Soft Comput. J. 2017, 58, 465–479. [Google Scholar] [CrossRef]
  12. Kumar, N.; Hussain, I.; Singh, B.; Panigrahi, B.K. MPPT in Dynamic Condition of Partially Shaded PV System by Using WODE Technique. IEEE Trans. Sustain. Energy 2017, 8, 1204–1214. [Google Scholar] [CrossRef]
  13. Pilakkat, D.; Kanthalakshmi, S. An improved P&O algorithm integrated with artificial bee colony for photovoltaic systems under partial shading conditions. Sol. Energy 2019, 178, 37–47. [Google Scholar] [CrossRef]
  14. Ahmed, J.; Salam, Z. An Enhanced Adaptive P&O MPPT for Fast and Efficient Tracking Under Varying Environmental Conditions. IEEE Trans. Sustain. Energy 2018, 9, 1487–1496. [Google Scholar] [CrossRef]
  15. Hassan, T.U.; Abbassi, R.; Jerbi, H.; Mehmood, K.; Tahir, M.F.; Cheema, K.M.; Elavarasan, R.M.; Ali, F.; Khan, I.A. A novel algorithm for MPPT of an isolated PV system using push pull converter with fuzzy logic controller. Energies 2020, 13, 4007. [Google Scholar] [CrossRef]
  16. Yildirim, M.A.; Nowak-Ocłoń, M. Modified Maximum Power Point Tracking Algorithm under Time-Varying Solar Irradiation. Energies 2020, 13, 6722. [Google Scholar] [CrossRef]
  17. Mei, Q.; Shan, M.; Liu, L.; Guerrero, J.M. A novel improved variable step-size incremental-resistance MPPT method for PV systems. IEEE Trans. Ind. Electron. 2011, 58, 2427–2434. [Google Scholar] [CrossRef]
  18. Zulki, M.; Salam, Z. Performance evaluation of DC power optimizer (DCPO) for photovoltaic (PV) system during partial shading. Renew. Energy 2019, 139, 1336–1354. [Google Scholar] [CrossRef]
  19. Kato, K.; Koizumi, H. A study on effect of blocking and bypass diodes on partial shaded PV string with compensating circuit using voltage equalizer. Proc. IEEE Int. Symp. Circuits Syst. 2015, 58, 241–244. [Google Scholar] [CrossRef]
  20. Krishna, G.S.; Moger, T. Reconfiguration strategies for reducing partial shading e ff ects in photovoltaic arrays: State of the art. Sol. Energy 2019, 182, 429–452. [Google Scholar] [CrossRef]
  21. Vieira, R.G.; de Araújo, F.M.U.; Dhimish, M.; Guerra, M.I.S. A comprehensive review on bypass diode application on photovoltaic modules. Energies 2020, 13, 2472. [Google Scholar] [CrossRef]
  22. Solartec 240–260 W Solar Panel 2015. Available online: http://www.solartec.com.ar/productos.html (accessed on 22 April 2021).
  23. Dos Santos, R.L.; Santos Ferreira, J.; Martins, G.E.; Cezar Alves De Souza, K.; Mineiro Sa, E. Low Cost Educational Tool to Trace the Curves PV Modules. IEEE Lat. Am. Trans. 2017, 15, 1392–1399. [Google Scholar] [CrossRef]
  24. Almutairi, A.; Abo-Khalil, A.G.; Sayed, K.; Albagami, N. MPPT for a PV grid-connected system to improve efficiency under partial shading conditions. Sustainability 2020, 12, 310. [Google Scholar] [CrossRef]
  25. Windarko, N.A.; Nizar Habibi, M.; Sumantri, B.; Prasetyono, E.; Efendi, M.Z.; Taufik. A New MPPT Algorithm for Photovoltaic Power Generation under Uniform and Partial Shading Conditions. Energies 2021, 14, 483. [Google Scholar] [CrossRef]
  26. Rezk, H.; Eltamaly, A.M. A comprehensive comparison of different MPPT techniques for photovoltaic systems. Sol. Energy 2015, 112, 1–11. [Google Scholar] [CrossRef]
  27. Esram, T.; Chapman, P.L. Comparison of photovoltaic array maximum power point tracking techniques. IEEE Trans. Energy Convers. 2007, 22, 439–449. [Google Scholar] [CrossRef]
  28. Sundareswaran, K.; Vigneshkumar, V.; Sankar, P.; Simon, S.P.; Srinivasa Rao Nayak, P.; Palani, S. Development of an Improved P&O Algorithm Assisted Through a Colony of Foraging Ants for MPPT in PV System. IEEE Trans. Ind. Inform. 2016, 12, 187–200. [Google Scholar] [CrossRef]
Figure 1. PV array under partial shading conditions.
Figure 1. PV array under partial shading conditions.
Energies 14 02521 g001
Figure 2. Equivalent circuit of a PV cell.
Figure 2. Equivalent circuit of a PV cell.
Energies 14 02521 g002
Figure 3. P-V curves of a system with and without partial shading.
Figure 3. P-V curves of a system with and without partial shading.
Energies 14 02521 g003
Figure 4. Flow diagram of P&O algorithm.
Figure 4. Flow diagram of P&O algorithm.
Energies 14 02521 g004
Figure 5. Configuration of the photovoltaic system.
Figure 5. Configuration of the photovoltaic system.
Energies 14 02521 g005
Figure 6. P-V curves obtained with radiation patterns: (a) G 1 , (b) G 2 .
Figure 6. P-V curves obtained with radiation patterns: (a) G 1 , (b) G 2 .
Energies 14 02521 g006
Figure 7. Energy harvesting of a PV array using conventional P&O.
Figure 7. Energy harvesting of a PV array using conventional P&O.
Energies 14 02521 g007
Figure 8. Dynamic of the power search using P&O.
Figure 8. Dynamic of the power search using P&O.
Energies 14 02521 g008
Figure 9. Energy harvesting of a PV array using P&O for four hours of operation under PSC.
Figure 9. Energy harvesting of a PV array using P&O for four hours of operation under PSC.
Energies 14 02521 g009
Figure 10. Flow diagram of the proposed MPPT algorithm.
Figure 10. Flow diagram of the proposed MPPT algorithm.
Energies 14 02521 g010
Figure 11. Output power with the proposed tracking algorithm under PSC.
Figure 11. Output power with the proposed tracking algorithm under PSC.
Energies 14 02521 g011
Figure 12. Dynamic of the proposed algorithm when a partial shadow is introduced in the PV system.
Figure 12. Dynamic of the proposed algorithm when a partial shadow is introduced in the PV system.
Energies 14 02521 g012
Figure 13. Harvested energy with the proposed algorithm during four hours of operation.
Figure 13. Harvested energy with the proposed algorithm during four hours of operation.
Energies 14 02521 g013
Figure 14. Implementation of the proposed algorithm: (a) Block diagram of the implemented system; (b) photogram of the implemented system.
Figure 14. Implementation of the proposed algorithm: (a) Block diagram of the implemented system; (b) photogram of the implemented system.
Energies 14 02521 g014
Figure 15. P-V curve of four model BP980 panels under radiation of 100, 500, 1000, and 100 W / m 2 .
Figure 15. P-V curve of four model BP980 panels under radiation of 100, 500, 1000, and 100 W / m 2 .
Energies 14 02521 g015
Figure 16. PV system simulation with the radiation pattern presented in Figure 15.
Figure 16. PV system simulation with the radiation pattern presented in Figure 15.
Energies 14 02521 g016
Figure 17. Performance of the proposed tracking algorithm in the Standalone TerrarSAS Photovoltaic simulator.
Figure 17. Performance of the proposed tracking algorithm in the Standalone TerrarSAS Photovoltaic simulator.
Energies 14 02521 g017
Figure 18. PV voltage, current, and power waveforms with the proposed algorithm.
Figure 18. PV voltage, current, and power waveforms with the proposed algorithm.
Energies 14 02521 g018
Table 1. Parameters of the solar panel [22].
Table 1. Parameters of the solar panel [22].
ParameterValue
Short circuit current 8.71 A
Open circuit voltage36.3 V
Current at Pmax8.17 A
Voltage at Pmax30.6 V
Power at Pmax250 W
Temperature25 °C
Cells36
Table 2. Radiation patterns.
Table 2. Radiation patterns.
Pattern G 1 G 2
Panel 1 1000   W / m 2 200   W / m 2
Panel 2 700   W / m 2 300   W / m 2
Panel 3 900   W / m 2 900   W / m 2
Panel 4 400   W / m 2 350   W / m 2
Panel 5 200   W / m 2 770   W / m 2
Time0 s–10 s10 s–20 s
Table 3. Comparison of the proposed algorithm.
Table 3. Comparison of the proposed algorithm.
Condition of ShadingMPPT MethodPower (W) P   ( W ) Tracking Time (s)Tracking Efficiency (%)
Pattern 1P&O22.1422.10.1250.76
ACO [28]44.97011.8399.9
ACO-P&O [28]44.9702.5599.9
Proposed algorithm44.9701.1299.9
Pattern 2P&O22.567.840.1274.2
ACO [28]30.4909.5599.9
ACO-P&O [28]30.4902.4199.9
Proposed algorithm30.4901.1299.9
Publisher’s Note: MDPI stays neutral with regard to jurisdictional claims in published maps and institutional affiliations.

Share and Cite

MDPI and ACS Style

Gil-Velasco, A.; Aguilar-Castillo, C. A Modification of the Perturb and Observe Method to Improve the Energy Harvesting of PV Systems under Partial Shading Conditions. Energies 2021, 14, 2521. https://doi.org/10.3390/en14092521

AMA Style

Gil-Velasco A, Aguilar-Castillo C. A Modification of the Perturb and Observe Method to Improve the Energy Harvesting of PV Systems under Partial Shading Conditions. Energies. 2021; 14(9):2521. https://doi.org/10.3390/en14092521

Chicago/Turabian Style

Gil-Velasco, Alfredo, and Carlos Aguilar-Castillo. 2021. "A Modification of the Perturb and Observe Method to Improve the Energy Harvesting of PV Systems under Partial Shading Conditions" Energies 14, no. 9: 2521. https://doi.org/10.3390/en14092521

APA Style

Gil-Velasco, A., & Aguilar-Castillo, C. (2021). A Modification of the Perturb and Observe Method to Improve the Energy Harvesting of PV Systems under Partial Shading Conditions. Energies, 14(9), 2521. https://doi.org/10.3390/en14092521

Note that from the first issue of 2016, this journal uses article numbers instead of page numbers. See further details here.

Article Metrics

Back to TopTop