Automated Fault Management System in a Photovoltaic Array: A Reconfiguration-Based Approach
Abstract
1. Introduction
- Our work focuses on detecting, locating, and isolating the electrical faults in the PV array. Almost all the DRSs are oriented to reduce mismatching or partial shading problems, except for [7]. When our system isolates the faulty panel, is easy to observe the increment of output power.
- Our systems reconfigure the PV array in simulation time when a critical electrical fault occurs, and when the electrical faults are repaired. This means that the Diagnosis Algorithm has to detect the faults, the position, and classify them, also when the fault is fixed. Then a second algorithm made the reconfiguration of the faulty panel or repaired panel. Our reconfiguration solution is based on a multiple finite state machine and is far different from other solutions reported in the literature as is shown later, because it receives the diagnosis information to take a control action.
- Our diagnostic algorithm is computationally lightweight when compared to other approaches from artificial intelligence, such as neural networks or metaheuristic solutions.
- Our simulated PV array has panel string with commercial size reaching voltages close to 600 volts; this shows the applicability of the solution for actual commercial installations.
- Our numerical experiment is quite different because we simulate an operative point of the PV array, and then we apply 19 fault events in simulation time, one at a time, to see the behavior of the produced power. This way, we prove our solution is more realistic to study current–voltage () curves characteristics.
Automated Fault Management System Approach
- The first submodule aims to determine the condition and fault severity of each panel within the array. In order to do this, signal processing and mathematical modeling techniques are used. An overview of the online, offline techniques for fault detection in solar panels is presented in [22]. Another approach is given by Mellit in [23], where detection and classification techniques are divided in (1) image analysis and (2) electrical characterization. Imaging methods are currently expensive and time consuming, whereas electrical characterization is cheaper and more flexible [24]. The latter methods also can be further split into several branches: signal processing and statistical methods (e.g., [8,25,26]), curve characteristics analysis (e.g., [27,28]), power losses analysis or efficiency analysis (e.g., [17,29,30]), current and/or voltage measurements (e.g., [31,32]), and artificial intelligent methods (e.g., [9,33,34]). The diagnosis algorithm implemented in this work is based on the IF-THEN rules presented by the authors in [35] and follows the diagnosis branch based on current–voltage measurements.
- Once the fault has been determined and located, a second algorithm establishes the configuration that produces an improvement of the output power for the given conditions. In this regard, there are plenty of proposals trying to maximize the output power in the array. For instance, there are approaches based on electric measurements using sorting algorithms [4,36], or based on the equalization of the irradiance [37]. Moreover, there are more elaborated solutions using branches of artificial intelligence, such as algorithms based on metaheuristics techniques [38,39,40,41], algorithms based on diffuse logic [42], procedures based on neural networks [43], algorithms based on rough set [44], or based on the study of the inflection points of the curve I-V [45]. This work uses a simple approach based on a multiple finite state machine that has not been reported in previous articles.
2. Materials and Methods
2.1. Modeling the PV Array
2.2. Modeling the Electrical Faults
- Internal degradation: the PV module degradation causes an increase in the internal series resistance [28]. This effect is modeled using a controlled voltage source in series with the PV module internal resistance as shown in the light orange box of Figure 2. The additional resistance value can be modified during the simulation using port three, called RND, shown in Figure 2, when this fault is applied to a specific PV module, the series resistance increases to twice its average value.
- Module’s short circuit: This condition is emulated similarly to the open-circuit fault. A controllable NO SPST switch is included at the PV module’s output parallel with the bypass diode.
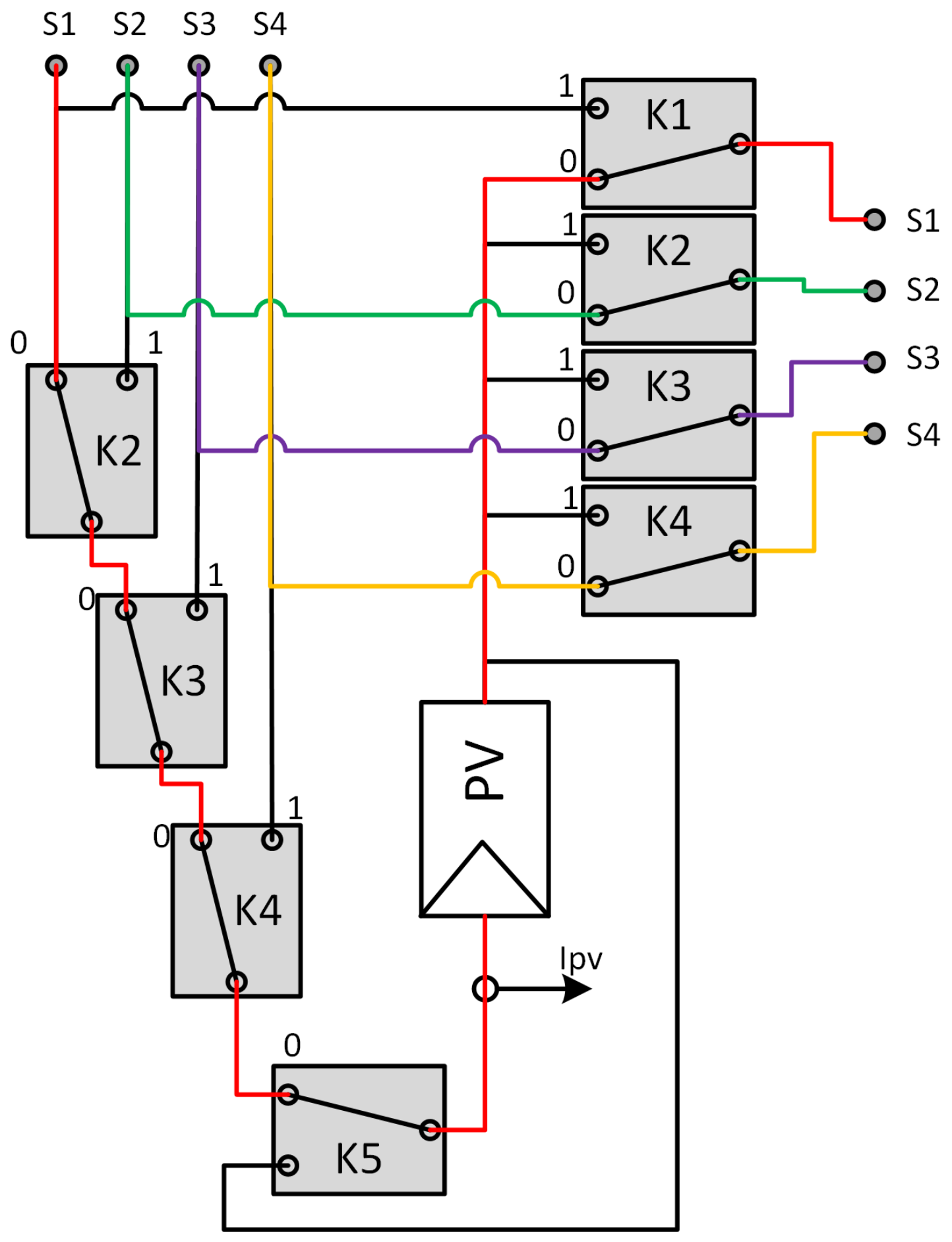
2.3. Modeling the Switching Matrix
2.4. Modeling the Control Unit
2.4.1. Diagnosis Algorithm
2.4.2. Reconfiguration Algorithm
| Algorithm 1: Diagnosis algorithm based on electrical characterization |
![]() |
- At the beginning, the kth PV module is connected to the main circuit, which means that it is in state .
- If the kth PV panel has an open wire, or if the module is the first one with a short-circuit to the ground, the panel will be moved to the testing circuit (State ). The transition-condition expressed as in Equation (6) changes between the two states.
- Now the faulty panel is in state connected in the testing circuit, but if it is repaired, the AFM system will identify the PV module’s working conditions. Hence, the kth PV panel is returned to the main circuit, and this is done with transition-condition as in Equation (7).

2.5. Numerical Experiments
3. Results
4. Discussion
5. Conclusions
Author Contributions
Funding
Institutional Review Board Statement
Informed Consent Statement
Acknowledgments
Conflicts of Interest
Abbreviations
| MDPI | Multidisciplinary Digital Publishing Institute |
| DOAJ | Directory of open access journals |
| PV | Photo-voltaic |
| SDM | Single-Diode Model |
| STC | Standard Test Conditions |
| DRS | Dynamic Reconfiguration Systems |
| AFM | Automated Fault Management |
| SC | Short Circuit |
| OC | Open Circuit |
| NC | Normally-close |
| NO | Normally-open |
| DAQ | Data acquisition system |
| SPST | Single-Pole Single-Throw |
| SPDT | Single-Pole Double-Throw |
| FP | False Positive |
| FN | False Negative |
Appendix A

References
- La Manna, D.; Li Vigni, V.; Riva Sanseverino, E.; Di Dio, V.; Romano, P. Reconfigurable electrical interconnection strategies for photovoltaic arrays: A review. Renew. Sustain. Energy Rev. 2014, 33, 412–426. [Google Scholar] [CrossRef]
- Spagnuolo, G.; Petrone, G.; Lehman, B.; Ramos Paja, C.A.; Zhao, Y.; Orozco Gutierrez, M.L. Control of photovoltaic arrays: Dynamical reconfiguration for fighting mismatched conditions and meeting load requests. IEEE Ind. Electron. Mag. 2015, 9, 62–76. [Google Scholar] [CrossRef]
- Malathy, S.; Ramaprabha, R. Reconfiguration strategies to extract maximum power from photovoltaic array under partially shaded conditions. Renew. Sustain. Energy Rev. 2018, 81, 2922–2934. [Google Scholar] [CrossRef]
- Parlak, K. PV array reconfiguration method under partial shading conditions. Int. J. Electr. Power Energy Syst. 2014, 63, 713–721. [Google Scholar] [CrossRef]
- Dhimish, M.; Holmes, V.; Mehrdadi, B.; Dales, M.; Chong, B.; Zhang, L. Seven indicators variations for multiple PV array configurations under partial shading and faulty PV conditions. Renew. Energy 2017, 113, 438–460. [Google Scholar] [CrossRef]
- Schettino, G.; Pellitteri, F.; Ala, G.; Miceli, R.; Romano, P.; Viola, F. Dynamic Reconfiguration Systems for PV Plant: Technical and Economic Analysis. Energies 2020, 13, 2004. [Google Scholar] [CrossRef]
- Ji, D.; Zhang, C.; Lv, M.; Ma, Y.; Guan, N. Photovoltaic Array Fault Detection by Automatic Reconfiguration. Energies 2017, 10, 699. [Google Scholar] [CrossRef]
- Garoudja, E.; Harrou, F.; Sun, Y.; Kara, K.; Chouder, A.; Silvestre, S. Statistical fault detection in photovoltaic systems. Sol. Energy 2017, 150, 485–499. [Google Scholar] [CrossRef]
- Liu, G.; Yu, W.; Zhu, L. Condition classification and performance of mismatched photovoltaic arrays via a pre-filtered Elman neural network decision making tool. Sol. Energy 2018, 173, 1011–1024. [Google Scholar] [CrossRef]
- Appiah, A.Y.; Zhang, X.; Ayawli, B.B.K.; Kyeremeh, F. Review and Performance Evaluation of Photovoltaic Array Fault Detection and Diagnosis Techniques. Int. J. Photoenergy 2019, 2019, 1–19. [Google Scholar] [CrossRef]
- Jadidi, S.; Badihi, H.; Zhang, Y. Passive Fault-Tolerant Control Strategies for Power Converter in a Hybrid Microgrid. Energies 2020, 13, 5625. [Google Scholar] [CrossRef]
- Chaudhary, A.S.; Chaturvedi, D. Thermal Image Analysis and Segmentation to Study Temperature Effects of Cement and Bird Deposition on Surface of Solar Panels. Int. J. Image Graph. Signal Process. 2017, 9, 12–22. [Google Scholar] [CrossRef]
- Leva, S.; Aghaei, M.; Grimaccia, F. PV power plant inspection by UAS: Correlation between altitude and detection of defects on PV modules. In Proceedings of the 2015 IEEE 15th International Conference on Environment and Electrical Engineering (EEEIC), Rome, Italy, 10–13 June 2015; IEEE: New York, NY, USA, 2015. [Google Scholar]
- Cardinale-Villalobos, L.; Rimolo-Donadio, R.; Meza, C. Solar Panel Failure Detection by Infrared UAS Digital Photogrammetry: A Case Study. Int. J. Renew. Energy Res. (IJRER) 2020, 10, 1154–1164. [Google Scholar]
- Cardinale-Villalobos, L.; Meza, C.; Murillo-Soto, L. Experimental Comparison of Visual Inspection and Infrared Thermography for the Detection of Soling and Partial Shading in Photovoltaic Arrays. In ICSC-CITIES 2020. Communications in Computer and Information Science; Springer: Cham, Switzerland, 2021; Volume 1359. [Google Scholar]
- Tyutyundzhiev, N.; Lovchinov, K.; Martínez-Moreno, F.; Leloux, J.; Narvarte, L. Advanced PV modules inspection using multirotor UAV. In Proceedings of the 31st European Photovoltaic Solar Energy Conference and Exhibition, Hamburg, Germany, 14–18 September 2015. [Google Scholar]
- Murillo-Soto, L.D.; Meza, C. Fault detection in solar arrays based on an efficiency threshold. In Proceedings of the 2020 IEEE 11th Latin American Symposium on Circuits & Systems (LASCAS), San Jose, Costa Rica, 25–28 February 2020; IEEE: New York, NY, USA, 2020; pp. 1–4. [Google Scholar]
- Murillo-Soto, L.D.; Meza, C. Photovoltaic Array Fault Detection Algorithm Based on Least Significant Difference Test. In Applied Computer Sciences in Engineering; Figueroa-García, J.C., Garay-Rairán, F.S., Hernández-Pérez, G.J., Díaz-Gutierrez, Y., Eds.; Springer International Publishing: Cham, Switzerland, 2020; pp. 501–515. [Google Scholar]
- Serna-Garcés, S.; Bastidas-Rodríguez, J.; Ramos-Paja, C. Reconfiguration of Urban Photovoltaic Arrays Using Commercial Devices. Energies 2016, 9, 2. [Google Scholar] [CrossRef]
- Murillo-Soto, L.D.; Meza, C. Voltage measurement in a reconfigurable solar array with series-parallel topology. In Proceedings of the 2017 IEEE 37th CONCAPAN, Managua, Nicaragua, 15–17 November 2017; IEEE: Managua, Nicaragua, 2017; pp. 1–5. [Google Scholar] [CrossRef]
- Kabalci, Y.; Kabalci, E. The low cost voltage and current measurement device design for power converters. In Proceedings of the 2016 8th International Conference on Electronics, Computers and Artificial Intelligence (ECAI), Ploiesti, Romania, 30 June–2 July 2016; IEEE: New York, NY, USA, 2016; pp. 1–6. [Google Scholar] [CrossRef]
- Bastidas-Rodriguez, J.; Petrone, G.; Ramos-Paja, C.; Spagnuolo, G. Photovoltaic modules diagnostic: An overview. In Proceedings of the IECON 2013—39th Annual Conference of the IEEE Industrial Electronics Society, Vienna, Austria, 10–13 November 2013; IEEE: New York, NY, USA, 2013; pp. 96–101. [Google Scholar] [CrossRef]
- Mellit, A.; Tina, G.; Kalogirou, S. Fault detection and diagnosis methods for photovoltaic systems: A review. Renew. Sustain. Energy Rev. 2018, 91, 1–17. [Google Scholar] [CrossRef]
- Chen, H.; Yi, H.; Jiang, B.; Zhang, K.; Chen, Z. Data-Driven Detection of Hot Spots in Photovoltaic Energy Systems. IEEE Trans. Syst. Man Cybern. Syst. 2019, 49, 1731–1738. [Google Scholar] [CrossRef]
- Zhao, Y.; Lehman, B.; Ball, R.; Mosesian, J.; de Palma, J.F. Outlier detection rules for fault detection in solar photovoltaic arrays. In Proceedings of the 2013 Twenty-Eighth Annual IEEE Applied Power Electronics Conference and Exposition (APEC), Long Beach, CA, USA, 17–21 March 2013; pp. 2913–2920. [Google Scholar] [CrossRef]
- Chen, G.; Lin, P.; Lai, Y.; Chen, Z.; Wu, L.; Cheng, S. Location for fault string of photovoltaic array based on current time series change detection. Energy Procedia 2018, 145, 406–412. [Google Scholar] [CrossRef]
- Chine, W.; Mellit, A.; Pavan, A.M.; Lughi, V. Fault diagnosis in photovoltaic arrays. In Proceedings of the 2015 International Conference on Clean Electrical Power (ICCEP), Taormina, Italy, 16–18 June 2015; IEEE: New York, NY, USA, 2015; pp. 67–72. [Google Scholar] [CrossRef]
- Bastidas-Rodriguez, J.D.; Franco, E.; Petrone, G.; Ramos-Paja, C.A.; Spagnuolo, G. Model-Based Degradation Analysis of Photovoltaic Modules Through Series Resistance Estimation. IEEE Trans. Ind. Electron. 2015, 62, 7256–7265. [Google Scholar] [CrossRef]
- Chouder, A.; Silvestre, S. Automatic supervision and fault detection of PV systems based on power losses analysis. Energy Convers. Manag. 2010, 51, 1929–1937. [Google Scholar] [CrossRef]
- Huang, C.; Wang, L. Simulation study on the degradation process of photovoltaic modules. Energy Convers. Manag. 2018, 165, 236–243. [Google Scholar] [CrossRef]
- Banavar, M.; Braun, H.; Buddha, S.T.; Krishnan, V.; Spanias, A.; Takada, S.; Takehara, T.; Tepedelenlioglu, C.; Yeider, T. Signal processing for solar array monitoring, fault detection, and optimization. Synth. Lect. Power Electron. 2012, 7, 1–95. [Google Scholar] [CrossRef]
- Pei, T.; Zhang, J.; Li, L.; Hao, X. A fault locating method for PV arrays based on improved voltage sensor placement. Sol. Energy 2020, 201, 279–297. [Google Scholar] [CrossRef]
- Chine, W.; Mellit, A.; Lughi, V.; Malek, A.; Sulligoi, G.; Massi Pavan, A. A novel fault diagnosis technique for photovoltaic systems based on artificial neural networks. Renew. Energy 2016, 90, 501–512. [Google Scholar] [CrossRef]
- Dhimish, M.; Holmes, V.; Mehrdadi, B.; Dales, M. Diagnostic method for photovoltaic systems based on six layer detection algorithm. Electr. Power Syst. Res. 2017, 151, 26–39. [Google Scholar] [CrossRef]
- Murillo-Soto, L.D.; Meza, C. Diagnose Algorithm and Fault Characterization for Photovoltaic Arrays: A Simulation Study. In ELECTRIMACS 2019; Zamboni, W., Petrone, G., Eds.; Springer International Publishing: Cham, Switzerland, 2020; pp. 567–582. [Google Scholar]
- Nguyen, D.; Lehman, B. An Adaptive Solar Photovoltaic Array Using Model-Based Reconfiguration Algorithm. IEEE Trans. Ind. Electron. 2008, 55, 2644–2654. [Google Scholar] [CrossRef]
- Velasco-Quesada, G.; Guinjoan-Gispert, F.; Pique-Lopez, R.; Roman-Lumbreras, M.; Conesa-Roca, A. Electrical PV Array Reconfiguration Strategy for Energy Extraction Improvement in Grid-Connected PV Systems. IEEE Trans. Ind. Electron. 2009, 56, 4319–4331. [Google Scholar] [CrossRef]
- Deshkar, S.N.; Dhale, S.B.; Mukherjee, J.S.; Babu, T.S.; Rajasekar, N. Solar PV array reconfiguration under partial shading conditions for maximum power extraction using genetic algorithm. Renew. Sustain. Energy Rev. 2015, 43, 102–110. [Google Scholar] [CrossRef]
- Camarillo-Peñaranda, J.R.; Ramírez-Quiroz, F.A.; González-Montoya, D.; Bolaños-Martínez, F.; Ramos-Paja, C.A. Reconfiguration of photovoltaic arrays based on genetic algorithm. Rev. Fac. Ing. Univ. Antioq. 2015, 75, 95–107. [Google Scholar] [CrossRef]
- Carotenuto, P.; Della Cioppa, A.; Marcelli, A.; Spagnuolo, G. An evolutionary approach to the dynamical reconfiguration of photovoltaic fields. Neurocomputing 2015, 170, 393–405. [Google Scholar] [CrossRef]
- Balato, M.; Costanzo, L.; Vitelli, M. Reconfiguration of PV modules: A tool to get the best compromise between maximization of the extracted power and minimization of localized heating phenomena. Sol. Energy 2016, 138, 105–118. [Google Scholar] [CrossRef]
- Karakose, M.; Baygin, M.; Baygin, N.; Murat, K.; Akin, E. An intelligent reconfiguration approach based on fuzzy partitioning in PV arrays. In Proceedings of the INISTA 2014—IEEE International Symposium on Innovations in Intelligent Systems and Applications, Proceedings, Alberobello, Italy, 23–25 June 2014; pp. 356–360. [Google Scholar] [CrossRef]
- Karakose, M.; Baygin, M.; Parlak, K.S. A new real-time reconfiguration approach based on neural network in partial shading for PV arrays. In Proceedings of the 2014 International Conference on Renewable Energy Research and Application (ICRERA), Milwaukee, WI, USA, 19–22 October 2014; IEEE: New York, NY, USA, 2014; pp. 633–637. [Google Scholar] [CrossRef]
- Dos Santos Vicente, P.; Pimenta, T.C.; Ribeiro, E.R. Photovoltaic Array Reconfiguration Strategy for Maximization of Energy Production. Int. J. Photoenergy 2015, 2015, 1–11. [Google Scholar] [CrossRef]
- Orozco-Gutierrez, M.L.; Spagnuolo, G.; Ramirez-Scarpetta, J.M.; Petrone, G.; Ramos-Paja, C.A. Optimized Configuration of Mismatched Photovoltaic Arrays. IEEE J. Photovolt. 2016, 6, 1210–1220. [Google Scholar] [CrossRef]
- Belhaouas, N.; Ait Cheikh, M.-S.; Agathoklis, P.; Oularbi, M.R.; Amrouche, B.; Sedraoui, K.; Djilali, N. PV array power output maximization under partial shading using new shifted PV array arrangements. Appl. Energy 2017, 187, 326–337. [Google Scholar] [CrossRef]
- Petrone, G.; Ramos-Paja, C.A.; Spagnuolo, G.; Xiao, W. Photovoltaic Sources Modeling; Wiley Online Library: Hoboken, NJ, USA, 2017. [Google Scholar]
- Shannan, N.M.A.A.; Yahaya, N.Z.; Singh, B. Single-diode model and two-diode model of PV modules: A comparison. In Proceedings of the 2013 IEEE International Conference on Control System, Computing and Engineering, Penang, Malaysia, 29 November–1 December 2013; IEEE: New York, NY, USA, 2013; pp. 210–214. [Google Scholar]
- Villalva, M.G.; Gazoli, J.R.; Ruppert, E.F. Modeling and Circuit-Based Simulation of Photovoltaic Arrays. In Proceedings of the 2009 Brazilian Power Electronics Conference, Bonito-Mato Grosso do Sul, Brazil, 27 September–1 October 2009; Volume 14. [Google Scholar]
- De Brito, M.A.; Sampaio, L.P.; Luigi, G.; e Melo, G.A.; Canesin, C.A. Comparative analysis of MPPT techniques for PV applications. In Proceedings of the 2011 International Conference on Clean Electrical Power (ICCEP), Ischia, Italy, 14–16 June 2011; IEEE: New York, NY, USA, 2011; pp. 99–104. [Google Scholar]
- Storey, J.; Wilson, P.R.; Bagnall, D. The Optimized-String Dynamic Photovoltaic Array. IEEE Trans. Power Electron. 2014, 29, 1768–1776. [Google Scholar] [CrossRef]








| Figure 4 | K1 | K2 | K3 | K4 | |
|---|---|---|---|---|---|
| State A | (a) | 0 | 0 | 0 | 0 |
| State B | (b) | 1 | 1 | 1 | 0 |
| State C | (c) | x | 1 | 0 | 1 |
| State D | (d) | x | 1 | 0 | 0 |
| Fault Type | Tag |
|---|---|
| Normal module | 0 |
| Recover module | 1 |
| Short-circuit to ground | 2 |
| Short-circuit module | 3 |
| Open-circuit module | 4 |
| Open wire in the string | 5 |
| Bypass diode working | 6 |
| Internal degradation | 7 |
| Parameter | Value |
|---|---|
| Saturation current | A |
| Photo current | A |
| Series resistance | |
| Parallel resistance | |
| Ideally factor |
| Specification for KC200GT | Value |
|---|---|
| Maximum Power | W |
| Maximum Power Voltage | V |
| Maximum Power Current | A |
| Open Circuit Voltage | V |
| Short Circuit Current | A |
| Temperature Coefficient of Voc | V/C |
| Temperature Coefficient of Isc | A/C |
| Number of series cell | 54 |
| Fault Type | Interval (s) | PV Label | Diagnosis | |
|---|---|---|---|---|
| E1 | Short Circuit | 0.5–1.0 | 3 | 3 |
| E2 | SC to ground | 1.5–2.0 | 3 | 2 |
| Open Circuit module | 1.5–2.0 | 18 | 6 | |
| E3 | OC module | 2.5–3.0 | 3 | 6 |
| E4 | Open wire | 3.5–4.0 | 22 | 5 |
| E5 | SC to ground | 4.5–5.0 | 22 | 2 |
| E6 | SC | 5.5–6.0 | 22 | 3 |
| E7 | SC | 6.5–7.0 | 46 | 3 |
| E8 | SC to ground | 7.5–8.0 | 46 | 2 |
| E9 | Open wire | 8.5–9.0 | 46 | 5 |
| E10 | SC | 9.5–10.0 | 11 | 3 |
| E11 | SC to ground | 10.5–11.0 | 11 | 2 |
| E12 | Open wire | 11.5–12.0 | 11 | 5 |
| E13 | SC | 12.5–13.0 | 41 | 3 |
| E14 | SC to ground | 13.5–14.0 | 41 | 2 |
| E15 | OC module | 14.5–15.0 | 41 | 6 |
| E16 | OC module | 15.5–16.0 | 5 | 6 |
| E17 | OC module | 16.5–17.0 | 29 | 6 |
| E18 | OC module | 17.5–18.0 | 35 | 6 |
| E19 | OC module | 18.5–19.0 | 9 | 6 |
| Internal degradation | 18.5–19.0 | 26 | 7 |
| Event | Fault Type | Lost Power (%) | Recovered Power (%) | Real Loss (%) |
|---|---|---|---|---|
| E2 | SC to ground | 34.78 | 31.96 | 2.82 |
| E4 | Open wire | 33.33 | 31.95 | 1.38 |
| E5 | SC to ground | 33.33 | 31.95 | 1.38 |
| E8 | SC to ground | 14.28 | 12.90 | 1.38 |
| E9 | Open wire | 33.33 | 31.95 | 1.38 |
| E11 | SC to ground | 33.33 | 31.95 | 1.38 |
| E12 | Open wire | 33.33 | 31.95 | 1.38 |
| E14 | SC to ground | 33.33 | 31.95 | 1.38 |
Publisher’s Note: MDPI stays neutral with regard to jurisdictional claims in published maps and institutional affiliations. |
© 2021 by the authors. Licensee MDPI, Basel, Switzerland. This article is an open access article distributed under the terms and conditions of the Creative Commons Attribution (CC BY) license (https://creativecommons.org/licenses/by/4.0/).
Share and Cite
Murillo-Soto, L.D.; Meza, C. Automated Fault Management System in a Photovoltaic Array: A Reconfiguration-Based Approach. Energies 2021, 14, 2397. https://doi.org/10.3390/en14092397
Murillo-Soto LD, Meza C. Automated Fault Management System in a Photovoltaic Array: A Reconfiguration-Based Approach. Energies. 2021; 14(9):2397. https://doi.org/10.3390/en14092397
Chicago/Turabian StyleMurillo-Soto, Luis D., and Carlos Meza. 2021. "Automated Fault Management System in a Photovoltaic Array: A Reconfiguration-Based Approach" Energies 14, no. 9: 2397. https://doi.org/10.3390/en14092397
APA StyleMurillo-Soto, L. D., & Meza, C. (2021). Automated Fault Management System in a Photovoltaic Array: A Reconfiguration-Based Approach. Energies, 14(9), 2397. https://doi.org/10.3390/en14092397


