Sampling Primary Power Standard from DC up to 9 kHz Using Commercial Off-The-Shelf Components †
Abstract
1. Introduction
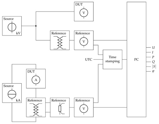
2. Measurement Set-Up and Characterisation
- One three-phase power calibrator Fluke 6105A/6135A or similar. In this set-up, the essential property is the stability of the outputs and the operating range ( A, kHz).
- Three calibrated shunts Fluke A40B or similar.
- Six calibrated sampling voltmeters Keysight 3458A or similar with a trigger input and aperture waveform output. The 3458A is well documented (e.g., [15]). It limits the maximum voltage to V.
- One utc-synchronised six-channel time-to-digital converter (tdc), e.g., three ni pxi-6683.
2.1. Characterisation of the Shunts
2.2. Voltmeter Triggering
2.3. Time-Stamping Voltmeter Samples
2.4. Latency of the Voltmeter’s Analogue Front-End
2.5. Frequency Response of the Voltmeter
3. Uncertainty Budget of the Basic System
4. Comparison
5. Extension Beyond 21 A and 700 V
5.1. Extension Using Amplifiers
5.2. Extension Using Amplifiers and Step-Up Transformers
6. Conclusions
Funding
Institutional Review Board Statement
Informed Consent Statement
Data Availability Statement
Conflicts of Interest
References
- Giordano, D.; Clarkson, P.; Gamacho, F.; van den Brom, H.E.; Donadio, L.; Fernandez-Cardador, A.; Spalvieri, C.; Gallo, D.; Istrate, D.; De Santiago Laporte, A.; et al. Accurate Measurements of Energy, Efficiency and Power Quality in the Electric Railway System. In Proceedings of the Conference on Precision Electromagnetic Measurements (CPEM 2018), Paris, France, 8–13 July 2018; pp. 1–2. [Google Scholar] [CrossRef]
- Available online: www.ptb.de/empir2020/windefcy (accessed on 24 November 2020).
- Hentgen, L.; Mester, C. Sampling AC Signals: Comparison of Fitting Algorithms and FFT. In Proceedings of the Conference on Precision Electromagnetic Measurements (CPEM 2018), Paris, France, 8–13 July 2018; pp. 1–2. [Google Scholar] [CrossRef]
- Mester, C. The role of national metrology institutes, the international system of units and the concept of traceability. In Proceedings of the First International Colloquium on Smart Grid Metrology (SmaGriMet), Split, Croatia, 24–27 April 2018; pp. 1–5. [Google Scholar] [CrossRef]
- Sené, M.; Gilmore, I.; Janssen, J.-T. Metrology is key to reproducing results. Nature 2017, 547, 397–399. [Google Scholar] [CrossRef] [PubMed]
- ISO/IEC 17025:2017. General Requirements for the Competence of Testing and Calibration Laboratories; ISO and IEC: Geneva, Switzerland, 2017. [Google Scholar]
- Mester, C.; Braun, J.-P.; Ané, C. Introduction to the traceable measurement of power quality. Technisches Messen 2018, 85, 738–745. [Google Scholar] [CrossRef]
- Mester, C.; Braun, J.-P.; Ané, C. Power quality analysers: Measurement uncertainty. In Proceedings of the Sensors and Measuring Systems,19th ITG/GMA-Symposium, Nuremberg, Germany, 26–27 June 2018; pp. 336–339. [Google Scholar]
- Mester, C.; Braun, J.-P.; Ané, C. Establishing traceability for flickermeters. In Proceedings of the First International Colloquium on Smart Grid Metrology (SmaGriMet), Split, Croatia, 24–27 April 2018; pp. 1–5. [Google Scholar] [CrossRef]
- Mester, C. Timestamping Type 3458A Multimeter Samples. In Proceedings of the Conference on Precision Electromagnetic Measurements (CPEM 2018), Paris, France, 8–13 July 2018; pp. 1–2. [Google Scholar] [CrossRef]
- EN 50463-2:2017. Railway Applications-Energy Measurement on Board Trains – Part 2: Energy Measuring; CENELEC: Brussels, Belgium, 2017. [Google Scholar]
- Santschi, C.; Braun, J.-P. The Certification of Railway Electricity Meters. METinfo 2015, 22. Available online: https://www.metas.ch/content/dam/metas/de/data/dokumentation/metas-publikationen/metinfo/metinfo-02-2015.pdf (accessed on 1 April 2021).
- IEC FDIS 62053-41:2021 (13/1831/FDIS). Electricity Metering Equipment – Particular requirements – Part 41: Static Meters for DC Energy (Classes 0,5 and 1); IEC: Geneva, Switzerland, 2021. [Google Scholar]
- EMPIR Selected Research Topic “Metrology for DC Electricity Grids”. Available online: https://www.euramet.org/index.php?eID=tx_securedownloads&p=1654&u=0&g=0&t=1640159040&hash=fe6fb884026c970aebe96e761ea943f5ccc5d2fd&file=Media/docs/EMPIR/JRP/Industry_JRPs/SRT-g02_v1.1.pdf (accessed on 1 April 2021).
- Lapuh, R. Sampling with 3458A, 1st ed.; Left Right d.o.o.: Ljubljana, Slovenia, 2018; ISBN 978-961-94476-0-4. [Google Scholar]
- Mester, C. Sampling primary power standard from DC up to 9 kHz using commercial off-the-shelf components. In Proceedings of the Third International Colloquium on Smart Grid Metrology (SmaGriMet), online, 20–23 October 2020. [Google Scholar] [CrossRef]
- Bergsten, T.; Rydler, K. Realization of Absolute Phase and AC Resistance of Current Shunts by Ratio Measurements. IEEE Trans. Instrum. Meas. 2019, 68, 2041–2046. [Google Scholar] [CrossRef]
- Ramm, G.; Moser, H.; Braun, A. A New Scheme for Generating and Measuring Active, Reactive, and Apparent Power at Power Frequencies with Uncertainties of 2.5 × 10−6. IEEE Trans. Instrum. Meas. 1999, 48, 422–426. [Google Scholar] [CrossRef]
- Agrež, D. Power measurement in the non-coherent sampling. Measurement 2008, 41, 230–235. [Google Scholar] [CrossRef]
- Augustyn, J.; Kampik, M. Application of Ellipse Fitting Algorithm in Incoherent Sampling Measurements of Complex Ratio of AC Voltages. IEEE Trans. Instrum. Meas. 2017, 66, 1117–1123. [Google Scholar] [CrossRef]
- Ramos, P.M.; Janeiro, F.M.; Radil, T. Comparison of impedance measurements in a DSP using ellipse-fit and seven-parameter sine-fit algorithms. Measurement 2009, 42, 1370–1379. [Google Scholar] [CrossRef]
- Augustyn, J.; Kampik, M. Improved Sine-Fitting Algorithms for Measurements of Complex Ratio of AC Voltages by Asynchronous Sequential Sampling. IEEE Trans. Instrum. Meas. 2019, 68, 1659–1665. [Google Scholar] [CrossRef]
- Sedlacek, M.; Stoudek, Z. Active power measurements-An overview and a comparison of DSP algorithms by noncoherent sampling. Metrol. Meas. Syst. 2011, 18, 173–184. [Google Scholar] [CrossRef]
- Fishburn, M.; Menninga, L.H.; Favi, C.; Charbon, E. A 19.6 ps, FPGA-Based TDC With Multiple Channels for Open Source Applications. IEEE Trans. Nucl. Sci. 2013, 60, 2203–2208. [Google Scholar] [CrossRef]
- Mester, C.; Paillard, C.; Moreira, P. A multi-channel 24.4 ps bin size Time-to-Digital Converter for HEP applications. In Proceedings of the Topical Workshop on Electronics for Particle Physics, TWEPP 2008, Naxos, Greece, 15–19 September 2008; pp. 459–462. [Google Scholar]
- Feng, J.; Pan, Y.; Sun, J.; Shi, L.; Lai, L. Time Latency of DC Input Path for 3458A Sampling Multimeter. In Proceedings of the Conference on Precision Electromagnetic Measurements (CPEM 2018), Paris, France, 8–13 July 2018; pp. 1–2. [Google Scholar] [CrossRef]
- Crotti, G.; Delle Femine, A.; Gallo, D.; Giordano, D.; Landi, C.; Luiso, M. Measurement of Absolute Phase Error of Digitizers. In Proceedings of the Conference on Precision Electromagnetic Measurements (CPEM 2018), Paris, France, 8–13 July 2018; pp. 1–2. [Google Scholar] [CrossRef]
- Braun, J.-P.; Mester, C.; André, M.-O. Requirements for an advanced PMU calibrator. In Proceedings of the Conference on Precision Electromagnetic Measurements (CPEM 2016), Ottawa, ON, Canada, 10–15 July 2016; pp. 1–2. [Google Scholar] [CrossRef]
- Pogliano, U. Use of integrative analog-to-digital converters for high-precision measurement of electrical power. IEEE Trans. Instrum. Meas. 2001, 50, 1315–1318. [Google Scholar] [CrossRef]
- Cook, R.K. Theory of Wagner Ground Balance for Alternating Current Bridges. J. Res. Nat. Bur. Stand. 1948, 40, 245–249. [Google Scholar] [CrossRef]
- IEC 60050-601:1985. International Electrotechnical Vocabulary (IEV) – Part 601: Generation, Transmission and Distribution of Electricity–General; Item 601-01-19 “Active Energy”; IEC: Geneva, Switzerland, 1985. [Google Scholar]
- IATE (Interactive Terminology for Europe). The EU’s Terminology Database, Entry 1376352 “Active Energy”. Available online: http://iate.europa.eu (accessed on 1 April 2021).
- Siegenthaler, S.; Mester, C. A Computer-Controlled Calibrator for Instrument Transformer Test Sets. IEEE Trans. Instrum. Meas. 2011, 66, 1184–1190. [Google Scholar] [CrossRef]
- Mester, C. Optimised calibration programmes for comparators for instrument transformers. Technisches Messen 2021, 88, 122–131. [Google Scholar] [CrossRef]
- Chattock, A.P. On a magnetic potentiometer. Philos. Mag. J. Sci. 1887, XXIV, 94–96. [Google Scholar] [CrossRef]
- IEC 62052-11:2020. Electricity Metering Equipment–General Requirements, Tests and Test Conditions–Part 11: Metering Equipment.; IEC: Geneva, Switzerland, 2020. [Google Scholar]
- Directive 2014/32/EU of the European Parliament and of the Council of 26 February 2014 on the Harmonisation of the Laws of the Member States Relating to the Making Available on the Market of Measuring Instruments. Available online: https://eur-lex.europa.eu/eli/dir/2014/32/oj (accessed on 1 April 2021).
- Draxler, K.; Styblikova, R.; Hlavacek, J.; Rietveld, G.; Van Den Brom, H.E.; Schnaitt, M.; Waldmann, W.; Dimitrov, E.; Cincar-Vujovic, T.; Pączek, B.; et al. Results of an International Comparison of Instrument Current Transformers up to 10 kA and 50 Hz Frequency. Conf. Precis. Electromagn. Meas. 2018. [Google Scholar] [CrossRef]
- Draxler, K.; Styblíková, R.; Hlaváček, J.; Rietveld, G. Euramet Project 1187 ‘Comparison of Instrument Current Transformers up to 10 kA’. EURAMET.EM-S37, BIPM KCDB. Available online: https://www.bipm.org/kcdb/comparison?id=235 (accessed on 1 April 2021).
- ISO/IEC Guide 98-4:2012 (JCGM 106). Uncertainty of Measurement – Part 4: Role of Measurement Uncertainty in Conformity Assessment; ISO and IEC: Geneva, Switzerland, 2012. [Google Scholar]
- IEC 61000-4-30:2015. Electromagnetic Compatibility (EMC) – Part 4-30: Testing and Measuring Techniques – Power Quality Measurement Methods; IEC: Geneva, Switzerland, 2015. [Google Scholar]
- IEC/IEEE 60255-118-1:2018. Measuring Relays and Protection Equipment – Part 118-1: Synchrophasor for Power Systems – Measurements; IEC: Geneva, Switzerland, 2018. [Google Scholar]



| Source of Uncertainty | Standard Uncertainty in at Frequency | |||
|---|---|---|---|---|
| 50 Hz | 400 Hz | 1 kHz | 9 kHz | |
| DC resistance | 0.2 | 0.2 | 0.2 | 0.2 |
| AC-DC difference | 0.01 | 0.1 | 0.2 | 2 |
| Combined standard uncertainty | 0.2 | 0.3 | 0.3 | 2 |
| Source of Uncertainty | Standard Uncertainty in rad at Frequency | |||
|---|---|---|---|---|
| 50 Hz | 400 Hz | 1 kHz | 9 kHz | |
| Phase | 0.03 | 0.3 | 0.6 | 6 |
| One Trigger | Internal | Equally | Predictable | Signal |
|---|---|---|---|---|
| Event | Clock | Spaced | Timing | Frequency |
| per | Sync. | Samples | Maintained | |
| sample | yes | yes | yes | yes |
| measurement | yes | yes | yes | yes |
| sample | no | no | no | yes |
| measurement | no | yes | no | no |
| Source of Uncertainty | Standard Uncertainty in at Frequency | |||
|---|---|---|---|---|
| 50 Hz | 400 Hz | 1 kHz | 9 kHz | |
| Voltmeter (voltage channel) | 5 | 10 | 100 | 150 |
| Voltmeter (current channel) | 5 | 10 | 100 | 150 |
| Shunt | 0.2 | 0.3 | 0.3 | 2 |
| Spread of the samples | 1 | 2 | 2 | 2 |
| Combined standard uncertainty | 7 | 14 | 142 | 212 |
| Expanded uncertainty (95%) | 15 | 30 | 300 | 500 |
| Source of Uncertainty | Standard Uncertainty in rad at Frequency | |||
|---|---|---|---|---|
| 50 Hz | 400 Hz | 1 kHz | 9 kHz | |
| Phase displacement of shunt | 0.03 | 0.3 | 0.6 | 6 |
| Phase difference of voltmeters | 1 | 2 | 5 | 45 |
| Common mode voltage | 5 | 8 | 100 | 900 |
| Spread of the samples | 1 | 2 | 2 | 2 |
| Combined standard uncertainty | 6 | 9 | 100 | 900 |
| Expanded uncertainty (95%) | 11 | 17 | 200 | 1800 |
| Source of Uncertainty | Standard Uncertainty in at Frequency | |||
|---|---|---|---|---|
| 50 Hz | 400 Hz | 1 kHz | 9 kHz | |
| Combined standard uncertainty | 7 | 14 | 142 | 900 |
| Expanded uncertainty (95%) | 15 | 30 | 300 | 1800 |
| Settings | Difference | ||||
|---|---|---|---|---|---|
| Phase | Voltage | Current | Active | Reactive | Apparent |
| Power | Power | Power | |||
| 180 | 0 | −2 | 3 | 0 | −2 |
| 150 | 1 | −1 | 0 | −1 | −1 |
| 120 | 0 | −1 | 0 | −1 | −1 |
| 90 | 0 | 0 | 0 | −1 | −1 |
| 60 | 0 | 0 | −1 | 1 | 1 |
| 30 | 2 | 0 | 0 | 2 | 1 |
| 0 | 1 | 1 | 2 | −1 | 2 |
| −30 | 1 | 2 | 4 | −1 | 3 |
| −60 | 2 | 2 | 1 | −4 | 4 |
| −90 | 1 | 1 | 1 | −3 | 3 |
| −120 | 1 | 1 | −1 | −2 | 1 |
| −150 | -1 | 1 | −1 | 0 | 1 |
| Settings | Difference | ||||
|---|---|---|---|---|---|
| Phase | Voltage | Current | Active | Reactive | Apparent |
| Power | Power | Power | |||
| 180 | 2 | 1 | −2 | −2 | 2 |
| 150 | 2 | 2 | −4 | −2 | 4 |
| 120 | 2 | 1 | −4 | 1 | 2 |
| 90 | 1 | 1 | −4 | 2 | 2 |
| 60 | 2 | 0 | −1 | 3 | 2 |
| 30 | 2 | 1 | 2 | 3 | 3 |
| 0 | 2 | 2 | 3 | 2 | 2 |
| −30 | 1 | 1 | 3 | 0 | 3 |
| −60 | 3 | 2 | 4 | −2 | 4 |
| −90 | 1 | 2 | 3 | −2 | 2 |
| −120 | 2 | 2 | 1 | −6 | 5 |
| −150 | 2 | 1 | 0 | −4 | 3 |
| Source of Uncertainty | Standard Uncertainty in at Frequency | |||
|---|---|---|---|---|
| 50 Hz | 400 Hz | 1 kHz | 9 kHz | |
| Voltmeter (voltage channel) | 5 | 10 | 100 | 150 |
| Voltage divider | 5 | 5 | 10 | 100 |
| Voltmeter (current channel) | 5 | 10 | 100 | 150 |
| Current transformer | 5 | 5 | 10 | 100 |
| Shunt | 0.2 | 0.3 | 0.3 | 2 |
| Spread of the samples | 1 | 2 | 2 | 2 |
| Combined standard uncertainty | 10 | 16 | 142 | 255 |
| Expanded uncertainty (95%) | 20 | 32 | 290 | 510 |
| Source of Uncertainty | Standard Uncertainty in rad at Frequency | |||
|---|---|---|---|---|
| 50 Hz | 400 Hz | 1 kHz | 9 kHz | |
| Phase displacement of voltage divider | 5 | 5 | 10 | 100 |
| Phase displacement of current transformer | 5 | 5 | 10 | 100 |
| Phase displacement of shunt | 0.03 | 0.3 | 0.6 | 6 |
| Phase difference of voltmeters | 1 | 2 | 5 | 45 |
| Spread of the samples | 1 | 2 | 2 | 2 |
| Combined standard uncertainty | 8 | 8 | 16 | 150 |
| Expanded uncertainty (95%) | 15 | 16 | 31 | 300 |
Publisher’s Note: MDPI stays neutral with regard to jurisdictional claims in published maps and institutional affiliations. |
© 2021 by the author. Licensee MDPI, Basel, Switzerland. This article is an open access article distributed under the terms and conditions of the Creative Commons Attribution (CC BY) license (https://creativecommons.org/licenses/by/4.0/).
Share and Cite
Mester, C. Sampling Primary Power Standard from DC up to 9 kHz Using Commercial Off-The-Shelf Components. Energies 2021, 14, 2203. https://doi.org/10.3390/en14082203
Mester C. Sampling Primary Power Standard from DC up to 9 kHz Using Commercial Off-The-Shelf Components. Energies. 2021; 14(8):2203. https://doi.org/10.3390/en14082203
Chicago/Turabian StyleMester, Christian. 2021. "Sampling Primary Power Standard from DC up to 9 kHz Using Commercial Off-The-Shelf Components" Energies 14, no. 8: 2203. https://doi.org/10.3390/en14082203
APA StyleMester, C. (2021). Sampling Primary Power Standard from DC up to 9 kHz Using Commercial Off-The-Shelf Components. Energies, 14(8), 2203. https://doi.org/10.3390/en14082203

