Review on Dynamic Simulation of Wind Diesel Isolated Microgrids
Abstract
1. Introduction
2. WDIM Operation Modes
3. WDIM Dynamic Simulation Review
3.1. WTGs Included in WDIMs
3.2. Use of Energy Storage in WDIMs
3.3. Modes of Operation
3.4. Power Quality and Stability Issues
3.5. Related AC Microgrids
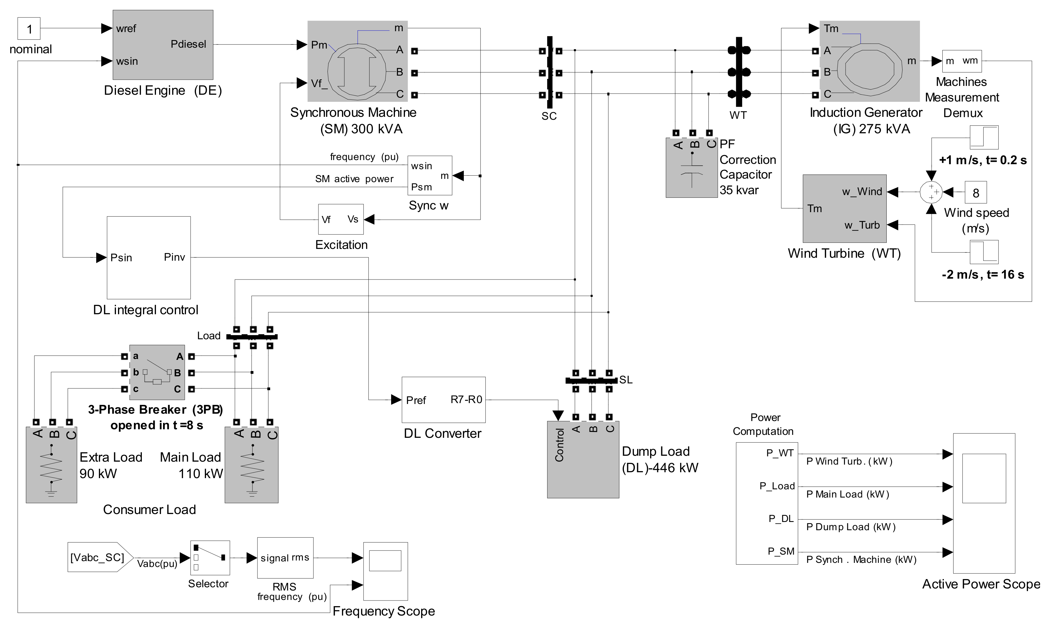
4. WDIM Dynamic Modeling and Simulation Example
4.1. Modeling of the WDIM Components
4.2. WDIM Simulation Graphics
5. Conclusions
Funding
Institutional Review Board Statement
Informed Consent Statement
Data Availability Statement
Conflicts of Interest
Abbreviations
| DE | Diesel engine |
| DFIG | Double-feed induction generator |
| DG | Diesel generator |
| DL | Dump load |
| ESS | Energy storage system |
| BESS | Battery ESS |
| FESS | Flywheel ESS |
| CESS | Supercapacitor ESS |
| PMSG | Permanent magnet synchronous generator |
| SCIG | Squirrel-cage induction generator |
| SM | Synchronous machine |
| WDIM | Wind diesel isolated microgrid |
| WDIM operation modes | Diesel only (DO), wind–diesel (WD), wind only (WO) |
| WT | Wind turbine |
| WTG | Wind turbine generator |
References
- Vazquez, S.; Lukic, S.M.; Galvan, E.; Franquelo, L.G.; Carrasco, J.M. Energy Storage Systems for Transport and Grid Applications. IEEE Trans. Ind. Electron. 2010, 57, 3881–3895. [Google Scholar] [CrossRef]
- Hunter, R.; Elliot, G. (Eds.) Wind-Diesel Systems: A Guide to the Technology and Its Implementations; Cambridge University Press: Cambridge, UK, 1994. [Google Scholar]
- Sebastián, R.; García-Loro, F. Review on Wind Diesel Systems Dynamic Simulation. In Proceedings of the IECON 2019—45th Annual Conference of the IEEE Industrial Electronics Society, Lisbon, Portugal, 14–17 October; IEEE: New York, NY, USA, 2019; pp. 2489–2494. [Google Scholar]
- Sebastián, R. Reverse power management in a wind diesel system with a battery energy storage. Int. J. Electr. Power Energy Syst. 2013, 44, 160–167. [Google Scholar] [CrossRef]
- Psarros, G.N.; Karamanou, E.G.; Papathanassiou, S.A. Feasibility Analysis of Centralized Storage Facilities in Isolated Grids. IEEE Trans. Sustain. Energy 2018, 9, 1822–1832. [Google Scholar] [CrossRef]
- Fernandez, R.S. Simulation of the transition from Wind only mode to Wind Diesel mode in a no-storage Wind Diesel System. IEEE Latin Am. Trans. 2009, 7, 539–544. [Google Scholar] [CrossRef]
- Sebastián, R. Smooth transition from wind only to wind diesel mode in an autonomous wind diesel system with a battery-based energy storage system. Renew. Energy 2008, 33, 454–466. [Google Scholar] [CrossRef]
- Sebastián, R. Battery energy storage for increasing stability and reliability of an isolated Wind Diesel power system. IET Renew. Power Gener. 2017, 11, 296–303. [Google Scholar] [CrossRef]
- Drouilhet, S. Power Flow Management in a High Penetration Wind–Diesel Hybrid Power System with a Short-Term Energy Storage; Wind Power 99: Vermont, VT, USA, 1999. [Google Scholar]
- Manwell, J.F.; Rogers, A.; Hayman, G.; Avelar, C.T.; McGowan, J.G.; Abdulwahid, U.; Wu, K. Hybrid2—A Hybrid System Simulation Model Theory Manual; Renewable Energy Research Laboratory, Department of Mechanical Engineering, University of Massachusetts: Amherst, MA, USA, 2006. [Google Scholar]
- Lambert, T.; Gilman, P.; Lilienthal, P. Micropower System Modeling with HOMER, Integration of Alternative Sources of Energy; Farret, F.A., Simões, M.G., Eds.; John Wiley & Sons: Hoboken, NJ, USA, 2005; ISBN 0471712329. [Google Scholar]
- Saha, T.K.; Kastha, D. Design Optimization and Dynamic Performance Analysis of a Stand-Alone Hybrid Wind–Diesel Electrical Power Generation System. IEEE Trans. Energy Convers. 2010, 25, 1209–1217. [Google Scholar] [CrossRef]
- PSCAD. Manitoba Hydro International Ltd. Available online: https://www.pscad.com/ (accessed on 26 November 2020).
- Simscape Electrical™ Libraries. Available online: https://es.mathworks.com/products/simscape-electrical.html (accessed on 26 November 2020).
- Bialasiewicz, J.T.; Muljadi, E. Analysis of Renewable-Energy Systems Using RPM-SIM Simulator. IEEE Trans. Ind. Electron. 2006, 53. [Google Scholar] [CrossRef]
- Krause, P.C.; Wasynczuk, O.; Sudhoff, S.D. Analysis of Electric Machinery and Drive Systems, 2nd ed.; Wiley-IEEE Press: Piscataway, NJ, USA, 2002. [Google Scholar]
- Li, H.; Chen, Z. Overview of different wind generator systems and their comparisons. IET Renew. Power Gener. 2008, 2, 123–138. [Google Scholar] [CrossRef]
- Hansen, A.; Jauch, C.; Sørensen, P.; Iov, F.; Blaabjerg, F. Dynamic Wind Turbine Models in Power System Simulation Tool DIgSILENT; Report Risø-R-1400(EN); Risø National Laboratory: Roskilde, Denmark, 2003; Available online: http://www.risoe.dk/rispubl/VEA/veapdf/ris-r-1400.pdf (accessed on 21 March 2021).
- Sebastián, R. Application of a battery energy storage for frequency regulation and peak shaving in a wind diesel power system. IET Gener. Transm. Distrib. 2016, 10, 764–770. [Google Scholar] [CrossRef]
- Amenedo, J.L.R.; Diaz, J.C.B.; Gomez, S.A. Sistemas Eólicos de Producción de Energía Eléctrica; Rueda: Madrid, Spain, 2003; ISBN 9788472071391. [Google Scholar]
- Margaris, I.D.; Papathanassiou, S.A.; Hatziargyriou, N.D.; Hansen, A.D.; Sorensen, P. Frequency Control in Autonomous Power Systems With High Wind Power Penetration. IEEE Trans. Sustain. Energy 2012, 3, 189–199. [Google Scholar] [CrossRef]
- Papathanassiou, S.A.; Papadopoulos, M.P. Dynamic characteristics of autonomous wind–diesel systems. Renew. Energy 2001, 23, 293–311. [Google Scholar] [CrossRef]
- Sedaghat, B.; Jalilvand, A.; Noroozian, R. Design of a multilevel control strategyfor integration of stand-alone wind/diesel system. Int. J. Electr. Power Energy Syst. 2012, 35, 123–137. [Google Scholar] [CrossRef]
- Carrillo, C.; Feijóo, A.; Cidrás, J. Comparative study of flywheel systems in an isolated wind plant. Renew. Energy 2008. [Google Scholar] [CrossRef]
- Iglesias, I.J.; Garcia-Tabares, L.; Agudo, A.; Cruz, I.; Arribas, L. Design and simulation of a stand-alone wind-diesel generator with a flywheel energy storage system to supply the required active and reactive power. In Proceedings of the 2000 IEEE 31st Annual Power Electronics Specialists Conference, Conference Proceedings (Cat. No.00CH37018), Galway, Ireland, 18–23 June 2000; Volume 3, pp. 1381–1386. [Google Scholar]
- Esmaeilian, H.R.; Fadaeinedjad, R. A Remedy for Mitigating Voltage Fluctuations in Small Remote Wind-Diesel Systems Using Network Theory Concepts. IEEE Trans. Smart Grid 2018, 9, 4162–4171. [Google Scholar] [CrossRef]
- Muljadi, E.; McKenna, H.E. Power quality issues in a hybrid power system. IEEE Trans. Ind. Appl. 2002, 38, 803–809. [Google Scholar] [CrossRef]
- Gagnon, R.; Saulnier, B.; Sybille, G.; Giroux, P. Modelling of a Generic High-Penetration No-Storage Wind-Diesel System Using Matlab/Power System Blockset. In Proceedings of the 2002 Global Windpower Conference, Paris, France, 2–5 April 2002. [Google Scholar]
- Sebastián, R.; Quesada, J. Distributed control system for frequency control in a isolated wind system. Renew. Energy 2006, 31, 285–305. [Google Scholar] [CrossRef]
- Peña, R.; Cárdenas, R.; Proboste, J.; Clare, J.; Asher, G. Wind–Diesel Generation Using Doubly Fed Induction Machines. IEEE Trans. Energy Convers. 2008, 23, 202–214. [Google Scholar] [CrossRef]
- Tiwari, S.K.; Singh, B.; Goel, P.K. Control of wind diesel hybrid system with BESS for optimal operation. In Proceedings of the 2016 IEEE 7th Power India International Conference (PIICON), Bikaner, India, 25–27 November 2016; pp. 1–6. [Google Scholar]
- Kayikci, M.; Milanovic, J.V. Dynamic Contribution of DFIG-Based Wind Plants to System Frequency Disturbances. IEEE Trans. Power Syst. 2009, 24, 859–867. [Google Scholar] [CrossRef]
- Kamal, E.; Koutb, M.; Sobaih, A.A.; Abozalam, B. An intelligent maximum power extraction algorithm for hybrid wind-diesel- storage system. Int. J. Electr. Power Energy Syst. 2010, 32, 170–177. [Google Scholar] [CrossRef]
- Haruni, A.M.O.; Gargoom, A.; Haque, M.E.; Negnevitsky, M. Dynamic operation and control of a hybrid wind-diesel stand alone power systems. In Proceedings of the 2010 Twenty-Fifth Annual IEEE Applied Power Electronics Conference and Exposition (APEC), Palm Springs, CA, USA, 21–25 February 2010; pp. 162–169. [Google Scholar]
- Mendis, N.; Muttaqi, K.M.; Perera, S. Management of Battery-Supercapacitor Hybrid Energy Storage and Synchronous Condenser for Isolated Operation of PMSG Based Variable-Speed Wind Turbine Generating Systems. IEEE Trans. Smart Grid 2014, 5, 944–953. [Google Scholar] [CrossRef]
- Lukasievicz, T.; Oliveira, R.; Torrico, C. A Control Approach and Supplementary Controllers for a Stand-Alone System with Predominance of Wind Generation. Energies 2018, 11, 411. [Google Scholar] [CrossRef]
- Yang, T.C. On embedded energy storage for high penetration of wind power. Wind Eng. 2008, 32, 223–242. [Google Scholar] [CrossRef]
- Beyer, H.G.; Degner, T.; Gabler, H. Operational behaviour of wind diesel systems incorporating short-term storage: An analysis via simulation calculations. Sol. Energy 1995, 54, 429–439. [Google Scholar] [CrossRef]
- Shirazi, M.; Droulihet, S. An analysis of the performance benefits of Short-Term Energy Storage in Wind-Diesel Hybrid Power Systems. In Proceedings of the ASME Wind Energy Symposium, Reno, NV, USA, 6–9 January 1997. [Google Scholar]
- Sebastián, R.; Peña Alzola, R. Simulation of an isolated Wind Diesel System with battery energy storage. Electr. Power Syst. Res. 2011, 81, 677–686. [Google Scholar] [CrossRef]
- Rezkallah, M.; Chandra, A. Wind diesel battery hybrid system with power quality improvement for remote communities. In Proceedings of the IEEE Industry Applications Society Annual Meeting (IAS), Orlando, FL, USA, 9–13 October 2011; pp. 1–6. [Google Scholar]
- Denmark Adrees, A.; Andami, H.; Milanović, J.V. Comparison of dynamic models of battery energy storage for frequency regulation in power system. In Proceedings of the 2016 18th Mediterranean Electrotechnical Conference (MELECON), Lemesos, Cyprus, 18–20 April 2016; pp. 1–6. [Google Scholar] [CrossRef]
- Sebastián, R.; Peña-Alzola, R. Study and simulation of a battery based energy storage system for wind diesel hybrid systems. In Proceedings of the 2012 IEEE International Energy Conference and Exhibition (ENERGYCON), Florence, Italy, 9–12 September; 2012; pp. 563–568. [Google Scholar]
- Tremblay, O.; Dessaint, L.-A.; Dekkiche, A.-I. A generic battery model for the dynamic simulation of hybrid electric vehicles. In Proceedings of the Vehicle Power and Propulsion Conference, 2007, VPPC 2007, Arlington, TX, USA, 9–12 September; 2007; pp. 284–289. [Google Scholar]
- Li, X.; Hui, D.; Lai, X. Battery energy storage station (BESS)-based smoothing control of photovoltaic (PV) and wind power generation fluctuations. IEEE Trans. Sustain. Energy 2013, 4, 464–473. [Google Scholar] [CrossRef]
- Coleman, M.; Zhu, C.B.; Lee, C.K.; Hurley, W.G. A combined SOC estimation method under varied ambient temperature for a lead-acid battery. In Proceedings of the Twentieth Annual IEEE Applied Power Electronics Conference and Exposition, 2005, APEC 2005, Austin, TX, USA, 6–10 March; 2005; Volume 2, pp. 991–997. [Google Scholar]
- Sidorov, D.; Muftahov, I.; Tomin, N.; Karamov, D.; Panasetsky, D.; Dreglea, A.; Foley, A. A Dynamic Analysis of Energy Storage With Renewable and Diesel Generation Using Volterra Equations. IEEE Trans. Ind. Inform. 2020, 16, 3451–3459. [Google Scholar] [CrossRef]
- Bindner, H.; Cronin, T.; Lundsager, P.; Manwell, J.F.; Abdulwahid, U.; Baring-Gould, I. Lifetime Modelling of Lead Acid Batteries; Risø National Laboratory Report; Risø National Laboratory: Roskilde, Denmark, 2005; 81p, ISBN 87-550-3441-1. [Google Scholar]
- Sebastian, R. Modelling and simulation of a high penetration wind diesel system with battery energy storage. Int. J. Electr. Power Energy Syst. 2011, 33, 767–774. [Google Scholar] [CrossRef]
- Chau, K.T. 21—Pure electric vehicles. In Alternative Fuels and Advanced Vehicle Technologies for Improved Environmental Performance; Richard, F., Ed.; Woodhead Publishing: Sawston, UK; pp. 655–684. ISBN 9780857095220.
- Tarkeshwar, M.; Mukherjee, V. Quasi-oppositional harmony search algorithm and fuzzy logic controller for load frequency stabilisation of an isolated hybrid power system. IET Gener. Transm. Distrib. 2015, 9, 427–444. [Google Scholar] [CrossRef]
- Perelmuter, V.M. Advanced Simulation of Alternative Energy Simulation with Simulink® and SimPowerSystems™; CRC Press: Boca Raton, FL, USA, 2020; ISBN 9780367339579. [Google Scholar]
- Sebastián, R.; Peña-Alzola, R. Control and simulation of a flywheel energy storage for a wind diesel power system. Int. J. Electr. Power Energy Syst. 2015, 64, 1049–1056. [Google Scholar] [CrossRef]
- Sebastián, R.; Alzola, R.P. Flywheel energy storage systems: Review and simulation for an isolated wind power system. Renew. Sustain. Energy Rev. 2012, 16, 6803–6813. [Google Scholar] [CrossRef]
- Zargar, M.Y.; Mufti MU, D.; Lone, S.A. Adaptive predictive control of a small capacity SMES unit for improved frequency control of a wind-diesel power system. IET Renew. Power Gener. 2017, 11, 1832–1840. [Google Scholar] [CrossRef]
- Ali, M.H.; Wu, B.; Dougal, R.A. An Overview of SMES Applications in Power and Energy Systems. IEEE Trans. Sustain. Energy 2010, 1, 38–47. [Google Scholar] [CrossRef]
- Mipoung, O.D.; Lopes, L.A.C.; Pillay, P. Frequency Support From a Fixed-Pitch Type-2 Wind Turbine in a Diesel Hybrid Mini-Grid. IEEE Trans. Sustain. Energy 2014, 5, 110–118. [Google Scholar] [CrossRef]
- Mahela, O.P.; Shaik, A.G. Comprehensive overview of grid interfaced wind energy generation systems. Renew. Sustain. Energy Rev. 2016, 57, 260–281. [Google Scholar] [CrossRef]
- Tang, X.; Deng, W.; Qi, Z. Investigation of the Dynamic Stability of Microgrid. IEEE Trans. Power Syst. 2014, 29, 698–706. [Google Scholar] [CrossRef]
- Kassem, A.M.; Abdelaziz, A.Y. Optimal control of an autonomous variable speed wind generation system based on a bacterial foraging optimization technique. Electr. Power Compon. Syst. 2015, 43, 1006–1017. [Google Scholar] [CrossRef]
- Sebastián, R.; Quesada, J. Coordinated control of a battery energy storage and a Dump load in an autonomous Wind Power System. In Proceedings of the 2020 IEEE International Conference on Environment and Electrical Engineering and 2020 IEEE Industrial and Commercial Power Systems Europe (EEEIC/I&CPS Europe), Madrid, Spain, 9–12 June 2020; pp. 1–6. [Google Scholar] [CrossRef]
- Muljadi, E.; Bialasiewicz, J.T. Hybrid power system with a controlled energy storage. In Proceedings of the Industrial Electronics Conference, IECON’03, Roanoke, VA, USA, 2–6 November 2003; Volume 2, pp. 1296–1301. [Google Scholar]
- Sebastián, R.; Alzola, R.P. Effective active power control of a high penetration wind diesel system with a Ni–Cd battery energy storage. Renew. Energy 2010, 35, 952–965. [Google Scholar] [CrossRef]
- Sebastian, R.; Castro, M.; Sancristobal, E.; Yeves, F.; Peire, J.; Quesada, J. Approaching hybrid wind-diesel systems and controller area network. In Proceedings of the IEEE 2002 28th Annual Conference of the Industrial Electronics Society, IECON 02, Sevilla, Spain, 5–8 November 2002; Volume 3, pp. 2300–2305. [Google Scholar]
- Kassem, A.M.; Abdelaziz, A.Y. Reactive power control for voltage stability of standalone hybrid wind–diesel power system based on functional model predictive control. IET Renew. Power Gener. 2014, 8, 887–899. [Google Scholar] [CrossRef]
- Janssen, N.T.; Wies, R.W.; Peterson, R.A. Frequency regulation by distributed secondary loads on islanded wind-powered microgrids. IEEE Trans. Sustain. Energy 2016, 7, 1028–1035. [Google Scholar] [CrossRef]
- Zhang, Y.; Melin, A.M.; Djouadi, S.M.; Olama, M.M.; Tomsovic, K. Provision for guaranteed inertial response in diesel-wind systems via model reference control. IEEE Trans. Power Syst. 2018, 33, 6557–6568. [Google Scholar] [CrossRef]
- Kouba NE, Y.; Menaa, M.; Hasni, M.; Boudour, M. A novel optimal frequency control strategy for an isolated wind–diesel hybrid system with energy storage devices. Wind Eng. 2016, 40, 497–517. [Google Scholar] [CrossRef]
- Sebastián, R.; Peña-Alzola, R. Flywheel Energy Storage and Dump Load to Control the Active Power Excess in a Wind Diesel Power System. Energies 2020, 13, 2029. [Google Scholar] [CrossRef]
- Lasseter, R. Microgrids. In Proceedings of the IEEE PES Winter Meeting, New York, NY, USA, 27–31 January 2002; Volume 1, pp. 305–308. [Google Scholar]
- Basak, P.; Chowdhury, S.; Dey, S.H.N.; Chowdhury, S.P. A literature review on integration of distributed energy resources in the perspective of control, protection and stability of microgrid. Renew. Sustain. Energy Rev. 2012, 16, 5545–5556. [Google Scholar] [CrossRef]
- Piagi, P.; Lasseter, R.H. Autonomous Control of Microgrids. In Proceedings of the IEEE PES Meeting, Montreal, QC, Canada, 19 June 2006. [Google Scholar]
- Serban, I.; Marinescu, C. Control Strategy of Three-Phase Battery Energy Storage Systems for Frequency Support in Microgrids and with Uninterrupted Supply of Local Loads. IEEE Trans. Power Electron. 2014, 29, 5010–5020. [Google Scholar] [CrossRef]
- Bø, T.I.; Johansen, T.A. Battery Power Smoothing Control in a Marine Electric Power Plant Using Nonlinear Model Predictive Control. IEEE Trans. Control Syst. Technol. 2017, 25, 1449–1456. [Google Scholar] [CrossRef]
- Krishnamurthy, S.; Jahns, T.M.; Lasseter, R.H. The operation of diesel gensets in a CERTS microgrid. In Proceedings of the 2008 IEEE Power and Energy Society General Meeting—Conversion and Delivery of Electrical Energy in the 21st Century, Pittsburgh, PA, USA, 20–24 July 2008; pp. 1–8. [Google Scholar]
- Tan, Y.; Meegahapola, L.; Muttaqi, K.M. A review of technical challenges in planning and operation of remote area power supply systems. Renew. Sustain. Energy Rev. 2014, 38, 876–889. [Google Scholar] [CrossRef]
- Krata, J.; Saha, T.K. Real-Time Coordinated Voltage Support with Battery Energy Storage in a Distribution Grid Equipped with Medium-Scale PV Generation. IEEE Trans. Smart Grid 2018, 10, 3486–3497. [Google Scholar] [CrossRef]
- Asghar, F.; Talha, M.; Kim, S.H. Fuzzy logic based intelligent frequency and voltage stability control system for standalone microgrid. Int. Trans. Electr. Energy Syst. 2018, 28, e2510. [Google Scholar] [CrossRef]
- Madiba, T.; Bansal, R.C. Optimal Load-Shedding Control of a Microgrid Power System. Electr. Power Compon. Syst. 2018, 46, 768–787. [Google Scholar] [CrossRef]
- Vidyanandan, K.V.; Nilanjan, S. Frequency regulation in a wind–diesel powered microgrid using flywheels and fuel cells. IET Gener. Transm. Distrib. 2016, 10, 780–788. [Google Scholar] [CrossRef]
- Lee, D.; Wang, L. Small-Signal Stability Analysis of an Autonomous Hybrid Renewable Energy Power Generation/Energy Storage System Part I: Time-Domain Simulations. IEEE Trans. Energy Convers. 2008, 23, 311–320. [Google Scholar] [CrossRef]
- Taghizadeh, M.; Mardaneh, M.; Sadeghi, M.S. Frequency control of a new topology in proton exchange membrane fuel cell/wind turbine/photovoltaic/ultra-capacitor/battery energy storage system based isolated networks by a novel intelligent controller. J. Renew. Sustain. Energy 2014, 6, 053121. [Google Scholar] [CrossRef]
- Aghamohammadi, M.R.; Abdolahinia, H. A new approach for optimal sizing of battery energy storage system for primary frequency control of islanded Microgrid. Int. J. Electr. Power Energy Syst. 2014, 54, 325–333. [Google Scholar] [CrossRef]
- Paish, O. Small hydro power: Technology and current status. Renew. Sustain. Energy Rev. 2002, 6, 537–556. [Google Scholar] [CrossRef]
- Sebastián, R.; Nevado, A. Study and Simulation of a Wind Hydro Isolated Microgrid. Energies 2020, 13, 5937. [Google Scholar] [CrossRef]
- Platero, C.A.; Nicolet, C.; Sánchez, J.A.; Kawkabani, B. Increasing wind power penetration in autonomous power systems through no-flow operation of Pelton turbines. Renew. Energy 2014, 68, 515–523. [Google Scholar] [CrossRef]
- Sarasúa, J.; Martínez-Lucas, G.; Platero, C.; Sánchez-Fernández, J. Dual Frequency Regulation in Pumping Mode in a Wind–Hydro Isolated System. Energies 2018, 11, 2865. [Google Scholar] [CrossRef]
- Sarasúa, J.I.; Martínez-Lucas, G.; Lafoz, M. Analysis of alternative frequency control schemes for increasing renewable energy penetration in El Hierro Island power system. Int. J. Electr. Power Energy Syst. 2019, 113, 807–823. [Google Scholar] [CrossRef]
- Rezkallah, M.; Chandra, A.; Singh, B.; Singh, S. Microgrid: Configurations, Control and Applications. IEEE Trans. Smart Grid 2019, 10, 1290–1302. [Google Scholar] [CrossRef]
- Yeager, K.E.; Willis, J.R. Modelling of emergency diesel generators in an 800 Megawatt nuclear power plant. IEEE Trans. Energy Convers. 1994, 8, 433–441. [Google Scholar] [CrossRef]









Publisher’s Note: MDPI stays neutral with regard to jurisdictional claims in published maps and institutional affiliations. |
© 2021 by the author. Licensee MDPI, Basel, Switzerland. This article is an open access article distributed under the terms and conditions of the Creative Commons Attribution (CC BY) license (http://creativecommons.org/licenses/by/4.0/).
Share and Cite
Sebastián, R. Review on Dynamic Simulation of Wind Diesel Isolated Microgrids. Energies 2021, 14, 1812. https://doi.org/10.3390/en14071812
Sebastián R. Review on Dynamic Simulation of Wind Diesel Isolated Microgrids. Energies. 2021; 14(7):1812. https://doi.org/10.3390/en14071812
Chicago/Turabian StyleSebastián, Rafael. 2021. "Review on Dynamic Simulation of Wind Diesel Isolated Microgrids" Energies 14, no. 7: 1812. https://doi.org/10.3390/en14071812
APA StyleSebastián, R. (2021). Review on Dynamic Simulation of Wind Diesel Isolated Microgrids. Energies, 14(7), 1812. https://doi.org/10.3390/en14071812

