Next Article in Journal
Integrative Scenario Assessment as a Tool to Support Decisions in Energy Transition
Previous Article in Journal
Metaheuristic Based Solution for the Non‐Linear Controller of the Multiterminal High‐Voltage Direct Current Networks
 
 
Font Type:
Arial Georgia Verdana
Font Size:
Aa Aa Aa
Line Spacing:
Column Width:
Background:
Article

Research on the Performance of Solar Aided Power Generation System Based on Annular Fresnel Solar Concentrator

School of Energy, Power and Mechanical Engineering, North China Electric Power University, Beijing 102206, China
*
Author to whom correspondence should be addressed.
Energies 2021, 14(6), 1579; https://doi.org/10.3390/en14061579
Submission received: 27 January 2021 / Revised: 20 February 2021 / Accepted: 25 February 2021 / Published: 12 March 2021

Abstract

A solar-aided power generation (SAPG) system effectively promotes the high efficiency and low cost utilization of solar energy. In this paper, the SAPG system is represented by conventional coal-fired units and an annular Fresnel solar concentrator (AFSC) system. The annular Fresnel solar concentrator system is adopted to generate solar steam to replace the extraction steam of the turbine. According to the steam–water matrix equation and improved Flugel formula, the variable conditions simulation and analysis of the thermo-economic index were proposed by Matlab. Furthermore, in order to obtain the range of small disturbance, the method of partial replacement is used, that is, the extraction steam of the turbine is replaced from 0 to 100% with a step size of 20%. In this work, a SAPG system is proposed and its thermo-economic index and small disturbance scope are analyzed. The results show that the SAPG system is energy-saving, and the application scope of small disturbance is related to the quantity of the extraction steam and evaluation index.

1. Introduction

Coal-fired power generation faces great pressure in energy saving and greenhouse gas mitigation [1]. In recent years, solar-aided power generation (SAPG) systems have been attracting more attention [2]. Meanwhile, the SAPG system is environmental friendly and can reduce carbon emissions compared with coal-fired power plants [3]. So, SAPG technology is an effective way to achieve carbon neutrality.
SAPG is a technology in which a solar collector and fossil fuel power plant are combined. Zoscha first proposed the concept of an SAPG system. Zoscha et al. [4] proposed seven possible methods to deliver solar energy as direct heat to an 800 MW power plant. Using the steam generated by the solar heat collection system to replace the extraction steam of the steam turbine has proved to be an effective coupling method for the SAPG system. Most of the current research has focused on the combination of parabolic trough and tower solar field with a fossil power plant. Omar Behar et al. [5] reviewed the integrated solar combined cycle system with a parabolic trough technology and different hybridizations of solar energy with natural gas, coal, and other renewable energy sources are included. Warrick Pierce et al. [6] proposed a SAPG system that utilizes parabolic trough collectors (PTCs) and compared it with independent concentrated solar energy power (CSP) generation systems. The results show that SAPG generates 25% more solar power generation than CSP. Hou Hongjuan et al. [7,8,9,10] analyze the varying working conditions and annual performance of heating feed water in an SAPG system assisted by the PTC. The results show that the performance of the hybrid system is better than that of the coal-fired unit. Wu et al. [11] conducted an SAPG system that uses two parabolic trough solar fields to heat feed water and reheat steam. Through the case study of a 600 MW supercritical SAPG power plant in fuel-saving mode, the results showed that, with the addition of a second solar field, solar-to-electricity efficiency increased to 29.58%. Chang Huang et al. [12,13,14] have studied the impact of the introduction of solar energy on coal-fired units and the SAPG system is coupled with PTC. Under the two modes of fuel-saving and power-boosting, the influence of solar energy input on SAPG system, boiler, fuel consumption, and boiler efficiency is explored. The results show that solar energy continuous preheating feed water has better technical and economic performance [12]. The solar assisted direct air cooling thermal power unit is studied and optimized to reveal the influence of solar heat input on turbine outlet pressure and power plant performance. The correlation between the optimal outlet exit pressure (OEP), solar heat input, and environmental temperature is obtained [13]. In the fuel-saving mode, a mechanism to adjust the burners’ tilt and attemperation flows in the boiler is proposed. The simulation results show that reheat/overheat steam temperature can revert back to the expected temperature using the above method [14]. Ruilin Wang et al. [15] compared the solar direct steam generation (DSG) system and heat transfer fluid (HTF) solar thermal transfer system. The results show that the aperture area of the DSG solar field can save 12.18% compared with the HTF solar field under the same generating capacity. Yong Shuai et al. [16] use the PTC solar field to preheat feed water. The numerical simulation is performed using IPSE pro software in the design and off-design mode. The simulated results show that the operating performance of the hybrid system achieved as a design-point value in the summer season.
Yongping Yang’s team [17,18,19], designed an SAPG system formed by tower solar collectors. The annual performance analysis and the optimization of the design condition of the hybrid system are carried out. Li Chao et al. [20] design an SAPG system in which solar towers are used to reheat exhaust steam from an immediate turbine to improve the operation performance. The effects of reheat temperature and system load on system performance under fuel-saving and power-boosting modes are studied. Junjie Wu et al. [21] proposed an SAPG system that uses parabolic trough to preheat feed water and solar tower to reheat steam. The system performance under three different loads (100%, 75%, and 50%) and the typical hourly performance over four typical days were analyzed.
Other studies involve economic research, system structure design, and optimization. Chen Haiping et al. [22] proposed a novel SAPG system with concentration-photovoltaic/thermal (C-PV/T) module to replace the No.8 low pressure heater. Based on a 600 MW coal-fired unit, the performance of the system was analyzed. The results show that the total efficiency increased by 1.3%, the coal fuel consumption is lowered by 11 g/(kWh), and the investment recovery period is approximately 7 years. Jiyun Qin et al. [23] presented four possible configurations of solar preheater, and simulated the instantaneous and annual performances of an SAPG plant with 12 combinations. Moreblessing Chitakure et al. [24] mainly researched on three methods of solar heat utilization in solar–coal hybrid systems including feed preheating and the generation of saturated and superheated steam. M.S. Jamel et al. [25] carried out a review of integrating solar thermal energy with conventional and non-conventional power plants. Kody M. Powell et al. [26] provided a review of CSP hybridization strategies with coal, natural gas, bio-fuels, geothermal, photovoltaic (PV), and wind. Rongrong Zhai et al. [27] analyzed coal-fired power system, as well as a solar-aided coal-fired power system with thermal storage and without thermal storage. The result show that based on the grey relation analysis, the system with thermal storage is better than that of the other two systems.
This paper proposed a model of the annular Fresnel solar concentrator (AFSC) coupled with a 600 MW coal-fired unit. Liang Kai et al. [28,29] designed the annular Fresnel concentrator and carried out experimental tests on it, and it is simulated to study the radiation distribution and performance of the annular Fresnel reflector under different deviations. The results show this new AFSC has excellent application prospects of concentrated solar energy (CSP). AFSC has a high concentration ratio, so it is used to improve the efficiency of the solar collector field and save the floor space. The thermo-economic performance of the SAPG system is studied and the small disturbance caused by the introduction of solar steam is analyzed.
In this paper, a novel model of SAPG is proposed, which verifies the feasibility of the coupling between AFSC and coal-fired units. The disturbance analysis of the introduction of AFSC is carried out, the analysis of the small disturbance may play a certain role in the regulation of the SAPG system. Because the experimental conditions are difficult to achieve, the coupling between AFSC and coal-fired units is still in the theoretical analysis stage. Owing to the limited level of knowledge, the existing research is carried out under the condition of constant irradiation. Variable irradiation can be studied in the future.

2. System Description

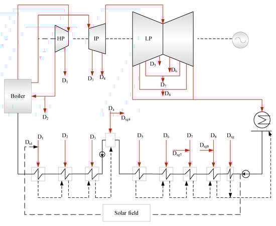
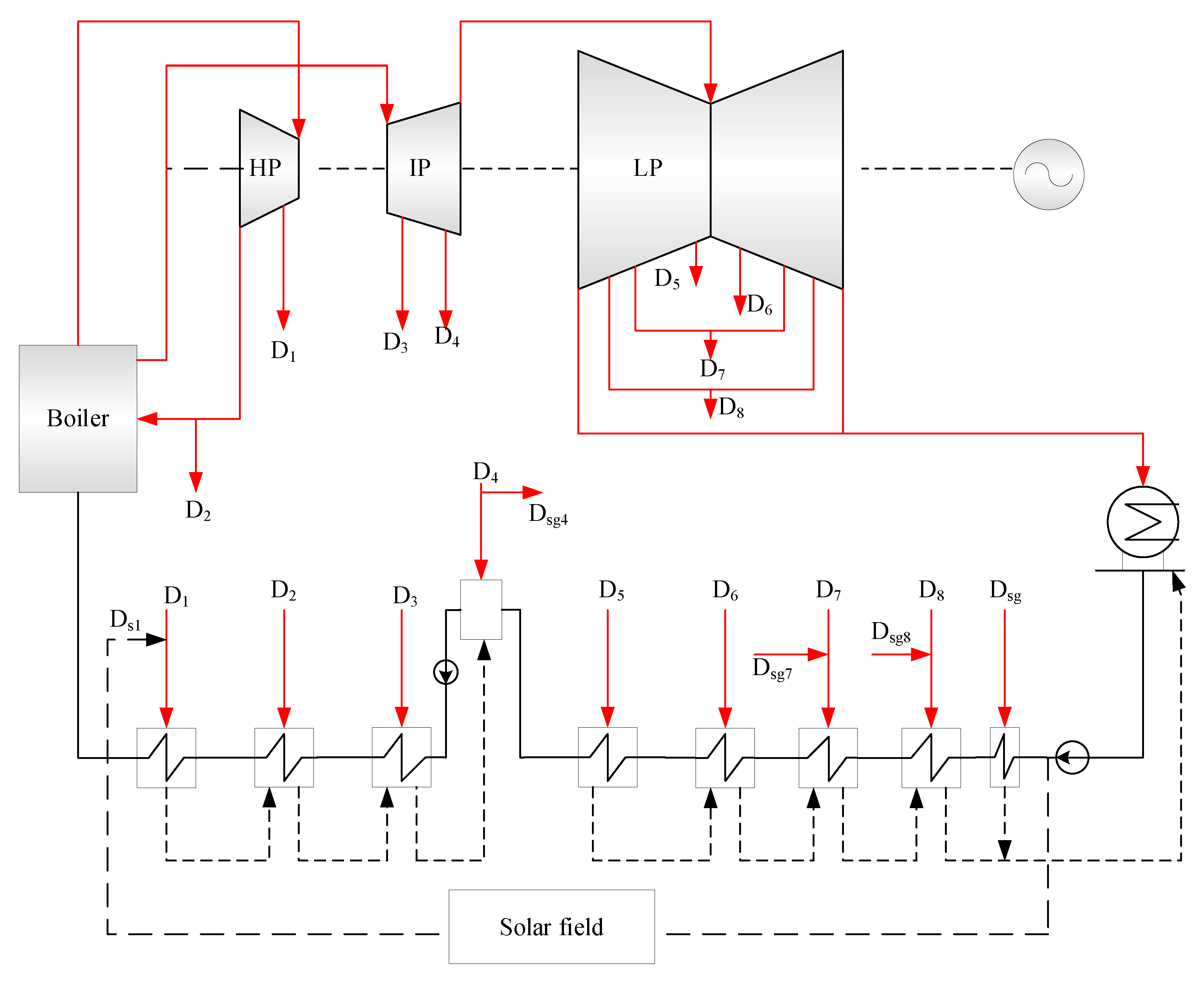
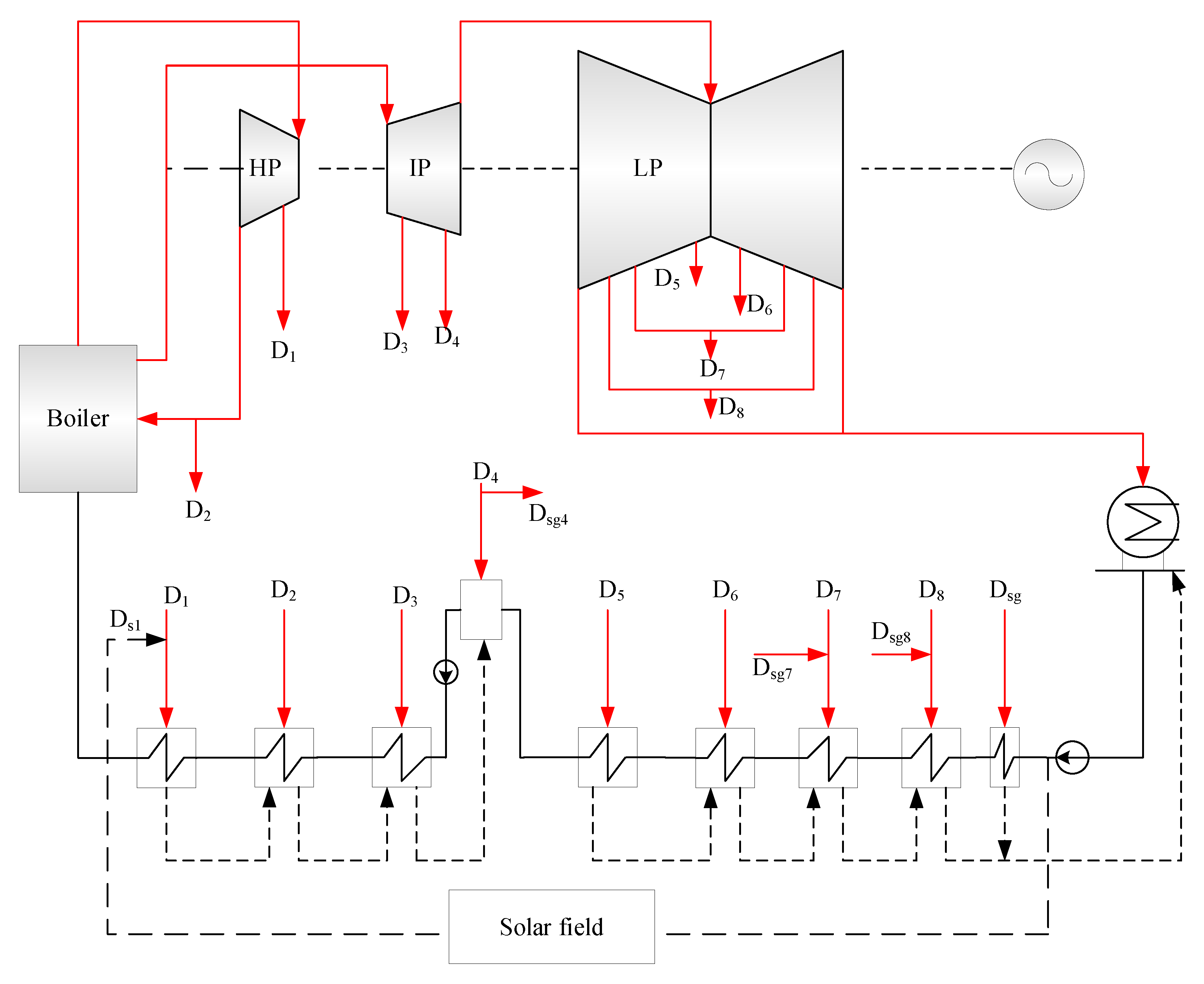
The discussed SAPG system consists of a solar field and a typical 600 MW coal-fired subsystem. The SAPG system that replaces the first stage is shown in Figure 1. The solar field consists of the AFSC, a flash tank (expansion evaporator), non-dynamic regulator, booster pump, and control valve, among others. AFSCs are used to form the preheating section and the overheating section. The purpose of the flash tank is to avoid the influence of two-phase flow on the collector tube in the process of water heating. The booster pump is used to pressurize the water to make up for the pressure loss in the solar field. The typical 600 MW coal-fired generation system is made up of boiler, turbine, condenser, condensate pump, three high-pressure heaters (H1, H2, H3), four low-pressure heaters (H5, H6, H7, H8), and a deaerator (H4). The unsaturated feed-water from the condenser is preheated by regenerative heaters. Then, the feed water enters the boiler to absorb heat and become overheated steam. The overheated steam is transported to the turbine to produce power. Finally, the exhaust steam is condensed in the condenser. In the SAPG system, part of the outlet water of condensate pump is introduced into the solar field. The water is heated to saturated state by the preheating section and vaporized in a flash tank to obtain saturated steam. Then, the saturated steam is heated by the overheating section to become overheated steam to replace the extraction steam of the turbine.
The detailed flow of the working fluid is as follows: the outlet water of the condensate pump is pressurized by the pump so that the pressure of the water is kept under the design pressure of the inlet of the preheating section; then, after heating in the preheating field, the outlet water temperature is maintained to be equal or slightly less than the saturation temperature under the outlet pressure, and then flows through the flash tank. As the working pressure of the flash tank is lower than the outlet pressure of the preheating field, the inlet water temperature is higher than the saturation temperature under the working pressure of the flash tank, so the water will vaporize. The steam generated is sent to the overheating field, and the drain water is pressurized by the drain pump and transferred to the heat regenerative system or drainage system of the coal fire unit. It should be noted that the outlet water pressure of the preheating section is maintained at 10 Mpa in this paper. The structure diagram of the solar field is shown in Figure 2.

3. Establishment of the Model

The mathematical model of the AFSC, flash tank, solar field, and the entire SAPG system are respectively introduced in this section, with the purpose of providing a calculation basis for the subsequent economic analysis.

3.1. AFSC

AFSC is a novel concentrator proposed by Liang Kai et al. [28], whose concentrating ratio reaches over 300. Theoretically, the steam generated by AFSC can reach the corresponding parameters of steam extraction at all stages of the turbine. The structure of the AFSC is shown in Figure 3a,b [28]. The AFSC is made up of an annular Fresnel reflector and support structure. In AFSC, it is required that each ring-shaped concentrator should not be shielded. The edge ray method [30] is used to specifically design the specular parameters. The structure of the mirror is shown in Figure 4.
As shown in Figure 4, δ is the angle of the mirror, H is the height from the center line of the mirror to the horizontal ground, H is the horizontal distance from the center of the mirror, and D is the width of the mirror. The detailed modeling method is shown in [28]. The main parameters of mirror are Q and H , and the relationship between these three parameters is as follows:
tan ( 2 × δ 90 ° ) = H Q
H n + 1 = H n + D 2 ( sin δ n + sin δ n + 1 ) + D tan 2 δ n ( cos δ n + cos δ n + 1 )
δ n + 1 = 1 2 arctan ( Q n D H n + 1 )
In Equations (1)–(3), n is the n t h mirror, and the mirror with the smallest radius is the first mirror. When the parameters of the first mirror are known, the structural parameters of the whole mirror can be obtained according to the above equations.

3.2. Flash Tank

Figure 5 is the structure of the flash tank. The mass balance and energy balance of the flash tank are as follows [4]:
D s + D l = D a
D s h s + D l h l = D a h a
As shown in Figure 5, D a is the mass flow rate of inlet water (kg/h), h a is the specific enthalpy value of inlet water (kJ/kg), D s is the mass flow rate of saturated steam at the outlet (kg/h), h s is the specific enthalpy value of saturated steam at the outlet (kJ/kg), D l is the mass flow rate at the outlet drain water (kg/h), and h l is the specific enthalpy value of the outlet drain water (kJ/kg).
The evaporation rate of the flash evaporator [31] is calculated as follows:
e = h a η h l x r × 100 %
In Equation (6), η is the efficiency of the flash tank, ( η = 0 . 98 ); x is the steam dryness ( x = 0 . 97 ); and r is the latent heat of vaporization (kJ/kg).
The volume of the flash tank is calculated as follows:
V = 1.25 × D a × h a η h l x R r
In Equation (7), R is the allowable ultimate strength per unit volume of steam [32]; in this paper, R = 900 (m3/(m3·h)).

3.3. Efficiency of Solar Field

When the AFSC works in the solar collection system, the heat transfer of the absorbing pipe includes radiation, conduction, and convection, which is a composite heat transfer process. Based on the following hypothesis, the heat transfer process of the endothermic pipeline can be considered as a one-dimensional steady-state heat transfer problem.
(1)
The non-uniform temperature distribution around the endothermic tube is ignored;
(2)
The AFSC can well track the movement of the sun, and it can be assumed that the sun’s rays are all coming in vertically;
(3)
The heat dissipation of the collector supporting structure is ignored;
(4)
The performance of all parts of the system is stable;
(5)
The performance of the heat transfer working medium is stable, and the physical parameters are averaged.
According to the steady heat transfer in one dimension, the following energy balance equation can be obtained:
Q s o l a r Q r s Q m = 0
Q s o l a r = I b × A
Q m = D m ( h o u t h w c ) / 3.6
Q r s = Q r s 1 + Q r s 2
Q r s 1 = ε σ ( T a b 4 T s 4 ) × A 1
Q r s 2 = h w ( T a b T a ) × A 1
In the above equations, Q s o l a r is the solar energy received by the collector, W ; Q m is the solar energy received by the collector; Q r s is the heat absorbed by the working medium in the collector tube; Q r s 1 is the total heat exchange between the surface of the endothermic tube and the environment in convection and radiation, where Q r s 1 is the radiation scattering of the endothermic tube to the environment; and Q r s 2 is the convection heat transfer between the endothermic tube and the environment.
In the above formulas, h w is the convection heat transfer coefficient between the endothermic tube and the environment, ( W / m 2 K ) ; A is the effective area of the collector field, A = A m × 0.85 ; A m is the horizontal projection area of the mirror surface and A 1 is the area unit of the collector tube, m2; ε is the emissivity of the outer wall of the endothermic tube; σ is the Stephen Boltzmann constant, and is 5.67 × 10−8; T a b is the average temperature of the endothermic tube wall; T a is the ambient temperature; T s is the equivalent sky temperature, where the unit of the three temperatures is K; and, according to the most common model of convective heat transfer caused by wind in the literature, the convective heat transfer coefficient h w = 5.7 + 3.8 v , where v is the environmental wind speed (m/s).
The heat collecting efficiency of collector can be calculated as follows:
η s = Q m Q s o l a r = Q s o l a r Q r s Q s o l a r = I b ( A + A 1 ) ε σ ( T a b 4 T s 4 ) × A 1 h w ( T a b T a ) × A 1 I b × ( A m + A 1 )
Because A 1 is far less than A and A m , A + A 1 A m + A 1 = A A m = 0.85 .
η s = 0.85 a ε σ ( T a b 4 T s 4 ) I b a h w ( T a b T a ) I b

3.4. Pressure Loss of Solar Field

The working fluid in the preheated heat field is liquid water and in the overheated heat field is steam, both of which are single-phase flows. The pressure loss formulas are shown below, respectively.
Δ P p = L p × 0.3165 ( R e p ) 0.25 D × ρ 1 2 × v 1 2
Δ P o = L o × 0.3165 ( R e 0 ) 0.25 D × ρ 2 2 × v 2 2
In the above equations, Δ P p is the preheating field pressure loss, Δ P o is the overheating field pressure loss, (Pa); L p , L o are the length of the preheating field collecting heat pipe and the length of the overheating field collecting heat pipe, respectively (m); R e p , R e o are the Reynolds number of working medium in the preheating field and the overheating field, respectively; ρ 1 , ρ 2 are the density of working medium in the preheating field and the overheating field, respectively (kg/m3); and v 1 , v 2 is the flow rate of the working medium (m/s).

3.5. State Matrix Equation for the SAPG System

According to the mass and energy balance equations of each regenerative heater, Equation (18) is derived. Equation (18) is the state matrix equation of the SAPG system.
( q 1 γ 2 q 2 γ 3 γ 3 q 3 γ 4 γ 4 γ 4 q 4 τ 5 τ 5 τ 5 τ 5 q 5 τ 6 τ 6 τ 6 τ 6 γ 6 q 6 τ 7 τ 7 τ 7 τ 7 γ 7 γ 7 q 7 τ 8 τ 8 τ 8 τ 8 γ 8 γ 8 γ 8 q 8 ) ( D 1 + D s 1 D 2 + D s 2 D 3 + D s 3 D 4 + D s 4 D 5 + D s 5 D 6 + D s 6 D 7 + D s 7 + D s g 7 D 8 + D s 8 + D s g 8 ) + ( D s 1 q s 1 + D d s 1 q d s 1 D s 2 q s 2 D s 3 q s 3 + ( D f w + D w f 3 ) τ p D w f 3 q w f 3 D s 4 q s 4 + D s g 4 q s g 4 D s 5 q s 5 D s 6 q s 6 D s 7 q s 7 + D s g 7 q s g 7 D s 8 q s 8 + D s g 8 h s g 8 D s w c q s w c ) = ( ( D 0 + D b l + D l D w f 3 ) τ 1 ( D 0 + D b l + D l D w f 3 ) τ 2 ( D 0 + D b l + D l D w f 3 ) τ 3 ( D 0 + D b l + D l ) τ 4 ( D 0 + D b l + D l ) τ 5 ( D 0 + D b l + D l ) τ 6 ( D 0 + D b l + D l ) τ 7 ( D 0 + D b l + D l ) τ 8 )
Equation (18) can be shorthand for
[ A ] [ D ] + [ Q f ] = [ Q τ ]
As shown in Equation (18), q i is the ith extraction steam heat release in feed water heater (FWH) (kJ/kg); q s i is solar steam heat release in feed water heater (kJ/kg); γ i is the ith hydrophobic heat release (kJ/kg); τ i is the ith feed water enthalpy rise (kJ/kg); D i is the ith extraction steam flow (kg/h); D s i is the ith solar heating system working medium flow (kg/h); τ p is feed water enthalpy increase for pump (kJ/kg); D 0 is main steam mass flow (kg/h); D b l is boiler continuous blowdown mass flow (kg/h); D l is steam loss in the main steam pipeline (kg/h); D w f 3 is superheater spray cooling water quantity (kg/h); D f w is feed water mass flow (kg/h); and D s w c is mass flow of solar field inlet water (kg/h). Meanwhile, D f w = D 0 + D b l + D l D w f 3 , τ i = h w i h w ( i + 1 ) , q i , γ i depending on the type of FWH. In closed FWHs, q i = h i h d i , q s i = h s i h d i , γ i = h d ( i 1 ) h d i ; for open FWHs, q i = h i h w ( i + 1 ) , q s i = h s i h w ( i + 1 ) , γ i = h d ( i 1 ) h w ( i + 1 ) .
Owing to the introduction of solar steam, the above calculation and the subsequent disturbance analysis will involve the calculation of variable working conditions. The variable condition calculation here is based on the improved Flugel formula shown in Equation (20). It is assumed that the exhaust pressure and temperature of the steam turbine are constant here. According to the extraction port of the steam turbine, the stage group is divided by the reverse sequence method.
P 2 j 2 P 2 ( j + 1 ) 2 P 1 j 2 P 1 ( j + 1 ) 2 = ( D 2 j D 1 j ) 2
In Equation (20), j stands for the jth stage group; P 1 j , D 1 j are the pressure and flow rate of the jth stage group in cole-fired units; and P 2 j , D 2 j are the pressure and flow rate of the jth stage group of the composite system.

3.6. System Evaluation Model

The thermal economy index of the SAPG system consists of the cycle thermal efficiency of working fluid; the heat consumption rate of power generation; and the standard coal consumption rate of power generation, which is called the standard coal consumption rate.
The cycle thermal efficiency of working fluid η s i is given by Equation (21), where N s is the internal shaft work of the turbine and h i σ represents the difference between the work done by 1 kg of exhaust steam in the turbine and the work done by 1 kg of extraction steam on the turbine. When extraction steam is high-pressure extraction steam, h i σ = h i + σ h c , otherwise, h i σ = h i h c , where h x i σ is the less work done by 1 kg of auxiliary steam leaving the cylinder. When auxiliary steam leaves in the high-pressure cylinder, h x i σ = h x i + σ h c , otherwise, h x i σ = h x i - h c , and Q b is the circulating heat absorption of the working fluid of the hybrid power generation system in the boiler. Here, the solar energy is seen as waste heat, and does not appear in Equation (21).
η s i = N s Q b = D 0 ( h 0 + σ h c ) D i h i σ D x i h x i σ Q b
The heat consumption rate of power generation is given by Equation (22) and η s i calculated by Equation (21). η b is the boiler efficiency. In order to make the boiler efficiency change as little as possible, the temperature of feed water and the temperature of cold and hot reheated steam are kept constant during the calculation, ( η b = 0.925 ) , where η p is the pipeline efficiency ( η p = 0.98 ) ; η m is the mechanical efficiency ( η m = 0.985 ) ; and η g is the generator efficiency ( η g = 0.99 ) .
q s r = 3600 η b η p η s i η m η g
The standard coal consumption rate of power generation is given by Equation (23).
b s i = 122.835 η b η p η s i η m η g

4. Thermal Economy Analysis

Based on a typical 600 MW coal-fired power generating unit, this section replaces eight stages of extraction steam respectively to explore the thermodynamic performance of the proposed SAPG system. Here, it is assumed that the direct solar radiation intensity is 800 W/m2, the ambient temperature is 291 K, and the specific enthalpy of other small steam remains unchanged. The thermal economy analysis is mainly concentrated on the cycle thermal efficiency of working fluid, the heat consumption rate of power generation, and the standard coal consumption rate of power generation.

4.1. Calculation Ideas

Through the above analysis, this paper uses Matlab software to carry out modeling and simulation when the solar radiation is 800 W/m2. The calculation flow chart is shown in Figure 6. First, the thermal system of the original coal-fired unit is calculated, and the outlet parameters of condensate pump and the extraction parameters of a certain stage are set as the inlet and outlet parameters of the solar field, respectively. Then, the structural design and calculation of the hybrid system is carried out. Next, the outlet parameters of the solar field are brought into the hybrid system to calculate the extraction quantities at all stages. Owing to the introduction of solar steam extraction here, the overall extraction parameters of the steam turbine will be changed, so the extraction steam pressure Pi, enthalpy, drainage enthalpy, and feed water enthalpy must be recalculated. Then, assume that the substituted stage steam extraction quantity is 0, calculate the solar steam flow rate and the steam extraction flow rate Dx and pressure Pix at all levels, and compare Pi and Pix. If the pressure change is more than 5%, make Pi = Pix and begin the variable condition calculation again. When the pressure change is less than 5%, the structure of the solar field is calculated by the above values. The specific method of the structure calculation is to calculate the area of the solar field and other aspects according to the aforesaid inlet and outlet parameters at certain time, such as the solar radiation intensity of 800 w/m2, ambient temperature, and wind speed.

4.2. Calculation of Results

Table 1 shows the calculation results of thermal economy when different stages of extraction steam are replaced. The cycle thermal efficiency is 0.4587 and the heat consumption rate of the generation system is 8048.5 kJ/(kW·h); furthermore, the steam consumption rate of the generation system is 3.067 kJ/(kW·h) and the standard coal consumption rate of power generation is 303.4 g/(kW·h). As shown in Table 1, the SAPG system has a lower steam consumption rate and heat consumption rate than the original coal-fired power generation unit. This proves that the SAPG system plays a certain role in energy conservation and consumption reduction. The effect was the most obvious when replacing the second stage of steam extraction, the heat consumption rate of the generation system decreased by 5.2%, the steam consumption rate decreased by 5.9%, and the cycle thermal efficiency increased by 5.2%. The cycle Thermal efficiency of replacing the second stage is higher than that of replacing the first stage because the extraction steam of the second stage is greater than that of the first stage. With the increase of the substitution stage, the cycle thermal efficiency decreases, which indicates that, the higher the pressure of the substitution extraction, the higher the cycle thermal efficiency of the working fluid.

5. Disturbance Analysis

In this section, non-variable conditions and two calculation methods of variable conditions are proposed in order to explore the influence of solar system on the thermal performance of coal-fired power plants and whether the calculation process can be further simplified. This section compares the calculation of two kinds of variable conditions and the calculation of non-variable conditions, in order to determine what kind of replacement conditions can be regarded as a small disturbance.

5.1. Analysis Method

In this section, Matlab is used to calculate the thermal economic index of the SAPG system. The general range of small disturbance is obtained, which can be used as a reference for the simple calculation of the SAPG system. This section adopts the following two calculation methods of variable working conditions. From the results, the paper analyzes whether or not the simplified variable condition calculation can be carried out.
Calculation method for total variable conditions:
(1)
The new extraction pressure, flow rate, and enthalpy were calculated using the improved Flugel formula;
(2)
Keep the difference at the end of the heater unchanged to obtain the hydrophobic and feedwater enthalpy values. From the above values, obtain the feedwater enthalpy rise, the hydrophobic heat release, and the extraction steam heat release;
(3)
Get the new extraction amount and the flow rate, and calculate the extraction pressure again;
(4)
Compare whether the change of two extraction pressure is less than a certain range;
(5)
If yes, output the result, or return to step 1 for recalculation.
Calculation method of partial variable conditions:
(1)
The new extraction pressure, flow rate, and enthalpy can be calculated using the Flugel formula;
(2)
Keep feed water and the hydrophobic enthalpy constant;
(3)
Calculate the new steam extraction quantity and flow rate, and calculate the steam extraction pressure again;
(4)
Compare whether the change of two extraction pressures is less than a certain range;
(5)
If yes, output the result, if not, return to step 1 for recalculation.
From the above two methods, the total variable condition is the most accurate variable condition calculation, but the variable condition parameters include extraction enthalpy value, feed and drain water temperature, and enthalpy value, so the calculation process is complex. Partial variable conditions are relatively simple, the partial variable conditions parameter only involves the extraction enthalpy value, and the calculation process is relatively simple. If the variable condition calculation is not carried out, the variable condition parameter is not involved. The enthalpy of extraction as well as the temperature and enthalpy of feed water and drain water are unchanged. The calculation process is the simplest, but the accuracy is the lowest.

5.2. Comparison of Total Variable Conditions and Non-Variable Conditions

Table 2 shows the thermal economy of the SAPG system at all stages under the non-variable condition; the thermal economy results of the total variable condition are shown in Table 1. Table 3 shows the economic efficiency errors of the total variable condition, and Table 4 shows the pressure errors of the total variable condition. By comparing Table 3 and Table 4, each error value is defined as Equation (24), where V a l u e n o n is the value of the non-variable working condition and V a l u e var is the value of the variable working condition.
E r r o r = | V a l u e n o n V a l u e var | V a l u e var × 100 %
The thermal economy of the SAPG system when it is under non-variable operating conditions can be seen from Table 2. Compared with the original coal-fired units, the steam consumption rate and heat consumption rate are reduced. The effect is most significant when it replaces the first stage. The trend of this result is the same as that of the SAPG system when it is under total variable conditions.
However, the cycle thermal efficiency in the SAPG system is slightly higher than that under the non-variable condition. Table 3 and Table 4 are calculated according to Equation (24) for thermal economy and steam extraction pressure in both total and non-variable conditions.
In Table 3, the maximum thermal economy error is 4.78%, so the thermal economy error is within the 5% allowed in the project. Therefore, from the perspective of thermal economy, the results obtained from the calculation under the non-variable working condition also meet the requirements in the project.
Table 4 has shown that, the higher the substituted extraction pressure, the greater the steam extraction pressure variation. It is also known that, except for the substitution of the 6th stage and the 8th stage, the pressure changes of the other stages are all greater than 5%. Strictly speaking, the steam expansion line of the unit under these substitutions is obviously moved, leading to great changes in thermodynamic parameters. From the perspective of stable operation of the system, the variable operating conditions must be calculated. From the perspective of simplified calculation, the calculation can be carried out under non-variable conditions when the 6th and 8th stages are replaced.

5.3. Comparison of Partial Variable Conditions and Non-Variable Conditions

Table 5 shows the thermal economy of the SAPG system at all stages under partial variable conditions, and the results of thermal economy under non-variable conditions are shown in Table 2. Table 6 and Table 7 show the economic errors and pressure errors in partial variable conditions. The errors are also calculated by Equation (24).
Table 5 shows the thermal economy of the composite system at all stages under partial variable conditions. It can be seen from Table 5 that the cycle thermal efficiency at the 8th stage in partial variable conditions is greater than that under total variable conditions. This is because the steam extraction pressure increases under partial variable conditions, the feed water and drain water enthalpy rise remains unchanged, and the steam extraction quantity at all stages is less than that under total variable conditions, so the efficiency is high. The results of replacing the 8th stage show that the cycle thermal efficiency is lower than that of coal-fired units, and the heat consumption rate is higher than that of coal-fired units. This is because the extraction steam enthalpy value increases, but the feed and drain water enthalpy rise remains unchanged, meaning the extraction steam quantity is reduced and the overall amount of extraction steam power is reduced. However, the condensing steam quantity is only slightly changed compared with that of the original coal-fired unit, which leads to steam power being less than the original unit. Besides, keeping feed water enthalpy values unchanged, but with reheat steam absorbing more heat, causes more circulating heat absorption of the working fluid, so the overall result of cycle thermal efficiency decreases. Therefore, the partial variable condition calculation is not advisable to replace the 8th stage calculation.
Table 6 and Table 7 show the partial variable conditions of economic errors and pressure errors of the SAPG system. We can know from Table 6 that the maximum thermal economy error is 2.84%, so the errors are all within 5%. Therefore, from the perspective of thermal economy, it is not applicable to the partial variable condition calculation in the case of replacing the 8th stage, while other stages are applicable within the allowable scope of the project. It can be seen from Table 7 that, except for replacing the 8th stage, the pressure error of replacing the 6th stage is within 5%. Considering the stable operation of the system, replacing the 6th stage can be carried out under the partial variable calculation.

5.4. Comparison of Total Variable Conditions and Partial Variable Conditions

Figure 7, Figure 8 and Figure 9 show the heat consumption rate, steam consumption rate, and cycle thermal efficiency, respectively, under partial and total variable conditions. The values in the picture come from Table 1 and Table 2.
Figure 7, Figure 8 and Figure 9 show that the heat consumption rate, steam consumption rate, and cycle thermal efficiency have little change under total variable conditions and partial variable conditions. The maximum error of the heat consumption rate is 0.4%, which occurs when the 1st stage is replaced. The maximum error of the steam consumption rate is 2.2%, which also occurs when the 1st stage is replaced. As shown in Figure 8, the cycle thermal efficiency of the two variable conditions is very similar with a very small error. Therefore, within the allowable range of 5% of the project, it is applicable to all of the variable conditions, except for the substitution of the 8th stage.

5.5. Disturbance Analysis under Partial Variable Conditions

According to the above analysis, the thermal economy calculation of the 1st–7th stages and the error of variable condition are within the allowable range. Therefore, in order to simplify the calculation process of the variable condition, the partial variable condition calculation is used to analyze the extraction conditions of the partially substituted 1st to 7th stages, and the comparison is made with the non-variable condition calculation. Figure 10, Figure 11, Figure 12, Figure 13, Figure 14, Figure 15 and Figure 16 show the percentage of steam extraction from 0 to 100%, with a step size of 20% for the solar steam substituted coal-fired units in the 1st to 7th stages. The comparison of heat consumption rate, steam consumption rate, cycle thermal efficiency, and standard coal consumption rate under partial variable condition and non-variable condition is conducted. Table 8, Table 9, Table 9, Table 10, Table 11, Table 12, Table 13 and Table 14 show the percentage of steam extraction from 0 to 100% when solar steam replaces coal-fired units steam extraction in the 1st to 7th stages. The pressure changes of turbine stage groups under partial variable and non-variable conditions are calculated.
The analysis of Figure 10, Figure 11, Figure 12, Figure 13, Figure 14, Figure 15 and Figure 16 shows the following: (1) The results are compared with the original coal-fired units. When the 7th stage is replaced, the replacement steam extraction capacity is lower 80% than that of coal-fired units, and the cycle thermal efficiency is lower than that of coal-fired units. According to another formula of cycle thermal efficiency, η i = w i / q 0 = ( w c + w a + w l ) / ( h 0 h f w + α r h q r h ) , w c = α c × ( h 0 h c ) is the work done by condensing steam flow in the turbine, w a = α i × ( h 0 h j ) is the work done by extraction steam flow in the turbine, w l is the work done by leakage steam in the turbine, α r h is the coefficient of reheat steam, q r h is the specific enthalpy rise of reheat, and h f w is the enthalpy value of feed water. This is because, when the amount of substituted steam extraction is small, the change of steam extraction pressure is small and slightly increases, that is, the extraction enthalpy value h i increases, and the drain water enthalpy value remains unchanged, so the drain water enthalpy rise remains unchanged. As a result, the amount of steam extraction α i decreases and the work of steam extraction w a decreases. The amount of extraction steam α i decreases, so the condensate steam α c increases and the condensate flow work w c increases, and w l remains the same. From the calculation results, the condensate flow ( w i ) decreases compared with the original unit. h f w increases, α r h increases, q r h decreases, and q 0 decreases under the action of these three; because the w i reduction is greater than the q 0 reduction, the cycle thermal efficiency η i decreases. (2) The more extraction steam substituted at each stage, the higher the cycle thermal efficiency and the better the energy conservation. (3) By comparing the non-variable conditions with partial variable conditions, the thermal economy errors of the 1st to 7th stages are within the allowable range of the project. Therefore, the partial variable conditions can be used to replace the calculation of total variable conditions when the thermal economy calculation of the 1st to 7th stages is substituted for the calculation of all variable conditions.
The calculation results are shown in Table 8, Table 9, Table 10, Table 11, Table 12, Table 13 and Table 14. The disturbances in power plant generally fall into two categories, that is, large disturbances and small disturbances. The large disturbance is the disturbance to the thermodynamic state of the steam turbine, which causes the redistribution of the steam flow in the system. Small disturbance refers to the flow part outside of the disturbance of steam turbine, and usually refers to the auxiliary equipment and system. Small perturbations have little influence on the thermodynamic state parameters of the through-flow part and, therefore, on the thermodynamic parameters of the whole system. It can be further assumed that small perturbations do not affect the through-flow portion of the turbine, thus the thermodynamic parameters of the other parts of the system can be greatly simplified. The parameter variation range of engineering application is within 5%, so this paper introduces the small disturbance theory to analyze the system in order to simplify the system analysis. The method of partially replacing all levels of steam extraction is used to explore what conditions are suitable for the scope of engineering application and think of it as a small disturbance. Because the solar radiation is variable, the determination of the small disturbances range can assist in the study of flux regulation when the radiation changes. The safe flow regulation range is obtained by determining the small disturbance range, which also has implications for the control of the system.
When the pressure change of the stage group is less than 5%, it can be regarded as a small disturbance, whereas, when the pressure change of the stage group is greater than 5%, it cannot be regarded as a small disturbance. Table 8, Table 9, Table 10, Table 11, Table 12, Table 13 and Table 14 show that the 1st stage replacement extraction is within 20% of the stage, the 2nd stage extraction is less than 40%, the 3rd stage extraction is in the same stage of less than 80%, the 4th stage extraction is at the same level of less than 60%, the 5th stage extraction is within 80% of the native, the 6th stage extraction is in the same stage of 100%, the 7th stage to replace extraction at the corresponding stage is less than 80%. The above conditions satisfy the pressure change are less than 5% so can be considered as a small disturbance.

6. Conclusions

In this paper, the SAPG system is studied and analyzed, and the SAPG system, solar field, annular Fresnel collector, and efficiency and pressure loss of the solar field are modeled and analyzed. Firstly, the flash tank is used to avoid two-phase flow, and the mathematical model of the heat collection field is established. Secondly, the state distribution matrix equation of the hybrid system is derived; in addition, the thermal economy and disturbance characteristics of the hybrid system under constant irradiation are analyzed. The main conclusions of this paper are as follows:
(1)
The solar field is formed by the flash tank and the annular Fresnel concentrator, which causes the system pipeline to have single-phase flow. The advantage of single-phase flow is that it can reduce the thermal stress of the pipeline and extend the service life of the pipeline.
(2)
The state distribution matrix of the SAPG system is constructed, and its thermal economy is analyzed by Matlab simulation.
(3)
The thermal economy and disturbance analysis of different substitution conditions under fixed irradiation were carried out. In this case, the most significant energy saving effect is the replacement of the 1st stage steam extraction. The heat consumption rate of the turbine decreases by 5.2%, the steam consumption rate decreases by 5.9%, and the coal saving amount is 15.03 g / ( k W h ) . From the perturbation level, if only the thermal economy analysis is taken into account, the variable working conditions can be calculated for all substituted agents. Considering the pressure changes from the stage group level, the 1st stage replacement extraction is within 20% of the stage, the 2nd stage extraction is less than 40% at the corresponding stage, the 3rd stage extraction is in the same stage of less than 80%, the 4th stage extraction is in the same level of less than 60%, the 5th stage extraction is within 80% of the native, the 6th stage extraction is in the same stage of 100%, and the 7th stage to replace extraction is at the corresponding stage of less than 80%. The above conditions satisfy the pressure change are less than 5% so can be considered as a small disturbance.

Author Contributions

Conceptualization, Y.L.; methodology, H.Z.; software, H.Z.; validation, H.Z.; formal analysis, N.W.; investigation, N.W.; resources, H.Z. and H.C.; data curation, N.W. and K.L.; writing—original draft preparation, N.W.; writing—review and editing, H.Z.; visualization, N.W.; supervision, K.L.; project administration, H.Z.; funding acquisition, H.Z. All authors have read and agreed to the published version of the manuscript.

Funding

This research was funded by Heng Zhang, grant number 2019M660595. And The APC was funded by 19276306D.

Institutional Review Board Statement

Not applicable.

Informed Consent Statement

Not applicable.

Data Availability Statement

Data available in a publicly accessible repository that does not issue DOIs. Publicly available datasets were analyzed in this study. This data can be found here: [link/https://knscnkinets.webvpn.ncepu.edu.cn/kcms/dtail/dtail.aspx?FilName=1016268853.nh&DbName=CDFD2017].

Conflicts of Interest

The authors declare no conflict of interest.

Nomenclature

δ Inclination angle, °
H Vertical distance between the focus and the Nth mirror’s centre, m
Q Horizontal distance between the focus and the Nth mirror’s centre, m
D The width of the lens, m
D i The ith extraction steam flow, kg/h
ithExtraction steam of i stage
h w i The ith corresponding heater outlet water specific enthalpy, kJ/kg
h d i The ith hydrophobic specific enthalpy, kJ/kg
D d i The ith hydrophobic water flow, kg/h
D s i The ith solar heating system working medium flow, kg/h
h s w i The ith entrance water specific enthalpy, kJ/kg
h s i The ith export of steam specific enthalpy, kJ/kg
τ p Feed water enthalpy increase for pump, kJ/kg
q i ith extraction steam heat release in FWH, kJ/kg
γ i ith hydrophobic heat release, kJ/kg
τ i Feed water enthalpy rise, kJ/kg
v Environmental wind speed, m/s
HPHigh pressure cylinder
LPLow pressure cylinder
η s i Feed water enthalpy increase for pump, kJ/kg
η b Efficiency of the boiler
η p Efficiency of the pipes
η m Efficiency of the mechanical
η e Efficiency of the generator
h i The ith extraction steam specific enthalpy, kJ/kg
AFSCAnnular Fresnel solar concentrator
Q s o l a r The solar energy received by the Collector field, W
Q m The heat absorbed by the working fluid, W
Q r s Heat release, W
I b Direct solar irradiance, W/m2
A The area of the collector field, m2
A 1 The area of collector tube, m2
A m The horizontal projection area of the mirror, m2
h w Convection   heat   transfer   coefficient ,   W / m 2 K
T a b Average wall temperature of the endothermic tube, K
T a The environment temperature, K
IPIntermediate pressure cylinder

References

  1. Zhai, R.; Qi, J.; Zhu, Y.; Zhao, M.; Yang, Y. Novel system integrations of 1000 MW coal-fired power plant retrofitted with solar energy and CO2 capture system. Appl. Therm. Eng. 2017, 125, 1133–1145. [Google Scholar] [CrossRef]
  2. Nathan, G.; Battye, D.; Ashman, P. Economic evaluation of a novel fuel-saver hybrid combining a solar receiver with a combustor for a solar power tower. Appl. Energy 2014, 113, 1235–1243. [Google Scholar] [CrossRef]
  3. Odeh, S.; Behnia, M.; Morrison, G. Performance evaluation of solar thermal electric generation systems. Energy Convers. Manag. 2003, 44, 2425–2443. [Google Scholar] [CrossRef]
  4. Wu, S.F.; Zoschak, R.J. Studies of the direct input of solar energy to a fossil-fueled central station steam power plant. Sol. Energy 1975, 17, 297–305. [Google Scholar]
  5. Behar, O.; Khellaf, A.; Mohammedi, K.; Ait-Kaci, S. A review of integrated solar combined cycle system (ISCCS) with a parabolic trough technology. Renew. Sustain. Energy Rev. 2014, 39, 223–250. [Google Scholar] [CrossRef]
  6. Pierce, W.; Gauché, P.; Von Backström, T.; Brent, A.C.; Tadros, A. A comparison of solar aided power generation (SAPG) and stand-alone concentrating solar power (CSP): A South African case study. Appl. Therm. Eng. 2013, 61, 657–662. [Google Scholar] [CrossRef]
  7. Hongjuan, H.; Zhenyue, Y.; Yongping, Y. Performance evaluation of solar aided feedwater heating of coal-fired power generation(SAFHCPG)system under different operating conditions. Appl. Energy 2013, 112, 710–718. [Google Scholar] [CrossRef]
  8. Hongjuan, H.; Mengjiao, W.; Yongping, Y. Method of exergy performance SACPG system analysis. Proc. CSEE 2015, 35, 119–125. [Google Scholar] [CrossRef]
  9. Hongjuan, H.; Jian, M.; Yongping, Y. Optimization of solar sollector working temperature for solar aided coal-fired power generation systems. Proc. CSEE 2012, 32, 76–81. [Google Scholar]
  10. Hongjuan, H.; Mengjiao, W.; Yongping, Y. Performance analysis of a solar-aided power generation(SAPG) plant using specific consumption theory. Sci. China Technol. Sci. 2015, 59, 322–329. [Google Scholar]
  11. Wu, J.; Hou, H.; Hu, E.; Yang, Y. Performance improvement of coal-fired power generation system integrating solar to preheat feedwater and reheated steam. Sol. Energy 2018, 163, 461–470. [Google Scholar] [CrossRef]
  12. Huang, C.; Hou, H.; Hu, E.; Yu, G.; Chen, S.; Yang, Y. Measures To Reduce Solar Energy Dumped in a Solar Aided Power Generation Plant. Appl. Energy 2020, 258, 114106. [Google Scholar] [CrossRef]
  13. Huang, C.; Hou, H.; Hu, E.; Yu, G.; Peng, H.; Yang, Y.; Wang, L.; Zhao, J. Performance Maximization of a Solar Aided Power Generation (SAPG) Plant With a Direct Air-cooled Condenser In Power-boosting Mode. Energy 2019, 175, 891–899. [Google Scholar] [CrossRef]
  14. Huang, C.; Hou, H.; Hu, E.; Yu, G.; Peng, H.; Zhao, J.; Yang, Y. Stabilizing operation of a solar aided power generation (SAPG) plant by adjusting the burners’ tilt and attemperation flows in the boiler. Energy 2019, 173, 1208–1220. [Google Scholar] [CrossRef]
  15. Wang, R.; Sun, J.; Hong, H. Proposal of solar-aided coal-fired power generation system with direct steam generation and active composite sun-tracking. Renew. Energy 2019, 141, 596–612. [Google Scholar] [CrossRef]
  16. Shuai, Y.; Shagdar, E.; Lougou, B.G.; Mustafa, A.; Doljinsuren, B.; Han, D.; Tan, H. Performance analysis of 200 MW solar coal hybrid power generation system for transitioning to a low carbon energy future. Appl. Therm. Eng. 2021, 183, 116140. [Google Scholar] [CrossRef]
  17. Chao, L.A.; Rongrong, Z.; Yongping, Y. Annual performance analysis and optimization of a solar tower aided coal- fired power plant. Appl. Energy 2019, 237, 440–456. [Google Scholar]
  18. Wang, J.; Duan, L.; Yang, Y.; Pang, L.; Yang, L. Multi-objective optimization of solar-aided coal-fired power generation system under off-design work conditions. Energy Sci. Eng. 2019, 7, 379–398. [Google Scholar] [CrossRef]
  19. Zhu, Y.; Zhai, R.; Qi, J.; Yang, Y.; Reyes-Belmonte, M.; Romero, M.; Yan, Q. Annual performance of solar tower aided coal-fired power generation system. Energy 2017, 119, 662–674. [Google Scholar] [CrossRef]
  20. Li, C.; Zhai, R.; Zhang, B.; Chen, B. Thermodynamic performance of a novel solar tower aided coal-fired power system. Appl. Therm. Eng. 2019, 171, 115–127. [Google Scholar] [CrossRef]
  21. Liu, H.; Zhai, R.; Patchigolla, K.; Turner, P. Off-design thermodynamic performances of a combined solar tower and parabolic trough aided coal-fired power plant. Appl. Therm. Eng. 2021, 183, 116199. [Google Scholar] [CrossRef]
  22. Haiping, C.; Heng, Z.; Yuegang, B.; Haowen, L.; Xuelei, Z. The performance analysis and evaluation of C-PV/T aided power generation system. Int. J. Energy Res. 2018, 42, 863–876. [Google Scholar] [CrossRef]
  23. Qin, J.; Hu, E.; Nathan, G.J. The performance of a Solar Aided Power Generation plant with diverse “configuration-operation”. Energy Convers. Manag. 2016, 124, 155–167. [Google Scholar] [CrossRef]
  24. Chitakure, M.; Ruziwa, W.R.; Musademba, D. Optimization of hybridization configurations for concentrating solar power systems and coal-fired power plants: A review. Renew. Energy Focus 2020, 35, 41–55. [Google Scholar] [CrossRef]
  25. Jamel, M.S.; Rahman, A.A.; Shamsuddin, A. Advances in the integration of solar thermal energy with conventional and non-conventional power plants. Renew. Sustain. Energy Rev. 2013, 20, 71–81. [Google Scholar] [CrossRef]
  26. Mohammadi, K.; Saghafifar, M.; Ellingwood, K.; Powell, K. Hybrid concentrated solar power (CSP)-desalination systems: A review. Desalination 2019, 468, 114083. [Google Scholar] [CrossRef]
  27. Zhai, R.; Li, C.; Chen, Y.; Yang, Y.; Patchigolla, K.; Oakey, J.E. Life cycle assessment of solar aided coal-fired power system with and without heat storage. Energy Convers. Manag. 2016, 111, 453–465. [Google Scholar] [CrossRef]
  28. Liang, K.; Zhang, H.; Chen, H.; Gao, D.; Liu, Y. Design and test of an annular fresnel solar concentrator to obtain a high-concentration solar energy flux. Energy 2021, 214, 118947. [Google Scholar] [CrossRef]
  29. Liang, K.; Xue, K.; Zhang, H.; Chen, H.; Ni, J. Design and performance analysis of an annular fresnel solar concentrator. Energy 2020, 210, 118594. [Google Scholar] [CrossRef]
  30. Winston, R. Principles of solar concentrators of a novel design. Sol. Energy 1974, 16, 89–95. [Google Scholar] [CrossRef]
  31. Fan, J.X.; Tang, H.F.; Zhang, F.S. A Handbook of Heat Supply and Refrigeration. In Applied Thermal Engineering; Tianjin Science Press: Tianjin, China, 1996; Volume 148, pp. 568–577. [Google Scholar]
  32. Hongwei, Q.; Yang, W.; Li, X. Comparison of two atmospheric expansion tank volume design methods. Energy Res. Manag. 2012, 3, 74–76. [Google Scholar]
Figure 1. Solar-aided power generation (SAPG) system.
Figure 1. Solar-aided power generation (SAPG) system.
Energies 14 01579 g001
Figure 2. Solar field.
Figure 2. Solar field.
Energies 14 01579 g002
Figure 3. Details of AFSC (a) Structure of the annular Fresnel solar concentrator (AFSC) and (b) schematic diagram of the AFSC [28].
Figure 3. Details of AFSC (a) Structure of the annular Fresnel solar concentrator (AFSC) and (b) schematic diagram of the AFSC [28].
Energies 14 01579 g003
Figure 4. Structure of mirror.
Figure 4. Structure of mirror.
Energies 14 01579 g004
Figure 5. Structure of the flash tank.
Figure 5. Structure of the flash tank.
Energies 14 01579 g005
Figure 6. Flow chart of the calculation of the SAPG system.
Figure 6. Flow chart of the calculation of the SAPG system.
Energies 14 01579 g006
Figure 7. Replace each stage of the heat consumption rate.
Figure 7. Replace each stage of the heat consumption rate.
Energies 14 01579 g007
Figure 8. Replace each stage of the steam consumption rate.
Figure 8. Replace each stage of the steam consumption rate.
Energies 14 01579 g008
Figure 9. Replace each stage of cycle thermal efficiency.
Figure 9. Replace each stage of cycle thermal efficiency.
Energies 14 01579 g009
Figure 10. SAPG system 1st thermal economy.
Figure 10. SAPG system 1st thermal economy.
Energies 14 01579 g010
Figure 11. SAPG system 2nd thermal economy.
Figure 11. SAPG system 2nd thermal economy.
Energies 14 01579 g011
Figure 12. SAPG system 3rd thermal economy.
Figure 12. SAPG system 3rd thermal economy.
Energies 14 01579 g012
Figure 13. SAPG system 4th thermal economy.
Figure 13. SAPG system 4th thermal economy.
Energies 14 01579 g013
Figure 14. SAPG system 5th thermal economy.
Figure 14. SAPG system 5th thermal economy.
Energies 14 01579 g014
Figure 15. SAPG system 6th thermal economy.
Figure 15. SAPG system 6th thermal economy.
Energies 14 01579 g015
Figure 16. SAPG system 7th thermal economy.
Figure 16. SAPG system 7th thermal economy.
Energies 14 01579 g016
Table 1. 600 MW solar-aided power generation (SAPG) system thermal economy at full variable conditions.
Table 1. 600 MW solar-aided power generation (SAPG) system thermal economy at full variable conditions.
Instead of the ithCycle Thermal EfficiencyHeat Consumption Rate kJ/(kW·h)Steam Consumption Rate of kg/(kW·h)Specific Standard Coal Consumption
g/(kW·h)
Section Coal
g/(kW·h)
10.47057846.52.972295.87.6
20.48257650.92.8932288.3715.03
30.46878933.017297.55.9
40.466879093.0226294.19.3
50.46157998.93.05301.51.9
60.45980433.0766303.10.3
70.45928039.43.06853030.4
80.45898044.43.0705303.20.2
Table 2. 600 MW SAPG system thermal economy under non-variable conditions.
Table 2. 600 MW SAPG system thermal economy under non-variable conditions.
Instead of the ithCycle Thermal EfficiencySteam Heat Consumption Rate (kJ/(kW·h))Steam Consumption Rate (kJ/(kW·h))The Standard Coal Consumption Rate
(g/(kW·h))
Section Coal
(g/(kW·h))
10.4887559.552.8396284.918.45
20.48797566.122.8328518.35
30.47247813.92.978294.58.85
40.47247814.32.978294.58.85
50.46647915.43.016298.44.95
60.46227987.83.0443012.35
70.46287977.63.04300.72.65
80.46048017.93.05302.21.15
Table 3. Economic errors of replacing all levels under total variable conditions.
Table 3. Economic errors of replacing all levels under total variable conditions.
Instead of the ithCycle Thermal Efficiency Error (%)Steam Heat Consumption Rate Error (%)Steam Consumption Rate Error (%)The Standard Coal Consumption Rate Error (%)
11.141.191.850.01
23.703.574.780.04
30.941.001.290.01
41.201.201.480.00
51.061.041.110.01
60.700.691.060.01
70.780.770.930.01
80.330.330.670.00
Table 4. Pressure error of replacing all levels under total variable conditions.
Table 4. Pressure error of replacing all levels under total variable conditions.
Level Set1st Stage2nd Stage3rd Stage4th Stage5th Stage6th Stage7th Stage8th Stage
Replace ith
17.514.120.420.020.150.170.180.17
27.849.391.170.230.190.260.270.25
38.289.884.781.520.030.320.350.24
49.5111.225.586.411.210.140.050.04
59.9211.685.836.665.390.820.410.02
610.2912.066.066.935.593.571.880.21
710.6212.406.207.135.763.675.600.72
810.2311.985.896.775.453.425.304.88
Table 5. Thermal economy of the SAPG system under partial variable conditions.
Table 5. Thermal economy of the SAPG system under partial variable conditions.
Extraction SteamThe Cycle Thermal EfficiencySteam Heat Consumption Rate (kJ/(kW h))Steam Consumption Rate of (J/(kW h))The Standard Coal Consumption Rate
(g/(kW h))
Section Coal
(g/(kW h))
10.4847631.22.8856287.615.75
20.487691.62.9128289.913.45
30.468778933.017297.55.85
40.46827884.83.013297.26.15
50.46267980.43.049300.72.65
60.45898045.63.07303.20.15
70.45988032.63.06302.80.55
80.45748070.73.08304.2−0.85
Table 6. Economic errors of replacing all levels under partial variable conditions.
Table 6. Economic errors of replacing all levels under partial variable conditions.
Extraction SteamCycle Thermal Efficiency Error (%)Steam Heat Consumption Rate Error (%)Steam Consumption Rate Error (%)The Standard Coal Consumption Rate Error (%)
10.830.941.590.01
21.651.632.840.02
30.791.001.290.01
40.900.891.160.01
50.820.811.080.01
60.720.720.850.01
70.650.680.650.01
80.660.650.970.01
Table 7. Pressure errors of replacing all levels under partial variable conditions.
Table 7. Pressure errors of replacing all levels under partial variable conditions.
Replace ith1st Stage2nd Stage3rd Stage4th Stage5th Stage6th Stage7th Stage8th Stage
Level Set
17.623.610.360.110.010.0000
28.118.910.960.300.040.010.0030
38.649.514.501.470.200.020.010
49.6610.625.066.370.920.110.050
510.1211.115.316.685.110.650.290.03
610.5011.525.536.945.323.421.660.15
710.8711.935.747.205.523.605.300.43
810.9011.975.757.225.533.515.174.76
Table 8. Pressure error of substituting the 1st stage.
Table 8. Pressure error of substituting the 1st stage.
Replace Percentage20%40%60%80%100%
Level Set
10.731.452.172.893.61
21.923.765.547.258.91
32.054.025.917.739.51
42.314.536.638.6510.62
52.434.756.969.0611.11
62.554.907.219.4111.52
72.655.177.449.7211.93
82.655.177.569.8411.97
Table 9. Pressure error of substituting the 2nd stage.
Table 9. Pressure error of substituting the 2nd stage.
Replace Percentage20%40%60%80%100%
Level Set
11.623.194.716.197.62
21.743.415.036.608.11
31.863.655.377.038.64
42.094.116.037.889.66
52.214.306.338.2710.12
62.264.486.548.5810.50
72.384.656.828.8910.87
82.224.766.789.0910.90
Table 10. Pressure error of substituting the 3rd stage.
Table 10. Pressure error of substituting the 3rd stage.
Replace Percentage20%40%60%80%100%
Level Set
10.070.140.220.290.36
20.190.390.580.770.96
30.941.872.773.664.50
41.062.103.124.135.06
51.132.213.304.335.31
61.142.333.424.485.53
71.272.383.604.655.74
81.352.223.514.765.75
Table 11. Pressure error of substituting the 4th stage.
Table 11. Pressure error of substituting the 4th stage.
Replace Percentage20%40%60%80%100%
Level Set
10.020.040.070.090.11
20.060.120.180.240.30
30.290.590.881.171.47
41.342.653.925.176.37
51.422.774.125.436.68
61.442.914.275.666.94
71.553.064.395.817.20
81.353.084.355.987.22
Table 12. Pressure error of substituting the 5th stage.
Table 12. Pressure error of substituting the 5th stage.
Replace Percentage20%40%60%80%100%
Level Set
10.000.010.010.010.01
20.010.020.030.030.04
30.040.080.120.150.20
40.190.360.550.730.92
51.072.123.144.125.11
61.142.183.274.275.32
71.132.243.334.525.52
81.352.223.514.355.53
Table 13. Pressure error of substituting the 6th stage.
Table 13. Pressure error of substituting the 6th stage.
Replace Percentage20%40%60%80%100%
Level Set
10.000.00000.00170.00170.0017
20.000.00280.00280.00280.0056
30.010.00620.01240.01860.0248
40.030.04030.06710.09390.1073
50.130.26160.39190.52190.6515
60.691.36572.10842.76743.4175
70.711.41442.10672.78943.5961
80.901.34532.22222.65493.5088
Table 14. Pressure error of substituting the 7th stage.
Table 14. Pressure error of substituting the 7th stage.
Replace Percentage20%40%60%80%100%
Level Set
10.00000.00000.00000.00000.0000
20.00000.00000.00000.00280.0028
30.00000.00620.00620.00620.0124
40.01340.01340.02680.04030.0537
50.06550.13100.16370.22900.2942
60.30670.68750.99011.29081.6641
71.13482.24403.32874.38965.2989
80.90092.22223.08374.34785.1724
Publisher’s Note: MDPI stays neutral with regard to jurisdictional claims in published maps and institutional affiliations.

Share and Cite

MDPI and ACS Style

Zhang, H.; Wang, N.; Liang, K.; Liu, Y.; Chen, H. Research on the Performance of Solar Aided Power Generation System Based on Annular Fresnel Solar Concentrator. Energies 2021, 14, 1579. https://doi.org/10.3390/en14061579

AMA Style

Zhang H, Wang N, Liang K, Liu Y, Chen H. Research on the Performance of Solar Aided Power Generation System Based on Annular Fresnel Solar Concentrator. Energies. 2021; 14(6):1579. https://doi.org/10.3390/en14061579

Chicago/Turabian Style

Zhang, Heng, Na Wang, Kai Liang, Yang Liu, and Haiping Chen. 2021. "Research on the Performance of Solar Aided Power Generation System Based on Annular Fresnel Solar Concentrator" Energies 14, no. 6: 1579. https://doi.org/10.3390/en14061579

APA Style

Zhang, H., Wang, N., Liang, K., Liu, Y., & Chen, H. (2021). Research on the Performance of Solar Aided Power Generation System Based on Annular Fresnel Solar Concentrator. Energies, 14(6), 1579. https://doi.org/10.3390/en14061579

Note that from the first issue of 2016, this journal uses article numbers instead of page numbers. See further details here.

Article Metrics

Back to TopTop