HVDC Breaker Power Loss Reduction by Bridge-Type Hybrid Breakers
Abstract
1. Introduction
- DC circuit breaker power loss reduction;
- Decreasing number of power electronic sections in a DC circuit breaker;
- Decreasing forward voltage drop of main breaker;
- Decreasing forward voltage drop of load commutation switch.
2. DC Fault Challenges and HVDC Hybrid Breaker Operation
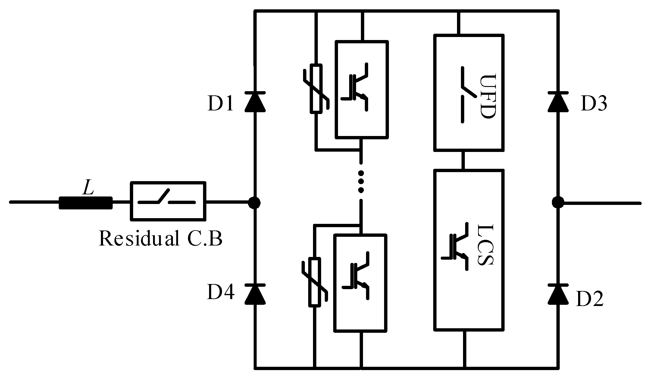
3. The Concept of the BHB
4. Power Loss Study of the BHB and the Hybrid Breaker
4.1. Hybrid Breaker Operation Analysis
4.2. BHB Operation Analysis
5. Comparison of the BHB and the Hybrid Breaker
6. Conclusions
Author Contributions
Funding
Institutional Review Board Statement
Conflicts of Interest
References
- Rodriguez, P.; Rouzbehi, K. Multi-terminal DC grids: Challenges and prospects. J. Mod. Power Syst. Clean Energy 2017, 5, 515–523. [Google Scholar] [CrossRef]
- Rouzbehi, K.; Candela, J.I.; Gharehpetian, G.B.; Harnefors, L.; Luna, A.; Rodriguez, P. Multiterminal DC grids: Operating analogies to AC power systems. Renew. Sustain. Energy Rev. 2017, 70, 886–895. [Google Scholar] [CrossRef]
- Franck, C.M. HVDC Circuit Breakers: A Review Identifying Future Research Needs. IEEE Trans. Power Deliv. 2011, 26, 998–1007. [Google Scholar] [CrossRef]
- Mokhberdoran, A.; Carvalho, A.; Leite, H.; Silva, N. A review on HVDC circuit breakers. In Proceedings of the 3rd Renewable Power Generation Conference (RPG 2014), Naples, Italy, 24–25 September 2014; pp. 1–6. [Google Scholar]
- Kinjo, R.; Ohta, R.; Matayosh, H.; Senjyu, T.; Howlader, A.M. Resonant DC circuit breaker in MMC-HVDC transmission system. In Proceedings of the 2017 IEEE 12th International Conference on Power Electronics and Drive Systems (PEDS), Honolulu, HI, USA, 12–15 December 2017; pp. 71–74. [Google Scholar]
- Thomas, J.; Chaffey, G.P.; Franck, C.M. Small-Scale HVDC Circuit Breaker. IEEE Trans. Compon. Packag. Manuf. Technol. 2017, 7, 1058–1068. [Google Scholar] [CrossRef]
- Sano, K.; Takasaki, M. A Surgeless Solid-State DC Circuit Breaker for Voltage-Source-Converter-Based HVDC Systems. IEEE Trans. Ind. Appl. 2014, 50, 2690–2699. [Google Scholar] [CrossRef]
- Li, C.; Liang, J.; Wang, S. Interlink Hybrid DC Circuit Breaker. IEEE Trans. Ind. Electron. 2018, 65, 8677–8686. [Google Scholar] [CrossRef]
- Grieshaber, W.; Dupraz, J.; Penache, D.; Violleau, L. Development and Test of A 120 kV Direct Current Circuit Breaker. In CIGRÉ Session; Paper B4-301; CIGRÉ: Paris, France, 24 August 2014. [Google Scholar]
- Hassanpoor, A.; Häfner, J.; Jacobson, B. Technical Assessment of Load Commutation Switch in Hybrid HVDC Breaker. IEEE Trans. Power Electron. 2015, 30, 5393–5400. [Google Scholar] [CrossRef]
- Kontos, E.; Schultz, T.; Mackay, L.; Ramirez-Elizondo, L.M.; Franck, C.M.; Bauer, P. Multiline Breaker for HVdc Applications. IEEE Trans. Power Deliv. 2018, 33, 1469–1478. [Google Scholar] [CrossRef]
- Heidary, A.; Bigdeli, M.; Rouzbehi, K. Controllable reactor based hybrid HVDC breaker. High Volt. 2020, 5, 543–548. [Google Scholar] [CrossRef]
- Jovcic, D. Series LC DC circuit breaker. High Volt. 2019, 4, 130–137. [Google Scholar] [CrossRef]
- Heidary, A.; Rouzbehi, K.; Hesami, M.; Bigdeli, M.; Bordons, C. Bridge-type fault current limiter and hybrid breaker for HVDC grids applications. IET Gener. Transm. Distrib. 2020, 14, 3913–3919. [Google Scholar] [CrossRef]
- Sima, W.; Fu, Z.; Yang, M.; Yuan, T.; Sun, P.; Han, X.; Si, Y. A Novel Active Mechanical HVDC Breaker with Consecutive Interruption Capability for Fault Clearances in MMC-HVDC Systems. IEEE Trans. Ind. Electron. 2019, 66, 6979–6989. [Google Scholar] [CrossRef]
- Yang, Q.; Blond, S.L.; Liang, F.; Yuan, W.; Zhang, M.; Li, J. Design and Application of Superconducting Fault Current Limiter in a Multiterminal HVDC System. IEEE Trans. Appl. Supercond. 2017, 27, 1–5. [Google Scholar] [CrossRef]
- Noe, M.; Steurer, M. High-temperature superconductor fault current limiters: Concepts, applications, and development status. Supercond. Sci. Technol. 2007, 20, R15–R29. [Google Scholar] [CrossRef]
- Khan, U.A.; Lee, J.; Amir, F.; Lee, B. A Novel Model of HVDC Hybrid-Type Superconducting Circuit Breaker and Its Performance Analysis for Limiting and Breaking DC Fault Currents. IEEE Trans. Appl. Supercond. 2015, 25, 1–9. [Google Scholar] [CrossRef]
- Heidary, A.; Radmanesh, H.; Rouzbehi, K.; Pou, J. A DC-Reactor-Based Solid-State Fault Current Limiter for HVdc Applications. IEEE Trans. Power Deliv. 2019, 34, 720–728. [Google Scholar] [CrossRef]
- Heidary, A.; Radmanesh, H.; Fathi, H.; Gharehpetian, G.B. Series transformer based diode-bridge-type solid state fault current limiter. Front. Inf. Technol. Electron. Eng. 2015, 16, 769–784. [Google Scholar] [CrossRef]
- Heidary, A.; Radmanesh, H.; Rouzbehi, K.; Moradi, H.; CheshmehBeig, H.M. A Multifunction High-Temperature Superconductive Power Flow Controller and Fault Current Limiter. IEEE Trans. Appl. Supercond. 2020, 30, 1–8. [Google Scholar] [CrossRef]
- Heidary, A.; Radmanesh, H.; Rouzbehi, K.; Mehrizi-Sani, A.; Gharehpetian, G.B. Inductive fault current limiters: A review. In Electric Power Systems Research; Elsevier: Amsterdam, The Netherlands, 2020; Volume 187, p. 106499. [Google Scholar]
- Heidary, A.; Radmanesh, H.; Moghim, A.; Ghorbanyan, K.; Rouzbehi, K.; MG Rodrigues, E.M.; Pouresmaeil, E. A Multi-Inductor H Bridge Fault Current Limiter. Electronics 2019, 8, 795. [Google Scholar] [CrossRef]
- Radmanesh, H.; Heidary, A.; Fathi, S.H.; Gharehpetian, G.B. Dual function ferroresonance and fault current limiter based on DC reactor. IET Gener. Transm. Distrib. 2016, 10, 2058–2065. [Google Scholar] [CrossRef]
- Heidary, A.; Radmanesh, H.; Naghibi, S.H.; Samandarpour, S.; Rouzbehi, K.; Shariati, N. Distribution system protection by coordinated fault current limiters. IET Energy Syst. Integr. 2020, 2, 59–65. [Google Scholar] [CrossRef]
- Radmanesh, H.; Fathi, S.H.; Gharehpetian, G.B.; Heidary, A. A Novel Solid-State Fault Current-Limiting Circuit Breaker for Medium-Voltage Network Applications. IEEE Trans. Power Deliv. 2016, 31, 236–244. [Google Scholar] [CrossRef]
- Heidary, A.; Radmanesh, H.; Bakhshi, A.; Rouzbehi, K.; Pouresmaei, E. A Compound Current Limiter and Circuit Breaker. Electronics 2019, 8, 551. [Google Scholar] [CrossRef]
- Callavik, M.; Blomberg, A.; Hafner, J.; Jacobson, B. The Hybrid HVDC Breaker—An Innovation Breakthrough Enabling Reliable HVDC Grids. ABB Grid Syst. Tech. Paper 2012, 361, 143–152. [Google Scholar]
- Heidary, A.; Radmanesh, H.; Fathi, S.H.; Khamse, H.R. Improving transient recovery voltage of circuit breaker using fault current limiter. Res. J. Appl. Sci. Eng. Technol. 2012, 4, 5123–5128. [Google Scholar]
- Eicher, S.; Rahimo, M.; Tsyplakov, E.; Schneider, D.; Kopta, A.; Schlapbach, U.; Carroll, E. 4.5 kV press pack IGBT designed for ruggedness and reliability. In Proceedings of the Conference Record of the 2004 IEEE Industry Applications Conference, Seattle, WA, USA, 3–7 October 2004; Volume 3, pp. 1534–1539. [Google Scholar]
- Liu, L.; Yuan, Z.; Xu, H.; Chen, L.; He, J.; Pan, Y.; Cen, Y. Design and Test of A new kind of Coupling Mechanical HVDC circuit breaker. Inst. Eng. Technol. Gen. Transm. Dist. 2019, 11, 1751–8687. [Google Scholar] [CrossRef]
- Wen, W.; Huang, Y.; Li, B.; Wang, Y.; Cheng, T. Technical Assessment of Hybrid DCCB with Improved Current Commutation Drive Circuit. IEEE Trans. Ind. Appl. 2018, 54, 5456–5464. [Google Scholar] [CrossRef]
- Pang, H.; Wei, X. Research on key technology and equipment for Zhangbei 500kV DC grid. In Proceedings of the 2018 International Power Electronics Conference (IPEC-Niigata 2018-ECCE Asia), Niigata, Japan, 20–24 May 2018. [Google Scholar]










| Components | Description | Value |
|---|---|---|
| LCS | Low voltage high current IGBT switch | 2 kA, 5 kV |
| UFD | Mechanical HV ultrafast disconnector | 400 kV, 2 m/s |
| Main breaker | Series IGBT and anti-parallel diodes | 2 kA, 400 kV |
| Arrester | Voltage-dependent resistor for dissipation energy damping | 4 MJ |
| Limiter inductor | Series reactor as a current limiter | 100 mH |
| Vline | Positive or negative pole voltage | 200 kV |
| Iline | The DC line maximum current | 2 kA |
| Lline | The DC line inductance | 50 mH |
| Rline | The DC line resistance | 0.5 Ω |
| Cline | The DC line modeled capacitor | 0.6 uf |
| CS | The DC line Smoothing capacitor | 80 mF |
| Rfault | Fault resistance | 0.01 Ω |
| Compared Factors | BHB | Hybrid Breaker |
|---|---|---|
| Number of LCS IGBTs | 10 IGBT switches | 10 IGBT switches |
| Number of LCS diodes | 0 | 10 |
| Number of main breaker IGBTs | 89 IGBT switches | 89 IGBT switches |
| Main breaker forward voltage drop | 324 V | 387 V |
| LCS forward voltage drop | 0.9 V | 1.78 V |
| Number of main breaker diodes | 0 | 89 |
| Number of full-bridge diodes | 4 | 0 |
| Main breaker peak power loss during fault current | 17 MW | 34 MW |
Publisher’s Note: MDPI stays neutral with regard to jurisdictional claims in published maps and institutional affiliations. |
© 2021 by the authors. Licensee MDPI, Basel, Switzerland. This article is an open access article distributed under the terms and conditions of the Creative Commons Attribution (CC BY) license (http://creativecommons.org/licenses/by/4.0/).
Share and Cite
Hesami, M.; Bakhshi, A.; Mousavi, S.; Rouzbehi, K.; Escaño, J.M. HVDC Breaker Power Loss Reduction by Bridge-Type Hybrid Breakers. Energies 2021, 14, 1526. https://doi.org/10.3390/en14061526
Hesami M, Bakhshi A, Mousavi S, Rouzbehi K, Escaño JM. HVDC Breaker Power Loss Reduction by Bridge-Type Hybrid Breakers. Energies. 2021; 14(6):1526. https://doi.org/10.3390/en14061526
Chicago/Turabian StyleHesami, Morteza, Ali Bakhshi, Sheyda Mousavi, Kumars Rouzbehi, and Juan Manuel Escaño. 2021. "HVDC Breaker Power Loss Reduction by Bridge-Type Hybrid Breakers" Energies 14, no. 6: 1526. https://doi.org/10.3390/en14061526
APA StyleHesami, M., Bakhshi, A., Mousavi, S., Rouzbehi, K., & Escaño, J. M. (2021). HVDC Breaker Power Loss Reduction by Bridge-Type Hybrid Breakers. Energies, 14(6), 1526. https://doi.org/10.3390/en14061526

