Input Parallel Output Series Structure of Planar Medium Frequency Transformers for 200 kW Power Converter: Model and Parameters Evaluation
Abstract
1. Introduction
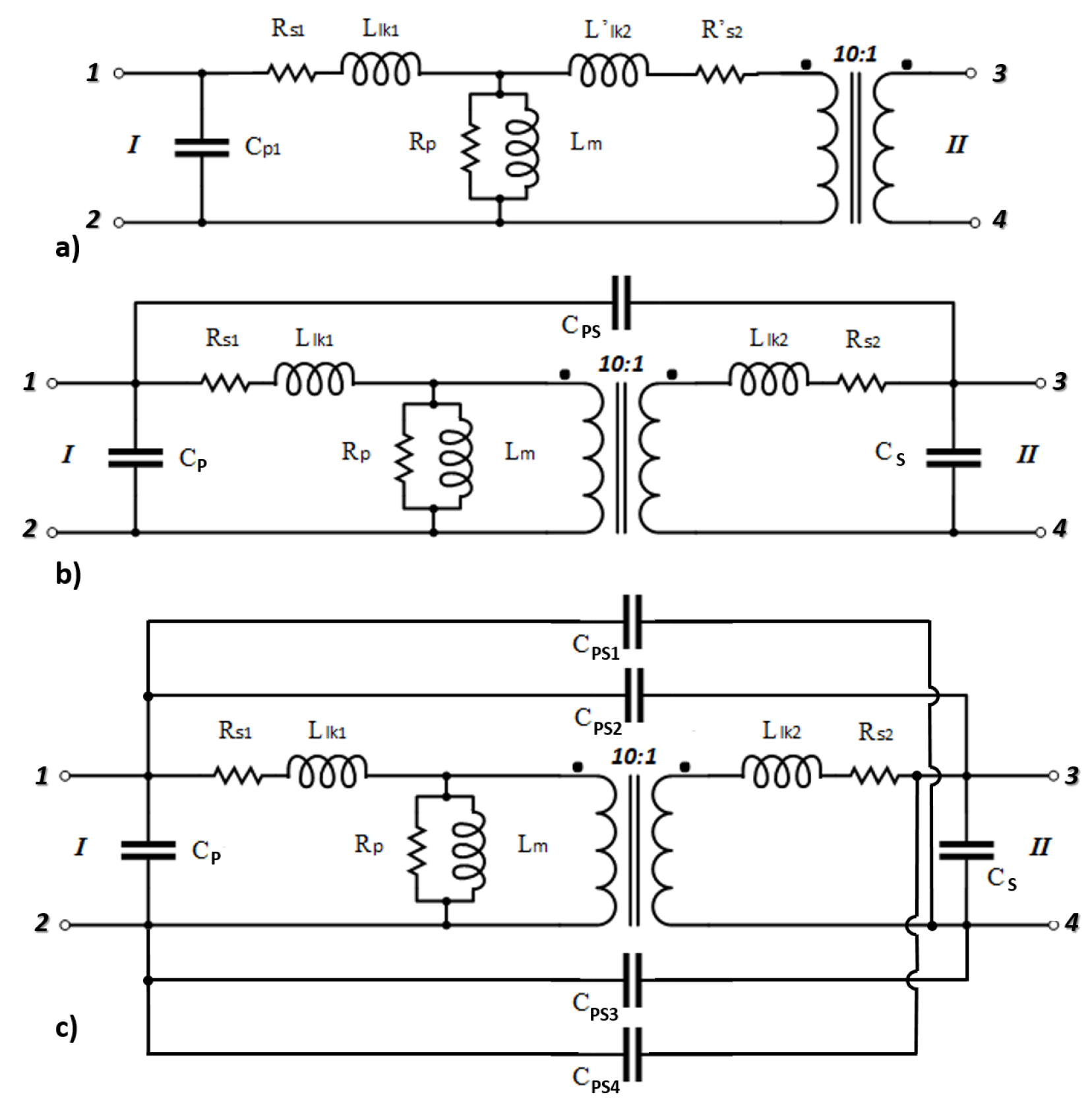
2. High Frequency Planar Transformers Models
Experimental Validation of HFT Models
3. Medium Frequency Transformers Models
4. Multi-Transformer Structure
- Input Parallel Output Series (IPOS);
- Input Series Output Parallel (ISOP);
- Input Series Output Series (ISOS);
- Input Parallel Output Parallel (IPOP).
4.1. Inductive Parameters
4.2. Capacitive Parameters
4.3. Model Results
5. Experimental Validation
5.1. IPOS-N Model Validation
5.2. IPOS-10 Power Test
6. Conclusions
Author Contributions
Funding
Conflicts of Interest
References
- Ruffo, R.; Guglielmi, P.; Armando, E. Inverter Side RL Filter Precise Design for Motor Overvoltage Mitigation in SiC-Based Drives. IEEE Trans. Ind. Electron. 2020, 67, 863–873. [Google Scholar] [CrossRef]
- La Ganga, A.; Guglielmi, P.; Armando, E. Auxiliary circuit design for soft switching in medium voltage application using 1.7 kV SiC MOSFET. In Proceedings of the 2018 IEEE International Telecommunications Energy Conference (INTELEC), Turino, Italy, 7–11 October 2018; pp. 1–5. [Google Scholar]
- Kumar, V.; Satpathy, S.; Lakshminarasamma, N. Analysis and design methodology for Planar Transformer with low self-capacitance used in high voltage flyback charging circuit. In Proceedings of the 2016 IEEE International Conference on Power Electronics, Drives and Energy Systems (PEDES), Trivandrum, India, 14–17 December 2016; pp. 1–5. [Google Scholar]
- Shafaei, R.; Saket, M.A.; Ordonez, M. Thermal Comparison of Planar Versus Conventional Transformers Used in LLC Resonant Converters. In Proceedings of the 2018 IEEE Energy Conversion Congress and Exposition (ECCE), Portland, OR, USA, 23–27 September 2018; pp. 5081–5086. [Google Scholar]
- Carsten, B.W. The low leakage inductance of planar transformers; fact or myth? In Proceedings of the (APEC 2001) Sixteenth Annual IEEE Applied Power Electronics Conference and Exposition (Cat. No.01CH37181), Anaheim, CA, USA, 4–8 March 2001; Volume 2, pp. 1184–1188. [Google Scholar]
- Taha, M.A.; Oumar, D.A.; Abderahim, A.; Capraro, S.; Pietroy, D.; Chatelon, J.P.; Rousseau, J.J. Simulation, Modeling, Manufacturing, and Characterization of a Planar Magnetic Face to Face Integrated Transformer. IEEE Trans. Magn. 2018, 54, 1–6. [Google Scholar] [CrossRef]
- Ouyang, Z.; Thomsen, O.C.; Andersen, M.A.E. The analysis and comparison of leakage inductance in different winding arrangements for planar transformer. In Proceedings of the 2009 International Conference on Power Electronics and Drive Systems (PEDS), Taipei, Taiwan, 2–5 November 2009; pp. 1143–1148. [Google Scholar]
- Tria, L.A.R.; Zhang, D.; Fletcher, J.E. High-Frequency Planar Transformer Parameter Estimation. IEEE Trans. Magn. 2015, 51, 1–4. [Google Scholar] [CrossRef]
- Candolfi, S.; Viarouge, P.; Aguglia, D.; Cros, J. FEA identification of high order generalized equivalent circuits for MF high voltage transformers. In Proceedings of the 17th European Conference on Power Electronics and Applications, Geneva, Switzerland, 8–10 September 2015. [Google Scholar]
- Zhu, J.G.; Hui, S.Y.R.; Ramsden, V.S. A generalized dynamic circuit model of magnetic cores for low and high frequency applications. I. Theoretical calculation of the equivalent core loss resistance. IEEE Trans. Power Electron. 1996, 11, 246–250. [Google Scholar] [CrossRef]
- Hui, S.Y.R.; Zhu, J.G.; Ramsden, V.S. A generalized dynamic circuit model of magnetic cores for low- and high-frequency applications. II. Circuit model formulation and implementation. IEEE Trans. Power Electron. 1996, 11, 251–259. [Google Scholar] [CrossRef]
- Chen, M.; Araghchini, M.; Afridi, K.K.; Lang, J.H.; Sullivan, C.R.; Perreault, D.J. A Systematic Approach to Modeling Impedances and Current Distribution in Planar Magnetics. IEEE Trans. Power Electron. 2016, 31, 560–580. [Google Scholar] [CrossRef]
- Arturi, C.M.; Gandelli, A. High frequency models of PCB-based transformers. In Proceedings of the 44th IEEE Midwest Symposium on Circuits and Systems, Dayton, OH, USA, 14–17 August 2001. [Google Scholar]
- Habibinia, D.; Feyzi, M.R. Optimal winding design of a pulse transformer considering parasitic capacitance effect to reach best rise time and overshoot. IEEE Trans. Dielectr. Electr. Insul. 2014, 21, 1350–1359. [Google Scholar] [CrossRef]
- Vijaya Kumar, N.; Lakshminarasamma, N. Comparison of Planar Transformer Architectures and Estimation of Parasitics for High Voltage Low Power DC-DC Converter. In Proceedings of the 2018 IEEE International Conference on Power Electronics, Drives and Energy Systems (PEDES), Chennai, India, 18–21 December 2018; pp. 1–6. [Google Scholar]
- Kong, P.; Lee, F.C. Transformer structure and its effects on common mode EMI noise in isolated power converters. In Proceedings of the 2010 Twenty-Fifth Annual IEEE Applied Power Electronics Conference and Exposition (APEC), Palm Springs, CA, USA, 21–25 February 2010; pp. 1424–1429. [Google Scholar]
- Lu, J.; Dawson, F. Characterizations of High Frequency Planar Transformer with a Novel Comb-Shaped Shield. IEEE Trans. Magn. 2011, 47, 4493–4496. [Google Scholar] [CrossRef]
- Cochrane, D.; Chen, D.Y.; Boroyevic, D. Passive cancellation of common-mode noise in power electronic circuits. IEEE Trans. Power Electron. 2003, 18, 756–763. [Google Scholar] [CrossRef]
- Chen, R.; van Wyk, J.D.; Wang, S.; Odendaal, W.G. Improving the Characteristics of integrated EMI filters by embedded conductive Layers. IEEE Trans. Power Electron. 2005, 20, 611–619. [Google Scholar] [CrossRef]
- Tan, W.; Margueron, X.; Duquesne, T.; Idir, N. An Improved Parasitic Capacitance Cancellation Method for Planar Differential Mode Inductor in EMI Filters. In Proceedings of the 2012 7th International Conference on Integrated Power Electronics Systems (CIPS), Nuremberg, Germany, 6–8 March 2012; pp. 1–6. [Google Scholar]
- Chan, Y.P.; Pong, B.M.H.; Poon, N.K.; Liu, J.C.P. Common-Mode Noise Cancellation by an Antiphase Winding in Multilayer Isolated Planar Transformer. IEEE Trans. Electromagn. Compat. 2014, 56, 67–73. [Google Scholar] [CrossRef]
- Chen, R.; van Wyk, J.D.; Wang, S.; Odendaal, W.G. Planar electromagnetic integration technologies for integrated EMI filters. In Proceedings of the 38th IAS Annual Meeting on Conference Record of the Industry Applications Conference, Salt Lake City, UT, USA, 12–16 October 2003; Volume 3, pp. 1582–1588. [Google Scholar]
- Ortiz, G.; Leibl, M.; Kolar, J.W.; Apeldoorn, O. Medium frequency transformers for solid-state-transformer applications—Design and experimental verification. In Proceedings of the 2013 IEEE 10th International Conference on Power Electronics and Drive Systems (PEDS), Kitakyushu, Japan, 22–25 April 2013; pp. 1285–1290. [Google Scholar] [CrossRef]
- Spánik, P.; Fé, I.L.; Kácsor, G. Using planar transformers in soft switching dc/dc power converters. Adv. Electr. Electron. Eng. 2011, 3, 59–65. [Google Scholar]
- Shafiei, N.; Pahlevaninezhad, M.; Farzanehfard, H.; Bakhshai, A.; Jain, P. Analysis of a Fifth-Order Resonant Converter for High-Voltage DC Power Supplies. IEEE Trans. Power Electron. 2013, 28, 85–100. [Google Scholar] [CrossRef]
- Ouyang, Z.; Hurley, W.G.; Andersen, M.A.E. Improved Analysis and Modeling of Leakage Inductance for Planar Transformers. IEEE J. Emerg. Sel. Top. Power Electron. 2019, 7, 2225–2231. [Google Scholar] [CrossRef]
- Lu, H.Y.; Zhu, J.G.; Hui, S.R. Experimental determination of stray capacitances in high frequency transformers. IEEE Trans. Power Electron. 2003, 18, 1105–1112. [Google Scholar] [CrossRef]
- Ackermann, B.; Lewalter, A.; Waffenschmidt, E. Analytical modelling of winding capacitances and dielectric losses for planar transformers. In Proceedings of the 2004 IEEE Workshop on Computers in Power Electronics, Urbana, IL, USA, 15–18 August 2004. [Google Scholar]
- Biela, J.; Kolar, J.W. Using Transformer Parasitics for Resonant Converters—A Review of the Calculation of the Stray Capacitance of Transformers. IEEE Trans. Ind. Appl. 2008, 44, 223–233. [Google Scholar] [CrossRef]
- Lu, H.Y.; Zhu, J.G.; Ramsden, V.S.; Hui, S.Y.R. Measurement and modeling of stray capacitances in high frequency transformers. In Proceedings of the 30th Annual IEEE Power Electronics Specialists Conference, Charleston, SC, USA, 1 July 1999. [Google Scholar]
- Lu, H.Y.; Zhu, J.G.; Ramsden, V.S. Comparison of experimental techniques for determination of stray capacitances in high frequency transformers. In Proceedings of the IEEE 31st Annual Power Electronics Specialists Conference, Galway, Ireland, 23 June 2000. [Google Scholar]
- Baccigalupi, A.; Daponte, P.; Grimaldi, D. On a circuit theory approach to evaluate the stray capacitances of two coupled inductors. IEEE Trans. Instrum. Meas. 1994, 43, 774–776. [Google Scholar] [CrossRef]
- Ganga, A.L.; Reyhan, S.; Re, R.; Dalbavie, J.M.; Guglielmi, P. Losses and thermal considerations on an IPOS structure with 20kW high-frequency planar transformers. In Proceedings of the 2020 International Conference on Electrical Machines (ICEM), Gothenburg, Sweden, 23–26 August 2020; Volume 1, pp. 921–926. [Google Scholar] [CrossRef]

















| MFT Parameters | Symbol | Value | Standard Deviation | 
|---|---|---|---|
| Primary leakage inductance | H | ||
| Secondary leakage inductance | |||
| Magnetize inductance | |||
| Parasitic capacitance | 
| HFT Parameters | Symbol | Value | 
|---|---|---|
| Primary leakage inductance | ||
| Secondary leakage inductance | ||
| Magnetize inductance | ||
| Parasitic capacitance | 
| IPOS-2 Parameters | Model | Measured | Error | 
| - | - | ||
| H | - | - | |
| H | - | - | |
| IPOS-5 Parameters | Model | Measured | Error | 
| H | - | - | |
| H | - | - | |
| H | - | - | |
| H | H | ||
| IPOS-6 Parameters | Model | Measured | Error | 
| H | - | - | |
| H | - | - | |
| H | - | - | |
| H | H | ||
| IPOS-10 Parameters | Model | Measured | Error | 
| - | - | ||
| H | - | - | |
| H | - | - | |
| H | H | ||
| Publisher’s Note: MDPI stays neutral with regard to jurisdictional claims in published maps and institutional affiliations. | 
© 2021 by the authors. Licensee MDPI, Basel, Switzerland. This article is an open access article distributed under the terms and conditions of the Creative Commons Attribution (CC BY) license (http://creativecommons.org/licenses/by/4.0/).
Share and Cite
La Ganga, A.; Re, R.; Guglielmi, P. Input Parallel Output Series Structure of Planar Medium Frequency Transformers for 200 kW Power Converter: Model and Parameters Evaluation. Energies 2021, 14, 1450. https://doi.org/10.3390/en14051450
La Ganga A, Re R, Guglielmi P. Input Parallel Output Series Structure of Planar Medium Frequency Transformers for 200 kW Power Converter: Model and Parameters Evaluation. Energies. 2021; 14(5):1450. https://doi.org/10.3390/en14051450
Chicago/Turabian StyleLa Ganga, Alessandro, Roberto Re, and Paolo Guglielmi. 2021. "Input Parallel Output Series Structure of Planar Medium Frequency Transformers for 200 kW Power Converter: Model and Parameters Evaluation" Energies 14, no. 5: 1450. https://doi.org/10.3390/en14051450
APA StyleLa Ganga, A., Re, R., & Guglielmi, P. (2021). Input Parallel Output Series Structure of Planar Medium Frequency Transformers for 200 kW Power Converter: Model and Parameters Evaluation. Energies, 14(5), 1450. https://doi.org/10.3390/en14051450
 
         
                                                

 
       