Setting and Testing of the Out-of-Step Protection at Mongolian Transmission System
Abstract
:1. Introduction
2. Power Swing and Out of Step Context
2.1. Power Swing Phenomena
2.2. Effect of the Out of Step Condition on Transmission Line Protection Relay
2.3. Out-of-Step Protection Philosophy
3. Mongolian Power System and Major Event of September 2018
4. Settings Calculations: A Step-by-Step Process
4.1. Out-of-Step Blocking Logic
4.2. Out-of-Step Blocking Time Delay
4.3. Out-of-Step Tripping
4.4. Out-of-Step Tripping Time Delay
4.5. Out-of-Step Unblocking during Three-Phase Faults
5. Illustrative Example and Demonstration of Settings Calculations: A Step-by-Step Process
5.1. Testing the Proposed Settings
5.1.1. Test 1: OOS Protection in Power Swing Condition Cause by Transfer Capability Limit
5.1.2. Test 2: Out of Step Protection in Unstable Oscillation Condition Caused by A Short Circuit
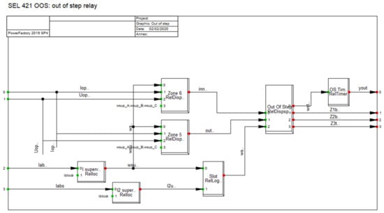
6. Settings of OOS and Testing: The Mongolian Power System Case
6.1. Testing Settings OOS Using Time-Domain Co-Simulations
6.2. Testing Settings OOS Using Cyber-Physical Approach
7. Conclusions
Author Contributions
Funding
Institutional Review Board Statement
Informed Consent Statement
Data Availability Statement
Conflicts of Interest
References
- Kundur, P.; Balu, N.J.; Lauby, M.G. Power System Stability and Control; McGraw-Hill: New York, NY, USA; London, UK, 1994; ISBN 007035958X. [Google Scholar]
- Acosta, M.N.; Gonzalez-Longatt, F.; Topić, D.; Andrade, M.A. Optimal Microgrid–Interactive Reactive Power Management for Day–Ahead Operation. Energies 2021, 14, 1275. [Google Scholar] [CrossRef]
- Chamorro, H.R.; Orjuela-Cañón, A.D.; Ganger, D.; Persson, M.; Gonzalez-Longatt, F.; Alvarado-Barrios, L.; Sood, V.K.; Martinez, W. Data-Driven Trajectory Prediction of Grid Power Frequency Based on Neural Models. Electronics 2021, 10, 151. [Google Scholar] [CrossRef]
- Kundur, P.; Paserba, J.; Ajjarapu, V.; Andersson, G.; Bose, A.; Canizares, C.; Hatziargyriou, N.; Hill, D.; Stankovic, A.; Taylor, C.; et al. Definition and Classification of Power System Stability IEEE/CIGRE Joint Task Force on Stability Terms and Definitions. IEEE Trans. Power Syst. 2004, 19, 1387–1401. [Google Scholar] [CrossRef]
- Chamorro, H.R.; Sevilla, F.R.S.; Gonzalez-Longatt, F.; Rouzbehi, K.; Chavez, H.; Sood, V.K. Innovative primary frequency control in low-inertia power systems based on wide-area RoCoF sharing. IET Energy Syst. Integr. 2020, 2, 151–160. [Google Scholar] [CrossRef]
- Sanchez, F.; Gonzalez-Longatt, F.; Bogdanov, D. Probabilistic assessment of enhanced frequency response services using real frequency time series. In Proceedings of the 2018 20th International Symposium on Electrical Apparatus and Technologies (SIELA), Bourgas, Bulgaria, 3–6 June 2018; pp. 1–4. [Google Scholar]
- IEEE. IEEE Tutorial on Protection of Synchronous Generators. 2011. Available online: https://www.pes-psrc.org/kb/published/reports/IEEEGenProtTutorial_20110506_1file.pdf (accessed on 10 October 2021).
- IEEE. IEEE C37.102-2006: Guide for AC Generator Protection. 2007; Volume 2000, ISBN 0738152501. Available online: https://ieeexplore.ieee.org/stamp/stamp.jsp?arnumber=4534870 (accessed on 10 October 2021).
- Tziouvaras, D.A. Daqing Hou Out-of-step protection fundamentals and advancements. In Proceedings of the 57th Annual Conference for Protective Relay Engineers, College Station, TX, USA, 1 April 2004; pp. 282–307. [Google Scholar]
- Hinojosa, V.; Mar, S.; Gonzalez-longatt, F. Stochastic security-constrained generation expansion planning methodology based on a generalized line outage distribution factors. In Proceedings of the 2017 IEEE Manchester PowerTech, Manchester, UK, 18–22 June 2004; pp. 1–6. [Google Scholar] [CrossRef] [Green Version]
- Alhejaj, S.M.; Gonzalez-Longatt, F.M. Investigation on grid-scale BESS providing inertial response support. In Proceedings of the 2016 IEEE International Conference on Power System Technology, Powercon 2016, Wollongong, NSW, Australia, 28 September–1 October 2016. [Google Scholar]
- Rueda, J.L.; Erlich, I.; Gonzalez-Longatt, F. Performance assessment of evolutionary algorithms in power system optimization problems. In Proceedings of the 2015 IEEE Eindhoven PowerTech, PowerTech 2015, Eindhoven, The Netherlands, 29 June–2 July 2015. [Google Scholar]
- Gorostiza, F.S.; Gonzalez-Longatt, F. Optimised TSO-DSO interaction in unbalanced networks through frequencyresponsive EV clusters in virtual power plants. IET Gener. Transm. Distrib. 2020, 14, 4908–4917. [Google Scholar] [CrossRef]
- Rakhshani, E.; Perilla, A.; Torres, J.R.; Longatt, F.G.; Soeiro, T.B.; Van Der Meijden, M. FAPI Controller for Frequency Support in Low-Inertia Power Systems. IEEE Open Access J. Power Energy 2020, 7, 276–286. [Google Scholar] [CrossRef]
- Ding, L.; Gonzalez-Longatt, F.M.; Wall, P.; Terzija, V. Two-step spectral clustering controlled islanding algorithm. IEEE Trans. Power Syst. 2013, 28, 75–84. [Google Scholar] [CrossRef] [Green Version]
- Cresap, R.L.; Haner, J.M.; Hill, L.A.; Mittelstadt, W.A. A new out-of-step relay with rate of change of apparent resistance augmentation. IEEE Trans. Power Appar. Syst. 1983, PAS-102, 631–639. [Google Scholar] [CrossRef]
- Taylor, C.W.; Haner, J.M.; Hill, L.A.; Mittelstadt, W.A.; Cresap, R.L. A New Out-of-Step Relay with Rate of Change of Apparent Resistance Augmentation. IEEE Power Eng. Rev. 1983, PER-3, 32. [Google Scholar] [CrossRef]
- Zhang, S.; Zhang, Y. Characteristic Analysis and Calculation of Frequencies of Voltages in Out-of-Step Oscillation Power System and a Frequency-Based Out-of-Step Protection. IEEE Trans. Power Syst. 2019, 34, 205–214. [Google Scholar] [CrossRef]
- Zhang, S.; Zhang, Y. A Novel Out-of-Step Splitting Protection Based on the Wide Area Information. IEEE Trans. Smart Grid 2017, 8, 41–51. [Google Scholar] [CrossRef]
- Paudyal, S.; Ramakrishna, G.; Sachdev, M.S. Application of equal area criterion conditions in the time domain for out-of-step protection. IEEE Trans. Power Deliv. 2010, 25, 600–609. [Google Scholar] [CrossRef]
- Wang, L.; Girgis, A.A. A new method for power system transient instability detection. IEEE Trans. Power Deliv. 1997, 12, 1082–1088. [Google Scholar] [CrossRef]
- Rovnyak, S.; Thorp, J.; Kretsinger, S.; Brown, D. Decision Trees for Real-Time Transient Stability Prediction. IEEE Trans. Power Syst. 1994, 9, 1417–1426. [Google Scholar] [CrossRef]
- Abdelaziz, A.Y.; Irving, M.R.; Mansour, M.M.; El-Arabaty, A.M.; Nosseir, A.I. Adaptive detection of generator out-of-step conditions in power systems using an artificial neural network. In Proceedings of the IEE Conference Publication, Exeter, UK, 2–5 September 1996; IET: London, UK, 1996; pp. 166–171. [Google Scholar]
- Rebizant, W.; Feser, K. Fuzzy logic application to out-of-step protection of generators. In Proceedings of the IEEE Power Engineering Society Transmission and Distribution Conference, Vancouver, BC, Canada, 15–19 July 2001; Institute of Electrical and Electronics Engineers Inc.: Vancouver, BC, Canada, 2001; Volume 2, pp. 927–932. [Google Scholar]
- IEEE. Technical Report PES-TR79. In Application of Out-of-Step Protection Schemes for Generators; IEEE: Piscataway, NJ, USA, 2020. [Google Scholar]
- Kimbark, E.W. Power System Stability. In Power Circuit Breakers and Protective Relays; Wiley: Hoboken, NJ, USA; Chapman & Hall: London, UK, 1951. [Google Scholar]
- Adiyabazar, C.; Acosta, M.N.; Gonzalez-Longatt, F.; Rueda, J.L.; Palensky, P. Under-Frequency Load Shedding in Mongolia: Simulation Assessment Considering Inertia Scenarios. In Proceedings of the 2020 IEEE 29th International Symposium on Industrial Electronics (ISIE), Delft, Netherlands, 17–19 June 2020; pp. 1256–1261. [Google Scholar]
- Acosta, M.N.; Adiyabazar, C.; Gonzalez-Longatt, F.; Andrade, M.A.; Torres, J.R.; Vazquez, E.; Riquelme Santos, J.M. Optimal Under-Frequency Load Shedding Setting at Altai-Uliastai Regional Power System, Mongolia. Energies 2020, 13, 5390. [Google Scholar] [CrossRef]































| Parameter | Value |
|---|---|
| CCT-1, Line impedance (Z1) | (4.95∠90°) Ω |
| Zone 2 setting: Z2MP | (5.94∠88°) Ω |
| Source impedance G1 (ZS) | (3.22∠90°) Ω |
| Source Infinite bus impedances (Zr)-Infeed, Figure 11 | (3.76∠89.5°) Ω |
| CT, current transformer | 2000/5 A |
| VT, voltage transformer | 500,000/110 V |
| Nominal frequency | 50 Hz |
| CCT-1 and CCT-2, Line Length | 100 km |
| Maximum load current | 4.71 A secondary |
| Setting | Description | Entry (Secondary) |
|---|---|---|
| R1R6 | Zone-6 Resistance | 3.56 Ω |
| R1R7 | Zone-7 Resistance | 8.29 Ω |
| X1X6 | Zone-6 Reactance | 7.12 Ω |
| X1X7 | Zone-7 Reactance | 11.85 Ω |
| OSTD | OOS trip delay | 1.0 cycles |
| 50ABCP | Positive-sequency current supervision | 5A |
| 50QUBP | Negative-sequency current supervision | Off |
| OOSB (1, 2, 3) | Block zone | All zones |
| OSBD | Out-of-step block time delay | 1.5 cycles |
| EOOST | Out-of-step tripping (Yes/No) | Yes |
| OOS, No. of Crossings | Impedance cross | 1 |
| Setting | Description | Entry (Secondary) |
|---|---|---|
| Z1L1 | 203 Line impedance | 6.04 Ω |
| R1R6 | Zone-6 Resistance | 4.48 Ω |
| R1R7 | Zone-7 Resistance | 22.34 Ω |
| X1X6 | Zone-6 Reactance | 8.96 Ω |
| X1X7 | Zone-7 Reactance | 36.83 Ω |
| OSTD | Out-of-step trip delay | 1.5 cycles |
| 50ABCP | Positive-sequency current supervision | 5 A |
| 50QUBP | Negative-sequency current supervision | Off |
| OOSB (1, 2, 3) | Block zone | All zones |
| OSBD | Out-of-step block time delay | 2.5 cycles |
| EOOST | Out-of-step tripping (Yes/No) | Yes |
| OOS, No. of Crossings | Impedance cross | 1, 2, 3 |
Publisher’s Note: MDPI stays neutral with regard to jurisdictional claims in published maps and institutional affiliations. |
© 2021 by the authors. Licensee MDPI, Basel, Switzerland. This article is an open access article distributed under the terms and conditions of the Creative Commons Attribution (CC BY) license (https://creativecommons.org/licenses/by/4.0/).
Share and Cite
Gonzalez-Longatt, F.; Adiyabazar, C.; Martinez, E.V. Setting and Testing of the Out-of-Step Protection at Mongolian Transmission System. Energies 2021, 14, 8170. https://doi.org/10.3390/en14238170
Gonzalez-Longatt F, Adiyabazar C, Martinez EV. Setting and Testing of the Out-of-Step Protection at Mongolian Transmission System. Energies. 2021; 14(23):8170. https://doi.org/10.3390/en14238170
Chicago/Turabian StyleGonzalez-Longatt, Francisco, Choidorj Adiyabazar, and Ernesto Vazquez Martinez. 2021. "Setting and Testing of the Out-of-Step Protection at Mongolian Transmission System" Energies 14, no. 23: 8170. https://doi.org/10.3390/en14238170
APA StyleGonzalez-Longatt, F., Adiyabazar, C., & Martinez, E. V. (2021). Setting and Testing of the Out-of-Step Protection at Mongolian Transmission System. Energies, 14(23), 8170. https://doi.org/10.3390/en14238170

