An Improved Droop Control Scheme of a Doubly-Fed Induction Generator for Various Disturbances
Abstract
:1. Introduction
2. Modeling of a Doubly-Fed Induction Generator
3. Proposed Adaptive Droop Control Scheme of a DFIG
4. Model System
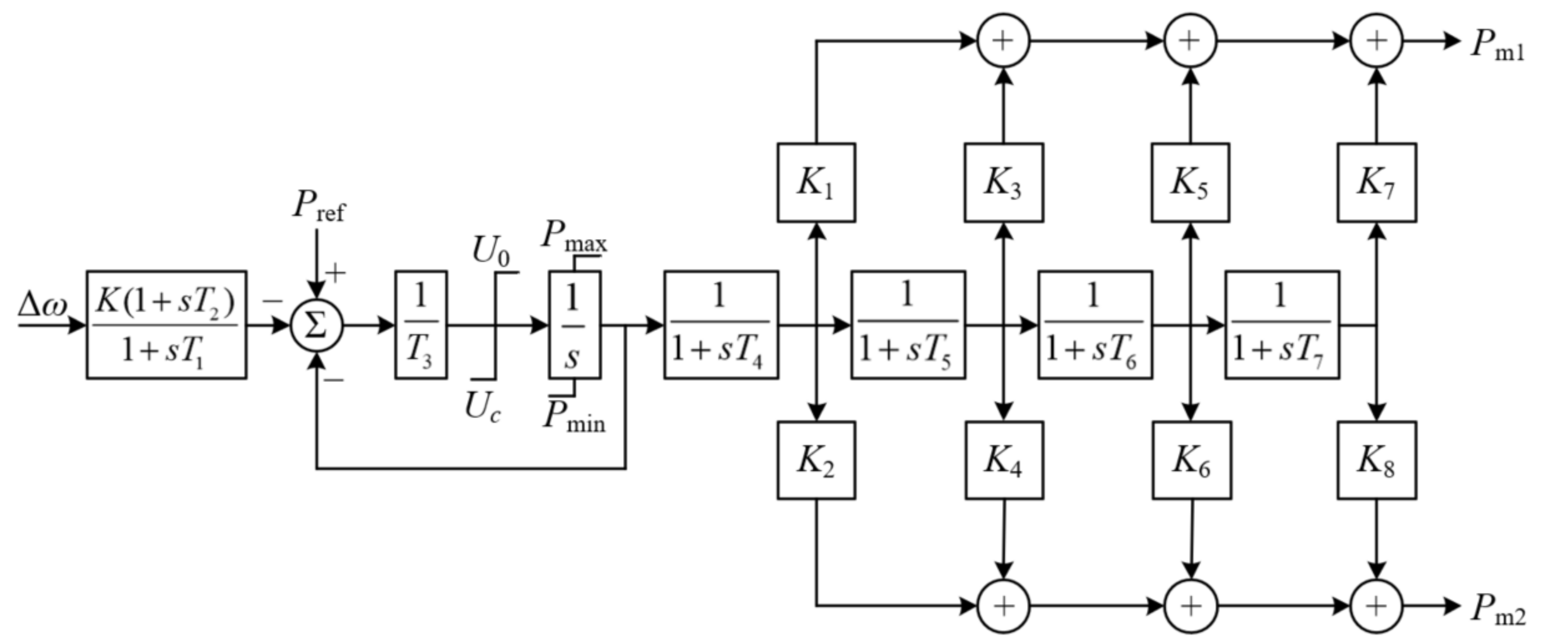
4.1. Conventional Synchronous Generators
4.2. DFIG-Based Wind Power Plant
5. Case Studies
5.1. Case 1: Wind Speed of 8.5 m/s, Disturbance of 60 MW with Various Settings of Quotient
5.2. Case 2: Wind Speed of 8.5 m/s and Disturbance of 60 MW
5.3. Case 3: Wind Speed of 8.5 m/s and Disturbance of 120 MW
5.4. Case 4: Random Wind Conditions and Disturbance of 120 MW
6. Conclusions
- (1)
- The proposed control droop coefficient is coupled with the ROCOF which can reflect the size of the disturbance. Furthermore, a power function to regulate the control coefficient. Thus, the proposed droop control scheme can adaptively adjust the frequency response capability under various disturbances.
- (2)
- Based on the fixed control gain for the conventional scheme, a supplementary function of the ROCOF is suggested. Thus, the proposed scheme can generate more power to improve the frequency-supporting capability of the DFIG.
Author Contributions
Funding
Data Availability Statement
Conflicts of Interest
Nomenclature
| β | Pitch angle |
| ωs | Rotor speed of the grid |
| ir | Current at rotor circuit |
| is | Current at stator circuit |
| Ir | Current at rotor circuit for dq-axis |
| Is | Current at stator circuit for dq-axis |
| ug | Voltage at GSC |
| ig | Current at GSC |
| Ug | Grid voltage for dq-axis |
| Ig | Grid current for dq-axis |
| Udc | Voltage at DC-link |
| Reference voltage at DC-link | |
| Qg | Reactive power at GSC |
| Power reference at GSC | |
| current reference at GSC for d-axis | |
| current references at GSC for q-axis | |
| Reactive Power reference at RSC | |
| cp | Power coefficient |
| S | Swept area |
| λ | Tip-speed ratio |
| Β | Pitch angle |
| vw | Wind speed |
| R | Blade length |
| λopt | Optimal tip-speed ratio |
| Tem | Mechanical torque from the turbine |
| Te | Generator electrical torque |
| Ht | Turbine inertia constant |
| Hg | Generator inertia constant |
| Tls | Torques of the low-speed shaft |
| Ths | Torques of the high-speed shaft |
| ωt | Turbine rotor speed |
| ωr | Generator rotor speed |
| K | Spring constant |
| θs | Torsional twist |
| D | Damping constant |
| ωls | Rotor angular velocity of the low-speed shaft |
| PMPPT | Output of MPPT operation |
| ΔPdroop | Incremental power for the droop control loop |
| KAG | Adaptive gain |
| Δf | Frequency deviation |
| K0 | Basic control coefficient for the droop control |
| k1 | Droop control factor |
| DFIGs | Doubly-fed induction generators |
| ROCOF | Rate of change of frequency |
| TSGs | Traditional synchronous generators |
| FN | Frequency nadir |
| RSC | Rotor-side controller |
| GSC | Grid-side controller |
| MPPT | Maximum power point tracking |
| RSC | Rotor-side controller |
| GSC | Grid-side controller |
| EMPT-RV | Energy Management Training Program, Restructured Version |
References
- Bevrani, H. Robust Power System Frequency Control, 2nd ed.; Springer: New York, NY, USA, 2014. [Google Scholar]
- Yang, D.; Kim, J.; Kang, Y.C.; Muljadi, E.; Zhang, N.; Hong, J.; Song, S.-H.; Zheng, T. Temporary Frequency Support of a DFIG for High Wind Power Penetration. IEEE Trans. Power Syst. 2018, 33, 3428–3437. [Google Scholar] [CrossRef]
- Jeon, H.; Kang, Y.C.; Park, J.-W.; Lee, Y.I. PI Control Loop–Based Frequency Smoothing of a Doubly-Fed Induction Generator. IEEE Trans. Sustain. Energy 2021, 12, 1811–1819. [Google Scholar] [CrossRef]
- Yang, D.; Jin, Z.; Zheng, T.; Jin, E. An adaptive droop control strategy with smooth rotor speed recovery capability for type III wind turbine generators. Int. J. Electr. Power Energy Syst. 2022, 135, 107532. [Google Scholar] [CrossRef]
- Dai, J.; Tang, Y.; Wang, Q.; Jiang, P. Aggregation Frequency Response Modeling for Wind Power Plants with Primary Frequency Regulation Service. IEEE Access 2019, 7, 108561–108570. [Google Scholar] [CrossRef]
- Nguyen, H.; Yang, G.; Nielsen, A.; Jensen, P. Combination of Synchronous Condenser and Synthetic Inertia for Frequency Stability Enhancement in Low-Inertia Systems. IEEE Trans. Sustain. Energy. 2019, 10, 997–1005. [Google Scholar] [CrossRef] [Green Version]
- Ackermann, T. Wind Power in Power Systems, 2nd ed.; John Wiley & Sons, Ltd.: Chichester, UK, 2012. [Google Scholar]
- Yang, D.; Gao, H.-C.; Zhang, L.; Zheng, T.; Hua, L.; Zhang, X. Short-term frequency support of a doubly-fed induction generator based on an adaptive power reference function. Int. J. Electr. Power Energy Syst. Power Syst. 2020, 119, 105955. [Google Scholar] [CrossRef]
- Miller, N.W.; Shao, M.; Venataraman, S. California ISO: Frequency Response Study; GE Energy: Paris, France, 2011; Available online: http://www.caiso.com/Documents/Report-FrequencyResponseStudy.pdf (accessed on 10 October 2021).
- Keung, P.-K.; Li, P.; Banakar, H.; Ooi, B.T. Kinetic Energy of Wind-Turbine Generators for System Frequency Support. IEEE Trans. Power Syst. 2008, 24, 279–287. [Google Scholar] [CrossRef]
- Muljadi, E.; Gevorgian, V.; Singh, M.; Santoso, S. Understanding inertial and frequency response of wind power plants. In Proceedings of the 2012 IEEE Power Electronics and Machines in Wind Applications, Denver, CO, USA, 16–18 July 2012; pp. 1–8. [Google Scholar]
- Engleitner, R.; Nied, A.; Cavalca, M.S.M.; Da Costa, J.P. Dynamic Analysis of Small Wind Turbines Frequency Support Capability in a Low-Power Wind-Diesel Microgrid. IEEE Trans. Ind. Appl. 2018, 54, 102–111. [Google Scholar] [CrossRef]
- Ochoa, D.; Martinez, S. Fast-Frequency Response Provided by DFIG-Wind Turbines and its Impact on the Grid. IEEE Trans. Power Syst. 2017, 32, 4002–4011. [Google Scholar] [CrossRef]
- Kheshti, M.; Ding, L.; Bao, W.; Yin, M.; Wu, Q.; Terzija, V. Toward Intelligent Inertial Frequency Participation of Wind Farms for the Grid Frequency Control. IEEE Trans. Ind. Inform. 2019, 16, 6772–6786. [Google Scholar] [CrossRef]
- Hydro Québec TransÉnergie. Transmission Provider Technical Requirements for the Connection of Power Plants to the Hydro Québec Transmission System; TransÉnergie: Montréal, QC, Canada, 2009. [Google Scholar]
- National Grid UK, Grid Code Review Panel Paper, Future Frequency Response Services. September 2010. Available online: https://www.nationalgrid.com/sites/default/files/documents/15575-Future%20Frequency%20Response%20Services.pdf (accessed on 10 October 2021).
- Gevorgian, V.; Zhang, Y.; Ela, E. Investigating the Impacts of Wind Generation Participation in Interconnection Frequency Response. IEEE Trans. Sustain. Energy 2015, 6, 1004–1012. [Google Scholar] [CrossRef]
- Garmroodi, M.; Verbic, G.; Hill, D.J. Frequency Support from Wind Turbine Generators with a Time-Variable Droop Characteristic. IEEE Trans. Sustain. Energy 2017, 9, 676–684. [Google Scholar] [CrossRef]
- Abouzeid, S.I.; Guo, Y.; Zhang, H.C. Improvements in primary frequency regulation of the grid connected variable speed wind turbine. IET Renew. Power Gener. 2019, 13, 491–499. [Google Scholar] [CrossRef]
- Xi, J.; Geng, H.; Zou, X. Decoupling Scheme for Virtual Synchronous Generator Controlled Wind Farms Participating in Inertial Response. J. Mod. Power Syst. Clean Energy 2021, 9, 347–355. [Google Scholar] [CrossRef]
- Sun, M.; Min, Y.; Chen, L. Optimal auxiliary frequency control of wind turbine generators and coordination with synchronous generators. CSEE J. Power Energy Syst. 2021, 7, 78–85. [Google Scholar]
- Ye, H.; Pei, W.; Qi, Z. Analytical Modeling of Inertial and Droop Responses from a Wind Farm for Short-Term Frequency Regulation in Power Systems. IEEE Trans. Power Syst. 2015, 31, 3414–3423. [Google Scholar] [CrossRef]
- Morren, J.; de Haan, S.W.H.; Kling, W.L.; Ferreira, J.A. Wind Turbines Emulating Inertia and Supporting Primary Frequency Control. IEEE Trans. Power Syst. 2006, 21, 433–434. [Google Scholar] [CrossRef]
- Hu, Y.-L.; Wu, Y.-K. Approximation to Frequency Control Capability of a DFIG-Based Wind Farm Using a Simple Linear Gain Droop Control. IEEE Trans. Ind. Appl. 2019, 55, 2300–2309. [Google Scholar] [CrossRef]
- Li, Y.; Xu, Z.; Wong, K.P. Advanced Control Strategies of PMSG-Based Wind Turbines for System Inertia Support. IEEE Trans. Power Syst. 2017, 32, 3027–3037. [Google Scholar] [CrossRef]
- Van De Vyver, J.; De Kooning, J.D.M.; Meersman, B.; Vandevelde, L.; Vandoorn, T.L. Droop Control as an Alternative Inertial Response Strategy for the Synthetic Inertia on Wind Turbines. IEEE Trans. Power Syst. 2015, 31, 1129–1138. [Google Scholar] [CrossRef]
- Lee, H.; Kim, J.; Hur, D.; Kang, Y.C. Inertial Control of a DFIG-based Wind Power Plant using the Maximum Rate of Change of Frequency and the Frequency Deviation. J. Electr. Eng. Technol. 2015, 10, 496–503. [Google Scholar] [CrossRef] [Green Version]
- Lorenzo, Z.; Andreas, J.R.; Janus, M.-S.; Ioannis, M.; Anca, D.H.; Poul, S. Virtual inertia for variable speed wind turbines. Wind Energy 2013, 16, 1225–1239. [Google Scholar]
- Ramtharan, G.; Ekanayake, J.B.; Jenkins, N. Frequency support from doubly fed induction generator wind turbines. IET Renew. Power Gener. 2007, 1, 3–9. [Google Scholar] [CrossRef]
- Zhao, J.; Lyu, X.; Fu, Y.; Hu, X.; Li, F. Coordinated Microgrid Frequency Regulation Based on DFIG Variable Coefficient Using Virtual Inertia and Primary Frequency Control. IEEE Trans. Energy Convers. 2016, 31, 833–845. [Google Scholar] [CrossRef]
- Wu, Y.-K.; Yang, W.H.; Hu, Y.L. Frequency regulation at a wind farm using a timing–varying inertia and droop controls. IEEE Trans. Ind. Appl. 2019, 55, 213–2224. [Google Scholar] [CrossRef]
- Yoo, J.I.; Kang, Y.C.; Muljadi, E.; Kim, K.-H.; Park, J.-W. Frequency Stability Support of a DFIG to Improve the Settling Frequency. IEEE Access 2020, 8, 22473–22482. [Google Scholar] [CrossRef]
- Ye, R.-J.; Li, H.; Chen, Z.; Gao, Q. Comparison of transient behaviors of wind turbines with DFIG considering the shaft flexible models. In Proceedings of the 2008 International Conference on Electrical Machines and Systems, Wuhan, China, 17–20 October 2008; pp. 2585–2590. [Google Scholar]
- Anderson, P.M.; Mirheydar, M. A low-order system frequency response model. IEEE Trans. Power Syst. 1990, 5, 720–729. [Google Scholar] [CrossRef] [Green Version]
- Akbari, M.; Madani, S.M. Analytical evaluation of control strategies for participation of doubly fed induction generator-based wind farms in power system short-term frequency regulation. IET Renew. Power Gener. 2014, 8, 324–333. [Google Scholar] [CrossRef]
- Kundur, P. Power System Stability and Control; McGraw-Hill Inc.: New York, NY, USA, 1994. [Google Scholar]
- Tielens, P.; Hertem, D.V. Grid Inertia and Frequency Control in Power Systems with High Penetration of Renewables. In Proceedings of the Young Researchers Symposium in Electrical Power Engineering, Delft, The Netherlands, 16–17 April 2012. [Google Scholar]











Publisher’s Note: MDPI stays neutral with regard to jurisdictional claims in published maps and institutional affiliations. |
© 2021 by the authors. Licensee MDPI, Basel, Switzerland. This article is an open access article distributed under the terms and conditions of the Creative Commons Attribution (CC BY) license (https://creativecommons.org/licenses/by/4.0/).
Share and Cite
Xu, Y.; Chen, P.; Zhang, X.; Yang, D. An Improved Droop Control Scheme of a Doubly-Fed Induction Generator for Various Disturbances. Energies 2021, 14, 7980. https://doi.org/10.3390/en14237980
Xu Y, Chen P, Zhang X, Yang D. An Improved Droop Control Scheme of a Doubly-Fed Induction Generator for Various Disturbances. Energies. 2021; 14(23):7980. https://doi.org/10.3390/en14237980
Chicago/Turabian StyleXu, Yien, Pei Chen, Xinsong Zhang, and Dejian Yang. 2021. "An Improved Droop Control Scheme of a Doubly-Fed Induction Generator for Various Disturbances" Energies 14, no. 23: 7980. https://doi.org/10.3390/en14237980
APA StyleXu, Y., Chen, P., Zhang, X., & Yang, D. (2021). An Improved Droop Control Scheme of a Doubly-Fed Induction Generator for Various Disturbances. Energies, 14(23), 7980. https://doi.org/10.3390/en14237980

