The Effects of Filter Capacitors on Cable Ripple at Different Sections of the Wind Farm Based Multi-Terminal DC System
Abstract
:1. Introduction
- The proposed use of multiple and different DC-DC converters to step up the voltage in a multi-connected offshore DC grid is a new solution to collect power from a large offshore wind farm;
- Investigation of requirements for filters at different sections of the multi-connected system to limit the DC voltage ripple content and AC losses on DC cables;
- The proposal and definition of the concept of relative AC losses and presentation of an AC efficiency study on multi-connected DC cables;
- The development of a simplified and downscaled hardware model of the system to verify the effect of filter capacitors at different sections of the system.
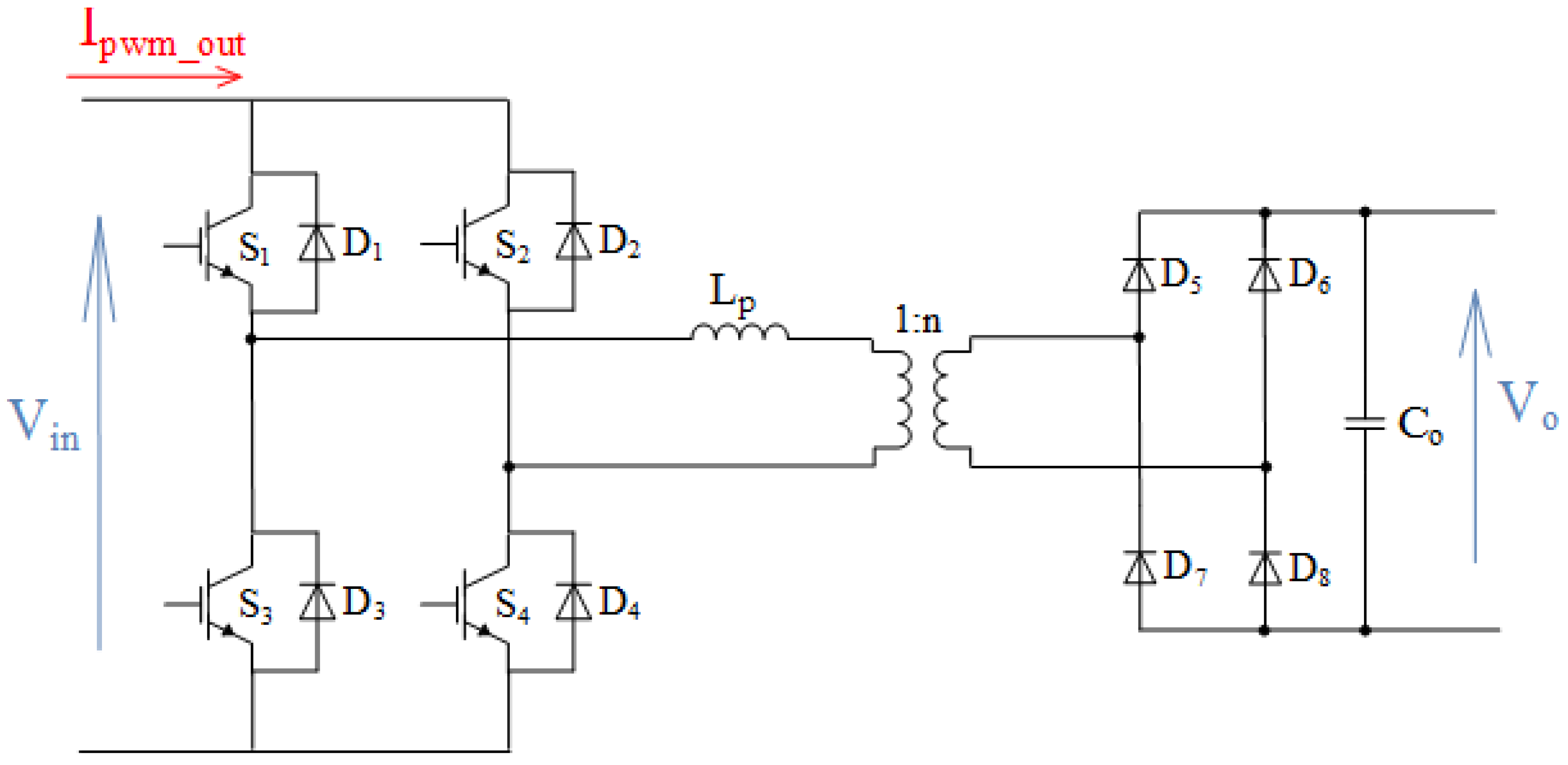
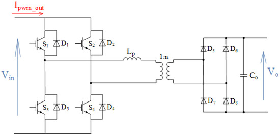
2. Structure and Definition of the Offshore Wind Farm Based Multi-Terminal DC System
2.1. Introduction of the Power System
2.2. Asynchronous Characteristic among Multi-Connected 5MW SAB Converters
- All the switches of the three multi-connected 5 MW converters are controlled by the same signal;
- There are 120 degree phase shifts between the switch control signals of the multi-connected 5 MW converters.
2.3. Phase Conditions of the Switch Control Signals of the Three Different IPOS Converters
2.4. Definition of the Relative Losses
3. Simulation Study of the Relative AC Losses and Voltage Total Harmonic Distortion of the System
3.1. System Operating Parameters
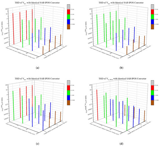
3.2. Varying Tendency of the Voltage Total Harmonic Distortion
- Comparing the subfigures (a), (b) and (c) in Figure 5 or Figure 6 or Figure 7, the THD of Vdc1, Vdc2 and Vdc3 is dominated by the output capacitors of the 5 MW SAB converters; this is found in systems with any of the three types of IPOS converters, as the THD is decreasing apparently with the increase of the order of magnitude of output capacitors of the 5 MW SAB converters. The input capacitor value of the IPOS converters does not significantly affect the THD of Vdc1, Vdc2 and Vdc3;
- The overall voltage THD is lowest in the system with Identical Three Phase IPOS converters.
4. Downscaled Hardware Testing of the Multi-Terminal DC System
5. Conclusions
Author Contributions
Funding
Institutional Review Board Statement
Informed Consent Statement
Data Availability Statement
Acknowledgments
Conflicts of Interest
Appendix A. Definition and Calculation Method of Relative AC Losses on Cables

| Frequency | 4 kHz | 8 kHz | 12 kHz | 16 kHz |
| Idc1_ripple_peak:Idc_base(%) | 100.9 | 32.5 | 0.25 | 0.48 |
References
- Kwon, G.Y. Offline Fault Localization Technique on HVDC Submarine Cable via Time-Frequency Domain Reflectometry. IEEE Trans. Power Deliv. 2017, 3, 1626–1635. [Google Scholar] [CrossRef]
- Liu, C.; Lai, J.S. Low frequency current ripple reduction technique with active control in a fuel cell power system with inverter load. IEEE Trans. Power Electron. 2007, 4, 1429–1436. [Google Scholar] [CrossRef]
- Lee, W.J.; Sul, S.K. DC-Link Voltage Stabilization for Reduced DC-Link Capacitor Inverter. IEEE Trans. Ind. Appl. 2014, 1, 404–414. [Google Scholar]
- Li, X.; Li, Z.; Zhao, B.; Lu, C.; Song, Q.; Zhou, Y.; Rao, H.; Xu, S.; Zhu, Z. HVdc Reactor Reduction Method Based on Virtual Reactor Fault Current Limiting Control of MMC. IEEE Trans. Ind. Electron. 2020, 12, 9991–10000. [Google Scholar] [CrossRef]
- Liu, Z.; Zhao, J. Disturbance Interaction Analysis and Suppression Strategy of MMC-HVDC Systems Considering Sub-Module Capacitor Voltage Ripples. IEEE Trans. Power Syst. 2021, 1, 235–247. [Google Scholar] [CrossRef]
- Lin, S.; Mu, D.; Liu, L.; Lei, Y.; Dong, X. A Novel Fault Diagnosis Method for DC Filter in HVDC Systems Based on Parameter Identification. IEEE Trans. Instrum. Meas. 2020, 9, 5969–5971. [Google Scholar] [CrossRef]
- Xue, Y.; Zhang, X.; Yang, C. Series Capacitor Compensated AC Filterless Flexible LCC HVDC With Enhanced Power Transfer Under Unbalanced Faults. IEEE Trans. Power Syst. 2019, 4, 3069–3080. [Google Scholar] [CrossRef]
- Rong, X.; Shek, J.K.H.; Macpherson, D.E. The study of different unidirectional input parallel output series connected DC-DC converters for wind farm based multi-connected DC system. Int. Trans. Electr. Energy Syst. 2021, 5, 1–16. [Google Scholar]
- Rong, X. The Study of the Offshore Wind Farm Based Multi-Terminal DC System and the Application of High Power DC-DC Converters. Ph.D. Thesis, University of Edinburgh, Edinburgh, UK, 2018. [Google Scholar]
- Wood, T. Interaction of DC-DC Converters and Submarine Power Cables in Offshore Wind Farm DC Network. Ph.D. Thesis, University of Edinburgh, Edinburgh, UK, 2013. [Google Scholar]
- 4C-Offshore. Hywind Scotland Pilot Park Offshore Wind Farm. Available online: http://www.4coffshore.com/windfarms/hywind-scotland-pilot-park-united-kingdom-uk76.html (accessed on 5 June 2017).
















| Parameter | Vdc1,2,3, Vin_IPOS | Idc1, I2,3 | Wind Speed |
|---|---|---|---|
| Base Value | 50 kV DC | 63 A DC | 10.3 m/s |
| Total Relative AC Losses on Multi-Section Cables with Particular Value of OC and IC | |||||
|---|---|---|---|---|---|
| OC = 4 μF IC = 0.4 μF | OC = 40 μF IC = 0.4 μF | ||||
| SAB + Three Phase | Identical Three Phase | Identical SAB | SAB + Three Phase | Identical Three Phase | Identical SAB |
| 67 k | 46 k | 336 k | 1.5 k | 0.9 k | 57 k |
| IPOS Converter Structure | SAB + Three Phase | Identical Three Phase | Identical SAB | |
|---|---|---|---|---|
| Capacitor | ||||
| OC | 40 μF | 40 μF | 40 μF | |
| IC | 0.4 μF | 0.4 μF | 4 μF | |
Publisher’s Note: MDPI stays neutral with regard to jurisdictional claims in published maps and institutional affiliations. |
© 2021 by the authors. Licensee MDPI, Basel, Switzerland. This article is an open access article distributed under the terms and conditions of the Creative Commons Attribution (CC BY) license (https://creativecommons.org/licenses/by/4.0/).
Share and Cite
Rong, X.; Shek, J.K.H.; Macpherson, D.E.; Mawby, P. The Effects of Filter Capacitors on Cable Ripple at Different Sections of the Wind Farm Based Multi-Terminal DC System. Energies 2021, 14, 7000. https://doi.org/10.3390/en14217000
Rong X, Shek JKH, Macpherson DE, Mawby P. The Effects of Filter Capacitors on Cable Ripple at Different Sections of the Wind Farm Based Multi-Terminal DC System. Energies. 2021; 14(21):7000. https://doi.org/10.3390/en14217000
Chicago/Turabian StyleRong, Xiaoyun, Jonathan K. H. Shek, D. Ewen Macpherson, and Phil Mawby. 2021. "The Effects of Filter Capacitors on Cable Ripple at Different Sections of the Wind Farm Based Multi-Terminal DC System" Energies 14, no. 21: 7000. https://doi.org/10.3390/en14217000
APA StyleRong, X., Shek, J. K. H., Macpherson, D. E., & Mawby, P. (2021). The Effects of Filter Capacitors on Cable Ripple at Different Sections of the Wind Farm Based Multi-Terminal DC System. Energies, 14(21), 7000. https://doi.org/10.3390/en14217000

