PSO Self-Tuning Power Controllers for Low Voltage Improvements of an Offshore Wind Farm in Taiwan
Abstract
:1. Introduction
2. System Model
2.1. Non-Linear Model of the Doubly Fed Induction Generator (DFIG) Current Regulator
2.2. Non-Linear Model of the Real and Reactive Power Controller
3. Design of Fixed-Gain Real Power Controllers
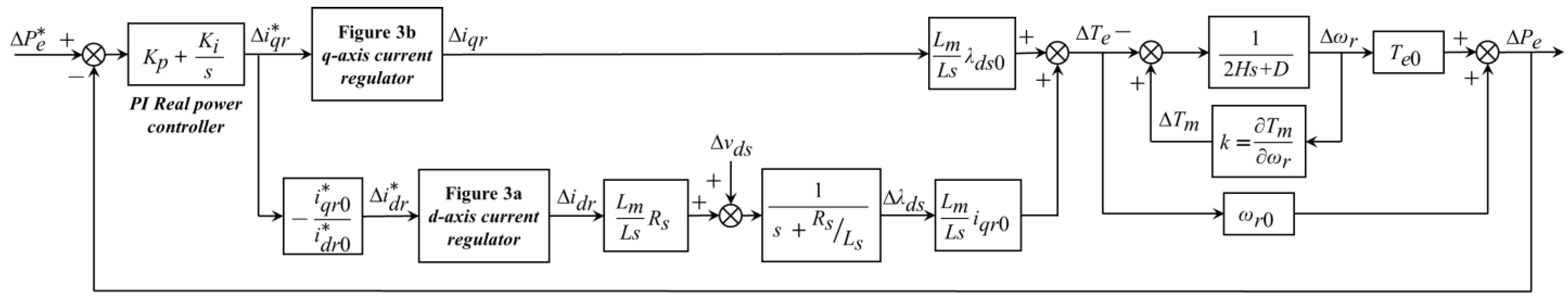
3.1. Linearized Model of the DFIG Gain Real Power Controller
3.2. Simplified Linear Model of the DFIG Real Power Controller
3.3. Design of the Fixed-Gain Proportional-Integral (PI) Real Power Controller
4. Design of Particle Swarm Optimization (PSO) Self-Tuning Controllers
- Step (1):
- Measure PCC voltage , wind speed , rotor speed , stator currents , , rotor currents , , stator voltages , , rotor voltages , , stator flux linkages , , and rotor flux linkages , every 0.2 s.
- Step (2):
- The PSO self-tuning controller is initiated when pu.
- Step (3):
- Set initial iteration count i = 0. Generate N (= 20) random initial particles with position vector and velocity vector for particle n (=1,···, 20). Set initial weight == 0.1.
- Step (4):
- Compute the evaluation function as defined below for each particle.
- Step (5):
- The best particle position is updated as when the evaluation function E for particle n with position at iteration i is less than that for the best particle position for particle n. Otherwise, remains unchanged. Let particle m (1 ≤ m ≤ 20) with position be the one with smallest evaluation function among the 20 particles at the i-th iteration. The best global position, , is updated as at the i-th iteration if E() < E(). Otherwise, remains unchanged.
- Step (6):
- Update weights, particle velocities, and particle positions for the next iteration using the following Equations (25)–(27):
- Step (7) and (8):
- The PSO algorithm is repeated for M (= 10) iterations in order to reach the desired optimal power controller gains .
5. Simulation Results
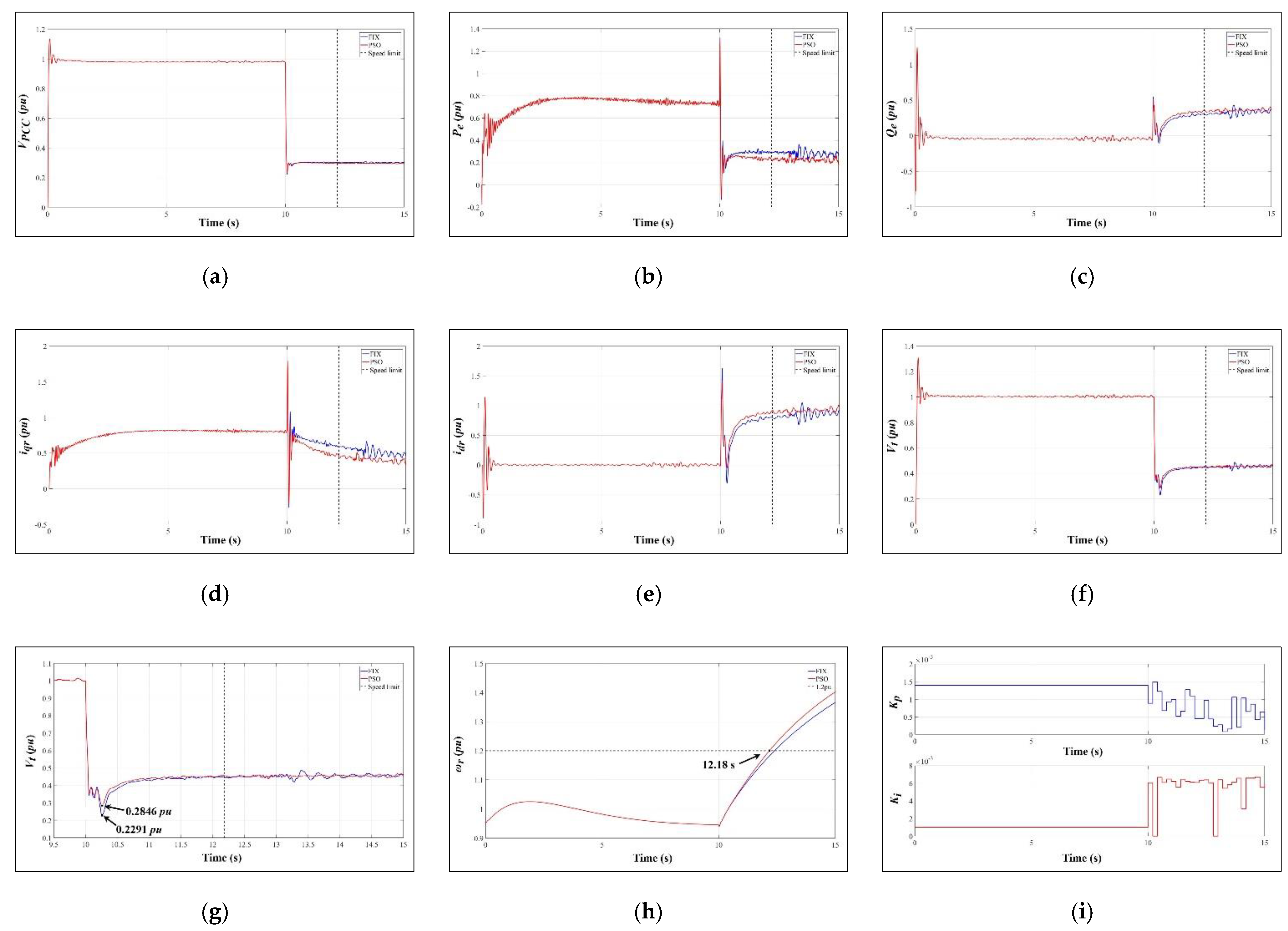
5.1. Dynamic Responses for a Fault Voltage of 0.5 pu
- (1)
- When a low voltage due to a fault is detected at t = 10 s, the real power in Figure 9b for the de-loaded control method with fixed-gain PI controller is reduced by 50% according to Equation (5) through the reduction in q-axis rotor current as shown in Figure 9d. According to Equation (7), the d-axis rotor current in Figure 9e can be increased as a result of the decrease in . Thus, the reactive power in Figure 9c is increased and the wind farm terminal voltage in Figure 9f is improved.
- (2)
- To compare wind farm terminal voltages from the proposed fixed-gain PI de-loaded controller and MPPT operation mode, the dynamic voltage response curves in Figure 9f are enlarged and depicted in Figure 9g. It is observed from Figure 9g that the lowest voltage from the MPPT operation mode is 0.3044 pu while that from the fixed-gain PI de-loaded controller is 0.4083 pu. The lowest voltage is improved by 34.13% when MPPT operation mode is replaced by the fixed-gain de-loaded controller during the faulted period.
- (1)
- To compare the wind farm terminal voltages from the proposed fixed-gain PI de-loaded controller and PSO controller in Figure 4, the dynamic voltage response curves in Figure 10f are enlarged and depicted in Figure 10g. It is observed from Figure 10g that the lowest voltage from the fixed-gain PI controller is 0.4083 pu while that from the PSO controller is improved to 0.4759 pu. A 16% improvement in the lowest voltage can be achieved by the proposed PSO controller than the fixed-gain PI controller.
- (2)
- The PSO self-tuning controller can yield a better voltage response than the fixed-gain PI controller since its gains and are updated in real time every 0.2 s based on on-line measurements, as shown in Figure 10i.
5.2. Dynamic Responses for a Fault Voltage of 0.3 pu
6. Conclusions
- (1)
- When the wind farm is subject to a grid fault, the wind farm terminal voltage drops to a very low level if the wind farm remains in MPPT operation mode. The terminal voltage can be improved if the wind farm is operated using the proposed real power de-loaded control strategy with a fixed-gain PI controller. The reactive power output of the wind farm can also be increased. Further improvement in voltage profile can be achieved if the fixed-gain PI controller is replaced by the proposed PSO self-tuning controller.
- (2)
- Since the improvement in voltage profile is achieved by increasing reactive power output and decreasing real power output, generator speed will increase at a higher rate than that in the MPPT operation mode. In addition, the de-loaded strategy with a PSO self-tuning controller, which gives a better voltage profile than that with a fixed-gain PI controller, has a higher rate of increase in generator speed and a shorter duration for the generator to operate within the speed limit of 1.2 pu. However, the LVRT requirement is met by both the fixed gain and PSO controllers.
- (3)
- Future works will be devoted to the coordination of pitch angle controller and de-loaded strategy in order to improve the voltage profile and duration of stable operation further.
- (4)
- Only the design of the rotor side converter is investigated in this work. Proper design of the grid side converter may help improve the voltage profile.
- (5)
- Only LVRT is studied in this work. The high-voltage ride through (HVRT) will be investigated in future works.
Author Contributions
Funding
Conflicts of Interest
Nomenclature
| D | Damping coefficient |
| H | Inertia time constant |
| , | d-axis and q-axis stator currents |
| , | d-axis and q-axis rotor currents |
| , | The commands for d-axis and q-axis current regulators |
| , | Proportional and integral gains of real power controller |
| , , | Stator, rotor, and magnetizing inductances |
| , | Real power output command and actual real power output |
| , | Stator and rotor resistances |
| , | Mechanical torque and electromagnetic torque |
| Voltage at the point of common coupling | |
| Wind speed | |
| , | d-axis and q-axis stator voltages |
| , | d-axis and q-axis rotor voltages |
| , , | d-axis and q-axis stator flux linkages |
| Rotor speed |
References
- Liu, W.; Wu, Y.; Lee, C.; Chen, C. Effect of low-voltage-ride-through technologies on the first Taiwan offshore wind farm planning. IEEE Trans. Sustain. Energy 2011, 2, 78–86. [Google Scholar] [CrossRef]
- López, J.; Sanchis, P.; Roboam, X.; Marroyo, L. Dynamic behavior of the doubly fed induction generator during three-phase voltage dips. IEEE Trans. Energy Convers. 2007, 22, 709–717. [Google Scholar] [CrossRef]
- López, J.; GubÍa, E.; Sanchis, P.; Roboam, X.; Marroyo, L. Wind turbines based on doubly fed induction generator under asymmetrical voltage dips. IEEE Trans. Energy Convers. 2008, 23, 321–330. [Google Scholar] [CrossRef]
- Marques, G.D.; Sousa, D.M. Understanding the doubly fed induction generator during voltage dips. IEEE Trans. Energy Convers. 2012, 27, 421–431. [Google Scholar] [CrossRef]
- Pannell, G.; Atkinson, D.J.; Zahawi, B. Minimum-threshold crowbar for a fault-ride-through grid-code-compliant DFIG wind turbine. IEEE Trans. Energy Convers. 2010, 25, 750–759. [Google Scholar] [CrossRef]
- López, J.; GubÍa, E.; Olea, E.; Ruiz, J.; Marroyo, L. Ride through of wind turbines with doubly fed induction generator under symmetrical voltage dips. IEEE Trans. Ind. Electron. 2009, 56, 4246–4254. [Google Scholar] [CrossRef]
- Pannell, G.; Zahawi, B.; Atkinson, D.J.; Missailidis, P. Evaluation of the performance of a DC-link brake chopper as a DFIG low-voltage fault-ride-through device. IEEE Trans. Energy Convers. 2013, 28, 535–542. [Google Scholar] [CrossRef]
- Yang, J.; Fletcher, J.E.; O’Reilly, J. A series-dynamic-resistor-based converter protection scheme for doubly-fed induction generator during various fault conditions. IEEE Trans. Energy Convers. 2010, 25, 422–432. [Google Scholar] [CrossRef] [Green Version]
- Zhang, S.; Tseng, K.; Choi, S.S.; Nguyen, T.D.; Yao, D.L. Advanced control of series voltage compensation to enhance wind turbine ride through. IEEE Trans. Power Electron. 2012, 27, 763–772. [Google Scholar] [CrossRef]
- Okedu, K.E.; Muyeen, S.M.; Takahashi, R.; Tamura, J. Wind farms fault ride through using DFIG with new protection scheme. IEEE Trans. Sustain. Energy 2012, 3, 242–254. [Google Scholar] [CrossRef] [Green Version]
- Yan, X.; Venkataramanan, G.; Wang, Y.; Dong, Q.; Zhang, B. Grid-fault tolerant operation of a DFIG wind turbine generator using a passive resistance network. IEEE Trans. Power Electron. 2011, 26, 2896–2905. [Google Scholar] [CrossRef]
- Yan, X.; Venkataramanan, G.; Flannery, P.S.; Wang, Y.; Dong, Q.; Zhang, B. Voltage-sag tolerance of DFIG wind turbine with a series grid side passive-impedance network. IEEE Trans. Energy Convers. 2010, 25, 1048–1056. [Google Scholar] [CrossRef]
- Huang, P.; Moursi, M.S.E.; Hasen, S.A. Novel fault ride-through scheme and control strategy for doubly fed induction generator-based wind turbine. IEEE Trans. Energy Convers. 2015, 30, 635–645. [Google Scholar] [CrossRef]
- Ibrahim, A.O.; Nguyen, T.H.; Lee, D.; Kim, S. A fault ride-through technique of DFIG wind turbine systems using dynamic voltage restorers. IEEE Trans. Energy Convers. 2011, 26, 871–882. [Google Scholar] [CrossRef]
- Wessels, C.; Gebhardt, F.; Fuchs, F.W. Fault ride-through of a DFIG wind turbine using a dynamic voltage restorer during symmetrical and asymmetrical grid faults. IEEE Trans. Power Electron. 2011, 26, 807–815. [Google Scholar] [CrossRef] [Green Version]
- Abdel-Baqi, O.; Nasiri, A. Series voltage compensation for DFIG wind turbine low-voltage ride-through solution. IEEE Trans. Energy Convers. 2011, 26, 272–280. [Google Scholar] [CrossRef]
- Amalorpavaraj, R.A.J.; Kaliannan, P.; Padmanaban, S.; Subramaniam, U.; Ramachandaramurthy, V.K. Improved fault ride through capability in DFIG based wind turbines using dynamic voltage restorer with combined feed-forward and feed-back control. IEEE Access 2017, 5, 20494–20503. [Google Scholar] [CrossRef]
- Ambati, B.; Kanjiya, P.; Khadkikar, V. A low component count series voltage compensation scheme for DFIG WTs to enhance fault ride-through capability. IEEE Trans. Energy Convers. 2015, 30, 208–217. [Google Scholar] [CrossRef]
- Kanjiya, P.; Ambati, B.B.; Khadkikar, V. A novel fault-tolerant DFIG-based wind energy conversion system for seamless operation during grid faults. IEEE Trans. Power Syst. 2014, 29, 1296–1305. [Google Scholar] [CrossRef]
- Flannery, P.; Venkataramanan, G. Unbalanced voltage sag ride-through of a doubly fed induction generator wind turbine with series grid side converter. In Proceedings of the 2008 IEEE Industry Applications Annual Meeting, Edmonton, AB, Canada, 5–9 October 2008; pp. 1–8. [Google Scholar] [CrossRef]
- Flannery, P.S.; Venkataramanan, G. A fault tolerant doubly fed induction generator wind turbine using a parallel grid side rectifier and series grid side converter. IEEE Trans. Power Electron. 2008, 23, 1126–1135. [Google Scholar] [CrossRef]
- Zhu, R.; Chen, Z.; Wu, X.; Deng, F. Virtual damping flux-based LVRT control for DFIG-based wind turbine. IEEE Trans. Energy Convers. 2015, 30, 714–725. [Google Scholar] [CrossRef]
- Yang, L.; Xu, Z.; Ostergaard, J.; Dong, Z.Y.; Wong, K.P. Advanced control strategy of DFIG wind turbines for power system fault ride through. IEEE Trans. Power Syst. 2012, 27, 713–722. [Google Scholar] [CrossRef] [Green Version]
- Mokryani, G.; Siano, P.; Piccolo, A.; Chen, Z. Improving fault ride- through capability of variable speed wind turbines in distribution networks. IEEE Syst. J. 2013, 7, 713–722. [Google Scholar] [CrossRef]
- Vieira, J.P.A.; Nunes, M.V.A.; Bezerra, U.H.; do Nascimento, A.C. Designing optimal controllers for doubly fed induction generators using a genetic algorithm. IET Gener. Transm. Distrib. 2009, 3, 472–484. [Google Scholar] [CrossRef]
- Kennedy, J.; Eberhart, R. Particle swarm optimization. In Proceedings of the ICNN’95-International Conference on Neural Networks, Perth, WA, Australia, 27 November–1 December 1995; Volume 1944, pp. 1942–1948. [Google Scholar]
- Kennedy, J.; Eberhart, R. A new optimizer using particle swarm theory. In Proceedings of the MHS’95 Sixth International Symposium on Micro Machine and Human Science, Nagoya, Japan, 4–6 October 1995; pp. 39–43. [Google Scholar]
- Yang, J.S.; Chen, Y.W.; Hsu, Y.Y. Small-signal stability analysis and PSO self-tuning frequency control for an islanding system with DFIG wind farm. IET Gener. Transm. Distrib. 2019, 13, 563–574. [Google Scholar] [CrossRef]
- Pena, R.; Clare, J.C.; Asher, G.M. Doubly fed induction generator using back-to-back PWM converters and its application to variable-speed wind-energy generation. IEE Proc. Electr. Power Appl. 1996, 143, 231–241. [Google Scholar] [CrossRef] [Green Version]
- Weng, Y.T.; Hsu, Y.Y. Sliding mode regulator for maximum power tracking and copper loss minimisation of a doubly fed induction generator. IET Renew. Power Gener. 2015, 9, 297–305. [Google Scholar] [CrossRef]












| k | D | H | |||||
|---|---|---|---|---|---|---|---|
| 11 | 0.9417 | 0.76 | −0.845 | 0 | 1.75 | 1.181 | 0.2851 |
Publisher’s Note: MDPI stays neutral with regard to jurisdictional claims in published maps and institutional affiliations. |
© 2021 by the authors. Licensee MDPI, Basel, Switzerland. This article is an open access article distributed under the terms and conditions of the Creative Commons Attribution (CC BY) license (https://creativecommons.org/licenses/by/4.0/).
Share and Cite
Hung, Y.-H.; Chen, Y.-W.; Chuang, C.-H.; Hsu, Y.-Y. PSO Self-Tuning Power Controllers for Low Voltage Improvements of an Offshore Wind Farm in Taiwan. Energies 2021, 14, 6670. https://doi.org/10.3390/en14206670
Hung Y-H, Chen Y-W, Chuang C-H, Hsu Y-Y. PSO Self-Tuning Power Controllers for Low Voltage Improvements of an Offshore Wind Farm in Taiwan. Energies. 2021; 14(20):6670. https://doi.org/10.3390/en14206670
Chicago/Turabian StyleHung, Yu-Hsiang, Yi-Wei Chen, Cheng-Han Chuang, and Yuan-Yih Hsu. 2021. "PSO Self-Tuning Power Controllers for Low Voltage Improvements of an Offshore Wind Farm in Taiwan" Energies 14, no. 20: 6670. https://doi.org/10.3390/en14206670
APA StyleHung, Y.-H., Chen, Y.-W., Chuang, C.-H., & Hsu, Y.-Y. (2021). PSO Self-Tuning Power Controllers for Low Voltage Improvements of an Offshore Wind Farm in Taiwan. Energies, 14(20), 6670. https://doi.org/10.3390/en14206670

