A Novel Methodology for Optimal SVC Location Considering N-1 Contingencies and Reactive Power Flows Reconfiguration
Abstract
1. Introduction
2. Electrical Power Systems Operation
2.1. Optimal Power Flow AC (OPF-AC)
2.2. Optimal Transmission Switching (OTS)
2.3. Contingencies Ranking
3. Problem Formulation
| Algorithm 1 Heuristics for optimal SVC location. |
|
4. Results Analysis
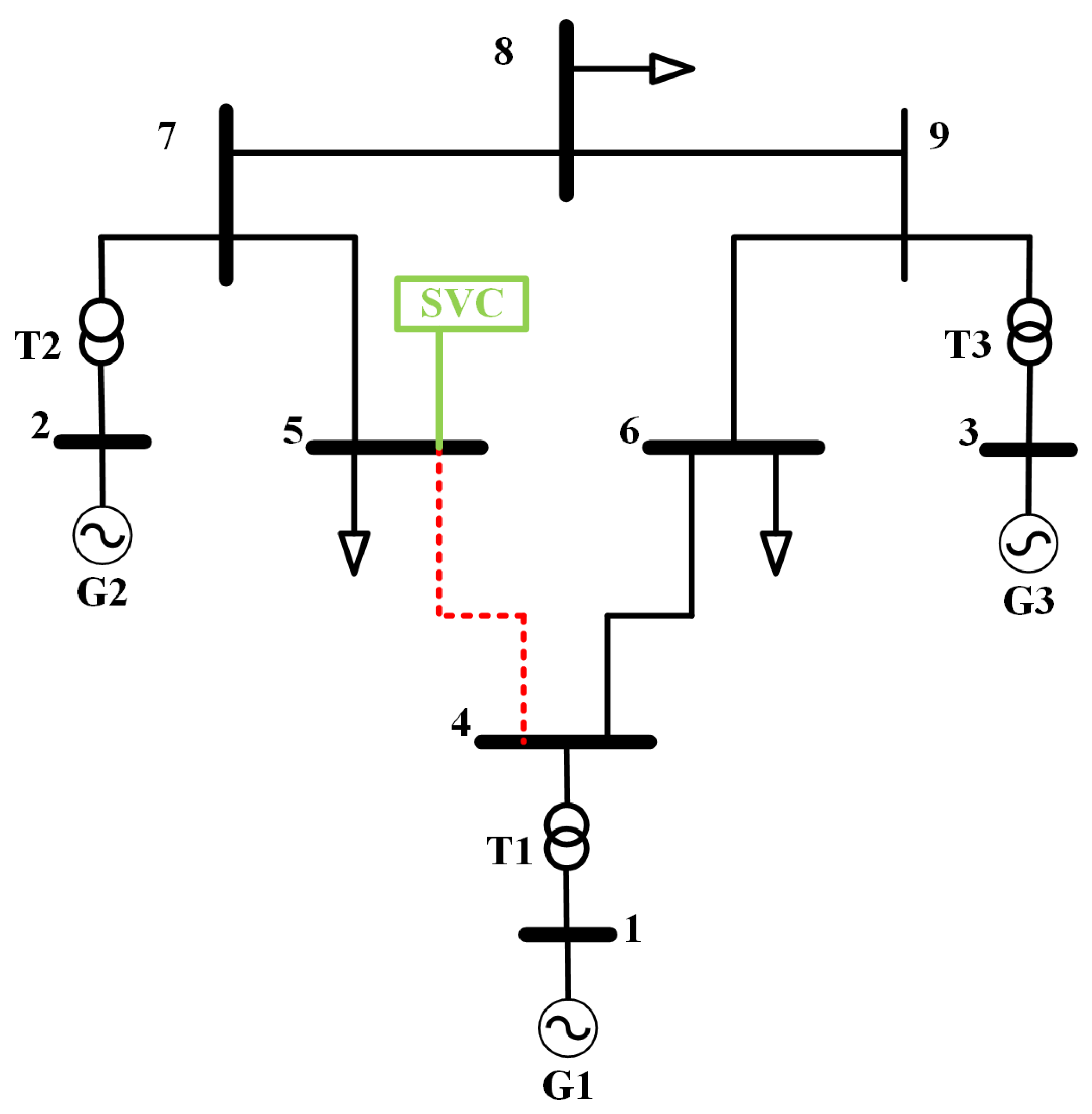
4.1. IEEE 9-Bus Bar Test System
4.2. IEEE 14 Bus Bar Test System
5. Conclusions
6. Future Work
Author Contributions
Funding
Conflicts of Interest
Abbreviations
| production cost coefficients of each generator | |
| generator apparent power; | |
| generator active power | |
| generator reactive power | |
| total active power consumed | |
| total reactive power consumed | |
| active power flow in the branch i-j | |
| reactive power flow in the branch i-j | |
| voltage at node i | |
| voltage at node j | |
| conductance in the branch i-j | |
| upper limit for generator active power | |
| lower limit for generator active power | |
| upper limit for generator reactive power | |
| lower limit for generator reactive power | |
| upper limit for voltage at node i | |
| lower limit for voltage at node i | |
| angular difference for voltage in the branch i-j, | |
| upper limit for angular difference for voltage in the branch i-j | |
| lower limit for angular difference for voltage in the branch i-j | |
| Binary variable for TL (transmission line) selection | |
| Maximum power that a TL can transport | |
| Number of TLs commutated | |
| J | Contingency index |
| Electrical parameters to be analyzed | |
| Factor to emphasize the severity of a contingency | |
| m | Factor to minimize error |
| Angular velocity of the generator | |
| Electric power of the generator | |
| Generator angle |
References
- Singh, B.; Payasi, R.P.; Shukla, V. A taxonomical review on impact assessment of optimally placed DGs and FACTS controllers in power systems. Energy Rep. 2017, 3, 94–108. [Google Scholar] [CrossRef]
- Rawat, N.; Bhatt, A.; Aswal, P. A review on optimal location of FACTS devices in AC transmission system. In Proceedings of the 2013 International Conference on Power, Energy and Control, ICPEC 2013, Dindigul, India, 6–8 February 2013; pp. 104–109. [Google Scholar] [CrossRef]
- Sirjani, R.; Mohamed, A.; Shareef, H. Optimal placement and sizing of Static Var Compensators in power systems using Improved Harmony Search Algorithm. Prz. Elektrotechniczny 2011, 7, 214–218. [Google Scholar] [CrossRef]
- Mahela, O.; Mittal, D.; Goyal, L. Optimal Capacitor Placement Techniques in Transmission and Distribution Networks to Reduce Line Losses and Voltage Stability Enhancement: A Review. IOSR J. Electr. Electron. Eng. 2012, 3, 1–8. [Google Scholar] [CrossRef]
- Dipesh, G.; Lini, M. Optimal placement of FACTS devices using optimization techniques: A review Optimal placement of FACTS devices using optimization techniques: A review. In Proceedings of the 3rd International Conference on Communication Systems, ICCS 2018, Rajasthan, India, 14–16 October 2017; pp. 1–16. [Google Scholar] [CrossRef]
- Choudekar, P.; Sinha, S.; Siddiqui, A. Optimal Capacitor Placement Techniques in Transmission and Distribution Networks to Reduce Line Losses and Voltage Stability Enhancement: A Review. Int. J. Syst. Assur. Eng. Manag. 2017, 8, 1312–1318. [Google Scholar] [CrossRef]
- Kalaivani, R.; Kamaraj, V. Enhancement of Voltage Stability by Optimal Location of Static Var Compensator Using Genetic Algorithm and Particle Swarm Optimization. Am. J. Eng. Appl. Sci. 2014, 5, 70–77. [Google Scholar] [CrossRef][Green Version]
- Ajjarapu, V.; Christy, C. The continuation power flow: A tool for steady state voltage stability analysis. IEEE Trans. Power Syst. 1992, 7, 416–423. [Google Scholar] [CrossRef]
- Tostado-Véliz, M.; Kamel, S.; Jurado, F. Development and Comparison of Efficient NewtonLike Methods for Voltage Stability Assessment. Electr. Power Compon. Syst. 2021, 48, 1798–1813. [Google Scholar] [CrossRef]
- Aman, M.; Jasmon, G.; Bakar, A.; Mokhlis, H. Optimum network reconfiguration based on maximization of system loadability using continuation power flow theorem. Int. J. Electr. Power Energy Syst. 2014, 54, 123–133. [Google Scholar] [CrossRef]
- Elango, K.; Paranjothi, S.R. Congestion management in restructured power systems by FACTS devices. Int. J. Appl. Eng. Res. 2011, 2, 767–776. [Google Scholar]
- Sakthivel, S.; Mary, D.; Vetrivel, R.; Senthamarai, V. Optimal Location of SVC for Voltage Stability Enhancement under Contingency Condition through PSO Algorithm. Int. J. Comput. Appl. 2011, 20, 30–36. [Google Scholar] [CrossRef]
- Hernandez, A.; Rodriguez, M.; Torres, E.; Eguia, P. A Review and Comparison of FACTS Optimal Placement for Solving Transmission System Issues a Review and Comparison of FACTS Optimal Placement for Solving Transmission System Issues. In Proceedings of the International Conference on Renewable Energies and Power Quality, ICREPQ 2013, Bilbao, Spain, 20–22 March 2013; pp. 741–746. [Google Scholar] [CrossRef]
- Farsangi, M.; Nezamabadi-pour, H.; Song, Y.; Lee, K. Placement of SVCs and Selection of Stabilizing Signals in Power Systems. IEEE Trans. Power Syst. 2007, 22, 1061–1071. [Google Scholar] [CrossRef]
- Baghaee, H.; Jannati, M.; Vahidi, B.; Hosseinian, S.; Hosseinian, H. Improvement of Voltage Stability and Reduce Power System Losses by Optimal GA-based Allocation of Multi-type FACTS Devices. In Proceedings of the 11th International Conference on Optimization of Electrical and Electronic Equipment, Brasov, Romania, 22–24 May 2008; pp. 741–746. [Google Scholar] [CrossRef]
- Huang, J.; Negnevitsky, M. A Messy Genetic Algorithm Based Optimization Scheme for SVC Placement of Power Systems under Critical Operation Contingence. In Proceedings of the 2008 International Conference on Computer Science and Software Engineering, Wuhan, China, 12–14 December 2008; pp. 467–472. [Google Scholar] [CrossRef]
- Moghavvemi, M.; Faruque, M. Effects of FACTS devices on static voltage stability. In Proceedings of the Intelligent Systems and Technologies for the New Millennium, TENCON 2000, Kuala Lumpur, Malaysia, 24–27 September 2000; pp. 357–362. [Google Scholar] [CrossRef]
- Ravi, K.; Rajaram, M.; Belwin, E. Hybrid Particle Swarm Optimization Technique for Optimal Location of FACTS devices using Optimal Power Flow. Eur. J. Sci. Res. 2011, 53, 142–153. [Google Scholar]
- Shende, V.; Jagtap, P. Optimal Location and Sizing of Static Var Compensator (SVC) by Particle Swarm Optimization (PSO) Technique for Voltage Stability Enhancement and Power Loss Minimization. Int. J. Eng. Trends Technol. 2013, 4, 2278–2282. [Google Scholar]
- Vaidya, P.; Rajderkar, V. Optimal Location of Series FACTS Devices for Enhancing Power System Security. In Proceedings of the 2011 Fourth International Conference on Emerging Trends in Engineering & Technology, ICETET 2011, Port Louis, Mauritius, 18–20 November 2011; pp. 185–190. [Google Scholar] [CrossRef]
- Tostado-Véliz, M.; Kamel, S.; Jurado, F.; Ruiz, F. On the Applicability of Two Families of Cubic Techniques for Power Flow Analysis. Energies 2021, 14, 4108. [Google Scholar] [CrossRef]
- Pourbagher, R.; Yaser, S.; Hamedani, M. An adaptive multi-step Levenberg-Marquardt continuation power flow method for voltage stability assessment in the Ill-conditioned power systems. Int. J. Electr. Power Energy Syst. 2022, 134, 1–12. [Google Scholar] [CrossRef]
- Gunda, J.; Harrison, G.; Djokic, S. Analysis of Infeasible Cases in Optimal Power Flow Problem. In Proceedings of the IFAC Workshop on Control of Transmission and Distribution Smart Grids, CTDSG 2016, Prague, Czech Republic, 11–13 October 2016; pp. 23–28. [Google Scholar] [CrossRef]
- Ramirez, J.; Carrión, D.; Inga, E. Compensación reactiva en redes eléctricas de transmisión basado en programación no lineal considerando ubicación óptima de SVC. Rev. de I+D Tecnológico 2021, 17. Available online: https://revistas.utp.ac.pa/index.php/id-tecnologico/article/view/2918/3618 (accessed on 5 October 2021).
- Masache, P.; Carrión, D. Estado del Arte de conmutación de líneas de transmisión con análisis de contingencias. Rev. de I+D Tecnológico 2019, 15, 98–106. [Google Scholar] [CrossRef]
- Roald, L.; Andersson, G. Chance-Constrained AC Optimal Power Flow: Reformulations and Efficient Algorithms. IEEE Trans. Power Syst. 2017, 33, 2906–2918. [Google Scholar] [CrossRef]
- Venzke, A.; Halilbasic, L.; Markovic, U.; Hug, G.; Chatzivasileiadis, S. Convex Relaxations of Chance Constrained AC Optimal Power Flow. IEEE Trans. Power Syst. 2018, 33, 2829–2841. [Google Scholar] [CrossRef]
- Kar, R.; Miao, Z.; Zhang, M.; Fan, L. ADMM for Nonconvex AC Optimal Power Flow. In Proceedings of the 2017 North American Power Symposium, NAPS 2017, Kuala Morgantown, WV, USA, 17–19 September 2017. [Google Scholar] [CrossRef]
- Barati, M.; Kargarian, A. A global algorithm for AC optimal power flow based on successive linear conic optimization. In Proceedings of the 2017 IEEE Power & Energy Society General Meeting, Chicago, IL, USA, 16–20 July 2017; pp. 266–279. [Google Scholar] [CrossRef]
- Liu, B.; Liu, F.; Mei, S. Modeling and analysis of stochastic AC-OPF based on SDP relaxation technique. In Proceedings of the 2015 27th Chinese Control and Decision Conference, CCDC 2015, Chicago, IL, USA, 23–25 May 2015; pp. 5471–5475. [Google Scholar] [CrossRef]
- Fisher, E.; O’Neill, R.; Ferris, M. Optimal transmission switching. IEEE Trans. Power Syst. 2008, 23, 1346–1355. [Google Scholar] [CrossRef]
- Sun, D.; Liu, X.; Wang, Y.; Yang, B. Robust Optimal Power Flow with Transmission Switching. In Proceedings of the 43rd Annual Conference of the IEEE Industrial Electronics Society, IECON 2017, Beijing, China, 29 October–1 November 2017; pp. 416–421. [Google Scholar] [CrossRef]
- Pal, S.; Sen, S.; Bera, J.; Sengupta, S. Network Modeling using Optimal Transmission Switching. In Proceedings of the 2017 IEEE Calcutta Conference, CALCON 2017, Kolkata, India, 2–3 December 2017; pp. 321–324. [Google Scholar] [CrossRef]
- Masache, P.; Carrión, D.; Cárdenas, J. Optimal Transmission Line Switching to Improve the Reliability of the Power System Considering AC Power Flows. Energies 2021, 14, 3281. [Google Scholar] [CrossRef]
- Pinzón, S.; Carrión, D.; Inga, E. Optimal Transmission Switching Considering N-1 Contingencies on Power Transmission Lines. IEEE Lat. Am. Trans. 2021, 19, 534–541. [Google Scholar] [CrossRef]
- Carrión, D.; Palacios, J.; Espinel, M.; González, J.W. Transmission Expansion Planning Considering Grid Topology Changes and N-1 Contingencies Criteria. In Proceedings of the Recent Advances in Electrical Engineering, Electronics and Energy, CIT 2020, Lecture Notes in Electrical Engineering, Quito, Ecuador, 26–30 October 2020; pp. 266–279. [Google Scholar] [CrossRef]
- Yang, Z.; Zhong, H.; Xia, Q.; Kang, C. Optimal Transmission Switching with Short-Circuit Current Limitation Constraints. IEEE Trans. Power Syst. 2015, 31, 1278–1288. [Google Scholar] [CrossRef]












| Contingency | Without Compensation | With Compensation |
|---|---|---|
| Normal | 3.7553 | 3.8237 |
| Line 4–5 | 3.5727 | 3.6962 |
| Line 5–7 | 3.6272 | 3.7140 |
| Line 7–8 | 3.6553 | 3.7213 |
| Line 8–9 | 3.7017 | 3.7726 |
| Line 9–6 | 3.6577 | 3.7306 |
| Line 6–4 | 3.6654 | 3.7273 |
| Contingency | Without Compensation | With Compensation |
|---|---|---|
| Normal | 6.0935 | 6.2041 |
| Line 1–2 (1) | 6.0882 | 6.1997 |
| Line 1–2 (1) | 6.0882 | 6.1997 |
| Line 1–5 | 6.0656 | 6.1786 |
| Line 2–3 | 6.0638 | 6.1751 |
| Line 2–4 | 6.0482 | 6.1591 |
| Line 2–5 | 6.0612 | 6.1714 |
| Line 3–4 | 6.0594 | 6.1723 |
| Line 4–5 | 6.0629 | 6.1748 |
| T1 | 6.1330 | 6.2478 |
| Line 6–11 | 6.0497 | 6.1730 |
| Line 6–12 | 6.0927 | 6.2032 |
| Line 6–13 | 5.9566 | 6.1251 |
| Line 9–10 | 5.9974 | 6.1396 |
| Line 9–14 | 6.0534 | 6.2340 |
| Line 10–11 | 6.0696 | 6.1917 |
| Line 12–13 | 6.0830 | 6.1877 |
| Line 13–14 | 6.0723 | 6.2147 |
| T2 | 6.0534 | 6.1685 |
| T3 | 5.5815 | 5.7141 |
| T4 | 6.0630 | 6.1791 |
| T5 | 5.9781 | 6.1203 |
| EPS | Worst Node | Without SVC | With SVC | ||
|---|---|---|---|---|---|
| Normal | Contingency | Normal | Contingency | ||
| 200 Bus-bar | 117 | 0.961 | 0.927 | 1.008 | 0.950 |
| 500 Bus-bar | 326 | 0.959 | 0.939 | 1.003 | 0.951 |
| 2000 Bus-bar | 2706 | 0.974 | 0.940 | 0.997 | 0.951 |
Publisher’s Note: MDPI stays neutral with regard to jurisdictional claims in published maps and institutional affiliations. |
© 2021 by the authors. Licensee MDPI, Basel, Switzerland. This article is an open access article distributed under the terms and conditions of the Creative Commons Attribution (CC BY) license (https://creativecommons.org/licenses/by/4.0/).
Share and Cite
Carrión, D.; García, E.; Jaramillo, M.; González, J.W. A Novel Methodology for Optimal SVC Location Considering N-1 Contingencies and Reactive Power Flows Reconfiguration. Energies 2021, 14, 6652. https://doi.org/10.3390/en14206652
Carrión D, García E, Jaramillo M, González JW. A Novel Methodology for Optimal SVC Location Considering N-1 Contingencies and Reactive Power Flows Reconfiguration. Energies. 2021; 14(20):6652. https://doi.org/10.3390/en14206652
Chicago/Turabian StyleCarrión, Diego, Edwin García, Manuel Jaramillo, and Jorge W. González. 2021. "A Novel Methodology for Optimal SVC Location Considering N-1 Contingencies and Reactive Power Flows Reconfiguration" Energies 14, no. 20: 6652. https://doi.org/10.3390/en14206652
APA StyleCarrión, D., García, E., Jaramillo, M., & González, J. W. (2021). A Novel Methodology for Optimal SVC Location Considering N-1 Contingencies and Reactive Power Flows Reconfiguration. Energies, 14(20), 6652. https://doi.org/10.3390/en14206652

