Next Article in Journal
Potential for the Integrated Production of Biojet Fuel in Swedish Plant Infrastructures
Next Article in Special Issue
A Validation Study for RANS Based Modelling of Swirling Pulverized Fuel Flames
Previous Article in Journal
Base Oil Process Modelling Using Machine Learning
Previous Article in Special Issue
Multifrequency Impedance Tomography System for Research on Environmental and Thermal Processes
 
 
Font Type:
Arial Georgia Verdana
Font Size:
Aa Aa Aa
Line Spacing:
Column Width:
Background:
Article

Effect of Hard Coal Combustion in Water Steam Environment on Chemical Composition of Exhaust Gases

1
Department of Fuels and Renewable Energy, Faculty of Environmental Engineering and Energy, Institute of Thermal Energy, Poznan University of Technology, 60-965 Poznan, Poland
2
Department of High Voltage and Electrotechnical Materials, Faculty of Environmental Engineering and Energy, Institute of Power Engineering, Poznan University of Technology, 60-965 Poznan, Poland
*
Author to whom correspondence should be addressed.
Energies 2021, 14(20), 6530; https://doi.org/10.3390/en14206530
Submission received: 9 August 2021 / Revised: 17 September 2021 / Accepted: 9 October 2021 / Published: 12 October 2021
(This article belongs to the Special Issue Computational Thermal, Energy, and Environmental Engineering)

Abstract

:
This academic paper revolves around the results of research on the change in emission parameters of the used heating boiler following the introduction of the overheated water stream, which had an impact on different emission parameters. The research results provide an insight into the hard coal combustion process, which had a significant impact on the change in the chemical composition of exhaust gases: it contributed to the lower mass concentration of the emitted dust and black carbon (PM) as well as nitric oxides (NOx) while, at the same time, playing a significant role in increasing the mass concentration of the emitted carbon oxide (CO). Two types of devices were used for the purposes of conducting the research at hand: a boiler with an automatic fuel feeding system with one combustion chamber and a boiler with a combustion chamber and an afterburning chamber fitted over it. Apart from the measurements of mass concentration of the emitted harmful substances, the research also focused on measurements of temperature inside the combustion and afterburning chambers, as well as the temperature of exhaust gases and their oxygen content. As part of the research, water steam was introduced to the combustion and afterburning chambers at the flow rate of 0.71 kg/h and 3.60 kg/h for boilers operating at a minimum power of 30% and a nominal power of 100%. An original steam generator with an overheated water steam production range from 0.71 kg/h to 3.60 kg/h was used to create and feed the water steam. The efficiency of the combustion process was calculated using the obtained results for each operating configuration of a given boiler.

1. Introduction

Research on modern technologies that focus on lowering the emission of harmful substances from solid fuel heating boilers is still a widely discussed scientific topic [1]. The great number of papers implements a very similar scientific approach of examining the solid fuel heating boiler system as a technical object affecting human beings and the environment [2]. Scientific publications [3,4,5] propose that, in terms of thermodynamics, a solid fuel heating boiler is considered a closed heterogeneous system with a strong impact on the external environment, depending on the physical and chemical properties of the fuel used. Moreover, those parameters have a significant impact on the change in emission parameters of the boiler.
The approach adopted by the researchers examines the problem solely with regard to the emission of harmful substances, and not in terms of chemical parameters of the combustion process. While analyzing the most renowned publications on the emission of harmful substances from heating boilers, it’s possible to ascertain that the research problem related to the analysis of the chemism of the solid fuel combustion process is not a frequently taken up topic [6,7]. The previously published publications [8,9] have discussed the impact of the chemical composition of the burnt fuels on the emission of harmful substances from boilers. In addition to that, the earlier research used to focus on the effect of heating devices’ construction methods on the emission of harmful substances and the combustion process occurring inside them [10]. The publications [11,12] conclude that the emission level of harmful substances is directly connected with the technical parameters of the devices as well as the technical parameters of the burnt fuel.
The publication [13] revolves around harmful substances emitted from heating devices that are not subject to the environmental register. It concludes that the location of heat distribution buildings has a significant impact on the amount of harmful substances emitted in that area.
The researchers calculated that the dust concentration in exhaust gases emitted from boilers greatly exceeds values indicated in standards and directives. It is worth pointing out the scale of the problem in terms of air quality in Poland; that is, dust particles, in particular solid particles characterized mostly as PM 2.5 and PM 10, are very harmful to humans because they demonstrate strong cancerogenic properties. What’s more, the statistical data [14] indicates that 84% of the total particle emission of PM 2.5 originates from fuel combustion, whereas as much as 49% can be attributed to the combustion of solid fuels in households. The total amount was assessed to be at the level of 59,850 tons in 2019 for PM 2.5 and 89,620 tons in 2019 for PM 10.
The obtained results motivate scientists to deepen their research on the reduction of dust and black carbon emissions from household heating sources. The scale of the problem related to the emission of harmful substances in Poland, resulting from the use of solid fuel heating boilers, shows the dire need of implementing modern technologies which will significantly reduce the amount of dust emitted to the environment. Currently, research is also being conducted on the factual operation of heating boilers, with special attention paid to the problem of lowering the amount of the emitted harmful substances. The implementation of the suggested solutions may contribute to reduced emissions [15].
The previously conducted research proves that the technical parameters of fuel bear a strong effect on the variability of mass concentration of PM, CM and NOx in exhaust gases. Moreover, research on co-combustion of coal-derived fuels with the use of woody and non-woody biomass shows convergent processes regarding the emitted harmful substances. It allows for analogous research methods to be implemented in order to examine heating devices that use such fuels [16].
Further research on changes in the quality of the combustion process of low-power heating boilers after the introduction of water steam is the continuation of the previous research [17]. So far, there have been satisfactory grounds that prove the reduced emission of harmful substances generated by solid fuel heating boilers fueled with hard coal. On the grounds of the previous research [18], it was concluded that such parameters have the greatest effect on physical and chemical aspects of combustion. Heat and emission of the boiler were analyzed during its operation at nominal power without water steam and with water steam in the amount of 0.71 kg/h, with 3.60 kg/h being introduced to the combustion and afterburning chamber of two different boilers.
The obtained results were presented in collective tables and in drawings, which demonstrate the course of emission in time and mass distribution with reference to the oxygen concentration in exhaust gases.
On the basis of the previously conducted research, a significant reduction in PM emission and a slight reduction in NOx were observed, with simultaneous and rapid increase in the mass concentration of the emitted CO. The high level of the CO emission and detection of hydrogen (H2) in exhaust gases may be evidence of coal gasification after the introduction of water steam. Carbon monoxide is formed in the first stage of the Bosch reaction, i.e., the reaction of elemental carbon (e.g., incandescent coke) with water steam (hydrogen is also formed in the above reaction). The following chemical reaction reflects this mechanism:
C ( s ) + H 2 O ( g ) CO + H 2
On its basis, it is possible to conclude that, following the introduction of water steam to the combustion chamber, CO is created from carbon (e.g., originating from soot) affected by steam water, and that this results in the reduction in the emitted PM with a simultaneous increase in the emission of CO. It means that the introduction of an additional thermodynamic factor to the combustion chamber causes the reorganization of the combustion process. A visible reduction in the oxygen content in exhaust gases would then be one of the effects of a worse quality of the combustion process, however, in the case of the research conducted, changes in the amount of oxygen created from the combustion process were not observed. It may prove that water steam introduced to the combustion chamber did not replace oxygen, but it only became an additional reactive factor in the combustion process. Other possible chemical reactions, which may occur during the introduction of water steam to the combustion chamber, are as follows:
C ( s ) + O 2 CO 2
C ( s ) + CO 2 2 CO
CO + H 2 O ( g ) CO 2 + H 2
It may prove a significant increase in the amount of the emitted carbon dioxide (CO2) and CO, which emission, when compared to the normal operation of the boiler, increases by as much as 200% in comparison to the standard operation of the burner, and the detection of a significantly higher content of hydrogen in exhaust gases in comparison to the standard operation of the boiler. On the basis of the obtained results, it was concluded that many chemical reactions occur during the coal combustion process in heating boilers while feeding water steam to the combustion chamber, and their joint effect is an obvious reduction in the amount of the emitted PM and the simultaneous increase in the CO emission [19].
It should be mentioned that in the energetics aspect, adding water steam to the combustion process may contribute to efficiency reduction, because it makes a ballast and consumes energy from the combustion process. Although the tests were carried out for a system without heating recovery, the main type of heating boiler on the market is condensing boilers, which recover a significant amount of thermal energy from the water steam contained in exhaust gases, and the efficiency impact is negligibly small.
An alternative to the research conducted can be the carbon oxide conversion process, during which its emission significantly decreases due to the oxidation of CO to CO2. It is possible to obtain better parameters of heat exchange between exhaust gases and the work factor because of the reduction in the CO level, and that can bear a positive effect on the efficiency of a given heating device. It was also observed that the introduction of additional chemical substances to the flame area resulted in the nullification of part of its energy, as well as the reduction (by as much as approximately 250 °C) of the temperature inside the combustion chamber [20]. A lower flame temperature causes changes in emission parameters and it results in, for instance, a lower amount of the emitted PM and a slight reduction in the emitted NOx. Moreover, a significant increase in the H2 emission is detected during the combustion process in comparison to the combustion process without the introduction of water steam. The transmission of heat, created during the combustion process, from the flame to the water steam introduced to the combustion chamber limits the participation of the thermal mechanism of nitric oxide creation, thus causing slight decrease in the NOx emission. Such a mechanism, in terms of low-temperature solid fuel boilers, has an insignificant effect on the amount of nitric oxides created during the combustion process because it is the fuel mechanism that has the greatest percentage of participation [21,22,23].
The latest research works related to the reduction of harmful substance emissions from the combustion processes tend to focus on the modification of combustion processes in terms of their reorganization and secondary air supply, as well as the insertion of additives that may generate chemical reactions in the area of high temperatures, resulting in the reduction of exhaust gas compounds [24,25,26]. Research associated with the techniques of harmful substance reduction from the combustion processes carried out in real time gives genuine evidence of assumption correctness [27], however, the modern development of numerical technology provides possibilities for highly precise simulation, taking into account many input data and factors for the purpose of estimating emissions from fuel combustion processes in many heating boiler types [28,29,30].
The research primarily aimed to analyze the thermodynamic parameters in the case of boilers operating without water steam, and with water steam added to the combustion and afterburning chamber. The use of water steam in the energy industry has recently taken on a unique importance. Thanks to the ease of obtaining H2O(g), water steam can be used in energy processes in an optimal and economic way as a widely available waste agent (low-energy, low temperature and pressure), and not only in combustion [31], but also torrefaction, for which the end product is biochar. In turn, it can be used further, for instance, as a substitute for fossil fuels [32].

2. Materials and Methods

The research at hand was divided into two stages, which constitute individual research cycles based on: heating device type, boiler power and location, and water steam flow rate. The first stage examined the emission level of harmful substances for the Heiztechnik Q EKO 15 boiler operating at both minimum and nominal power, automatically fueled by hard coal, with and without the introduced water steam. The second stage examined the emission level of harmful substances for the KN-20 boiler operating at both minimum and nominal power, automatically fueled by hard coal, with and without the water steam introduced to the combustion and afterburning chambers. The research program is presented in the following Table 1.
The boiler worked with the assumed power (minimum or nominal) during each measurement cycle. The operation was being recorded for approximately 3 h while steam water was supplied to the combustion or afterburning chamber. Before each of the successive measurement cycles, there was a stabilization period for the boiler operation conditions for every selected power setting, which was recorded for approximately 1 h. At intervals between individual test cycles, the thermal operation of the boiler was stabilized (exhaust gases and temperature in the combustion or afterburning chamber) due to the combustion process and fuel consumption. Measurement data were registered at a research station equipped with a PC and a National Instruments measurement system. The computer collected measurement data from the exhaust gas analyzers, and the measurement system, developed using the LabVIEW software, was responsible for registering the occurring temperatures. Mass concentration of CO, NOx and PM was calculated into mg/m3 for 10% of O2 in exhaust gases, according to the low-power heating boiler examination method set forth in the standard [33,34,35]. The temperature of the exhaust gases is the mean value calculated from the measurements taken by five thermocouples placed inside the measurement chimney. The temperature inside the combustion chamber was registered at the depth of approximately 30 cm from the boiler’s front cover with a sensor placed at a distance of approximately 10 cm from the burner’s surface. The temperature inside the afterburning chamber was registered at a distance of approximately 10 cm below the stream of the water steam. Boiler fuel consumption was established by measuring the mass of fuel before and after the research was concluded. The stream mass of the burnt fuel was determined on the basis of the fuel used during the research.
Example of a research station equipped with a KN-20 heating boiler connected to the afterburning chamber via a steam generator. (Figure 1)

2.1. Heat Devices

The investigations were carried out on two low-power heating boilers fueled with hard coal. The coal-fueled heating boiler (KN–20 by Elektrorecykling, Nowy Tomyśl, Polska) is a low-temperature heating boiler with the nominal power output of 20 kW complaint, with class 5 of the environment protection requirements set forth in the PN-EN 303-5:2012 standard. Its design is based on a smoke tube heat exchanger and the range of obtainable thermal power is between 6–20 kW. The boiler was equipped with a standard combustion chamber and steam-fed afterburning chamber. The afterburning chamber is located directly above the combustion chamber and connected with an exhaust gas channel, additionally equipped with ceramic screens (without cooling). In the case of boiler operation with minimal and nominal power, hot exhaust gases and the flame flow through the necking connection of both chambers, resulting in a fully filled afterburning chamber with an exhaust gas and a flame. For operation with nominal power of the boiler (20 kW), fuel consumption was recorded as approximately 2.43 kg/h and the combustion air demand was recorded as approximately 18.59 m3/h. For operation with minimal power of the boiler (6 kW), fuel consumption was recorded as approximately 0.73 kg/h and the combustion air demand was recorded as approximately 5.58 m3/h.
The second heating boiler tested was Q EKO 15 by Heiztechnik, Skarszewy, Poland (automatic fuel supply) of the nominal power output of 15 kW. The heating boilers were fueled with hard coal of the grain size from 5 to 25 mm operating in the range of 4.5 to 15 kW. The fundamental difference in both heating boilers is the fact that one of them meets the class 3. PN-EN 303-5:2012 requirement [33] and the other one is an out-of-class appliance. Both heating boilers differ in the design of their combustion chambers. A microchip controller governs the operation of both heating boilers. The boiler was equipped only with a standard combustion chamber. For operation with nominal power of the boiler (15 kW), fuel consumption was recorded as approximately 1.83 kg/h and the combustion air demand was recorded as approximately 13.94 m3/h. For operation with minimal power of the boiler (4.5 kW), fuel consumption was recorded as approximately 0.55 kg/h and the combustion air demand was recorded as approximately 4.18 m3/h. Figure 2 presents the Q EKO 15 boiler (left) and KN-20 boiler (right).

2.2. Water Steam Device

A water steam generator was designed and built by the researchers in question in order to conduct the research at hand. The steam generator was constructed according to the WUDT-UC-WO-O/00:01.2005 standard [36] of the Technical Supervision Office. It outlines the requirements set for pressure vessels by virtue of the Polish law. The guidelines are not obligatory, however, they serve as good engineering practices and are considered design guidelines for pressure devices.
A real model of the device used in further research was manufactured as a steam generator system on the basis of calculations, and therefore was built using a pressure vessel and an electric heater. The operating parameters of the steam generator are presented in the following Table 2.
Additionally, a control system was installed in order to control the device’s operation, which allows heating parameters of the heater to be changed and constant vaporization parameters to be maintained. Apart from that, the vessel was equipped with measuring devices, which were fitted with additional thermometers to control the water temperature and the created water steam. Moreover, a water inlet was fixed to let fresh water into the vessel after the already present water vaporized. The device, along with its elements and the description of each element, is presented in the following Figure 3.

2.3. Chemical Parameters of Fuel

The authors used hard coal (eco-pea coal) to conduct the research. The fuel was in the as-received condition and a prior technical analysis was performed according to the standard [33] for a more accurate determination of its parameters. The obtained results are presented in Table 3.

2.4. Emission Measurement Devices

The measurements were carried out with the use of portable exhaust gas analyzers equipped with electrochemical measuring cells. The first device was the Testo 350-S (Testo SE & Co. KGaA, Titisee-Neustadt, Germany) in a two-component configuration—a controller and an analyzer. The analyzer was fitted with an O2 cell with a volume measurement range of 0–25% and the error margin of ±0.8%, which allowed the level of oxygen in the flue gas and H2 cell to be recorded in the measurement range of 0–1000 ppm and the margin of error ±0.5 ppm. The Testo 350-S was equipped with an NO cell with a measurement range of 0–3000 ppm and the margin of error of ±1.5 ppm. Additionally, the temperature of the flue gas was measured with the accuracy of ±1 °C.
The other device used in the research was the Testo 380 particle analyzer (Testo SE & Co. KGaA, Titisee-Neustadt, Germany) coupled with a Testo 330-2 LL flue gas analyzer (Testo SE & Co. KGaA, Titisee-Neustadt, Germany) that served as controllers fitted with a display. The Testo 380 was used to measure the particulate matter within the range of 0–300 mg/m3 and the margin of error of ±5 mg/m3. The use of both devices at the same time in the form of a joint unit allowed the authors to measure both the concentration of carbon monoxide CO (0–8000 ppm) and the concentration of nitrogen oxides NOx (0–3000 ppm). Figure 4 presents the aforementioned measurement devices.

3. Results and Discussion

The first and second cycle of tests showed that the CO emission didn’t exceed the average range from 100 mg/m3 to 946 mg/m3, the average range of NOx emission was from 295 mg/m3 to 443 mg/m3 and the average PM emission was from 90 mg/m3 to 103 mg/m3. There were traces of the H2 emission (from 0.68 mg/m3 to approximately 1.12 mg/m3 on average), which could result from the content of the substance in the fuel. The average exhaust gas temperature was from approximately 153 °C to approximately 230 °C. The average temperature inside the combustion chamber for the minimal power was 730 °C, while for the boiler operating at nominal power the average temperature was 880 °C. The average efficiency range of the combustion process was from approximately 87% to approximately 91%. The results obtained clearly show that the boiler meets the class 3 requirements of the standard, which defines the border values for the CO and PM emissions from burning fossil fuels related to boilers operating at nominal power of ≤50 kW with automatic fuel supply, which comes to 3000 mg/m3 for CO and 150 mg/m3 for PM, respectively [33]. Figure 5 shows mass distribution of basic harmful substances emitted during the Q EKO 15 boiler operation at minimum and nominal power. The following charts show estimated equations for trend lines depicting the approximate emission distribution of harmful substances with reference to the oxygen content in exhaust gases.
In the case of the third and fourth cycle of tests, it was observed that the introduction of water steam to the combustion chamber at the flow rate of 0.71 mg/m3 resulted in the CO emission lowering by approximately 17% for the boiler operating at minimum power, but for the boiler operating at nominal power it resulted in an increase in the amount of the emitted CO by approximately 156%. Dust emission was lower in relation to the normal boiler operation by approximately 13% to 19%, regardless of the boiler power. The NOx emission decreased by approximately 4% to 27% regardless of the boiler power. Hydrogen was detected in exhaust gases in the average amount of approximately 5.62 mg/m3 to 8.87 mg/m3. The efficiency of the combustion process decreased by the maximum amount of approximately 4%. The average exhaust gas temperature was from the approximately 149 °C to approximately 215 °C. While feeding the water steam to the combustion chamber, the temperature inside the combustion chamber dropped by approximately 14 °C (the temperature was approximately 716 °C) for the minimal power, while for the boiler operating at nominal power the temperature inside the combustion chamber dropped by approximately 46 °C (the temperature was approximately 834 °C). Decreased temperature inside the combustion chamber had a positive effect on the lowering of the NOx content created during thermal processes. Figure 6 shows the mass distribution of basic harmful substances emitted during boiler operation at minimum and nominal power. The following charts show estimated equations for trend lines depicting the approximate emission distribution of harmful substances with reference to the oxygen content in exhaust gases.
In the case of the fifth and sixth cycle of tests, it was observed that the amount of the emitted CO, in comparison to the standard combustion process, increased by approximately 80% to 268%, on average. The introduction of water steam to the combustion process resulted in a lower PM emission by approximately 20% to 25%, on average. The NOx emission, in comparison to emission from the unmodified combustion process, increased to a maximum amount of approximately 5%. The increase in the emitted nitric oxides could be the result of an additional amount of energy introduced along with the maximum amount of water steam fed to the combustion chamber. The efficiency of the combustion process decreased by an average amount of approximately 3%. H2 was detected in exhaust gases in amounts from 5.25 mg/m3 to approximately 18.38 mg/m3. The average exhaust gas temperature was from approximately 145 °C to approximately 194 °C. The temperature inside the combustion chamber decreased by approximately 26 °C (the temperature was approximately 704 °C) for the minimal power, while for the boiler operating at nominal power the temperature inside the combustion chamber dropped by approximately 86 °C (the temperature was approximately 794 °C). Figure 7 shows the mass distribution of basic harmful substances emitted during boiler operation at minimum and nominal power. The following charts show estimated equations for trend lines depicting the approximate emission distribution of harmful substances with reference to the oxygen content in exhaust gases.
The following Table 4 shows the results of individual test cycles for the first stage of research. Figure 8 shows graphical changes in the emission of harmful substances as well as the efficiency of the combustion process after supplying water steam to the combustion chamber at different flow rates. The values were obtained on the basis of a comparison of the average emission parameters of individual harmful exhaust gas components with the values obtained for the standard boiler operation at minimal and nominal power (cycle 1 and 2).
In the case of the seventh and eighth cycle of tests, it was observed that the CO emission was within the average range of 58 mg/m3 to 516 mg/m3, however, the NOx emission was within the average range of 285 mg/m3 to 479 mg/m3. The PM emission was within the average range of 93 mg/m3 to 112 mg/m3. The H2 emission was within the average range of up to 8 mg/m3. The average exhaust gas temperature was from approximately 114 °C to approximately 130 °C. The average temperature inside the combustion chamber for the minimal power was 820 °C, while for the boiler operating at nominal power the average temperature was 910 °C. The average temperature inside the afterburning chamber was 690 °C at minimal and 757 °C at nominal power conditions. The efficiency of the combustion process was within the average range, from 90% to 95%. Figure 9 shows the mass distribution of basic harmful substances emitted during the KN-20 boiler operation at minimum and nominal power. The following charts show estimated equations for trend lines depicting the approximate emission distribution of harmful substances with reference to the oxygen content in exhaust gases.
In the case of the ninth and tenth cycle of tests, it was observed that the introduction of water steam to the combustion chamber at the flow rate of 0.71 kg/h resulted in the increase in the emitted CO by approximately 58% for the boiler operating at nominal power, however, only a slight increase was observed in the case of the boiler operating at minimum power. Dust emission was lower in comparison to the nominal power of the boiler by approximately 17% for operation at minimum power, and by approximately 19% for operation at nominal power. Hydrogen was detected in exhaust gases in the average amount of approximately 3.46 mg/m3. The efficiency of the combustion process increased by the maximum amount of approximately 2%. The average exhaust gas temperature was from approximately 120 °C to approximately 138 °C. The temperature inside the combustion chamber increased by approximately 8 °C (the temperature was approximately 828 °C) for the minimal power, while for the boiler operating at nominal power the temperature inside the combustion chamber dropped by approximately 26 °C (the temperature was approximately 936 °C). The temperature in the afterburning chamber increased by approximately 2 °C (the temperature was approximately 692 °C) for the minimal power, while for the boiler operating at nominal power the temperature inside the afterburning chamber dropped by approximately 5 °C (the temperature was approximately 762 °C). Figure 10 shows the mass distribution obtained for the emission of harmful substances with reference to the oxygen content in the exhaust gases and the approximate equations for trend lines.
In the case of the eleventh and twelfth cycle of tests, it was observed that the introduction of water steam to the combustion chamber at the flow rate of 3.60 kg/h resulted in an increase in the emitted CO, from approximately 61% to approximately 243%. Dust emission was lower in comparison to the normal operation of the boiler by approximately 18%, regardless of the boiler power. The NOx emission decreased by approximately 4% to 16%. There was hydrogen detected in exhaust gases in the average amount of approximately 8.02 mg/m3 to 9.17 mg/m3. The efficiency of the combustion process in the case of the boiler operating at nominal power decreased by approximately 3%, and it didn’t change for the boiler operating at minimum power. The average exhaust gas temperature was from approximately 124 °C to approximately 160 °C. The temperature inside the combustion chamber increased by approximately 14 °C (the temperature was approximately 834 °C) for the minimal power, while for the boiler operating at nominal power the temperature inside the combustion chamber dropped by approximately 48 °C (the temperature was approximately 958 °C). The temperature in the afterburning chamber increased by approximately 10 °C (the temperature was approximately 700 °C) for the minimal power, while for the boiler operating at nominal power the temperature inside the afterburning chamber dropped by approximately 32 °C (the temperature was approximately 789 °C). Figure 11 shows the mass distribution obtained for the emission of harmful substances with reference to the oxygen content in the exhaust gases and the estimated equations for trend lines.
The thirteenth and fourteenth cycle of tests showed that the supply of water steam to the afterburning chamber at the flow rate of 0.71 kg/h resulted in a decrease in the emitted CO by approximately 6%, and for the boiler operating at nominal power, the CO emission increased by approximately 142%. Dust emission was lower by approximately 26%, in comparison to the normal operation of the boiler, for the boiler operating at minimum power, and by approximately 10% for the boiler operating at nominal power. The NOx emission decreased by approximately 16%. Hydrogen was detected in exhaust gases in the average amount of approximately 5.34 mg/m3 to 8.02 mg/m3. The efficiency of the combustion process in the case of the boiler operating at nominal power increased by approximately 2%, and it decreased for the boiler operating at minimum power by approximately 3%. The average exhaust gas temperature was from approximately 128 °C to approximately 155 °C. The temperature inside the combustion chamber increased by approximately 6 °C (the temperature was approximately 826 °C) for the minimal power, while for the boiler operating at nominal power the temperature inside the combustion chamber dropped by approximately 20 °C (the temperature was approximately 930 °C). The temperature in the afterburning chamber increased by approximately 8 °C (the temperature was approximately 698 °C) for the minimal power, while for the boiler operating at nominal power the temperature inside the afterburning chamber dropped by approximately 28 °C (the temperature was approximately 785 °C). Figure 12 shows the mass distribution obtained for the emission of harmful substances with reference to the oxygen content in the exhaust gases and the approximate equations for trend lines.
In the case of the fifteenth and sixteenth cycle of tests, it was observed that the introduction of water steam to the afterburning chamber at the flow rate of 3.60 kg/h resulted in an increase in the emitted CO by approximately 119% for the boiler operating at nominal power, however, for the boiler operating at minimum power, the CO emission decreased by approximately 6%. Dust emission was lower in comparison to the normal operation of the boiler by approximately 18%, regardless of the boiler power. The NOx emission decreased by approximately 17%. Hydrogen was detected in exhaust gases in the average amount of approximately 7.06 mg/m3 to 9.75 mg/m3. The efficiency of the combustion process in the case of the boiler operating at nominal power decreased by approximately 3%, and in the case of the boiler operating at minimum power it increased by approximately 2%. The average exhaust gas temperature was from approximately 139 °C to approximately 175 °C. The temperature inside the combustion chamber increased by approximately 16 °C (the temperature was approximately 836 °C) for the minimal power, while for the boiler operating at nominal power the temperature inside the combustion chamber dropped by approximately 52 °C (the temperature was approximately 962 °C). The temperature in the afterburning chamber increased by approximately 8 °C (the temperature was approximately 705 °C) for the minimal power, while for the boiler operating at nominal power the temperature inside the afterburning chamber dropped by approximately 50 °C (the temperature was approximately 807 °C). Figure 13 shows the mass distribution obtained for the emission of harmful substances with reference to the oxygen content in the exhaust gases and the approximate equations for trend lines.
The following Table 5 shows the results obtained for individual test cycles for the second stage of research. Figure 14 shows graphical changes in the emission of harmful substances as well as the efficiency of the combustion process after supplying water steam to the combustion and afterburning chambers at different flow rates. The values were obtained on the basis of a comparison of the average emission parameters of individual harmful exhaust gas components with the values obtained for the standard boiler operation at minimal and nominal power (cycles seven and eight).
By analyzing the results obtained for all test cycles (in relation to the tests without water steam supplied to the boiler), it can be observed that in the case of a boiler without an afterburning chamber (Q EKO 15), the exhaust gas temperature and the combustion chamber temperature with the water steam addition (regardless of steam water stream) decreases. At the same time, it can be seen that the higher the temperature drop in the combustion chamber, the higher the emissions of CO: for a 46 °C reduction in temperature in the combustion chamber, CO increased by 155%, and for a 86 °C reduction in temperature in the combustion chamber, CO increased by 267%, compared to standard work.
It should be emphasized that the feed of steam, in terms of energy, is ballast (heat absorption), which may transform into an efficiency reduction in the system. Nevertheless, the tested solution can ultimately be used in condensing boilers, which will make the energy contained in the water steam in the exhaust gas recoverable, and this will make the change in the energy system’s efficiency unnoticeable.
Lowering the temperature (as mentioned above) consequently makes the process of oxidation of the carbon element to carbon dioxide impossible to complete; the process is interrupted, which contributes to the increase in CO emissions. This issue was not analyzed in detail, due to the fact that the main issue was the reduction of PM emissions, while the reduction of carbon monoxide emissions will be possible with the use of afterburning chambers or systems.
At the same time, constant parameters in relation to NOx emission can be observed, which can be confirmed by the slight influence of the thermal mechanism on the emission of nitrogen oxides from low-power heating boilers. The steam water supply in both cycles (cycles four and six) was respectively 0.71 kg/h and 3.60 kg/h, while the reduction in PM emissions based on the results obtained is the same, and is associated with a change in the stoichiometry of the combustion process and its reorganization from the incomplete combustion process, with significant soot release to the combustion process with significant CO emission. The addition of steam in the amount of 0.71 kg/h resulted in a complete reduction of soot, therefore, the further increase in the amount of steam water did not bring any measurable effect, and thus the PM emission did not decrease.
Analyzing the results obtained for the boiler with an additional afterburning chamber (KN-20), it can be seen that the temperature of the exhaust gases and the temperature inside the combustion and afterburning chamber increase with the increasing amount of steam supplied for combustion (regardless of the place of steam injection). The temperature increase is higher in the case of boiler operation at nominal power compared to operation at minimum power, which is associated with a greater stream of fuel feeding. Similar to boilers not equipped with an additional afterburning chamber, a mechanism can be observed where the additional thermodynamic medium (water steam) absorbs a part of the heat, which in turn deteriorates the process of carbon oxidation to carbon dioxide and detects increased CO emissions. In both configurations (steam injection into the combustion chamber or the afterburning chamber), intensification of heat in the system and the problem with its removal by the boiler are visible (exhaust gas temperature increase). However, in the case of both configurations, a reduction in the NOx emission can be observed (from approximately 3% to approximately 17%) as well as for PM (from approximately 9% to approximately 25%).
These results may indicate the occurrence of reducing reactions on these substances in the combustion chamber, where the temperature during the tests with the water steam supply fluctuated in the range of 826 °C to 962 °C. High temperatures could deepen the reduction in PM by exceeding the ash softening temperature and keeping it within the boiler (PM reduction above 20%). In the case of NOx emissions, an increase in the exhaust gas temperature inside the combustion chamber (by supplying water steam) resulted in a decreasing emission. This process is associated with an increased share of radiation on the exhaust gas side, which deepened the redox reactions on nitrogen oxides.
The most favorable emission results (reduction) were obtained for cycles three and thirteen, with an average decrease in CO by approximately 5% to approximately 16%, an average decrease in NOx by approximately 15% to approximately 27% and an average decrease in PM by approximately 12% to approximately 25%. In both of these research cycles, water steam was added to the combustion process with an expenditure of 0.71 kg/h. In the case of cycle three, a decrease in exhaust gas temperature and temperature inside the combustion chamber was observed. In the case of cycle thirteen, an increase in exhaust gas temperature and temperature inside the combustion and afterburning chamber was observed. The increased temperature could transform into a stronger afterburning of soot (PM), while in the case of a boiler equipped with an afterburning chamber, a greater amount of NOx in relation to the boiler without an afterburning chamber was observed.
The injection of water steam to the combustion process may contribute to the occurrence of pyrolysis in certain areas and, consequently, the formation of hydrocarbon compounds which were not analyzed by the authors as a component of the resulting exhaust gases. This results from the fact that at the prevailing temperature in the system (above 750 °C), combined with the appropriate residence time of the particles (min. 2 s) the hydrocarbons’ oxidation to water steam and carbon dioxide is guaranteed. In addition, in commercial applications, the introduction of a possible afterburning system (as mentioned earlier) will multiply the above phenomena of hydrocarbon oxidation.
The results obtained on the basis of the research showed that the most favorable reduction in harmful substances was obtained for the boiler operation at minimal power with a water steam supply output of 0.71 kg/h. These results provide a proper premise for an application approach to the implementation of this technology in mass-produced heating boilers. On the basis of previously carried out studies [13,14,15], solid fuel heating boilers in Poland operate with an average annual power under 30% of the rated power, which results in poor air quality in Poland during the heating period, and at the same time provides a basis for implementation of the tested technology. For such operating parameters (the most common ones), an algorithm was made to supply water vapor to reduce the emission of harmful substances. The algorithm was based on the research and information on the highest reduction in harmful substances (Figure 8 and Figure 14).
The proposed algorithm meets the conditions for reducing harmful substances in the boilers unequipped with an additional afterburning chamber. The combustion chamber is understood as a chamber where the fuel is burnt. The afterburning chamber is understood to mean an exhaust gas chamber where hot exhaust gases and a flame freely penetrate. The proposed algorithm of the procedure may help to create a preliminary algorithm or machine learning algorithm for the purpose of creating an automatic control system and water steam dosing for the combustion process. Such an algorithm could be based on information about the exhaust gas temperature and the temperature inside the combustion/afterburning chamber. A similar control system based on the analysis of exhaust gas temperature and oxygen content in the exhaust gas to reduce harmful substances and minimize the amount of fuel burned has been researched in the articles [13,14,15].
An action algorithm was developed on the basis of the analysis for introducing wet steam to the hard coal combustion process in low power heating boilers fitted with an afterburning chamber. It was observed that the greater the stream of water steam introduced to the combustion process, the greater the CO emission (31–90%) in comparison to the normal operation of the boiler. In the case of PM, there was a sharp decrease in emission (12–25%). In turn, the NOx emission slightly decreased (2–5%) in comparison to the normal operation of the boiler. The effect can be the result of the occurrence of chemical reactions mentioned in the introduction. The evidence supporting the hypothesis is the rapid increase in the emission of CO and H2. In the case of steam water fed to the afterburning chamber, no significant increases in the CO emission were observed, and there was a positive decrease in the PM (approximately 20%) and NOx (approximately 7%) emissions in comparison to the normal operation of the boiler.
The action algorithm developed for introducing steam water to the coal-derived fuel combustion process occurring inside a low power boiler is depicted in the following Figure 15.

4. Conclusions

The paper at hand revolved around research on the coal-derived fuel combustion process in the steam water environment. Two boilers were used for the research: the first one was a traditional heating boiler fueled with coal, and the second one was fitted with a steam afterburning chamber. Depending on the boiler configuration, steam water was fed both to the combustion chamber as well as to the afterburning chamber. The research conducted confirmed that the supply of steam water to the combustion chamber as well as to the afterburning chamber results in a decreased PM emission and an increased CO emission, depending on the mass of the steam stream and the boiler power. As for the emission of nitric oxides, the most frequently observed result was a decrease by several or even a dozen percent. Considering that the main source of nitric oxide creation in low power boilers is the fuel mechanism, it is safe to say that the addition of steam water to the burnt fuel has an effect on the changes in chemism of the combustion process. The introduction of steam water to the afterburning chamber has a positive effect on the emission properties of the boiler in terms of the emitted solid particles. The research conducted shows that the dust and nitric oxide neutralization level is close to the level obtained when steam is fed to the combustion chamber, however, it is important to remark that the increased coal oxide emission is much greater than in the case of feeding steam water to the afterburning chamber. The main aim of the conducted research was to confirm the previous research on lowering the emission of harmful substances with the use of steam water in heating boilers fueled with solid fuels. The theoretical principle of the research was the following chemical reaction (1), which results in the oxidation process of carbon contained, for instance, in soot. The amount of carbon dioxide created during the chemical reaction was slightly lowered in the afterburning chamber, while the amount of the emitted dust was significantly reduced.
The effects of changes in the chemism of the combustion process are satisfactory, thus, it is a sufficient incentive for the popularization of this technology among manufacturers of solid fuel heating boilers. The technology used, of feeding steam water to the afterburning chamber of the heating boiler, allows for the emitted dust to be reduced so that a positive effect on the improvement of ecological parameters of the boiler can be achieved.
One of the grounds for further research is the assessment of steam water efficiency supplied using ultrasound methods. Such systems use much less electricity to create the thermodynamic factor in the form of a water particle suspension in the air, and they eliminate the necessity of designing a pressure tank. While reviewing the rationality of modifications performed on boilers which are non-compliant with the current Polish and EU regulations on the purity of exhaust gases, it is worth considering their modification in the form of an additional afterburning chamber fitted in order to improve their emission parameters and to make them compliant with the applicable standards.

Author Contributions

Conceptualization. B.C. and K.G.; methodology. B.C.; software. B.C.; validation. B.C., R.J. and K.G.; formal analysis. B.C., R.J. and K.G.; investigation. B.C., R.J. and Z.N.; resources. B.C., R.J. and K.G.; data curation. B.C., R.J. and K.G.; writing—original draft preparation. B.C., R.J. and K.G.; writing—review and editing. B.C., R.J. and K.G.; visualization. B.C., R.J. and K.G.; supervision. B.C., R.J. and K.G.; project administration. Z.N.; funding acquisition. Z.N. All authors have read and agreed to the published version of the manuscript.

Funding

The research was financed by the Poznan University of Technology’s financial resources for statutory activity. The number of projects: 0712/SBAD/5180 and 0712/SBAD/5202.

Institutional Review Board Statement

Not applicable.

Informed Consent Statement

Not applicable.

Data Availability Statement

Not applicable.

Conflicts of Interest

The authors declare no conflict of interest.

Nomenclature

GIOŚ    Chief Inspectorate of Environmental Protection
η    combustion process efficiency
CO    carbon monoxide
CO2    carbon dioxide
NO    nitrogen oxide
NOx    nitrogen oxides
OGC    gasoline organic compounds
PM    particulate matter
T1    water inlet measurement temperature point
T2    water outlet measurement temperature point
(s)    solid substance
(g)    gaseous substance

References

  1. Caposciutti, G.; Barontini, F.; Antonelli, M.; Tognotti, L.; Desideri, U. Experimental investigation on the air excess and air displacement influence on early stage and complete combustion gaseous emissions of a small scale fixed bed biomass boiler. Appl. Energy 2018, 216, 576–587. [Google Scholar] [CrossRef]
  2. Ciupek, B.; Judt, W.; Urbaniak, R.; Kłosowiak, R. The emission of carbon monoxide and nitrogen oxides from boilers supplied by a pellet under the influence of changes in the air-fuel equivalence ratio. J. Ecol. Eng. 2019, 20, 34–38. [Google Scholar] [CrossRef]
  3. Ciupek, B.; Gołoś, K. Concentration of Nitrogen Oxides When Burning Wood Pellets of Various Origins. J. Ecol. Eng. 2020, 21, 229–233. [Google Scholar] [CrossRef]
  4. Zhu, Y.; Yang, W.; Fan, J.; Kan, T.; Zhang, W.; Liu, H.; Cheng, W.; Yang, H.; Wu, X.; Chen, H. Effect of sodium carboxymethyl cellulose addition on particulate matter emissions during biomass pellet combustion. Appl. Energy 2018, 230, 925–934. [Google Scholar] [CrossRef]
  5. Tucki, K.; Orynycz, O.; Wasiak, A.; Świć, A.; Mieszkalski, L.; Wichłacz, J. Low Emissions Resulting from Combustion of Forest Biomass in a Small Scale Heating Device. Energies 2020, 13, 5495. [Google Scholar] [CrossRef]
  6. Jaworek, A.; Sobczyk, A.T.; Marchewicz, A.; Krupa, A.; Czech, T. Particulate matter emission control from small residential boilers after biomass combustion. A review. Renew. Sustain. Energy Rev. 2021, 137, 110446. [Google Scholar] [CrossRef]
  7. Singh, R.; Shukla, A. A review on methods of flue gas cleaning from combustion of biomass. Renew. Sustain. Energy Rev. 2014, 29, 854–864. [Google Scholar] [CrossRef]
  8. Ciupek, B.; Janeba-Bartoszewicz, E.; Urbaniak, R. Effect of fineness and increased humidity of carbonaceous fuels on the chemical composition of exhaust gases. Chem. Ind. 2019, 1, 8. [Google Scholar] [CrossRef]
  9. Ozgen, S.; Cernuschi, S.; Caserini, S. An overview of nitrogen oxides emissions from biomass combustion for domestic heat production. Renew. Sustain. Energy Rev. 2021, 135, 110113. [Google Scholar] [CrossRef]
  10. Ciupek, B.; Urbaniak, R. Optimization of the Retort Burner Construction to Reduce Emission of Harmful Substances. Heat. Vent. 2018, 49, 519–524. [Google Scholar] [CrossRef]
  11. Ciupek, B.; Urbaniak, R.; Bartoszewicz, J. Emission of Carbon Monoxide and Nitrogen Oxides from a Low Power Boiler Depending on the Coal Fuel Used. Heat. Vent. 2018, 1, 12–16. [Google Scholar] [CrossRef]
  12. Horák, J.; Laciok, V.; Krpec, K.; Hopan, F.; Dej, M.; Kubesa, P.; Ryšavý, J.; Molchanov, O.; Kuboňová, L. Influence of the type and output of domestic hot-water boilers and wood moisture on the production of fine and ultrafine particulate matter. Atm. Env. 2020, 229, 15–117437. [Google Scholar] [CrossRef]
  13. Gołoś, K.; Ciupek, B.; Judt, W.; Urbaniak, R. Impact of replacement of solid fuel heating boilers on air quality in Poland in 2000–2020. Chem. Ind. 2021, 1, 96–99. [Google Scholar] [CrossRef]
  14. Ministry of Climate and Environment. National Balance of SO2, NOx, CO, NH3, NMVOC, Dust, Heavy Metals and POPs Emissions. In Synthetic Report for 1990–2019; Ministry of Climate and Environment: Warsaw, Poland, 2021. (In Polish) [Google Scholar]
  15. Ciupek, B.; Judt, W.; Gołoś, K.; Urbaniak, R. Analysis of Low-Power Boilers Work on Real Heat Loads: A Case of Poland. Energies 2021, 14, 3101. [Google Scholar] [CrossRef]
  16. Ciupek, B. Possibilities of Reducing Harmful Substance from the Heating Boiler by Co-Firing Black Coal with Non-Woody Biomass. Dist. Heat. Heat. Vent. 2018, 1, 7–11. [Google Scholar] [CrossRef]
  17. Ciupek, B. Effect of supply water steam to combustion process of black coal on the chemical composition of exhaust gases. Chem. Ind. 2019, 1, 98–102. [Google Scholar] [CrossRef]
  18. Kurc, B.; Lijewski, P.; Rymaniak, Ł.; Fuć, P.; Pigłowska, M.; Urbaniak, R.; Ciupek, B. High-Energy Solid Fuel Obtained from Carbonized Rice Starch. Energies 2020, 13, 4096. [Google Scholar] [CrossRef]
  19. Ciupek, B. Study on hard coal combustion in heating boilers equipped with a steam-fed afterburning chamber. Chem. Ind. 2020, 99, 8. [Google Scholar] [CrossRef]
  20. Judt, W.; Ciupek, B.; Urbaniak, R. Numerical study of a heat transfer process in a low power heating boiler equipped with afterburning chamber. Energy 2020, 196, 117093. [Google Scholar] [CrossRef]
  21. Pokharel, S.; Ayoobi, M.; Akkerman, V. Computational Analysis of Premixed Syngas/Air Combustion in Micro-channels: Impacts of Flow Rate and Fuel Composition. Energies 2021, 14, 4190. [Google Scholar] [CrossRef]
  22. Mitchell, E.J.S.; Lea-Langton, A.R.; Jones, J.M.; Williams, A.; Layden, P.; Johnson, R. The impact of fuel properties on the emissions from the combustion of biomass and other solid fuels in a fixed bed domestic stove. Fuel Process. Techn. 2016, 142, 115–123. [Google Scholar] [CrossRef]
  23. Williams, A.; Jones, J.M.; Ma, L.; Pourkashanian, M. Pollutants from the combustion of solid biomass fuels. Prog. Energy Comb. Sci. 2012, 38, 2–113. [Google Scholar] [CrossRef]
  24. Ślefarski, R.; Jójka, J.; Czyżewski, P.; Grzymisławski, P. Experimental investigation on syngas reburning process in a gaseous fuel firing semi-industrial combustion chamber. Fuel 2018, 217, 490–498. [Google Scholar] [CrossRef]
  25. Ślefarski, R.; Czyżewski, P.; Gołębiewski, M. Experimental study on combustion of CH4/NH3 fuel blends in an industrial furnace operated in flameless conditions. Therm. Sci. 2020, 24, 3625–3635. [Google Scholar] [CrossRef]
  26. Ślefarski, R. Study on the Combustion Process of Premixed Methane Flames with CO2 Dilution at Elevated Pressures. Energies 2019, 12, 348. [Google Scholar] [CrossRef] [Green Version]
  27. Kangyeop, L.; Hyungmo, K.; Poomin, P.; Sooseok, Y.; Youngsung, K. CO2 radiation heat loss effect on NOx emissions and combustion instabilities in lean premixed flames. Fuel 2013, 106, 682–689. [Google Scholar] [CrossRef]
  28. Li, J.; Jankowski, R.; Kotecki, R.; Yang, W.; Szewczyk, D.; Brzdekiewicz, A.; Blasiak, W. CFD Approach for Unburned Carbon Reduction in Pulverized Coal Boilers. Energy Fuels 2012, 26, 926–937. [Google Scholar] [CrossRef] [Green Version]
  29. Li, J.; Jankowski, R.; Kotecki, R.; Yang, W.; Szewczyk, D.; Blasiak, W.; Brzdekiewicz, A. Numerical Analysis of Loads Effect on Combustion Performance and NOx Emissions of a 220 MW Pulverized Coal Boiler. Clean. Combust. Sustain. World 2013, 1019–1029. [Google Scholar] [CrossRef]
  30. De Persis, S.; Cabot, G.; Pillier, L.; Gökalp, I.; Boukhalfa, A.M. Study of Lean Premixed Methane Combustion with CO2 Dilution under Gas Turbine Conditions. Energy Fuels 2013, 27, 1093–1103. [Google Scholar] [CrossRef]
  31. Anufriev, I. Review of water/steam addition in liquid-fuel combustion systems for NOx reduction: Waste-to-energy trends. Renew. Sustain. Energy Rev. 2021, 138, 110665. [Google Scholar] [CrossRef]
  32. Szufa, S. Use of superheated steam in the process of biomass torrefaction. Chem. Ind. 2020, 99, 1797–1801. [Google Scholar] [CrossRef]
  33. EN 303-5:2012 Heating Boilers—Part 5: Heating Boilers for Solid Fuels, Manually and Auto-Matically Stocked, Nominal Heat Output of up to 500 kW—Terminology, Requirements, Testing and Marking; Polish Committee for Standardization: Warsaw, Poland, 2012.
  34. Directive 2009/125/EC of the European Parliament and of the Council of 21 October 2009 Establishing a Framework for the Setting of Ecodesign Requirements for Energy-Related Products; 2009. Available online: https://eur-lex.europa.eu/legal-content/EN/ALL/?uri=celex%3A32009L0125 (accessed on 8 October 2021).
  35. Commision Regulation (EU) 2015/1189—of 28 April 2015—Implementing Directive 2009/125/EC of the European Parliament and of the Council with Regard to Ecodesign Requirements for Solid Fuel Boilers; 2015. Available online: https://eur-lex.europa.eu/legal-content/EN/TXT/?uri=uriserv%3AOJ.L_.2015.193.01.0100.01.ENG (accessed on 8 October 2021).
  36. WUDT-UC-WO-O/00:01.2005 Conditions of the Office of Technical Inspection Regarding Pressure Equipment. Strength Calculations. General Requirements; Polish Committee for Standardization: Warsaw, Poland, 2005.
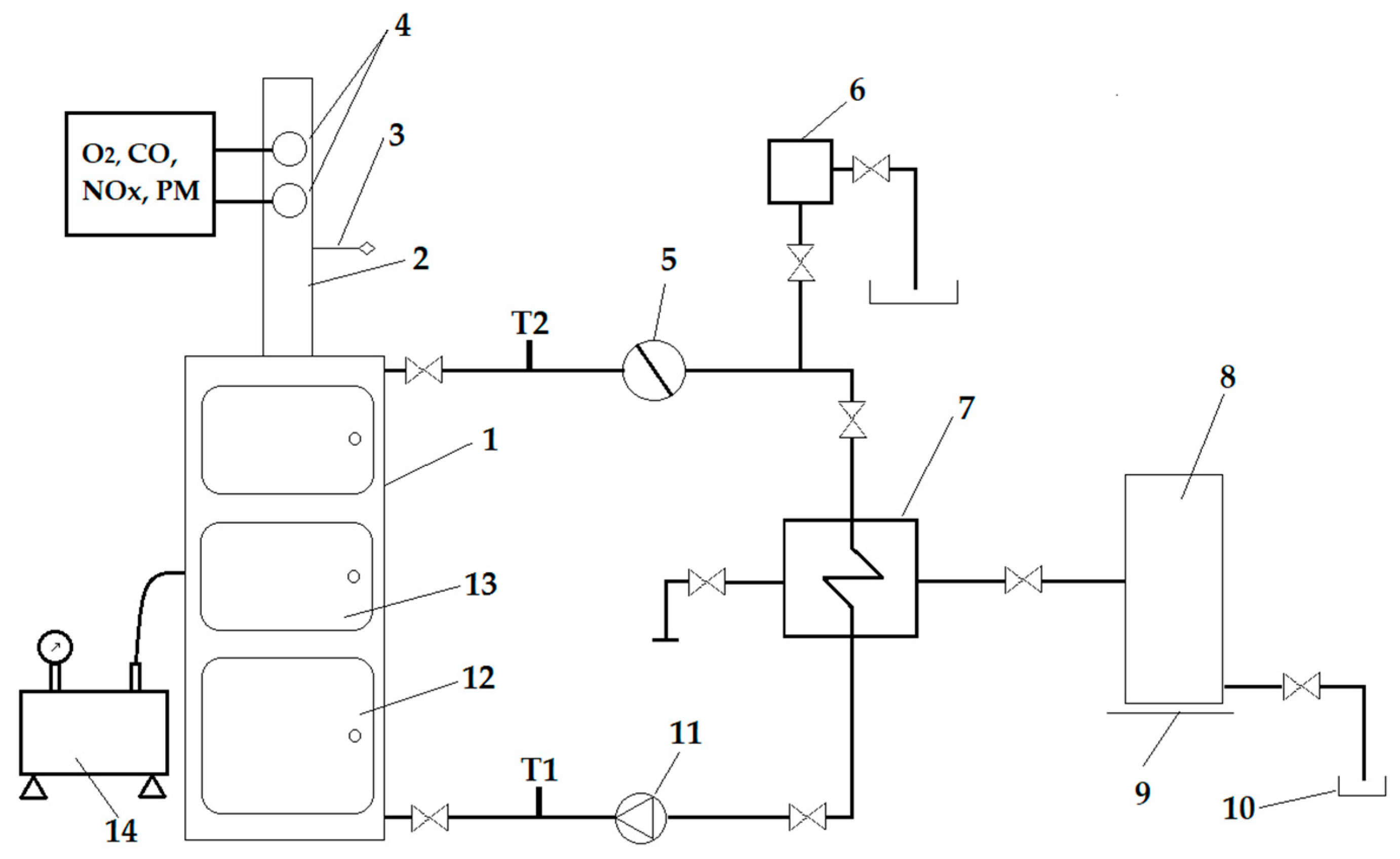
Figure 1. Scheme of test stand: 1—solid fuel heating boiler, 2—chimney, 3—measurement temperature, 4—measurement points of pollutants, 5—water flow meter, 6—expansion tank, 7—heat exchanger, 8—water tank, 9—weight scale, 10—outflow, 11—water pump, 12—combustion chamber, 13—steam–fed afterburning chamber, 14—water steam generator.
Figure 1. Scheme of test stand: 1—solid fuel heating boiler, 2—chimney, 3—measurement temperature, 4—measurement points of pollutants, 5—water flow meter, 6—expansion tank, 7—heat exchanger, 8—water tank, 9—weight scale, 10—outflow, 11—water pump, 12—combustion chamber, 13—steam–fed afterburning chamber, 14—water steam generator.
Energies 14 06530 g001
Figure 2. Heating devices used in tests. On left side: Q EKO 15; on right side: KN–20.
Figure 2. Heating devices used in tests. On left side: Q EKO 15; on right side: KN–20.
Energies 14 06530 g002
Figure 3. Water steam device used in experimental research: 1—pressurized tank, 2—control system, 3—steam outlet, 4—water inlet, 5—electric heater, 6—pressure and temperature measuring device.
Figure 3. Water steam device used in experimental research: 1—pressurized tank, 2—control system, 3—steam outlet, 4—water inlet, 5—electric heater, 6—pressure and temperature measuring device.
Energies 14 06530 g003
Figure 4. Exhaust gas analyzers used in tests. On left side: Testo 350s; on right side: Testo 380 and Testo 330-2 LL.
Figure 4. Exhaust gas analyzers used in tests. On left side: Testo 350s; on right side: Testo 380 and Testo 330-2 LL.
Energies 14 06530 g004
Figure 5. Mass distribution of harmful substances to the remaining oxygen for the first and second cycle of tests.
Figure 5. Mass distribution of harmful substances to the remaining oxygen for the first and second cycle of tests.
Energies 14 06530 g005
Figure 6. Mass distribution of harmful substances to the remaining amount of oxygen for the third and fourth cycle of tests.
Figure 6. Mass distribution of harmful substances to the remaining amount of oxygen for the third and fourth cycle of tests.
Energies 14 06530 g006
Figure 7. Mass distribution of harmful substances to the remaining amount of oxygen for the fifth and sixth cycle of tests.
Figure 7. Mass distribution of harmful substances to the remaining amount of oxygen for the fifth and sixth cycle of tests.
Energies 14 06530 g007
Figure 8. Changes in emission and efficiency parameters of the combustion process obtained for the first stage of research (cycles from 3 to 6).
Figure 8. Changes in emission and efficiency parameters of the combustion process obtained for the first stage of research (cycles from 3 to 6).
Energies 14 06530 g008
Figure 9. Mass distribution of harmful substances to the remaining amount of oxygen for the seventh and eighth cycles of tests.
Figure 9. Mass distribution of harmful substances to the remaining amount of oxygen for the seventh and eighth cycles of tests.
Energies 14 06530 g009
Figure 10. Mass distribution of harmful substances to the remaining amount of oxygen for the ninth and tenth cycle of tests.
Figure 10. Mass distribution of harmful substances to the remaining amount of oxygen for the ninth and tenth cycle of tests.
Energies 14 06530 g010
Figure 11. Mass distribution of harmful substances to the remaining amount of oxygen for the eleventh and twelfth cycle of tests.
Figure 11. Mass distribution of harmful substances to the remaining amount of oxygen for the eleventh and twelfth cycle of tests.
Energies 14 06530 g011
Figure 12. Mass distribution of harmful substances to the remaining amount of oxygen for the thirteenth and fourteenth cycle of tests.
Figure 12. Mass distribution of harmful substances to the remaining amount of oxygen for the thirteenth and fourteenth cycle of tests.
Energies 14 06530 g012
Figure 13. Mass distribution of harmful substances to the remaining amount of oxygen for the fifteenth and sixteenth cycle of tests.
Figure 13. Mass distribution of harmful substances to the remaining amount of oxygen for the fifteenth and sixteenth cycle of tests.
Energies 14 06530 g013
Figure 14. Changes in emission and efficiency parameters of the combustion process obtained for the second stage of research (cycles from 9 to 16).
Figure 14. Changes in emission and efficiency parameters of the combustion process obtained for the second stage of research (cycles from 9 to 16).
Energies 14 06530 g014
Figure 15. The scheme of the action algorithm developed for the solid fuel heating boiler system with steam water fed in order to limit the amount of harmful substances emitted.
Figure 15. The scheme of the action algorithm developed for the solid fuel heating boiler system with steam water fed in order to limit the amount of harmful substances emitted.
Energies 14 06530 g015
Table 1. Program of the conducted research.
Table 1. Program of the conducted research.
Measurement CycleType of Heat DevicesType of Boiler OperationValue of Water Steam StreamPlace of Water Steam Stream
1.Heiztechnik Q EKO 1530%
2.100%
3.30%0.71 kg/hCombustion Chamber
4.100%
5.30%3.60 kg/h
6.100%
7.KN–2030%
8.100%
9.30%0.71 kg/hCombustion Chamber
10.100%
11.30%3.60 kg/h
12.100%
13.30%0.71 kg/hSteam-fed Afterburning Chamber
14.100%
15.30%3.60 kg/h
16.100%
Table 2. Technical parameters of the designed steam generator.
Table 2. Technical parameters of the designed steam generator.
Type of ParameterVolume of Parameter
minimal volume of water [kg]3.00
nominal volume of water [kg]10.00
minimal steam pressure [bar]2.50
maximal steam pressure [bar]4.00
minimal steam temperature [°C]110.00
maximal steam temperature [°C]130.00
minimal steam flow [kg/h]0.71
maximal steam flow [kg/h]3.60
Table 3. Ultimate analysis of hard coal used during the research.
Table 3. Ultimate analysis of hard coal used during the research.
Type of MeasurementHard CoalHard Coal limits [21]
Free moisture %8.10
Air-dry fuel moisture %3.00
Total moisture %11.10≤11
Ash content %3.602 to 7
Volatiles %36.60>30
C %78.10
S %0.60
H2 %4.22
N2 %1.37
O2 %9.29
High calorific value MJ/kg30.57
Low calorific value MJ/kg29.57>28
Table 4. Results of the first stage of research.
Table 4. Results of the first stage of research.
Measurement CycleMeasurement ValueCO mg/m3NOx mg/m3PM mg/m3H2 mg/m3η %
1.Average946.35443.18102.840.6887.12
Median762.00436.5099.000.6684.81
Dominant516.00399.0086.000.6184.12
Minimum300.00295.0031.000.2278.52
Maximum2186.00634.00227.001.1091.10
2.Average100.90295.0090.101.1291.33
Median64.00273.0086.001.4090.90
Dominant22.00269.0066.001.0889.73
Minimum13.00205.0035.000.5088.60
Maximum780.00406.00229.002.3093.27
3.Average789.50322.1989.528.8787.67
Median675.25311.8789.001.1787.24
Dominant675.24294.2986.000.6786.75
Minimum360.40220.0534.000.1885.29
Maximum1564.60523.78127.0045.1090.24
4.Average257.93283.9272.615.6288.08
Median198.06268.1374.001.2889.01
Dominant73.20233.8381.000.8388.87
Minimum54.75197.1731.000.1183.11
Maximum722.81386.91117.0016.8990.39
5.Average1704.48464.1177.5918.3884.83
Median1323.04470.4377.001.4984.50
Dominant1227.85450.2668.001.8683.40
Minimum475.64269.8759.000.9859.10
Maximum3921.38598.05108.0093.2191.80
6.Average370.89295.9371.935.2590.09
Median107.45167.0071.001.3190.38
Dominant60.55174.0069.001.2290.34
Minimum48.25114.1554.000.5687.00
Maximum1964.32386.53100.0029.9091.42
Table 5. Results of the second stage of research.
Table 5. Results of the second stage of research.
Measurement CycleMeasurement ValueCO mg/m3NOx mg/m3PM mg/m3H2 mg/m3η %
7.Average516.11479.23112.650.4689.96
Median209.66477.21103.000.4394.80
Dominant134.76551.9295.000.3594.55
Minimum107.96351.4575.000.0085.32
Maximum5840.42650.54312.001.9992.80
8.Average58.20285.2392.558.0994.77
Median50.15286.7196.002.0094.80
Dominant65.34286.38103.000.9894.55
Minimum30.68246.0733.000.0093.43
Maximum158.65228.49123.005.9595.53
9.Average532.27424.6093.184.8391.49
Median529.92430.7493.004.5391.48
Dominant500.66364.4889.001.5291.67
Minimum421.69323.8965.000.9490.01
Maximum661.20549.77126.0012.3093.23
10.Average91.98238.0575.283.4694.50
Median84.58235.3175.002.9194.45
Dominant80.51235.4775.002.6694.43
Minimum68.34225.1652.001.7793.88
Maximum186.47261.7298.0010.3595.98
11.Average828.62460.4692.709.1790.68
Median719.50469.0197.005.8090.67
Dominant685.95375.22101.004.4392.30
Minimum466.33300.8840.003.6988.49
Maximum1809.03600.78162.0041.3892.84
12.Average199.64239.4775.598.0291.80
Median82.60235.4776.006.8691.83
Dominant23.79235.4777.005.4791.95
Minimum10.84220.0040.003.4491.13
Maximum656.87261.72106.0015.9392.55
13.Average486.33460.4683.535.3492.09
Median478.08417.2184.005.0292.03
Dominant479.60411.0685.001.3192.39
Minimum417.91282.8459.001.0490.70
Maximum609.54496.93104.0014.2093.41
14.Average140.75239.4783.438.0291.81
Median140.44235.4784.047.8191.80
Dominant127.00235.4789.816.3191.60
Minimum118.02220.0059.193.4491.14
Maximum163.06261.72107.0115.9392.50
15.Average506.50445.9788.399.7592.46
Median467.74453.1489.002.6791.85
Dominant456.25480.1087.001.4992.39
Minimum414.34356.0967.000.7890.66
Maximum790.83531.05105.0038.1795.54
16.Average127.61236.6982.607.0691.83
Median126.92251.3879.005.5791.86
Dominant118.04261.4071.004.9492.04
Minimum103.93159.1654.003.8990.68
Maximum173.79289.77122.0017.1492.69
Publisher’s Note: MDPI stays neutral with regard to jurisdictional claims in published maps and institutional affiliations.

Share and Cite

MDPI and ACS Style

Ciupek, B.; Gołoś, K.; Jankowski, R.; Nadolny, Z. Effect of Hard Coal Combustion in Water Steam Environment on Chemical Composition of Exhaust Gases. Energies 2021, 14, 6530. https://doi.org/10.3390/en14206530

AMA Style

Ciupek B, Gołoś K, Jankowski R, Nadolny Z. Effect of Hard Coal Combustion in Water Steam Environment on Chemical Composition of Exhaust Gases. Energies. 2021; 14(20):6530. https://doi.org/10.3390/en14206530

Chicago/Turabian Style

Ciupek, Bartosz, Karol Gołoś, Radosław Jankowski, and Zbigniew Nadolny. 2021. "Effect of Hard Coal Combustion in Water Steam Environment on Chemical Composition of Exhaust Gases" Energies 14, no. 20: 6530. https://doi.org/10.3390/en14206530

APA Style

Ciupek, B., Gołoś, K., Jankowski, R., & Nadolny, Z. (2021). Effect of Hard Coal Combustion in Water Steam Environment on Chemical Composition of Exhaust Gases. Energies, 14(20), 6530. https://doi.org/10.3390/en14206530

Note that from the first issue of 2016, this journal uses article numbers instead of page numbers. See further details here.

Article Metrics

Back to TopTop