Analysis of AC/DC/DC Converter Modules for Direct Current Fast-Charging Applications
Abstract
:1. Introduction
- (1)
- slow charging, low power (up to 4 kW) AC single-phase (during long term stops), available solutions in both OBC and OffBC versions;
- (2)
- fast charging, medium power (up to 25 kW) AC three-phase, available for OffBC and OBC solutions using machine winding in idling drive;
- (3)
- fast charging, high power DC (up to 900 kW planned), available for OffBC solutions directly connected to the battery through BMS.
2. Direct Current Fast Charging Power Converter Topologies
2.1. Requirements
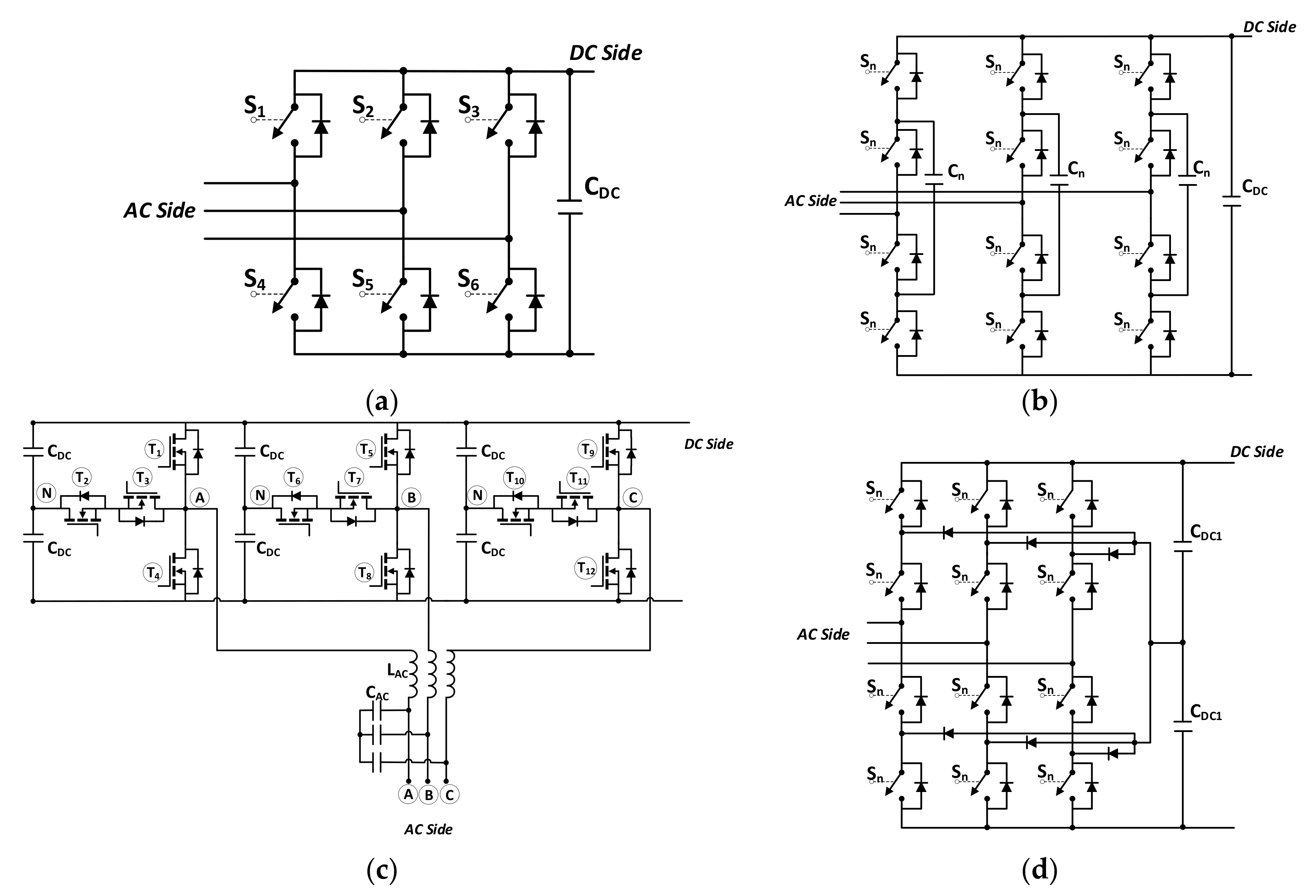
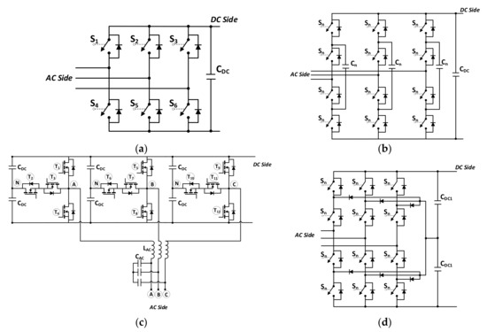
2.2. AC/DC Convertergrid Side
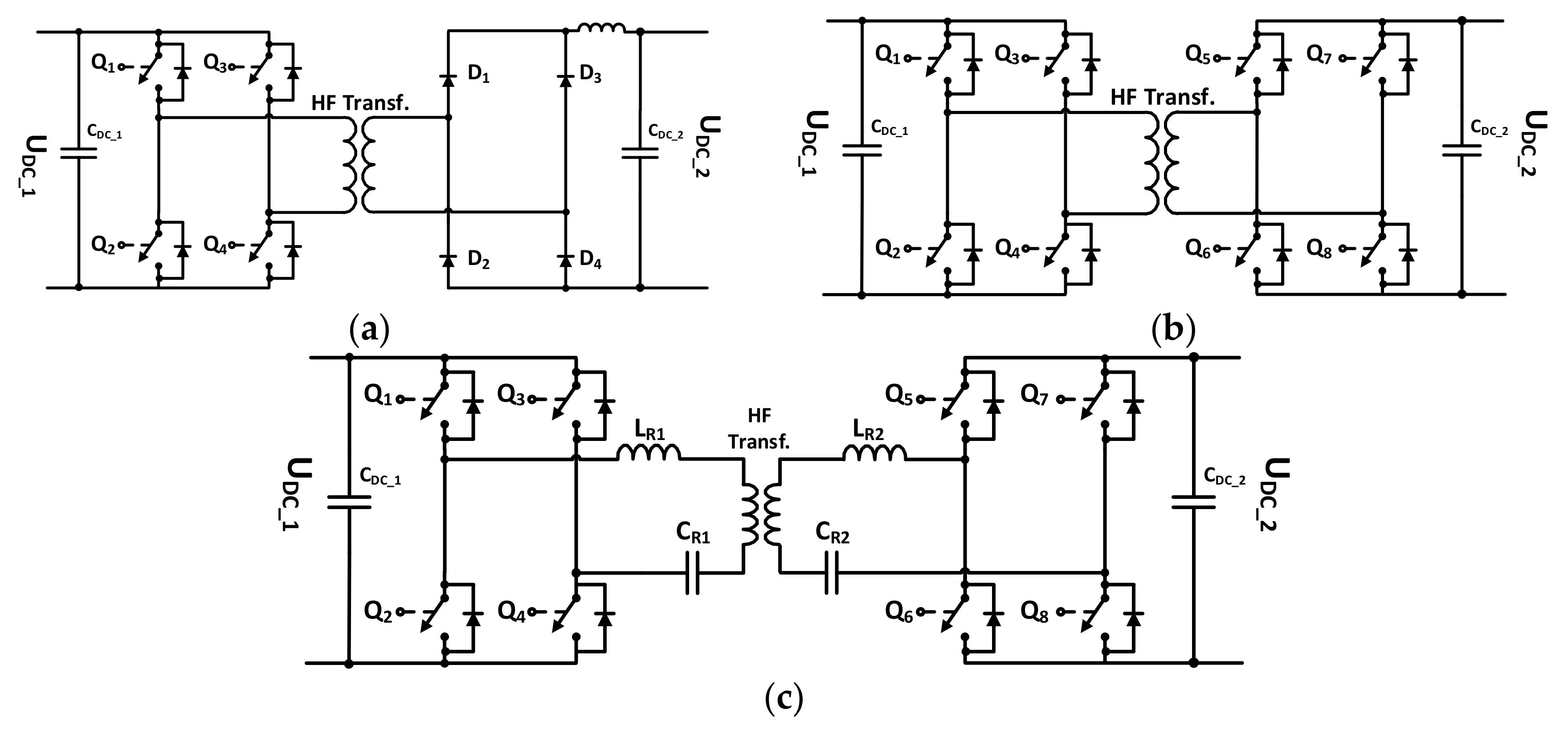
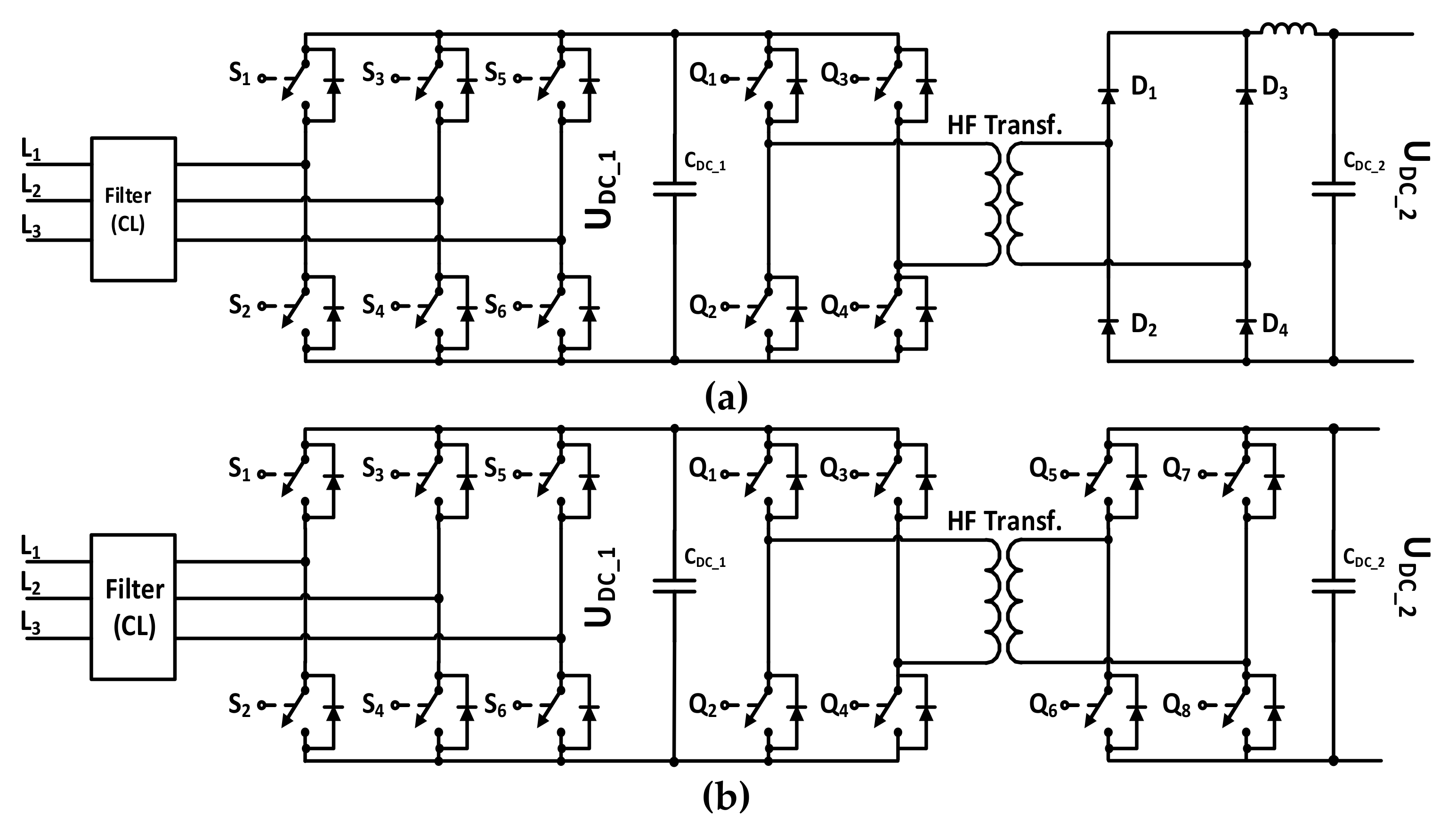
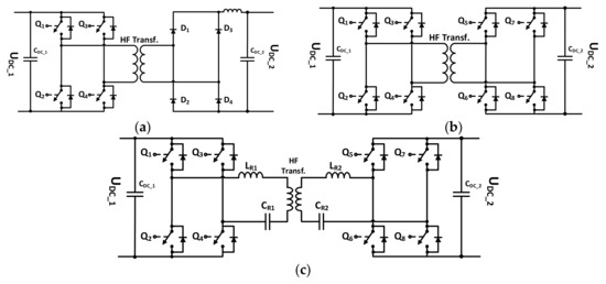
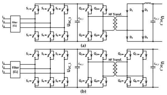
2.3. DC//DC Galvanically Isolated Converter Battery Side
2.4. Conclusions
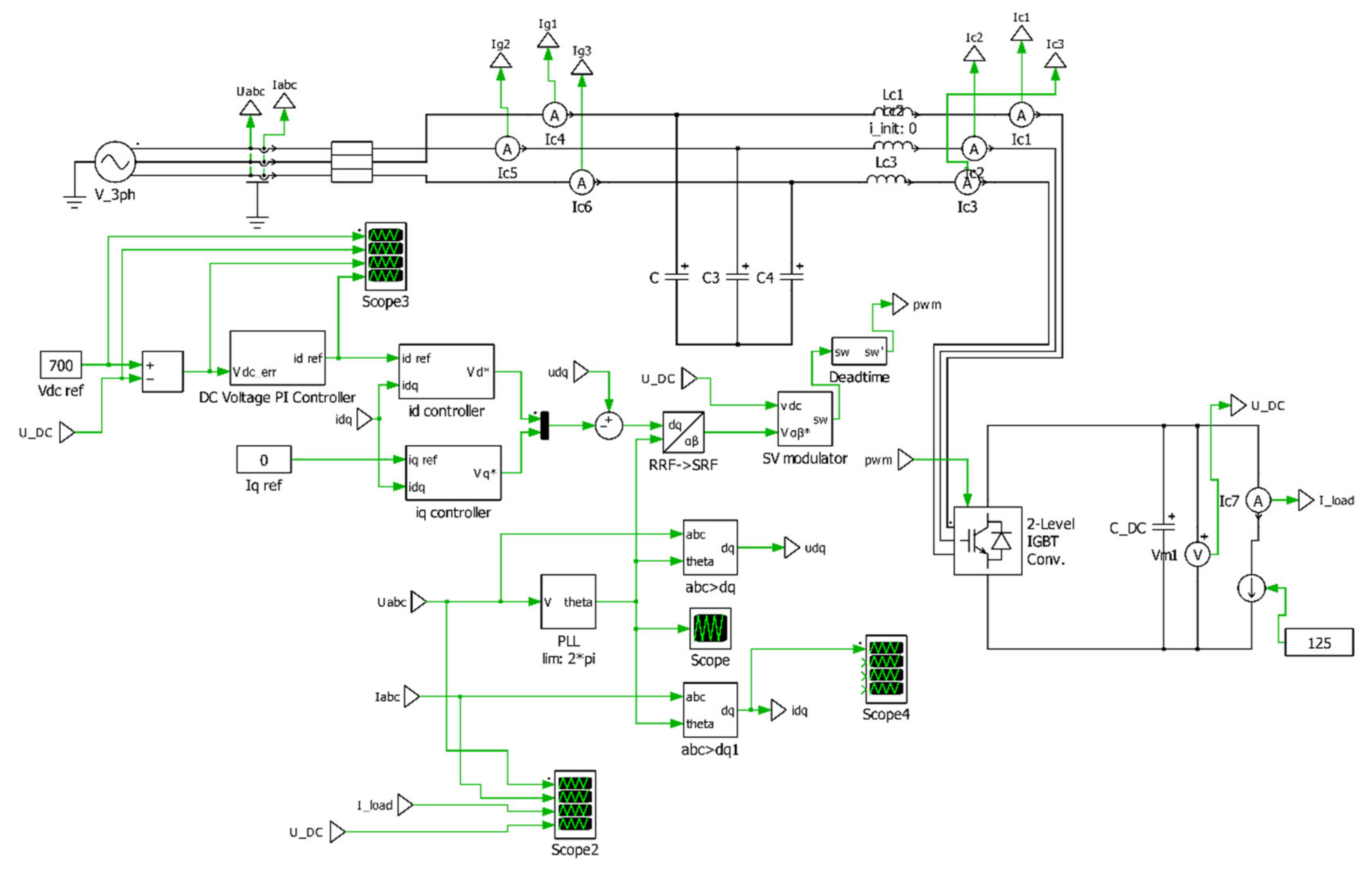
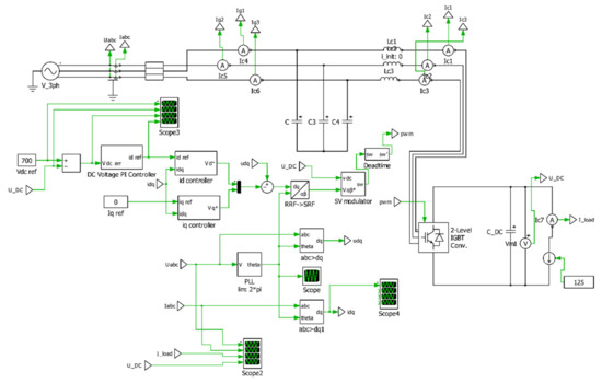
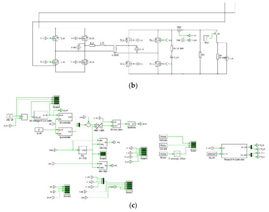
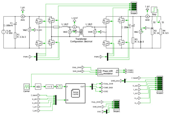
3. Simulation Model
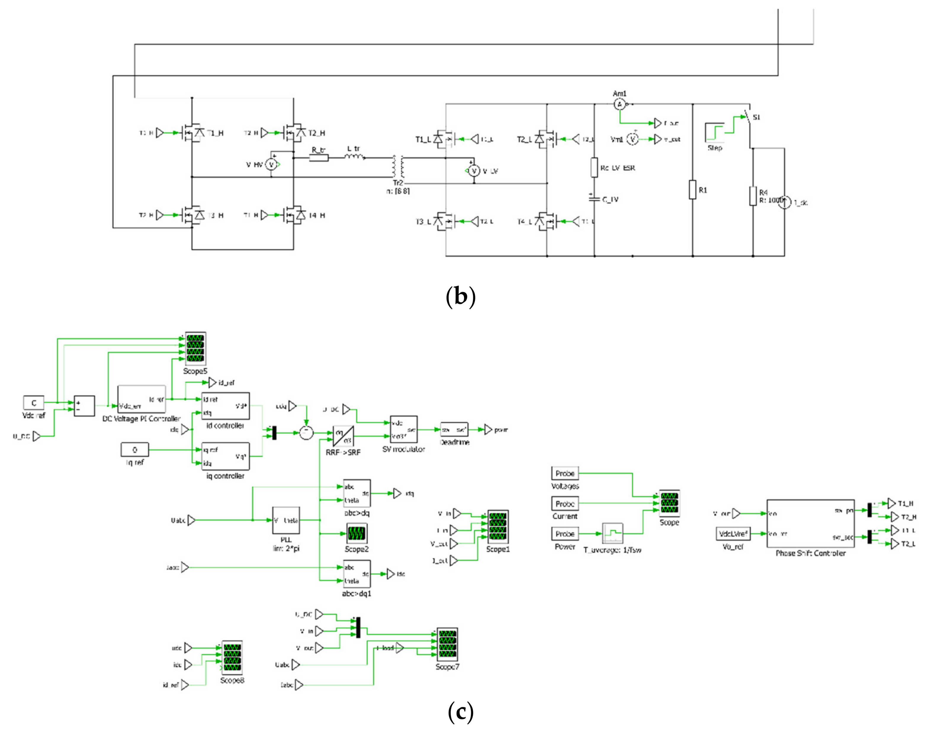
4. Experimental Model
5. Experimental Analysis
5.1. Experimental Test Bench
5.2. Unidirectional Charger with IGBT Technology
5.3. Bidirectional Charger with SiC Technology
5.4. Efficiency Measurement
6. Discussion and Conclusions
6.1. Conclusions
- −
- galvanic separation between the mains and the vehicle battery;
- −
- modular design, thanks to independent AC/DC and DC/DC converters, which considerably facilitates service work (possibility of replacing individual modules);
- −
- system scalability—the output power can be increased by connecting modules in parallel;
- −
- expansion with additional functionalities, including bidirectional operation and support for V2G systems with the use of a bidirectional DC/DC converter;
- −
- a wide range of output current and voltage regulation (on the vehicle side), thanks to the use of two levels of energy conversion, as a result of which the design can be adapted to various types of batteries.
6.2. Limitations and Future Works
Author Contributions
Funding
Institutional Review Board Statement
Informed Consent Statement
Data Availability Statement
Acknowledgments
Conflicts of Interest
References
- Rivera, S.; Kouro, S.; Vazquez, S.; Goetz, S.M.; Lizana, R.; Romero-Cadaval, E. Electric vehicle charging infrastructure: From grid to battery. IEEE Ind. Electron. Mag. 2021, 15, 37–51. [Google Scholar] [CrossRef]
- Matanov, N.; Zahov, A. Developments and Challenges for Electric Vehicle Charging Infrastructure. In Proceedings of the 2020 12th Electrical Engineering Faculty Conference (BulEF), Varna, Bulgaria, 9–12 September 2020; IEEE: Piscataway, NJ, USA, 2020; pp. 1–5. [Google Scholar] [CrossRef]
- Aji, P.; Renata, D.A.; Larasati, D.; Riza. Development of Electric Vehicle Charging Station Management System in Urban Areas. In Proceedings of the 2020 International Conference on Technology and Policy in Energy and Electric Power (ICT-PEP), Bandung, Indonesia, 23–24 September 2020; IEEE: Piscataway, NJ, USA, 2020; pp. 199–203. [Google Scholar] [CrossRef]
- Parchomiuk, M.; Moradewicz, A.; Gawiński, H. An Overview of Electric Vehicles Fast Charging Infrastructure. In Proceedings of the 2019 Progress in Applied Electrical Engineering (PAEE), Koscielisko, Poland, 17–21 June 2019; IEEE: Piscataway, NJ, USA, 2019; pp. 1–5. [Google Scholar] [CrossRef]
- Liu, K.; Hu, X.; Yang, Z.; Xie, Y.; Feng, S. Lithium-ion battery charging management considering economic costs of electrical energy loss and battery degradation. Energy Convers. Manag. 2019, 195, 167–179. [Google Scholar] [CrossRef]
- Li, J. Design and Control Optimisation of a Novel Bypass-Embedded Multilevel Multicell Inverter for Hybrid Electric Vehicle Drives. In Proceedings of the 2020 IEEE 11th International Symposium Power Electronics Distributed Generation Systems PEDG, Dubrovnik, Croatia, 28 September–1 October 2020; IEEE: Piscataway, NJ, USA, 2020; Volume 2, pp. 382–385. [Google Scholar]
- Liu, X.; Yu, F.; Mao, J.; Yang, H. Pre-and post-fault operations of six-phase electric-drive-reconstructed onboard charger for electric vehicles. IEEE Trans. Transp. Electrif. 2021, 7782, 1. [Google Scholar] [CrossRef]
- Liu, K.; Zou, C.; Li, K.; Wik, T. Charging pattern optimization for lithium-ion batteries with an electrothermal-aging model. IEEE Trans. Ind. Inform. 2018, 14, 5463–5474. [Google Scholar] [CrossRef]
- Tu, H.; Feng, H.; Srdic, S.; Lukic, S. Extreme fast charging of electric vehicles: A technology overview. IEEE Trans. Transp. Electrif. 2019, 5, 861–878. [Google Scholar] [CrossRef]
- Iyer, V.M.; Gulur, S.; Gohil, G.; Bhattacharya, S. Extreme fast charging station architecture for electric vehicles with partial power processing. In Proceedings of the 2018 IEEE Applied Power Electronics Conference and Exposition (APEC), San Antonio, TX, USA, 4–8 March 2018; IEEE: Piscataway, NJ, USA, 2018. [Google Scholar] [CrossRef]
- Foley, A.M.; Winning, I.J.; Gallachóir, B.P.Ó.Ó. State-of-the-art in electric vehicle charging infrastructure. In Proceedings of the 2010 IEEE Vehicle Power and Propulsion Conference, Lille, France, 1–3 September 2010; IEEE: Piscataway, NJ, USA, 2014; pp. 1–6. [Google Scholar] [CrossRef]
- Falvo, M.C.; Sbordone, D.; Bayram, I.S.; Devetsikiotis, M. EV charging stations and modes: International standards. In Proceedings of the 2014 International Symposium on Power Electronics, Electrical Drives, Automation and Motion, Ischia, Italy, 18–20 June 2014; IEEE: Piscataway, NJ, USA, 2014; pp. 1134–1139. [Google Scholar] [CrossRef]
- IEC. European Standard IEC 61851-1:2010. Electric Vehicle Conductive Charging System—Part 1: General Requirements; International Electrotechnical Commission: Geneva, Switzerland, 2010. [Google Scholar]
- IEC. European Standard IEC 61851-23:2014. Electric Vehicle Conductive Charging System—Part 23: DC Electric Vehicle Charging Station; International Electrotechnical Commission: Geneva, Switzerland, 2014. [Google Scholar]
- IEC. European Standard IEC 60364-1: Low-Voltage Electrical Installations; International Electrotechnical Commission: Geneva, Switzerland, 2005. [Google Scholar]
- IEC. European Standard IEC 61439-7: Low-Voltage Switchgear and Controlgear Assemblies—Part 7: Assemblies for Specific Applications Such as Marinas, Camping Sites, Market Squares, Electric Vehicle Charging Stations; International Electrotechnical Commission: Geneva, Switzerland, 2018. [Google Scholar]
- SAE. SAE Electric Vehicle and Plug in Hybrid Electric Vehicle Conductive Charge Coupler J1772; SAE International: Warrendale, PA, USA, 2010. [Google Scholar]
- IEC. European Standard IEC 61980 (TC69): Electric Vehicle Wireless Power Transfer (WPT) Systems; International Electrotechnical Commission: Geneva, Switzerland, 2020. [Google Scholar]
- Lee, Z.J.; Lee, G.; Lee, T.; Jin, C.; Lee, R.; Low, Z.; Chang, D.; Ortega, C.; Low, S.H. Adaptive charging networks: A framework for smart electric vehicle charging. IEEE Trans. Smart Grid 2021, 12, 4339–4350. [Google Scholar] [CrossRef]
- Coignard, J.; MacDougall, P.; Stadtmueller, F.; Vrettos, E. Will electric vehicles drive distribution grid upgrades?: The case of California. IEEE Electrif. Mag. 2019, 7, 46–56. [Google Scholar] [CrossRef]
- Yilmaz, M.; Krein, P.T. Review of Battery Charger Topologies, Charging Power Levels, and Infrastructure for Plug-In Electric and Hybrid Vehicles. IEEE Trans. Power Electron. 2012, 28, 2151–2169. [Google Scholar] [CrossRef]
- Tran, V.T.; Sutanto, D.; Muttaqi, K.M. The state of the art of battery charging infrastructure for electrical vehicles: Topologies, power control strategies, and future trend. In Proceedings of the 2017 Australasian Universities Power Engineering Conference (AUPEC), Melbourne, VIC, Australia, 19–22 November 2017; IEEE: Piscataway, NJ, USA, 2018. [Google Scholar] [CrossRef] [Green Version]
- Wali, K.; Koubaa, R.; Krichen, L. Cost benefit smart charging schedule for V2G applications. In Proceedings of the 2019 16th International Multi-Conference on Systems, Signals & Devices (SSD’2019), Istanbul, Turkey, 21–24 March 2019; IEEE: Piscataway, NJ, USA, 2019; pp. 34–39. [Google Scholar] [CrossRef]
- Kratz, S.; Hanses, P.; Krueger, B.; Wegener, R.; Soter, S. Integration of second life batteries into a smart overhead contact system based on SiC-technology. In Proceedings of the 2019 IEEE Transportation Electrification Conference and Expo (ITEC), Detroit, MI, USA, 19–21 June 2019; IEEE: Piscataway, NJ, USA, 2019. [Google Scholar] [CrossRef]
- Zhu, C.; Xu, J.; Liu, K.; Li, X. Feasibility analysis of transportation battery second life used in backup power for communication base station. In Proceedings of the 2017 IEEE Transportation Electrification Conference and Expo, Asia-Pacific (ITEC Asia-Pacific), Chicago, IL, USA, 22–24 June 2017; IEEE: Piscataway, NJ, USA, 2017. [Google Scholar] [CrossRef]
- Liu, K.; Yang, Z.; Tang, X.; Cao, W. Automotive battery equalizers based on joint switched-capacitor and buck-boost converters. IEEE Trans. Veh. Technol. 2020, 69, 12716–12724. [Google Scholar] [CrossRef]
- Liu, K.; Hu, X.; Zhou, H.; Tong, L.; Widanage, W.; Marco, J. Feature analyses and modelling of lithium-ion batteries manufacturing based on random forest classification. IEEE/ASME Trans. Mechatron 2021. [Google Scholar] [CrossRef]
- Wolski, K.; Grzejszczak, P.; Szymczak, M.; Barlik, R. Closed-form formulas for automated design of sic-based phase-shifted full bridge converters in charger applications. Energies 2021, 14, 5380. [Google Scholar] [CrossRef]
- Texas Instruments Design Guide: TIDA-010054. Bidirectional, Dual Active Bridge Reference Design for Level 3 Electric Vehicle Charging Stations. 2021. Available online: www.ti.com (accessed on 9 September 2021).
- Akhila, P.M.; Devi, V. A high frequency resonant EF2 converter for electric vehicle charging. In Proceedings of the 2018 International Conference on Power, Signals, Control and Computation (EPSCICON), Thrissur, India, 6–10 January 2018; IEEE: Piscataway, NJ, USA, 2018; pp. 1–8. [Google Scholar] [CrossRef]
- Dan Gumera, X.; Caberos, A.; Huang, S. Design and Implementation of a High Efficiency Cost Effective EV Charger Using LLC Resonant Converter. In Proceedings of the 2017 Asian Conference on Energy, Power and Transportation Electrification (ACEPT), Singapore, 24–26 October 2017; IEEE: Piscataway, NJ, USA, 2017; pp. 1–6. [Google Scholar] [CrossRef]
- Kim, D.-H.; Kim, M.-S.; Nengroo, S.H.; Kim, C.-H.; Kim, H.-J. LLC resonant converter for LEV (Light Electric Vehicle) fast chargers. Electronics 2019, 8, 362. [Google Scholar] [CrossRef] [Green Version]
- Hua, C.; Fang, Y.; Lin, C. A new LLC converter for electric vehicles battery charger. In Proceedings of the 2015 18th International Conference on Electrical Machines and Systems (ICEMS), Pattaya, Thailand, 25–28 October 2015; IEEE: Piscataway, NJ, USA, 2015; pp. 768–772. [Google Scholar] [CrossRef]
- Zahid, Z.U.; Dalala, Z.; Lai, J.J. Design and control of bidirectional resonant converter for Vehicle-to-Grid (V2G) applications. In Proceedings of the IECON 2014—40th Annual Conference of the IEEE Industrial Electronics Society, Dallas, TX, USA, 29 October–1 November 2014; IEEE: Piscataway, NJ, USA, 2015; pp. 1370–1376. [Google Scholar] [CrossRef]
- Arazi, M.; Payman, A.; Camara, M.B.; Dakyo, B. Analysis of a bidirectional resonant converter for wide battery voltage range in electric vehicles application. In Proceedings of the 2017 IEEE Vehicle Power and Propulsion Conference (VPPC), Belfort, France, 11–14 December 2017; IEEE: Piscataway, NJ, USA, 2018; pp. 1–6. [Google Scholar] [CrossRef]
- Han, J.; Zhou, X.; Lu, S.; Zhao, P. A Three-Phase Bidirectional Grid-Connected AC/DC Converter for V2G Applications. J. Control Sci. Eng. 2020, 2020, 1–12. [Google Scholar] [CrossRef]
- Jasinski, M.; Wrona, G.; Piasecki, S. Control of grid connected converter (GCC) under grid voltage disturbances. In Advanced and Intelligent Control in Power Electronics and Drives; Orlowska-Kowalska, T., Blaabjerg, F., Rodriguez, J., Eds.; Springer: Berlin/Heidelberg, Germany, 2014; Volume 531, pp. 91–142. [Google Scholar]
- Teodorescu, R.; Liserre, M.; Rodríguez, P. Grid Converters for Photovoltaic and Wind Power Systems; Wiley-IEEE: New York, NY, USA, 2007. [Google Scholar]
- Elma, O.; Adham, M.I.; Gabbar, H.A. Effects of Ultra-Fast Charging System for Battery Size of Public Electric Bus. In Proceedings of the 2020 IEEE 8th International Conference on Smart Energy Grid Engineering (SEGE), Oshawa, ON, Canada, 12–14 August 2020; IEEE: Piscataway, NJ, USA, 2020. [Google Scholar] [CrossRef]
- Leone, C.; Longo, M. Modular approach to ultra-fast charging stations. J. Electr. Eng. Technol. 2021, 16, 1971–1984. [Google Scholar] [CrossRef]
- Piasecki, S.; Jasiński, M.; Milicua, A. Brief view on control of grid-interfacing AC-DC-AC converter and active filter under unbalanced and distorted voltage conditions. COMPEL Int. J. Comput. Math. Electr. 2011, 30, 351–373. [Google Scholar] [CrossRef]
- Battery Second Use for Plug-In Electric Vehicles. Available online: https://www.nrel.gov/transportation/battery-second-use.html (accessed on 20 September 2021).
- Rosso, R.; Wang, X.; Liserre, M.; Lu, X.; Engelken, S. Grid-forming converters: An overview of control approaches and future trends. In Proceedings of the 2020 IEEE Energy Conversion Congress and Exposition (ECCE), Detroit, MI, USA, 11–15 October 2020; IEEE: Piscataway, NJ, USA, 2020; pp. 4292–4299. [Google Scholar] [CrossRef]
- San-Sebastián, J.; Etxeberria-Otadui, I.; Rujas, A.; Barrena, J.A.; Rodriguez, P. Optimized LCL filter design methodology applied to MV grid-connected multimegawatt VSC. In Proceedings of the IEEE Energy Conversion Congress and Exposition (ECCE 2012), Raleigh, NC, USA, 15–20 September 2012; IEEE: Piscataway, NJ, USA, 2012; pp. 2506–2512. [Google Scholar]
- Muhlethaler, J.; Schweizer, M.; Blattmann, R.; Kolar, J.W.; Ecklebe, A. Optimal design of LCL harmonic filters for three-phase pfc rectifiers. IEEE Trans. Power Electron. 2013, 28, 3114–3125. [Google Scholar] [CrossRef]
- Jalili, K.; Bernet, S. Design of LCL Filters of Active-Front-End Two-Level Voltage-Source Converters. IEEE Trans. Ind. Electron. 2009, 56, 1674–1689. [Google Scholar] [CrossRef]
- Bloemink, J.M.; Green, T.C. Reducing passive filter sizes with tuned traps for distribution level power electronics. In Proceedings of the 14th European Conference on Power Electronics and Applications (EPE 2011), Birmingham, UK, 30 August–1 September 2011; IEEE: Piscataway, NJ, USA, 2011; pp. 1–9. [Google Scholar]
- Liserre, M.; Blaabjerg, F.; Hansen, S. Design and control of an LCL-filter-based three-phase active rectifier. IEEE Trans. Ind. Appl. 2005, 41, 1281–1291. [Google Scholar] [CrossRef]
- Teichmann, R.; Malinowski, M.; Bernet, S. Evaluation of three-level rectifiers for low-voltage utility applications. IEEE Trans. Ind. Electron. 2005, 52, 471–481. [Google Scholar] [CrossRef]
- Piasecki, S. High order line filters for grid connected AC-DC converter—parameters selection and optimization. In Proceedings of the 23rd IEEE International Symposium on Industrial Electronics (ISIE 2014), Istanbul, Turkey, 1–4 June 2014; IEEE: Piscataway, NJ, USA, 2014; pp. 2687–2692. [Google Scholar]
- Piasecki, S.; Cantarellas, A.M.; Rabkowski, J.; Rodriguez, P. Design of AC-DC power converters with LCL + tuned trap line filter using Si IGBT and SiC MOSFET modules. In Proceedings of the 39th Annual Conference of the IEEE Industrial Electronics Society (IECON 2013), Vienna, Austria, 10–13 November 2013; IEEE: Piscataway, NJ, USA, 2013; pp. 5955–5960. [Google Scholar]
- Styński, S. Analysis and Control of Multilevel AC–DC–AC Flying Capacitor Converter Fed from Single–Phase Grid. Ph.D. Thesis, Warsaw University of Technology, Warsaw, Poland, 2011. [Google Scholar]
- Kołomyjski, W. Modulation Strategies for Three-level PWM Converter-Fed Induction Machine Drives. Ph.D. Thesis, Warsaw University of Technology, Warsaw, Poland, 2009. [Google Scholar]
- Kazmierkowski, M.P.; Krishnan, R.; Blaabjerg, F. Control in Power Electronics. Selected Problems; Academic Press: Cambridge, MA, USA, 2002. [Google Scholar]
- Jasinski, M.; Wrona, G.; Piasecki, S. Advanced and Intelligent Control in Power Electronics and Drives, Chapter 3: Control of Grid Connected Converter (GCC) Under Grid Voltage Disturbances; Springer International Publishing: New York, NY, USA, 2014; Volume 531. [Google Scholar]
- Jasinski, M. Direct Power and Torque Control of AC/DC/AC Converter-Fed Induction Motor Drives. Ph.D. Thesis, Warsaw University of Technology, Warsaw, Poland, 2005. [Google Scholar]
- Malinowski, M. Sensorless Control Strategies for Three—Phase PWM Rectifiers. Ph.D. Thesis, Warsaw University of Technology, Warsaw, Poland, 2001. [Google Scholar]
- Farzan Moghaddam, A.; Van den Bossche, A. Flyback converter balancing technique for lithium based batteries. In Proceedings of the 2019 8th International Conference on Modern Circuits and Systems Technologies (MOCAST), Thessaloniki, Greece, 13–15 May 2019; IEEE: Piscataway, NJ, USA, 2019; pp. 1–4. [Google Scholar] [CrossRef]
- Yang, J.-W.; Do, H.-L. Soft-Switching Dual-Flyback DC–DC Converter with Improved Efficiency and Reduced Output Ripple Current. IEEE Trans. Ind. Electron. 2017, 64, 3587–3594. [Google Scholar] [CrossRef]
- Ekkaravarodome, C.; Bilsalam, A.; Pattarapongsathit, W.; Thounthong, P. DC-DC high conversion ratio push-pull resonant converter based on voltage double rectifier. In Proceedings of the 2019 Research, Invention, and Innovation Congress (RI2C), Bangkok, Thailand, 11–13 December 2019; IEEE: Piscataway, NJ, USA, 2019; pp. 1–5. [Google Scholar] [CrossRef]
- Barlik, R.; Nowak, M.; Grzejszczak, P. Power transfer analysis in a single phase dual active bridge. Bull. Pol. Acad. Sci. Tech. Sci. 2013, 61, 809–828. [Google Scholar] [CrossRef] [Green Version]
- Baba, S.; Bachman, S.; Jasinski, M.; Zelechowski, M. WBG-based PEBB module for high reliability power converters. IEEE Access 2021, 9, 1. [Google Scholar] [CrossRef]
- Bachman, S.; Baba, S.; Jasinski, M. A wide-bandgap based Power Electronic Building Block for reliable modular power converter. In Proceedings of the 2021 IEEE 19th International Power Electronics and Motion Control Conference (PEMC), Gliwice, Poland, 25–29 April 2021; IEEE: Piscataway, NJ, USA, 2021; pp. 46–52. [Google Scholar] [CrossRef]
- Hillers, A.; Christen, D.; Biela, J. Design of a highly efficient bidirectional isolated LLC resonant converter. In Proceedings of the 2012 15th International Power Electronics and Motion Control Conference (EPE/PEMC), Novi Sad, Serbia, 4–6 September 2012; IEEE: Piscataway, NJ, USA, 2013; pp. DS2b.13-1–DS2b.13-8. [Google Scholar] [CrossRef]
- Rahman, A.N.; Lee, C.; Chiu, H.; Hsieh, Y. Bidirectional Three-Phase LLC Resonant Converter. In Proceedings of the 2018 IEEE Transportation Electrification Conference and Expo, Asia-Pacific (ITEC Asia-Pacific), Bangkok, Thailand, 6–9 June 2018; IEEE: Piscataway, NJ, USA, 2018; pp. 1–5. [Google Scholar] [CrossRef]
- Krismer, F. Modeling and Optimization of Bidirectional Dual Active Bridge DC–DC Converter Topologies. Ph.D. Thesis, ETH Zürich, Zürich, Switzerland, 2010. [Google Scholar]
- JJung, J.-H.; Kim, H.-S.; Kim, J.-H.; Ryu, M.-H.; Baek, J.-W. High efficiency bidirectional LLC resonant converter for 380V DC power distribution system using digital control scheme. In Proceedings of the 2012 Twenty-Seventh Annual IEEE Applied Power Electronics Conference and Exposition (APEC), Orlando, FL, USA, 5–9 February 2012; IEEE: Piscataway, NJ, USA, 2012; pp. 532–538. [Google Scholar] [CrossRef]
- Chen, W.; Rong, P.; Lu, Z. Snubberless Bidirectional DC–DC Converter with New CLLC Resonant Tank Featuring Minimized Switching Loss. IEEE Trans. Ind. Electron. 2009, 57, 3075–3086. [Google Scholar] [CrossRef]
- Piasecki, S.; Szmurlo, R.; Rabkowski, J.; Kazmierkowski, M.P. Advances in data analysis with computational intelligence methods. In A Method of Design and Optimization for SiC-Based Grid-Connected AC-DC Converters; Springer International Publishing: New York, NY, USA, 2018; pp. 395–412. [Google Scholar] [CrossRef]
- Piasecki, S.; Szmurło, R.; Rąbkowski, J.; Jasiński, M. Dedicated system for design, analysis and optimization of the AC-DC converters. Bull. Pol. Acad. Sci. Tech. Sci. 2016, 64, 897–905. [Google Scholar] [CrossRef] [Green Version]























| Topology | Number of Active Switches | Voltage Range | Additional Components |
|---|---|---|---|
| 2-level VSC | 6 | Full UDC (1200 V) | Bigger input filter |
| 3-level FLC | 12 | Half UDC (650 V) | 3 phase capacitors |
| 3-level NPC | 12 | Half UDC (650 V) | 6 clamping diodes |
| 3-level T-type | 12 | Full UDC (1200 V) Half UDC (650 V) | 6 capacitors |
| Property | 2-Level VSC | 3-Level FLC | 3-Level NPC | 3-Level T-Type |
|---|---|---|---|---|
| Price | + | − | − | − |
| Reliability | + | +− | +− | − |
| Number of switches | + | − | − | − |
| Complexity | + | − | − | − |
| Filter Volume | − | + | + | + |
| Switching losses | − | + | + | + |
| EMI | + | − | − | +− |
| Volume | + | − | − | +− |
| Property | SAB | DAB | DAB-CLLC |
|---|---|---|---|
| Price | + | +− | − |
| Reliability | + | +− | − |
| Number of switches | + | − | − |
| Complexity | + | +− | − |
| Voltage regulation range | +− | + | + |
| Volume | + | +− | − |
| Switching losses | − | + | + |
| Bi−directionality | − | + | + |
| AC/DC Converter | Si Technology | SiC Technology |
|---|---|---|
| Technology | Si | SiC |
| Topology | 2-level | 2-level |
| Transistor modules | Fuji 2MBI300VN-120 | Infineon FF11MR12W1M1B11BOMA1 |
| Nominal current AC | 78 A | 78 A |
| Nominal voltage AC | 3 × 400 V | 3 × 400 V |
| Line filter | LC | LC |
| Switching frequency | 8 kHz | 12 kHz |
| Nominal current DC | 80 A | 80 A |
| Nominal voltage DC | 670 V | 670 V |
| DC/DC Converter | Uni-Directional (Si) | Bi-Directional (SiC) |
|---|---|---|
| Technology | Si | SiC |
| Topology | Single Active Bridge (SAB) | Dual Active Bridge (DAB) |
| Transistor modules | Fuji 2MBI450VN-120 | Infineon FF8MR12W2M1B11BOMA1 |
| Nominal current IN | 0 … 80 A | 0 … 80 A |
| Nominal voltage IN | 650 V | 650 V |
| Switching frequency | 10–12 kHz | 20 kHz |
| Nominal current OUT | 0–125 A | 0–125 A |
| Nominal voltage OUT | 50–500 V | 50–500 V |
Publisher’s Note: MDPI stays neutral with regard to jurisdictional claims in published maps and institutional affiliations. |
© 2021 by the authors. Licensee MDPI, Basel, Switzerland. This article is an open access article distributed under the terms and conditions of the Creative Commons Attribution (CC BY) license (https://creativecommons.org/licenses/by/4.0/).
Share and Cite
Piasecki, S.; Zaleski, J.; Jasinski, M.; Bachman, S.; Turzyński, M. Analysis of AC/DC/DC Converter Modules for Direct Current Fast-Charging Applications. Energies 2021, 14, 6369. https://doi.org/10.3390/en14196369
Piasecki S, Zaleski J, Jasinski M, Bachman S, Turzyński M. Analysis of AC/DC/DC Converter Modules for Direct Current Fast-Charging Applications. Energies. 2021; 14(19):6369. https://doi.org/10.3390/en14196369
Chicago/Turabian StylePiasecki, Szymon, Jaroslaw Zaleski, Marek Jasinski, Serafin Bachman, and Marek Turzyński. 2021. "Analysis of AC/DC/DC Converter Modules for Direct Current Fast-Charging Applications" Energies 14, no. 19: 6369. https://doi.org/10.3390/en14196369
APA StylePiasecki, S., Zaleski, J., Jasinski, M., Bachman, S., & Turzyński, M. (2021). Analysis of AC/DC/DC Converter Modules for Direct Current Fast-Charging Applications. Energies, 14(19), 6369. https://doi.org/10.3390/en14196369

