Next Article in Journal
Monitoring the Geometry Morphology of Complex Hydraulic Fracture Network by Using a Multiobjective Inversion Algorithm Based on Decomposition
Previous Article in Journal
Quantitative Evaluation Methods of Cluster Wind Power Output Volatility and Source-Load Timing Matching in Regional Power Grid
 
 
Font Type:
Arial Georgia Verdana
Font Size:
Aa Aa Aa
Line Spacing:
Column Width:
Background:
Article

Minimization of Output Voltage Ripple of Two-Phase Interleaved Buck Converter with Active Clamp

1
Department of Ph.D. Program, Prospective Technology of Electrical Engineering and Computer Science, National Chin-Yi University of Technology, No. 57, Sec. 2, Zhongshan Road, Taiping District, Taichung 41170, Taiwan
2
Department of Electrical Engineering, National Chin-Yi University of Technology, No. 57, Sec. 2, Zhongshan Road, Taiping District, Taichung 41170, Taiwan
3
Department of Electrical Engineering, National Taipei University of Technology, No. 1, Sec. 3, Zhongxiao East Road, Taipei 10608, Taiwan
4
Department of Electrical Engineering, Feng Chia University, No. 100, Wenhwa Road, Seatwen, Taichung 40724, Taiwan
*
Author to whom correspondence should be addressed.
Energies 2021, 14(16), 5215; https://doi.org/10.3390/en14165215
Submission received: 15 July 2021 / Revised: 17 August 2021 / Accepted: 20 August 2021 / Published: 23 August 2021

Abstract

:
A control technique combining pulse width modulation (PWM) and pulse amplitude modulation (PAM) is presented herein to reduce the output voltage ripple of the converter as little as possible. Such a converter requires a two-stage cascaded structure. The first stage is the buck-boost converter, which is used to adjust the output voltage of the second power stage, whereas the second stage is the two-phase interleaved buck converter, which is used to reduce the output voltage ripple. In theory, the two phases of the second stage operate under the condition of individual duty cycles of 50% with a phase difference of 180 ° between the two, and hence, the currents in the two phases are cancelled for any period of time, thereby making the output voltage of the converter almost voltage-free. Moreover, in order to improve the overall efficiency further, the proposed soft-switching technique based on an active clamp is presented and applied to these two stages to render the main and auxiliary switches turned on with zero-voltage switching (ZVS). Finally, the operating principles and control strategies of the proposed converter are described, and then, their effectiveness is verified by experimental results.

1. Introduction

As far as the switching DC-DC power supply is concerned, due to the switching of the power switch, the inductor current is a time-varying current, and when the AC component of this current flows through the output capacitor, output voltage ripples will be generated. Due to excessive output voltage ripple, the reliability of the switching DC-DC power supply will be decreased.
Conventionally, reducing the output voltage ripple is nothing more than increasing the switching frequency or increasing the value of the output capacitor, but increasing the switching frequency will increase the switching loss of the power switch, whereas increasing the output capacitor will not only increase the cost but also reduce the stability of the system. Therefore, the literature [1,2] proposed the use of multiphase interleaved control, which reduces the current flowing into the output capacitor by increasing the switching frequency and using the interleaved control, thereby reducing the output voltage ripple. However, this structure will affect the output voltage ripple when the input voltage fluctuates or the load fluctuates, and hence, the effect of reducing the output voltage ripple is insignificant. The literature [3,4] uses external passive components, such as transformers, capacitors, and inductors, to generate an AC current that is opposite to the main inductor current to reduce the output voltage ripple, but if this method is applied to the N-phase structure, the added auxiliary components will cause the circuit to be bulky, which will increase the difficulty of circuit analysis.
The literature [5] uses the concept of current injection to inject a current opposite to the inductor current through an external operational amplifier circuit. However, when this method is applied to a continuous conduction mode (CCM) converter, it will not be able to use the current transformer (CT) to detect the inductor current, and due to the bandwidth limitation, the hall sensor cannot be used. Therefore, only the current detection resistor can be used, which will increase the conduction loss. Hence, this structure is not suitable for high current output. In order to overcome the above-mentioned problems, this paper proposes a two-stage step-down structure. The first power stage adopts a buck-boost converter and the second power stage adopts a two-phase interleaved buck converter; the proposed structure has the following characteristics: (i) the output voltage ripple will not change due to input voltage changes; (ii) load changes have little effect on the output voltage ripple; (iii) the second power stage adopts an interleaved structure, so it is suitable for large current output applications; (iv) the circuit design and control method are simple. Since the second power stage uses a two-phase interleaved structure, when the line impedance of each phase is different and the components of each phase are slightly different, the two-phase currents will be unbalanced. As the converter operating time increases, it is more likely to cause the inductor to saturate or the components to age due to overheating. As a result, the performance of the converter will be reduced. Therefore, current-sharing control must be added to fine-tune the duty cycles of the second power stage to achieve the purpose of current sharing. The literature [6,7,8] proposes current-sharing techniques, but these methods must stabilize the output voltage as well as balance the current of each phase, so the effect of reducing the output current ripple is limited.
In the early days of the soft-switching technology, a full-resonance or semi-resonance structure was used [9,10], which mainly used auxiliary inductors in series with power switches in the circuit and auxiliary capacitors in parallel with power switches to form a resonance circuit so as to achieve zero-voltage or zero-current switching. When the voltage resonance reaches zero, the power switch is turned on to achieve zero-voltage switching (ZVS); when the current resonance reaches zero, the power switch is turned off to achieve zero-current switching (ZCS). Although the switching loss can be reduced by using this method, the power switch must withstand high voltage/current stress during resonance, and it must use high rated voltage/current specifications and high turn-on resistance, which increases circuit cost and conduction loss. In addition, the turn-on and turn-off time of the power switch are determined by the resonance frequency, so variable frequency control must be utilized, which makes the design of the filter difficult.
Later, active clamp [11,12,13], zero-voltage transition [14,15,16], and zero-current transition [17,18] technologies were developed. The active clamping technology is a resonant circuit formed by external inductors, capacitors, and power switches. Before the main power switch is turned on, the energy of the main power switch is pumped away to achieve zero-voltage switching and clamp the peak voltage on the switch. In addition, the switching frequency does not change with changes in load and input voltage.
As far as the zero-voltage transition and zero-current transition technology is concerned, it is through the additional auxiliary circuit that the auxiliary switch is turned on before the main power switch is turned on, and the transient resonance technique is used to make the main power switch reach zero voltage or current switching. In the multiphase structure, the literature [19,20] proposes the use of additional auxiliary circuits to achieve soft switching, but due to the addition of too many auxiliary components, not only circuit cost but also conduction loss is increased. The literature [21] proposed a zero-voltage transition technology for a multiphase converter. In a two-phase power stage, the same resonance circuit is used to achieve zero-voltage transition. However, this structure uses variable frequency control, which makes the design of the filter difficult.
Based on the aforementioned, in order to get quite small output ripple and stabilize the output voltage, the two-stage cascaded circuit adopted herein is that the first stage regulates the system output voltage under negative feedback control by sensing the system output voltage, and the second stage regulates the phase currents under a constant duty of about 0.5 with current-sharing control. However, in general, the efficiency of the two-stage structure is lower than that of the single-stage structure. Consequently, the proposed soft-switching technology based on active clamp is applied to these two stages to improve the overall efficiency.

2. Proposed Circuit System

Figure 1 shows the proposed two-stage circuit system. The first stage is constructed by a buck-boost converter with active clamp, and the second stage is built up by a two-phase interleaved buck converter with an active clamp. The first stage is used to control the system output voltage, and the second stage is used to control the system output voltage ripple as little as possible. As for voltage feedback control, the sensed analog system output voltage is sent to the analog-to-digital converter (ADC) after the voltage follower so as to get the corresponding digital signal. Afterwards, this digital signal is transferred to the FPGA via the serial peripheral interface (SPI) to obtain the desired control force after the voltage proportional–integral (PI) controller. On the other hand, as for the current-sharing control to be considered, the sensed analog currents in the switches Sm2 and Sm3 are sent to the ADC after the current-sensing transformers CT1 and CT2 and then to the FPGA via the SPI to obtain the desired control force after the current-sharing PI controller. Based on these two control forces and the PWM generator, the associated gate driving signals for all the switches are created. It is noted that in order to achieve the minimal system output voltage ripple, the two gate driving signals for the switches Sm2 and Sm3 should be shifted by 180 degrees in relation to each other, and the corresponding duty cycles are regulated in the vicinity of 0.5.

3. Basic Operating Principles

The proposed converter is a combination of the buck-boost converter with an active clamp and the two-phase interleaved boost converter with an active clamp.
Before analyzing the circuit operation principle, the following assumptions are made: (1) all the power switches and diodes are considered ideal; (2) the inductance and capacitance have no internal resistance; (3) the input inductance is extremely large and can be regarded as an ideal constant current source; (4) the output capacitance is very large and can be regarded as an ideal constant voltage source; (5) the circuit operates in the continuous conduction mode (CCM) in the steady state; (6) the capacitance of the clamp capacitor is much larger than the capacitance of the resonant capacitor, which is equal to the parasitic capacitance of the switch; and (7) the capacitance of the clamp capacitor is large enough such that the voltage on this capacitor can be regarded as a fixed value.

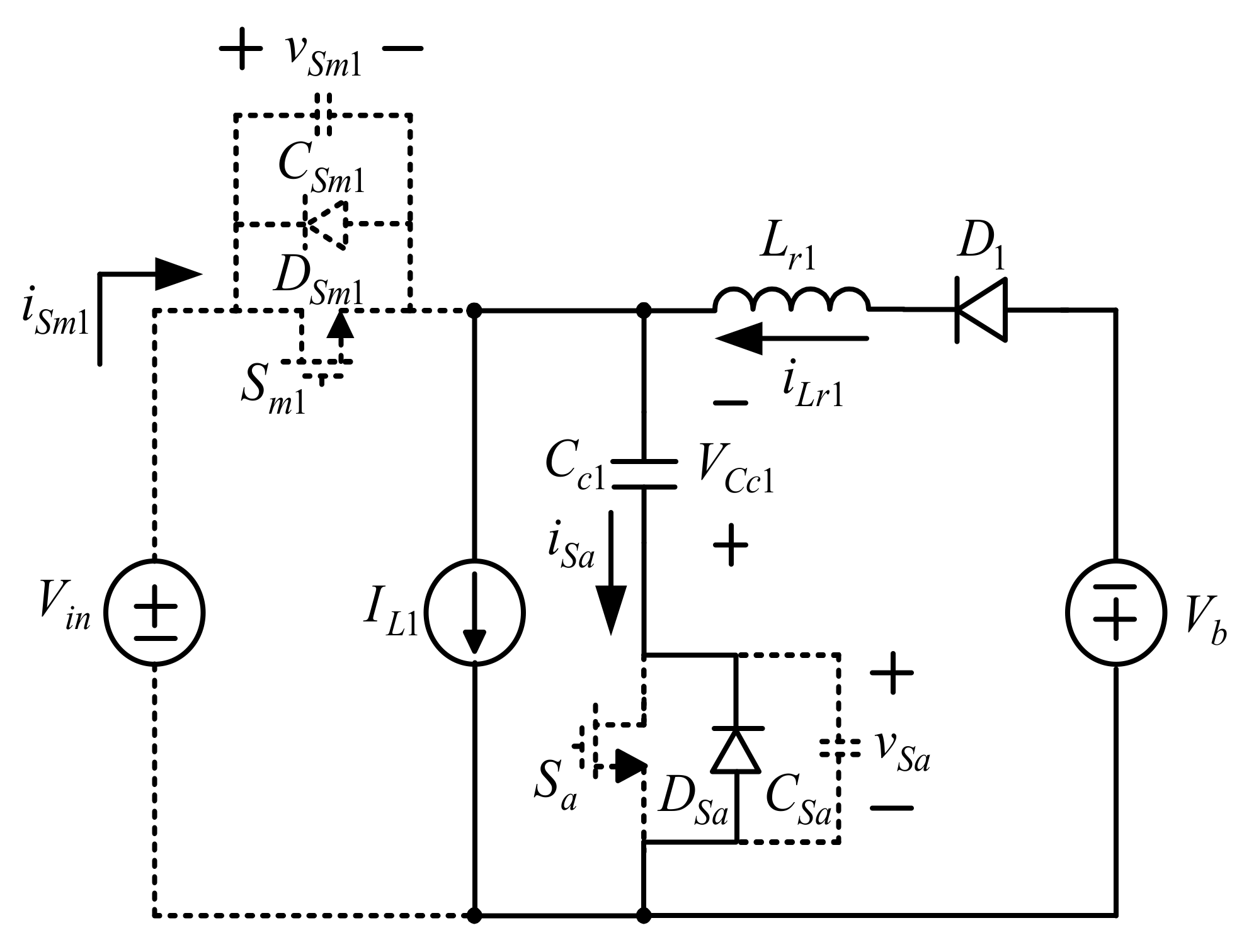
3.1. First-Stage Operating Principles

First, define the symbols of the components, voltages, and currents as shown in Figure 2 and Figure 3: (i) the voltage Vin is the input voltage, namely, system input voltage; (ii) the voltage Vb is the first-stage output voltage; (iii) the current IL1 is the DC current flowing through the main inductor L1; (iv) the diodes DSm1 and DSm2 are the parasitic diodes of the main switch Sm1 and the auxiliary switch Sa, respectively; (v) the capacitors CSm1 and CSa are the parasitic capacitors of Sm1 and Sa, respectively; (vi) the currents iSm1 and iSa are the currents flowing through Sm1 and Sa, respectively; (vii) the voltages vSm1 and vSa are the voltages on Sm1 and Sa, respectively; (viii) the capacitor Cc1 is the clamping capacitor; (ix) the inductor Lr1 is the resonance inductor; (x) the diode D1 is the output diode; (xi) the capacitor Cb is the output capacitor; (xii) the resistor Rb is the output load resistor; (xiii) the voltage vSa is the voltage on Sa; (xiv) the voltage VCc1 is the voltage on Cc1; and (xv) the current iLr1 is the current flowing through Lr1.
Based on the above definitions, Figure 2 can be simplified to the equivalent circuit shown in Figure 3. There are nine operating states over one PWM cycle, as shown in Figure 4. In addition, in Figure 5, Figure 6, Figure 7, Figure 8, Figure 9, Figure 10, Figure 11, Figure 12 and Figure 13, the current flow is indicated by the real line, and no current flow is denoted by the dotted line; Table 1 shows the corresponding soft-switching states and types.

3.1.1. State 1: [ t 0 t t 1 ]

As shown in Figure 5, before the time instant t0, the resonant inductor current iLr1 is larger than main inductor current IL1, making the body diode Dsm1 of the main switch Sm1 conducted. In this time, the auxiliary switch Sa is cut off. When the time reaches t0, Sm1 is turned on with ZVS, and afterwards the current iSm1 rises from negative to zero. Once the resonant inductor current iLr is equal to the main inductor current IL1, this state comes to an end. The initial condition in this state is
i L r 1 ( t 0 ) = I L 1 i S m 1 ( t 0 ) .
The corresponding state equation is
i L r 1 ( t ) = ( V b + V i n ) L r 1 ( t t 0 ) + i L r 1 ( t 0 ) .
As t = t 1 , i L r 1 ( t 1 ) = I L 1 , the elapsed time is Δ t 1 , which can be expressed as
Δ t 1 = t 1 t 0 = i L r 1 ( t 0 ) I L 1   L r 1 V b + V i n .

3.1.2. State 2: [ t 1 t t 2 ]

As shown in Figure 6, when the time reaches t1, the resonant inductor current iLr1 is smaller than the main inductor current IL1, making the current iSm1 begin to rise from zero to positive. The moment iLr1 falls to zero, the diode D1 is turned off, and this state comes to an end. The initial condition in this state is
i L r 1 ( t 1 ) = I L 1 .
The corresponding state equation is
i L r 1 ( t ) = ( V b + V i n ) L r 1 ( t t 1 ) + i L r 1 ( t 1 ) .
As t = t 2 , i L r 1 ( t 2 ) = 0 . The elapsed time is Δ t 2 , which can be expressed as
Δ t 2 = t 2 t 1 = I L 1 L r 1 V b + V i n .

3.1.3. State 3: [ t 2 t t 3 ]

As shown in Figure 7, when the diode D1 is cut off, the operation goes into state 3. At this instant, the main switch Sm1 is turned on. This state is the same as the traditional boost converter working in state 1. The elapsed time Δ t 3 can be expressed to
Δ t 3 = D T s Δ t 1 Δ t 2
where D and Ts are the duty cycle and switching period of the gate driving single for the main switch Sm1, respectively.

3.1.4. State 4: [ t 3 t t 4 ]

As shown in Figure 8, when the main switch Sm1 is cut off, this state begins. The main inductor current IL1 charges the parasitic capacitor CSm1, making the voltage across Sm1, called vSm1, begin to rise. According to KVL, it can be known that V i n + V C c 1 = V S m 1 + V S a . Therefore, the voltage across the auxiliary switch Sa, called vSa, begins to fall. As the voltage vSa drops to zero, this state comes to the end. The initial condition in this state is
i L r 1 ( t 3 ) = 0 ,   v S a ( t 3 ) = V C c 1 + V i n   and   v S m 1 ( t 3 ) = 0 .
Via Figure 8, the corresponding state equation can be obtained to be
i L r 1 ( t ) = I L 1 1 cos ω 1 ( t t 3 ) V i n + V b Z 1 sin ω 1 ( t t 3 ) v S a ( t ) = V C c 1 + V i n I L 1 Z 1 sin ω 1 ( t t 3 ) ( V i n + V b ) 1 cos ω 1 ( t t 3 ) v S m 1 ( t ) = I L 1 Z 1 sin ω 1 ( t t 3 ) + ( V i n + V b ) 1 cos ω 1 ( t t 3 )
where
C S m 1 = C S a = C S 1 ,   ω 1 = 1 2 C S 1 L r 1 ,   and   Z 1 = L r 1 2 C S 1 .
In addition, cos ω 1 ( t 4 t 3 ) 1 and sin ω 1 ( t 4 ~ t 3 ) ω 1 ( t 4 t 3 ) under the condition that ω 1 ( t 4 t 3 ) 0 . Based on this, the vSm1(t4) equation can be rewritten to
v S m 1 ( t 4 ) = I L 1 Z 1 ω 1 ( t 4 t 3 ) .
As t = t 4 , V S m 1 ( t 4 ) = V C c 1 + V i n . The corresponding elapsed time is Δ t 4 , which can be expressed as
Δ t 4 = t 4 t 3 = V C c 1 + V i n ω 1 I L 1 Z 1 .

3.1.5. State 5: [ t 4 t t 5 ]

As shown in Figure 9, when the voltage across the auxiliary switch Sa, called vSa, falls to zero, its body diode DSa is conducted, and this state begins. During this state, the main switch Sm1 is cut off and the resonant inductor is linearly magnetized. As soon as the auxiliary switch Sa is turned on, this state comes to an end. The corresponding state equation is
i L r 1 ( t ) = ( V C c 1 V b ) L r 1 ( t t 4 ) + i L r 1 ( t 4 ) .
As t = t 5 , elapsed time Δ t 5 can be obtained to be
Δ t 5 = t 5 t 4 = L r 1 i L r 1 ( t 5 ) i L r 1 ( t 4 ) V C c 1 V b .

3.1.6. State 6: [ t 5 t t 6 ]

As shown in Figure 10, the auxiliary switch Sa is turned on with ZVS. At this moment, the resonant inductor Lr1 is still linearly magnetized. Once the resonant inductor current rises to the main inductor current IL1, this state comes to the end. The corresponding state equation is
i L r 1 ( t ) = ( V C c 1 V b ) L r 1 ( t t 5 ) + i L r 1 ( t 5 ) .
As t = t 6 , i L r 1 ( t 6 ) = I L 1 , the time elapsed time Δ t 6 can be obtained to be
Δ t 6 = t 6 t 5 = L r 1 I L 1 i L r 1 ( t 5 ) V C c 1 V b .

3.1.7. State 7: [ t 6 t t 7 ]

As shown in Figure 11, when the time reaches t6, the resonant inductor Lr1 is still linearly demagnetized. Since the resonant inductor current iL1 is larger than the main switch current IL1, according to KCL, iLr1 is equal to IL1 plus iSa, making the current in the auxiliary switch Sa, iSa, begin to linearly rise from zero. As soon as the resonant inductor current iLr1 increases to the maximum value ILr,max, this state comes to an end. The initial condition in this state is
i L r 1 ( t 6 ) = I L 1 .
The corresponding state equation is
i L r 1 ( t ) = ( V C c 1 V b ) L r 1 ( t t 6 ) + i L r 1 ( t 6 ) .
As t = t 7 , i L r ( t 7 ) = I L r 1 , m a x . The corresponding elapsed time Δ t 7 can be obtained to be
Δ t 7 = t 7 t 6 = L r 1 ( I L r 1 , m a x I L 1 ) V C c 1 V b .

3.1.8. State 8: [ t 7 t t 8 ]

As shown in Figure 12, when the time reaches t7, the auxiliary switch Sa is cut off, this state begins. Since the resonant inductor Lr1 resonates with the parasitic capacitance CSm1 of Sm1 and the parasitic capacitance CSa of Sa, the voltage across Sm1, vSm1, begins to fall. According to KVL, Vin plus VCc1 is equal to vSm1 plus vSa, making vSa begin to rise. As vSm1 drops to zero, this state comes to an end. The initial condition in this state is
v S a ( t 7 ) = 0   and   v S m 1 ( t 7 ) = V C c 1 + V i n   .
The corresponding state equation is
i L r 1 ( t ) = I L 1 1 cos ω 1 ( t t 7 ) + i L r 1 ( t 7 ) cos ω 1 ( t t 7 ) + V C c 1 V b Z 1 sin ω 1 ( t t 7 ) v S a ( t ) = V C c 1 I L 1 i L r 1 ( t 7 )   Z 1 sin ω 1 ( t t 7 ) ( V C c 1 V b ) cos ω 1 ( t t 7 ) V b v S m 1 ( t ) = I L 1 i L r 1 ( t 7 )   Z 1 sin ω 1 ( t t 7 ) + ( V C c 1 V b ) cos ω 1 ( t t 7 ) + V b + V i n .
cos ω 1 ( t 8 t 7 ) 1 and sin ω 1 ( t 8 t 7 ) ω 1 ( t 8 t 7 ) on the condition that ω 1 ( t 8 t 7 ) 0 . Based on this, the vSm1(t8) equation can be rewritten to
v S m 1 ( t 8 ) = I L 1 i L r 1 ( t 7 )   Z 1 ω 1 ( t 8 t 7 ) + V C c 1 + V i n .
As t = t 8 , v S m 1 ( t 8 ) = 0 , the corresponding elapsed time is Δ t 8 , which can be express to be
Δ t 8 = t 8 t 7 = V C c 1 + V i n ω 1 ( I L r 1 , m a x I L 1 )   Z 1 .

3.1.9. State 9: [ t 8 t t 0 ]

As shown in Figure 13, when the voltage across the main switch Sm1, vSm1, falls to zero, the parasitic diode DSm1 is turned on, and this state begins. At this moment, the auxiliary switch Sa is not conducted, and the resonant inductor Lr1 is linearly magnetized. The moment Sm1 is turned on, this state comes to an end, and the next cycle will be repeated.
The corresponding equation can be obtained to be
L r 1 d i L r 1 ( t ) d t = ( V i n + V b ) .
According to (24), the resonant inductor current iLr1 can be obtained to be
i L r 1 ( t ) = ( V i n + V b ) L r 1 ( t t 8 ) + i L r 1 ( t 8 ) .
As t = t 0 , the elapsed time to Δ t 9 , which can be expressed as
Δ t 9 = t 0 t 8 = L r 1 i L r 1 ( t 8 ) i L r 1 ( t 0 ) V i n + V b .
Since the converter operates in the steady state, the voltage-second balance for the main inductor over a PWM cycle Ts1 should hold. Accordingly, the following equation can be obtained to be
V i n ( D + α ) T s V C c 1 ( 1 D α ) T s = 0
where
α = Δ t 8 + Δ t 9 T s .
Therefore, the ratio of the clamp capacitor voltage VCc1 to the input voltage Vin is
V C c 1 V i n = D + α 1 D α .
On the other hand, the voltage-second balance applied to the resonant inductor Lr1 is
( V C c 1 V b ) ( 1 D α ) T s ( V i n + V b ) ( α + β ) T s = 0
where
β = Δ t 1 + Δ t 2 T s .
Substituting (29) into (30) yields the ratio of the output voltage Vb to the input voltage Vin is
V b V i n = D β 1 D + β .

3.2. Second Stage

First, define the symbols of the components, voltages, and currents, as shown in Figure 14 and Figure 15: (i) the voltage Vb is the second-stage input voltage; (ii) the voltage Vo is the output voltage, namely, system output voltage; (iii) the currents IL2 and IL3 are the currents flowing through the main inductors L2 and L3, respectively; (iv) the diodes DSm2, DSm3, and DSb are the parasitic diodes of the main switches Sm2 and Sm3 and auxiliary switch Sb, respectively; (v) the capacitors CSm2, CSm3, and CSb are the parasitic capacitors of Sm2, Sm3, and Sb, respectively; (vi) the currents iSm2, iSm2, and iSb are the currents flowing through Sm2, Sm3, and Sb, respectively; (vii) the capacitor Cc2 is the clamping capacitor; (viii) the inductor Lr2 is the resonance inductor; (ix) the diodes D2 and D3 are the output diodes; (x) the capacitor Co is the output capacitor; (xi) the resistor Ro is the output load resistor; (xii) the voltage vSm2, vSm3, and vSb are the voltages on Sm2, Sm3, and Sb, respectively; (xiii) the voltage VCc2 is the voltage on Cc2; (xiv) the currents iD2 and iD3 are the currents flowing through the output diodes D2 and D3, respectively; and (xv) the current iLr2 is the current flowing through Lr2.
Based on the above definitions, Figure 14 can be simplified to the equivalent circuit shown in Figure 15. There are fourteen operating states over one PWM cycle, as shown in Figure 16. However, the two-phase interleaved structure is of symmetricity. Consequently, only the states 1 to 7 will be taken to analyze the behavior of this converter. In addition, in Figure 17, Figure 18, Figure 19, Figure 20, Figure 21, Figure 22 and Figure 23, the current flow is indicated by the real line, and no current flow is denoted by the dotted line; Table 2 shows the corresponding soft-switching states and types.

3.2.1. State 1: [ t 0 t t 1 ]

As shown in Figure 17, before the time instant t0, the main switch Sm2 is conducted, but the main switch Sm3 is cut off. Since the resonant inductor Lr1 is demagnetized, the body diode DSm2 of the main switch Sm2 is conducted. At this instant, the auxiliary switch Sb is cut off. As shown in Figure 17, when t = t0, the main switch Sm2 is turned on with ZVS. Since the output diode D2 is still conducted, the voltage across Sm3 is clamped at zero. As soon as the current in D2 is zero, this state comes to an end. The initial condition in this state is
i L r 2 ( t 0 ) = I L i S m 3 ( t 0 ) .
The corresponding state equation is
i L r 2 ( t ) = V b L r 2 ( t t 0 ) + i L r 2 ( t 0 ) .
As t = t 1 , the elapsed time T1 can be obtained to be
T 1 = t 1 t 0 = i L r 2 ( t 0 ) i L r 2 ( t 1 )   L r 2 V b .

3.2.2. State 2: [ t 1 t t 2 ]

As shown in Figure 18, when the time reaches t1, since the output diode D2 is cut off, the voltage across the main switch Sm3, called vSm3, goes up. According to KVL, V b + V C c 2 = V S m 3 + V S b , making the voltage across the auxiliary switch Sb, called vSb, begin to fall. The moment the voltage vSb drops to zero, this state comes to an end. The initial condition in this state is
v S b ( t 1 ) = V b + V C c 2   and   v S m 3 ( t 1 ) = 0 .
The corresponding state equation is
i L r 2 ( t ) = I L 3 1 cos ω 2 ( t t 1 ) + i L r 2 ( t 1 ) cos ω 2 ( t t 1 ) V b Z 1 sin ω 2 ( t t 1 ) v S b ( t ) = V C c 2 I L 3 i L r 2 ( t 1 )   Z 2 sin ω 2 ( t t 1 ) + V b cos ω 2 ( t t 1 ) v S m 3 ( t ) = I L 3 i L r 2 ( t 1 )   Z 2 sin ω 2 ( t t 1 ) + V b 1 cos ω 2 ( t t 1 )
where
C S m 2 = C S m 3 = C S b = C S 2 ,   ω 2 = 1 2 C S 2 L r 2 ,   and   Z 2 = L r 2 2 C S 2 .
In addition, cos ω 2 ( t 2 t 1 ) 1 and sin ω 2 ( t 2 ~ t 1 ) ω 2 ( t 2 t 1 ) under the condition that ω 1 ( t 2 t 1 ) 0 . Based on this, the v S m 3 ( t 2 ) equation can be rewritten to
v S m 3 ( t 2 ) = I L 3 i L r 2 ( t 1 )   Z 2 ω 2 ( t 2 t 1 ) .
As t = t 2 , v S m 3 ( t 2 ) = V b + V C c 2 . Therefore, the elapsed time T2, which can be expressed as
T 2 = t 2 t 1 = V b + V C c 2 ω 2 I L 3 i L r 2 ( t 1 )   Z 2 .

3.2.3. State 3: [ t 2 t t 3 ]

As shown in Figure 19, when the voltage across the auxiliary switch Sb drops to zero, the body diode DSb of Sb conducts, and hence, this state begins. During this state, the main switch Sm3 is cut off, whereas the resonant inductor is linearly magnetized. As Sb is turned on, this state comes to the end. The corresponding state equation is
i L r 2 ( t ) = V C c 2 L r 2 ( t t 2 ) + i L r 2 ( t 2 ) .
As t = t 3 , the elapsed time is T3, which can be expressed as
T 3 = t 3 t 2 = L r 2 i L r 2 ( t 3 ) i L r 2 ( t 2 ) V C c 2 .

3.2.4. State 4: [ t 3 t t 4 ]

As shown in Figure 20, when the time reaches t3, the auxiliary switch Sb is turned on with ZVS. During this state, the resonant inductor Lr2 is still linearly magnetized. Once the resonant inductor current iLr2 is equal to the main inductor IL3, this state comes to the end. The corresponding state equation is
i L r 2 ( t ) = V C c 2 L r 2 ( t t 3 ) + i L r 2 ( t 3 ) .
As t = t 4 , i L r 2 ( t 4 ) = I L 3 , the elapsed time is T4, which can be expressed as
T 4 = t 4 t 3 = L r 2 I L 3 i L r 2 ( t 3 ) V C c 2 .

3.2.5. State 5: [ t 4 t t 5 ]

As shown in Figure 21, when the time reaches t4, the resonant inductor Lr2 is still linearly magnetized. Since the resonant inductor current iLr2 is larger than IL3, according to KVL, it can be noted that i L r 2 = I L 3 + i S b , making the current in the auxiliary switch Sb, iSb, begin to linearly rise from zero. As iLr2 rises to the maximum value, this state comes to the end.
The corresponding initial condition is
i L r 2 ( t 4 ) = I L 3 .
The corresponding state equation is
i L r 2 ( t ) = V C c 2 L r 2 ( t t 4 ) + i L r 2 ( t 4 ) .
As t = t 5 , i L r 2 ( t 5 ) = I L r 2 , m a x , the elapsed time is T5, which can be expressed as
T 5 = t 5 t 4 = L r 2 ( I L r 2 , m a x I L 3 ) V C c 2 .

3.2.6. State 6: [ t 5 t t 6 ]

As shown in Figure 22, when the time reaches t5, the auxiliary switch Sb is turned off, and hence, this state begins. Since the resonant inductor Lr2 resonates with the parasitic capacitor CSm3 of the main switch Sm3 and the parasitic capacitor CSb of the auxiliary switch Sb, the voltage across Sm3, called vSm3, begins to fall. According to KVL, V b + V C c 2 = v S m 3 + v S b , making the voltage across Sb, called vSb, begin to rise. The moment the voltage vSm3 drops to zero, this state comes to the end. The initial condition in this state is
v S b ( t 5 ) = 0   and   v S m 3 ( t 5 ) = V b + V C c 2 .
The corresponding state equation is
i L r 2 ( t ) = I L 3 1 cos ω 2 ( t t 5 ) + i L r 2 ( t 5 ) cos ω 2 ( t t 5 ) + V C c 2 Z 2 sin ω 2 ( t t 5 ) v S b ( t ) = V C c 2 I L 3 i L r 2 ( t 5 )   Z 2 sin ω 2 ( t t 5 ) + V C c 2 cos ω 2 ( t t 5 ) v S m 3 ( t ) = I L 3 i L r 2 ( t 5 )   Z 2 sin ω 2 ( t t 5 ) + V C c 2 cos ω 2 ( t t 5 ) + V b .
cos ω 2 ( t 6 t 5 ) 1 and sin ω 2 ( t 6 ~ t 5 ) ω 2 ( t 6 t 5 ) on the condition that ω 2 ( t 6 t 5 ) 0 . Based on this, the v S m 3 ( t 6 ) equation can be rewritten to
v S m 3 ( t 6 ) = I L 3 i L r 2 ( t 5 )   Z 2 ω 2 ( t 6 t 5 ) + V C c 2 + V b .
As t = t 6 , v S m 3 ( t 6 ) = 0 . Therefore, the elapsed time is T6, which can be expressed by
T 6 = t 6 t 5 = V C c 2 + V b ω 2 ( I L r 2 , m a x I L 3 )   Z 2 .

3.2.7. State 7: [ t 6 t t 7 ]

As shown in Figure 23, when the voltage vSm3 of the main switch Sm3 falls to zero, its parasitic diode DSm3 and the output diode D2 are turned on, and this state begins. During this state, the auxiliary switch Sb is cut off, and the resonant inductor Lr2 is linearly demagnetized. As soon as the main switch Sm3 conducts, this state comes to the end, and the next cycle will be repeated. The corresponding equation is
i L r 2 ( t ) = V b L r 2 ( t t 6 ) + i L r 2 ( t 6 ) .
As t = t 7 , the elapsed time is T7, which can be expressed as
T 7 = t 7 t 6 = i L r 2 ( t 6 ) i L r 2 ( t 7 )   L r 2 V b .
Since the converter operates in the steady state, the voltage-second balance for the main inductor L2 over a PWM cycle Ts2 should hold. Accordingly, the following equation can be obtained to be
( V b V o ) ( D + α + β ) T s ( V C c 2 + V o ) ( 1 D α β ) T s = 0
where
α = T 6 + T 7 T s
β = T 1 + T 2 T s .
On the other hand, the voltage-second balance applied to the resonant inductor Lr2 is
V C c 2 ( 1 D α β ) T s V b ( α + β ) T s = 0 .
Rearranging (57) yields the ratio of the clamp capacitor voltage VCc2 to the output voltage Vo as following:
V C c 2 V b = α + β 1 D α β .
Substituting (58) into (54) yields the output voltage Vo to the input voltage Vd as follows:
V o V b = D .

4. Control Strategy

4.1. Output Voltage Ripple Minimization

For the traditional buck converter operating in CCM to be considered, the circuit is shown in Figure 24. Figure 25 shows its equivalent circuit, where the voltage vp is a pulse voltage that is determined by the input voltage Vin and the duty cycle D, and the inductor current iL1(t) is the DC component plus AC component, namely, i L 1 ( t ) = I L 1 + Δ i L 1 ( t ) .
The output voltage ripple comes from the AC part of the inductor current, which is the inductor current ripple, also called output current ripple, namely, Δ i L 1 ( t ) , as shown in Figure 26. In addition, the equivalent circuit for the output voltage ripple can be shown in Figure 27. The magnetizing slope m1 and the demagnetizing slope m2 as shown in Figure 26 are
m 1 = V i n V o L 1
m 2 = V o L 1 .
The peak-to-peak value of the inductor current ripple Δ I can be denoted by
Δ I = m 1 D T s = m 2 ( 1 D ) T s   .
From (60), (61), and (62), it can be seen that the inductor current ripple Δ i L 1 ( t ) can be expressed as
Δ i L 1 ( t ) = m 1 t Δ I 2             ( 0 < t D T s ) Δ I 2 + m 2 t             ( D T s t < T s )
Therefore, for the N-phase interleaved buck converter, the kth phase inductor current ripple Δ i L k ( t ) can be represented by
Δ i L k ( t ) = Δ i L 1 t ( k 1 ) T s N .
In addition, the current flowing into the output capacitor Co is equal to the sum of AC components of the inductor currents of individual phases, as shown in Figure 28.
Therefore, the current ripple iCo(t) of the output capacitor Co can be represented by
i C o ( t ) = k = 1 N Δ i L 1 ( t ) .
Meanwhile, the peak-to-peak value of Δ i C o can be expressed by
Δ i C o = M a x ( i C o ( t ) ) M i n ( i C o ( t ) )
where M a x ( i C o ( t ) ) and M i n ( i C o ( t ) ) represent the maximum and minimum values over one period, respectively.
If a two-phase interleaved buck converter is taken into account, then the relationship between the output current ripple Δ i C o and the duty cycle D can be shown as follows:
Δ i C o = V o T s L 1 ( 1 2 D )                                           i f   D 0.5 V o T s L 1 ( 1 D ) 2 D 1 D                     i f   D > 0.5 .
In the same way, based on [22], the peak-to-peak output current ripple can be obtained to be
Δ i C o = Δ I × K I
where Δ I is the peak-to-peak value of the AC component of each phase, and KI is the output current ripple elimination factor, which is defined as
K I = N ( D m N ) ( m + 1 N D ) D ( 1 D )
where m = floor(N ×  D); that is, the maximum integer of the product of N and D.
Based on (68) and (69), for the N-phase interleaved buck converter, the curve of the output current ripple versus duty cycle can be drawn in Figure 29. From Figure 29, it can be seen that as the number of phases N multiplied by the duty cycle D belongs to integers, the output current ripple can be zero in theory. Accordingly, if the two-phase interleaved buck converter has a duty cycle of 0.5, then the smallest output voltage ripple can be obtained under the smallest output current ripple.

4.2. Output Voltage Regulation

However, based on the information mentioned in Section 4.1, another problem will happen. Since the input voltage Vin of a single-stage converter cannot be automatically tuned in general, the output voltage Vo cannot be regulated to a desired value from light load to rated load under a fixed duty cycle. Consequently, to conquer this problem, a buck-boost converter is added in the front of the two-phase interleaved buck converter. As shown in Figure 30, the output voltage Vo can be regulated to a desired value based on the feedback control and the pulse width modulation (PWM) control by sensing the output voltage Vo, and this is applied to the first stage so as to make the second-stage input voltage Vb varied. As for the pulse amplitude modulation (PAM) control, it is applied to the second stage under a fixed duty cycle of 0.5 with the input voltage Vb varied. By doing so, the output voltage ripple can be minimized and the output voltage Vo can be regulated.

4.3. Current-Sharing Control

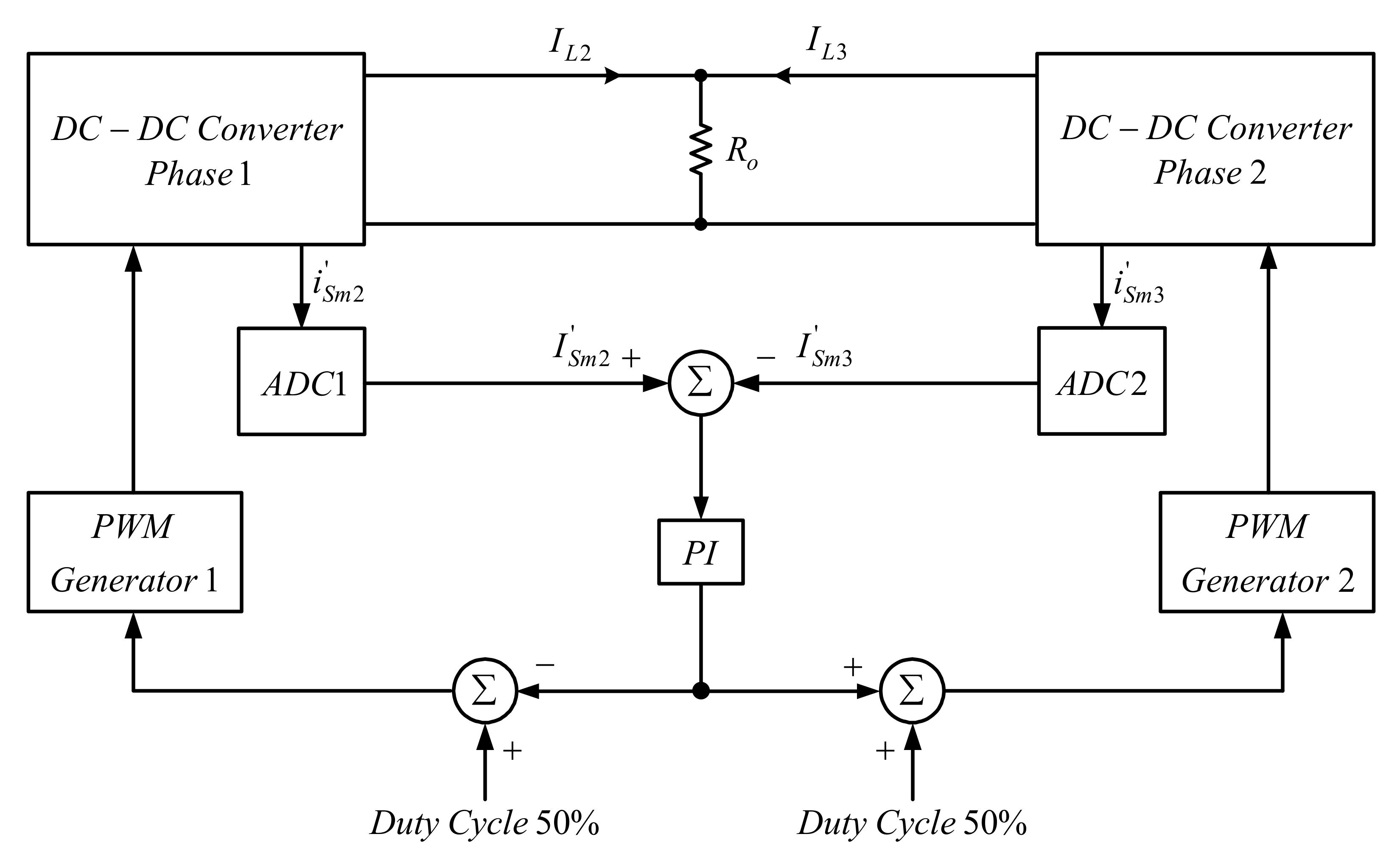
However, there exists a difference in impedance between two phases, since the second stage takes the two-phase interleaved buck converter. Consequently, the current-sharing control is needed to make the output current evenly distributed between the two phases. In general, the current is sampled at half of the duty cycle to reduce noise interference. However, this does not work herein, since the switching frequency of the first stage is double that of the second stage. Accordingly, as shown in Figure 31, the current is sampled at 90% of the duty cycle and two-cycle delay control with the first cycle sampling currents of two phases simultaneously: the second cycle calculating out the control force and the third cycle sending out the desired PWM control signals to the switches, so as to realize current-sharing control.
As for the current-sharing operation shown in Figure 32, the two-phase switch currents i S m 2 and i S m 3 , after two analog-to-digital converters ADC1 and ADC2, respectively, are subtracted from each other, and then, this value is sent to the current-sharing proportional–integral (PI) controller to generate the required control force. This control force with a minus sign is superimposed on the duty cycle of 50% for the first phase, whereas this control force with a plus sign is superimposed on the duty cycle of 0.5 for the second phase. For example, if the control force is positive, the duty cycle of the first phase is decreased but the duty cycle of the second phase is increased; otherwise, the duty cycle of the first phase is increased but the duty cycle of the second phase is decreased. Hence, the duty cycle is controlled in the vicinity of the duty cycle of 0.5 so as to make the output current evenly distributed between the two phases.

5. Design of Resonant Inductor and Clamp Capacitor

Prior to this section, the parameters for the system and components are shown in Table 3.

5.1. Design of First-Stage Resonant Inductor Lr1

Based on state 4 of the first stage and from (10) and (12), the voltage across Cc1 and VCc1 can be expressed as
V C c 1 = I L 1 2 C S 1 Δ t 4 V i n , min .
From (29), we can know the ratio of clamp capacitor voltage VCc1 to input voltage Vin. Since the value of α is positive, VCc1 is larger than 48 V. In addition, from the switch datasheet [23], the curve of rising time tr and falling time tf versus switch current Ids can be obtained, and hence, the time interval Δt4 is about 20 ns. Therefore, substituting associated values into (71) yields the value of CS1, which is finally chosen to be 1 nF:
C S 1 I L 1 2 ( V C c 1 + V i n , m i n ) Δ t 4 .
In general, the resonant frequency is ten times the switching frequency or more, namely, ω 1 > 20 π f s 1 , in order to avoid the resonant time being too long and hence affecting the normal operation of the converter. Therefore, from (10), substituting the associated values into (72) yields the value of Lr1, which is finally chosen to be 10 μH:
L r 1 1 2 C S 1 ( 20 π f s ) 2 .

5.2. Design of First-Stage Voltage Clamp Capacitor Cc1

From Figure 4, it can be seen that the capacitor Cc1 has slight charge and discharge behavior during states 4 to 8. Accordingly, from states 7 and 8, the voltage ripple on Cc1 can be expressed as
Δ v C c 1 = Δ Q C c 1 = I S a , m a x ( Δ t 7 + Δ t 8 ) 2 C c 1
where Δ t 7 + Δ t 8 is the time interval from t6 to t8.
Since Δ t 8 is quite small, Equation (19) can be rewritten as
Δ t 7 + Δ t 8 Δ t 7 = L r 1 ( I L r 1 , m a x I L 1 ) V C c 1 V b .
In order to make the value of VCc1 constant, the clamp capacitor voltage ripple Δ v C c 1 is 5% of VCc1. Therefore, substituting the associated values into (73) and (74) yields the value of Cc1, which is finally chosen to be 2 μF.

5.3. Design of Second-Stage Resonant Inductor Lr2

From (38) and (51), the voltage across Cc2, VCc2, can be expressed as
V C c 2 = I L 3 2 C s 2 T 6 V b .
Via the switch datasheet [24], the curve of rising time tr and falling time tf versus switch current Ids can be obtained, and hence, the time interval T6 is about 100 ns.
From (58), we can know the ratio of the clamp capacitor voltage VCc2 to the input voltage Vb. Since ( α + β ) T s 2 is larger than T6 = 100 ns, the inequality of VCc2 can be expressed as
V C c 2 > V b ( α + β 1 D α β ) .
Based on (75) and (76), the inequality of CS2 can be signified by
C S 2 I L 3 2 ( V C c 2 + V b ) T 6 .
Therefore, substituting the associated values into (77) yields the value of CS2, which is finally chosen to be 4 nF.
In general, the resonant frequency is ten times the switching frequency or more, namely, ω 2 > 20 π f s 2 , in order to avoid the resonant time being too long and hence affecting the normal operation of the converter. Therefore, based on (38), substituting the associated values into (78) yields the value of Lr2, which is finally chosen to be 10 μH:
L r 2 1 2 C S 2 ( 20 π f s ) 2 .

5.4. Design of Second-Stage Voltage Clamp Capacitor Cc2

From Figure 16, it can be seen that the capacitor Cc2 has a slight charge and discharge behavior during states 2 to 6. Accordingly, from states 5 and 6, the voltage ripple on Cc1 can be expressed as
Δ v C c 2 = Δ Q C c 2 = I S b , m a x ( T 5 + T 6 ) 2 C c 2
where T5 + T6 is the time interval from t4 to t6.
In order to make the voltage on Cc2, called VCc2, stable at a constant, it is assumed that the voltage ripple is 5% of VCc2. From (47), since T6 is quite small, the following equation can be obtained to be
T 5 + T 6 T 5 = L r 2 ( I L r 2 , m a x I L 3 ) V C c 2 .
Substituting the associated values into (79) and (80) yields the value of CC2, which is finally chosen to be 4.4 μF.

6. Experimental Results

Figure 33, Figure 34, Figure 35, Figure 36, Figure 37, Figure 38, Figure 39 and Figure 40 show results measured under an input voltage of 48 V. From Figure 33, Figure 34, Figure 35, Figure 36 and Figure 37, it can be seen that the main and auxiliary switches of the first and second stages all have ZVS turned on. From Figure 38, it can be seen that the current is evenly distributed between the two phases. From Figure 39, it can be seen that the output voltage ripple without switching noise considered is about 8 mV, below 0.017% of 48 V. From Figure 40, it can be seen that the proposal with soft switching has higher efficiency than hard switching. The maximum difference in efficiency between the two is about 5.8%. The proposed has the maximum efficiency of 89.4% and the rated-load efficiency of 85.5%.

7. Output Voltage Ripple Comparison

Since this paper focuses on minimizing the output voltage ripple, the comparison of the output voltage ripple between the existing circuits and the proposed circuit is shown in Table 4, in terms of technical feature, power stage number, DC output voltage, output voltage ripple and ripple percentage. It is noted that the output voltage ripple is figured out without switching noise considered, and the ripple percentage is defined as output voltage ripple divided by DC output voltage multiplied by 100%. From Table 4, it can be seen that the proposed circuit has the smallest ripple percentage among them.

8. Conclusions

The proposed circuit has several advantages described as follows:
(1)
This two-stage converter has only a single feedback control loop under PWM control, which is applied to the first stage.
(2)
The second stage is under PAM control with the fixed duty cycle of about 0.5.
(3)
Due to PAM control with the fixed duty cycle of about 0.5 plus current-sharing control, the output voltage ripple of the second stage is quite small, about 8 mV, independent of the input voltage.
(4)
Two phases of the second stage use only one resonant tank. Three phases or more with only one resonant tank will work also.
(5)
Two stages have the proposed active clamp circuits to make the main and auxiliary switches all have ZVS turn-on, thus improving the overall conversion efficiency.

Author Contributions

Conceptualization, Y.-T.Y. and K.-I.H.; methodology, Y.-T.Y.; software, J.-J.S.; validation, Y.-T.Y., K.-I.H. and J.-J.S.; formal analysis, Y.-T.Y.; investigation, J.-J.S.; resources, Y.-T.Y.; data curation, J.-J.S.; writing—original draft preparation, K.-I.H.; writing—review and editing, K.-I.H.; visualization, J.-J.S.; supervision, K.-I.H.; project administration, K.-I.H.; funding acquisition, J.-J.S. All authors have read and agreed to the published version of the manuscript.

Funding

This research was funded by the Ministry of Science and Technology, Taiwan, under the Grant Number: MOST 109-2222-E-167-003-MY3.

Institutional Review Board Statement

Not applicable.

Informed Consent Statement

Not applicable.

Data Availability Statement

No new data were created or analyzed in this study. Data sharing is not applicable to this article.

Acknowledgments

Thank FSP Technology Inc. very much for the support of materials used for experiments.

Conflicts of Interest

The authors declare no conflict of interest.

References

  1. Yang, X.; Zong, S.; Fan, G. Analysis and Validation of the Output Current Ripple in Interleaved Buck Converter. In Proceedings of the IECON 2017—43rd Annual Conference of the IEEE Industrial Electronics Society, Beijing, China, 29 October–1 November 2017; pp. 846–851. [Google Scholar] [CrossRef]
  2. Wang, L.; Zhang, D.; Zha, D.; Duan, J.; Li, J. Six-phase Symmetric Inverse Fully Coupled Non-Isolated Interleaved Bidirectional Buck/Boost Converter with Low Current Ripples High Dynamic Response. In Proceedings of the 2018 IEEE International Power Electronics and Application Conference and Exposition (PEAC), Shenzhen, China, 4–7 November 2018; pp. 1–6. [Google Scholar] [CrossRef]
  3. Sobhan, S. Comparative Assessment of Non-Isolated DC-DC Converters Combined with Passive Ripple Cancelling Circuit. In Proceedings of the 2018 10th International Conference on Electrical and Computer Engineering (ICECE), Dhaka, Bangladesh, 20–22 December 2018; pp. 357–360. [Google Scholar] [CrossRef]
  4. Seok, H.; Kim, S.; Choi, W.; Kim, M.; Lee, J.S.; Kim, M. Design of Zero-Voltage-Ripple Buck DC-DC Converter. In Proceedings of the 2017 IEEE 60th International Midwest Symposium on Circuits and Systems (MWSCAS), Boston, MA, USA, 6–9 August 2017; pp. 456–459. [Google Scholar] [CrossRef]
  5. Kapun, A.; Milanovic, M.; Korelic, J. Voltage Ripple Cancellation in Buck Converter Based on Hybrid Structured Connection. In Proceedings of the 2006 12th International Power Electronics and Motion Control Conference, Portoroz, Slovenia, 30 August–1 September 2006; pp. 112–117. [Google Scholar] [CrossRef]
  6. Chen, S.; Yang, S.; Huang, C.; Lin, C.-K. Interleaved High Step-Up DC-DC Converter with Parallel-Input Series-Output Configuration and Voltage Multiplier Module. In Proceedings of the 2017 IEEE International Conference on Industrial Technology (ICIT), Toronto, ON, Canada, 22–25 March 2017; pp. 119–124. [Google Scholar] [CrossRef]
  7. Matsuda, A.; Koizumi, H.; Sato, T. Two-Stage Interleaved DC-DC Converter with Input-Parallel Output-Series Connection. In Proceedings of the 2019 IEEE International Symposium on Circuits and Systems (ISCAS), Sapporo, Japan, 26–29 May 2019; pp. 1–5. [Google Scholar]
  8. Zeng, T.; Wu, Z.; He, L. An Interleaved Soft Switching High Step-Up Converter with Low Input Current Ripple and High Efficiency. IEEE Access 2019, 7, 93580–93593. [Google Scholar] [CrossRef]
  9. Wuti, V.; Luangpol, A.; Tattiwong, K.; Trakuldit, S.; Taylim, A.; Bunlaksananusorn, C. Analysis and Design of a Zero-Voltage-Switched (ZVS) Quasi-Resonant Buck Converter Operating in Full-Wave Mode. In Proceedings of the 2020 6th International Conference on Engineering, Applied Sciences and Technology (ICEAST), Chiang Mai, Thailand, 1–4 July 2020; pp. 1–4. [Google Scholar] [CrossRef]
  10. Yau, Y.-T.; Hwu, K.-I.; Shieh, J.-J. Simple Structure of Soft Switching for Boost Converter. Energies 2020, 13, 5448. [Google Scholar] [CrossRef]
  11. Tao, T.; Qian, Q.; Ye, Q.; Mao, S.; Xu, S. Digital PWM Control Active Clamp Flyback Converter with Adaptive Period Modulation. In Proceedings of the 2020 21st International Conference on Electronic Packaging Technology (ICEPT), Guangzhou, China, 12–15 August 2020; pp. 1–5. [Google Scholar] [CrossRef]
  12. Xu, S.; Qian, Q.; Mao, S.; Xu, S.; Wang, T.; Sun, W. System Performance Optimization for Dual-Loop Dual-Variable Controlled Active Clamp Flyback Converter Using Decoupling Compensation Technique. In Proceedings of the 2021 IEEE Applied Power Electronics Conference and Exposition (APEC), Phoenix, AZ, USA, 14–17 June 2021; pp. 2467–2471. [Google Scholar] [CrossRef]
  13. Yau, Y.-T.; Hwu, K.-I.; Tai, Y.-K. Active Clamp Boost Converter with Blanking Time Tuning Considered. Appl. Sci. 2021, 11, 860. [Google Scholar] [CrossRef]
  14. Tang, Y.; Tong, H.; Afzal, R.; Guo, Y. High Step-Up ZVT Converter Based on Active Switched Coupled Inductors. IEEE Access 2020, 1. [Google Scholar] [CrossRef]
  15. Wu, D.; Raza, B.; Ayyanar, R. High Frequency ZVT Converter for Variable DC-Link in Electric Vehicle Traction Drive. In Proceedings of the 2019 IEEE 7th Workshop on Wide Bandgap Power Devices and Applications (WiPDA), Raleigh, NC, USA, 29–31 October 2019; pp. 359–363. [Google Scholar] [CrossRef]
  16. Yau, Y.-T.; Hwu, K.-I.; Jiang, W.-Z. Two-Phase Interleaved Boost Converter with ZVT Turn-On for Main Switches and ZCS Turn-Off for Auxiliary Switches Based on One Resonant Loop. Appl. Sci. 2020, 10, 3881. [Google Scholar] [CrossRef]
  17. Prakash, J.; Veerachary, M. Zero-Voltage Zero-Current Transition Network for Dual-Phase Interleaved Converter. IEEE Trans. Ind. Appl. 2020, 56, 3940–3953. [Google Scholar] [CrossRef]
  18. Hwu, K.-I.; Shieh, J.-J.; Jiang, W.-Z. Interleaved Boost Converter with ZVT-ZCT for the Main Switches and ZCS for the Auxiliary Switch. Appl. Sci. 2020, 10, 2033. [Google Scholar] [CrossRef] [Green Version]
  19. Sun, L.; Zhuo, F.; Wang, F.; Yi, H.; Zhu, Y. New No-isolated Interleaved Bidirectional soft-switching DC-DC Converter with a Novel Auxiliary ZVT Cell. In Proceedings of the 2018 IEEE Energy Conversion Congress and Exposition (ECCE), Portland, OR, USA, 23–27 September 2018; pp. 2843–2848. [Google Scholar] [CrossRef]
  20. Kothapalli, K.R.; Ramteke, M.R.; Suryawanshi, H. A Novel High Gain Soft-Switching Interleaved LCL Integrated Fly-Back Step-Up Converter Without an Auxiliary Switch for DC Microgrid. In Proceedings of the 2018 IEEE International Conference on Power Electronics, Drives and Energy Systems (PEDES), Chennai, India, 18–21 December 2018; pp. 1–5. [Google Scholar] [CrossRef]
  21. Khorasani, R.R.; Adib, E.; Farzanehfard, H. ZVT Resonant Core Reset Forward Converter with a Simple Auxiliary Circuit. IEEE Trans. Ind. Electron. 2018, 65, 242–250. [Google Scholar] [CrossRef]
  22. Xu, P. Multiphase Voltage Regulator Modules with Magnetic Integration to Power Microprocessors. Ph.D. Thesis, Virginia Polytechnic Institute and State University, Blacksburg, VA, USA, 2002. [Google Scholar]
  23. APT30M75BLL Datasheet. Available online: https://www.alldatasheet.com/datasheet-pdf/pdf/182051/ADPOW/APT30M75BLL.html (accessed on 17 August 2021).
  24. APT20M16B2LL Datasheet. Available online: https://pdf1.alldatasheet.com/datasheet-pdf/view/49303/ADPOW/APT20M16B2LL.html (accessed on 17 August 2021).
Figure 1. System configuration.
Figure 1. System configuration.
Energies 14 05215 g001
Figure 2. Buck-boost converter with active clamp.
Figure 2. Buck-boost converter with active clamp.
Energies 14 05215 g002
Figure 3. Equivalent circuit for the circuit shown in Figure 2.
Figure 3. Equivalent circuit for the circuit shown in Figure 2.
Energies 14 05215 g003
Figure 4. Illustrated waveforms for the buck-boost converter with active clamp.
Figure 4. Illustrated waveforms for the buck-boost converter with active clamp.
Energies 14 05215 g004
Figure 5. First-stage current flow in state 1.
Figure 5. First-stage current flow in state 1.
Energies 14 05215 g005
Figure 6. First-stage current flow in state 2.
Figure 6. First-stage current flow in state 2.
Energies 14 05215 g006
Figure 7. First-stage current flow in state 3.
Figure 7. First-stage current flow in state 3.
Energies 14 05215 g007
Figure 8. First-stage current flow in state 4.
Figure 8. First-stage current flow in state 4.
Energies 14 05215 g008
Figure 9. First-stage current flow in state 5.
Figure 9. First-stage current flow in state 5.
Energies 14 05215 g009
Figure 10. First-stage current flow in state 6.
Figure 10. First-stage current flow in state 6.
Energies 14 05215 g010
Figure 11. First-stage current flow in state 7.
Figure 11. First-stage current flow in state 7.
Energies 14 05215 g011
Figure 12. First-stage current flow in state 8.
Figure 12. First-stage current flow in state 8.
Energies 14 05215 g012
Figure 13. First-stage current flow in state 9.
Figure 13. First-stage current flow in state 9.
Energies 14 05215 g013
Figure 14. Two-phase interleaved buck converter with active clamp.
Figure 14. Two-phase interleaved buck converter with active clamp.
Energies 14 05215 g014
Figure 15. Equivalent circuit for the circuit shown in Figure 14.
Figure 15. Equivalent circuit for the circuit shown in Figure 14.
Energies 14 05215 g015
Figure 16. Illustrated waveforms for the two-phase interleaved buck converter with active clamp.
Figure 16. Illustrated waveforms for the two-phase interleaved buck converter with active clamp.
Energies 14 05215 g016
Figure 17. Second-stage current flow in state 1.
Figure 17. Second-stage current flow in state 1.
Energies 14 05215 g017
Figure 18. Second-stage current flow in state 2.
Figure 18. Second-stage current flow in state 2.
Energies 14 05215 g018
Figure 19. Second-stage current flow in state 3.
Figure 19. Second-stage current flow in state 3.
Energies 14 05215 g019
Figure 20. Second-stage current flow in state 4.
Figure 20. Second-stage current flow in state 4.
Energies 14 05215 g020
Figure 21. Second-stage current flow in state 5.
Figure 21. Second-stage current flow in state 5.
Energies 14 05215 g021
Figure 22. Second-stage current flow in state 6.
Figure 22. Second-stage current flow in state 6.
Energies 14 05215 g022
Figure 23. Second-stage current flow in state 7.
Figure 23. Second-stage current flow in state 7.
Energies 14 05215 g023
Figure 24. Traditional buck converter.
Figure 24. Traditional buck converter.
Energies 14 05215 g024
Figure 25. Simplified circuit for Figure 24.
Figure 25. Simplified circuit for Figure 24.
Energies 14 05215 g025
Figure 26. AC part of the inductor current.
Figure 26. AC part of the inductor current.
Energies 14 05215 g026
Figure 27. Equivalent circuit for the output voltage ripple.
Figure 27. Equivalent circuit for the output voltage ripple.
Energies 14 05215 g027
Figure 28. Equivalent circuit for the output voltage ripple of the N-phase interleaved buck converter.
Figure 28. Equivalent circuit for the output voltage ripple of the N-phase interleaved buck converter.
Energies 14 05215 g028
Figure 29. Curves for relationship between phase number, duty cycle, and output current ripple.
Figure 29. Curves for relationship between phase number, duty cycle, and output current ripple.
Energies 14 05215 g029
Figure 30. Schematic diagram for the control strategy based on PAM cooperated with PWM.
Figure 30. Schematic diagram for the control strategy based on PAM cooperated with PWM.
Energies 14 05215 g030
Figure 31. Proposed sampling method for current sharing.
Figure 31. Proposed sampling method for current sharing.
Energies 14 05215 g031
Figure 32. Current-sharing control strategy.
Figure 32. Current-sharing control strategy.
Energies 14 05215 g032
Figure 33. ZVS turn-on of Sm1.
Figure 33. ZVS turn-on of Sm1.
Energies 14 05215 g033
Figure 34. ZVS turn-on of Sa.
Figure 34. ZVS turn-on of Sa.
Energies 14 05215 g034
Figure 35. ZVS turn-on of Sm2 of the first phase.
Figure 35. ZVS turn-on of Sm2 of the first phase.
Energies 14 05215 g035
Figure 36. ZVS turn-on of Sm3 of the first phase.
Figure 36. ZVS turn-on of Sm3 of the first phase.
Energies 14 05215 g036
Figure 37. ZVS turn-on of Sb.
Figure 37. ZVS turn-on of Sb.
Energies 14 05215 g037
Figure 38. Gate driving signals vgsm2 and vgsm3 and inductor currents iL2 and iL3 of two phases.
Figure 38. Gate driving signals vgsm2 and vgsm3 and inductor currents iL2 and iL3 of two phases.
Energies 14 05215 g038
Figure 39. Current ripples of two phases, iL2,ripple and iL3,ripple, and output voltage ripple vo,ripple.
Figure 39. Current ripples of two phases, iL2,ripple and iL3,ripple, and output voltage ripple vo,ripple.
Energies 14 05215 g039
Figure 40. Curve of efficiency versus load current.
Figure 40. Curve of efficiency versus load current.
Energies 14 05215 g040
Table 1. Soft-switching states and types for the first stage.
Table 1. Soft-switching states and types for the first stage.
IntervalStateSoft-Switching Type
t 0 t t 1 State 1Sm1 with ZVS turn-on
t 5 t t 6 State 6Sa with ZVS turn-on
Table 2. Soft-switching states and types for the second stage.
Table 2. Soft-switching states and types for the second stage.
IntervalStateSoft-Switching Types
t 0 t t 1 State 1Sm2 with ZVS turn-on
t 3 t t 4 State 4Sb with ZVS turn-on
t 7 t t 8 State 8Sm3 with ZVS turn-on
t 10 t t 11 State 11Sb with ZVS turn-on
Table 3. System and component specifications.
Table 3. System and component specifications.
Parameters for System and ComponentsSpecifications
Operating modeCCM
Input voltage (Vin)36–60 V
Output voltage (Vo)24 V
Rated output power (Po,rated)/current (Io,rated)192 W/8 A
Minimum output power (Po,min)38.4 W
Switching frequency (fs)/period (Ts)First stage: fs1 = 100 kHz/Ts1 = 10 μs
Second stage: fs2 = 50 kHz/Ts2 = 20 μs
InductorsFirst stage: L1 = 120 μH
Second stage: L2 = L3 = 180 μH
Output capacitorsFirst stage: Co1 = 330 μF
Second stage: Co2 = 100 μF
Resonant inductorsFirst stage: Lr1 = 10 μH
Second stage: Lr2 = 10 μH
Clamp capacitorsFirst stage: Cc1 = 2 μF
Second stage: Cc2 = 4.4 μF
Table 4. Comparison of output voltage ripple.
Table 4. Comparison of output voltage ripple.
Comparison ItemsCompared Circuits
[2][4][5][7][8]Proposed
Technical feature Inductors coupledAuto-transformerLinear amplifierOutput seriesSwitched capacitorsPWM plus PFM control
Power stage number111212
DC output voltage5 V5 V5 V50 V200 V48 V
Output voltage ripple 90 mV18 mV82 mV2.2 V0.8 V 8 mV
Ripple percentage1.8%0.36%1.64%4.4%0.4%0.017%
Publisher’s Note: MDPI stays neutral with regard to jurisdictional claims in published maps and institutional affiliations.

Share and Cite

MDPI and ACS Style

Yau, Y.-T.; Hwu, K.-I.; Shieh, J.-J. Minimization of Output Voltage Ripple of Two-Phase Interleaved Buck Converter with Active Clamp. Energies 2021, 14, 5215. https://doi.org/10.3390/en14165215

AMA Style

Yau Y-T, Hwu K-I, Shieh J-J. Minimization of Output Voltage Ripple of Two-Phase Interleaved Buck Converter with Active Clamp. Energies. 2021; 14(16):5215. https://doi.org/10.3390/en14165215

Chicago/Turabian Style

Yau, Yeu-Torng, Kuo-Ing Hwu, and Jenn-Jong Shieh. 2021. "Minimization of Output Voltage Ripple of Two-Phase Interleaved Buck Converter with Active Clamp" Energies 14, no. 16: 5215. https://doi.org/10.3390/en14165215

APA Style

Yau, Y.-T., Hwu, K.-I., & Shieh, J.-J. (2021). Minimization of Output Voltage Ripple of Two-Phase Interleaved Buck Converter with Active Clamp. Energies, 14(16), 5215. https://doi.org/10.3390/en14165215

Note that from the first issue of 2016, this journal uses article numbers instead of page numbers. See further details here.

Article Metrics

Back to TopTop