Neural Network-Based Control for Hybrid PV and Ternary Pumped-Storage Hydro Plants
Abstract
:1. Introduction
1.1. Problem Statement
1.2. Proposed Solution
1.3. Motivation and Literature Review
- Reduced capital cost with utilization of existing transmission infrastructure at hydropower sites,
- Proximity to demand centers in case of water supply reservoirs or lakes,
- Improved energy yield from the cooling effect of water, reduced shading effects, and decreased presence of dust,
- Elimination of the need for large-scale site preparation,
- Additional capacity for hydro plants which increases revenue and simultaneously allows water use for irrigation or other purposes.
2. Modeling and Control
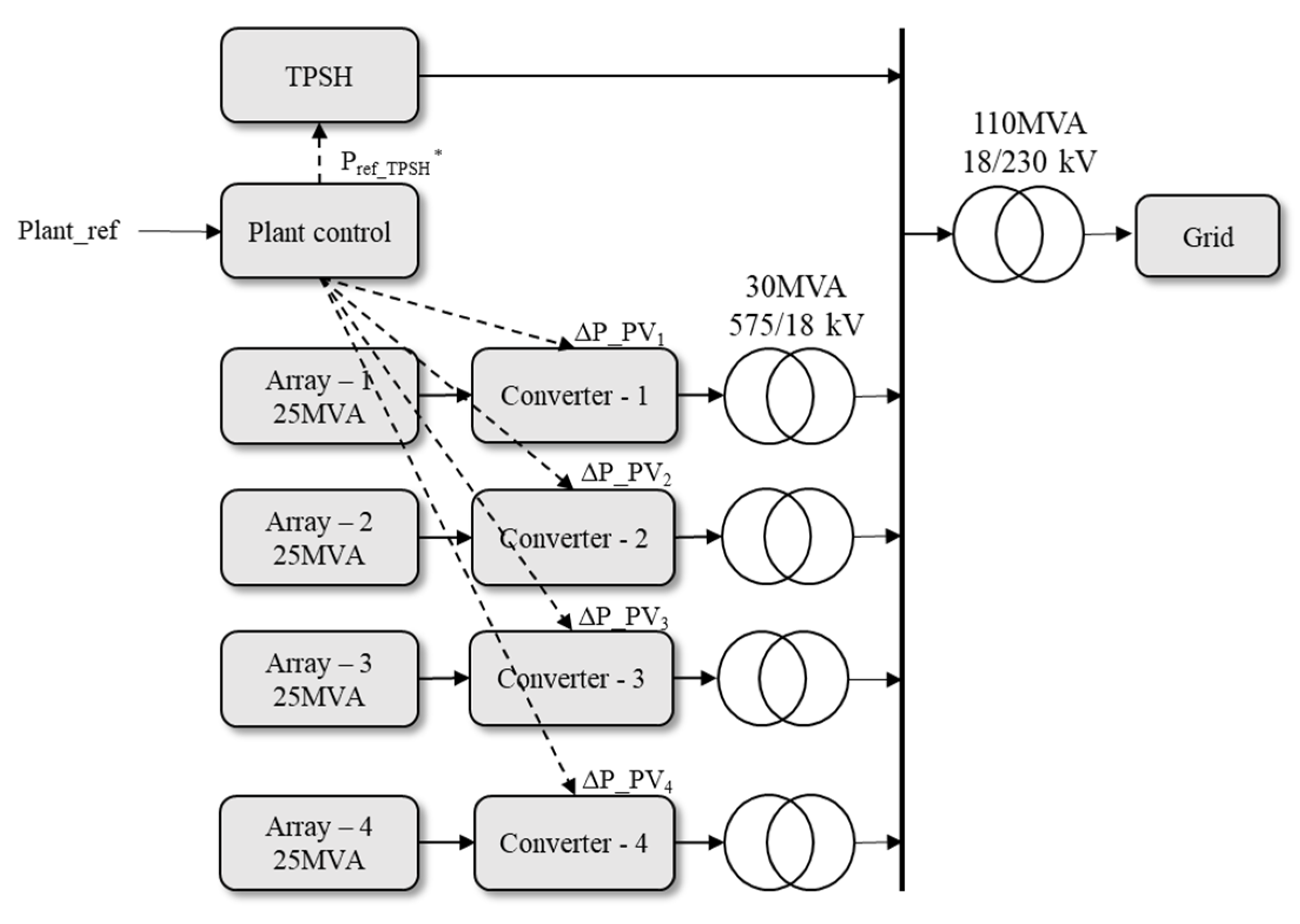
2.1. The Hybrid Plant
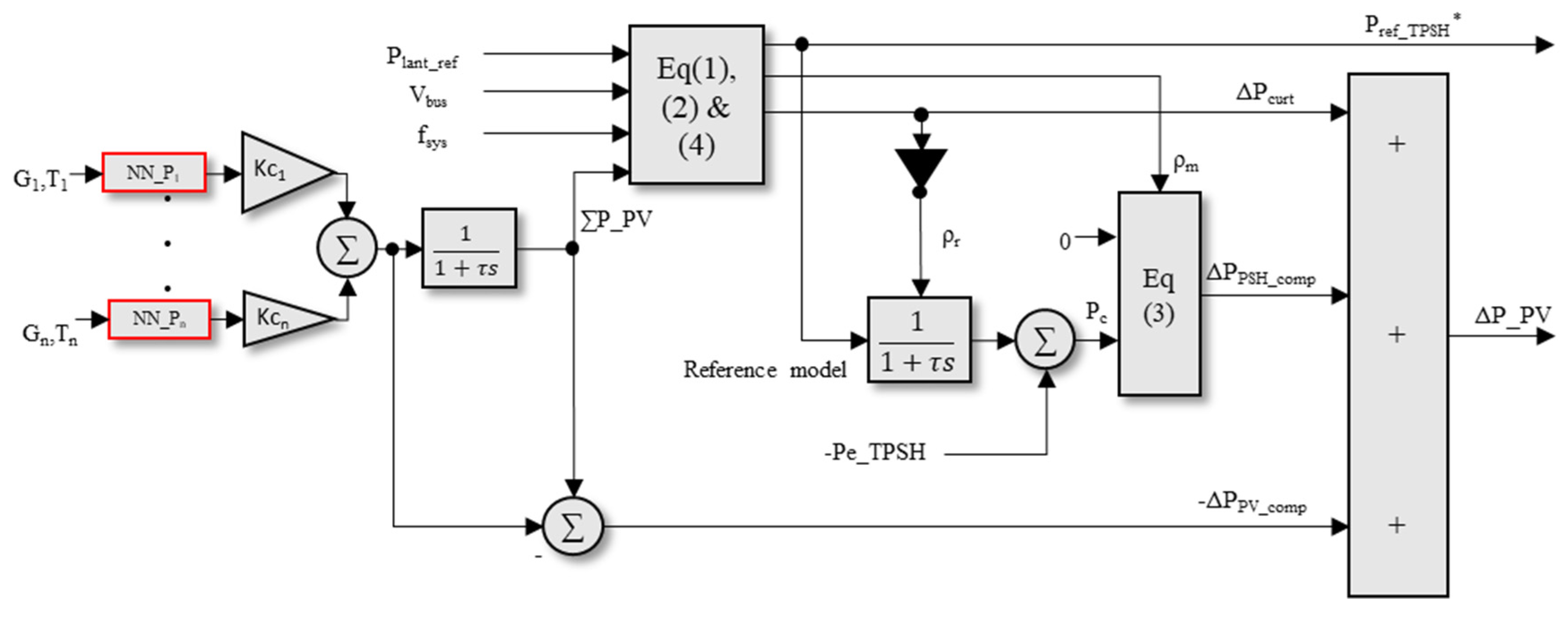
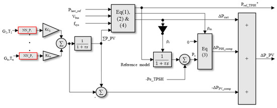
2.2. Hybrid Pant Control
- Each i-th array, producing , is assumed to be curtailed to 10% of its MPP or Kcn is taken as 0.9 for all N arrays. The 10% curtailment assumption was inspired by [18] which stated that this curtailment is economically compensated for by using the reserve so provided in ancillary services.
- The plant control implements a reference model-based control where a first-order reference model is used to describe the desired behavior of the hydro plant. The PV plant compensates for the difference between desired and actual plant behavior using the ΔPPSH_comp channel through Pc. More details on model reference adaptive control can be found in [5,19].
- The above feature can also lead to the PV plant compensating for the inertia response and primary frequency response of the hydro plant. The logic flags, mode flag ρm and reset flag ρr, are used to stop compensating for these TPSH plant behaviors in the case of a network disturbance. The flags then reset the model and initialize it to post-disturbance conditions.where, , , and refer to the minimum and maximum limits of terminal voltage and frequency , respectively.
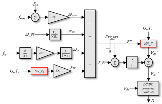
- Since NN_P is used by the array control (described in the next section) and by the plant control, any steady-state error in PV output estimation through the ∑P_PV channel is compensated for by the TPSH. This ensures accurate tracking of plant references.
- Curtailing the PV plant is achieved through ΔPcurt.where stands for deviation of total generation of the hybrid plant from the plant’s reference.
- The PV plant compensates for the difference between desired and actual plant behavior using the ΔPPSH_comp channel through Pc.
2.3. PV Plant Model and Control
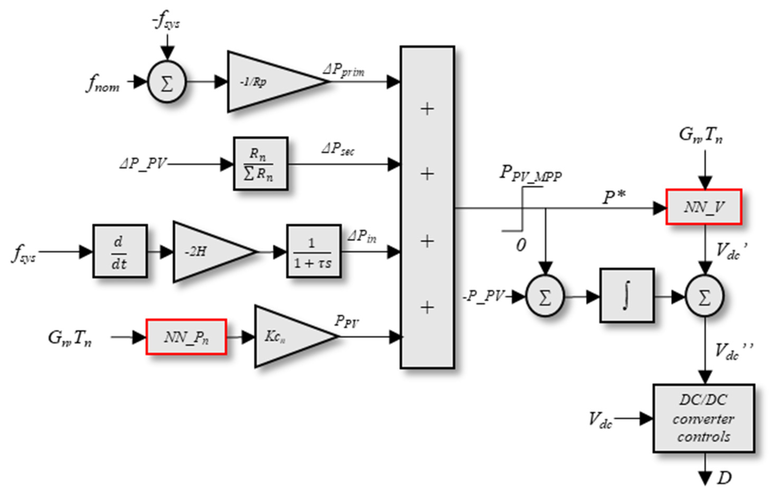
2.4. Array Control through DC/DC Boost Converter
2.5. NN_P and NN_V Training and Implementation for Array Control
2.6. Inverter Control
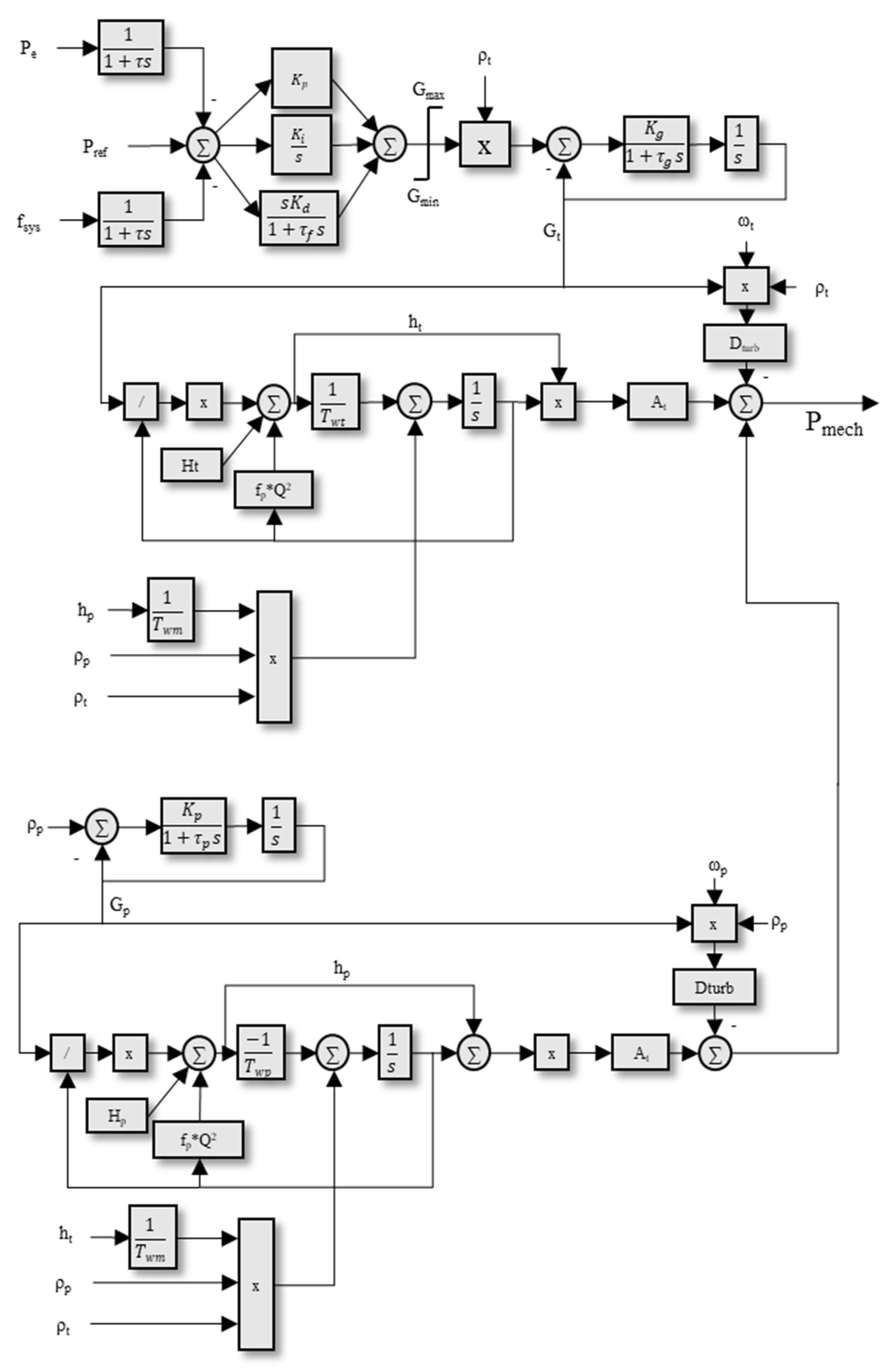
2.7. TPSH Plant Model and Control
3. Results
3.1. Implementation
- Although the TPSH mode change capability can be used in firming, it was avoided. This was done mainly to avoid repeated mode change and oscillation between modes, which can lead to early failure of the ternary set.
- The excitation system of the TPSH and inverters maintain the voltage set or determined by the load flow performed before the initialization.
- The TPSH model implemented head by dividing the discharge by the gate command. The gate command is limited to a minimum value of Gmin > 0. Thus, the TPSH model would never have a 0 output for mechanical and electrical power.
- The reverse saturation current depends on the photo current, which created an algebraic loop. To break this algebraic loop, a unit delay was used.
- Through MATLAB code, the neural network toolbox of MATLAB allowed the training of the NNs and deployment of the NNs into Simulink, with a particular sample time suited for the simulation.
- To avoid a time-varying filter model, in Equation (12) was fixed at with 60 Hz as the nominal frequency.
- For the simulation of the 9-bus system in pump mode with HSC and pure pump mode, real and reactive power loads at buses 5, 7, and 9 were reduced to 50% for HSC mode and 10% for pure pump mode.
3.2. PV Plant Set Point Tracking
3.3. Hybrid Plant Set Point Tracking
3.4. PV Firming Results
3.5. Fast Frequency Response of Hybrid Plant in IEEE 9-Bus System
4. Conclusions
Author Contributions
Funding
Institutional Review Board Statement
Informed Consent Statement
Conflicts of Interest
Appendix A
| Pn (MVA) Vn (Vrms) fn (Hz) | [Xd Xd’ Xd’’ Xq Xq’’ Xl] (pu): | [Td’ Td’’ Tqo’’] (s): | Rs (pu): | H (s) F (pu) p (-) |
|---|---|---|---|---|
| [100 18,000 60] | [1.305, 0.296, 0.252, 0.474, 0.243, 0.18] | [1.01, 0.053, 0.1] | 2.8544 × 10−3 | [3.7 0 32] |
| Tr | Ka, Ta (s) | Ke, Te (s) | Tb (s), Tc (s) | Kf, Tf | Efmin, Efmax, Kp |
|---|---|---|---|---|---|
| 0.02 | 200, 0.001 | 1, 0 | 0, 0 | 0.001, 1 s | 0, 7, 0 |
| Kg and Kp | τg and τp | Dturb | Twt | Twp | At | fp |
|---|---|---|---|---|---|---|
| 1 | 0.5 | 0.5 | 1.605 | 1.605 | 0.98 | 0.0003042 |
| Kp | Ki | Kd | Tf | Ht and Hp | Gmax and Gmin | VGmax and Vgmin |
| 0.5818 | 0.105 | 0.015 | 0.001 | 1 | 1 & 0.01 | ±0.1/s |
| Qnl | Rp | τf and τpe | ||||
| 0.06 | 0.05 | 0.01 |

Appendix B
| Algorithm A1. Automatic mode change of TPSH |
| if MC is 23 set ρp as 1 and ρt as 1; update Pref as 1+Pref; set Present mode as 3; if MC is 12 update Pref as 0; if Pe is less than εe set ρp as 1 and ρt as 0; set Present mode as 2; else set ρp as 0 and ρt as 0; set Present mode as 1; if MC is 13 set ρp as 1; if Pe is less than εe update Pref as 1 + Pref; set ρt as 1; set Present mode as 3; else set Present mode as 1; if MC is 21 set ρp as 0; if Pe is greater than -εe set ρt as 1; set Present mode is 1; else update Pref as 0; set ρt as 0; set Present mode as 2; if MC is 32 update Pref as 0; set ρt as 0; set ρp as 1; set Present mode as 2; if MC is 31 set ρp as 0; update Pref as Pref; set ρt as 1; set Present mode as 1; if Pref is greater than 0 set ρt as 1; set ρp as 0; set Present mode as 1; elseif Pref is lesser than -.6 update Pref as 0; set ρt as 0; set ρp as 1; set Present mode as 2; elseif Pref is lesser than 0 and Pref is greater than -.6 update Pref as 1 + Pref; set ρt as 1; set ρp as 1; set Present mode as 3; |
Appendix C
| Rsh | Rs | Isc | Voc | Ncell |
|---|---|---|---|---|
| 313.3991 | 0.39383 | 7.84 | 36.3 | 60 |
| Lf | Rf | DC Link Voltage | Cdc | Nominal Power | Phase-to-Phase Vrms |
|---|---|---|---|---|---|
| 0.15 pu | 0.0015 pu | 1200 | 600 uF | 25 MVA | 575 |
Appendix D


References
- Center for Climate and Energy Solutions. Hurricanes and Climate Change|Center for Climate and Energy Solutions. 2019. Available online: https://www.c2es.org/content/hurricanes-and-climate-change/ (accessed on 10 July 2021).
- Energy.gov. 2021. Available online: https://www.energy.gov/sites/default/files/2019/07/f65/Storage%20Cost%20and%20Performance%20Characterization%20Report_Final.pdf (accessed on 10 July 2021).
- Pdf.directindustry.com. Hybrid Solutions-GE Power-PDF Catalogs|Technical Documentation|Brochure. 2021. Available online: https://pdf.directindustry.com/pdf/ge-power/hybrid-solutions/205105-810039.html (accessed on 22 June 2021).
- Muljadi, E.; Singh, M.; Gevorgian, V.; Mohanpurkar, M.; Hovsapian, R.; Koritarov, V. Dynamic modeling of adjustable-speed pumped storage hydropower plant. In Proceedings of the 2015 IEEE Power & Energy Society General Meeting, Denver, CO, USA, 26–30 July 2015; pp. 1–5. [Google Scholar] [CrossRef]
- Nag, S.; Lee, K.Y.; Suchitra, D.; Mediratta, V. Load Frequency Control through DFIM-based Pumped Storage Hydro. In Proceedings of the 2019 IEEE Power & Energy Society General Meeting (PESGM), Atlanta, GA, USA, 4–8 August 2019; pp. 1–5. [Google Scholar] [CrossRef]
- Kratirov, V.; Guzwoski, L. Modelling Ternary Pumped Storage Units; Argonne National Laboratory: Oak Ridge, TN, USA, 2013. [Google Scholar]
- Nag, S.; Lee, K.Y.; Suchitra, D. A Comparison of the Dynamic Performance of Conventional and Ternary Pumped Storage Hydro. Energies 2019, 12, 3513. [Google Scholar] [CrossRef] [Green Version]
- Dong, Z.; Tan, J.; Muljadi, E.; Nelms, R.M.; St-Hilaire, A.; Pevarnik, M.; Jacobson, M.D. Developing of Quaternary Pumped Storage Hydropower for Dynamic Studies. IEEE Trans. Sustain. Energy 2020, 11, 2870–2878. [Google Scholar] [CrossRef]
- World Bank. Where Sun Meets Water: Floating Solar Market Report. 2021. Available online: https://www.worldbank.org/en/topic/energy/publication/where-sun-meets-water (accessed on 22 June 2021).
- Wang, Y.; Xu, H. Research and practice of designing hydro/photovoltaic hybrid power system in microgrid. In Proceedings of the 2013 IEEE 39th Photovoltaic Specialists Conference (PVSC), Tampa, FL, USA, 16–21 June 2013; pp. 1509–1514. [Google Scholar] [CrossRef]
- Hydropower.org. Case Study: Solar PV–Hydro Hybrid System at Longyangxia, China. 2021. Available online: https://www.hydropower.org/blog/case-study-solar-pv-e2-80-93hydro-hybrid-system-at-longyangxia-china (accessed on 23 June 2021).
- Gevorgian, V.; O’Neill, B. Advanced Grid-Friendly Controls Demonstration Project for Utility-Scale PV Power Plants; Tech. Rep. NREL/TP-5D00-65368; NREL: Golden, CO, USA, 2016. [Google Scholar]
- Hoke, A.; Muljadi, E.; Maksimovic, D. Real-time photovoltaic plant maximum power point estimation for use in grid frequency stabilization. In Proceedings of the IEEE 16th Workshop on Control and Modeling for Power Electronics (COMPEL), Vancouver, BC, Canada, 12–15 July 2015; pp. 1–7. [Google Scholar] [CrossRef]
- Hoke, A.F.; Shirazi, M.; Chakraborty, S.; Muljadi, E.; Maksimovic, D. Rapid Active Power Control of Photovoltaic Systems for Grid Frequency Support. IEEE J. Emerg. Sel. Top. Power Electron. 2017, 5, 1154–1163. [Google Scholar] [CrossRef]
- Pappu, V.A.K.; Chowdhury, B.; Bhatt, R. Implementing frequency regulation capability in a solar photovoltaic power plant. In Proceedings of the North American Power Symposium, Arlington, TX, USA, 26–28 September 2010; pp. 1–6. [Google Scholar] [CrossRef]
- Watson, L.D.; Kimball, J.W. Frequency regulation of a microgrid using solar power. In Proceedings of the Twenty-Sixth Annual IEEE Applied Power Electronics Conference and Exposition (APEC), Fort Worth, TX, USA, 6–11 March 2011; pp. 321–326. [Google Scholar] [CrossRef]
- Neely, J.; Johnson, J.; Delhotal, J.; Gonzalez, S.; Lave, M. Evaluation of PV frequency-watt function for fast frequency reserves. In Proceedings of the IEEE Applied Power Electronics Conference and Exposition (APEC), Long Beach, CA, USA, 20–24 March 2016; pp. 1926–1933. [Google Scholar] [CrossRef]
- Nrel.gov. 2021. Available online: https://www.nrel.gov/docs/fy16osti/65368.pdf (accessed on 10 July 2021).
- Astrom, K.; Wittenmark, B. Adaptive Control Systems; Addison-Wesley: Reading, MA, USA, 1995. [Google Scholar]
- Villalva, M.; Gazoli, J.; Filho, E. Comprehensive Approach to Modeling and Simulation of Photovoltaic Arrays. IEEE Trans. Power Electron. 2009, 24, 1198–1208. [Google Scholar] [CrossRef]
- Mathworks.com. Fit Curve or Surface to Data—MATLAB FIT. 2021. Available online: https://www.mathworks.com/help/curvefit/fit.html (accessed on 8 June 2021).
- Mathworks.com. Generate Feedforward Neural Network—MATLAB Feedforwardnet. 2021. Available online: https://www.mathworks.com/help/deeplearning/ref/feedforwardnet.html (accessed on 8 June 2021).
- Mathworks.com. Cascade-Forward Neural Network—MATLAB Cascadeforwardnet. 2021. Available online: https://www.mathworks.com/help/deeplearning/ref/cascadeforwardnet.html (accessed on 8 June 2021).
- Levenberg, K. A method for the solution of certain problems in least squares. Q. Appl. Math. 1994, 5, 164–168. [Google Scholar]
- Marquardt, D. An algorithm for least-squares estimation of nonlinear parameters. J. Soc. Ind. Appl. Math. 1963, 11, 431–441. [Google Scholar] [CrossRef]
- Nag, S.; Lee, K.Y. Power System Resiliency Enhancement with Ternary Pumped–Storage Hydropower. IFAC-PapersOnLine 2020, 53, 12714–12718. [Google Scholar] [CrossRef]
- Mathworks.com. Model Dynamics of Three-Phase Round-Rotor or Salient-Pole Synchronous Machineusing Fundamental Parameters in pu Units-Simulink. 2021. Available online: https://www.mathworks.com/help/physmod/sps/powersys/ref/synchronousmachinepufundamental.html (accessed on 8 June 2021).
- Mathworks.com. Provide Excitation System for Synchronous Machine and Regulate Its Terminal Voltage in Generating Mode-Simulink. 2021. Available online: https://www.mathworks.com/help/physmod/sps/powersys/ref/excitationsystem.html (accessed on 8 June 2021).
- Delavari, A.; Kamwa, I.; Brunelle, P. Simscape Power Systems Benchmarks for Education and Research in Power Grid Dynamics and Control. In Proceedings of the IEEE Canadian Conference on Electrical & Computer Engineering (CCECE), Quebec, QC, Canada, 13–16 May 2018; pp. 1–5. [Google Scholar] [CrossRef]
- Mathworks.com. Implement PV Array Modules-Simulink. 2021. Available online: https://www.mathworks.com/help/physmod/sps/powersys/ref/pvarray.html (accessed on 23 June 2021).














| NN_P | FFNN MSE | CFNN MSE | Curve-Fit MSE |
|---|---|---|---|
| 3 neurons | 9.19 × 10−4 | 2.1 × 10−4 | 0.0185 |
| 9 neurons | 7.32 × 10−5 | 7.76 × 10−5 | |
| 15 neurons | 1.01 × 10−4 | 6.5 × 10−5 |
| NN_V | FNN MSE | CFNN MSE |
|---|---|---|
| 3 neurons | 2.56 × 10−2 | 1.3 × 10−2 |
| 9 neurons | 2.8 × 10−3 | 3.2 × 10−3 |
| 15 neurons | 8.1 × 10−4 | 9.7 × 10−4 |
Publisher’s Note: MDPI stays neutral with regard to jurisdictional claims in published maps and institutional affiliations. |
© 2021 by the authors. Licensee MDPI, Basel, Switzerland. This article is an open access article distributed under the terms and conditions of the Creative Commons Attribution (CC BY) license (https://creativecommons.org/licenses/by/4.0/).
Share and Cite
Nag, S.; Lee, K.Y. Neural Network-Based Control for Hybrid PV and Ternary Pumped-Storage Hydro Plants. Energies 2021, 14, 4397. https://doi.org/10.3390/en14154397
Nag S, Lee KY. Neural Network-Based Control for Hybrid PV and Ternary Pumped-Storage Hydro Plants. Energies. 2021; 14(15):4397. https://doi.org/10.3390/en14154397
Chicago/Turabian StyleNag, Soumyadeep, and Kwang Y. Lee. 2021. "Neural Network-Based Control for Hybrid PV and Ternary Pumped-Storage Hydro Plants" Energies 14, no. 15: 4397. https://doi.org/10.3390/en14154397
APA StyleNag, S., & Lee, K. Y. (2021). Neural Network-Based Control for Hybrid PV and Ternary Pumped-Storage Hydro Plants. Energies, 14(15), 4397. https://doi.org/10.3390/en14154397

