Next Article in Journal
Biomethane Potential of Selected Organic Waste and Sewage Sludge at Different Temperature Regimes
Next Article in Special Issue
Photovoltaic System with a Battery-Assisted Quasi-Z-Source Inverter: Improved Control System Design Based on a Novel Small-Signal Model
Previous Article in Journal
The Changes of Ergonomic Engine Vibroacoustic Response Regarding Their Development
Previous Article in Special Issue
Solar Irradiance Forecast Based on Cloud Movement Prediction
 
 
Font Type:
Arial Georgia Verdana
Font Size:
Aa Aa Aa
Line Spacing:
Column Width:
Background:
Article

Efficiency Boost of a Quasi-Z-Source Inverter: A Novel Shoot-Through Injection Method with Dead-Time

Faculty of Electrical Engineering, Mechanical Engineering and Naval Architecture, Department of Power Engineering, University of Split, 21000 Split, Croatia
*
Author to whom correspondence should be addressed.
Energies 2021, 14(14), 4216; https://doi.org/10.3390/en14144216
Submission received: 2 June 2021 / Revised: 1 July 2021 / Accepted: 9 July 2021 / Published: 13 July 2021
(This article belongs to the Special Issue Advanced Control Techniques for Wind/Solar/Battery Systems)

Abstract

:
A quasi-Z-source inverter (qZSI) is a single-stage inverter that enables a boost of the input dc voltage through the utilization of a so-called shoot-through state (STS). Generally, the efficiency of the qZSI depends on the utilized STS injection method to a significant extent. This paper presents a novel method of STS injection, called the zero-sync method, in which the STS occurrence is synchronized with the beginning of the zero switching states (ZSSs) of the three-phase sinusoidal pulse width modulation (SPWM). In this way, compared to the conventional STS injection method, the total number of switchings per transistor is reduced. The ZSSs are detected by utilizing the SPWM pulses and the logic OR gates. The desired duration of the STS is implemented by utilizing the LM555CN timer. The laboratory setup of the three-phase qZSI in the stand-alone operation mode was built to compare the proposed zero-sync method with the conventional STS injection method. The comparison was carried out for different values of the switching frequency, input voltage, duty ratio, and load power. As a result of the implementation of the zero-sync method, the qZSI efficiency was increased by up to 4%. In addition, the unintended STSs, caused by the non-ideal switching dynamics of the involved transistors, were successfully eliminated by introducing the optimal dead-time as part of the modified zero-sync method. As a result, the efficiency was increased by up to 12% with regard to the conventional method.

1. Introduction

The Z-source inverter (ZSI), proposed in 2003, is a single-stage inverter with boost capability [1]. The essential part of the ZSI is an impedance network placed at the dc side of the inverter bridge and composed of two capacitors, two inductors, and a diode. The impedance network combined with the additional shoot-through switching state (STS) enables the boost of the input dc voltage. The STS is achieved by short circuiting one or all the inverter legs during the zero switching states (ZSSs) of the utilized pulse width modulation (PWM) scheme. Many modifications and improvements have been proposed for the ZSI topology [2,3,4], with the quasi-ZSI (qZSI) topology being one of the most commonly used [5]. The main advantages of the qZSI are continuous input current and reduced voltage rating of one of the capacitors in the impedance network. This is achieved through different arrangement of the components in the impedance network.
The commonly utilized sinusoidal PWM (SPWM) and the space-vector PWM (SVPWM) require modifications to allow the STS injection. In [6], the most common qZSI-compatible SVPWM methods are presented. They differ by the number of the STS occurrences within a single switching period, ranging from two to six. There are also many modifications of the SVPWM method which aim to improve the performance of different ZSI topologies. For example, the main goal of the method proposed in [7] was to reduce the switching losses, whereas in [8] the main goal was to reduce the common-mode voltage. The main advantage of the SVPWM with regard to the SPWM is the higher achievable ac voltage at the inverter bridge output for a given input dc voltage. However, this disadvantage of the SPWM may be overcome by injecting 1/6 of the 3rd harmonic component into the respective reference signals [9]. Among the SPWM-based methods most commonly applied for the ZSI topologies are the simple-boost control (SBC), the maximum boost control (MBC) [10], and the maximum constant boost control (MCBC) [11,12]. All the mentioned methods imply that the value of the STS duty ratio (D0), which is defined by the duration of the STS and the switching period, cannot be varied independently of the amplitude modulation index (Ma). This represents a significant disadvantage in terms of the control of the ZSI-related inverters in certain applications [13,14,15,16,17]. Therefore, the methods utilized in [13,14,15,16,17] allow D0 value to vary regardless of the Ma value as long as D0 value is lower than the maximum allowed, which is, in turn, defined by the applied Ma [11]. However, in the literature, the start of the STS is typically not synchronized with the start of the ZSS, except for the case of the MBC method. This results in additional ZSSs with respect to the case when the STS and ZSS would start simultaneously, leading to additional switching losses. In the conventional approach, utilized in [15,16], the STS signal is generated based on the comparison of two dc reference signals (positive and negative) with the carrier signal. However, in this case, the start of the STS is not synchronized with the start of the ZSS.
The STS injection into standard PWM schemes sometimes requires modifications in terms of the utilized hardware [18,19,20,21,22]. The STS implies short circuiting of the inverter phase legs, which is forbidden in the conventional voltage-source inverters (VSI) because it leads to the dc-link short circuit and, ultimately, to the inverter failure. Therefore, some microcontrollers, such as the MicroLabBox (dSpace) utilized in [18] and in this paper, do not allow the implementation of the STSs in the dedicated PWM blocks. One of the solutions is the introduction of the additional circuitry, as in [18,19,20,21,22], composed of the logic OR gates. Another is to impose the STSs by utilizing two different reference signals for the PWM pulses generation of two transistors from the same inverter leg [23,24]. However, the latter implies a high current ripple rating (approximately 130% of the mean value) of the impedance network inductors [23].
The conventional VSIs require the introduction of dead-time into the SPWM pulses in order to prevent short circuiting during the SPWM switching transitions, caused by the non-ideal switching of the involved transistors [25]. On the other hand, in the case of ZSI topologies, the introduction of the dead-time is not necessary due to the existence of the impedance network on the dc side of the inverter bridge [26,27]. However, by omitting the dead-time, a sporadic, unintended short circuiting is bound to occur across the inverter legs due to the aforementioned reason (as would be the case in the conventional VSIs if the dead-time was not introduced). Although these states would not cause the ZSI failure, they would result in an additional, unintended voltage boost. This phenomenon is more prominent at higher values of the inverter bridge input voltage due to the longer duration of the PWM switching transitions. To our best knowledge, in terms of ZSI-related topologies, only in [28] the dead-time was implemented in order to prevent unintended short circuiting across the inverter legs of the multi-level ZSI. In this case, the implementation of the dead-time caused the increase of a common-mode voltage which was reduced by means of the proposed SVPWM scheme. The reason for omitting the dead-time in the literature may be the fact that the peak value of the input voltage (with neglected overshoot) of an inverter bridge utilized in [1,5,7,8,10,12,13,14,15,16,17,19,20,21,22] was relatively low (approximately 500 V), so this phenomenon was not that prominent.
This paper presents a novel method of the STS injection into the three-phase SPWM and it is organized as follows. In Section 2, the basic theoretical background of the qZSI is provided. Section 3 presents the novel STS injection method, called the zero-sync method, in which the starts of the STSs and the ZSSs are synchronized. In this way, compared to the conventional STS injection method, the total number of switchings in the inverter bridge within a single period of the sinusoidal reference signal is reduced by approximately four times the frequency modulation index (Mf). In Section 4, the additional circuitry required for the implementation of the zero-sync method is described. This circuitry detects the ZSS from the input SPWM pulses generated by a microcontroller and injects the STS pulses of adjustable, predefined duration into the SPWM pulses. In Section 5, a comparison of the zero-sync method and the conventional STS injection method is carried out by utilizing the laboratory setup of the three-phase qZSI in the stand-alone mode. The comparison is carried out for six values of the switching frequency from 5 kHz to 10 kHz and three values of the load power from 1000 W to 3000 W. The peak value of the voltage across the inverter bridge (with neglected transient overshoot) is varied in the range of 500–1200 V. In Section 6, the minimal necessary dead-time is additionally introduced to prevent unintended short circuiting across the inverter legs caused by the non-ideal switching of the involved transistors and, hence, to avoid the additional, uncontrollable voltage boost. Finally, in Section 7, the experimental results are discussed, whereas in Section 8 the conclusions are presented.

2. Quasi-Z-Source Inverter

The considered qZSI in the stand-alone configuration is shown in Figure 1. The main parts of the qZSI are the three-phase inverter bridge and the impedance network. The three-phase inverter bridge consists of the insulate gate bipolar transistors (IGBTs) with integrated free-wheeling diodes (FWDs). This paper considers a symmetrical impedance network, i.e., L1 = L2 = L, C1 = C2 = C. The additional LCL filter, composed of the inductors (Lf1, Lf2), capacitors (Cf), and dumping resistances (Rd), is connected at the inverter output. The SPWM with injected 3rd harmonic has been implemented, where the qZSI utilizes the standard SPWM switching states (also known as the non-STSs) along with the STSs, which are injected within the ZSSs. During the STSs, all the transistors in the three-phase inverter bridge conduct, leading to the input voltage boost
B = 1 1 2 D 0 = 1 1 2 T 0 T s w
where T0 is the STS period and Tsw is the switching period.
The peak value of the inverter bridge input voltage (Vpn) and the mean value of the voltages across the capacitors C1 and C2 (VC1 and VC2) for the case of neglected parasitic voltage drops in the impedance network may be defined as follows:
V p n = B V i n = V i n 1 2 D 0 V C 1 = V i n 1 D 0 1 2 D 0 V C 2 = V i n D 0 1 2 D 0
where Vin is the mean value of the qZSI input voltage.

3. Analysis of a Zero-Sync Shoot-Through State Injection Method

The main features of the zero-sync method are the injection of the STS right at the beginning of each ZSS and the control of the STS duration by means of the timer. The value of the maximum allowed STS duty ratio (D0,max) is selected to be the same as for the maximum constant boost control (MCBC) with injected 3rd harmonic, as follows [11]:
D 0 , m a x = 1 3 / 2 M a
This ensures that the STS lasts equal or less than the ZSS, while achieving a time-invariant boost of the inverter, corresponding to the applied D0 value in the range 0 < D0 < D0,max. The best way to describe the zero-sync method is by considering the corresponding waveforms. Figure 2a shows the waveforms of the reference voltages (vrefA, vrefB, vrefC), the carrier triangular signal (vtrian), the STS signal (STtim), and the SPWM pulses of all the transistors (SA+, SA, SB+, SB, SC+, SC), with 0 < D0 < D0,max. The STSs occur right at the beginning of each ZSS (denoted by dashed lines). During the STSs, the pulses of all the transistors are set to 1, which means that they all conduct.
The STS injection method considered in Figure 2b is the conventional method [15,16]. In this method, the STS signal (STconv) is obtained as a result of comparison of the reference dc voltages VP and VN with vtrian. The STconv value is equal to 1 in the case when vtrian > VP or vtrian < VN, otherwise it is equal to 0.
There are notable differences in the switching states distribution between the two STSs injection methods shown in Figure 2, although the same values of Ma and D0 were applied for both the methods. This phenomenon is analyzed for the corresponding transistor pulses of the phase A, where the same conclusion may be reached by considering the other two phases. The differences exist in the upper transistor pulse (SA+) during the interval where the instantaneous value of vrefA is higher than the values of vrefB and vrefC. In that interval, the switching states of the transistor for the zero-sync method occur in the following order: the active state, the STS, and the ZSS. On the other hand, in the same interval, the conventional method utilizes switching states in the following order: the active state, the first ZSS, the STS, and the second ZSS. Consequently, the conventional method utilizes the additional ZSS depicted by the shaded surfaces in Figure 2b. This additional switching state implies two additional switching transitions of the transistor: the turn-off transition from the active state into the ZSS, and the turn-on transition from the ZSS into the STS. The number of the additional switching transitions increases with the frequency modulation index, which is defined as the ratio between the switching frequency (fsw) and the fundamental frequency of the reference voltages (f). The described additional transitions also occur in the lower transistor pulse (SA) during the interval when the instantaneous value of vrefA is lower than the values of vrefB and vrefC. Finally, compared to the conventional method, in the zero-sync method, each transistor in the inverter bridge utilizes two switchings less per switching period during one third (2π/3) of the fundamental period of the reference signal. Consequently, the total number of switchings in the inverter bridge during each fundamental period (1/f) is reduced by
N r e d 6 2 3 f s w f = 4 M f
It is determined that Nred calculated according to (4) corresponds to the actual number of reduced switchings when the amplitude modulation index Ma is equal to or greater than 1 or Mf is the integer multiple of 3. Otherwise, Nred calculated by (4) is slightly lower (i.e., by up to five) than the actual number of reduced switchings. However, this is a negligible error given that Mf in common applications varies from 50 to 500 [29].
As a result of the reduced switching, the switching losses are lower in the case of the zero-sync method, whereas the conduction losses remain the same since the total duration of the ZSS within each Tsw is the same for both the considered methods.
An increase of the D0 value, with the applied constant Ma, would lead to a shorter duration of the additional ZSS. Therefore, the question arises whether the additional ZSS would disappear if D0 would reach D0,max. The answer to this is provided in Figure 3, where the same waveforms as in Figure 2 are shown for the case D0 = D0,max. Figure 3 proves that the additional ZSS still exists even in this case, although its duration is very short. Finally, it may be concluded that the difference in the switching states distribution between the zero-sync method and the conventional method always exists, regardless of the D0 value.

4. Hardware Implementation

The logic diagram of the PWM pulses generation with the STS injection for both the zero-sync and conventional methods is shown in Figure 4. The SPWM pulses are generated by means of the MicroLabBox (dSpace) microcontroller, whereas the corresponding control algorithm was built in the Matlab-Simulink. As for the zero-sync method, the ZSSs are detected by considering all the SPWM pulses. The logic signal (ZS) shown in Figure 4 equals 1 during the zero SPWM state, otherwise it equals 0. The SPWM pulses for the upper transistors (SA+, SB+, SC+) and those for the lower transistors (SA, SB, SC) are fed into the respective OR gates. The output signals of the two OR gates are fed into the NAND gate, which, in turn, generates the ZS signal at its output. The ZS value for all the possible combination of the SPWM pulses is given in Table 1. It is notable that the ZS signal may be correctly obtained by utilizing a single logic XNOR gate for the upper transistor signals (SA+, SB+, SC+) or the lower transistors signals (SA, SB, SC). However, this method was not utilized due to the later introduction of the dead-time, as described in Section 6. The rising pulse of ZS (i.e., from 0 to 1) initiates the timer: the logic STS signal (STtim) is set to value 1, which marks the start of the STS. The duration of the STS is equal to half of the STS period (T0/2). At the end of the STS, defined by the timer operation, STtim becomes 0 and retains that value until the next STS. As for the conventional method, the corresponding logic STS signal (STconv) is the result of the logic OR operation of the signals SP and SN, which are obtained as the result of comparison of the reference voltages VP and VN with vtrian. The STS signal (STs), which is in the end injected into the six SPWM pulses by means of the respective logic OR gates, is the result of the logic OR operation of the signals STtim and STconv. However, it is important to note that when the zero-sync method is implemented, STconv is permanently set to zero. Likewise, when the conventional method is implemented, STtim is permanently set to zero. The output PWM pulses (S*A+, S*A-, S*B+, S*B−, S*C+, S*C) are, in fact, the SPWM pulses with the injected STSs.
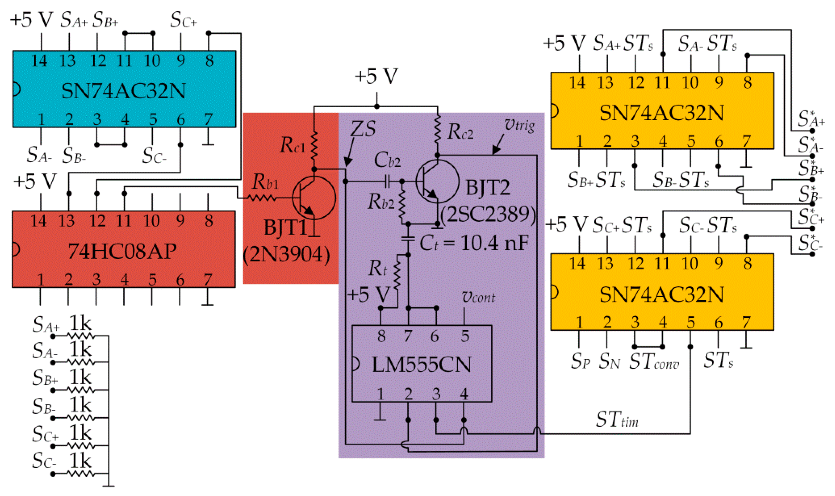
Figure 5 shows the electrical scheme of the circuitry utilized for the STS injection by means of both the considered methods. The circuitry was built based on the logic diagram, so the colors of the components in Figure 5 correspond to those in Figure 4. The logical 0 in the logic diagram corresponds to 0 V in the electrical circuitry, whereas the logical 1 corresponds to +5 V. The supply voltage of the circuitry (Vcc) was set to +5 V. The ZS signal required for the implementation of the zero-sync method is generated by the means of the logic OR gates SN74AC32N (Texas Instruments) along with the logic AND gate 74HC08AP (Texas Instruments) and the logic inverter. The latter is realized by utilizing the NPN bipolar junction transistor (BJT1) 2N3904 (Texas Instruments). The resistors Rb1 = 10 kΩ and Rc1 = 1 kΩ shown in Figure 5 are utilized in the base and collector circuit of the BJT1, respectively, to ensure adequate BJT1 currents.
A monostable operation mode of the timer LM555CN (Texas Instruments) is implemented in order to ensure desired half STS period (T0/2) in the zero-sync method. In this operation mode, the timer output (pin 3), which is utilized as the signal STtim, is set to +5 V in the case when the voltage value of 0 V is applied to the trigger input (pin 2). The trigger input signal (vtrig) is generated by utilizing the NPN BJT2 2SC2389 (Rohm). At the beginning of the ZSS, the BJT1 turns off which causes the ZS value to become +5 V. The current instantaneously starts to flow from the supply terminal (+5 V) through Rc1 and Cb2 = 100 pF into the base of the BJT2. That initiates the start of Cb2 charging and the BJT2 turns on (note that Rc2 = 5.6 kΩ ensures adequate BJT2 collector current), which results in vtrig = 0 V. This triggers the timer and the STtim value changes to +5 V, which represents the start of the STS. As a result, the timer pins 6 and 7 internally disconnect from the pin 1, which is connected to the ground. Therefore, the capacitor Ct, connected between the timer pins 6 and 7 and the ground, begins to charge through the resistor Rt, connected between the timer pins 8 (supply +5 V) and 6 and 7. During the STS, the vtrig value remains 0 V as long as the base current is high enough to maintain the BJT2 turned on, practically until Cb2 is fully charged. Once Cb2 is fully charged, the BJT2 turns off and the vtrig value becomes +5 V. In the considered circuitry, the vtrig value remains 0 V for approximately 1.5 μs within each ZSS, which is determined by the time constant Rc1Cb2 and BJT2 parameters such as the base-collector voltage and the current transfer ratio of the base current. The value of the timer output (STtim) remains +5 V until the voltage across Ct (vCt) reaches the value of the signal applied to the timer pin 5 (vcont). At that point, the STtim value becomes 0 V (STS ends) and retains that value until the next STS. As the STtim value changes to 0 V, the timer pins 6 and 7 internally connect to the pin 1 (ground) and thus enable Ct discharge. Note that for the proper operation of the timer, the vtrig value has to be +5 V at the moment when vCt reaches vcont. Therefore, each STS generated by the timer in considered circuitry has to last longer than 1.5 μs. Finally, at the end of the ZSS, the BJT1 turns on, the ZS value changes to 0 V, and Cb2 discharges through Rb2 = 10 kΩ and BJT1. In this way, the multiple trigger occurrences within a single ZSS are prevented. The implemented circuitry allows the STS to last equal or lower than the ZSS. This is achieved by utilizing the ZS signal to control the reset of the timer (pin 4). If the reset is set to 0 V, the timer output is disabled (pin 3 is permanently set to 0), whereas if the reset is set to +5 V, the timer operates regularly.
The STS signal (STs) shown in Figure 5 is injected into the SPWM signals by means of the logic OR gates SN74AC32N. STs is the result of the logic OR operation of STtim and STconv. STconv is generated as the result of logic OR operation of SP and SN, also by utilizing the logic OR gates SN74AC32N. Note that when the zero-sync method is implemented, the values of SP and SN are permanently set to 0 V, whereas when the conventional method is implemented, the vcont value is permanently set to 0 V. Finally, it is important to emphasize that the rise times of the logic gates and the timer of approximately 10 ns and 100 ns, respectively, do not affect the proper operation of the circuitry.
Figure 6a shows the waveforms of vtrig, STtim, and vCt in the case when the maximum (Vcont,max), minimum (Vcont,min), and typical (Vcont,typ) values of vcont are applied, with constant values of Rt and Ct. These three values of vcont, selected to point out the effect of vcont variation, are defined based on the recommendations given in the datasheet of the timer manufacturer. However, vcont may be varied continuously, with the precision depending on the resolution of the MicroLabBox analog output. The value of vCt may be calculated based on the supply voltage and the time constant Tt = RtCt, as follows:
v C t = V c c ( 1 e T 0 / 2 T t )
In the considered monostable mode, the STtim value instantly changes from 1 to 0 when vCt reaches vcont. Hence, the value of T0/2 may be calculated based on (5), with applied vCt = vcont, as follows:
T 0 / 2 = T t ln ( 1 v c o n t V c c )
In this study, the value of Vcc is set to 5 V which results with Vcont,max = 4 V and Vcont,min = 2.6 V according to the recommendations given in the datasheet of the timer manufacturer. By considering the values of Vcont,min and Vcont,max, the maximum (T0,M−tim/2) and minimum (T0,m−tim/2) values of T0/2 may be defined as follows:
T 0 , M t i m / 2 = T t ln ( 1 4 5 ) = 1.61 T t T 0 , m t i m / 2 = T t ln ( 1 2.6 5 ) = 0.73 T t
The scope of T0/2 variation depends on the value of the time constant (Tt), wherein the T0,m−tim/2 value has to be higher than 1.5 μs, as explained before. Figure 6b shows T0/2 as a function of vcont for different values of Tt. The minimum and maximum values of T0/2, which may be achieved by the timer, define the scope of the STS duty ratio variations. The minimum (D0,m−tim) and maximum (D0,m−tim) duty ratios are defined as follows:
D 0 , M t i m = 2 T 0 , M t i m / 2 T s w = 3.22 T t T s w D 0 , m t i m = 2 T 0 , m t i m / 2 T s w = 1.46 T t T s w
Hence, due to fact that the range of D0 variation is limited according to (8), all D0 values in the range of 0 to D0,max may not be achieved by utilizing the timer. This is not a huge disadvantage since in most applications such a broad scope of D0 is not required [13,14,15,16,17]. In order to achieve the desired scope of D0 variation for the certain value of Tsw, the value of Tt has to be determined from (8).
Note also that the described electrical circuitry allows the implementation of the SPWM with omitted STSs. To achieve that, the values vcont, SP, and SN have to be permanently set to 0 V. In this way, the considered electrical circuitry does not generate the STSs. The described electrical circuitry also allows the implementation of the simple-boost SVPWM method, proposed in [7].
Figure 7 shows the photo of the electrical circuitry whose electrical diagram is shown in Figure 5. The input SPWM pulses along with the signals SP and SN are connected to the digital output ports of the MicroLabBox, whereas the output PWM pulses are connected to the gate drivers of the transistors. The control voltage (vcont) is connected to the board from the analog output of the MicroLabBox by means of a coaxial cable. Note that Ct is fixed to the board, whereas Rt may easily be removed and replaced by the resistor of another resistance value. Thus, the desired value of Tt, which ensures the desired scope of D0 variation, is achieved by applying Rt with the required resistance value to the board. In order to prevent problems with the dirty ground, the ground pins of all the logic gates are connected to the copper plate placed underneath the main board. Moreover, the electromagnetic interference (EMI) was suppressed by accommodation of the board into the housing BIM2001/11-EMI/RFI (Camdenboss).

5. Experimental Evaluation of the Zero-Sync Method

Figure 8a shows the laboratory setup of the system used for the experimental evaluation of the zero-sync method. The main components are denoted as follows:
  • DC power supply Chroma 62050H 600S, voltages up to 600 V, currents up to 8.2 A.
  • Hall-effect transducers LA 50-P/S55 (for the qZSI input current and the output phase current), DVL 500 (for the qZSI voltages), and CV 3–500 (for the ac load voltage) (LEM).
  • Power analyzer Norma 4000 (Fluke), used for the measurement of the output load power.
  • qZSI impedance network built of inductors with powder cores T520-26 (Micrometals) (L1 = L2 = 20.2 mH (unsaturated), RL = 0.5 Ω (at 25 °C)), polypropylene capacitors MKSPI35-50U/1000 (Miflex) (C1 = C2 = 50 μF, ESR = 7.8 mΩ), and the diode which was built as a serial compound of three diode sets, where each set was built as a parallel compound of three FWDs of the IGBT-FWD pair IRG8P25N120KD (International Rectifier).
  • qZSI three-phase inverter bridge (IXBX75N170 IGBTs (IXYS) and SKHI 22B(R) drivers (Semikron)) shown in Figure 8b.
  • LCL filter at the qZSI output stage (Lf1 = 8.64 mH, Lf2 = 4.32 mH, Cf = 4 μF, Rd = 10 Ω).
  • Variable resistors utilized as a symmetric three-phase load.
  • MicroLabBox controller board (dSpace) for the qZSI control.
  • Oscilloscope MDO 3014 (Tektronix).
The considered laboratory setup was built to operate in the stand-alone configuration with the switching frequencies in the range 5–10 kHz. The selected IGBTs, shown in Figure 8b, have a sufficiently high collector-emitter break down voltage and nominal collector current to ensure proper operation of the qZSI. They were utilized instead of metal oxide semiconductor field effect transistors (MOSFETs) due to the lower level of electromagnetic interference [30]. On the other hand, IGBTs have somewhat higher switching losses compared to MOSFETs. The impedance network diode was built as the above-described series-parallel combination of six FWDs of the IGBT-FWD pair IRG8P25N120KD (International Rectifier), thus reducing both the current and voltage stress of the FWDs. The values of the inductors and capacitors in the symmetric impedance network have been chosen to ensure acceptable inductor current ripple in the considered switching frequency range. As for the output LCL filter, the value of the capacitors has been chosen in order to keep the reactive power under 5% of the nominal inverter power of 4 kW. The values of the damping resistances (Rd), required to avoid the resonance, have been chosen according to the recommendations in [31]. The value of the LCL filter inductors has been chosen in order to ensure acceptable THD of the inverter output current.
The control algorithm of the qZSI was executed with the sampling frequency of 10 kHz. The qZSI was operated in the open-loop mode, meaning that the RMS value of the fundamental load phase voltage was not controlled, whereas its frequency was set to 50 Hz by means of the SPWM. All the experiments were carried out with the three-phase resistive load connected to the inverter output.
The values of D0,max and Ma utilized during the measurements were determined according to the MCBC method and the maximum allowed value of Vpn. The maximum Vpn value of 1200 V was selected in order to avoid high levels of the electromagnetic interference, disrupting the normal operation of the gate drivers. The maximum applied qZSI input voltage amounted to 500 V, which along with Vpn = 1200 V defines D0,max = 0.29 according to (2). Finally, the Ma value of 0.819 is obtained according to (3). For the Ma value higher than 0.819, the Vpn value would surpass 1200 V for the corresponding D0,max value, whereas for the Ma value lower than 0.819, the Vpn value would stay below 1200 V for D0 in the range 0 < D0 < D0,max.
The switching frequencies in the range 5–10 kHz were considered during the measurements. Rt values of 1 kΩ and 2 kΩ were utilized with Ct fixed to 10.4 nF in order to ensure the desired values of T0/2 for all the considered switching frequencies. Figure 9 shows T0/2 as a function of the control voltage (vcont) for the two utilized values of Rt. It is notable that the experimentally measured values of T0/2 almost perfectly match those obtained by (6) for both the considered resistance values. Table 2 shows the available range of variation of the duty ratio value, as per (8), for all the considered switching frequencies and for the two applied Rt values.
The experimental evaluation of the zero-sync method was carried out through the comparison with the conventional method. First, the respective waveforms were compared in order to highlight the differences in the switching states distribution between the two considered methods. Figure 10a,b show the respective experimental waveforms of the collector-emitter voltage of the upper transistor in the phase A (vce,A+), the qZSI input current (iL1), and the reference voltage in the phase A (vrefA) for a single fundamental period of vrefA. The measurements were carried out with fsw = 5 kHz, D0 = 0.24, Ma = 0.819, vin = 500 V, and the load power set to 1000 W. The waveforms were recorded by the oscilloscope MDO 3014 (Tektronix). The part of the vrefA period with notable differences between the two considered injection methods is additionally magnified (lower part of Figure 10a,b). The transistor switching state may be detected based on the value of vce,A+: when vce,A+ value is approximately 0, the transistor is turned on, whereas it is turned off otherwise. On the other hand, the iL1 waveform was utilized for the detection of the STSs: during the STS, iL1 increases, whereas it decreases otherwise. The inductor current ripple for both the considered methods is practically the same and amounts to approximately 46% of the mean value. The calculated value of the current ripple obtained as V C 1 T 0 / 2 L —the equation given in [15]—amounts to 37% of the mean value. The VC1 value of approximately 770 V was determined according to the corresponding waveforms shown in Figure 11, whereas the inductance value was determined according to the equation given in [32], which is based on the mean value of the inductor current (IL1).
The switching states of the zero-sync method are shown in Figure 10a and occur in the following order: the active state (interval 1), the STS (interval 2), the ZSS (interval 3). As opposed to this, the conventional method, shown in Figure 10b, utilizes an additional ZSS (vce,A+ ≈ 800 V) in between the active state and the STS. This proves the fact mentioned in Section 3 that the conventional method utilizes the additional ZSS for the transistor A+ (two additional switching transitions) in the interval where vrefA > (vrefB, vrefC) applies (similar applies for all the other transistors as well).
Figure 10c shows the harmonic spectrum of the qZSI input current waveform for both the considered methods, where harmonic components are shown as the percentage of the input current dc component. The harmonic components that are integer multiples of 2fsw = 10 kHz are notable since the fundamental frequency of the ac component of the qZSI input current amounts to 2fsw (i.e., there are two STSs per switching period). The share of high-order harmonics and the THD are lower in the case of the zero-sync method compared to the conventional method.
The waveforms of the qZSI input voltage and the voltages across the capacitors C1 and C2 for both the considered methods are shown in Figure 11. The measurements were carried out with the same input parameters as the measurements shown in Figure 10. The waveforms of all the considered voltages are similar for both the considered methods. However, note that the mean values of the voltages vC1 and vC2 (VC1 = 766 V, VC2 = 265 V for the zero-sync method and VC1 = 775 V, VC2 = 273 V for the conventional method) are higher than the values obtained from (2) based on vin and D0 (VC1 = 731 V, VC2 = 231 V). This is the consequence of the unintended additional boost. This, in turn, occurs due to the unintended short circuiting across the inverter legs (i.e., unintended STSs) caused by the non-ideal switching of the involved transistors, as discussed later. Likewise, the mean values of vC1 and vC2 are higher for approximately 10 V in the case of the conventional method compared to the zero-sync method due to the higher overall number of switchings and, consequently, higher number of unintended STSs. This unintended additional boost was eliminated by introducing the dead-time, which is shown in the next section.
Based on the waveforms shown in Figure 10 and Figure 11, it may be concluded that there are no notable differences in terms of the EMI noises between the two considered methods. In order to achieve a satisfying trade-off between the EMI noises and the switching losses of the IGBTs, the gate turn-on and turn-off resistances were both set to 15 Ω. Detailed analysis of the EMI noises exceeds the scope of this study, but it may be assumed that the EMI noises are somewhat lower in the case of the proposed zero-sync method due to the lower overall number of switchings compared to the conventional method.
The difference in the switching states distribution between the two considered STS injection methods results in the inverter losses difference and, thus, the efficiency difference. For the purpose of inverter losses and efficiency measurement, the inverter input power was measured by Chroma, whereas the output load power was measured by the high-precision power analyzer Norma 4000 (Fluke). The inverter losses (Pl−zsm/conv) for the zero-sync method (subscript “zsm”) and the conventional method (subscript “cm”) were obtained as
P l z s m / c m = P i n z s m / c m P o u t z s m / c m
where Pin−zsm/cm is the inverter input power and Pout−zsm/cm is the load power.
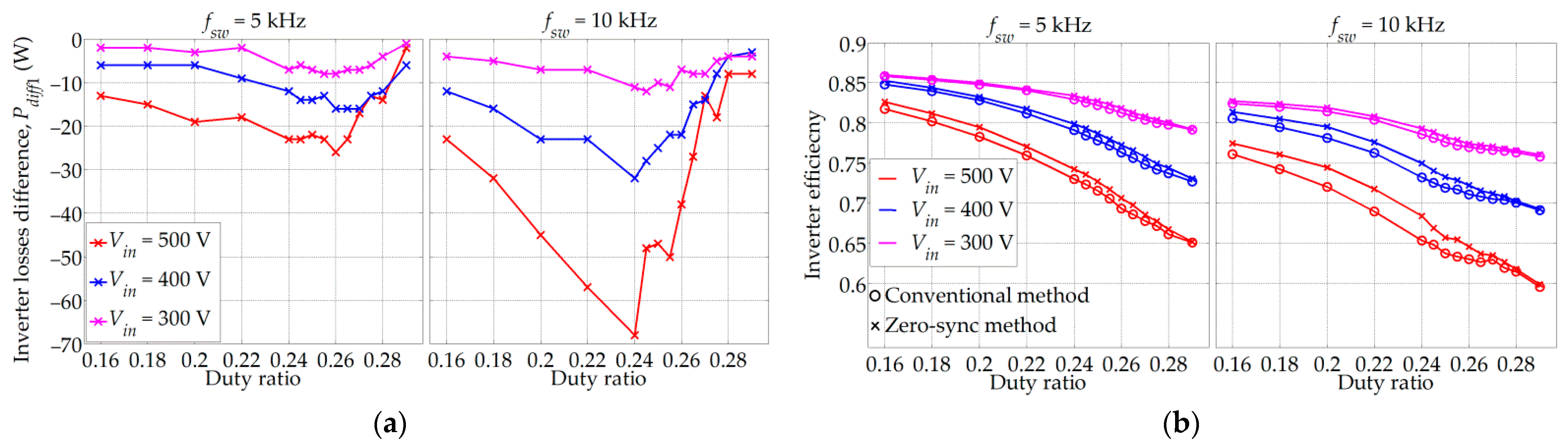
Figure 12 shows the inverter losses difference and the efficiency as a function of the duty ratio for different values of the load power and for the switching frequencies of 5 kHz and 10 kHz, with Ma = 0.819 and Vin = 500 V. The inverter losses difference (Pdiff1) shown in Figure 12a, obtained as Pl−zsmPl−cm, is negative for all the considered values of D0, meaning that the inverter losses are lower in the case of the zero-sync method.
It is notable that Pdiff1 varies with respect to the duty ratio. For example, for fsw = 5 kHz, it may be noted that the absolute value of Pdiff1 increases with D0 in the range from 0.16 to about 0.26, and then it rapidly decreases. The described behavior of the inverter losses difference is related to the additional transistor switching occurring in the conventional STS injection method. The additional switching implies higher switching losses of the transistor. For D0 ≤ 0.26, the duration of the additional ZSS is long enough to ensure both the mentioned switching transitions of the transistor to be finished completely. Hence, in this region, the switching losses of the transistors are dominant and increase with D0 [33] due to the increase of Vpn as per (2). However, when the applied D0 is higher than 0.26, the turn-on transition into the STS occurs before the previous turn-off transition from the active state into the ZSS has completely finished. This leads to a decrease of the corresponding switching losses, and consequently to a decrease of the Pdiff1 absolute value. It is important to note that, in case D0 = D0,max is applied, Pdiff1 is still negative, which confirms the claims stated in the last paragraph of Section 3.
The similar behavior of Pdiff1 with regard to the variation of D0 was noted for fsw = 10 kHz (right part of Figure 12a). However, the absolute values of Pdiff1 were in this case somewhat higher due to the increase of the switching transitions with fsw and, hence, the increase of the switching losses. Note that the absolute value of Pdiff1 increases with D0 until the turning point (D0 ≈ 0.24), which is in this case slightly lower compared to the previous example at fsw = 5 kHz. This is related to the fact that the switching transitions occur more often at higher switching frequencies. However, since each transition of the transistor requires a certain amount of time to be executed, depending solely on its current and voltage, the inability of the transistor to completely turn-off from the active state into the ZSS occurs for lower values of D0 compared to the example at fsw = 5 kHz.
The variation of the load power did not have a clear impact on the inverter losses difference. This may be explained by the fact that the increase of the load power primarily leads to the increase of the transistor conduction losses, whereas the increase of the switching losses remains less pronounced [33]. Note also that the load power of 3000 W was not achieved for fsw = 10 kHz for both the considered methods because this would cause the case temperature of the IGBT-diode pair to surpass the maximum allowed temperature, set to 130 °C. This may ultimately destroy the device.
Figure 12b shows the inverter efficiency for the two considered STS injection methods. As expected, the inverter efficiency is higher in the case of the zero-sync method and it increases with the load power. The highest efficiency difference is noted for D0 = 0.2 and fsw = 10 kHz and amounts to approximately 4%. In addition, the inverter efficiency for both the considered methods decreases with D0 increase due to the increase of Vpn according to (2), which, in turn, implies higher switching losses. Moreover, lower efficiency is noted for the higher switching frequency, regardless of the applied STS injection method, which is again due to the higher switching losses.
Figure 13 shows the inverter losses difference and the efficiency as a function of the duty ratio for different values of the input voltage and the switching frequencies of 5 kHz and 10 kHz, with Ma = 0.819 and Pout = 1000 W. The variation of the inverter losses with respect to D0 in Figure 13a is practically the same as in Figure 12a. However, the variation of the input voltage (Vin) significantly affects the inverter losses difference. Note that by reducing the input voltage by 100 V, the absolute value of Pdiff1 is about two times reduced. This is the consequence of Vpn decreasing with Vin according to (2), which in turn leads to the decrease of the switching losses. This effect is more pronounced at the higher switching frequency.
Figure 13b shows that the input voltage decrease favorably affects the inverter efficiency, primarily due to the decrease of the switching losses. The negative sign of Pdiff1 for all the considered values of D0 and Vin implies that the zero-sync method ensures higher inverter efficiency compared to the conventional method. The smallest efficiency difference is observed for Vin = 300 V and fsw = 5 kHz and amounts to 0.5%, whereas the largest is observed for Vin = 500 V and fsw = 10 kHz and amounts to 2.5%.
Figure 14a shows Pdiff1 as a function of the duty ratio for different values of the switching frequency, with Ma = 0.819, Pout = 1000 W, and Vin = 500 V. It may be concluded that the absolute value of Pdiff1 increases with the switching frequency, which was expected due to the increased number of switching transitions, and hence the increased switching losses. Note that the turning point of Pdiff1, after which the absolute value of Pdiff1 starts to decrease with the increase of D0, occurs for lower D0 values as fsw increases.
The inverter efficiency as function of the switching frequency, for the two considered STS injection methods, is shown in Figure 14b. Three values of D0 were considered–0.16, 0.24, and 0.29–with Ma = 0.819, Pout = 1000 W, and Vin = 500 V. The inverter efficiency increases with the decrease of D0 as well as with the decrease of fsw, both due to the decrease of the switching losses. Note that the zero-sync method results in higher inverter efficiency for all the considered measurement points. The largest difference is noted for D0 = 0.24 and fsw = 10 kHz and amounts to 4%, whereas the smallest difference is noted for D0 = 0.29 and fsw = 5 kHz and amounts to 0.4%. This is in accordance with Pdiff1 variation shown in Figure 14a. The absolute value of Pdiff1 for D0 = 0.24 and fsw = 10 kHz amounts to 70 W, whereas it amounts to only 3 W for D0 = 0.29 and fsw = 5 kHz.

6. Modified Zero-Sync Shoot-Through Injection Method with the Dead-Time

The experimental comparison of the zero-sync method and the conventional one proved the main advantage of the zero-sync method, which is the inverter efficiency increase. However, during the experimental investigation, differences were noted between the boost factor achieved through STS injection, defined in (1), and the actual boost determined as follows:
B a c t = 1 1 2 D 0 , a c t = 1 1 2 V C 2 V i n + 2 V C 2
where D0,act represent equivalent actual duty ratio calculated according to (2).
In the obtained results, the actual boost factor was always higher than the one achieved through the STS injection and this phenomenon was noted for both the considered STS injection methods. This was the result of unintended short circuiting across the inverter legs (i.e., unintended STSs) due to the non-ideal switching of the involved transistors. The dead-time prevents simultaneous conduction of the transistors in the same inverter leg by introducing the time delay into the PWM signals. So far, the dead-time was not implemented for the qZSI since it is not required due to the existence of the impedance network. However, this does not mean that the transistors in the same leg do not occasionally simultaneously conduct for a short amount of time during the non-STSs. This only means that this sporadic, unintended short circuiting can be tolerated within such a configuration. Hence, although this may not cause the qZSI failure, it results in higher-than-intended and uncontrollable qZSI voltage boost.
Figure 15 shows Bact as a function of the introduced dead-time (τd) for different applied B values and two switching frequencies, with Vin = 500 V, Pout = 1000 W, and Ma = 0.819. The actual boost factor rapidly decreases with τd increase in the range 0 ≤ τd ≤ 0.7 μs for both the considered switching frequencies. This is because the duration of the additional, unintended short circuit occurrences is reduced by introducing the dead-time. Note that the actual boost is significantly higher in the case when the switching frequency is set to 10 kHz as compared to 5 kHz. This is because the higher fsw implies lower Tsw, so the time share of the additional short circuits within a single Tsw increases. On the other hand, the increase of the actual boost factor with the dead-time is noted for τd > 0.7 μs for both the considered switching frequencies. This is related to the blocking of the impedance network diode during the non-STSs, which is caused by the dead-time injection. The increase of τd implies the decrease of the output voltage and the load power, which, in turn, results with the decrease of the qZSI input current. Therefore, the non-STSs are bound to last longer than the inductor discharging time, causing D1 to block the current, thus increasing the boost factor [34,35]. Finally, it was decided to introduce the dead-time into the SPWM of the considered qZSI with the optimal value of τd selected to be 0.7 μs. This value is high enough to prevent the occurrence of the additional short circuit occurrences during the SPWM switching transitions, whereas the higher values of τd would cause the blocking of D1 and higher distortion of the inverter output voltage.
The modified zero-sync method of STS injection is practically the zero-sync method with the introduced dead-time of optimal duration. Figure 16a shows the characteristic waveforms of the zero-sync method. The dead-time, depicted by the yellow areas in Figure 16, is injected into the transistor pulses to postpone the turn-on transition into the active SPWM state. This prevents the short circuiting of the corresponding inverter leg during the SPWM switching transitions. However, it may also disrupt the detection of the ZSSs. This can be described by considering the waveforms of the SPWM with introduced dead-time, but with omitted STSs, which are shown in Figure 16b. There are two ZSSs within a single Tsw, as is shown in the rectangle in Figure 16b. During the first ZSS, the switching pulses SA+, SB+, and SC+ are equal to 0, whereas SA, SB, and SC are equal to 1. However, during the second ZSS, the opposite holds. The first ZSS occurs when the SA+ value becomes 0, whereas the second ZSS occurs when the SB value becomes 0. Thus, the occurrence of the ZSS is in the first case determined by the upper transistor switching pulse and by the lower transistor switching pulse in the second case. The same may be noted within each Tsw. That practically means that the first ZSS has to be detected when the switching pulses SA+, SB+, and SC+ are equal to 0, whereas the second ZSS has to be detected when the switching pulses SA, SB, and SC are equal to 0. Therefore, the switching pulses of all the transistors needed to be utilized for the detection of the ZSS for the hardware implementation of the modified zero-sync method.
Figure 17 shows the waveforms of the load phase current in the phase A (ia) and the qZSI input current (iL1) in the case of implementing the zero-sync method with dead-time. The measurements were carried out with fsw = 5 kHz, D0 = 0.24, Ma = 0.819, vin = 500 V, and the load power set to 1000 W. The output phase current is practically sinusoidal with the THD of 1.9%. Moreover, by the comparison of the iL1 waveforms shown in Figure 10 and Figure 17, it may be concluded that there is no notable difference in the ripple of the inductor current between all the three methods considered in this paper, namely the zero-sync method with and without dead-time and the conventional method.
The evaluation of the zero-sync method with dead-time is provided through the comparison to the zero-sync method without dead-time. The main comparison parameters were the same as those used in Section 5: the power losses difference (Pdiff2) and the inverter efficiency difference. The inverter losses in the case of the modified zero-sync method (Pl−mzsm) were calculated as Pin−mzsmPout−mzsm, whereas Pdiff2 was calculated as Pl−mzsmPl−zsm.
Figure 18 shows Pdiff2 and the inverter efficiency as a function of the duty ratio for different load power values and the switching frequencies of 5 kHz and 10 kHz, with Ma = 0.819 and Vin = 500 V. The inverter losses are significantly reduced by introducing the dead-time, whereas the absolute value of Pdiff2 increases with the load power. The largest absolute value of Pdiff2, noted for fsw = 10 kHz, D0 = 0.28, and Pout = 2000 W, amounts to 280 W, which results in the inverter efficiency increase of 11%. The lowest absolute value of Pdiff2, noted for fsw = 5 kHz, D0 = 0.16, and Pout = 2000 W, amounts to 18 W, which results in the inverter efficiency increase less than 1%.
Figure 19 shows Pdiff2 and the inverter efficiency as a function of the duty ratio for different input voltage values and the switching frequencies of 5 kHz and 10 kHz, with Ma = 0.819 and Pout = 1000 W. Note that by reducing the input voltage by 100 V, the absolute value of Pdiff2 is reduced by a factor of two. Likewise, by decreasing the switching frequency from 10 kHz to 5 kHz, the absolute value of Pdiff2 is again reduced by a factor of two. Therefore, the largest Pdiff2 absolute value of 240 W is noted for fsw = 10 kHz and Vin = 500 V (efficiency boost of 10%), whereas the lowest Pdiff2 absolute value of 10 W is noted for fsw = 5 kHz and Vin = 300 V (efficiency increase less than 1%).
Figure 20a shows Pdiff2 as a function of the duty ratio for different values of the switching frequency, with Ma = 0.819, Pout = 1000 W, and Vin = 500 V. For the same utilized value of the STS duty ratio, the absolute value of Pdiff2 increases with the switching frequency due to the increase of the switching losses. It is interesting to observe how the mentioned fact affects the inverter efficiency. Figure 20b shows the inverter efficiency as a function of the switching frequency for three values of D0, namely 0.16, 0.24, and 0.29, with Ma = 0.819, Pout = 1000 W, and Vin = 500 V. As expected, the inverter efficiency is higher when the dead-time is implemented, with the difference between the two considered methods increasing with D0. The decrease of the inverter efficiency with the fsw increase noted in the case of the modified zero-sync method is lower compared to the non-modified zero-sync method.
The inverter losses differences that occur with regard to different STS injection methods should be reflected in different case temperatures of the utilized IGBT-diode pairs. Therefore, the case temperature of the IGBT-diode pairs was measured in steady state by means of the thermal camera Testo 865 (Testo). Figure 21 shows the case temperature with respect to the duty ratio for all three STS injection methods considered in this study. Three values of D0 and three values of the load power were considered for the switching frequencies of 5 kHz and 10 kHz. The highest case temperatures were noted for the conventional method, the zero-sync method resulted with medium temperature values, whereas the implementation of the modified zero-sync method resulted with convincingly the lowest case temperatures. For example, for fsw = 10 kHz, Pout = 2000 W, and D0 = 0.29, the case temperature difference between the modified zero-sync method and the other two methods amounts to approximately 50 °C. Consequently, the implementation of the modified zero-sync method results in an increase of the inverter power rating since the inverter losses and the case temperatures are in this case reduced.

7. Discussion

The experimental validation of the zero-sync method was caried out through the comparison to the conventional method. The comparison of the corresponding waveforms proved that the total number of switchings in the inverter bridge within a single period of the sinusoidal reference signal is reduced by approximately four times the frequency modulation index (Mf). The comparison of the inverter power losses and efficiency has been carried out for different values of Pout, Vin, and fsw for D0 values in a range from 0.16 up to the maximum of 0.29. The inverter power losses have been reduced by 3–85 W in the case of the zero-sync method compared to the conventional method in the tested operating range. Consequently, the inverter efficiency was increased by 0.3–4% in the case of the zero-sync method. The inverter losses difference (Pdiff1) varies with D0 variation. The absolute Pdiff1 value increases with D0 in the range from D0 = 0.16 to D0 = 0.24–0.26, where it reaches the maximum value between 8 W and 85 W, and then it rapidly decreases. This behavior is related to the additional transistor switching occurring in the conventional method. For lower values of D0, the ZSS is long enough to ensure both the mentioned switching transitions of the transistor to finish completely. Since the switching losses of the transistor increase with D0 due to the increase of Vpn as per (2), the absolute inverter power difference increases. However, for higher values of D0, in the conventional method, the turn-on transition into the STS occurs before the previous turn-off transition from the active into the ZSS has finished. This leads to the decrease of the switching losses in the conventional method and thus to the decrease of the absolute inverter power difference between the two considered methods. The variations in the transistors switching losses have been analyzed with regard to the variation of Pout, Vin, and fsw. Pout has been varied in a relatively narrow range from 1000 W up to 3000 W, leading to low variation of the inverter output current, and thus low variation of the transistors switching losses. On the other hand, the variation of fsw in the range from 5 kHz up to 10 kHz and the variation of vin in the range from 300 V up to 500 V has caused significant variation of the transistors switching losses and thus significant variation of the power losses difference between the two considered methods.
During the experimental investigation, it has been noted that the actual inverter boost factor is always higher than the expected boost factor considering the injected STSs. This was the result of unintended short circuiting across the inverter legs due to the non-ideal switching of the involved transistors. The experimentally determined optimal dead-time of 0.7 μs has been introduced into the SPWM pulses of the zero-sync method to prevent this unintended short circuiting across the inverter legs. As a result, the inverter power losses have been decreased by 15–281 W, resulting in the efficiency increase of 1.5–11%. This has been shown through comparison of the results obtained with the zero-sync method with and without the dead-time. In addition, the case temperatures of the IGBT-diode pairs in the inverter bridge were measured by means of the thermal camera. It turned out that the highest case temperature was noted for the conventional method 129 °C with Pout = 2000 W and fsw = 10 kHz, whereas the lowest case temperature was noted for the zero-sync method with implemented dead-time 35 °C with Pout = 1000 W and fsw = 5 kHz. These results are in accordance with the previously acquired results obtained by considering the electrical quantities. Finally, the introduction of the dead-time did not affect the inductor current ripple, whereas the output load phase current remained practically sinusoidal with the THD of 1.9%.

8. Conclusions

This paper presents a novel method of STS injection into the three-phase SPWM pulses. The proposed method was successfully applied for the qZSI in the stand-alone operation mode. However, its application is not restricted to this ZSI topology or to stand-alone mode. The developed method was evaluated through the comparison with the conventional method of the STS injection. It turned out that, by implementing the proposed zero-sync method instead of the conventional method, the inverter power losses were decreased, which resulted in the inverter efficiency increase. The maximum noted losses decrease amounted to 85 W, whereas the maximum noted increase of the inverter efficiency amounted to 4%. The additional modification of the zero-sync method was performed by introducing the dead-time of optimal duration. As a result, the qZSI efficiency was increased by up to 11% in the considered operating range. The inverter power losses were reduced in this case by 281 W, whereas the IGBT-diode pair case temperature was reduced by about 50 °C, resulting in a higher achieved power rating of the inverter. The additional benefit of the dead-time introduction is the observed decrease of the inverter electromagnetic interference, but this effect was not quantified in this study.
The drawback of the timer-based implementation of the zero-sync method is the imposed minimum STS duration (1.5 μs in this paper). However, by proper selection of the corresponding hardware components, the minimum imposed STS duration can be adjusted with regard to the minimum required STS duration. In addition, the value of the time constant affecting the STS duration may be varied online by utilizing a digital potentiometer board or a voltage-controlled resistor instead of a constant-value resistor utilized in this study. In the future, it is planned to implement the proposed zero-sync method with dead-time to the qZSI in photovoltaic and wind energy applications with energy storage, for both the stand-alone and grid-tied operation.

Author Contributions

Conceptualization, I.G., D.V. and M.B. (Mateo Bašić); methodology, I.G. and D.V.; software, I.G. and M.B. (Matija Bubalo); validation, I.G.; formal analysis, I.G. and M.B. (Matija Bubalo); investigation, I.G.; resources, D.V.; data curation, I.G.; writing—original draft preparation, I.G.; writing—review and editing, D.V. and M.B. (Mateo Bašić); visualization, I.G.; supervision, D.V.; project administration, D.V.; funding acquisition, D.V. All authors have read and agreed to the published version of the manuscript.

Funding

This work has been fully supported by Croatian Science Foundation under the project (IP-2016-06-3319).

Institutional Review Board Statement

Not applicable.

Informed Consent Statement

Not applicable.

Data Availability Statement

Not applicable.

Conflicts of Interest

The authors declare no conflict of interest.

References

  1. Peng, F.Z. Z-source inverter. IEEE Trans. Ind. Appl. 2003, 39, 504–510. [Google Scholar] [CrossRef]
  2. Siwakoti, Y.P.; Peng, F.Z.; Blaabjerg, F.; Loh, P.C.; Town, G.E. Impedance-Source Networks for Electric Power Conversion Part I: A Topological Review. IEEE Trans. Power Electron. 2015, 30, 699–716. [Google Scholar] [CrossRef]
  3. Ellabban, O.; Abu-Rub, H. Z-Source Inverter: Topology Improvements Review. IEEE Ind. Electron. Mag. 2016, 10, 6–24. [Google Scholar] [CrossRef]
  4. Liu, Y.; Abu-Rub, H.; Ge, B. Z-Source/Quasi-Z-Source Inverters: Derived Networks, Modulations, Controls, and Emerging Applications to Photovoltaic Conversion. IEEE Ind. Electron. Mag. 2014, 8, 32–44. [Google Scholar] [CrossRef]
  5. Anderson, J.; Peng, F.Z. Four quasi-Z-Source inverters. In Proceedings of the 2008 IEEE Power Electronics Specialists Conference, Rhodes, Greece, 15–19 June 2008; pp. 2743–2749. [Google Scholar]
  6. Liu, Y.; Ge, B.; Abu-Rub, H.; Peng, F.Z. Overview of Space Vector Modulations for Three-Phase Z-Source/Quasi-Z-Source Inverters. IEEE Trans. Power Electron. 2014, 29, 2098–2108. [Google Scholar] [CrossRef]
  7. Abdelhakim, A.; Davari, P.; Blaabjerg, F.; Mattavelli, P. Switching Loss Reduction in the Three-Phase Quasi-Z-Source Inverters Utilizing Modified Space Vector Modulation Strategies. IEEE Trans. Power Electron. 2018, 33, 4045–4060. [Google Scholar] [CrossRef] [Green Version]
  8. Duong, T.D.; Nguyen, M.K.; Tran, T.T.; Lim, Y.C.; Choi, J.H.; Wang, C. Modulation Techniques for a Modified Three-Phase Quasi-Switched Boost Inverter With Common-Mode Voltage Reduction. IEEE Access 2020, 8, 160670–160683. [Google Scholar] [CrossRef]
  9. Houldsworth, J.A.; Grant, D.A. The Use of Harmonic Distortion to Increase the Output Voltage of a Three-Phase PWM Inverter. IEEE Trans. Ind. Appl. 1984, IA-20, 1224–1228. [Google Scholar] [CrossRef]
  10. Peng, F.Z.; Miaosen, S.; Zhaoming, Q. Maximum boost control of the Z-source inverter. IEEE Trans. Power Electron. 2005, 20, 833–838. [Google Scholar] [CrossRef]
  11. Shen, M.; Jin, W.; Joseph, A.; Peng, F.Z.; Tolbert, L.M.; Adams, D.J. Maximum constant boost control of the Z-source inverter. In Proceedings of the Conference Record of the 2004 IEEE Industry Applications Conference, 39th IAS Annual Meeting, Seattle, WA, USA, 3–7 October 2004; pp. 1–147. [Google Scholar]
  12. Miaosen, S.; Jin, W.; Joseph, A.; Peng, F.Z.; Tolbert, L.M.; Adams, D.J. Constant boost control of the Z-source inverter to minimize current ripple and voltage stress. IEEE Trans. Ind. Appl. 2006, 42, 770–778. [Google Scholar] [CrossRef]
  13. Khajesalehi, J.; Sheshyekani, K.; Hamzeh, M.; Afjei, E. High-performance hybrid photovoltaic -battery system based on quasi-Z-source inverter: Application in microgrids. IET Gener. Transm. Distrib. 2015, 9, 895–902. [Google Scholar] [CrossRef]
  14. Liu, Y.; Ge, B.; Abu-Rub, H.; Peng, F.Z. Control System Design of Battery-Assisted Quasi-Z-Source Inverter for Grid-Tie Photovoltaic Power Generation. IEEE Trans. Sustain. Energy 2013, 4, 994–1001. [Google Scholar] [CrossRef]
  15. Sun, D.; Ge, B.; Bi, D.; Peng, F.Z. Analysis and control of quasi-Z source inverter with battery for grid-connected PV system. Int. J. Electr. Power Energy Syst. 2013, 46, 234–240. [Google Scholar] [CrossRef]
  16. Ayad, A.; Kennel, R. A comparison of quasi-Z-source inverters and conventional two-stage inverters for PV applications. EPE J. 2017, 27, 43–59. [Google Scholar] [CrossRef]
  17. Liu, W.; Yang, Y.; Kerekes, T.; Liivik, E.; Blaabjerg, F. Impedance Network Impact on the Controller Design of the QZSI for PV Applications. In Proceedings of the 2020 IEEE 21st Workshop on Control and Modeling for Power Electronics (COMPEL), Aalborg, Denmark, 9–12 November 2020; pp. 1–6. [Google Scholar]
  18. Roncero-Clemente, C.; Romero-Cadaval, E.; Ruiz-Cortés, M.; Husev, O. Carrier Level-Shifted Based Control Method for the PWM 3L-T-Type qZS Inverter With Capacitor Imbalance Compensation. IEEE Trans. Ind. Electron. 2018, 65, 8297–8306. [Google Scholar] [CrossRef]
  19. Roasto, I.; Vinnikov, D.; Zakis, J.; Husev, O. New Shoot-Through Control Methods for qZSI-Based DC/DC Converters. IEEE Trans. Ind. Inform. 2013, 9, 640–647. [Google Scholar] [CrossRef]
  20. Vinnikov, D.; Roasto, I.; Liivik, L.; Blinov, A. Four Novel PWM Shoot-Through Control Methods for Impedance Source DC-DC Converters. J. Power Electron. 2015, 15, 299–308. [Google Scholar] [CrossRef] [Green Version]
  21. Nguyen, M.K.; Choi, Y.O. Maximum Boost Control Method for Single-Phase Quasi-Switched-Boost and Quasi-Z-Source Inverters. Energies 2017, 10, 553. [Google Scholar] [CrossRef]
  22. Liu, J.; Jiang, S.; Cao, D.; Peng, F.Z. A Digital Current Control of Quasi-Z-Source Inverter With Battery. IEEE Trans. Ind. Inform. 2013, 9, 928–937. [Google Scholar] [CrossRef]
  23. Xu, W.; Chan, K.W.; Or, S.W.; Ho, S.L.; Liu, M. A Low-Harmonic Control Method of Bidirectional Three-Phase Z-Source Converters for Vehicle-to-Grid Applications. IEEE Trans. Transp. Electrif. 2020, 6, 464–477. [Google Scholar] [CrossRef]
  24. Xu, W.; Liu, M.; Liu, J.; Chan, K.W.; Cheng, K.W.E. A Series of New Control Methods for Single-Phase Z-Source Inverters and the Optimized Operation. IEEE Access 2019, 7, 113786–113800. [Google Scholar] [CrossRef]
  25. Iimori, K.; Shinohara, K.; Yamamoto, K. Study of dead-time of PWM rectifier of Voltage-source inverter without DC-link components and its operating characteristics of induction motor. IEEE Trans. Ind. Appl. 2006, 42, 518–525. [Google Scholar] [CrossRef]
  26. Babaei, E.; Abu-Rub, H.; Suryawanshi, H.M. Z-Source Converters: Topologies, Modulation Techniques, and Application–Part I. IEEE Trans. Ind. Electron. 2018, 65, 5092–5095. [Google Scholar] [CrossRef]
  27. Vijayan, V.; Ashok, S. Hybrid Control for Bidirectional Z-Source Inverter for Locomotives. Adv. Power Electron. 2015, 2015, 264374. [Google Scholar] [CrossRef] [Green Version]
  28. Mahmoudian, M.; Fakhraei, M.; Pouresmaeil, E.; Rodrigues, E.M.G. An Impedance Source Multi-Level Three Phase Inverter with Common Mode Voltage Elimination and Dead Time Compensation. Electronics 2020, 9, 1639. [Google Scholar] [CrossRef]
  29. Vodovozov, V. Introduction to Power Electronics; Bookboon: London, UK, 2010. [Google Scholar]
  30. Zhang, L.; Yuan, X.; Wu, X.; Shi, C.; Zhang, J.; Zhang, Y. Performance Evaluation of High-Power SiC MOSFET Modules in Comparison to Si IGBT Modules. IEEE Trans. Power Electron. 2019, 34, 1181–1196. [Google Scholar] [CrossRef]
  31. Liserre, M.; Blaabjerg, F.; Hansen, S. Design and control of an LCL-filter-based three-phase active rectifier. IEEE Trans. Ind. Appl. 2005, 41, 1281–1291. [Google Scholar] [CrossRef]
  32. Bašić, M.; Vukadinović, D.; Polić, M. Dynamic simulation model of a quasi-Z-Source inverter with parasitic resistances and saturable inductor. In Proceedings of the 2017 International Symposium on Power Electronics (Ee), Novi Sad, Serbia, 19–21 October 2017; pp. 1–6. [Google Scholar]
  33. Grgić, I.; Vukadinović, D.; Bašić, M.; Bubalo, M. Calculation of Semiconductor Power Losses of a Three-Phase Quasi-Z-Source Inverter. Electronics 2020, 9, 1642. [Google Scholar] [CrossRef]
  34. Liske, A.; Clos, G.; Braun, M. Analysis and modeling of the Quasi-Z-Source-Inverter. In Proceedings of the IECON 2011—37th Annual Conference of the IEEE Industrial Electronics Society, Melbourne, Australia, 7–10 November 2011; pp. 1197–1202. [Google Scholar]
  35. Liu, W.; Yang, Y.; Liivik, E.; Vinnikov, D.; Blaabjerg, F. Critical Parameter Analysis and Design of the Quasi-Z-Source Inverter. In Proceedings of the 2019 IEEE 2nd Ukraine Conference on Electrical and Computer Engineering (UKRCON), Lviv, Ukraine, 2–6 July 2019; pp. 474–480. [Google Scholar]
Figure 1. qZSI in a stand-alone configuration.
Figure 1. qZSI in a stand-alone configuration.
Energies 14 04216 g001
Figure 2. Waveforms of the zero-sync STS injection method (a) and the conventional STS injection method (b), with 0 < D0 < D0,max.
Figure 2. Waveforms of the zero-sync STS injection method (a) and the conventional STS injection method (b), with 0 < D0 < D0,max.
Energies 14 04216 g002
Figure 3. Waveforms of the zero-sync STS injection method (a) and the conventional STS injection method (b), with D0 = D0,max.
Figure 3. Waveforms of the zero-sync STS injection method (a) and the conventional STS injection method (b), with D0 = D0,max.
Energies 14 04216 g003
Figure 4. Logic diagram of the PWM pulses generation with the STSs injection by means of both the zero-sync and conventional methods.
Figure 4. Logic diagram of the PWM pulses generation with the STSs injection by means of both the zero-sync and conventional methods.
Energies 14 04216 g004
Figure 5. Electrical diagram of the PWM pulses generation with the STSs injection by means of both the zero-sync and conventional methods.
Figure 5. Electrical diagram of the PWM pulses generation with the STSs injection by means of both the zero-sync and conventional methods.
Energies 14 04216 g005
Figure 6. Waveforms of the trigger voltage, STS signal generated by the timer, and voltage of Ct (a), Half-period of the STS as a function of the control voltage (b).
Figure 6. Waveforms of the trigger voltage, STS signal generated by the timer, and voltage of Ct (a), Half-period of the STS as a function of the control voltage (b).
Energies 14 04216 g006
Figure 7. Photo of the electrical circuitry utilized for the STSs injection.
Figure 7. Photo of the electrical circuitry utilized for the STSs injection.
Energies 14 04216 g007
Figure 8. Laboratory setup of the qZSI in the stand-alone configuration (a), the qZSI three-phase inverter bridge (b).
Figure 8. Laboratory setup of the qZSI in the stand-alone configuration (a), the qZSI three-phase inverter bridge (b).
Energies 14 04216 g008
Figure 9. Half-period of the STS as a function of the control voltage obtained for the considered experimental setup.
Figure 9. Half-period of the STS as a function of the control voltage obtained for the considered experimental setup.
Energies 14 04216 g009
Figure 10. Waveforms of the reference voltage of phase A, collector-emitter voltage of the upper transistor in the phase A, and qZSI input current in case of implementing the zero-sync method (a) and the conventional method (b), the harmonic spectrum of the qZSI input current waveform (c).
Figure 10. Waveforms of the reference voltage of phase A, collector-emitter voltage of the upper transistor in the phase A, and qZSI input current in case of implementing the zero-sync method (a) and the conventional method (b), the harmonic spectrum of the qZSI input current waveform (c).
Energies 14 04216 g010
Figure 11. Waveforms of the input voltage, voltage across the capacitor C1, and voltage across the capacitor C2: the zero-sync method (a) and the conventional method (b).
Figure 11. Waveforms of the input voltage, voltage across the capacitor C1, and voltage across the capacitor C2: the zero-sync method (a) and the conventional method (b).
Energies 14 04216 g011
Figure 12. Inverter losses difference (Pdiff1) (a) and inverter efficiency (b) as a function of the duty ratio for different values of the load power and switching frequency.
Figure 12. Inverter losses difference (Pdiff1) (a) and inverter efficiency (b) as a function of the duty ratio for different values of the load power and switching frequency.
Energies 14 04216 g012
Figure 13. Inverter losses difference (Pdiff1) (a) and inverter efficiency (b) as a function of the duty ratio for different values of the inverter input voltage and switching frequency.
Figure 13. Inverter losses difference (Pdiff1) (a) and inverter efficiency (b) as a function of the duty ratio for different values of the inverter input voltage and switching frequency.
Energies 14 04216 g013
Figure 14. Inverter losses difference (Pdiff1) as a function of the duty ratio for different switching frequencies (a); inverter efficiency as a function of the switching frequency for different duty ratio values (b).
Figure 14. Inverter losses difference (Pdiff1) as a function of the duty ratio for different switching frequencies (a); inverter efficiency as a function of the switching frequency for different duty ratio values (b).
Energies 14 04216 g014
Figure 15. Actual boost factor as a function of the dead-time for applied B = 1 (a), B = 1.27 (b), B = 1.74 (c), and B = 2.46 (d).
Figure 15. Actual boost factor as a function of the dead-time for applied B = 1 (a), B = 1.27 (b), B = 1.74 (c), and B = 2.46 (d).
Energies 14 04216 g015
Figure 16. Waveforms of the modified zero-sync method of the STS injection where 0 < D0 < D0,max (a), waveforms of the SPWM with the dead-time where the STSs were omitted (b).
Figure 16. Waveforms of the modified zero-sync method of the STS injection where 0 < D0 < D0,max (a), waveforms of the SPWM with the dead-time where the STSs were omitted (b).
Energies 14 04216 g016
Figure 17. Waveforms of the output load phase current and the qZSI input current in case of implementing the zero-sync method with dead-time.
Figure 17. Waveforms of the output load phase current and the qZSI input current in case of implementing the zero-sync method with dead-time.
Energies 14 04216 g017
Figure 18. Inverter losses difference (Pdiff2) (a) and inverter efficiency (b) as a function of the duty ratio for the different values of the load power and switching frequency.
Figure 18. Inverter losses difference (Pdiff2) (a) and inverter efficiency (b) as a function of the duty ratio for the different values of the load power and switching frequency.
Energies 14 04216 g018
Figure 19. Inverter losses difference (Pdiff2) (a) and inverter efficiency (b) as a function of the duty ratio for the different values of the inverter input voltage and switching frequency.
Figure 19. Inverter losses difference (Pdiff2) (a) and inverter efficiency (b) as a function of the duty ratio for the different values of the inverter input voltage and switching frequency.
Energies 14 04216 g019
Figure 20. Inverter losses difference (Pdiff2) as a function of the duty ratio for different switching frequencies (a); inverter efficiency as a function of the switching frequency for different duty ratio values (b).
Figure 20. Inverter losses difference (Pdiff2) as a function of the duty ratio for different switching frequencies (a); inverter efficiency as a function of the switching frequency for different duty ratio values (b).
Energies 14 04216 g020
Figure 21. Measured IGBT-diode case temperature as a function of the duty ratio for different load power values.
Figure 21. Measured IGBT-diode case temperature as a function of the duty ratio for different load power values.
Energies 14 04216 g021
Table 1. The available SPWM pulses combinations and the ZS signal value.
Table 1. The available SPWM pulses combinations and the ZS signal value.
SA+SB+SC+SASBSCZS
0001111
0011100
0101010
0111000
1000110
1010100
1100010
1110001
Table 2. The available range of variation of the duty ratio value obtained for the two utilized values of Rt resistance.
Table 2. The available range of variation of the duty ratio value obtained for the two utilized values of Rt resistance.
Switching FrequencyRt = 1 kΩRt = 2 kΩ
D0,m-timD0,M-timD0,m-timD0,M-tim
5 kHz0.070.170.150.33
6 kHz0.090.20.180.4
7 kHz0.10.230.210.47
8 kHz0.120.270.24>0.5
9 kHz0.130.30.27>0.5
10 kHz0.150.330.3>0.5
Publisher’s Note: MDPI stays neutral with regard to jurisdictional claims in published maps and institutional affiliations.

Share and Cite

MDPI and ACS Style

Grgić, I.; Vukadinović, D.; Bašić, M.; Bubalo, M. Efficiency Boost of a Quasi-Z-Source Inverter: A Novel Shoot-Through Injection Method with Dead-Time. Energies 2021, 14, 4216. https://doi.org/10.3390/en14144216

AMA Style

Grgić I, Vukadinović D, Bašić M, Bubalo M. Efficiency Boost of a Quasi-Z-Source Inverter: A Novel Shoot-Through Injection Method with Dead-Time. Energies. 2021; 14(14):4216. https://doi.org/10.3390/en14144216

Chicago/Turabian Style

Grgić, Ivan, Dinko Vukadinović, Mateo Bašić, and Matija Bubalo. 2021. "Efficiency Boost of a Quasi-Z-Source Inverter: A Novel Shoot-Through Injection Method with Dead-Time" Energies 14, no. 14: 4216. https://doi.org/10.3390/en14144216

APA Style

Grgić, I., Vukadinović, D., Bašić, M., & Bubalo, M. (2021). Efficiency Boost of a Quasi-Z-Source Inverter: A Novel Shoot-Through Injection Method with Dead-Time. Energies, 14(14), 4216. https://doi.org/10.3390/en14144216

Note that from the first issue of 2016, this journal uses article numbers instead of page numbers. See further details here.

Article Metrics

Back to TopTop