Next Article in Journal
The Effect of Pure Oxygenated Biofuels on Efficiency and Emissions in a Gasoline Optimised DISI Engine
Next Article in Special Issue
Demand-Side Management for Improvement of the Power Quality in Smart Homes Using Non-Intrusive Identification of Appliance Usage Patterns with the True Power Factor
Previous Article in Journal
MPC Based Coordinated Active and Reactive Power Control Strategy of DFIG Wind Farm with Distributed ESSs
Previous Article in Special Issue
Short Term Active Power Load Prediction on A 33/11 kV Substation Using Regression Models
 
 
Font Type:
Arial Georgia Verdana
Font Size:
Aa Aa Aa
Line Spacing:
Column Width:
Background:
Article

Small-Signal Model and Stability Control for Grid-Connected PV Inverter to a Weak Grid

Department of Electrical and Automation Engineering, Harbin Institute of Technology, Harbin 150001, China
*
Author to whom correspondence should be addressed.
Energies 2021, 14(13), 3907; https://doi.org/10.3390/en14133907
Submission received: 10 May 2021 / Revised: 12 June 2021 / Accepted: 23 June 2021 / Published: 29 June 2021

Abstract

:
This paper presents a small signal stability analysis to assess the stability issues facing PV (photovoltaic) inverters connected to a weak grid. It is revealed that the cause of the transient instabilities, either high-frequency or low-frequency oscillations, is dominated by the outer control loops and the grid strength. However, most challenging oscillations are low-frequency oscillations induced by coupling interaction between the outer loop controller and PLL (Phase-Locked Loop) when the inverter is connected to a weak grid. Therefore, the paper proposes a low-frequency damping methodology in order to enhance the high system integration, while maintaining the stability of the system. The control method uses a DC link voltage error to modulate the reference reactive current. The proposed control reduces the low-frequency coupling between the DVC (DC link voltage controller), AVC (AC voltage controller) and PLL (Phase-locked loop). According to this study’s results, the performance capability of the grid-connected PV inverter is improved and flexibility in the outer loop controller design is enhanced. The control strategy proposed in this paper is tested using the PLECS simulation software (Plexim GmbH, Zurich Switzerland) and the results are compared with the conventional method.

1. Introduction

High penetration of PV systems into AC systems reduces the grid strength, i.e., the AC system short circuit ratio (SCR) is reduced. The reduction in the SCR is due to a high impedance of long transmission lines connecting the PV systems, which are located far away from load centers [1]. In addition, the reduction in the SCR may also be due to the increased level of penetration of the inertialess PV system [2]. The grid strength is described by the SCR, where a weak grid is defined by the SCR < 3 [2]. With the increasing level of PV system penetration into the grid, the system stability becomes a challenging issue, as the grid becomes weak [3,4,5]. PV systems are connected to the grid through VSCs [6], which are controlled to inject a clean current to the grid.
The main method used to control VSCs is based on vector control in the synchronous reference frame (dq) [7,8,9]. Vector control consists of cascaded control loops containing a DC link voltage controller (DVC), a PCC (point of common coupling) voltage controller (AVC), and an inner current loop controller (CC) [10]. The DVC regulates the terminal voltage to follow the reference level by generating the active current reference, while the AVC regulates the PCC voltage to produce the reactive current reference. Furthermore, the CC regulates the current flowing into the grid to follow the reference set by the outer loop controllers. Apart from control loops, a PLL is necessary for the synchronization process of the VSC to the grid [11].
Stability issues encountered in distributed PV systems connected to a weak grid could be due to the physical dynamics of the PV system, to the control loop interactions or to the combination of both. To investigate the causes of the unwanted oscillations in power systems with high penetration VSC interfaced sources, many methods have been developed. References [1,12,13] proposed a reduced small-signal model to investigate the effects of outer control loops, grid dynamics and PLL on the system stability. The model only addresses the causes of low-frequency oscillations encountered when the inverter interacts with a weak grid. It has been found that the PLL, outer control loop (which includes the PCC voltage controller and DC link voltage controller), and the grid strength are the main cause of low-frequency instability issues [4,14]. The same results have been revealed in [5,15], when a full order or accurate small-signal model of the system as called by the author was used. These forms of instabilities are quite challenging and limit the integration of solar energy into the grid system. Therefore, in order to cope with the instabilities caused by the high integration of PV systems into a weak grid, different control methods are generated.
An improved PLL system has been proposed [16,17]. The proposed PLL uses a virtual impedance to compensate for the voltage drop across the line impedance in order to extend the operational capability of the system. The proposed control method yields good performance. However, such control strategies do not decouple the control loop interactions. The impact of control loop interactions was addressed in [7], where a multivariable controller was turned using H_inf. Nevertheless, the outer loop controllers were turned without considering the effects of PLL. An alternative robust vector current controller was proposed considering the effects of PLLs [3]. In reference [5], the author proposed a control method to damp the low-frequency oscillations, where the measured PCC voltage is used to update the d-axis current reference, while in [4], the author uses the measured grid current and PCC terminal voltage to set the DC link voltage reference level. All the above-mentioned methods aim to stabilize the VSC system interacting with a weak grid.
All models presented in the above sections lack a deep understanding of the degree of system control loop interactions. In addition, high-frequency instabilities that may be due to the control loop and grid interaction have not been touched. Therefore, in order to address the aforementioned problems, this paper proposes a simplified full order model that reflects on high and low-frequency instabilities.
For a weak grid, the ac terminal voltage is sensitive to the change in active power, which is controlled through the DC-link voltage controller. As a result, the DC-link controller, the ac-voltage controller that regulates the ac terminal voltage and the PLL are dynamically coupled. The resonance oscillations may take place due to those loops coupling. Thus, a decoupling methodology is required to limit the interaction between the DC-link controller, AVC controller and the PLL. Therefore, a simple compensation method that aims to damp the low-frequency oscillations induced by the outer control loop, the PLL and the grid dynamics, is proposed.
The proposed method uses the DC-link voltage error deviation to generate the additional reactive current reference. The obtained compensating reactive current is added to the reactive current reference from the PCC voltage control loop. By updating the reactive current reference with respect to the DC-link voltage, the instability issues induced by the control loops coupling are overcome. Further, the proposed control strategy also benefits from easy implementation and good robustness against AVC, DVC and PLL bandwidth variation, as well as the grid strength variation. The performance of the proposed method is evaluated by using the small-signal stability analysis based on the derived small-signal model. At last, but not the least, the comparative evaluation of the proposed control method with the conventional control method is performed.
The rest of the paper is structured as follows: in Section 2, the configuration of PV generation connected to a weak AC grid is described and its small-signal model, including PV generator, control loop dynamics, VSC power stage and grid model is derived. The stability analysis of conventional control method is presented in Section 3 and a proposed low-frequency oscillations damping method is presented in Section 4. Section 5 presents a comparative stability analysis of the conventional method and the proposed method, while in Section 6, the simulations results are presented. Finally, the conclusions are drawn in Section 7.

2. Structure of Single-Stage Grid-Connected PV Inverter and Control System

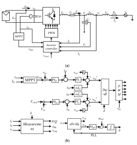
The schematic diagram of the grid-connected single-stage 3-phase 2-level PV inverter system is depicted in Figure 1a and the control system is shown in Figure 1b. The PV inverter contains a PV generator that converts solar irradiance into electrical power. The power generated by the PV generator is routed to the VSC through a DC-link capacitor (Cdc) that plays a major role in power balancing. The switching harmonics in the output current produced by the VSC are curtailed by the LCL filter, which consists of converter side inductor Lf with parasite resistance Rf, the capacitor Cf and the grid side inductor Lc. The filter components are designed based on reference [18]. In addition, the output current of LCL flows to the grid through the grid impedance consisting of Rg and Lg that characterize the grid strength. The control system consists of the maximum power point tracking (MPPT), the DC-link voltage controller that regulates the DC voltage at the reference level while maintaining the AC and DC power balanced, the inner CC loop implemented in dq reference frame and a synchronous reference frame PLL (SRF–PLL) used to synchronize the grid-connected inverter to the grid.

3. Characteristics of PV Generator and its Mathematical Model

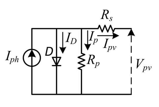
The main building block of a PV generator is a PV cell that converts solar energy to electrical energy. Due to the low power generated by PV cells, they are combined in series and parallel configurations to form a PV module, which can be also parallel and serially configured to form PV panels to increase power. Furthermore, PV arrays are combined in series and parallel configurations to generate the required power and produce the required DC link voltage. In compact and simple ideal form representation, a PV generator is modeled using a single diode model, due to its simplicity and accuracy. The model presented in Figure 2 contains the current source representing the photonic current generated by the PV cell, where that current mainly depends on solar irradiance and the cell temperature, the parasite diode (D), parallel resistor (Rp) and series resistance (Rp).
Mathematically, the simplified ideal PV module used to capture solar energy and convert it into electrical can be modeled by its V-I characteristics as expressed as in Equation (1) [19,20,21] when the parasite resistances are ignored.
I p v ( v p v , T ) = I p h I r s ( e ( q v p v / k a T ) 1 )
where the PV characteristics parameters in Equation (1) such as: q = (1.602 × 10−19 C) is the electron charge, K = (1.38 × 10−23) is the Boltzmann constant, T is the module temperature, Iph is the photon current, Irs is the saturation current and A is the ideality factor. ns and np represent the number of the interconnected PV module in series and parallel, respectively. The photonic current of the PV generator is determined as indicated in Equation (2), and it is linearly dependent on the solar insolation.
The module temperature affects the photonics current as well.
I p h = ( I s c + K t ( T T r e f ) ) G G r e f
where Tref is the module reference temperature, Isc is the module short-circuit current at the reference temperature, G(W/m2) is the solar insolation and Kt is the module temperature coefficient.
The output power extracted from the PV array can be obtained using Equation (3), where the generated power depends on the solar insolation and the terminal PV voltage.
Figure 3 shows the output power of the PV generator in the function of the PV terminal voltage at a different level of solar insolation.
P p v ( G , T , V p v ) = v p v I p v = n p I p h v p v n p I r s v p v ( e ( v p v Q / n s K A T ) 1 )
In this paper, a Mitsubishi PV array of a model “PVUD190MF5” is considered [22]. The output power of the PV system under different solar irradiation as a function of the DC terminal voltage, with series-connected modules of ns = 33 and the parallel-connected string of np = 16 which can generate 100 KW when working at MPPT, is shown in Figure 3.
From Figure 3, the output power of a PV generator at any value of the solar insolation and module temperature varies nonlinearly as a function of the terminal voltage, where it exhibits two zero power points, with one corresponding to the open-circuit voltage and the other to the short-circuit voltage, respectively, and one single maximum power point. It is desirable to operate the grid-connected PV generator to the maximum power point for harvesting the maximum possible power available. Therefore, to guaranty that the PV generator outputs the possible maximum output power under variations of the environmental conditions, the PV terminal voltage is regulated by the MPPT algorithm [23], to remain closer to the maximum power point voltage (vmpp). The incremental conductance and P&O (perturb and observe) are the most used due to their accuracy and simplicity in implementation. In this paper, a P&O is adopted.

4. Small-Signal Model of Grid-Connected PV Inverter

Considering both the power part and control system as represented in Figure 1, the small-signal mathematical model can be derived for stability analysis. The system is considered to be a 3-phase balanced system. All system variables and control loops are represented in dq reference frame. During steady-state operation, the grid dq reference frame is oriented with the converter dq rotating frame, whereas that is not the case when the converter operating is in transient mode. Therefore, the mismatch between the grid reference frame and the converter reference frame is modeled using the grid angle generated by PLL. Note that, as the control loop does not use the grid current, the Lc inductor may be taken as the grid impedance in combination with Lg. For simplicity, the variable in the grid dq frame will be superscripted by “g” while the variable in the converter frame is maintained as it is; the subscript “0” represents the steady-state value of that variable and Δ represents small signal variations around the operating point.

4.1. Frame Transformation

The input variables in grid dq reference frame are transformed into converter reference using Equation (4a), whereas the output variables of the converter in converter dq frame are transformed back into grid dq reference frame through Equation (4b)
x = x g e j δ
x g = x e j δ
where x = xd + jxq represents the variable in converter dq reference frame, xg = xdg + jxqg represents the variable in the grid reference frame, and δ is the grid angle output of PLL.
In linearized form around steady-state operating point, the expressions (4a) and (4b) are obtained in Equation (5a–d)
Δ x d = Δ x d g + x q 0 Δ δ
Δ x q = Δ x q g x d 0 Δ δ
Δ x d g = Δ x d x q 0 Δ δ
Δ x q g = Δ x q + x d 0 Δ δ
The capacitor filter dynamics and grid inductor current through Lg + Lc are the only ones modeled in grid dq frame, while the remaining are modeled in the converter dq frame.

4.2. Phase-Locked Loop (PLL)

The conventional second-order SRF–PLL in [11] is used to measure the grid angle. As can be seen in Figure 1b, it consists of abc/dq transformation, a PI regulator and VCO (voltage controlled oscillator) represented by the integrator. The PIpll controller regulates q-axis voltage to zero and outputs the grid rotation frequency deviation with respect to nominal frequency. Since the q-axis voltage is regulated to zero, the d-axis voltage always aligns with the capacitor voltage vector. Afterward, the sum of the angular frequency deviation and the reference angular frequency are integrated to generate the grid angle.
The mathematical equations representing the PLL dynamics are expressed in (6a) and (6b).
d δ d t = ω r e f + ω p l l d γ p l l d t = v c q
ω p l l = k p ω v c q + k i ω γ p l l
where ωpll is the rotational frequency deviation, k and k are the phase-locked PI integral constant and proportional constant of PIpll, respectively, γpll is the PLL integral state and ωref is the reference angular frequency.
Linearizing the Equation (6a,b), a state-space representation of PLL is obtained in (7).
d x p l l d t = A p l l x p l l + B p l l Δ v c d q Δ ω p l l = C ω x p l l + D ω Δ v c d q Δ δ = C δ x p l l
where xpll = [δ, γpll]T, Apll and Bpll are the state matrix and state input matrix, Cω and Dω are the angular frequency output matrix and disturbance input matrix, respectively, and Cδ is the synchronous angle output matrix Due to space limitation, the state-space matrices are not presented here.

4.3. DC Bus Voltage Control (DVC) and AC Voltage Control (AVC)

The outer control loops are responsible for generating the inner current references that flow into the converter. Both AVC and DVC are implemented using the classical PI controller. The DVC processes the error between the reference DC-link voltage, which is generated by the MPPT and the measured DC-link voltage to generate the d-axis current reference. The DC-link stability is guaranteed by maintaining the power generated by the PV generator equal to the power flowing to the grid. The dynamics of the MPT in this model are omitted and their impact on the stability of the system remains a topic for future study. On the other side, the AVC generates the reference reactive inductor current by regulating the d-axis component of the capacitor filter voltage to follow its reference for voltage support purpose.
The mathematical dynamics expressing the AVC and DVC are shown in Equation (8).
d d t x 1 = v p v v d c r e f d d t x 2 = v s d v d r e f i d r e f = k p d c ( v p v v m p p ) + k i d c x 1 i q r e f = k p v ( v c d v c d r e f ) + k i v x 2
where x1 and x2 are the state variable of DVC and AVC, respectively; Kpdc and kpv are the proportional constants of DVC and AVC PI-controllers, respectively; Kidc and kiv are the integral constants of DVC and AVC PI-controllers, respectively; and idref and iqref are the d-axis and q-axis current references, respectively.
After linearization of equations in (8), the state space equations of outer control-loops results in (9).
d d t x 12 = A o u t x 12 + B o u t Δ v p v + B o u t 1 Δ v c d + B o u t 2 x r e f Δ i d q r e f = C o u t x 12 + D o u t Δ v p v + D o u t 1 Δ v c d + D o u t 2 x r e f
where Aout, Bout, Bout1, Bout2, Cout, Dout, Dout1 and Dout2 are the outer control loops state matrices and xref = [vmpp,vcdref]T.

4.4. Inner Current Control Loop (CC)

The inner current controller, as shown in Figure 1b, also uses a PI-controller to regulate the current flowing through the filter inductor current. The reactive power is controlled by the q-axis current, whereas the active power is regulated through the d-axis current. The current controller tracks the error difference between idqref and the measured filter ifdq current error to generate the modulating signal. The dq-axis feed-forward decoupling and capacitor voltage feed-forward through gain kv are used for improving the system performance [24]. The inner loop current controller dynamics are obtained in Equation (10) and after linearization, a state-space model representation is illustrated in Equation (11).
Where γ1 and γ2 are the state variable of the current controller, Ac, Bc, Bc1, Bc2, Cc, Dc, Dc1, Dc2 and Dc3 are the matrices of the state-space model of the current controller and vidq* are the output variables of the current controller. We can note that, as the current controller bandwidth was chosen to be 1/5 of the switching frequency, the delay introduced by the modulator may be omitted. This results in vidq* = vidq.
d d t γ 1 = i d r e f i f d d d t γ 2 = i q r e f i f q v i d * = k p c ( i d r e f i f d ) + k i c γ 1 ω 0 L f i f q + k v v c d v i q * = k p c ( i q r e f i f q ) + k i c γ 2 + ω 0 L f i f d + k v v c q
d d t γ 12 = A c γ 12 + B c 1 Δ i f d q + B c 2 Δ i d q r e f Δ v i d q * = C c γ 12 + D c Δ i d q r e f + D c 1 Δ v c d q + D c 2 Δ i f d q + D c 3 x r e f

4.5. Converter Filter Inductor Dynamics

As shown in Figure 1a, the dynamic model of the inverter side filter inductor in dq reference frame can be represented in Equation (12), and its linearized state-space model in Equation (13).
L f d i f d d t = v i d v c d R f i f d + ω 0 L f i f q L f d i f q d t = v i q v c q R f i f q ω 0 L f i f d
d d t Δ i f d q = A f Δ i f d q + B f Δ v i d q + B f 1 Δ v c d q
where Af, Bf and Bf1 are the matrices of the filter inductor state-space model.

4.6. DC-Link Capacitor Dynamics

The dynamics rate of change of DC-link voltage is expressed mathematically by the PV power and grid power imbalance as shown in Equation (14).
C d c v p v d v p v d t = P p v P i n
where Ppv and Pin are the PV power and input power to the inverter, respectively.
The power generated by the PV generator depends on the solar insolation and temperature (see Equation (3)). The input power to the VSC can be expressed as in (15).
P i n = v i d i f d + v i q i f q
The linearized DC-link dynamics is shown in (16).
C d c v p v 0 d Δ v p v d t = I p v 0 Δ v p v + v p v 0 Δ i p v 1.5 v i d 0 Δ i f d 1.5 v i q 0 Δ i f q 1.5 I f d 0 Δ v i d 1.5 I f q 0 Δ v i q
To include the PV generator dynamics in the model, the expression (17), is obtained from Equation (3).
Δ i p v = G d Δ v p v
where Gd is the conductance of the PV generator.
The state-space model of the DC link is obtained in (18) from (16) and (17).
d Δ v p v d t = A p v Δ v p v + B p v Δ v i d q + B p v 1 Δ i f d q
where Apv, Bpv and Bpv1 are the matrices of DC-link state-space model.

4.7. Grid Dynamics Model

The grid dynamics consist of Cf, Lc and Lg. Applying the KVL, the equations describing the grid dynamics can be obtained as in Equation (19).
C f d d t v c d q g = i f d q g i g d q g + j ω C f v c d q g L t d d t i g d q g = v c d q R g i g d q g + j ω L t i g d q g e d q
where Lt = Lg + Lc, vcdqg is the capacitor filter voltage in grid dq frame, ifdqg is the filter inductor current in grid dq frame, igdqg is the grid side inductor current in grid dq frame and edq is the grid terminal voltage in dq frame.
Linearizing the equations in (19) around the steady-state operating point and taking into account the angular frequency dynamics, the state-space model of the grid side is obtained in (20).
d d t x g = A g x g + B g Δ i f d q g + B g 1 Δ e d q + B g 2 Δ ω p l l
where xg = [vcdqg, igdqg]T, and Ag, Bg, Bg1 and Bg2 are matrices of the state-space model of grid dynamics.

4.8. Overall State-Space Model

The overall small-signal representation of the grid-connected PV inverter shown in Figure 1 is illustrated in Figure 4. It is obtained by combining the converter and the grid system model as shown in Figure 4. The linearized aggregate state-space model of the overall system with 13 states variables and 2 input variables, is expressed in Equation (21). Where Asys is the state matrix of the system, Bsys is the state input matrix and Csys is the system output matrix. The proposed system model can easily be extended for multiple inverters operating in parallel, without requiring virtual resistance to define the PCC voltage as in [25]. However, in this study, a single inverter connected to a weak grid is considered and the stability analysis of parallel grid-connected PV inverters remains a topic for future study.
d x s y s d t = A s y s x s y s + B s y s u s y s y s y s = C s y s x s y s
where
x s y s = { v d c x 1 x 2 γ 1 γ 2 i f d i f q δ γ p l l v c d g v c d g i g d g i g q g }   and   u s y s = { v p v v c d r e f }

5. Stability Analysis

To analyze the stability of the PV system based on the derived small-signal model, the study system parameters in Figure 1 are defined in Table 1. The nominal power of the PV generator is 100 kVA. The inner current loop has been designed with a bandwidth equal to 1/5 of the switching frequency (fsw). The AVC loop bandwidth was chosen as 20 Hz and a DVC bandwidth of 50 Hz was used. The AVC, DVC and the CC have been designed based on reference [26] for the specified above bandwidth. The LCL filter values, the parameters of the current controller, DC-link voltage controller, AVC loop controller and PLL controller are defined in Table 1. The parameters of the PLL controller were obtained as in [11] for a bandwidth of PLL equal to 10 Hz.
The analysis of the outer control loops interaction when the system operates under weak grid conditions is presented. The impact of control parameters variation on the stability of the system is analyzed based on the eigenvalues sensitivities.

5.1. Control Loop Interaction

From the state-space model, the DC link voltage closed-loop and the ac capacitor voltage closed-loop transfer functions are derived. The bode plots of the transfer functions of the closed-loop are shown in Figure 5. The frequency response of the DC voltage closed-loop is shown in Figure 5a when the AVC bandwidth (BW_pcc) is 5 Hz, 10 Hz, 25 Hz and 35 Hz with the DC link controller bandwidth set to 50 Hz, while the PLL bandwidth is 10 Hz.
As shown in Figure 5a, the AVC has a significant impact on DC-link stability. For low AVC bandwidth; for example, BW_pcc = 5 Hz, the system is unstable due to the peak resonance effects with negative damping ratio induced in low-frequency range. As the AVC bandwidth increases, the low-frequency oscillations are damped and the system becomes stable. This may be due to the fact that when the inverter interacts with the weak grid, the AVC is necessary to stabilize the system. However, increasing the AVC bandwidth impacts the high-frequency oscillations. The high-frequency resonance effects appear to be closer to 1100 rad/s and shift toward 1000 rad/s as the BW_pcc increases.
The high-frequency effects are due to the resonance induced by the LCL filter. As can be seen from Figure 5, the high-frequency instabilities dominate the DC link channel compared to the ac voltage link channel, as there may be a non-zero amplification gain. Therefore, the AVC bandwidth is selected large enough to limit low-frequency oscillations and must not be high to avoid high-frequency resonances. Figure 5b shows the AVC closed-loop response with the variation of the DVC controller bandwidth. The lower frequency resonances are amplified when the DVC bandwidth increases closer to the PLL bandwidth and is damped for a DVC bandwidth greater than the PLL bandwidth. The PLL and DVC interactions are portrayed in Figure 5b.
In the same way, the impact of the PLL bandwidth on the closed-loop AVC is shown in Figure 5c. For a PLL bandwidth (BW_pll) closer to the AVC bandwidth, for example when BW_pll = 20 Hz and Bw_pll = 25 Hz, the closed-loop system has a negative phase margin, as can be seen in Figure 5c. As a result, the system becomes unstable. The PLL bandwidth in this case is selected lower than the AVC bandwidth, where a 10 Hz is selected.

5.2. Eigenvalues Analysis

The eigenvalue method is used to assess the system’s stability based on the small-signal model shown in Figure 4. Table 2 shows the eigenvalues of the overall system at the steady-state operating point with system values in Table 1. The corresponding oscillation frequencies and damping ratios for each mode are also presented in Table 3.
Since all the eigenvalues have a negative real part, the system is stable for the system and control parameters in Table 1. As can be observed from Table 2, there exist four groups of complex conjugate eigenvalues that determine the dynamics of the system. Among them, complex conjugates eigenvalues λ9,10 are closer to the imaginary axis, with a lower damping ratio and a small oscillation frequency of 18.19 Hz. Therefore, eigenvalues λ9,10 are the critical eigenvalues to determine the system’s stability. The eigenvalues λ7 8 have the lowest oscillation frequency of 10 Hz. However, they do not affect the system’s dynamics as they have a higher damping ratio. The remaining complex eigenvalues λ3,4 and λ5,6 are associated to the LCL filter, with oscillation frequency closer to the resonance frequency of the LCL, as can be noted, from Table 2.
From Table 3, the participation factor of each state variable in a particular mode corresponding to that eigenvalues are shown. The highlighted participation factors correspond to the dominant state with a participation factor greater than 0.15 for each mode. From Table 3, it can be observed that the states corresponding to Lf and Cf have no impact on critical eigenvalues. The vcd and igd states affect the eigenvalues λ3,4. Thus, the change in DVC and AVC controller parameters will affect the mode λ3,4.
On the other hand, the vcq and igq states affect the eigenvalues λ5,6; meaning that they are sensitive to PLL parameter changes. The states that affect the critical eigenvalues are the states corresponding to DVC, AVC, Lg and PLL. Therefore, if there is any change in the control parameters of DVC, AVC and PLL, the system’s stability is affected. In addition, any variation in line inductance or line resistance affects the robustness of the system, as they are crucial in determining the strength of the grid. Moreover, the states corresponding to the q-axis current control also impact the critical eigenvalues. This may be due to the fact that the d-axis’ ac voltage is regulated through the q-axis’ current and the q-current determines the voltage drop across the line inductor if the grid Xg/Rg ratio is very high. To understand how all the states enumerated above affect the system’s robustness, a root locus is used to plot the sensitivity for the eigenvalues over the change of control parameters and grid strength. Only the eigenvalues closer to the imaginary axis will be shown on the root locus.

6. Proposed Damping Method for Low-Frequency Resonance Oscillations

As described in the sections above, the coupling effects between the control loops consisting of the AVC, DVC and PLL interacting with the weak grid deteriorate the robustness of the system. Therefore, a control method to damp the low-frequency oscillations by reducing the coupling effects between DC-link voltage loop and AVC loop is proposed. For a PV-inverter connected to a weak grid, the PCC voltage is sensitive to the active power flowing to the grid controlled by d-axis current through DC-link voltage regulation. Conventionally, the PCC voltage is regulated through q-axis current control. As the PCC voltage is sensitive to both active and reactive currents when the inverter interacts with a weak grid, a control method that considers the effects of both d-axis and q-axis current on PCC voltage to enhance inverter robust performance is proposed. The proposed compensation method, as shown in Figure 6, modifies the q-axis current reference by using the DC voltage deviation error. The controller Kdamp expressed in (22) processes the DC voltage error and generates the compensating additional reactive current reference.
k d a m p = k i d 1 s + a
where Kid is the integral constant and a is the pole of the integrator, which is chosen to be closer to zero.
The performance of the proposed control method can be analyzed based on the eigenvalues loci generated from the augmented state-space model developed in Figure 5 by the proposed damping loop dynamics. A comparison of the proposed control method and the conventional control is performed.
The outer loop dynamics in Equation (8) can be rewritten as in Equation (22). Where x3 is the state variable of the damping loop.
d d t x 1 = v p v v d c r e f d d t x 2 = v s d v d r e f d d t x 3 = a x 3 + v p v v d c r e f i d r e f = k p d c ( v p v v m p p ) + k i d c x 1 i q r e f = k p v ( v c d v c d r e f ) + k i v x 2 k i d x 3

7. Comparative Stability Analysis of Conventional and Proposed Control

Please note that the direction of the eigenvalues change from the black point corresponding to the low control variable and the eigenvalues of the posed control method are represented by the red “*” while the blue “*” represent the eigenvalues of the conventional control method. Additionally, the shaded area represents the unstable region. If any system eigenvalue is located in the shaded region, the system becomes unstable.

7.1. Eigenvalues of the Proposed System

Table 4 shows the eigenvalues of the proposed control method. By comparison with the eigenvalues of the conventional method in Table 2, one can observe that the critical mode λ9,10 eigenvalues are highly damped, where the damping ratio of the proposed control is 0.638 and 0.07 for the conventional control. Consequently, the damping ratio of higher frequency eigenvalues remains approximately the same for both control methods. In addition, there is an introduction of the added eigenvalue closer to zero in the proposed method. The location of the added eigenvalue is determined by the pole of the integrator in the proposed damping method.

7.2. Impact of Capacitor Voltage Feed-Forward Constant

The role of the voltage feed-forward control is to suppress the grid harmonics’ effects [24,27,28]. The voltage feed-forward control may affect the system’s stability when the inverter is connected to the weak grid, due to the unwanted positive feedback loop it causes [24]. The impact of voltage feed-forward gain on the system’s stability is shown in Figure 7.
Figure 7 shows the eigenvalues locus of the system when the voltage feed-forward gain (Kv) changes from 0 to 1 for a grid strength of SCR = 1.1 (Lt = 4.5 mH and Rt = 0.4). As can be observed, the gain Kv affects both high-frequency eigenvalues and low-frequency eigenvalues. The eigenvalues move as indicated in Figure 7, where the movement of the eigenvalues is in the direction of the arrows as the feed-forward coefficient increases.
For the conventional control method, it can be seen that the critical eigenvalues λ9,10 are closer to the imaginary axis compared to the critical eigenvalues of the proposed control method, and the higher damping ratio of the eigenvalues λ9,10 is guaranteed for the proposed control. Since eigenvalues λ3,4 and λ5,6 move into the unstable region as the value of the feed-forward coefficient becomes greater than 0.9, higher frequency instabilities could occur. To guaranty the safe operation of the inverter interacting with the weak grid, the value of feed-forward should be less than or equal to 0.9. The proposed system and the conventional control method perform the same in higher frequency mode.

7.3. Impact of Grid Impedance

Figure 8 shows the movement of the system’s eigenvalues when the grid inductance increases from 2.5 mH (SCR = 2.16) to 5.5 mH (SCR = 0.97). The impact of the grid inductor on the system’s eigenvalues can be observed in Figure 8. The eigenvalues λ9,10 are the only ones that determine the system’s stability because they can move into the unstable region, while other eigenvalues remain in the stable region with high damping ratios. The eigenvalues λ9,10, when the grid inductance changes, sweep toward the unstable region. As can be observed in Figure 8, the eigenvalues λ9,10 become unstable when the value of the Lg > 5.35 mH (SCR = 1) for the conventional method and eigenvalues remain in stable region, far away from the imaginary axis when the proposed method is used. Thus the system’s stability is worsened when the PV inverter is interfaced to a weak grid while the conventional method is in use. Consequently, the critical eigenvalues stay in a stable region for the proposed method, as can be observed in Figure 8.

7.4. Impact of AVC Control Bandwidth

Figure 9 shows the effect of the AVC controller bandwidth on system stability. As can be noted, the system remains stable for the whole range of the AVC bandwidth when it changes from 5 Hz to 40 Hz because no eigenvalue shifted in the unstable shaded region for the proposed control method. However, at low AVC bandwidth, the critical eigenvalues λ9,10 for the conventional method have a positive real part. The system is stable if, and only if, the AVC bandwidth is greater than 9 Hz for the convention method. It may be observed that the increase in AVC bandwidth frequency makes the system more stable. Moreover, for a large increase of AVC bandwidth, the higher frequency eigenvalues λ5,6, as can be observed in Figure 9, move toward the right side of the s-plan and may become unstable poles if the AVC bandwidth increases too high. Additionally, the AVC bandwidth should be lower than the DVC bandwidth to decouple their dynamics.

7.5. Impact of DC Link Voltage Controller Bandwidth

The movement of the system eigenvalues for the DVC bandwidth controller when it changes from 5 Hz to 100 Hz can be observed in Figure 10. For the conventional method, when the bandwidth of the DVC loop is increased, the critical eigenvalues λ9,10 move towards the imaginary axis as the bandwidth of the DC link controller approaches the PLL bandwidth. If the DVC bandwidth increases beyond the PLL bandwidth, the eigenvalues λ9,10 return to the left side of the s-plan. Nonetheless, for a proposed damping method, the critical eigenvalues λ9,10 move far away from the imaginary axis compared to the conventional method, thus, resulting in an improved system dynamic response. When comparing to the AVC, the increase of VDC bandwidth causes the eigenvalues λ2,3 to move toward the imaginary axis. It may result in negatively damped eigenvalues if the DVC bandwidth is increased high enough, closer to the resonance frequency of the LCL filter.

7.6. Impact of PLL Controller Bandwidth

Figure 11 illustrates the effect of the PLL bandwidth on the system’s stability when the PLL bandwidth changes from 5 HZ to 25 Hz. It can be noted that, while changing the PLL bandwidth, the critical eigenvalues λ9,10 move towards the imaginary axis, and when the PLL bandwidth reaches 16 Hz, the real part of the critical eigenvalues becomes positive. Therefore, the system becomes unstable.
On the other hand, for the proposed control, the critical eigenvalues of the system move as shown in Figure 11. They firstly move towards the left side of the s-plane, then return towards the imaginary axis and become negatively damped eigenvalues at 24 Hz. With the proposed control, the PLL bandwidth changes over a broad range while maintaining system stability compared to the conventional control method.

7.7. Impact of the Solar Insolation of the Stability

Figure 12 shows the eigenvalue-loci of the system when changing the values of solar irradiance from 500 W/m2 to 1200 W/m2. The dominant eigenvalues move as shown in Figure 12. As can be seen from Figure 12, for the proposed control loop, the system remains stable in the whole variation range of the solar insolation; whereas, for the conventional control method, the system becomes quickly unstable. For solar insolation greater than 1200 W/m2 the conventional control method yields a negative damping ratio due to the presence of the positive critical eigenvalues, λ9,10.

7.8. Impact of the Damping Loop Integrating Constant

Figure 13 shows the sensitivity of the system eigenvalues when the value of kid changes from 0 to 1000. The eigenvalues move as indicated, starting from the black “*”, which corresponds to kid = 0. As can be observed, the damping ratios of critical eigenvalues increase as kid increases. With the proposed control method, the additional eigenvalue appears, where its position from the origin is defined by the value of a. A value of kid = 500 is selected in this paper. The other system eigenvalues have a high damping ratio, as they are located far from the imaginary axis as the value of kid increases.

8. Simulation Results

To verify the stability analysis carried out in the previous section, time-domain simulations were performed in PLECS simulation software. The steady-state operating data are shown in Table 1.
The transient’s response of the DC-link voltage under variation of the solar insolation, system strength, and the outer loop control bandwidth were analyzed. In addition, the grid angle measured by the PLL, and the capacitor d-axis voltage response were also analyzed. It is easier to say that, the transients in DC link voltage are reflected to the active power while the transients in the filter capacitor d-axis are reflected in reactive power when the converter operates under a strong grid. When the inverter is subjected to the disturbances and operate under weak grid conditions, the coupling effects that exist between the terminal capacitor voltage, DC-link power port and the grid dynamics induce large oscillations in reactive power compared to the oscillation in active power.
Figure 14a shows the ac voltage angle response following a step change of PLL bandwidth at time t = 2 s. Figure 14b shows the DC-link capacitor voltage and d-axis terminal ac voltage when the PLL bandwidth frequency is subjected to a step change from 5 Hz to 20 Hz at time t = 2 s. The growing oscillations resonating at a frequency of 24.8 Hz in both DC link voltage and ac d-axis voltage are yielded when the PV inverter is controlled by the conventional method. The instabilities are due to the presence of positive eigenvalues caused by the PLL bandwidth increase, as described in previous sections. However, when the proposed control system is activated, the system performance is well damped, regardless of the step-change in frequency at 2 s. Therefore, the robustness of the system over any change in the PLL bandwidth is improved as presented in the analysis.
Figure 15a,b shows the transients’ response of the output DC link voltage, d-axis ac voltage and the grid voltage angle for a step-change in AVC control bandwidth. As can be observed from Figure 15, the system becomes unstable when the AVC bandwidth frequency changes from 20 Hz to 5 Hz, if the system is under conventional control method. Growing undamped oscillations that oscillate at 9.22 Hz are induced. Compared to the conventional control method, the proposed control system maintains the system’s stability, even for a low AVC control bandwidth, as can be observed in the results presented in Figure 15. With the proposed control, flexibility in designing the AVC controller is achieved. This is because the system is robustly stable over a large range variation of the AVC controller bandwidth.
Figure 16a shows the output response of the grid angle when the grid strength changes, and Figure 16b shows the DC-link voltage and ac d-axis voltage. The grid inductor changes from Lg = 4.5 mH to Lg = 5.15 mH at 1 s. Based on Figure 16a,b, it is observed that, for a step change of grid inductance that characterizes the grid strength, the induced oscillations die away with time in both control methods. However, for the proposed method, the system oscillations are rapidly damped compared to the traditional method. For both output voltage and grid angle, the steady-state is attained at time 1.3 s for the proposed control, whereas for the conventional method, the steady-state is reached at time 1.8 s. Furthermore, the transient overshoot for the proposed control is reduced compared to the conventional method.
For the convention method, the peak to peak overshot of 0.1 radians, 0.2 P.U and 0.03 P.U for grid angle, d-axis ac voltage and DC-link voltage, respectively, are obtained. The peak to peak overshoot when the oscillation damping control method is applied becomes 0.13 radians, 0.125 P.U and 0.0075 P.U for grid angle, d-axis ac voltage and DC-link voltage, respectively. The same performance can be observed in Figure 17b showing the output reactive power and active power under step change of grid inductance. Higher reactive power overshoots of 0.08 P.U for undamped system and 0.05 for the proposed control are yielded.
Apart from control and the system parameter, another factor affecting the stability of the system is the power rating of the system. The power rating depends on the solar insolation, which can change depending on weather conditions. Figure 17b shows the output power response, Figure 18a shows the grid voltage angle and Figure 18b shows the DC-link and ac d-axis voltage for solar insolation changes from 900 W/m2 to 1100 W/m2. Following that step change of solar insolation, the DC-link voltage changes from 1.07 P.U to 1.083 PU, whereas the active power changes from 0.785 to 0.97 PU. Correspondingly, the reactive power changes from 0.14 to 0.26 PU. Based on the results shown in Figure 17, a highly damped response is produced while the proposed method is used. It can be observed that the system remains stable in both control methods as the oscillations resulting from a step-change in solar insolation die away. However, the settling time for the proposed method is shortened to 0.2 s from 0.6 s (for the convention method). In addition, similar to the analysis carried above, the transient overshoots of the proposed method are very low compared to the response of the undamped system. For the damped system, the reactive power overshoot is 0.01 PU, while the undamped system yields 0.09 PU, the ac capacitor voltage angle overshoot is 0.15 radians and 0.075 radians for conventional and proposed control method, respectively. In addition, the overshoot of d-axis ac voltage is 0.15 P.U and 0.05 for the conventional and proposed methods, respectively.

9. Conclusions

This paper firstly analyzed the stability of a single-stage PV inverter connected to a weak grid. The small-signal stability analysis was performed to evaluate the conventional control method’s performance and highlighted possible sources of instabilities. The main sources of instabilities were found to be the grid dynamics, the outer control loops and the PLL. The interaction of outer control loops of the inverter and the weak grid could worsen the system’s stability, thus limiting the level of integration of the grid-connected PV inverter. In order to boost the performances of the grid-connected PV inverter, a control methodology that could limit the control loops interaction was proposed. The proposed control method employs DC-link voltage error to modulate the reference reactive power current flowing into the grid.
The results of simulation in PLECS were presented to verify the performance of the proposed control methodology over the conventional method. According to the simulation results, the proposed system achieves improved system responses compared to the conventional control method. For the proposed control method, the enhanced oscillations damping and reduced transients overshot are guaranteed for a large variation range of the DC-link, PCC voltage and PLL controller bandwidth. Furthermore, the system’s robustness is improved, even when the inverter is connected to a very weak grid, thanks to the proposed controller. The simulation results confirm the robust performance of the derived small-signal model and the proposed low frequencies damping method.

Author Contributions

Conceptualization, A.M., H.L. and X.Z.; methodology, A.M. and H.L.; software, A.M.; validation, A.M., Y.Y. and X.Z.; formal analysis, A.M.; investigation, A.M.; resources, H.L. and X.Z.; data curation, A.M.; writing—original draft preparation, A.M.; writing—review and editing, A.M. and X.Z.; visualization, A.M.; supervision, H.L.; project administration, H.L.; funding acquisition, H.L. All authors have read and agreed to the published version of the manuscript.

Funding

This research received no external funding.

Conflicts of Interest

The authors declare no conflict of interest.

References

  1. Huang, Y.; Yuan, X.; Hu, J.; Zhou, P. Modeling of VSC Connected to Weak Grid for Stability Analysis of DC-Link Voltage Control. IEEE J. Emerg. Sel. Top. Power Electron. 2015, 3, 1193–1204. [Google Scholar] [CrossRef]
  2. IEEE. IEEE Guide for Planning DC Links Terminating at AC Locations Having Low Short-Circuit Capacities; IEEE Std 1204-1997; IEEE: New York, NY, USA, 1997; pp. 1–216. [Google Scholar]
  3. Davari, M.; Mohamed, Y.A.-R.I. Robust Vector Control of a Very Weak-Grid-Connected Voltage-Source Converter Considering the Phase-Locked Loop Dynamics. IEEE Trans. Power Electron. 2017, 32, 977–994. [Google Scholar] [CrossRef]
  4. Li, Y.; Fan, L.; Miao, Z. Stability Control for Wind in Weak Grids. IEEE Trans. Sustain. Energy 2019, 10, 2094–2103. [Google Scholar] [CrossRef]
  5. Rezaee, S.; Radwan, A.; Moallem, M.; Wang, J. Voltage Source Converters Connected to Very Weak Grids: Accurate Dynamic Modeling, Small-Signal Analysis, and Stability Improvement. IEEE Access 2020, 8, 201120–201133. [Google Scholar] [CrossRef]
  6. Yazdani, A. Voltage-Sourced Converters in Power Systems. In Modeling, Control, and Applications; John Wiley & Sons, Inc.: Hoboken, NJ, USA, 2010. [Google Scholar]
  7. Egea-Alvarez, A.; Fekriasl, S.; Hassan, F.; Gomis-Bellmunt, O. Advanced Vector Control for Voltage Source Converters Connected to Weak Grids. IEEE Trans. Power Syst. 2015, 30, 3072–3081. [Google Scholar] [CrossRef] [Green Version]
  8. Durrant, M.; Werner, H.; Abbott, K. Model of a VSC HVDC terminal attached to a weak AC system. In Proceedings of the 2003 IEEE Conference on Control Applications, Istanbul, Turkey, 23–25 June 2003; Volume 1, pp. 178–182. [Google Scholar]
  9. Imhof, M.C. Voltage Source Converter Based HVDC- Modelling and Coordinated Control to Enhance Power System Stability. Ph.D. Thesis, ETH Zurich, EEH—Power Systems Laboratory, Zurich, Switzerland, 2015. [Google Scholar]
  10. Zhang, H.; Harnefors, L.; Wang, X.; Hasler, J.-P.; Nee, H.-P. SISO Transfer Functions for Stability Analysis of Grid-Connected Voltage-Source Converters. IEEE Trans. Ind. Appl. 2018, 55, 2931–2941. [Google Scholar] [CrossRef]
  11. Se-Kyo, C. A phase tracking system for three phase utility interface inverters. IEEE Trans. Power Electron. 2000, 15, 431–438. [Google Scholar] [CrossRef] [Green Version]
  12. Fan, L. Modeling Type-4 Wind in Weak Grids. IEEE Trans. Sustain. Energy 2019, 10, 853–864. [Google Scholar] [CrossRef]
  13. Huang, Y.; Yuan, X.; Hu, J.; Zhou, P.; Wang, D. DC-Bus Voltage Control Stability Affected by AC-Bus Voltage Control in VSCs Connected to Weak AC Grids. IEEE J. Emerg. Sel. Top. Power Electron. 2016, 4, 445–458. [Google Scholar] [CrossRef]
  14. Fan, L.; Miao, Z. Wind in Weak Grids: 4 Hz or 30 Hz Oscillations? IEEE Trans. Power Syst. 2018, 33, 5803–5804. [Google Scholar] [CrossRef]
  15. Kalcon, G.O.; Adam, G.P.; Anaya-Lara, O.; Lo, S.; Uhlen, K. Small-Signal Stability Analysis of Multi-Terminal VSC-Based DC Transmission Systems. IEEE Trans. Power Syst. 2012, 27, 1818–1830. [Google Scholar] [CrossRef]
  16. Suul, J.; Molinas, M.; D’Arco, S.; Rodriguez, P. Extended stability range of weak grids with Voltage Source Converters through impedance-conditioned grid synchronization. In Proceedings of the 11th IET International Conference on AC and DC Power Transmission, Birmingham, UK, 10–12 February 2015; pp. 1–10. [Google Scholar]
  17. Jia, Q.; Yan, G.; Cai, Y.; Li, Y.; Zhang, J. Small-signal stability analysis of photovoltaic generation connected to weak AC grid. J. Mod. Power Syst. Clean Energy 2018, 7, 254–267. [Google Scholar] [CrossRef] [Green Version]
  18. Shen, L.; Asher, G.; Wheeler, P.; Bozhko, S.; Wheeler, P. Optimal LCL filter design for 3-phase Space Vector PWM rectifiers on variable frequency aircraft power system. In Proceedings of the 2013 15th European Conference on Power Electronics and Applications (EPE), Lille, France, 3–5 September 2013; pp. 1–8. [Google Scholar]
  19. Villalva, M.G.; Gazoli, J.R.; Filho, E.R. Comprehensive Approach to Modeling and Simulation of Photovoltaic Arrays. IEEE Trans. Power Electron. 2009, 24, 1198–1208. [Google Scholar] [CrossRef]
  20. Yazdani, A.; Di Fazio, A.R.; Ghoddami, H.; Russo, M.; Kazerani, M.; Jatskevich, J.; Strunz, K.; Leva, S.; Martinez, J.A. Modeling Guidelines and a Benchmark for Power System Simulation Studies of Three-Phase Single-Stage Photovoltaic Systems. IEEE Trans. Power Deliv. 2011, 26, 1247–1264. [Google Scholar] [CrossRef]
  21. Mahmoud, Y.; Xiao, W.; Zeineldin, H.H. A Simple Approach to Modeling and Simulation of Photovoltaic Modules. IEEE Trans. Sustain. Energy 2011, 3, 185–186. [Google Scholar] [CrossRef]
  22. Zhang, L.; Harnefors, L.; Nee, H.-P. Power-Synchronization Control of Grid-Connected Voltage-Source Converters. IEEE Trans. Power Syst. 2010, 25, 809–820. [Google Scholar] [CrossRef]
  23. Sumathi, S.; Kumar, L.A.; Surekha, P. Soft Computing Techniques in Solar PV. In Solar PV and Wind Energy Conversion Systems: An Introduction to Theory, Modeling with MATLAB/SIMULINK, and the Role of Soft Computing Techniques; Sumathi, S., Ashok Kumar, L., Surekha, P., Eds.; Springer International Publishing: Cham, Switzerland, 2015; pp. 145–245. [Google Scholar]
  24. Xu, J.; Qian, Q.; Xie, S.; Zhang, B. Grid-Voltage Feedforward Based Control for Grid-Connected LCL-Filtered Inverter with High Robustness and Low Grid Current Distortion in Weak Grid. In Proceedings of the 2016 IEEE Applied Power Electronics Conference and Exposition (APEC), Long Beach, CA, USA, 20–24 March 2016; pp. 1919–1925. [Google Scholar]
  25. Pogaku, N.; Prodanovic, M.; Green, T. Modeling, Analysis and Testing of Autonomous Operation of an Inverter-Based Microgrid. IEEE Trans. Power Electron. 2007, 22, 613–625. [Google Scholar] [CrossRef] [Green Version]
  26. Pradhan, J.K.; Ghosh, A.; Bhende, C. Small-signal modeling and multivariable PI control design of VSC-HVDC transmission link. Electr. Power Syst. Res. 2017, 144, 115–126. [Google Scholar] [CrossRef]
  27. Wang, X.; Ruan, X.; Liu, S.; Tse, C.K. Full Feedforward of Grid Voltage for Grid-Connected Inverter With LCL Filter to Suppress Current Distortion Due to Grid Voltage Harmonics. IEEE Trans. Power Electron. 2010, 25, 3119–3127. [Google Scholar] [CrossRef]
  28. Xu, J.; Xie, S.; Tang, T. Improved control strategy with grid-voltage feedforward for LCL-filter-based inverter connected to weak grid. IET Power Electron. 2014, 7, 2660–2671. [Google Scholar] [CrossRef]
Figure 1. (a) Single-line representation of single-stage grid-connected PV inverter and (b) control system for grid-connected inverter.
Figure 1. (a) Single-line representation of single-stage grid-connected PV inverter and (b) control system for grid-connected inverter.
Energies 14 03907 g001
Figure 2. PV array equivalent circuit.
Figure 2. PV array equivalent circuit.
Energies 14 03907 g002
Figure 3. Ppv-vpv characteristics curves of the PV generator at different solar insolation.
Figure 3. Ppv-vpv characteristics curves of the PV generator at different solar insolation.
Energies 14 03907 g003
Figure 4. Overall small-signal model representation of the proposed system.
Figure 4. Overall small-signal model representation of the proposed system.
Energies 14 03907 g004
Figure 5. Frequency response of closed loop transfer function(a), vpv/vmpp (b) and (c) vcd/vcdref.
Figure 5. Frequency response of closed loop transfer function(a), vpv/vmpp (b) and (c) vcd/vcdref.
Energies 14 03907 g005
Figure 6. Control system for grid-connected PV inverter with proposed compensation loop.
Figure 6. Control system for grid-connected PV inverter with proposed compensation loop.
Energies 14 03907 g006
Figure 7. Sensitivity of system eigenvalues under variation of voltage feed-forward gain.
Figure 7. Sensitivity of system eigenvalues under variation of voltage feed-forward gain.
Energies 14 03907 g007
Figure 8. Sensitivity of system eigenvalues under variation of grid inductance.
Figure 8. Sensitivity of system eigenvalues under variation of grid inductance.
Energies 14 03907 g008
Figure 9. Sensitivity of system eigenvalues under variation of AVC control bandwidth.
Figure 9. Sensitivity of system eigenvalues under variation of AVC control bandwidth.
Energies 14 03907 g009
Figure 10. Sensitivity of system eigenvalues under variation of DVC control bandwidth.
Figure 10. Sensitivity of system eigenvalues under variation of DVC control bandwidth.
Energies 14 03907 g010
Figure 11. Sensitivity of system eigenvalues under variation of PLL control bandwidth.
Figure 11. Sensitivity of system eigenvalues under variation of PLL control bandwidth.
Energies 14 03907 g011
Figure 12. Eigenvalues of the system when solar insolation values change.
Figure 12. Eigenvalues of the system when solar insolation values change.
Energies 14 03907 g012
Figure 13. Sensitivity of system eigenvalues with change in kid.
Figure 13. Sensitivity of system eigenvalues with change in kid.
Energies 14 03907 g013
Figure 14. (a) grid angle and (b)vdc and vcd response when BW_PLL change from 5 Hz to 25 Hz.
Figure 14. (a) grid angle and (b)vdc and vcd response when BW_PLL change from 5 Hz to 25 Hz.
Energies 14 03907 g014
Figure 15. (a) vdc and vcd and (b) grid angle response when AVC bandwidth change from 20 Hz to 5 Hz.
Figure 15. (a) vdc and vcd and (b) grid angle response when AVC bandwidth change from 20 Hz to 5 Hz.
Energies 14 03907 g015
Figure 16. (a) PCC voltage angle and (b) vdc and vcd response when grid inductor change from 4.5 mH to 5.15 mH.
Figure 16. (a) PCC voltage angle and (b) vdc and vcd response when grid inductor change from 4.5 mH to 5.15 mH.
Energies 14 03907 g016
Figure 17. Reactive and active power: (a) step change in solar insolation and (b) grid inductor variation.
Figure 17. Reactive and active power: (a) step change in solar insolation and (b) grid inductor variation.
Energies 14 03907 g017
Figure 18. (a) PCC voltage angle and (b) Vpv and Vcd step change in solar insolation.
Figure 18. (a) PCC voltage angle and (b) Vpv and Vcd step change in solar insolation.
Energies 14 03907 g018
Table 1. Steady-state parameters of the system.
Table 1. Steady-state parameters of the system.
ParameterValueParameterValue
Vdc, (V)850Kidc1401.5
Lf, Lg (mH)0.75, 4.5kic471
Rf, Rg (Ω)0.1, 0.4Kpc4.7
Cf, Cdc, (µF)100, 8500Kiv0.0141
SN, KVA100Kvv88.8889
fsw, KHz5G (W/m2)1000
Eg (V)380Kid500
fg, Hz50kfv0.75
vcref (V)400kiω12.1372
Kpdc3.1540Kpω0.2731
Table 2. Eigenvalues, damping and oscillation frequency of the system at steady-state values.
Table 2. Eigenvalues, damping and oscillation frequency of the system at steady-state values.
ModesEigenvaluesDampingOscillation Frequency
λ1−685210
λ2−5702.310
λ3,4−212.74 ± 2215.2i0.095595352.56
λ5,6−275.5 ± 1170.9i0.22903186.36
λ7,8−225.74 ± 62.654i0.963589.9718
λ9,10−8.0449 ± 114.33i0.07019418.196
λ11−68.64310
λ12−128.6410
λ13−10110
Table 3. Eigenvalues of the system and the states participation factor.
Table 3. Eigenvalues of the system and the states participation factor.
StatesModes
λ1λ2λ3λ4λ5λ6λ7λ8λ9λ10λ11λ12λ13
V d c 0.1600.180.180.090.090.070.070.180.1750.0380.030.043
x 1 0.0100.020.020.020.020.070.070.640.6430.0630.0750.085
x 2 000.030.030.10.10.60.60.470.4660.8280.0120.659
γ 1 0.0200000000.080.0810.0040.8480.028
γ 2 00.03000.030.030.040.040.220.2160.2260.0081.131
i f d 0.890.010.070.070.020.020.030.030.020.0170.0150.0010.006
i f q 01.130.010.010.030.030.010.010.040.0420.0070.0070.044
v c d 0.0200.450.450.070.070.010.010.010.010.0040.0010.003
V c q 00.110.070.070.480.480.010.010.030.0310.01500.017
i g d 000.240.240.020.020.120.120.250.250.20600.234
i g q 00.010.050.050.550.550.190.190.220.2210.1680.020.128
δ 00000.040.040.460.460.250.2510.80400.576
x p l l 00000.010.010.220.220.090.0891.67600.536
Table 4. Eigenvalues of the proposed control method.
Table 4. Eigenvalues of the proposed control method.
ModesEigenvaluesDampingOscillation Frequency
λ1−6847.8 + 0i10
λ2−5701.9 + 0i10
λ3,4−205.92 ± 2227.6i0.092354.53
λ5,6−281.65 ± 1159.5i0.236184.54
λ7,8−153.51 ± 219.85i0.5734.99
λ9,10−70.76 ± 85.231i0.63813.565
λ11,12−115.05 ± 26.254i0.9744.178
λ13−93.19110
λ14−0.05651210
Publisher’s Note: MDPI stays neutral with regard to jurisdictional claims in published maps and institutional affiliations.

Share and Cite

MDPI and ACS Style

Musengimana, A.; Li, H.; Zheng, X.; Yu, Y. Small-Signal Model and Stability Control for Grid-Connected PV Inverter to a Weak Grid. Energies 2021, 14, 3907. https://doi.org/10.3390/en14133907

AMA Style

Musengimana A, Li H, Zheng X, Yu Y. Small-Signal Model and Stability Control for Grid-Connected PV Inverter to a Weak Grid. Energies. 2021; 14(13):3907. https://doi.org/10.3390/en14133907

Chicago/Turabian Style

Musengimana, Antoine, Haoyu Li, Xuemei Zheng, and Yanxue Yu. 2021. "Small-Signal Model and Stability Control for Grid-Connected PV Inverter to a Weak Grid" Energies 14, no. 13: 3907. https://doi.org/10.3390/en14133907

APA Style

Musengimana, A., Li, H., Zheng, X., & Yu, Y. (2021). Small-Signal Model and Stability Control for Grid-Connected PV Inverter to a Weak Grid. Energies, 14(13), 3907. https://doi.org/10.3390/en14133907

Note that from the first issue of 2016, this journal uses article numbers instead of page numbers. See further details here.

Article Metrics

Back to TopTop