Photovoltaic Maximum Penetration Limits on Medium Voltage Overhead and Underground Cable Distribution Feeders: A Comparative Study
Abstract
:1. Introduction
- Considering both voltage and current simultaneously as PV penetration limiters;
- Comparing the PV penetration limits on OHL and UGC;
- Modelling the UGC using the accurate modified π circuit;
- Investigating the system under different operating conditions especially the power system frequency (50–60 Hz).
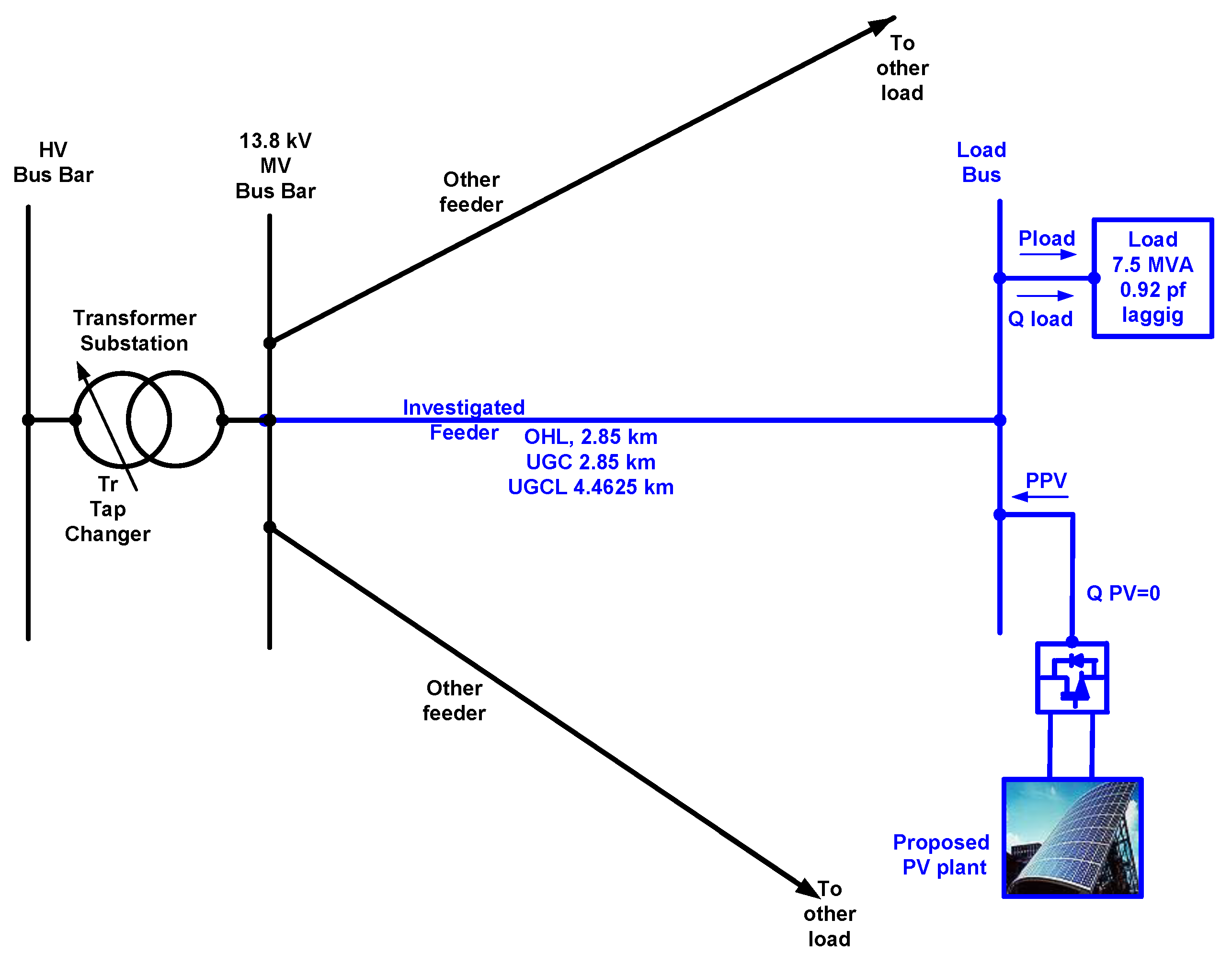
2. Description of the Investigated Overhead Lines (OHL) and Underground Cables (UGC) Distribution Systems
2.1. Overhead Medium Voltage (MV) Distribution Overhead Line (OHL)
2.2. Underground Cable—Long (UGCL)
2.3. Underground Cable (UGC) with Same Length of the Overhead Lines (OHL)
3. Effect of Photovoltaic (PV) Penetration on Both Overhead Lines (OHL) and Underground Cable (UGC) Feeders: Mathematical Analysis and Modeling
3.1. Effect of Photovoltaic (PV) Penetration in the Overhead Lines (OHL)
3.1.1. Effect of Photovoltaic (PV) Plant on Feeder end Voltage (Load Bus Voltage)
3.1.2. Effect of Photovoltaic (PV) Penetration on Overhead Lines (OHL) Current
3.2. Effect of Photovoltaic (PV) Penetration on the Underground Cable (UGC)
4. Results and Discussions
4.1. Effects of Substation Voltage
4.1.1. PV Maximum Penetration Limited by Voltage Only for Different Feeders
4.1.2. PV Maximum Penetration Limited by Both Voltage and Current (Practical Case)
4.2. Effects of Load Percentage
4.3. Effects of Load Power Factor
4.4. Effects of Power Systems Frequency (50 Hz–60 Hz)
4.4.1. Effect of Frequency on the OHL Maximum PV Penetration Limit
4.4.2. Effect of Frequency on the UGC Maximum PV Penetration Limit
4.4.3. Effect of Frequency on the UGCL Maximum PV Penetration Limit
5. Comparison between Thumb Rule and Accurate Calculated Method
6. Conclusions
Author Contributions
Funding
Institutional Review Board Statement
Informed Consent Statement
Data Availability Statement
Conflicts of Interest
Nomenclature
| Variables | Acronyms | ||
| Line (feeder) current (p.u.) | Under-load tap changer | LTC | |
| Feeder inductance per unit length | Medium Voltage | MV | |
| Feeder length (km) | Overhead line | OHL | |
| Active power flow through the line (p.u.) | Photovoltaic | PV | |
| Load active power (p.u.) | Renewable Energy Sources | RESs | |
| PV plant active power (p.u.) | Sustainable Development Goals | SDGs | |
| Reactive power flow through the line (p.u.) | Underground cable | UGC | |
| Load reactive power (p.u.) | Underground cable long | UGCL | |
| PV plant reactive power (p.u.) | United Nations | UN | |
| Feeder resistance per unit length | |||
| Resistance (Ω) | Greek symbols | ||
| Line total resistance (Ω) | Angle of the power factor | ||
| Line (feeder) apparent power (p.u.) | Propagation constant | ||
| Substation voltage (p.u.) | Voltage drop (%) | ||
| Load voltage (p.u.) | |||
| Total Reactance (Ω) | Variables | ||
| Line total reactance (Ω) | Cable capacitance per unit length | ||
| Modified admittance of the feeder | System frequency (Hz) | ||
| Impedance (Ω) | Feeder conductance per unit length | ||
| Characteristics impedance (Ω) | Current (A) | ||
| Modified impedance of the feeder | |||
References
- United Nations. General Assembly Resolution 70/1, Transforming Our World: The 2030 Agenda for Sustainable Development, A/RES/70/1 (25 September 2015). Available online: Undocs.org/en/A/RES/70/1 (accessed on 12 April 2021).
- United Nations. The Sustainable Development Goals Report 2020, (United Nations Statistics Division (UNSD), 2020). Available online: Unstats.un.org/sdgs/report/2020 (accessed on 12 April 2021).
- IRENA. Renewable Capacity Statistics 2021; International Renewable Energy Agency (IRENA): Abu Dhabi, United Arab Emirates, 2021; Available online: Irena.org/publications/2021/March/Renewable-Capacity-Statistics-2021 (accessed on 12 April 2021).
- IRENA. Renewable Energy Statistics 2020; The International Renewable Energy Agency: Abu Dhabi, United Arab Emirates, 2020; Available online: Irena.org/publications/2020/Jul/Renewable-energy-statistics-2020 (accessed on 12 April 2021).
- WEC. The World Energy Issues Monitor 2021; World Energy Council (WEC): London, UK, 2021; Available online: https://www.worldenergy.org/assets/downloads/Issues_Monitor_2021-final.pdf (accessed on 12 April 2021).
- PV Magazine. Available online: https://www.pv-magazine.com/2020/04/28/abu-dhabis-2-gw-tender-draws-world-record-solar-bid-of-0-0135-kwh/ (accessed on 12 April 2021).
- PV Magazine. Available online: https://www.pv-magazine.com/2021/04/08/saudi-arabias-second-pv-tender-draws-world-record-low-bid-of-0104-kwh/ (accessed on 12 April 2021).
- Yan, R.; Saha, T.K. Investigation of Voltage Stability for Residential Customers Due to High Photovoltaic Penetrations. IEEE Trans. Power Syst. 2012, 27, 651–662. [Google Scholar] [CrossRef]
- Wang, L.; Yan, R.; Saha, T.K. Voltage Management for Large Scale PV Integration into Weak Distribution Systems. IEEE Trans. Smart Grid 2018, 9, 4128–4139. [Google Scholar] [CrossRef]
- Walling, R.A.; Saint, R.; Dugan, R.C.; Burke, J.; Kojovic, L.A. Summary of Distributed Resources Impact on Power Delivery Systems. IEEE Trans. Power Deliv. 2008, 23, 1636–1644. [Google Scholar] [CrossRef]
- Alam, M.J.E.; Muttaqi, K.M.; Sutanto, D. A comprehensive assessment tool for solar PV impacts on low voltage three phase distribution networks. In Proceedings of the 2nd International Conference on the Developments in Renewable Energy Technology (ICDRET 2012), Dhaka, Bangladesh, 5–7 January 2012; pp. 1–5. [Google Scholar]
- Gandhia, O.; Kumar, D.S.; Rodríguez-Gallegos, C.D.; Srinivasan, D. Review of power system impacts at high PV penetration Part I: Factors limiting PV penetration. Sol. Energy 2020, 210, 181–201. [Google Scholar] [CrossRef]
- Aziz, T.; Ketjoy, N. PV Penetration Limits in Low Voltage Networks and Voltage Variations. IEEE Access 2017, 5, 16784–16792. [Google Scholar] [CrossRef]
- Karimi, M.; Mokhlisa, H.; Naidu, K.; Uddin, S.; Bakar, A.H.A. Photovoltaic penetration issues and im-pacts in distribution network—A review. Renew. Sustain. Energy Rev. 2016, 53, 594–605. [Google Scholar] [CrossRef]
- Haque, M.M.; Wolfs, P. A review of high PV penetrations in LV distribution networks: Present status, im-pacts and mitigation measures. Renew. Sustain. Energy Rev. 2016, 62, 1195–1208. [Google Scholar] [CrossRef]
- Kumar, D.S.; Gandhi, O.; Rodríguez-Gallegos, C.D.; Srinivasan, D. Review of power system impacts at high PV penetration Part II: Potential solutions and the way forward. Sol. Energy 2020, 210, 202–221. [Google Scholar] [CrossRef]
- Panigrahi, R.; Mishra, S.K.; Srivastava, S.C.; Srivastava, A.K.; Schulz, N.N. Grid Integration of Small-Scale Photovoltaic Systems in Secondary Distribution Network—A Review. IEEE Trans. Ind. Appl. 2020, 56, 3178–3195. [Google Scholar] [CrossRef]
- Arora, S.; Kaur, S.; Khanna, R. A Review on Voltage Challenges and Remedial Methods with Excessive PV Penetration in Radial Distribution Feeder. In Proceedings of the 2019 5th International Conference on Signal Processing, Computing and Control (ISPCC), Solan, India, 10–12 October 2019; pp. 47–52. [Google Scholar] [CrossRef]
- Shayani, R.A.; de Oliveira, M.A.G. Photovoltaic Generation Penetration Limits in Radial Distribution Systems. IEEE Trans. Power Syst. 2011, 26, 1625–1631. [Google Scholar] [CrossRef]
- Aziz, T.; Ketjoy, N. Enhancing PV Penetration in LV Networks Using Reactive Power Control and on Load Tap Changer with Existing Transformers. IEEE Access 2018, 6, 2683–2691. [Google Scholar] [CrossRef]
- Zeraati, M.; Golshan, M.E.H.; Guerrero, J.M. Distributed Control of Battery Energy Storage Systems for Voltage Regulation in Distribution Networks with High PV Penetration. IEEE Trans. Smart Grid 2018, 9, 3582–3593. [Google Scholar] [CrossRef] [Green Version]
- Benato, R.; Napolitano, D. Overall Cost Comparison Between Cable and Overhead Lines Including the Costs for Repair After Random Failures. IEEE Trans. Power Deliv. 2012, 27, 1213–1222. [Google Scholar] [CrossRef]
- Tuinema, B.W.; Rueda, J.L.; van der Sluis, L.; van der Meijden, M.A.M.M. Reliability of Transmission Links Consisting of Overhead Lines and Underground Cables. IEEE Trans. Power Deliv. 2016, 31, 1251–1260. [Google Scholar] [CrossRef]
- Kersting, W.H. Distribution System Modeling and Analysis, 4th ed.; CRC Press: New York, NY, USA, 2018; pp. 99–113. [Google Scholar]
- Grainger, J.; Stevenson, W.; Chang, G. Power Systems Analysis, 2nd ed.; McGraw-Hill Education: New York, NY, USA, 2016; pp. 170–200. [Google Scholar]
- Glover, J.D.; Sarma, M.; Overbye, T. Power System Analysis and Design SI Edition, 6th ed.; Cengage Learning: Stamford, CT, USA, 2017; pp. 258–273. [Google Scholar]
- Saadat, H. Power System Analysis, 3rd ed.; PSA Publishing: Alexandria, VA, USA, 2010; pp. 181–194. [Google Scholar]
- Kundur, P. Power System Stability and Control, 1st ed.; McGraw-Hill: New York, NY, USA, 1994; pp. 200–230. [Google Scholar]
- Das, D. Electrical Power System, 1st ed.; New Age International: New Delhi, India, 2006; pp. 124–130. [Google Scholar]
- Nexans—6–36kV Medium Voltage Underground Power Cables (XLPE Insulated Cables). Available online: https://www.nexans.co.uk/UK/files/Underground%20Power%20Cables%20Catalogue%2003-2010.pdf (accessed on 12 April 2021).
- Akagi, S.; Takahashi, R.; Kaneko, A.; Ito, M.; Yoshinaga, J.; Hayashi, Y.; Asano, H.; Konda, H. Upgrading Voltage Control Method Based on Photovoltaic Penetration Rate. IEEE Trans. Smart Grid 2018, 9, 3994–4003. [Google Scholar] [CrossRef]
- Agalgaonkar, Y.P.; Pal, B.C.; Jabr, R.A. Distribution voltage control considering the impact of PV generation on tap changers and autonomous regulators. IEEE Trans. Power Syst. 2014, 29, 182–192. [Google Scholar] [CrossRef] [Green Version]
- Daratha, N.; Das, B.; Sharma, J. Coordination between OLTC and SVC for voltage regulation in unbalanced distribution system distributed generation. IEEE Trans. Power Syst. 2014, 29, 289–299. [Google Scholar] [CrossRef]
- Kamel, R.M.; Nagasaka, K. Effect of load type on standalone micro grid fault performance. Appl. Energy 2015, 160, 532–540. [Google Scholar] [CrossRef]













| Type | Voltage | Current | Complex Power | Frequency | Power Factor pf | Resistance | Reactance | Capacitance |
|---|---|---|---|---|---|---|---|---|
| OHL | 13.8 kV | 314 A | 7.5 MVA | 50 Hz | 0.92 lagging | 0.3 Ω/km | 0.409 Ω/km | 0 µF/km |
| Type | Frequency | Power Factor pf | Resistance | Reactance | Capacitance | |||
|---|---|---|---|---|---|---|---|---|
| UGC | 13.8 kV | 320 A | 7.648 MVA | 50 Hz | 0.92 lagging | 0.247 Ω/km | 0.132 Ω/km | 0.259 µF/km |
| VS. | VL | ILine | PPV | Change in % PPV from the OHL | |||||||
|---|---|---|---|---|---|---|---|---|---|---|---|
| OHL | UGC | UGCL | OHL | UGC | UGCL | OHL | UGC | UGCL | UGC | UGCL | |
| 1.05 | 1.05 | 1.05 | 1.05 | 0.65 | 0.42 | 0.42 | 1.474 | 1.131 | 1.131 | −23.3% | −23.3% |
| 1.04 | 1.05 | 1.05 | 1.05 | 0.92 | 0.67 | 0.57 | 1.805 | 1.505 | 1.371 | −16.6% | −24.0% |
| 1.03 | 1.05 | 1.05 | 1.05 | 1.22 | 0.99 | 0.76 | 2.142 | 1.880 | 1.612 | −12.2% | −24.8% |
| 1.02 | 1.05 | 1.05 | 1.05 | 1.54 | 1.33 | 0.96 | 2.489 | 2.258 | 1.854 | −9.3% | −25.5% |
| 1.01 | 1.05 | 1.05 | 1.05 | 1.87 | 1.68 | 1.18 | 2.845 | 2.636 | 2.096 | −7.3% | −26.3% |
| 1.00 | 1.05 | 1.05 | 1.05 | 2.21 | 2.03 | 1.40 | 3.211 | 3.015 | 2.340 | −6.1% | −27.1% |
| VS. | VL | ILine | PPV | Change in % PPV from the OHL | |||||||
|---|---|---|---|---|---|---|---|---|---|---|---|
| OHL | UGC | UGCL | OHL | UGC | UGCL | OHL | UGC | UGCL | UGC | UGCL | |
| 1.05 | 1.05 | 1.05 | 1.05 | 0.65 | 0.42 | 0.42 | 1.474 | 1.131 | 1.131 | −23.3% | −23.3% |
| 1.04 | 1.05 | 1.05 | 1.05 | 0.92 | 0.67 | 0.57 | 1.805 | 1.505 | 1.371 | −16.6% | −24.0% |
| 1.03 | 1.04 | 1.05 | 1.05 | 1.00 | 0.99 | 0.76 | 1.885 | 1.880 | 1.612 | −0.30% | −14.5% |
| 1.02 | 1.03 | 1.04 | 1.05 | 1.00 | 1.00 | 0.96 | 1.875 | 1.883 | 1.854 | 0.40% | −1.10% |
| 1.01 | 1.02 | 1.03 | 1.04 | 1.00 | 1.00 | 1.00 | 1.863 | 1.872 | 1.884 | 0.50% | 1.10% |
| 1.00 | 1.01 | 1.02 | 1.03 | 1.00 | 1.00 | 1.00 | 1.852 | 1.860 | 1.874 | 0.50% | 1.20% |
| % of Rated Load | VL | ILine | PPV | Change in % PPV from OHL | |||||||
|---|---|---|---|---|---|---|---|---|---|---|---|
| OHL | UGC | UGCL | OHL | UGC | UGCL | OHL | UGC | UGCL | UGC | UGCL | |
| 100 | 1.05 | 1.05 | 1.05 | 0.646 | 0.424 | 0.424 | 1.474 | 1.131 | 1.131 | −23.3% | −23.3% |
| 90 | 1.05 | 1.05 | 1.05 | 0.580 | 0.381 | 0.381 | 1.324 | 1.017 | 1.017 | −23.2% | −23.2% |
| 80 | 1.05 | 1.05 | 1.05 | 0.514 | 0.339 | 0.339 | 1.175 | 0.903 | 0.903 | −23.1% | −23.1% |
| 70 | 1.05 | 1.05 | 1.05 | 0.449 | 0.296 | 0.296 | 1.027 | 0.79 | 0.79 | −23.1% | −23.1% |
| 60 | 1.05 | 1.05 | 1.05 | 0.384 | 0.253 | 0.253 | 0.879 | 0.676 | 0.676 | −23.1% | −23.1% |
| 50 | 1.05 | 1.05 | 1.05 | 0.319 | 0.211 | 0.210 | 0.731 | 0.563 | 0.562 | −23.0% | −23.1% |
| 40 | 1.05 | 1.05 | 1.05 | 0.254 | 0.168 | 0.168 | 0.584 | 0.45 | 0.45 | −22.9% | −22.9% |
| 30 | 1.05 | 1.05 | 1.05 | 0.190 | 0.126 | 0.126 | 0.437 | 0.337 | 0.336 | −22.8% | −23.1% |
| 20 | 1.05 | 1.05 | 1.05 | 0.126 | 0.084 | 0.083 | 0.29 | 0.224 | 0.222 | −23.0% | −23.5% |
| 10 | 1.05 | 1.05 | 1.05 | 0.063 | 0.042 | 0.041 | 0.145 | 0.111 | 0.11 | −23.5% | −24.4% |
| Load pf (lag) | VL | ILine | PPV | Change in % PPV from OHL | |||||||
|---|---|---|---|---|---|---|---|---|---|---|---|
| OHL | UGC | UGCL | OHL | UGC | UGCL | OHL | UGC | UGCL | UGC | UGCL | |
| 1.0 | 1.05 | 1.05 | 1.05 | 0.00 | 0.002 | 0.004 | 0.999 | 0.998 | 0.996 | −0.20% | −0.30% |
| 0.9 | 1.05 | 1.05 | 1.05 | 0.72 | 0.472 | 0.472 | 1.519 | 1.135 | 1.136 | −25.3% | −25.2% |
| 0.8 | 1.05 | 1.05 | 1.05 | 1.00 | 0.650 | 0.652 | 1.661 | 1.126 | 1.13 | −32.2% | −32% |
| 0.7 | 1.04 | 1.05 | 1.05 | 1.00 | 0.775 | 0.778 | 1.458 | 1.09 | 1.096 | −25.2% | −24.8% |
| 0.6 | 1.03 | 1.05 | 1.05 | 1.00 | 0.869 | 0.872 | 1.255 | 1.039 | 1.046 | −17.2% | −16.7% |
| 0.5 | 1.03 | 1.05 | 1.05 | 1.00 | 0.941 | 0.945 | 1.054 | 0.977 | 0.984 | −7.30% | −6.60% |
| 0.4 | 1.02 | 1.05 | 1.05 | 1.00 | 0.997 | 1.00 | 0.853 | 0.906 | 0.911 | 6.30% | 6.90% |
| 0.3 | 1.02 | 1.05 | 1.05 | 1.00 | 1.00 | 1.00 | 0.654 | 0.732 | 0.727 | 11.9% | 11.1% |
| 0.2 | 1.01 | 1.05 | 1.04 | 1.00 | 1.00 | 1.00 | 0.457 | 0.563 | 0.553 | 23.3% | 21.0% |
| 0.1 | 1.01 | 1.04 | 1.04 | 1.00 | 1.00 | 1.00 | 0.27 | 0.414 | 0.399 | 53.2% | 47.4% |
(p.u.) | (p.u.) | ||||
|---|---|---|---|---|---|
| 1.05 | 1.050 | 0.74 | 1.595 | 1.474 | 8.2% |
| 1.04 | 1.050 | 1.00 | 1.892 | 1.805 | 4.8% |
| 1.03 | 1.040 | 1.00 | 1.881 | 1.885 | −0.2% |
| 1.02 | 1.030 | 1.00 | 1.869 | 1.875 | −0.3% |
| 1.01 | 1.020 | 1.00 | 1.859 | 1.863 | −0.2% |
| 1.00 | 1.010 | 1.00 | 1.848 | 1.852 | −0.2% |
(p.u.) | (p.u.) | ||||
|---|---|---|---|---|---|
| 1.05 | 1.050 | 0.44 | 1.171 | 1.131 | 3.6% |
| 1.04 | 1.050 | 0.70 | 1.548 | 1.505 | 2.9% |
| 1.03 | 1.050 | 1.00 | 1.893 | 1.880 | 0.7% |
| 1.02 | 1.040 | 1.00 | 1.881 | 1.883 | −0.1% |
| 1.01 | 1.030 | 1.00 | 1.871 | 1.872 | −0.1% |
| 1.00 | 1.020 | 1.00 | 1.859 | 1.860 | −0.1% |
(p.u.) | (p.u.) | ||||
|---|---|---|---|---|---|
| 1.05 | 1.050 | 0.44 | 1.173 | 1.131 | 3.7% |
| 1.04 | 1.050 | 0.61 | 1.422 | 1.371 | 3.7% |
| 1.03 | 1.050 | 0.81 | 1.673 | 1.612 | 3.8% |
| 1.02 | 1.050 | 1.00 | 1.892 | 1.854 | 2.0% |
| 1.01 | 1.040 | 1.00 | 1.881 | 1.884 | −0.1% |
| 1.00 | 1.030 | 1.00 | 1.870 | 1.874 | −0.2% |
| Factor | (p.u.) | % Load | Load pf | (p.u.) | PPV Eqn. | OHL | UGC | UGCL | ||||||
|---|---|---|---|---|---|---|---|---|---|---|---|---|---|---|
| PPV | Error (%) | Limiting Factor | PPV | Error (%) | Limiting Factor | PPV | Error (%) | Limiting Factor | ||||||
| Effect of Supply Voltage | 1.05 | 100 | 0.92 | 1.0 | 1.84 | 1.474 | 24.8% | Voltage | 1.131 | 62.68% | Voltage | 1.131 | 62.68% | Voltage |
| 1.04 | 100 | 0.92 | 1.0 | 1.84 | 1.805 | 1.93% | Voltage | 1.505 | 22.25% | Voltage | 1.371 | 34.2% | Voltage | |
| 1.03 | 100 | 0.92 | 1.0 | 1.84 | 1.885 | −2.38% | Current | 1.88 | −2.12% | Voltage | 1.612 | 14.14% | Voltage | |
| 1.02 | 100 | 0.92 | 1.0 | 1.84 | 1.875 | −1.86% | Current | 1.883 | −2.28% | Current | 1.854 | −0.75% | Voltage | |
| 1.01 | 100 | 0.92 | 1.0 | 1.84 | 1.863 | −1.23% | Current | 1.872 | −1.7% | Current | 1.884 | −2.33% | Current | |
| 1.00 | 100 | 0.92 | 1.0 | 1.84 | 1.852 | −0.64 % | Current | 1.86 | −1.07% | Current | 1.874 | −1.81% | Current | |
| Effect of Load Percent. | 1.05 | 90 | 0.92 | 0.9 | 1.756 | 1.324 | 32.6% | Voltage | 1.017 | 72.66% | Voltage | 1.017 | 72.66% | Voltage |
| 1.05 | 80 | 0.92 | 0.8 | 1.672 | 1.175 | 42.29% | Voltage | 0.903 | 85.16% | Voltage | 0.903 | 85.16% | Voltage | |
| 1.05 | 70 | 0.92 | 0.7 | 1.588 | 1.027 | 54.62% | Voltage | 0.79 | 101% | Voltage | 0.790 | 101% | Voltage | |
| 1.05 | 60 | 0.92 | 0.6 | 1.504 | 0.879 | 71% | Voltage | 0.676 | 122.4% | Voltage | 0.676 | 122.4% | Voltage | |
| 1.05 | 50 | 0.92 | 0.5 | 1.42 | 0.731 | 94.25% | Voltage | 0.563 | 152.2% | Voltage | 0.562 | 152.6% | Voltage | |
| 1.05 | 40 | 0.92 | 0.4 | 1.336 | 0.584 | 128.7% | Voltage | 0.45 | 196.9% | Voltage | 0.450 | 196.8% | Voltage | |
| 1.05 | 30 | 0.92 | 0.3 | 1.252 | 0.437 | 186.4% | Voltage | 0.337 | 271.5% | Voltage | 0.336 | 272.6% | Voltage | |
| 1.05 | 20 | 0.92 | 0.2 | 1.168 | 0.29 | 302.7% | Voltage | 0.224 | 421.4% | Voltage | 0.222 | 426.1% | Voltage | |
| 1.05 | 10 | 0.92 | 0.1 | 1.08 | 0.145 | 644.8% | Voltage | 0.111 | 872.9% | Voltage | 0.110 | 881.8% | Voltage | |
| Effect of load Power Factor | 1.05 | 100 | 1.0 | 1.0 | 2.0 | 0.999 | 100.2% | Voltage | 0.998 | 100.4% | Voltage | 0.996 | 100.8% | Voltage |
| 1.05 | 100 | 0.9 | 1.0 | 1.8 | 1.519 | 18.5% | Voltage | 1.135 | 58.6% | Voltage | 1.136 | 58.45% | Voltage | |
| 1.05 | 100 | 0.8 | 1.0 | 1.6 | 1.661 | −3.67% | Voltage | 1.126 | 42.1% | Voltage | 1.130 | 41.59% | Voltage | |
| 1.05 | 100 | 0.7 | 1.0 | 1.4 | 1.458 | −3.97% | Current | 1.090 | 28.44% | Voltage | 1.096 | 27.73% | Voltage | |
| 1.05 | 100 | 0.6 | 1.0 | 1.2 | 1.255 | −4.38% | Current | 1.039 | 15.49% | Voltage | 1.046 | 14.72% | Voltage | |
| 1.05 | 100 | 0.5 | 1.0 | 1.0 | 1.054 | −5.12% | Current | 0.977 | 2.35% | Voltage | 0.984 | 1.62% | Voltage | |
| 1.05 | 100 | 0.4 | 1.0 | 0.8 | 0.853 | −6.2% | Current | 0.906 | −11.69% | Voltage | 0.911 | −12.1% | Voltage | |
| 1.05 | 100 | 0.3 | 1.0 | 0.6 | 0.654 | −8.25% | Current | 0.732 | −18% | Current | 0.727 | −17.4% | Voltage | |
| 1.05 | 100 | 0.2 | 1.0 | 0.4 | 0.457 | −12.47% | Current | 0.563 | −28.95% | Current | 0.553 | −27.6% | Current | |
| 1.05 | 100 | 0.1 | 1.0 | 0.2 | 0.270 | −25.9% | Current | 0.414 | −51.69% | Current | 0.399 | −49.8% | Current | |
Publisher’s Note: MDPI stays neutral with regard to jurisdictional claims in published maps and institutional affiliations. |
© 2021 by the authors. Licensee MDPI, Basel, Switzerland. This article is an open access article distributed under the terms and conditions of the Creative Commons Attribution (CC BY) license (https://creativecommons.org/licenses/by/4.0/).
Share and Cite
Alanzi, S.S.; Kamel, R.M. Photovoltaic Maximum Penetration Limits on Medium Voltage Overhead and Underground Cable Distribution Feeders: A Comparative Study. Energies 2021, 14, 3843. https://doi.org/10.3390/en14133843
Alanzi SS, Kamel RM. Photovoltaic Maximum Penetration Limits on Medium Voltage Overhead and Underground Cable Distribution Feeders: A Comparative Study. Energies. 2021; 14(13):3843. https://doi.org/10.3390/en14133843
Chicago/Turabian StyleAlanzi, Sultan Sh., and Rashad M. Kamel. 2021. "Photovoltaic Maximum Penetration Limits on Medium Voltage Overhead and Underground Cable Distribution Feeders: A Comparative Study" Energies 14, no. 13: 3843. https://doi.org/10.3390/en14133843
APA StyleAlanzi, S. S., & Kamel, R. M. (2021). Photovoltaic Maximum Penetration Limits on Medium Voltage Overhead and Underground Cable Distribution Feeders: A Comparative Study. Energies, 14(13), 3843. https://doi.org/10.3390/en14133843

