Optimal Coordinated Dispatching Strategy of Multi-Sources Power System with Wind, Hydro and Thermal Power Based on CVaR in Typhoon Environment
Abstract
:1. Introduction
1.1. Impact of Natural Disasters on the Power Grid and the Increase in Installed Capacity of Renewable Energy Power Generation
1.2. Research Status about Dispatching Strategies for Power Systems to Deal with Typhoon
1.2.1. Overview of Typhoon Scenario Modeling
1.2.2. Overview of Wind Power Fluctuation and Uncertainty Modeling Based on Scenario Analysis Method
1.3. Research Background, Significance and Task Summary
2. Scenario Modeling Considering Wind Power Fluctuation and Uncertainty Based on Wind Circle Model
2.1. Wind Circle Model
- Calculation of moving wind speed
- 2.
- Calculation of circulation wind speed
- 3.
- Initial background wind speed vector synthesis calculation
- 4.
- Modifying calculation of background wind speed
2.2. Scenario Generation and Reduction Considering Uncertainty and Volatility of Wind Power
2.2.1. Scenario Generation Considering Uncertainty and Volatility of Wind Power
- Partition of independent scenario generation segments
- B.
- Determination of covariance matrix coefficients
- C.
- Generation of segmented independent scenarios
- D.
- Connection of segmented independent scenarios
2.2.2. Scenario Reduction Considering Uncertainty and Volatility of Wind Power
- (1).
- Initialize the remaining scenarios set and start to count the clustering scenarios;
- (2).
- Select the remaining scenarios according to the principle of minimum distance variance and establish the cluster centers set;
- (3).
- Calculate the neighborhood scenarios set of each scenario in the cluster center and update the remaining scenarios set by eliminating the neighborhood scenarios set of the remaining scenarios set;
- (4).
- Judge whether the clustering scenarios’ counting value meets the preset clustering number K or not. If so, the initial scenarios generation ends; otherwise, return to step (2);
- (5).
- Calculate the Euclidean distance between each scenario and each cluster center and allocate the clusters according to the principle of minimum distance;
- (6).
- Determine the new cluster centers according to the principle of a least square sum of clustering error;
- (7).
- Redistribute all scenarios and recalculate the square sum of clustering errors under the new cluster;
- (8).
- Judge whether the sum of squares of clustering errors meets the convergence condition or not. If so, clustering ends; otherwise, return to step (6).
3. Coordinated Optimal Dispatching Model of Multi-Sources Power System with Wind, Hydro and Thermal Power Based on CVaR in Typhoon Environment
3.1. Objective Function of Coordinated Optimal Dispatching Model for Multi-Sources Power System with Wind, Hydro and Thermal Power in Typhoon Environment
3.2. Constraints of Coordinated Optimal Dispatching Model for Multi-Sources Power System with Wind, Hydro and Thermal Power in Typhoon Environment
3.2.1. Thermal Power Units Constraints
- A.
- Technical power output constraint:
- B.
- Upper and lower limitations of power variation:
- C.
- Minimum startup as well as shutdown time constraint:
3.2.2. Hydropower Units Constraints
- A.
- Power conversion relationship of hydropower:
- B.
- Reservoir capacity constraint of hydropower station:
- C.
- Power output constraint of hydropower station:
- D.
- Dynamic balance constraint of reservoir capacity:
3.2.3. Wind Power Operation Constraint
3.2.4. Network Security Constraint
3.2.5. Power Balance Constraints
3.2.6. Reserve Constraints of Thermal Power Units in Probabilistic Scenarios
3.3. 72 h Pre-Dispatching Strategy
4. Results and Discussion
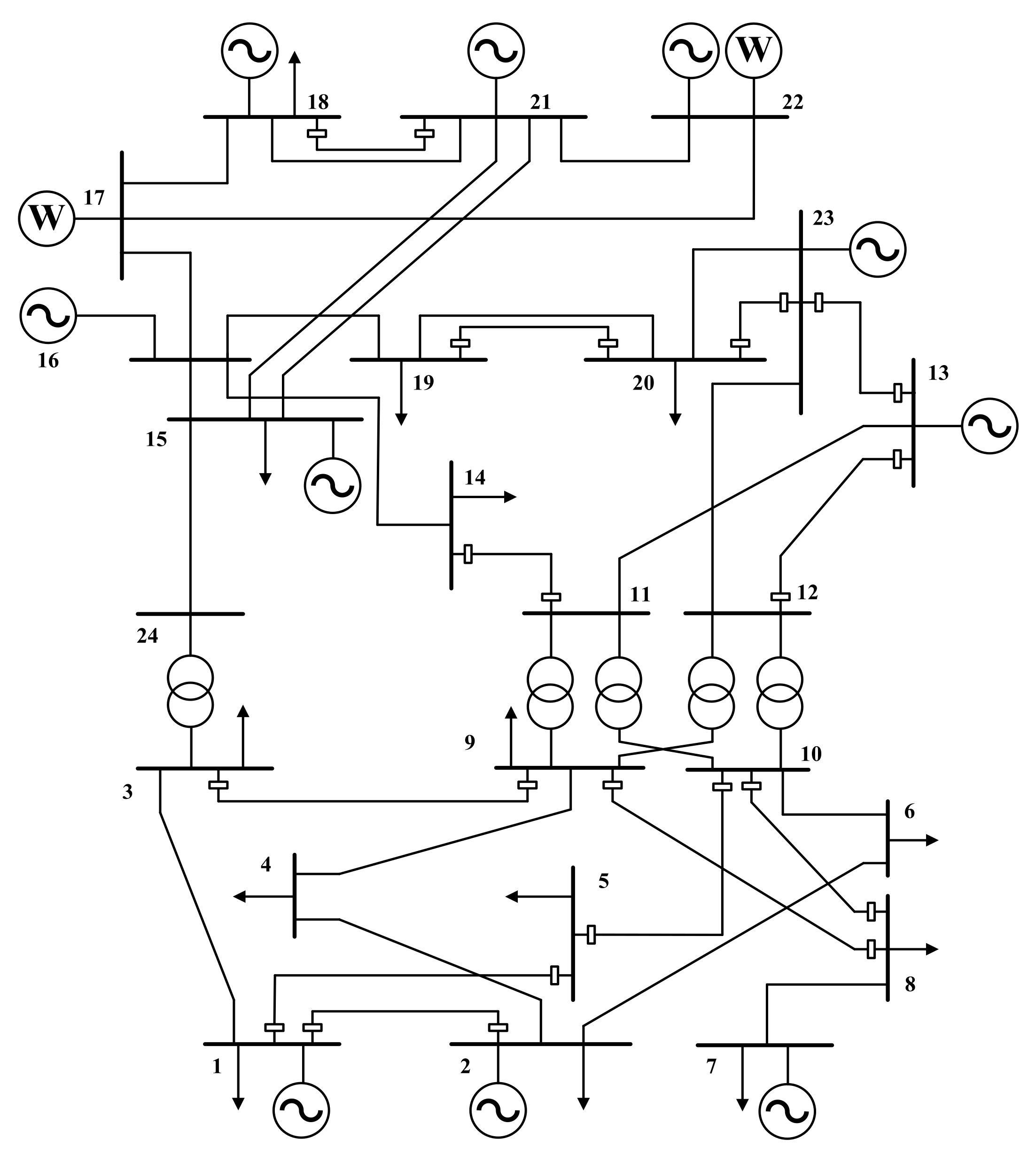
4.1. Introduction to the Example System
4.2. Analysis for the Results of Scenario Generation and Scenario Elimination
4.3. Analysis for Dispatching Results of Nine Possible Combined Scenarios during Typhoon Periods
4.4. Analysis for Optimization Results of Worse Case Based on Combined Scenario B2 during Typhoon Periods
4.5. Comparison among Four Kinds of Multi-Source Power System Dispatching Model
- M-Pro: M-Pro refers to the proposed dispatching model with the objective function considering both the spinning reserve and CVaR;
- M-SR: M-Pro refers to the dispatching model with the objective function not considering the CVaR [50];
- M-CVaR: M-Pro refers to the dispatching model with the objective function not considering the spinning reserve [52];
- M-Non: M-Non refers to the dispatching model with the objective function not considering the spinning reserve and CVaR [53].
4.6. Comparison of Optimization Results between the 72 h Integrated Planning Method and Three-Day Dispatching at the Same Time
5. Conclusions
Author Contributions
Funding
Institutional Review Board Statement
Informed Consent Statement
Data Availability Statement
Acknowledgments
Conflicts of Interest
References
- Luo, Y.L.; Sun, J.S.; Li, Y.; Xia, R.D.; Du, Y.; Yang, S.; Zhang, Y.C.; Chen, J.; Dai, K.; Shen, X.S.; et al. Science and prediction of heavy rainfall over China: Research progress since the reform and opening-up of new China. J. Meteorol. Res. 2020, 34, 427–459. [Google Scholar] [CrossRef]
- Guo, J.; Feng, T.; Cai, Z.L.; Lian, X.L.; Tang, W.H. Vulnerability Assessment for power transmission lines under typhoon weather based on a cascading failure state transition diagram. Energies 2020, 13, 3681. [Google Scholar] [CrossRef]
- Feng, L.; Hu, S.; Liu, X.T.; Xiao, H.; Pan, X.; Xia, F.; Ou, G.H.; Zhang, C. Precipitation microphysical characteristics of typhoon Mangkhut in southern China using 2D video dendrometers. Atmosphere 2020, 11, 975. [Google Scholar] [CrossRef]
- Ma, X.C. Impact of winter meteorological disasters on wind farms. In Proceedings of the 2018 5th International Conference on Key Engineering Materials and Computer Science, Vancouver, BC, Canada, 10–12 January 2018. [Google Scholar]
- Duong, M.Q.; Pham, T.D.; Nguyen, T.T.; Doan, A.T.; Hai, V.T. Determination of optimal location and sizing of solar photovoltaic distribution generation units in radial distribution systems. Energies 2019, 12, 174. [Google Scholar] [CrossRef] [Green Version]
- Husin, H.; Zaki, M. A critical review of the integration of renewable energy sources with various technologies. Prot. Control Mod. Power Syst. 2021, 6, 37–54. [Google Scholar]
- Chen, H.; Zhang, J.Z.; Tao, Y.B.; Tan, F.L. Asymmetric GARCH type models for asymmetric volatility characteristics analysis and wind power forecasting. Prot. Control Mod. Power Syst. 2019, 4, 356–366. [Google Scholar] [CrossRef] [Green Version]
- Ding, T.; Yao, L.; Li, F. A multi-uncertainty-set based two-stage robust optimization to defender–attacker–defender model for power system protection. Reliab. Eng. Syst. Saf. 2018, 169, 179–186. [Google Scholar] [CrossRef]
- Trakas, D.N.; Panteli, M.; Hatziargyriou, N.D.; Mancarella, P. Spatial risk analysis of power systems resilience during extreme events. Risk Anal. 2019, 39, 195–211. [Google Scholar] [CrossRef] [Green Version]
- Amirioun, M.H.; Aminifar, F.; Shahidehpour, M. Resilience-promoting proactive scheduling against hurricanes in multiple energy carrier microgrids. IEEE Trans. Power Syst. 2019, 3, 1. [Google Scholar] [CrossRef]
- Nezhad, A.A.; Fotuhi-Firuzabad, M.; Moeini-Aghtaie, M.; Safdarian, A.; Wang, F. Modeling and optimizing recovery strategies for power distribution system resilience. IEEE Syst. J. 2020, 1–10. [Google Scholar] [CrossRef]
- Huang, W.; Yin, K.; Ozguven, E.; Burns, S.; Ghorbanzadeh, M. Evaluation of parametric wind models for more accurate modeling of storm surge: A case study of hurricane Michael. Nat. Hazards 2021, 106, 1–22. [Google Scholar]
- Yang, L.; Lyu, X.; Li, D.; Wang, M.; Yu, Q. Coordinated optimization strategy of multi-fault repair and recovery for distribution network with distributed generators. Autom. Electr. Power Syst. 2016, 40, 13–19. [Google Scholar]
- Zhu, S.H.; Hou, H.; Zhu, L.L.; Liang, Y.; Wei, R.Z.; Huang, Y.; Zhang, Y.B. An optimization model of power emergency repair path under typhoon disaster. Energy Rep. 2021, 7, 204–209. [Google Scholar] [CrossRef]
- Vickery, P.J.; Wadhera, D.; Twisdale, L.A.; Lavelle, F.M. U.S. hurricane wind speed risk and uncertainty. J. Struct. Eng. 2009, 135, 301–320. [Google Scholar] [CrossRef]
- Fazlul, K.; Mohammed, M.; Masud, H.; Mac, K. Assessing the potential impacts of climate changes on rainfall and evapotranspiration in the northwest region of Bangladesh. Climate 2020, 8, 94. [Google Scholar] [CrossRef]
- Yan, M.; Masahiro, M.; Kazuki, H. An analytical model for simulation of the wind field in a typhoon boundary layer. J. Wind Eng. Ind. Aerodyn. 1995, 56, 291–310. [Google Scholar]
- Ge, W.; Liu, D.; Liu, T.; Wang, S.; Hu, L. Multi-domains dispatching method for power system considering energy storage. IOP Conf. Ser. Earth Environ. Sci. 2021, 675, 012146. [Google Scholar] [CrossRef]
- Li, Y.Z.; Zhao, T.Y.; Liu, C.; Zhao, Y.; Yu, Z.Y.; Li, K.C.; Wu, L. Day-ahead coordinated scheduling of hydro and wind power generation system considering uncertainties. IEEE Trans. Ind. Appl. 2019, 55, 2368–2377. [Google Scholar] [CrossRef]
- An, Z.; Shen, C.; Zheng, Z.T.; Liu, F.; Chang, X.Q.; Wei, W. Scenario-based analysis and probability assessment of sub-synchronous oscillation caused by wind farms with direct-driven wind generators. J. Mod. Power Syst. Clean Energy 2019, 7, 243–253. [Google Scholar] [CrossRef] [Green Version]
- Gan, D.H.; Wang, Y.; Yang, S.; Kang, C.Q. Embedding based quantile regression neural network for probabilistic load forecasting. J. Mod. Power Syst. Clean Energy 2018, 6, 244–254. [Google Scholar] [CrossRef] [Green Version]
- Figaj, R.; Sornek, K.; Podlasek, S.; Żołądek, M. Operation and sensitivity analysis of a micro-scale hybrid trigeneration system integrating a water steam cycle and wind turbine under different reference scenarios. Energies 2020, 13, 5697. [Google Scholar] [CrossRef]
- Heitsch, H.; Werner, R. Scenario reduction algorithms in stochastic programming. Comput. Optim. Appl. 2003, 24, 187–206. [Google Scholar] [CrossRef]
- Liu, S.Y.; Lin, Z.Z.; Zhao, Y.X.; Liu, Y.L.; Ding, Y.; Zhang, B.; Yang, L.; Wang, Q.; White, S.E. Robust system separation strategy considering online wide-area coherency identification and uncertainties of renewable energy sources. IEEE Trans. Power Syst. 2020, 35, 3574–3587. [Google Scholar] [CrossRef]
- Liu, S.Y.; Cui, X.Y.; Lin, Z.Z.; Lian, Z.K.; Lin, Z.A.; Wen, F.S.; Ding, Y.; Wang, Q.; Yang, L.; Jin, R.Y.; et al. Practical method for mitigating three-phase unbalance based on data-driven user phase identification. IEEE Trans. Power Syst. 2020, 2, 1653–1657. [Google Scholar] [CrossRef]
- Pokhrel, J.; Seo, J. Statistical model for fragility estimates of offshore wind turbines subjected to aero-hydro dynamic loads. Renew. Energy 2021, 163, 1495–1507. [Google Scholar] [CrossRef]
- Li, Q.S.; Tang, X.H.; Chen, C.M.; Liu, X.Y.; Liu, S.Y.; Shi, X.J.; Li, Z.; Lin, Z.Z.; Yang, L.; Wen, F.S. BIRCH algorithm and Wasserstein distance metric based method for generating typical scenarios of wind power outputs. In Proceedings of the 2019 IEEE Innovative Smart Grid Technologies, Beijing, China, 21–24 May 2019. [Google Scholar]
- Singh, P.K.; Singh, N.; Negi, R. Short-term wind power prediction using hybrid auto regressive integrated moving average model and dynamic particle swarm optimization. Int. J. Cogn. Inform. Nat. Intell. 2021, 15, 111–138. [Google Scholar] [CrossRef]
- Liu, S.; Zhu, Y.L.; Gao, J.C.; Zhang, K. Short term wind power scenarios forecast based on multivariate normal distribution. IOP Conf. Ser. Earth Environ. Sci. 2018, 170, 042038. [Google Scholar] [CrossRef]
- Hou, H.; Geng, H.; Huang, Y.; Wu, H.; Wu, X.X.; Yu, S.W. Damage probability assessment of transmission line-tower system under typhoon disaster, based on model-driven and data-driven views. Energies 2019, 12, 3681. [Google Scholar] [CrossRef] [Green Version]
- Fang, G.S.; Pang, W.C.; Zhao, L.; Rawal, P.; Cao, S.Y.; Ge, Y.J. Toward a refined estimation of typhoon wind hazards: Parametric modeling and upstream terrain effects. J. Wind. Eng. Ind. Aerodyn. 2021, 209, 104460. [Google Scholar] [CrossRef]
- Chowdhury, K.; Chaudhuri, D.; Pal, A.K. An entropy-based initialization method of K-means clustering on the optimal number of clusters. Neural Comput. Appl. 2021, 33, 1–18. [Google Scholar] [CrossRef]
- Ushakov, A.V.; Vasilyev, I. Near-optimal large-scale K-medoids clustering. Inf. Sci. 2021, 545, 344–362. [Google Scholar] [CrossRef]
- Panda, R.; Tiwari, P.K. Risk assessment by security-constrained unit commitment for hybrid wind-thermal by pair copula approach in reserve power market: A stochastic approach. IET Gener. Transm. Distrib. 2021, 14, 6639–6649. [Google Scholar] [CrossRef]
- Zare, M.; Narimani, M.R.; Malekpour, M.; Azizipanah-Abarghooee, R.; Terzija, V. Reserve constrained dynamic economic dispatch in multi-area power systems: An improved fireworks algorithm. Int. J. Electr. Power Energy Syst. 2021, 126, 106579. [Google Scholar] [CrossRef]
- Ardakan, M.A.; Rezvan, M.T. Multi-objective optimization of reliability-redundancy allocation problem with cold-standby strategy using NSGA-II. Reliab. Eng. Syst. Saf. 2018, 172, 225–238. [Google Scholar] [CrossRef]
- Dong, J.; Yang, P.; Nie, S. Day-ahead scheduling model of the distributed small hydro-wind-energy storage power system based on two-stage stochastic robust optimization. Sustainability 2019, 11, 2829. [Google Scholar] [CrossRef] [Green Version]
- Turk, A.; Wu, Q.; Zhang, M.; Stergaard, J. Day-ahead stochastic scheduling of integrated multi-energy system for flexibility synergy and uncertainty balancing. Energy 2020, 196, 117130. [Google Scholar] [CrossRef] [Green Version]
- Yan, B.; Chan, P.W.; Li, Q.S.; He, Y.C.; Shu, Z.R. Characterising the fractal dimension of wind speed time series under different terrain conditions. J. Wind Eng. Ind. Aerodyn. 2020, 201, 104165. [Google Scholar] [CrossRef]
- Nguyen, T.T.; Nguyen, T.T.; Duong, M.Q.; Doan, A.T. Optimal operation of transmission power networks by using improved stochastic fractal search algorithm. Neural Comput. Appl. 2020, 32, 9129–9164. [Google Scholar] [CrossRef]
- Yang, S.B.; Tan, Z.F.; Gou, S.Y.; Li, P.; Ju, L.W.; Zhou, F.A.; Tong, X. Optimization model of WPO-PVO-ESO cooperative participation in day-ahead electricity market transactions considering uncertainty and CVaR theory. Int. J. Electr. Power Energy Syst. 2021, 129, 106718. [Google Scholar] [CrossRef]
- Kaur, S.; Brar, Y.S.; Dhillon, J.S. Real-time short-term hydro-thermal-wind-solar power scheduling using meta-seuristic optimization technique. J. Renew. Energy Dev. 2021, 10, 635–651. [Google Scholar] [CrossRef]
- Moritz, N.; Carlo, S.; Ralf, S.; Armin, S. Pan-European CVaR-constrained stochastic unit commitment in day-ahead and intraday electricity markets. Energies 2020, 13, 2339. [Google Scholar]
- Fu, Y.; Sun, Q.; Wennersten, R. Effectiveness of the CVaR method in risk management in an integrated energy system. Energy Rep. 2020, 6, 1010–1015. [Google Scholar] [CrossRef]
- Canelas, E.; Pinto-Varela, T.; Sawik, B. Electricity portfolio optimization for large consumers: Iberian Electricity Market Case Study. Energies 2020, 13, 2249. [Google Scholar] [CrossRef]
- Feng, Z.W.; Sun, M.Y.; Wang, Z.H.; Jin, X.M.; Zhang, Y.; Zhao, B. Optimal dispatching based on electric thermal coupling characteristics analysis and wind power consumption. J. Phys. Conf. Ser. 2020, 1578, 012244. [Google Scholar] [CrossRef]
- Mehrjerdi, H.; Hemmati, R.; Shafie-khah, M.; Catalão, J.P.S. Zero energy building by multicarrier energy systems including hydro, wind, solar, and hydrogen. IEEE Trans. Ind. Inform. 2019, 17, 5474–5484. [Google Scholar] [CrossRef]
- Xia, S.W.; Ding, Z.Z.; Du, T.; Zhang, D.Y.; Shahidehpour, M.; Ding, T. Multitime scale coordinated scheduling for the combined system of wind power, photovoltaic, thermal generator, hydro pumped storage, and batteries. IEEE Trans. Industry Appl. 2020, 56, 2227–2237. [Google Scholar] [CrossRef]
- Li, Y.; Wang, X.L.; Zhang, W.T.; Zuo, Y.; Zhang, Q.W. Scheduling model of power system with renewable energy and transaction mode of direct electricity purchase by large consumers considering network security constraints. J. Eng. 2019, 2019, 899–904. [Google Scholar] [CrossRef]
- Khaloie, H.; Abdollahi, A.; Shafie-Khah, M.; Anvari-Moghaddam, A.; Nojavan, S.; Siano, P.; João, P.S.C. Coordinated wind-thermal-energy storage offering strategy in energy and spinning reserve markets using a multi-stage model. Appl. Energy 2019, 259, 114168. [Google Scholar] [CrossRef]
- Zhang, L.; Zhou, Q.; Gao, Q.; Cheng, H.; Zhang, S. Multistage fuzzy-robust transmission network expansion planning under uncertainties. Int. Trans. Electr. Energy Syst. 2019, 29, 1–12. [Google Scholar] [CrossRef]
- Huang, F.Y.; He, J.; Qian, L. Coordination in a retailer-dominated supply chain with a risk-averse manufacturer under marketing dependency. Int. Trans. Oper. Res. 2019, 27, 3056–3078. [Google Scholar] [CrossRef]
- Xu, H.L.; Meng, Z.Y.; Wang, Y.S. Economic dispatching of microgrid considering renewable energy uncertainty and demand side response. Energy Rep. 2020, 6, 196–204. [Google Scholar] [CrossRef]


























| Terrains of Wind Farms | Wind Types of Wind Farms | Correction Coefficients |
|---|---|---|
| Mountains and slopes | Along-slope wind | 1 |
| Mountains and slopes | Front-slope wind | Equation (4) |
| Mountains and slopes | Transition-zone wind | Front-slope wind component: Equation (4) Along-slope wind component: 1 |
| Mountains and slopes | Back-slope wind | No definite conclusion |
| River bank, lake, etc. | All types | 1.00–1.20 |
| Mountain basin, valley, and another closed terrain | All types | 0.75–0.85 |
| Parameters | T1 | T2 | T3 | T4 | T5 | T6 | T7 | T8 |
|---|---|---|---|---|---|---|---|---|
| Installation Capacity/MW | 240 | 250 | 400 | 290 | 625 | 625 | 625 | 720 |
| Minimum Technical Output/MW | 20 | 25 | 40 | 30 | 60 | 60 | 40 | 50 |
| Coal consumption coefficient a/(kg/(MW)2h) | 0.0069 | 0.2028 | 0.0942 | 0.1142 | 0.0357 | 0.0492 | 0.0573 | 0.0606 |
| Coal consumption coefficient b/(kg/MWh) | 6.73 | 7.07 | 8.18 | 8.05 | 8.03 | 6.99 | 6.60 | 12.9 |
| Coal consumption coefficient c/(kg) | 94.705 | 309.54 | 369.03 | 222.33 | 287.71 | 391.98 | 455.76 | 722.82 |
| Maximum Upward Power/(MW/h) | 90 | 100 | 185 | 120 | 200 | 150 | 180 | 300 |
| Maximum Downward Power/(MW/h) | 90 | 100 | 185 | 120 | 200 | 150 | 180 | 300 |
| Minimum Running Time/h | 4 | 4 | 3 | 3 | 5 | 2 | 4 | 6 |
| Minimum Shutdown Time/h | 4 | 4 | 3 | 3 | 5 | 2 | 4 | 6 |
| Initial Running Time/h | 0 | 0 | 3 | 5 | 5 | 1 | 0 | 1 |
| Initial Shutdown Time/h | 3 | 1 | 0 | 0 | 0 | 0 | 1 | 0 |
| nitial Power/h | 50 | 70 | 90 | 80 | 120 | 150 | 150 | 200 |
| Node Number | 1 | 2 | 7 | 13 | 15 | 18 | 21 | 22 |
| Parameters | H1 | H2 |
|---|---|---|
| Installation Capacity/MW | 250 | 300 |
| Dead Storage Capacity/billion m3 | 0.0598 | 0.074 |
| Working Capacity/billion m3 | 0.0942 | 0.142 |
| Initial Capacity/billion m3 | 0.114 | 0.1379 |
| Reserved Storage Capacity for Flood Control/billion m3 | 0.136 | 0.011 |
| Flood Control Capacity of Reserve/billion m3 | 0.006 | 0.004 |
| Power Output Coefficient c1 × 108 | 3 | 1.4 |
| Power Output Coefficient c2 × 107 | 9 | 5.5 |
| Power Output Coefficient c3 | 10 | 5.5 |
| Power Output Coefficient c4 | −50 | −40 |
| Node Number | 16 | 23 |
| Parameters | W1 | W2 |
|---|---|---|
| Cut-in Wind Speed/(m/s) | 3 | 2 |
| Cut-out Wind Speed/(m/s) | 8 | 10 |
| Rated Wind Speed/(m/s) | 10 | 15 |
| Rated Power/MW | 550 | 600 |
| Number of Units/unit | 100 | 100 |
| Node Number | 17 | 22 |
| Scenario Name | State of Wind Farm 1 | State of Wind Farm 2 |
|---|---|---|
| A1 | off-line | off-line |
| A2 | off-line | heavy capacity |
| A3 | off-line | full capacity |
| B1 | heavy capacity | off-line |
| B2 | heavy capacity | heavy capacity |
| B3 | heavy capacity | full capacity |
| C1 | full capacity | off-line |
| C2 | full capacity | heavy capacity |
| C3 | full capacity | full capacity |
| Conditions of Wind Power Change | Percentage of Initial Scenario Power for Scenario Analysis Method | Total Cost of System Dispatching/CNY | Coal Consumption Cost of Thermal Power/CNY | Hydropower Abandonment/CNY | Wind Power Abandonment Cost/CNY | Reserve Cost/CNY | Penalty Cost of Scenario Deviation/CNY | CVaR/CNY |
|---|---|---|---|---|---|---|---|---|
| Only Wind Farm 1 (550 MW Installed Capacity) Changes | 0% | 358,327 | 112,180 | 140,948 | 67,908 | 37,233 | 1.511 | 115.65 |
| 25% | 350,430 | 121,927 | 140,948 | 67,911 | 29,320 | 2.123 | 115.85 | |
| 50% | 342,621 | 112,205 | 140,948 | 67,913 | 21,494 | 2.736 | 116.05 | |
| 75% | 334,860 | 112,219 | 140,948 | 67,916 | 13,717 | 3.352 | 116.25 | |
| Only Wind Farm 2 (600 MW Installed Capacity) Changes | 0% | 378,174 | 111,977 | 140,948 | 67,908 | 57,284 | 0 | 115 |
| 25% | 365,182 | 112,015 | 140,948 | 67,908 | 44,254 | 0.100 | 115 | |
| 50% | 352,299 | 112,056 | 140,948 | 67,908 | 31,330 | 0.100 | 115 | |
| 75% | 339,505 | 112,144 | 140,948 | 67,908 | 18,446 | 1.474 | 116 | |
| Both Wind Farm 1 And Wind Farm 2 Change | 0% | 409,238 | 112,454 | 140,949 | 67,908 | 87,870 | 0 | 115 |
| 25% | 388,139 | 111,977 | 140,948 | 67,908 | 67,248 | 0 | 115 | |
| 50% | 367,517 | 111,977 | 140,948 | 67,908 | 46,627 | 0 | 115 | |
| 75% | 346,896 | 111,977 | 140,948 | 67,908 | 26,005 | 0 | 115 |
| Scenario | Method | Total Cost of System Dispatching/CNY | Coal Consumption Cost of Thermal Power/CNY | Hydropower Abandonment/CNY | Wind Power Abandonment Cost/CNY | Reserve Cost/CNY | Penalty Cost of Scenario Deviation/CNY | CVaR/CNY |
|---|---|---|---|---|---|---|---|---|
| A1 | M1 | 276,824 | 116,568 | 140,763 | 12,745 | 5653 | 1794 | 397 |
| M2 | 282,751 | 122,256 | 140,763 | 12,764 | 5644 | 1857 | 792 | |
| A2 | M1 | 282,922 | 116,904 | 140,954 | 15,592 | 7301 | 3574 | 770 |
| M2 | 288,843 | 122,565 | 140,955 | 15,522 | 7280 | 3839 | 1202 | |
| A3 | M1 | 283,534 | 115,225 | 140,954 | 19,091 | 7115 | 1879 | 419 |
| M2 | 289,461 | 120,947 | 140,955 | 19,120 | 7119 | 1849 | 792 | |
| B1 | M1 | 280,825 | 116,620 | 140,947 | 13,851 | 7107 | 3823 | 777 |
| M2 | 286,816 | 122,592 | 140,947 | 13,941 | 7215 | 3044 | 1197 | |
| B2 | M1 | 308,666 | 115,326 | 140,953 | 42,445 | 7793 | 3445 | 853 |
| M2 | 314,589 | 121,225 | 140,953 | 42,515 | 7871 | 2875 | 1172 | |
| B3 | M1 | 309,401 | 117,796 | 140,953 | 39,396 | 8530 | 4683 | 770 |
| M2 | 315,385 | 123,756 | 140,953 | 39,506 | 8632 | 3893 | 1182 | |
| C1 | M1 | 281,104 | 115,402 | 140,954 | 16,680 | 7185 | 1360 | 405 |
| M2 | 286,992 | 120,966 | 140,953 | 16,659 | 7126 | 1688 | 889 | |
| C2 | M1 | 308,701 | 115,579 | 140,953 | 42,174 | 7910 | 3364 | 807 |
| M2 | 314,602 | 121,431 | 140,953 | 42,249 | 7969 | 2887 | 1115 | |
| C3 | M1 | 312,199 | 115,402 | 140,954 | 46,680 | 8289 | 1342 | 405 |
| M2 | 318,087 | 120,966 | 140,953 | 46,659 | 8230 | 1670 | 889 |
| Item | 0.1 | 0.2 | 0.3 | 0.4 | 0.5 | 0.6 | 0.7 | 0.8 | 0.9 |
|---|---|---|---|---|---|---|---|---|---|
| Total cost of system dispatching/CNY | 168,753 | 173,959 | 179,134 | 184,252 | 189,324 | 194,350 | 199,351 | 204,343 | 209,334 |
| Reserve cost/CNY | 944 | 946 | 1101 | 1216 | 1408 | 1697 | 1784 | 1784 | 1808 |
| Penalty cost of scenario deviation/CNY | 62,096 | 61,979 | 61,387 | 61,049 | 60,600 | 60,064 | 59,932 | 59,932 | 59,903 |
| Upper standby power/MW | 120 | 123 | 142 | 157 | 195 | 247 | 264 | 264 | 269 |
| Lower standby power/MW | 340 | 341 | 390 | 427 | 433 | 460 | 460 | 460 | 460 |
Publisher’s Note: MDPI stays neutral with regard to jurisdictional claims in published maps and institutional affiliations. |
© 2021 by the authors. Licensee MDPI, Basel, Switzerland. This article is an open access article distributed under the terms and conditions of the Creative Commons Attribution (CC BY) license (https://creativecommons.org/licenses/by/4.0/).
Share and Cite
Qian, M.; Chen, N.; Chen, Y.; Chen, C.; Qiu, W.; Zhao, D.; Lin, Z. Optimal Coordinated Dispatching Strategy of Multi-Sources Power System with Wind, Hydro and Thermal Power Based on CVaR in Typhoon Environment. Energies 2021, 14, 3735. https://doi.org/10.3390/en14133735
Qian M, Chen N, Chen Y, Chen C, Qiu W, Zhao D, Lin Z. Optimal Coordinated Dispatching Strategy of Multi-Sources Power System with Wind, Hydro and Thermal Power Based on CVaR in Typhoon Environment. Energies. 2021; 14(13):3735. https://doi.org/10.3390/en14133735
Chicago/Turabian StyleQian, Minhui, Ning Chen, Yuge Chen, Changming Chen, Weiqiang Qiu, Dawei Zhao, and Zhenzhi Lin. 2021. "Optimal Coordinated Dispatching Strategy of Multi-Sources Power System with Wind, Hydro and Thermal Power Based on CVaR in Typhoon Environment" Energies 14, no. 13: 3735. https://doi.org/10.3390/en14133735
APA StyleQian, M., Chen, N., Chen, Y., Chen, C., Qiu, W., Zhao, D., & Lin, Z. (2021). Optimal Coordinated Dispatching Strategy of Multi-Sources Power System with Wind, Hydro and Thermal Power Based on CVaR in Typhoon Environment. Energies, 14(13), 3735. https://doi.org/10.3390/en14133735
