A Novel Hybrid LDC Converter Topology for the Integrated On-Board Charger of Electric Vehicles
Abstract
1. Introduction
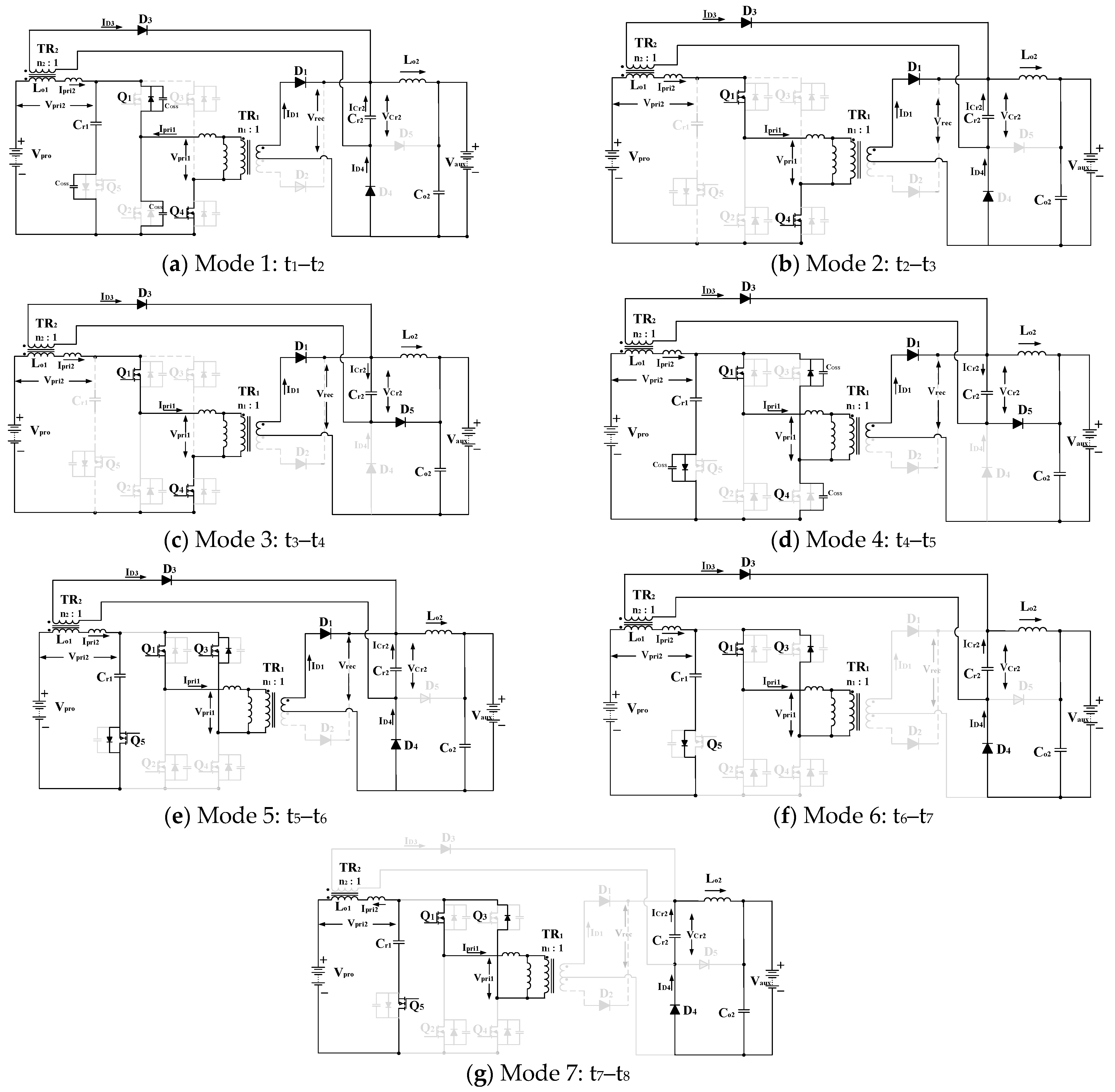
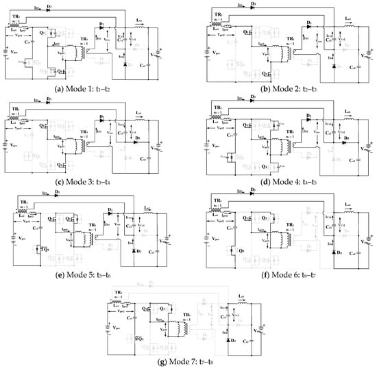
2. Operation of the Proposed Integrated OBC
3. Features and Design Consideration
3.1. Features of the Proposed Converter
3.1.1. High Step-Down Voltage Conversion Ratio
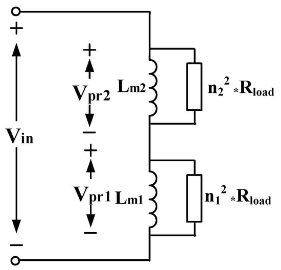
3.1.2. Elimination of the Circulating Current
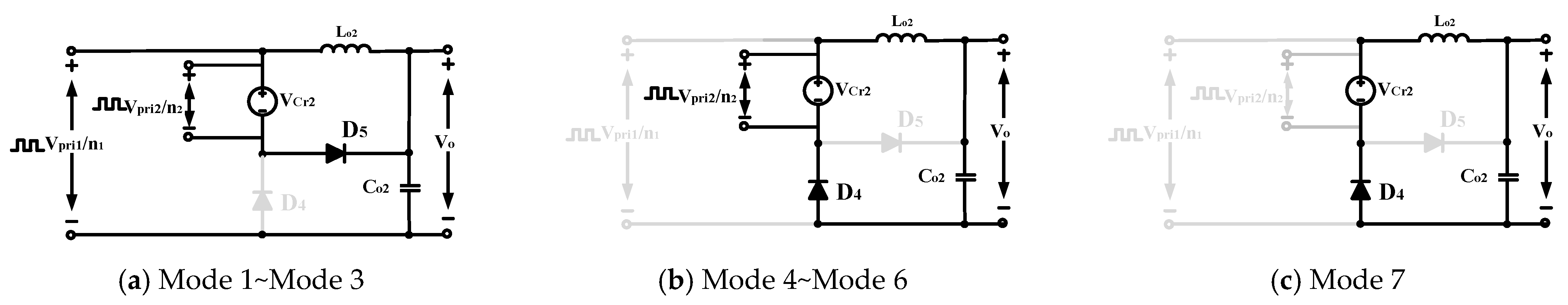
3.1.3. Small Output Current Ripple
3.2. Design Consideration
3.2.1. ZVS Conditions for All of the Switches in the PSFB over the Full Load Range
3.2.2. Design of the Clamp and Resonant Capacitors
4. Experimental Results
5. Conclusions
Author Contributions
Funding
Institutional Review Board Statement
Informed Consent Statement
Conflicts of Interest
References
- He, T.; Lu, D.D.-C.; Wu, M.; Yang, Q.; Li, T.; Liu, Q. Four-Quadrant Operations of Bidirectional Chargers for Electric Vehicles in Smart Car Parks: G2V, V2G, and V4G. Energies 2021, 14, 181. [Google Scholar] [CrossRef]
- Figueiredo, J.P.M.; Tofoli, F.L.; Silva, B.L.A. A Review of Single-Phase PFC Topologies Based on the Boost Converter. In Proceedings of the 2010 9th IEEE/IAS International Conference on Industry Applications-INDUSCON 2010, Sao Paulo, Brazil, 8–10 November 2010; pp. 1–6. [Google Scholar] [CrossRef]
- Musavi, F.; Eberle, W.; Dunford, W.G. A High-Performance Single-Phase Bridgeless Interleaved PFC Converter for Plug-in Hybrid Electric Vehicle Battery Chargers. IEEE Trans. Ind. Appl. 2011, 47, 1833–1843. [Google Scholar] [CrossRef]
- Musavi, F.; Eberle, W.; Dunford, W.G. A Phase Shifted Semi-Bridgeless Boost Power Factor Corrected Converter for Plug in Hybrid Electric Vehicle Battery Chargers. In Proceedings of the 2011 Twenty-Sixth Annual IEEE Applied Power Electronics Conference and Exposition (APEC), Fort Worth, TX, USA, 6–11 March 2011; pp. 821–828. [Google Scholar] [CrossRef]
- Singh, B.; Singh, B.N.; Chandra, A.; Al-Haddad, K.; Pandey, A.; Kothari, D.P. A review of single-phase improved power quality AC-DC converters. IEEE Trans. Ind. Electron. 2003, 50, 962–981. [Google Scholar] [CrossRef]
- Gautam, D.; Musavi, F.; Edington, M.; Eberle, W.; Dunford, W.G. An Automotive on-Board 3.3 kW Battery Charger for PHEV Application. In Proceedings of the 2011 IEEE Vehicle Power and Propulsion Conference, Chicago, IL, USA, 6–9 September 2011; pp. 1–6. [Google Scholar] [CrossRef]
- Gautam, D.S.; Musavi, F.; Eberle, W.; Dunford, W.G. A Zero-Voltage Switching Full-Bridge DC-DC Converter with Capacitive Output Filter for Plug-In Hybrid Electric Vehicle Battery Charging. IEEE Trans. Power Electron. 2013, 28, 5728–5735. [Google Scholar] [CrossRef]
- Averberg, A.; Meyer, K.R.; Mertens, A. Current-Fed Full Bridge Converter for Fuel Cell Systems. In Proceedings of the 2008 IEEE Power Electronics Specialists Conference, Rhodes, Greece, 15–19 June 2008; pp. 866–872. [Google Scholar] [CrossRef]
- Yakushev, V.; Meleshin, V.; Fraidlin, S. Full-Bridge Isolated Current Fed Converter with Active Clamp. In Proceedings of the APEC ’99. Fourteenth Annual Applied Power Electronics Conference and Exposition. 1999 Conference Proceedings (Cat. No.99CH36285), Dallas, TX, USA, 14–18 March 1999; Volume 1, pp. 560–566. [Google Scholar] [CrossRef]
- Choi, H.S.; Kim, J.W.; Cho, B.H. Novel zero-voltage and zero-current-switching (ZVZCS) full-bridge PWM converter using coupled output inductor. IEEE Trans. Power Electron. 2002, 17, 641–648. [Google Scholar] [CrossRef]
- Dudrik, J.; Trip, N. Soft-Switching PS-PWM DC–DC Converter for Full-Load Range Applications. IEEE Trans. Ind. Electron. 2010, 57, 2814. [Google Scholar] [CrossRef]
- Cho, J.G.; Rim, G.H.; Lee, F.C. Zero Voltage and Zero Current Switching Full Bridge PWM Converter using Secondary Active Clamp. In Proceedings of the PESC Record. 27th Annual IEEE Power Electronics Specialists Conference, Baveno, Italy, 23–27 June 1996; Volume 1, pp. 657–663. [Google Scholar] [CrossRef]
- Zhang, X.; Chung, H.S.; Ruan, X.; Ioinovici, A. A ZCS Full-Bridge Converter without Voltage Overstress on the Switches. IEEE Trans. Power Electron. 2010, 25, 686–698. [Google Scholar] [CrossRef]
- Tran, D.; Vu, N.; Choi, W. A Quasi-Resonant ZVZCS Phase-Shifted Full-Bridge Converter with an Active Clamp in the Secondary Side. Energies 2018, 11, 2868. [Google Scholar] [CrossRef]
- Hiltunen, J.; Väisänen, V.; Juntunen, R.; Silventoinen, P. Variable-Frequency Phase Shift Modulation of a Dual Active Bridge Converter. IEEE Trans. Power Electron. 2015, 30, 7138–7148. [Google Scholar] [CrossRef]
- Park, J.; Choi, S. Design and Control of a Bidirectional Resonant DC–DC Converter for Automotive Engine/Battery Hybrid Power Generators. IEEE Trans. Power Electron. 2014, 29, 3748–3757. [Google Scholar] [CrossRef]
- Oh, C.; Kim, D.; Woo, D.; Sung, W.; Kim, Y.; Lee, B. A High-Efficient Nonisolated Single-Stage On-Board Battery Charger for Electric Vehicles. IEEE Trans. Power Electron. 2013, 28, 5746–5757. [Google Scholar] [CrossRef]
- Yoo, K.; Kim, K.; Lee, J. Single- and Three-Phase PHEV Onboard Battery Charger Using Small Link Capacitor. IEEE Trans. Ind. Electron. 2013, 60, 3136–3144. [Google Scholar] [CrossRef]
- Nguyen, H.V.; Lee, D.-C.; Blaabjerg, F. A Novel SiC-Based Multifunctional Onboard Battery Charger for Plug-In Electric Vehicles. IEEE Trans. Power Electron. 2021, 36, 5635–5646. [Google Scholar] [CrossRef]
- Nguyen, H.V.; To, D.; Lee, D. Onboard Battery Chargers for Plug-in Electric Vehicles With Dual Functional Circuit for Low-Voltage Battery Charging and Active Power Decoupling. IEEE Access 2018, 6, 70212–70222. [Google Scholar] [CrossRef]
- Nguyen, H.V.; Lee, D. An Improved Low-Voltage Charging Circuit for Single-Phase Onboard Battery Chargers. In Proceedings of the 2019 IEEE Applied Power Electronics Conference and Exposition (APEC), Anaheim, CA, USA, 17–21 March 2019; pp. 3325–3331. [Google Scholar] [CrossRef]
- Kim, D.; Kim, M.; Lee, B. An Integrated Battery Charger with High Power Density and Efficiency for Electric Vehicles. IEEE Trans. Power Electron. 2017, 32, 4553–4565. [Google Scholar] [CrossRef]
- Kim, S.; Kang, F. Multifunctional Onboard Battery Charger for Plug-in Electric Vehicles. IEEE Trans. Ind. Electron. 2015, 62, 3460–3472. [Google Scholar] [CrossRef]
- Kim, S.Y.; Song, H.; Nam, K. Idling Port Isolation Control of Three-Port Bidirectional Converter for EVs. IEEE Trans. Power Electron. 2012, 27, 2495–2506. [Google Scholar] [CrossRef]
- Kim, Y.; Oh, C.; Sung, W.; Lee, B.K. Topology and Control Scheme of OBC–LDC Integrated Power Unit for Electric Vehicles. IEEE Trans. Power Electron. 2017, 32, 1731–1743. [Google Scholar] [CrossRef]





















| Operation Condition | Parameter | Value [Unit] |
|---|---|---|
| PFC stage | AC voltage | 220 [V]/60 [Hz] |
| DC-link Voltage | 380–420 [V] | |
| Rated power | 3.5 [kW] | |
| Function I: DC-link to propulsion battery | DC-link voltage | 380–420 [V] |
| Propulsion battery voltage | 250–420 [V] | |
| Rated power | 3.3 [kW] | |
| Switching frequency | 30 [kHz] | |
| Function II: Propulsion battery to DC-link (OBC) | DC-link voltage | 380–420 [V] |
| Propulsion battery voltage | 250–420 [V] | |
| Rated power | 3.3 [kW] | |
| Switching frequency | 30 [kHz] | |
| Function III: Propulsion battery to auxiliary battery (LDC) | Propulsion battery voltage | 250–420 [V] |
| Auxiliary battery voltage | 23–25 [V] | |
| Rated power | 1 [kW] | |
| Switching frequency | 50 [kHz] |
| Components | Value |
|---|---|
| All Switches ) | IPW65R041CFD |
| Turns ratio of the transformer TR1 (1:n:m) | 20:23:3 |
| Leakage inductance of transformer TR1 (LLK1) | 12.2 [µH] |
| Magnetizing inductance of transformer TR1 (Lm1) | 605 [µH] |
| Core size of TR1 | PQ72/52 |
| Turns ratio of the transformer TR2 (n2) | 32:16 |
| Leakage inductance of transformer TR2 (LLK2) | 16 [µH] |
| Magnetizing inductance of transformer TR2 (Lm2) | 452 [µH] |
| Core size of TR1 | PQ72/52 |
| Clamp capacitor (Cr1) | 0.22 [µF] |
| Resonant capacitor (Cr2) | 100 [µF] |
| Diodes ) | DSSK 70-008A |
| Diode ) | DSSK 60-0045B |
Publisher’s Note: MDPI stays neutral with regard to jurisdictional claims in published maps and institutional affiliations. |
© 2021 by the authors. Licensee MDPI, Basel, Switzerland. This article is an open access article distributed under the terms and conditions of the Creative Commons Attribution (CC BY) license (https://creativecommons.org/licenses/by/4.0/).
Share and Cite
Nam, V.-H.; Tinh, D.-V.; Choi, W. A Novel Hybrid LDC Converter Topology for the Integrated On-Board Charger of Electric Vehicles. Energies 2021, 14, 3603. https://doi.org/10.3390/en14123603
Nam V-H, Tinh D-V, Choi W. A Novel Hybrid LDC Converter Topology for the Integrated On-Board Charger of Electric Vehicles. Energies. 2021; 14(12):3603. https://doi.org/10.3390/en14123603
Chicago/Turabian StyleNam, Vu-Hai, Duong-Van Tinh, and Woojin Choi. 2021. "A Novel Hybrid LDC Converter Topology for the Integrated On-Board Charger of Electric Vehicles" Energies 14, no. 12: 3603. https://doi.org/10.3390/en14123603
APA StyleNam, V.-H., Tinh, D.-V., & Choi, W. (2021). A Novel Hybrid LDC Converter Topology for the Integrated On-Board Charger of Electric Vehicles. Energies, 14(12), 3603. https://doi.org/10.3390/en14123603

