A Review of the Cascade Refrigeration System
Abstract
1. Introduction
2. Different Cascade Refrigeration Systems
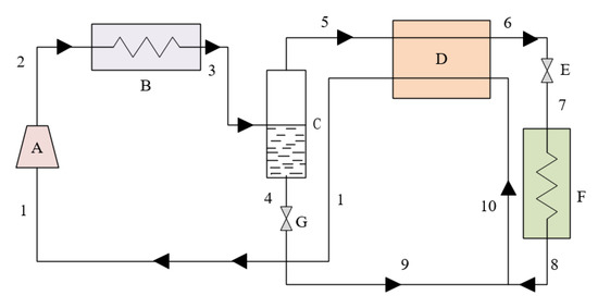
2.1. Two-Stage Compression Cascade Refrigeration System (CCRS)
2.1.1. The Working Principle of CCRS
2.1.2. The Working Fluids in CCRS
2.1.3. The Various Designs Based on CCRS and Optimization
2.1.4. The Experimental Research of CCRS
2.1.5. Thermoeconomic Analysis of CCRS
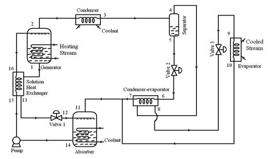
2.2. Cascade Absorption Refrigeration System (CARS)
2.2.1. The Working Principle of CARS
2.2.2. The Working Fluid in CARS
2.2.3. The Various Designs Based on CARS and Optimization
2.2.4. The Experimental Research of CARS
2.2.5. Thermoeconomic Analysis of CARS
2.3. The Compression–Absorption Cascade Refrigeration System (CACRS)
2.3.1. The Working Principle of CACRS
2.3.2. The Working Fluid in CACRS
2.3.3. The Various Designs based on CACRS and Optimization
2.3.4. The Experimental Research of CACRS
2.3.5. Thermoeconomic Analysis of CACRS
2.4. Auto-Cascade Refrigeration System (ACRS)
2.4.1. The Working Principle of ACRS
- ACRS has lower construction cost, as it only needs a single compression.
- ACRS can improve performance parameters to achieve a better refrigeration effect by changing the mass flow rate of refrigerants.
- ACRS with multi-component refrigerant mixture can greatly reduce the throttling pressure.
- The refrigerant with high boiling point is liquid after flowing through the condenser and returns to the cryogenic pipeline after throttling valve, which prevents the solidification phenomenon in the cryogenic environment and avoids the blockage of throttling valve.
2.4.2. The Working Fluid in ACRS
- When the azeotropic refrigerants evaporate under a certain evaporation pressure, they have an almost constant evaporation temperature, and the evaporation temperature is generally lower than that of the single component.
- Under a certain evaporation temperature, the cooling capacity per unit volume of azeotropic refrigerants is larger than that of a single refrigerant.
- Azeotropic refrigerants have a better chemical stability.
2.4.3. The Various Designs Based on ACRS and Optimization
2.4.4. The Experimental Research of ACRS
2.4.5. Thermoeconomic Analysis of ACRS
3. Application
3.1. Freezing and Cold Storage Application
3.1.1. The Storage and Distribution of Food
3.1.2. Supermarkets
3.1.3. Small Refrigeration Devices
3.2. Chemical Pharmaceuticals Application
3.3. Air Conditioning and Refrigeration Application
3.4. Natural Gas Liquefaction
4. Conclusions
- Many types of CRSs have been developed; however, the system complexities are increased over a conventional STRS. At this time, CACRS is a high-performance system compared with the two-stage vapor CCRS. Moreover, an ejector–expansion CRS is another good option because of its less system complexities. The results show that the maximum COP of this system is improved by 7% compared with the conventional system [12].
- The influence of the parameters on the performance is discussed. COP increases with the increasing evaporation temperature and decreasing condensation temperature. When the temperature difference in cascade heat exchanger increases, the cooling capacity almost linearly decreases and the system COP decreases more rapidly. When subcooling occurs in the both subsystems, the increase of COP in the cascade system is higher than that in the subsystems. COP of cascade slightly rises with superheating in both the HT and LT circuits [79].
- The multi-objective optimization is an effective way to optimize the performance of CRS, which can achieve an optimal balance between thermodynamic efficiency and economic cost.
Author Contributions
Funding
Conflicts of Interest
Nomenclature
| CRS | Cascade refrigeration system |
| STRS | Single-stage refrigeration system |
| STCRS | Single-stage compression refrigeration system |
| STARS | Single-stage absorption refrigeration system |
| CARS | Two-stage cascade absorption refrigeration system |
| CCRS | Two-stage compression cascade refrigeration system |
| CACRS | Compression–absorption cascade refrigeration system |
| ACRS | Auto-cascade refrigeration system |
| IARC | Internal auto-cascade refrigeration cycle |
| ACARS | Auto-cascade absorption refrigeration system |
| ACERC | Auto-cascade ejector refrigeration cycle |
| UNEP | United Nations Environment Programme |
| ΔT | The temperature difference in cascade heat exchanger |
| ORC-VCC | Organic Rankine cycle and vapor-compression cycles |
| ORC-CRS | Organic Rankine cycle and cascade compression system |
| TCRS | Three-stage cascade refrigeration system |
| MOS | Multi-objective optimization strategy |
| SOS | Single-objective optimization strategies |
| NCAR | Novel cascade absorption refrigeration |
| CADS | Compression–absorption double-stage |
| CASS | Compression–absorption single-stage |
| HCFCs | Hydrochlorofluorocarbons |
| LACRS | Low-temperature absorption–compression cascade refrigeration system |
| COP | Coefficient of performance |
| HTC | High-temperature cycle |
| LTC | Low-temperature cycle |
| MTC | Medium-temperature cycle |
| ODP | Ozone Depletion Potential |
| GWP | Global Warming Potential |
| LNG | Liquefied natural gas |
| ORC | Organic Rankine cycle |
| Cond | Condenser, condensation |
| Opt | Optimum |
| Evap | Evaporator, evaporation |
| TE | The evaporation temperature |
| Tc | The condensation temperature |
| AS | Absorption subsystem |
| CS | Compression auto-cascade subsystem |
| QLC | Quadrilateral cycle |
| TRCC | Transcritical CO2 |
| crit | Critical |
| b | Normal boiling point |
| CFCs | Chlorofluorocarbons |
| HFOs | Hydrofluoroolefins |
| CHX | Cascade heat exchanger |
References
- Zhao, L.; Cai, W.; Ding, X.; Chang, W. Model-based optimization for vapor compression refrigeration cycle. Energy 2013, 55, 392–402. [Google Scholar] [CrossRef]
- Messineo, A. R744-R717 cascade refrigeration system: Performance evaluation compared with a HFC two-stage system. Energy Procedia 2012, 14, 56–65. [Google Scholar] [CrossRef]
- Rezayan, O.; Behbahaninia, A. Thermoeconomic optimization and exergy analysis of CO2/NH3 cascade refrigeration systems. Energy 2011, 36, 888–895. [Google Scholar] [CrossRef]
- Yang, S.; Deng, C.; Liu, Z. Optimal design and analysis of a cascade LiBr/H2O absorption refrigeration/transcritical CO2 process for low-grade waste heat recovery. Energy Convers. Manag. 2019, 192, 232–242. [Google Scholar] [CrossRef]
- Shi, Y.; Nie, X.; Zhang, B.; Zhou, D.; Wang, J.; Wang, Z. Design and experimental investigation on a 150K auto-cascade refrigeration system. In Proceedings of the 2011 International Conference on Materials for Renewable Energy & Environment, IEEE, Shanghai, China, 20–22 May 2011; Volume 2, pp. 1240–1244. [Google Scholar]
- Dopazo, J.A.; Fernández-Seara, J.; Sieres, J.; Uhía, F. Theoretical analysis of a CO2–NH3 cascade refrigeration system for cooling applications at low temperatures. Appl. Therm. Eng. 2009, 29, 1577–1583. [Google Scholar] [CrossRef]
- Fernandez-Seara, J.; Sieres, J.; Vazquez, M. Compression–absorption cascade refrigeration system. Appl. Therm. Eng. 2006, 26, 502–512. [Google Scholar] [CrossRef]
- Sánchez, D.; Cabello, R.; Llopis, R.; Catalán-Gil, J.; Nebot-Andrés, L. Energy assessment and environmental impact analysis of an R134a/R744 cascade refrigeration plant upgraded with the low-GWP refrigerants R152a, R1234ze (E), propane (R290) and propylene (R1270). Int. J. Refrig. 2019, 104, 321–334. [Google Scholar] [CrossRef]
- Chen, Y.; Han, W.; Jin, H. An absorption–compression refrigeration system driven by a mid-temperature heat source for low-temperature applications. Energy 2015, 91, 215–225. [Google Scholar] [CrossRef]
- Xu, Y.; Chen, F.S.; Wang, Q.; Han, X.; Li, D.; Chen, G. A novel low-temperature absorption–compression cascade refrigeration system. Appl. Therm. Eng. 2015, 75, 504–512. [Google Scholar] [CrossRef]
- Garimella, S.; Brown, A.M.; Nagavarapu, A.K. Waste heat driven absorption/vapor-compression cascade refrigeration system for megawatt scale, high-flux, low-temperature cooling. Int. J. Refrig. 2011, 34, 1776–1785. [Google Scholar] [CrossRef]
- Dokandari, D.A.; Hagh, A.S.; Mahmoudi, S.M.S. Thermodynamic investigation and optimization of novel ejector-expansion CO2/NH3 cascade refrigeration cycles (novel CO2/NH3 cycle). Int. J. Refrig. 2014, 46, 26–36. [Google Scholar] [CrossRef]
- Tan, Y.; Wang, L.; Liang, K. Thermodynamic performance of an auto-cascade ejector refrigeration cycle with mixed refrigerant R32+ R236fa. Appl. Therm. Eng. 2015, 84, 268–275. [Google Scholar] [CrossRef]
- Boyaghchi, F.A.; Mahmoodnezhad, M.; Sabeti, V. Exergoeconomic analysis and optimization of a solar driven dual-evaporator vapor compression-absorption cascade refrigeration system using water/CuO nanofluid. J. Clean. Prod. 2016, 139, 970–985. [Google Scholar] [CrossRef]
- Lizarte, R.; Palacios-Lorenzo, M.E.; Marcos, J.D. Parametric study of a novel organic Rankine cycle combined with a cascade refrigeration cycle (ORC-CRS) using natural refrigerants. Appl. Therm. Eng. 2017, 127, 378–389. [Google Scholar] [CrossRef]
- Patel, B.; Desai, N.B.; Kachhwaha, S.S. Optimization of waste heat based organic Rankine cycle powered cascaded vapor compression-absorption refrigeration system. Energy Convers. Manag. 2017, 154, 576–590. [Google Scholar] [CrossRef]
- Giannetti, N.; Milazzo, A.; Rocchetti, A.; Saito, K. Cascade refrigeration system with inverse Brayton cycle on the cold side. Appl. Therm. Eng. 2017, 127, 986–995. [Google Scholar] [CrossRef]
- Yari, M.; Mahmoudi, S.M.S. Thermodynamic analysis and optimization of novel ejector-expansion TRCC (transcritical CO2) cascade refrigeration cycles (Novel transcritical CO2 cycle). Energy 2011, 36, 6839–6850. [Google Scholar] [CrossRef]
- Hermes, C.J.L.; Barbosa, J.R., Jr. Thermodynamic comparison of Peltier, Stirling, and vapor compression portable coolers. Appl. Eng. 2012, 91, 51–58. [Google Scholar] [CrossRef]
- di Nicola, G.; Giuliani, G.; Polonara, F.; Stryjek, R. Blends of carbon dioxide and HFCs as working fluids for the low-temperature circuit in cascade refrigerating systems. Int. J. Refrig. 2005, 28, 130–140. [Google Scholar] [CrossRef]
- Yılmaz, F.; Selbaş, R.; Özgür, A.E.; Balta, M.T. Performance Analyses of CO2-N2O Cascade System for Cooling, Energy, Transportation and Global Warming; Springer: Cham, Switzerland, 2016. [Google Scholar]
- Aminyavari, M.; Najafi, B.; Shirazi, A.; Rinaldi, F. Exergetic, economic and environmental (3E) analyses, and multi-objective optimization of a CO2/NH3 cascade refrigeration system. Appl. Therm. Eng. 2014, 65, 42–50. [Google Scholar] [CrossRef]
- Lee, T.S.; Liu, C.H.; Chen, T.W. Thermodynamic analysis of optimal condensing temperature of cascade-condenser in CO2/NH3 cascade refrigeration systems. Int. J. Refrig. 2006, 29, 1100–1108. [Google Scholar] [CrossRef]
- Bolaji, B.O.; Huan, Z. Ozone depletion and global warming: Case for the use of natural refrigerant—A review. Renew. Sustain. Energy Rev. 2013, 18, 49–54. [Google Scholar] [CrossRef]
- Banks, J.H. Montreal Protocol on Substances that Deplete the Ozone Layer, United Nations Environment Programme (UNEP). 2002 Report of the Methyl Bromide Technical Options Committee; UNEP: Nairobi, Kenya, 2002. [Google Scholar]
- Kilicarslan, A.; Hosoz, M. Energy and irreversibility analysis of a cascade refrigeration system for various refrigerant couples. Energy Convers. Manag. 2010, 51, 2947–2954. [Google Scholar] [CrossRef]
- Sachdeva, G.; Jain, V.; Kachhwaha, S.S. Performance study of cascade refrigeration system using alternative refrigerants. Int. Sch. Sci. Res. Innov. 2014, 8, 522–528. [Google Scholar]
- Getu, H.M.; Bansal, P.K. Thermodynamic analysis of an R744–R717 cascade refrigeration system. Int. J. Refrig. 2008, 31, 45–54. [Google Scholar] [CrossRef]
- Yamaguchi, H.; Niu, X.D.; Sekimoto, K.; Nekså, P. Investigation of dry ice blockage in an ultra-low temperature cascade refrigeration system using CO2 as a working fluid. Int. J. Refrig. 2011, 3, 466–475. [Google Scholar] [CrossRef]
- Eini, S.; Shahhosseini, H.; Delgarm, N.; Lee, M.; Bahadori, A. Multi-objective optimization of a cascade refrigeration system: Exergetic, economic, environmental, and inherent safety analysis. Appl. Therm. Eng. 2016, 107, 804–817. [Google Scholar] [CrossRef]
- Cabello, R.; Sánchez, D.; Llopis, R.; Catalán, J.; Nebot-Andrés, L.; Torrella, E. Energy evaluation of R152a as drop in replacement for R134a in cascade refrigeration plants. Appl. Therm. Eng. 2017, 110, 972–984. [Google Scholar] [CrossRef]
- Sholahudin, S.; Giannetti, N. Optimization of a cascade refrigeration system using refrigerant C3H8 in high temperature circuits (HTC) and a mixture of C2H6/CO2 in low temperature circuits (LTC). Appl. Therm. Eng. 2016, 104, 96–103. [Google Scholar]
- Bhattacharyya, S.; Garai, A.; Sarkar, J. Thermodynamic analysis and optimization of a novel N2O–CO2 cascade system for refrigeration and heating. Int. J. Refrig. 2009, 32, 1077–1084. [Google Scholar] [CrossRef]
- Pearson, A. Carbon dioxide-new uses for an old refrigerant. Int. J. Refrig. 2005, 28, 1140–1148. [Google Scholar] [CrossRef]
- Person, A. New developments in industrial refrigeration. ASHRAE J. 2001, 43, 54–58. [Google Scholar]
- Muthu, V.; Saravanan, R.; Renganarayanan, S. Experimental studies on R134a-DMAC hot water based vapour absorption refrigeration systems. Int. J. Therm. Sci. 2008, 47, 175–181. [Google Scholar] [CrossRef]
- Niu, B.; Zhang, Y. Experimental study of the refrigeration cycle performance for the R744/R290 mixtures. Int. J. Refrig. 2007, 30, 37–42. [Google Scholar] [CrossRef]
- Parekh, A.D.; Tailor, P.R. Thermodynamic analysis of R507A-R23 cascade refrigeration system. Int. J. Aerosp. Mech. Eng. 2011, 5, 1919–1923. [Google Scholar]
- Sun, Z.; Wang, Q.; Dai, B.; Wang, M.; Xie, Z. Options of low global warming potential refrigerant group for a three-stage cascade refrigeration system. Int. J. Refrig. 2019, 100, 471–483. [Google Scholar] [CrossRef]
- Navarro, E.; Martínez-Galvan, I.O.; Nohales, J.; Gonzálvez-Maciá, J. Comparative experimental study of an open piston compressor working with R-1234yf, R-134a and R-290. Int. J. Refrig. 2013, 36, 768–775. [Google Scholar] [CrossRef]
- Abas, N.; Kalair, A.R.; Khan, N.; Haider, A.; Saleem, Z.; Saleem, M.S. Natural and synthetic refrigerants, global warming: A review. Renew. Sustain. Energy Rev. 2018, 90, 557–569. [Google Scholar] [CrossRef]
- Kasaeian, A.; Hosseini, S.M.; Sheikhpour, M.; Mahian, O.; Yan, W.M.; Wongwises, S. Applications of eco-friendly refrigerants and nanorefrigerants: A review. Renew. Sustain. Energy Rev. 2018, 96, 91–99. [Google Scholar] [CrossRef]
- Mota-Babiloni, A.; Navarro-Esbrí, J.; Barragán-Cervera, Á.; Molés, F.; Peris, B. Analysis based on EU Regulation No 517/2014 of new HFC/HFO mixtures as alternatives of high GWP refrigerants in refrigeration and HVAC systems. Int. J. Refrig. 2018, 52, 21–31. [Google Scholar] [CrossRef]
- Megdouli, K.; Ejemni, N.; Nahdi, E.; Mhimid, A.; Kairouani, L. Thermodynamic analysis of a novel ejector expansion transcritical CO2/N2O cascade refrigeration (NEETCR) system for cooling applications at low temperatures. Energy 2017, 128, 586–600. [Google Scholar] [CrossRef]
- Lee, J.S.; Kim, M.S.; Kim, M.S. Studies on the performance of a CO2 air conditioning system using an ejector as an expansion device. Int. J. Refrig. 2014, 38, 140–152. [Google Scholar] [CrossRef]
- Li, Y.; Yu, J.; Qin, H.; Sheng, Z.; Wang, Q. An experimental investigation on a modified cascade refrigeration system with an ejector. Int. J. Refrig. 2018, 96, 63–69. [Google Scholar] [CrossRef]
- Howard, H.E. Method for Operating a Cascade Refrigeration System. U.S. Patent 6,557,361, 6 May 2003. [Google Scholar]
- Weng, C. Multiple Stage Cascade Refrigeration System Having Temperature Responsive Flow Control and Method. U.S. Patent 6,324,856, 4 December 2001. [Google Scholar]
- Yoon, J.I.; Choi, W.J.; Lee, S.; Choe, K.; Shim, G.J. Efficiency of cascade refrigeration cycle using C3H8, N2O, and N2. Heat Transf. Eng. 2013, 34, 959–965. [Google Scholar] [CrossRef]
- Hoşöz, M. Performance comparison of single-stage and cascade refrigeration systems using R134a as the working fluid. Turk. J. Eng. Environ. Sci. 2005, 2, 285–296. [Google Scholar]
- Wang, B.M.; Wu, H.G.; Li, J.F.; Xing, Z.W. Experimental investigation on the performance of NH3/CO2 cascade refrigeration system with twin-screw compressor. Int. J. Refrig. 2009, 32, 1358–1365. [Google Scholar]
- Park, H.; Kim, D.H.; Kim, M.S. Thermodynamic analysis of optimal intermediate temperatures in R134a–R410A cascade refrigeration systems and its experimental verification. Appl. Therm. Eng. 2013, 54, 319–327. [Google Scholar] [CrossRef]
- Nasruddin, N.; Arnas, A.; Faqih, A.; Giannetti, N. Thermoeconomic optimization of cascade refrigeration system using mixed carbon dioxide and hydrocarbons at low temperature circuit. Makara J. Technol. 2016, 20, 132–138. [Google Scholar] [CrossRef]
- Keshtkar, M.M. Effect of subcooling and superheating on performance of a cascade refrigeration system with considering thermo-economic analysis and multi-objective optimization. J. Adv. Comuput. Sci. Technol. 2016, 5, 42–47. [Google Scholar] [CrossRef]
- Cui, P.; Yu, M.; Liu, Z.; Zhu, Y.; Yang, S. Energy, exergy, and economic (3E) analyses and multi-objective optimization of a cascade absorption refrigeration system for low-grade waste heat recovery. Energy Convers. Manag. 2019, 184, 249–261. [Google Scholar] [CrossRef]
- Yang, S.; Wang, Y.; Gao, J.; Zhang, Z.; Liu, Z.; Olabi, A.G. Performance analysis of a novel cascade absorption refrigeration for low-grade waste heat recovery. ACS Sustain. Chem. Eng. 2018, 6, 8350–8363. [Google Scholar] [CrossRef]
- Izquierdo, M.; Venegas, M.; Rodríguez, P.; Lecuona, A. Crystallization as a limit todevelop solar air-cooled LiBr–H2O absorption systems using low-grade heat. Sol. Energy Mater. Sol. Cells 2004, 81, 205–216. [Google Scholar] [CrossRef]
- Macriss, R.A.; Gutraj, J.M.; Zawacki, T.S. Absorption Fluids Data Survey: Final Report on Worldwide Data; Oak Ridge National Lab.: Oak Ridge, TN, USA; Institute of Gas Technology: Chicago, IL, USA, 1988. [Google Scholar]
- Yang, S.; Liang, J.; Yang, S.; Qian, Y. A novel cascade refrigeration process using waste heat and its application to coal-to-SNG. Energy 2016, 115, 486–497. [Google Scholar] [CrossRef]
- Sun, L.; Han, W.; Jing, X.; Zheng, D.; Jin, H. A power and cooling cogeneration system using mid/low-temperature heat source. Appl. Eng. 2013, 112, 886–897. [Google Scholar] [CrossRef]
- Songara, A.K.; Fatouh, M.; Murthy, S.S. Thermodynamic studies on HFC134a–DMA double effect and cascaded absorption refrigeration systems. Int. J. Energy Res. 1998, 22, 603–614. [Google Scholar] [CrossRef]
- He, L.; Wang, S.; Liu, S.L.; Wu, X. Numerical and experimental evaluation of the performance of a coupled vapour absorption-compression–absorption cascade system for refrigeration, configuration. Int. J. Refrig. 2019, 99, 429–439. [Google Scholar]
- Cimsit, C.; Ozturk, I.T. Analysis of compression–absorption cascade refrigeration cycles. Appl. Therm. Eng. 2012, 40, 311–317. [Google Scholar] [CrossRef]
- Salhi, K.; Korichi, M.; Ramadan, K.M. Thermodynamic and thermo-economic analysis of compression–absorption cascade refrigeration system using low-GWP HFO refrigerant powered by geothermal energy. Int. J. Refrig. 2018, 94, 214–229. [Google Scholar] [CrossRef]
- Jain, V.; Sachdeva, G.; Kachhwaha, S.S. NLP model based thermoeconomic optimization of vapor compression–absorption cascaded refrigeration system. Energy Convers. Manag. 2015, 93, 49–62. [Google Scholar] [CrossRef]
- Colorado, D.; Rivera, W. Performance comparison between a conventional vapor compression and compression-absorption single-stage and double-stage systems used for refrigeration. Appl. Therm. Eng. 2015, 87, 273–285. [Google Scholar] [CrossRef]
- Islam, S.; Dincer, I.; Yilbas, B.S. System development for solar energy-based hydrogen production and on-site combustion in HCCI engine for power generation. Sol. Energy 2016, 136, 65–77. [Google Scholar] [CrossRef]
- Al-Sulaiman, F.A.; Dincer, I.; Hamdullahpur, F. Energy and exergy analyses of a biomass trigeneration system using an organic Rankine cycle. Energy 2012, 45, 975–985. [Google Scholar] [CrossRef]
- Coskun, C.; Oktay, Z.; Dincer, I. Thermodynamic analyses and case studies of geothermal based multi-generation systems. J. Clean. Prod. 2012, 32, 71–80. [Google Scholar] [CrossRef]
- Rodríguez, J.M.; Sánchez, D.; Martínez, G.S.; Ikken, B. Techno-economic assessment of thermal energy storage solutions for a 1 MWe CSP-ORC power plant. Sol. Energy 2016, 140, 206–218. [Google Scholar] [CrossRef]
- Yang, M.H.; Yeh, R.H. Analysis of optimization in an OTEC plant using organic Rankine cycle. Renew. Energy 2014, 68, 25–34. [Google Scholar] [CrossRef]
- Patel, B.; Desai, N.B.; Kachhwaha, S.S. Thermo-economic analysis of solar-biomass organic Rankine cycle powered cascaded vapor compression-absorption system. Sol. Energy 2017, 157, 920–933. [Google Scholar] [CrossRef]
- Zoghi, M.; Habibi, H.; Chitsaz, A.; Javaherdeh, K.; Ayazpour, M. Exergoeconomic analysis of a novel trigeneration system based on organic quadrilateral cycle integrated with cascade absorption-compression system for waste heat recovery. Energy Convers. Manag. 2019, 198, 111818. [Google Scholar] [CrossRef]
- Mekhilef, S.; Saidur, R.; Safari, A. A review on solar energy use in industries. Renew. Sustain. Energy Rev. 2011, 15, 1777–1790. [Google Scholar] [CrossRef]
- Qiu, Y.; He, Y.L.; Li, P.; Du, B.C. A comprehensive model for analysis of real-time optical performance of a solar power tower with a multi-tube cavity receiver. Appl. Energy 2017, 185, 589–603. [Google Scholar] [CrossRef]
- Bellos, E.; Tzivanidis, C.; Moschos, K.; Antonopoulos, K.A. Energetic and financial evaluation of solar assisted heat pump space heating systems. Energy Convers. Manag. 2016, 120, 306–319. [Google Scholar] [CrossRef]
- Mohan, G.; Kumar, U.; Pokhrel, M.K.; Martin, A. A novel solar thermal polygeneration system for sustainable production of cooling, clean water and domestic hot water in United Arab Emirates: Dynamic simulation and economic evaluation. Appl. Energy 2016, 167, 173–188. [Google Scholar] [CrossRef]
- Bellos, E.; Tzivanidis, C.; Tsifis, G. Energetic, Exergetic, Economic and Environmental (4E) analysis of a solar assisted refrigeration system for various operating scenarios. Energy Convers. Manag. 2017, 148, 1055–1069. [Google Scholar] [CrossRef]
- Jain, V.; Kachhwaha, S.S.; Sachdeva, G. Thermodynamic performance analysis of a vapor compression–absorption cascaded refrigeration system. Energy Convers. Manag. 2013, 75, 685–700. [Google Scholar] [CrossRef]
- Ansari, N.A.; Arora, A.; Manjunath, K. Optimum Performance Analysis of a Hybrid Cascade Refrigeration System Using Alternative Refrigerants. Mater. Today Proc. 2018, 5, 28374–28383. [Google Scholar] [CrossRef]
- Cimsit, C.; Ozturk, I.T.; Kincay, O. Thermoeconomic optimization of LiBr/H2O-R134a compression-absorption cascade refrigeration cycle. Appl. Therm. Eng. 2015, 76, 105–115. [Google Scholar] [CrossRef]
- Jain, V.; Sachdeva, G.; Kachhwaha, S.S.; Patel, B. Thermo-economic and environmental analyses based multi-objective optimization of vapor compression–absorption cascaded refrigeration system using NSGA-II technique. Energy Convers. Manag. 2016, 113, 230–242. [Google Scholar] [CrossRef]
- Du, K.; Liao, K. A research on auto-cascade refrigeration system. Cryogenics 2002, 3, 29–33. [Google Scholar]
- Yan, G.; Hu, H.; Yu, J. Performance evaluation on an internal auto-cascade refrigeration cycle with mixture refrigerant R290/R600a. Appl. Therm. Eng. 2015, 75, 994–1000. [Google Scholar] [CrossRef]
- Aprea, C.; Maiorino, A. Auto cascade refrigeration system—experimental results in achieving ultra low temperature. Int. J. Energy Res. 2009, 33, 565–575. [Google Scholar] [CrossRef]
- Xu, X.; Liu, J.; Cao, L. Mixed refrigerant composition shift due to throttle valves opening in auto cascade refrigeration system. Chin. J. Chem. Eng. 2015, 23, 199–204. [Google Scholar] [CrossRef]
- He, Y.; Li, R.; Chen, G.; Wang, Y. A potential auto-cascade absorption refrigeration system for pre-cooling of LNG liquefaction. J. Nat. Gas Sci. Eng. 2015, 24, 425–430. [Google Scholar] [CrossRef]
- Missimer, D.J. Refrigerant conversion of auto-refrigerating cascade (ARC) systems. Int. J. Refrig. 1997, 20, 201–207. [Google Scholar] [CrossRef]
- Zhang, L.; Xu, S.; Du, P.; Liu, H. Experimental and theoretical investigation on the performance of CO2/propane auto-cascade refrigerator with a fractionation heat exchanger. Appl. Therm. Eng. 2015, 87, 669–677. [Google Scholar] [CrossRef]
- Sivakumar, M.; Somasundaram, P. Exergy and energy analysis of three stage auto refrigerating cascade system using Zeotropic mixture for sustainable development. Energy Convers. Manag. 2014, 84, 589–596. [Google Scholar] [CrossRef]
- Hao, X.; Wang, L.; Wang, Z.; Tan, Y.; Yan, X. Hybrid auto-cascade refrigeration system coupled with a heat-driven ejector cooling cycle. Energy 2018, 161, 988–998. [Google Scholar] [CrossRef]
- Bai, T.; Yan, G.; Yu, J. Experimental investigation of an ejector-enhanced auto-cascade refrigeration system. Appl. Therm. Eng. 2018, 129, 792–801. [Google Scholar] [CrossRef]
- Boyaghchi, F.A.; Asgari, S. A comparative study on exergetic, exergoeconomic and exergoenvironmental assessments of two internal auto-cascade refrigeration cycles. Appl. Therm. Eng. 2017, 122, 723–737. [Google Scholar] [CrossRef]
- Xu, Y.; Chen, G.; Wang, Q.; Han, X.; Jiang, N.; Deng, S. Performance study on a low-temperature absorption–compression cascade refrigeration system driven by low-grade heat. Energy Convers. Manag. 2016, 119, 379–388. [Google Scholar] [CrossRef]
- Kim, S.G.; Kim, M.S. Experiment and simulation on the performance of an autocascade refrigeration system using carbon dioxide as a refrigerant. Int. J. Refrig. 2002, 25, 1093–1101. [Google Scholar] [CrossRef]
- Yu, J.; Zhao, H.; Li, Y. Application of an ejector in autocascade refrigeration cycle for the performance improvement. Int. J. Refrig. 2008, 31, 279–286. [Google Scholar] [CrossRef]
- Du, K.; Zhang, S.; Xu, W.; Niu, X. A study on the cycle characteristics of an auto-cascade refrigeration system. Exp. Therm. Fluid Sci. 2009, 33, 240–245. [Google Scholar] [CrossRef]
- Shirazi, A.; Aminyavari, M.; Najafi, B.; Rinaldi, F.; Razaghi, M. Thermal–economic–environmental analysis and multi-objective optimization of an internalreforming solid oxide fuel cell–gas turbine hybrid system. Int. J. Hydrogen Energy 2012, 37, 19111–19124. [Google Scholar] [CrossRef]
- Asgari, S.; Noorpoor, A.R.; Boyaghchi, F.A. Parametric assessment and multi-objective optimization of an internal auto-cascade refrigeration cycle based on advanced exergy and exergoeconomic concepts. Energy 2017, 125, 576–590. [Google Scholar] [CrossRef]
- Kamalinejad, M.; Amidpour, M.; Naeynian, S.M. Thermodynamic design of a cascade refrigeration system of liquefiednatural gas by applying mixed integer non-linear programming. Chin. J. Chem. Eng. 2015, 23, 998–1008. [Google Scholar] [CrossRef]










| Cycle Type | Main Working Fluids | Temperature Range |
|---|---|---|
| CCRS | R744, R717 | −60 °C to −80 °C |
| TCRS | C3H8, N2O, N2 | −80 °C to −100 °C |
| CARS | R717, LiBr-H2O | <−40 °C |
| CACRS | R717, LiBr-H2O, R744 | −40 °C to −50 °C |
| ACRS | R23, R50 N2, R170, R290 | <−60 °C |
| Refrigerant | ODP | GWP | Tb (°C) | Tcrit (°C) | Pcrit (bar) | Flammability |
|---|---|---|---|---|---|---|
| R744 | 0 | 1 | −78.46 | 31.5 | 73.77 | non-flammability |
| R717 | 0 | 0 | −33.33 | 132.4 | 113.33 | flammability |
| R600 | 0 | 20 | −0.49 | 151.9 | 37.96 | flammability |
| R1270 | 0 | 20 | −47.62 | 92.4 | 45.55 | flammability |
| R161 | 0 | 12 | −37.5 | 102 | 51 | flammability |
| R170 | 0 | 20 | −88.58 | 32.3 | 48.72 | flammability |
| R290 | 0 | 20 | −42.11 | 96.9 | 42.512 | flammability |
| R404a | 0 | 3850 | −46.1 | 72.4 | 36.9 | non-flammability |
| R152a | 0 | 124 | −25 | 113.26 | 45.2 | flammability |
| R23 | 0 | 5.7 | −84 | 25.7 | 48.4 | non-flammability |
| R41 | 0 | 107 | −78.31 | 44.13 | 58.97 | flammability |
| R1234yf | 0 | 4 | −29.45 | 94.7 | 33.82 | flammability |
| R1234ze (E) | 0 | 6 | −18.95 | 109 | 36.32 | non-flammability |
| R1233zd (E) | 0 | 7 | 18.26 | 166.5 | 36.24 | non-flammability |
| Baseline | Mixture | R125 | R134a | R152a | R32 | R744 | R1234yf | R1234ze (E) |
|---|---|---|---|---|---|---|---|---|
| R134a | AC5X | 40% | 7% | 53% | ||||
| ARM-41a | 63% | 6% | 30% | |||||
| D-4Y | 40% | 60% | ||||||
| N13 (R450A) | 42% | 58% | ||||||
| XP-10 | 44% | 56% | ||||||
| AC5 (R444A) | 5% | 12% | 83% | |||||
| ARM-42a | 11% | 7% | 82% | |||||
| R404A | ARM-32a | 30% | 25% | 25% | 20% | |||
| DR-33 | 25% | 24% | 26% | 25% | ||||
| N40 (R448A) | 26% | 26% | 7% | 21% | 20% | |||
| ARM-30a | 29% | 71% | ||||||
| ARM-31a | 28% | 21% | 51% | |||||
| D2Y65 | 35% | 65% | ||||||
| DR-7 | 36% | 64% | ||||||
| L-40 | 10% | 40% | 30% | 20% | ||||
| R410A | ARM-70a | 10% | 50% | 40% | ||||
| D2Y60 | 40% | 60% | ||||||
| DR-5 | 72.5% | 27.5% | ||||||
| HPR1D | 60% | 6% | 34% | |||||
| L41 (R447A) | 3.5% | 68.0% | 28.5% |
© 2020 by the authors. Licensee MDPI, Basel, Switzerland. This article is an open access article distributed under the terms and conditions of the Creative Commons Attribution (CC BY) license (http://creativecommons.org/licenses/by/4.0/).
Share and Cite
Pan, M.; Zhao, H.; Liang, D.; Zhu, Y.; Liang, Y.; Bao, G. A Review of the Cascade Refrigeration System. Energies 2020, 13, 2254. https://doi.org/10.3390/en13092254
Pan M, Zhao H, Liang D, Zhu Y, Liang Y, Bao G. A Review of the Cascade Refrigeration System. Energies. 2020; 13(9):2254. https://doi.org/10.3390/en13092254
Chicago/Turabian StylePan, Mingzhang, Huan Zhao, Dongwu Liang, Yan Zhu, Youcai Liang, and Guangrui Bao. 2020. "A Review of the Cascade Refrigeration System" Energies 13, no. 9: 2254. https://doi.org/10.3390/en13092254
APA StylePan, M., Zhao, H., Liang, D., Zhu, Y., Liang, Y., & Bao, G. (2020). A Review of the Cascade Refrigeration System. Energies, 13(9), 2254. https://doi.org/10.3390/en13092254

