Energy Monitoring in a Heating and Cooling System in a Building Based on the Example of the Turówka Hotel
Abstract
1. Introduction
1.1. Thermal-Energy Performance of Buildings in Poland
1.2. Methods to Improve Energy Efficiency and Reduce Demand in Buildings
1.3. Energy Supply Systems for Sustainable Buildings
1.4. HVAC Systems for Sustainable Buildings
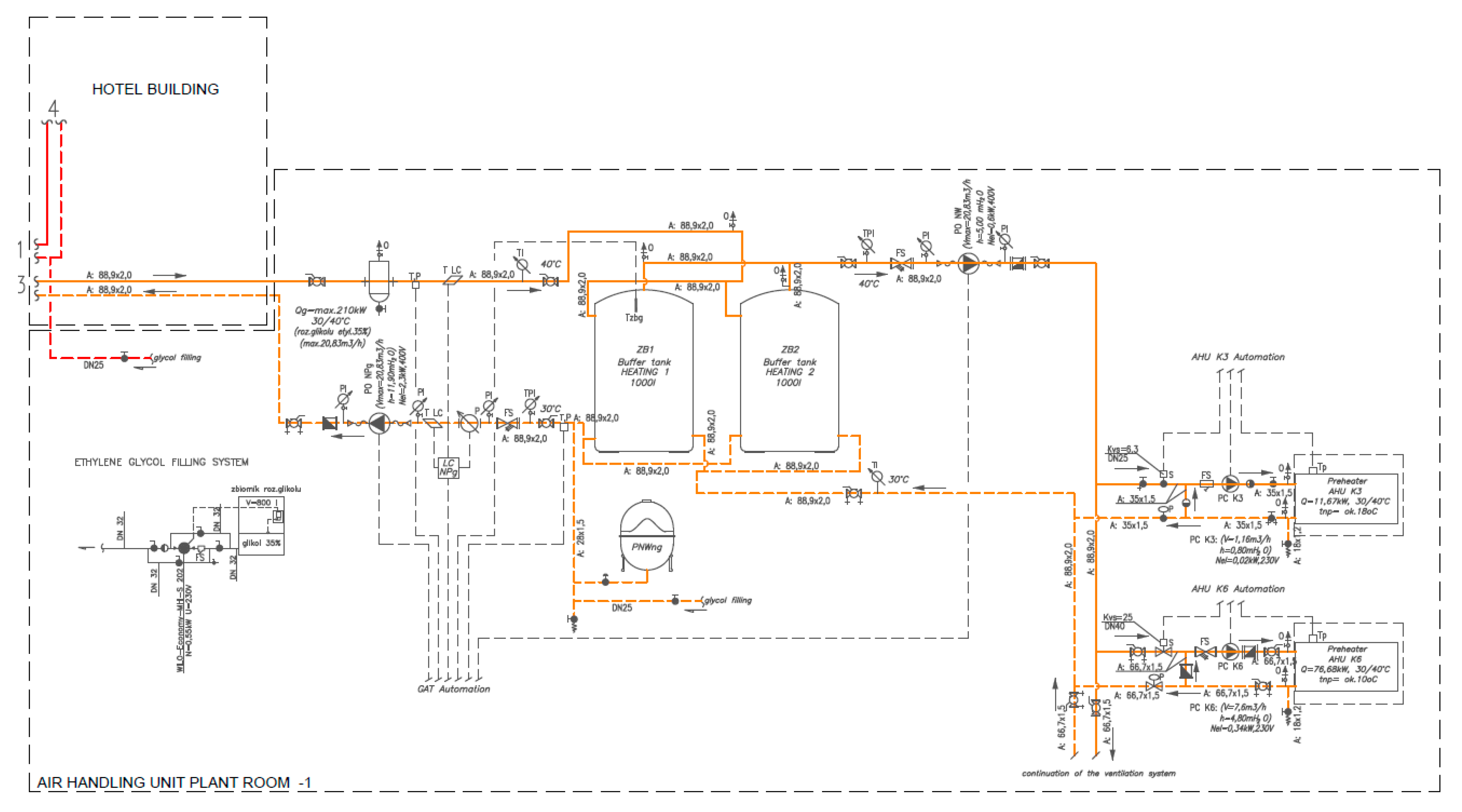
2. Methods and System Description
3. Results
3.1. Heating Season
3.2. Cooling Season
4. Discussion
5. Conclusions
Author Contributions
Funding
Conflicts of Interest
Nomenclature
| PE | Primary energy factor, kWh/(m2∙yr) |
| ∆PEH+W | Partial volume of the PE factor for the purposes of heating, ventilation, and district hot water preparation, kWh/(m2∙yr) |
| ∆PEC | Partial volume of the PE factor for the purposes of cooling, kWh/(m2∙yr) |
| ∆PEL | Partial volume of the PE factor for the purposes of lighting, kWh/(m2∙yr) |
Abbreviations
| BEMS | Building Energy Management System |
| BEM | Building Energy Model |
| CH | Central Heating |
| DHW | Domestic Hot Water |
| GAT | Trigeneration Gas Power Generator |
| HVAC | Heating, Ventilation, Air Conditioning |
| MRR | Multifunctional Reverse Regenerator |
References
- Commission Recommendation (EU). 2019/1019 of 7 June 2019 on Building Modernization; OECD Publishing: Paris, France, 2019. [Google Scholar]
- Rashid, K.; Mohammadi, K.; Powell, K. Dynamic simulation and techno-economic analysis of a concentrated solar power (CSP) plant hybridized with both thermal energy storage and natural gas. J. Clean. Prod. 2020, 248, 119193. [Google Scholar] [CrossRef]
- Stoll-Kleemann, S.; Johanna Schmidt, U.J. Reducing meat consumption in developed and transition countries to counter climate change and biodiversity loss: A review of influence factors. Reg. Environ. Chang. 2017, 17, 1261–1277. [Google Scholar] [CrossRef]
- Directive 2010/31/EU of the European. Parliament and of the Council of 19 May 2010 on the Energy Performance of Buildings; IWA Publishing: London, UK, 2010. [Google Scholar]
- Ministry of Infrastructure and Development. Krajowy Plan Mający na Celu Zwiększenie Liczby Budynków o Niskim Zużyciu Energii (Projekt z dnia 29-04-2015 r.); Ministry of Infrastructure and Development: Warsaw, Poland, 2015. (In Polish) [Google Scholar]
- Ministry of Infrastructure and Construction. Rozporządzenie Ministra Infrastruktury i Budownictwa z dnia 14 listopada 2017 r. zmieniające rozporządzenie w sprawie warunków technicznych, jakim powinny odpowiadać budynki i ich usytuowanie (Dz.U. 2017 poz. 2285); Ministry of Infrastructure and Construction: Warsaw, Poland, 2017. (In Polish) [Google Scholar]
- Implementing Nearly Zero-Energy Buildings (nZEB) in Poland towards a Definition and Roadmap; Buildings Performance Institute Europe (BPIE): Brussels, Belgium, 2012.
- REPORT: Energy Performance of Buildings in Poland [Stan Energetyczny Budownictwa w Polsce]; BuildDesk, 2009; Available online: http://www.builddesk.pl (accessed on 10 February 2020). (In Polish)
- EU Buildings Database. Available online: https://ec.europa.eu/energy/eu-buildings-database_en (accessed on 11 March 2020).
- Li, X.; Shen, C.; Yu, C. Building energy efficiency: Passive technology or active technology? Indoor Built Environ. 2017, 26, 729–732. [Google Scholar] [CrossRef]
- Energy consumption, indoor thermal comfort and air quality in a commercial office with retrofitted heat, ventilation and air conditioning (HVAC) system. Energy Build. 2019, 201, 202–215. [CrossRef]
- Ligade, J.; Razban, A. Investigation of Energy Efficient Retrofit HVAC Systems for a University: Case Study. Sustainability 2019, 11, 5593. [Google Scholar] [CrossRef]
- Charles, A.; Maref, W.; Ouellet-Plamondon, C.M. Case study of the upgrade of an existing office building for low energy consumption and low carbon emissions. Energy Build. 2019, 183, 151–160. [Google Scholar] [CrossRef]
- Somasundaram, S.; Thangavelu, S.R.; Chong, A. Improving building efficiency using low-e coating based retrofit double glazing with solar films. Appl. Therm. Eng. 2020, 171, 115064. [Google Scholar] [CrossRef]
- Ascionea, F.; De’Rossi, F.; Vanolia, G.P. Energy retrofit of historical buildings: Theoretical and experimental investigations for the modelling of reliable performance scenarios. Energy Build. 2011, 43, 1925–1936. [Google Scholar] [CrossRef]
- D’Agostino, D.; De’Rossi, F.; Marino, C.; Minichiello, F.; Russo, F. Energy retrofit of historic buildings in the Mediterranean area: The case of the Palaeontology Museum of Naples. Energy Procedia 2017, 133, 336–348. [Google Scholar] [CrossRef]
- Muranoa, G.; Primoa, E.; Corradoa, V. The effect of glazing on nZEB performance. Energy Procedia 2018, 148, 320–327. [Google Scholar] [CrossRef]
- Poulek, V.; Dang, M.Q.; Libra, M.; Beránek, V.; Šafránková, J. PV Panel with Integrated Lithium Accumulators for BAPV Applications—One Year Thermal Evaluation. IEEE J. Photovolt. 2020, 10, 150–152. [Google Scholar] [CrossRef]
- Poulek, V.; Matuška, T.; Libra, M.; Kachalouski, E.; Sedláček, J. Influence of increased temperature on energy production of roof integrated PV panels. Energy Build. 2018, 166, 418–425. [Google Scholar] [CrossRef]
- Girard, A.; Gago, E.J.; Muneer, T.; Caceres, G. Higher ground source heat pump COP in a residential building through the use of solar thermal collectors. Renew. Energy 2015, 80, 26–39. [Google Scholar] [CrossRef]
- Rashid, K.; Sheha, M.N.; Powell, K. Real-time optimization of a solar-natural gas hybrid power plant to enhance solar power utilization. In Proceedings of the 2018 Annual American Control Conference (ACC), Milwaukee, WI, USA, 27–29 June 2018; pp. 3002–3007. [Google Scholar]
- Caresana, F.; Comodi, G.; Pelagalli, L.; Pierpaoli, P.; Vagni, S. Energy production from landfill biogas: An italian case. Biomass Bioenergy 2011, 35, 4331–4339. [Google Scholar] [CrossRef]
- Villanueva-Estrada, R.E.; Rocha-Miller, R.; Arvizu-Fernández, J.L.; González, A.C. Energy production from biogas in a closed landfill: A case study of Prados de la Montaña, Mexico City. Sustain. Energy Technol. Assess. 2019, 31, 236–244. [Google Scholar] [CrossRef]
- Borowski, M.; Życzkowski, P.; Łuczak, R.; Karch, M.; Cheng, J. Tests to Ensure the Minimum Methane Concentration for Gas Engines to Limit Atmospheric Emissions. Energies 2020, 13, 44. [Google Scholar] [CrossRef]
- Erhorn, H.; Erhorn-Kluttig, H. Selected Examples of Nearly Zero-Energy Buildings Detailed Report; Concerted Action EPBD, 2014; Available online: https://www.epbd-ca.eu (accessed on 10 February 2020).
- Rey-Hernández, J.M.; González, S.L.; San José-Alonso, J.F.; Tejero-González, A.; Velasco-Gómez, E.; Rey-Martinez, F.J. Smart energy management of combined ventilation systems in a nZEB. In E3S Web of Conferences 111; EDP Sciences: Les Ulis, France, 2019. [Google Scholar]
- Sørensen, Å.L.; Andresen, I.; Walnum, H.; Alonso, M.J.; Fufa, S.M.; Jenssen, B.; Rådstoga, O.; Hegli, T.; Fjeldheim, H. Pilot Building Powerhouse Kjørbo. In As Built Report ZEB PROJEKT Report 35/2017; SINTEF Academic Press: Oslo, Norway, 2017. [Google Scholar]
- Sowa, J. Modernizacja budynków użyteczności publicznej do standardu niemal zeroenergetycznego—Przykłady obiektów norweskich. Rynek Instal. 2017, 7–8, 22–27. [Google Scholar]
- Baglivo, C.; Congedo, P.M.; Laforgia, D. Air cooled heat pump coupled with Horizontal Air-Ground Heat Exchanger (HAGHE) for Zero Energy Buildings in the Mediterranean climate. Energy Procedia 2017, 140, 2–12. [Google Scholar] [CrossRef]
- Noureldin, M.H.S.; Amrin, A.; Sarip, S.Y.; Khawaja, G.; Mahmoud, A.G. Simulation of Operational Faults of Heating, Ventilation and Air Conditioning Systems Compromising Energy Consumption for Abu Dhabi Future Schools (ADFS). Int. J. Eng. Res. Rev. 2016, 4, 97–106. [Google Scholar]
- Wang, F.; Lin, H.; Luo, J. Energy Consumption Analysis with a Weighted Energy Index for a Hotel Building. In Proceedings of the 10th International Symposium on Heating, Ventilation and Air Conditioning (ISHVAC2017), Jinan, China, 19–22 October 2017. [Google Scholar]
- Dong, J.; Winstead, C.; Nutaro, J.; Kuruganti, T. Occupancy-Based HVAC Control with Short-Term Occupancy Prediction Algorithms for Energy-Efficient Buildings. Energies 2018, 11, 2427. [Google Scholar] [CrossRef]
- Guide to Best Practice Maintenance & Operation of HVAC Systems for Energy Efficiency; Council of Australian Governments (COAG): Canberra, Australia, 2012.
- Papakostas, K.T.; Tiganitis, I.; Papadopoulos, A.M. Energy and economic analysis of an auditorium’s air conditioning system with heat recovery in various climatic zones. Therm. Sci. 2018, 18, 933–943. [Google Scholar] [CrossRef]
- Borowski, M.; Jaszczur, M.; Satoła, D.; Kleszcz, S.; Karch, M. Analysis of the temperature, humidity, and total efficiency of the air handling unit with a periodic counterflow heat exchanger. Therm. Sci. 2019, 23, 1175–1185. [Google Scholar]
- Borowski, M.; Karch, M.; Satoła, D. OnyX Experience—Stanowisko badawcze w Akademii Górniczo-Hutniczej. Chłodnictwo Klim. 2018, 4, 78–81. [Google Scholar]
- Gonçalves, H.; Aelenei, L.; Rodrigues, C. SOLAR XXI: A Portuguese Office Building towards Net Zero-Energy Building. REHVA J. 2012, 49, 34–40. [Google Scholar]
- Hernandez, O. Elithis Tower in Dijon, France. Federation of European Heating, Ventilation and Air Conditioning Associations. REHVA J. 2011, 48, 53–57. [Google Scholar]
- National Geoportal. Available online: http://mapy.geoportal.gov.pl (accessed on 10 February 2020).
- European Standard EN-1434:2015 Thermal Energy Meters; BSI: London, UK, 2015.
















| System/Equipment | Description of the Current Situation | Modernization Suggestion |
|---|---|---|
| Central heating system | Two low-temperature 250 and 350 kW gas boilers with an efficiency of less than 0.86 Two-pipe system with panel radiators and thermostatic valves | Replacement of one 250 kW boiler by three trigeneration gas power generators (GATs) and introduction of centrally controlled electronic thermostatic valves 80% of the heat demand to be met from a reversible heat pump with GAT generator No. 1, while the remaining 20% from high parameters with GAT generator No. 2 |
| District hot water system | Central preparation of hot water in the gas boiler house with circulation and with heating circulation pump control Traditional fittings with washbasins having a flow rate of 6 L/min and shower fittings with a flow rate of 18 L/min | Use of heat from the cooling circuit of engines and exhaust gas heat exchangers of three GAT generators with a total output of 75 kW Supply of 3 district hot water tanks with a volume of 3000 L each Timing and proximity automation and dynamic flow limiters < 2 L/min and < 6 L/min for showers |
| Ventilation | Mechanical exhaust and supply ventilation Seven air handling units with rotary exchangers Air handling unit for the kitchen with an exchanger using glycol Average seasonal temperature efficiency < 45% | Air handling units with a regenerative counterflow exchanger with controlled humidity recovery Use of hoods with grease filters in the kitchen Average seasonal air handling unit temperature efficiency < 45% |
| Cooling | Cooling unit with a hydraulic module for cooling a 35% water solution of glycol at a temperature of 6/12 °C, Water at a temperature of 8/14 °C enters a plate heat exchanger of water air coolers located in air handling units and fan coil units Average seasonal cooling efficiency rating is estimated at approximately 2.4 | Bivalent system based on three GAT gas power generators with a total cooling capacity of 150 kW is used as a cooling source Cooling unit with an air-cooled condenser with free-cooling is a supporting source of cooling during peaks The cooling system supplies water air coolers in air handling units and fan coil units Average seasonal cooling efficiency rating is estimated at approximately 5.0 |
| Electricity | All electricity is supplied from the power grid | Trigeneration generator with smooth power distribution between the reversible heat pump compressor and the generator Minimum generation in off-peak heat and cooling demand periods 180 MWh |
| Kitchen technology | Convection steam oven average, annual energy consumption 38.3 MWh | Replacement of the convection steam oven, annual energy consumption 11.48 MWh |
| Hour | Heating/Cooling Energy (kWh/h) | Heating Energy—DHW (kWh/h) | Heating Energy—Pool (kWh/h) | Heating Energy—Tech (kWh/h) |
|---|---|---|---|---|
| Heating season—13 April | ||||
| 00:00 | 34.25 | 0.00 | 20.61 | 15.91 |
| 01:00 | 32.20 | 0.00 | 36.54 | 17.78 |
| 02:00 | 33.29 | 0.00 | 50.87 | 16.69 |
| 03:00 | 59.03 | 0.00 | 50.34 | 18.86 |
| 04:00 | 31.85 | 0.00 | 47.96 | 26.45 |
| 05:00 | 39.74 | 19.70 | 47.09 | 26.74 |
| 06:00 | 39.06 | 57.09 | 46.20 | 22.06 |
| 07:00 | 44.63 | 57.68 | 34.82 | 28.68 |
| 08:00 | 44.20 | 23.17 | 21.42 | 21.53 |
| 09:00 | 42.21 | 36.57 | 21.55 | 25.73 |
| 10:00 | 42.13 | 18.13 | 20.49 | 19.64 |
| 11:00 | 38.65 | 15.50 | 28.61 | 20.23 |
| 12:00 | 39.24 | 13.80 | 49.68 | 29.70 |
| 13:00 | 37.81 | 0.00 | 50.55 | 29.91 |
| 14:00 | 40.34 | 27.41 | 47.05 | 19.36 |
| 15:00 | 40.35 | 31.59 | 21.74 | 17.83 |
| 16:00 | 38.87 | 22.32 | 24.74 | 21.80 |
| 17:00 | 41.06 | 22.97 | 23.33 | 26.46 |
| 18:00 | 36.94 | 59.62 | 40.26 | 24.46 |
| 19:00 | 39.71 | 31.71 | 48.44 | 21.82 |
| 20:00 | 32.79 | 62.98 | 47.18 | 31.51 |
| 21:00 | 37.57 | 23.81 | 48.13 | 25.00 |
| 22:00 | 25.03 | 19.72 | 49.06 | 27.21 |
| 23:00 | 34.96 | 14.47 | 48.98 | 24.77 |
| Cooling season—4 June | ||||
| 00:00 | 21.45 | 17.94 | 37.35 | 0.00 |
| 01:00 | 22.84 | 0.00 | 38.12 | 0.00 |
| 02:00 | 21.42 | 13.31 | 37.01 | 0.00 |
| 03:00 | 19.66 | 15.33 | 37.76 | 0.00 |
| 04:00 | 31.63 | 19.56 | 36.11 | 0.00 |
| 05:00 | 39.26 | 30.56 | 14.02 | 0.00 |
| 06:00 | 46.42 | 30.70 | 7.45 | 0.00 |
| 07:00 | 56.96 | 17.11 | 8.11 | 0.00 |
| 08:00 | 62.03 | 16.15 | 6.84 | 0.00 |
| 09:00 | 62.54 | 15.69 | 9.17 | 0.00 |
| 10:00 | 66.78 | 17.91 | 7.12 | 0.00 |
| 11:00 | 67.78 | 15.64 | 6.87 | 0.00 |
| 12:00 | 54.70 | 0.00 | 6.67 | 0.00 |
| 13:00 | 61.90 | 12.74 | 4.78 | 0.00 |
| 14:00 | 69.98 | 0.00 | 8.42 | 0.00 |
| 15:00 | 66.77 | 0.00 | 7.47 | 0.00 |
| 16:00 | 69.48 | 32.18 | 11.25 | 0.00 |
| 17:00 | 97.63 | 31.92 | 21.48 | 0.00 |
| 18:00 | 84.86 | 32.12 | 33.79 | 0.00 |
| 19:00 | 79.65 | 46.40 | 33.56 | 0.00 |
| 20:00 | 34.48 | 26.38 | 35.20 | 0.00 |
| 21:00 | 26.77 | 16.91 | 34.47 | 0.00 |
| 22:00 | 27.17 | 14.88 | 8.95 | 0.00 |
| 23:00 | 25.41 | 0.00 | 9.39 | 0.00 |
| Day | Heating/Cooling Energy (kWh/h) | Heating Energy—DHW (kWh/h) | Heating Energy—Pool (kWh/h) | Heating Energy—Tech (kWh/h) |
|---|---|---|---|---|
| Heating season | ||||
| 12.04.2019 | 947.86 | 519.07 | 912.16 | 602.41 |
| 13.04.2019 | 925.87 | 558.22 | 925.64 | 560.13 |
| 14.04.2019 | 755.95 | 563.85 | 856.61 | 396.61 |
| 15.04.2019 | 795.84 | 385.23 | 699.35 | 406.90 |
| 16.04.2019 | 663.03 | 334.17 | 679.20 | 312.56 |
| 17.04.2019 | 602.16 | 329.79 | 636.58 | 262.21 |
| 18.04.2019 | 582.35 | 363.02 | 661.94 | 262.55 |
| Cooling season | ||||
| 01.06.2019 | 823.87 | 436.02 | 432.96 | - |
| 02.06.2019 | 623.15 | 273.13 | 539.57 | - |
| 03.06.2019 | 1053.11 | 401.92 | 369.57 | - |
| 04.06.2019 | 1217.55 | 423.42 | 461.37 | - |
| 05.06.2019 | 1041.60 | 414.37 | 436.95 | - |
| 06.06.2019 | 1047.45 | 376.76 | 478.30 | - |
| 07.06.2019 | 1489.55 | 347.23 | 425.56 | - |
© 2020 by the authors. Licensee MDPI, Basel, Switzerland. This article is an open access article distributed under the terms and conditions of the Creative Commons Attribution (CC BY) license (http://creativecommons.org/licenses/by/4.0/).
Share and Cite
Borowski, M.; Mazur, P.; Kleszcz, S.; Zwolińska, K. Energy Monitoring in a Heating and Cooling System in a Building Based on the Example of the Turówka Hotel. Energies 2020, 13, 1968. https://doi.org/10.3390/en13081968
Borowski M, Mazur P, Kleszcz S, Zwolińska K. Energy Monitoring in a Heating and Cooling System in a Building Based on the Example of the Turówka Hotel. Energies. 2020; 13(8):1968. https://doi.org/10.3390/en13081968
Chicago/Turabian StyleBorowski, Marek, Piotr Mazur, Sławosz Kleszcz, and Klaudia Zwolińska. 2020. "Energy Monitoring in a Heating and Cooling System in a Building Based on the Example of the Turówka Hotel" Energies 13, no. 8: 1968. https://doi.org/10.3390/en13081968
APA StyleBorowski, M., Mazur, P., Kleszcz, S., & Zwolińska, K. (2020). Energy Monitoring in a Heating and Cooling System in a Building Based on the Example of the Turówka Hotel. Energies, 13(8), 1968. https://doi.org/10.3390/en13081968

