Experimental Validation of a Heat Transfer Model in Underground Power Cable Systems
Abstract
:1. Introduction
- ▪
- ambient ground temperature equal to 15 °C;
- ▪
- cable line burial depth equal to 2.0 m;
- ▪
- thermal conductivity of the surrounding soil equal to 1.0 W/(mK);
- ▪
- ambient air temperature equal to 30 °C.
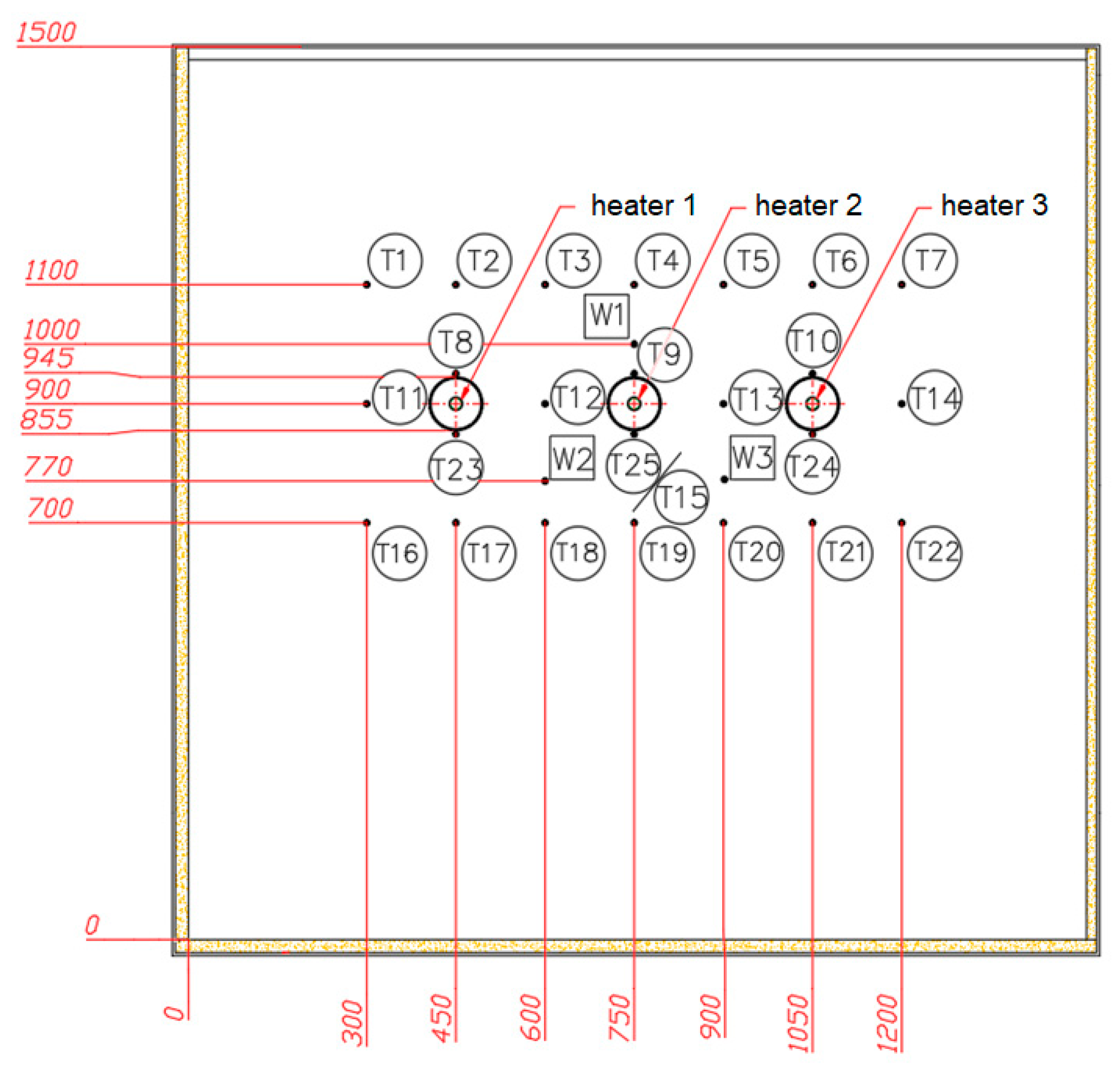
2. Experimental Setup
- (a)
- Temperature measurements at the locations of (200 mm above the heaters): T1–T7 and around heater 1 (T8, T11, T23), heater 2 (T9, T12, T15), heater 3 (T10, T13, T24).
- (b)
- Measurements are performed for two different air temperatures Tair = 3.9 oC and Tair = 40 oC to simulate the temperature distribution in power cable system for various external temperatures (a dedicated climatic chamber was used for this purposes)
- (c)
- The heater power output was maintained constant and equal to P = 20 W at each heater (regulated by auto-transformers)
3. Mathematical Modeling
- (a)
- Sand is considered as a homogenous material with thermal conductivity equal to 0.3 W/(m K).
- (b)
- Thermal insulation made of granular glass is considered as homogenous material with thermal conductivity of 0.17 W/(m K).
- (c)
- Cable core made of aluminum is considered as a homogenous material with thermal conductivity equal to 200 W/(m K).
- (d)
- At the ground level surface, the convective boundary condition is applied. The heat transfer coefficient of external air is equal to α = 10 W/(m2K), while the ambient air temperature is taken from the measurements.
- for the cable conductor kc = 200 W/(m K),
- for the cable insulation kins = 0.17W/(m K),
- for the sand ks = 0.3 W/(m K),
4. Results and Discussion
5. Conclusions
Author Contributions
Funding
Conflicts of Interest
References
- Lobão, J.A.; Devezas, T.; Catalão, J.P.S. Influence of cable losses on the economic analysis of efficient and sustainable electrical equipment. Energy 2014, 65, 145–151. [Google Scholar] [CrossRef]
- Shabani, H.; Vahidi, B. A probabilistic approach for optimal power cable ampacity computation by considering uncertainty of parameters and economic constraints. Int. J. Electr. Power Energy Syst. 2019, 106, 432–443. [Google Scholar] [CrossRef]
- Quan, L.; Fu, C.; Si, W.; Yang, J.; Wang, Q. Numerical study of heat transfer in underground power cable system. Energy Procedia 2019, 158, 5317–5322. [Google Scholar] [CrossRef]
- Bustamante, S.; Mínguez, R.; Arroyo, A.; Manana, M.; Laso, A.; Castro, P.; Martinez, R. Thermal behaviour of medium-voltage underground cables under high-load operating conditions. Appl. Therm. Eng. 2019, 156, 444–452. [Google Scholar] [CrossRef]
- Cichy, A.; Sakowicz, B.; Kaminski, M. Economic optimization of an underground power cable installation. IEEE Trans. Power Deliv. 2018, 33, 1124–1133. [Google Scholar] [CrossRef]
- Hruška, M.; Clauser, C.; De Doncker, R.W. Influence of dry ambient conditions on performance of underground medium-voltage DC cables. Appl. Therm. Eng. 2019, 149, 1419–1426. [Google Scholar] [CrossRef]
- Kroener, E.; Vallati, A.; Bittelli, M. Numerical simulation of coupled heat, liquid water and water vapor in soils for heat dissipation of underground electrical power cables. Appl. Therm. Eng. 2014, 70, 510–523. [Google Scholar] [CrossRef]
- Galli, G.; Vallati, A. Equilibrium heat and moisture transfer in soils with heat sources. Int. J. Heat Technol. 2011, 29, 33–38. [Google Scholar]
- Radhakrishna, H.S. Fluidized cable thermal backfill. In Underground Cable Thermal Backfill; Pergamon Press: Oxford, UK, 1982; pp. 34–53. [Google Scholar]
- IEC 60287-1-1:2006/AMD1:2014 Standard. Electric Cables–Calculation of Current Rating–Part 1: Current Rating Equations (100% Load Factor) and Calculation of Losses–Section 1: General; Publication IEC-60287-1-1: Geneva, Switzerland, 2014. [Google Scholar]
- CYME, CYMCAP—Power Cable Ampacity Rating. Available online: http://www.cyme.com/software/cymcap/ (accessed on 10 March 2020).
- Ocłoń, P.; Cisek, P.; Pilarczyk, M.; Taler, D. Numerical simulation of heat dissipation processes in underground power cable system situated in thermal backfill and buried in a multilayered soil. Energy Convers. Manag. 2015, 95, 352–370. [Google Scholar] [CrossRef]
- Ocłoń, P.; Taler, D.; Cisek, P.; Pilarczyk, M. Fem-based thermal analysis of underground power cables located in backfills made of different materials. Strength Mater. 2015, 47, 770–780. [Google Scholar]
- Ocłoń, P.; Bittelli, M.; Cisek, P.; Kroener, E.; Pilarczyk, M.; Taler, D.; Venkata Rao, R.; Vallati, A. The performance analysis of a new thermal backfill material for underground power cable system. Appl. Therm. Eng. 2016, 108, 233–250. [Google Scholar] [CrossRef]
- Ocłoń, P.; Cisek, P.; Taler, D.; Pilarczyk, M.; Szwarc, T. Optimizing of the underground power cable bedding using momentum-type particle swarm optimization method. Energy 2015, 92, 230–239. [Google Scholar] [CrossRef]
- Ocłoń, P.; Cisek, P.; Rerak, M.; Taler, D.; Venkata Rao, R.; Vallati, A.; Pilarczyk, M. Thermal performance optimization of the underground power cable system by using a modified Jaya algorithm. Int. J. Therm. Sci. 2018, 123, 162–180. [Google Scholar] [CrossRef]
- De Lieto Vollaro, R.; Fontana, L.; Vallati, A. Thermal analysis of underground electrical power cables buried in non-homogeneous soils. Appl. Therm. Eng. 2011, 31, 772–778. [Google Scholar] [CrossRef]
- De Lieto Vollaro, R.; Fontana, L.; Vallati, A. Experimental study of thermal field deriving from an underground electrical power cable buried in non-homogenous soil. Appl. Therm. Eng. 2014, 62, 390–397. [Google Scholar] [CrossRef]
- De Lieto Vollaro, R.; Vallati, A. Study of a model for the evaluation of the heat losses from electric cables buried according to the norm standard. Adv. Mater. Res. 2013, 650, 437–442. [Google Scholar] [CrossRef]
- De Lieto Vollaro, R.; Fontana, L.; Quintino, A.; Vallati, A. Improving evaluation of the heat losses from arrays of pipes or electric cables buried in homogeneous soil. Appl. Therm. Eng. 2011, 31, 3768–3773. [Google Scholar] [CrossRef]
- Ahmad, S.; Rizvi, Z.; Khan, M.A.; Ahmad, J.; Wuttke, F. Experimental study of thermal performance of the backfill material around underground power cable under steady and cyclic thermal loading. Mater. Today: Proc. 2019, 17, 85–95. [Google Scholar] [CrossRef]
- Moya, R.E.S.; Prata, A.T.; Cunha Neto, J.A.B. Experimental analysis of unsteady heat and moisture transfer around a heated cylinder buried into a porous medium. Int. J. Heat Mass Transf. 1999, 42, 2187–2198. [Google Scholar] [CrossRef]
- Kucybała, P.; Gawlik, A.; Pobędza, J.; Walczak, P. The usage of a thermoclimatic chamber for technoclimatic tests of special vehicles and mobile machines. J. Kones Powertrain Transp. 2018, 25, 199–206. [Google Scholar]








| Tair | P | T01 | T02 | T03 | T04 | T05 | T06 | T07 | |
|---|---|---|---|---|---|---|---|---|---|
| °C | W | °C | |||||||
| x, mm | 300 | 450 | 600 | 750 | 900 | 1050 | 1200 | ||
| y, mm | 1100 | ||||||||
| Exper. | 40 | 20 | 58.3 | 63.2 | 68.46 | 70.72 | 69.34 | 66.25 | 58.11 |
| Model | 57.3 | 64.7 | 68.79 | 70.43 | 68.79 | 65.06 | 57.23 | ||
| Exper. | 3.9 | 20 | 24.71 | 30.02 | 35.91 | 38.29 | 36.69 | 33.52 | 24.11 |
| Model | 24.1 | 30.41 | 35.61 | 37.4 | 35.61 | 31.61 | 24.08 | ||
| Heater 1 | Heater 2 | ||||||||
|---|---|---|---|---|---|---|---|---|---|
| Tair | P | T08 | T11 | T23 | T09 | T12 | T15 | T25 | |
| °C | W | °C | |||||||
| x, mm | 450 | 300 | 450 | 750 | 600 | 750 | |||
| y, mm | 945 | 900 | 855 | 945 | 900 | 855 | |||
| Exper. | 40 | 20 | 84.92 | 67.47 | 84.79 | 90.79 | 81.55 | 90.57 | 90.26 |
| Model | 84.2 | 65.06 | 84.63 | 91.15 | 81.45 | 90.99 | 91.69 | ||
| Exper | 3.9 | 20 | 54.27 | 35.34 | 54.44 | 54.27 | 50.87 | 60.84 | 60.42 |
| Model | 54.1 | 35.08 | 54.25 | 54.25 | 49.9 | 57,98 | 57.75 | ||
| Heater 3 | ||||||
|---|---|---|---|---|---|---|
| Tair | P | T10 | T13 | T24 | T14 | |
| °C | W | °C | ||||
| x, mm | 1050 | 900 | 1050 | 1200 | ||
| y, mm | 945 | 900 | 855 | 900 | ||
| Exper. | 40 | 20 | 53.95 | 51.06 | 55.29 | 32.26 |
| Model | 84.2 | 81.26 | 84.63 | 64.05 | ||
| Exper. | 3.9 | 20 | 53.95 | 51.06 | 55.29 | 32.26 |
| Model | 53.41 | 50.58 | 55.12 | 33.86 | ||
© 2020 by the authors. Licensee MDPI, Basel, Switzerland. This article is an open access article distributed under the terms and conditions of the Creative Commons Attribution (CC BY) license (http://creativecommons.org/licenses/by/4.0/).
Share and Cite
Ocłoń, P.; Pobędza, J.; Walczak, P.; Cisek, P.; Vallati, A. Experimental Validation of a Heat Transfer Model in Underground Power Cable Systems. Energies 2020, 13, 1747. https://doi.org/10.3390/en13071747
Ocłoń P, Pobędza J, Walczak P, Cisek P, Vallati A. Experimental Validation of a Heat Transfer Model in Underground Power Cable Systems. Energies. 2020; 13(7):1747. https://doi.org/10.3390/en13071747
Chicago/Turabian StyleOcłoń, Paweł, Janusz Pobędza, Paweł Walczak, Piotr Cisek, and Andrea Vallati. 2020. "Experimental Validation of a Heat Transfer Model in Underground Power Cable Systems" Energies 13, no. 7: 1747. https://doi.org/10.3390/en13071747
APA StyleOcłoń, P., Pobędza, J., Walczak, P., Cisek, P., & Vallati, A. (2020). Experimental Validation of a Heat Transfer Model in Underground Power Cable Systems. Energies, 13(7), 1747. https://doi.org/10.3390/en13071747

