Disturbance-State Modeling and Oscillation Analysis of Modular Multilevel Converters under P/Q Control Mode
Abstract
1. Introduction
2. Basic Structure of the MMC under P/Q Control Mode
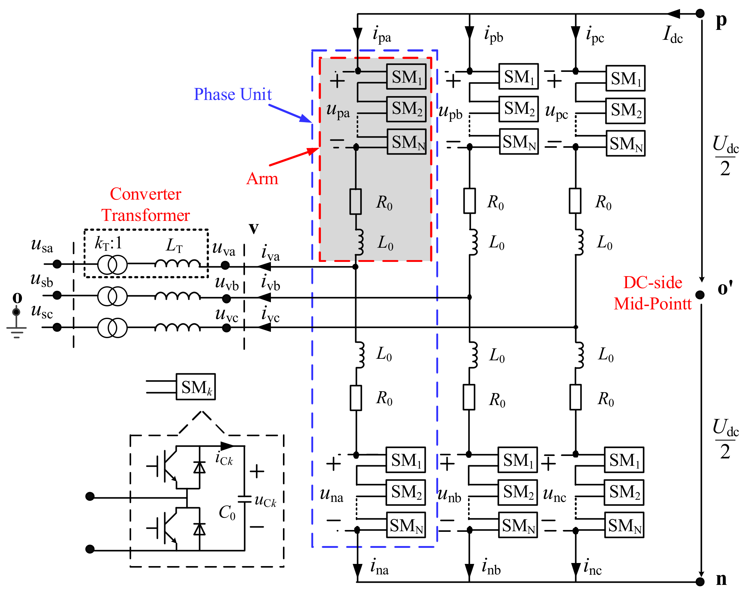
2.1. Circuit Structure
2.2. Controller Structure
2.2.1. Measurement Module
2.2.2. Phase-Locked Loop (PLL)
2.2.3. Outer-Loop Controller
2.2.4. Inner-Loop Controller
2.2.5. Modulation and Triggering Module
3. Dynamic Characteristics Analysis of Each Module in the MMC
3.1. Converter Itself
3.2. Converter Transformer
3.3. Measurement Module
3.4. ABC-DQ Transformation
3.5. Phase-Locked Loop (PLL)
3.6. P/Q Calculation
3.7. P/Q Outer-Loop Controller
3.8. Inner-Loop Controller
3.9. DQ-ABC Transformation
3.10. Modulation and Triggering Module
4. Disturbance-State HSS Modeling of the MMC
4.1. Disturbance Components Analysis in Each Module
4.1.1. Converter Itself
4.1.2. Converter Transformer
4.1.3. Measurement Module
4.1.4. ABC-DQ Transformation
4.1.5. Phase-Locked Loop (PLL)
4.1.6. P/Q Calculation
4.1.7. P/Q Outer-Loop Controller
4.1.8. Inner-Loop Controller
4.1.9. DQ-ABC Transformation
4.1.10. Modulation and Triggering Module
4.2. Steady-State Condition of the MMC under P/Q Control Mode
5. Case Study
5.1. System Parameters
5.2. Model Verification
5.3. Oscillation Analysis
6. Conclusions
- (1)
- By the time-domain simulation with PSCAD/ EMTDC, the analytical disturbance-state HSS model of the MMC proposed in this paper is verified. Moreover, the oscillation analysis results indicate that the proposed model could be applied to analyzing the oscillation risk of power system with the MMC.
- (2)
- Under P/Q control mode, the AC-side impedance of the MMC has certain negative resistance effect in the 1 Hz-100 Hz frequency range. It would cause the instability of resonance mode. Therefore, the negative resistance effect of the MMC should be taken much attention in the grid-connection planning stage.
- (3)
- When the AC-side voltage of the MMC has one disturbance component of single frequency, there will appear two main disturbance components in its output current, whose frequencies are complementary on twice the fundamental frequency. It indicates that there exists frequency coupling effect among disturbance components, but the cause of frequency coupling effect needs to be further analyzed in the future work.
Author Contributions
Funding
Conflicts of Interest
Abbreviations
| AC | Alternating current |
| CCSC | Circulating current suppression control |
| DC | Direct current |
| DFIG | Doubly-fed induction generator |
| HSS | Harmonic state-space |
| HVDC | High voltage direct current |
| MHL | Multi-harmonic linearization |
| MMC | Modular multi-level converter |
| NLM | Nearest level modulation |
| OCTC | Output current tracking control |
| PI | Proportional-integral |
| PLL | Phase-locked loop |
| SM | Sub-module |
| SSL | Small-signal linearization |
| SRF-PLL | Synchronous reference frame phase locked loop |
| VSC | Voltage-source converter |
| usj | The voltage of phase j in AC system, j= a, b, c |
| usj_c | The measured value about the voltage of phase j in AC system |
| usd, usq | The d- and q-axis component of the AC system voltage |
| usα, usβ | The α- and β-axis component of the AC system voltage |
| Usbase | The base value of the AC system voltage |
| uvj | The valve-side voltage of phase j |
| ivj | The valve-side current of phase j |
| ivj_c | The measured value about the valve-side current of phase j |
| ivd, ivq | The d- and q-axis component of the valve-side current |
| ivd*, ivq* | The reference value of the d- and q-axis valve-side current |
| ivα, ivβ | The α- and β-axis component of the valve-side current |
| Ivbase | The base value of the valve-side current |
| Udc | The DC-side voltage |
| Idc | The DC-side current |
| P, Q | The calculated active power and reactive power |
| P*, Q* | The reference value of the active power and reactive power |
| Sbase | The base value of the MMC system capacity |
| upj, unj | The arm voltage of the upper and lower arm in phase j |
| upj*, unj* | The reference value of the upper and lower arm voltage in phase j |
| udiffj | The differential mode voltage of the upper and lower arm in phase j |
| udiffj* | The reference value of the differential mode voltage in phase j |
| udiffd*, udiffq* | The reference value of the d- and q-axis differential mode voltage. |
| ucomj | The common mode voltage of the upper and lower arm in phase j |
| ucomj* | The reference value of the common mode voltage in phase j |
| ucomd*, ucomq* | The reference value of the d- and q-axis common mode voltage |
| ipj, inj | The arm current of the upper and lower arm in phase j |
| icirj | The circulating current of phase j |
| icirj_c | The measured value about the circulating current of phase j |
| icird, icirq | The d- and q-axis component of the circulating current. |
| icird*, icirq* | The reference value of the d- and q-axis circulating current. |
| uCk | The capacitor voltage of the k-th SM. |
| uCpj, uCnj | The capacitor voltage of the equivalent module in the upper and lower arm of phase j |
| iCk | The capacitor current of the k-th SM. |
| iCpj, iCnj | The capacitor current of the equivalent module in the upper and lower arm of phase j |
| Spj, Snj | The insertion index of the upper and lower arm of phase j |
| N | The number of SMs in one arm |
| Npj, Nnj | The number of the injecting SMs in the upper and lower arm of phase j |
| R0, L0 | The resistance and inductance of the arm reactor |
| C0 | The capacitance of the SM capacitor |
| Ceq | The capacitance of the equivalent capacitor in one arm |
| LT | The inductance of the converter transformer |
| kT | The turns ratio of the converter transformer |
| GF(s) | The transfer function of the low-pass filter in the measurement module |
| ζ, ωc | The damping ratio and characteristic frequency of the low-pass filter in the measurement module |
| θ | The output phase of the PLL |
| ω | The estimated angular frequency of the PLL |
| ω0 | The synchronous angular frequency of AC system |
| GPLL(s) | The transfer function of the PI regulator in the PLL |
| kpPLL, kiPLL | The proportional coefficient and integral coefficient of the PI regulator in the PLL |
| GP (s) | The transfer function of the PI regulator in the active power control |
| kpP, kiP | The proportional coefficient and integral coefficient of the PI regulator in the active power control |
| GQ (s) | The transfer function of the PI regulator in the reactive power control |
| kpQ, kiQ | The proportional coefficient and integral coefficient of the PI regulator in the reactive power control |
| Goctc (s) | The transfer function of the PI regulator in the OCTC |
| kpIn1, kiIn1 | The proportional coefficient and integral coefficient of the PI regulator in the OCTC |
| Kc | The decoupled compensation coefficient in the OCTC |
| Gccsc (s) | The transfer function of the PI regulator in the CCSC |
| kpIn2, kiIn2 | The proportional coefficient and integral coefficient of the PI regulator in the CCSC |
| Gdelay (s) | The transfer function of the control delay |
| Tdelay | The delay time of the control delay |
| Km | The modulation ratio of amplitude |
References
- Sharifabadi, K.; Harnefors, L.; Nee, H.-P.; Norrga, S.; Teodorescu, R. Design, Control, and Application of Modular Multilevel Converters for HVDC Transmission Systems; John Wiley & Sons: Chichester, UK, 2016. [Google Scholar]
- Xu, Z. Voltage Source Converter Based HVDC Power Transmission Systems, 2nd ed.; China Machine Press: Beijing, China, 2017. [Google Scholar]
- Adams, J.; Pappu, V.A.; Dixit, A. ERCOT experience screening for Sub-Synchronous Control Interaction in the vicinity of series capacitor banks. In Proceedings of the IEEE Power & Energy Society General Meeting, San Diego, CA, USA, 22–26 July 2012. [Google Scholar]
- Li, M.; Yu, Z.; Xu, T.; He, J.; Wang, C.; Xie, X.; Liu, C. Study of complex oscillation caused by renewable energy integration and its solution. Power Syst. Technol. 2017, 41, 1035–1042. [Google Scholar]
- Buchhagen, C.; Rauscher, C.; Menze, A.; Jun, J. BorWin1-first experiences with harmonic interactions in converter dominated grids. In Proceedings of the 2015 International ETG Congress, Bonn, Germany, 17–18 November 2015. [Google Scholar]
- Li, Y.; Zou, C.; Rao, H.; Xu, S.; Hong, C. Resonance of VSC-HVDC with extreme ac grid. Proc. CSEE 2018, 38, 19–24. [Google Scholar]
- Yin, C.; Xie, X.; Liu, H.; Wang, X.; Wang, Z.; Chi, Y. Analysis and control of the oscillation phenomenon in VSC-HVDC transmission system. Power Syst. Technol. 2018, 42, 24–32. [Google Scholar]
- Lv, J.; Dong, P.; Shi, G.; Cai, X.; Rao, H.; Chen, J. Sub-synchronous oscillation of large DFIG-based wind farms integration through MMC-based HVDC. In Proceedings of the 2014 International Conference on Power System Technology (POWERCON 2014), Chengdu, China, 20–22 October 2014. [Google Scholar]
- Lv, J.; Dong, P.; Shi, G.; Cai, X.; Rao, H.; Chen, J. Sub-synchronous oscillation and its mitigation of MMC-based HVDC with large doubly-fed induction generator-based wind farm integration. Proc. CSEE 2015, 35, 4852–4860. [Google Scholar]
- Lyu, J.; Cai, X.; Molinas, M. Frequency domain stability analysis of MMC-based HVDC for wind farm integration. IEEE J. Emerg. Sel. Top. Power Electron. 2016, 4, 141–151. [Google Scholar] [CrossRef]
- Xing, F.; Wang, S.; Zhang, F.; Wang, H.; Xu, Z.; Xiao, H. Study on the resonance stability problem of the wind power base with the MMC-HVDC system. In Proceedings of the 14th IET International Conference on AC and DC Power Transmission (ACDC 2018), Chengdu, China, 28–30 June 2018. [Google Scholar]
- Saad, H.; Fillion, Y.; Deschanvres, S.; Vernay, Y.; Dennetière, S. On resonance and harmonics in HVDC-MMC station connected to AC grid. IEEE Trans. Power Deliv. 2017, 32, 1565–1574. [Google Scholar] [CrossRef]
- Zou, C.; Rao, H.; Xu, S.; Li, Y.; Li, W.; Chen, J.; Zhao, X.; Yang, Y.; Bo, L. Analysis of resonance between a VSC-HVDC converter and the AC grid. IEEE Trans. Power Electron. 2018, 33, 10157–10158. [Google Scholar] [CrossRef]
- Lyu, J.; Chen, Q.; Cai, X. Impedance modeling of modular multilevel converters by harmonic linearization. In Proceedings of the 2016 IEEE 17th Workshop on Control and Modeling for Power Electronics (COMPEL), Trondheim, Norway, 27–30 June 2016. [Google Scholar]
- Sun, J.; Liu, H. Sequence impedance modeling of modular multilevel converters. IEEE J. Emerg. Sel. Top. Power Electron. 2017, 5, 1427–1443. [Google Scholar] [CrossRef]
- Lyu, J.; Zhang, X.; Cai, X. Harmonic state-space based small-signal impedance modeling of modular multilevel converter with consideration of internal harmonic dynamics. IEEE Trans. Power Electron. 2018, 34, 2132–2148. [Google Scholar] [CrossRef]
- Wang, X.; Harnefors, L.; Blaabjerg, F. Unified impedance model of grid-connected voltage-source converters. IEEE Trans. Power Electron. 2018, 33, 1775–1787. [Google Scholar] [CrossRef]
- Wang, X.; Blaabjerg, F. Harmonic stability in power electronic-based power systems: Concept, modeling, and analysis. IEEE Trans. Smart Grid 2019, 10, 2858–2870. [Google Scholar] [CrossRef]
- Bakhshizadeh, M.K.; Wang, X.; Blaabjerg, F.; Hjerrild, J.; Kocewiak, Ł.; Leth Bak, C.; Hesselbæk, B. Couplings in phase domain impedance modeling of grid-connected converters. IEEE Trans. Power Electron. 2016, 31, 6792–6796. [Google Scholar]
- Rygg, A.; Molinas, M.; Zhang, C.; Cai, X. A modified sequence-domain impedance definition and its equivalence to the dq-domain impedance definition for the stability analysis of AC power electronic systems. IEEE J. Emerg. Sel. Top. Power Electron. 2016, 4, 1383–1396. [Google Scholar] [CrossRef]
- Arrillaga, J.; Medina, A.; Lisboa, M.L.V.; Cavia, M.A.; Sanchez, P. The harmonic domain: A frame of reference for power system harmonic analysis. IEEE Trans. Power Syst. 1995, 10, 433–440. [Google Scholar] [CrossRef]
- Geoffrey, N.L. Small Signal Modelling of Power Electronic Converters for the Study of Time-Domain Waveforms, Harmonic-Domain Spectra, and Control Interactions. Ph.D. Thesis, Department of Electrical and Computer Engineering, University of Canterbury, Christchurch, New Zealand, 2007. [Google Scholar]
- Xiao, H.; Xu, Z.; Tang, G.; Xue, Y. Complete mathematical model derivation for modular multilevel converter based on successive approximation approach. IET Power Electron. 2015, 8, 2396–2410. [Google Scholar] [CrossRef]
- Xing, F.; Xu, Z.; Wang, S.; Zhang, Z. AC- and DC-side perturbation analysis of modular multilevel converter based on frequency components balance. In Proceedings of the 2018 International Conference on Power System Technology (POWERCON 2018), Guangzhou, China, 6–8 November 2018. [Google Scholar]
- Ino, T.; Mathur, R.M.; Iravani, M.R.; Sasaki, S. Validation of digital simulation of DC links–Part II. IEEE Trans. Power Appar. Syst. 1985, 104, 2596–2603. [Google Scholar] [CrossRef]
- Saeed, G.; Josep, M.G.; Juan, C.V. Three-Phase PLLs: A review of recent advances. IEEE Trans. Power Electron. 2017, 32, 1894–1907. [Google Scholar]
- Harnefors, L.; Wang, X.; Yepes, A.G.; Blaabjerg, F. Passivity-based stability assessment of grid-connected VSCs—An overview. IEEE J. Emerg. Sel. Top. Power Electron. 2016, 4, 116–125. [Google Scholar] [CrossRef]












| Item | Values |
|---|---|
| AC system rated voltage | 145 kV |
| AC system rated frequency | 50 Hz |
| Transformer ratio | 145 kV/220 kV |
| Transformer rated capacity | 800 MVA |
| Transformer leakage inductance | 0.18 pu |
| Rated DC voltage | 400 kV |
| MMC rated capacity | 800 MVA |
| MMC arm inductance | 29 mH |
| MMC arm resistance | 1.5 Ω |
| Number of SMs per arm | 150 |
| MMC SM capacitor | 7500 μF |
| Active power reference | 0.8 pu |
| Reactive power reference | 0.0 pu |
| Modulation ratio | 0.9 |
| Control delay | 0.0045 s |
| Damping coefficient of filter | 0.707 |
| Characteristics frequency of filter | 2000 Hz |
| Parameters of PI Controller | Proportional Coefficient | Integral Coefficient |
|---|---|---|
| OCTC | 1.1 | 2 |
| CCSC | 1.5 | 2.5 |
| PLL | 100 | 222.2 |
| Active power controller | 0.64 | 60.61 |
| Reactive power controller | 0.21 | 34.48 |
| Variable | Frequency | Simulation Result | Analytical Result | ||
|---|---|---|---|---|---|
| Magnitude | Phase Angle | Magnitude | Phase Angle | ||
| iva | DC | 0 | -- | 0 | -- |
| ω0 | 2.4053 kA | −112.2549° | 2.3610 kA | −101.2879° | |
| 2ω0 | 0 | 0 | 0 | 0 | |
| icira | DC | 0.5413 kA | -- | 0.5333 kA | -- |
| ω0 | 0 | 0 | 0 | 0 | |
| 2ω0 | 0 | 0 | 0 | 0 | |
| uCpa | DC | 2.6335 kV | -- | 2.6334 kV | -- |
| ω0 | 0.1543 kV | 148.1338° | 0.1551 kV | 148.7124° | |
| 2ω0 | 0.0584 kV | −122.6353° | 0.0582 kV | −123.2604° | |
| Spa | DC | 0.5000 | -- | 0.5000 | -- |
| ω0 | 0.4571 | 77.9301° | 0.4586 | 78.3345° | |
| 2ω0 | 0.0244 | 51.0754° | 0.0176 | 49.3115° | |
© 2020 by the authors. Licensee MDPI, Basel, Switzerland. This article is an open access article distributed under the terms and conditions of the Creative Commons Attribution (CC BY) license (http://creativecommons.org/licenses/by/4.0/).
Share and Cite
Xing, F.; Xu, Z.; Zhang, Z.; Xiao, H. Disturbance-State Modeling and Oscillation Analysis of Modular Multilevel Converters under P/Q Control Mode. Energies 2020, 13, 1424. https://doi.org/10.3390/en13061424
Xing F, Xu Z, Zhang Z, Xiao H. Disturbance-State Modeling and Oscillation Analysis of Modular Multilevel Converters under P/Q Control Mode. Energies. 2020; 13(6):1424. https://doi.org/10.3390/en13061424
Chicago/Turabian StyleXing, Facai, Zheng Xu, Zheren Zhang, and Huanqing Xiao. 2020. "Disturbance-State Modeling and Oscillation Analysis of Modular Multilevel Converters under P/Q Control Mode" Energies 13, no. 6: 1424. https://doi.org/10.3390/en13061424
APA StyleXing, F., Xu, Z., Zhang, Z., & Xiao, H. (2020). Disturbance-State Modeling and Oscillation Analysis of Modular Multilevel Converters under P/Q Control Mode. Energies, 13(6), 1424. https://doi.org/10.3390/en13061424

